Стандарт устанавливает нормы и методы расчета на прочность и герметичность фланцевых соединений сосудов и аппаратов из углеродистых и легированных сталей, цветных металлов {алюминия, меди, титана и их сплавов), применяемых в химической, нефтехимической, нефтеперерабатывающей и смежных отраслях промышленности, работающих в условиях однократных и многократных нагрузок под внутренним избыточным давлением или вакуумом, под действием осевых сил и изгибающих моментов. Допускается также использование настоящего стандарта для расчета фланцевых соединений трубопроводов. Нормы и методы расчета на прочность и герметичность фланцевых соединений применимы при условии, что технические требования к конструированию, изготовлению и контролю удовлетворяют требованиям нормативных документов. В случае, если свойства материалов, отклонения от геометрической формы, неточности или качество изготовления отличаются от требований нормативных документов, то при расчете на прочность эти отступления должны быть учтены соответствующей корректировкой расчетных формул.
| Обозначение: | ГОСТ Р 52857.4-2007 |
| Название рус.: | Сосуды и аппараты. Нормы и методы расчета на прочность. Расчет на прочность и герметичность фланцевых соединений |
| Статус: | действует |
| Дата актуализации текста: | 05.05.2017 |
| Дата добавления в базу: | 01.09.2013 |
| Дата введения в действие: | 01.04.2008 |
| Утвержден: | 27.12.2007 Федеральное агентство по техническому регулированию и метрологии (503-ст) |
| Опубликован: | Стандартинформ (2008 г. ) Стандартинформ (2009 г. ) |
| Ссылки для скачивания: |
|
ФЕДЕРАЛЬНОЕ АГЕНТСТВО |
||
|
|
НАЦИОНАЛЬНЫЙ |
ГОСТ
Р |
Сосуды и аппараты
НОРМЫ И МЕТОДЫ РАСЧЕТА
НА ПРОЧНОСТЬ
Расчет на прочность и
герметичность фланцевых
соединений
|
|
Москва |
Предисловие
Цели и принципы стандартизации в Российской Федерации установлены Федеральным законом от 27 декабря 2002 г. № 184-ФЗ «О техническом регулировании», а правила применения национальных стандартов Российской Федерации - ГОСТ Р 1.0-2004 «Стандартизация в Российской Федерации. Основные положения»
Сведения о стандарте
1. РАЗРАБОТАН Открытым акционерным обществом «Научно-исследовательский и конструкторский институт химического машиностроения» (ОАО НИИХИММАШ); Закрытым акционерным обществом «Петрохим Инжиниринг» (ЗАО Петрохим Инжиниринг); Открытым акционерным обществом «Всероссийский научно-исследовательский и проектно-конструкторский институт нефтяного машиностроения» (ОАО ВНИИНЕФТЕМАШ); Федеральной службой по экологическому, технологическому и атомному надзору (Ростехнадзор)
2. ВНЕСЕН Техническим комитетом по стандартизации ТК 260 «Оборудование химическое и нефтегазоперерабатывающее»
3. УТВЕРЖДЕН И ВВЕДЕН В ДЕЙСТВИЕ Приказом Федерального агентства по техническому регулированию и метрологии от 27 декабря 2007 г. № 503-ст
4. В настоящем стандарте учтены основные нормативные положения следующих международных и европейских стандартов:
Директивы 97/23 ЕС Европейского Парламента и Совета от 29 мая 1997 г. по сближению законодательств государств-членов, касающейся оборудования, работающего под давлением; ЕН 13445-3:2002 «Сосуды, работающие под давлением. Часть 3. Расчет» (EN 13445-3:2002 «Unfired pressure vessel - Part 3: Design»)
5. ВВЕДЕН ВПЕРВЫЕ
Информация об изменениях к настоящему стандарту публикуется в ежегодно издаваемом информационном указателе «Национальные стандарты», а текст изменений и поправок - в ежемесячно издаваемых информационных указателях «Национальные стандарты». В случае пересмотра (замены) или отмены настоящего стандарта соответствующее уведомление будет опубликовано в ежемесячно издаваемом информационном указателе «Национальные стандарты». Соответствующая информация, уведомление и тексты размещаются также в информационной системе общего пользования - на официальном сайте Федерального агентства по техническому регулированию и метрологии в сети Интернет
СОДЕРЖАНИЕ
НАЦИОНАЛЬНЫЙ СТАНДАРТ РОССИЙСКОЙ ФЕДЕРАЦИИ
|
Сосуды и аппараты НОРМЫ И МЕТОДЫ РАСЧЕТА НА ПРОЧНОСТЬ Расчет на прочность и герметичность фланцевых соединений Vessels and apparatus. Norms and methods of
strength calculation. |
Дата введения - 2008-04-01
Настоящий стандарт устанавливает нормы и методы расчета на прочность и герметичность фланцевых соединений сосудов и аппаратов из углеродистых и легированных сталей, цветных металлов (алюминия, меди, титана и их сплавов), применяемых в химической, нефтехимической, нефтеперерабатывающей и смежных отраслях промышленности, работающих в условиях однократных и многократных нагрузок под внутренним избыточным давлением или вакуумом, под действием осевых сил и изгибающих моментов. Допускается также использование настоящего стандарта для расчета фланцевых соединений трубопроводов. Нормы и методы расчета на прочность и герметичность фланцевых соединений применимы при условии, что технические требования к конструированию, изготовлению и контролю удовлетворяют требованиям нормативных документов. В случае, если свойства материалов, отклонения от геометрической формы, неточности или качество изготовления отличаются от требований нормативных документов, то при расчете на прочность эти отступления должны быть учтены соответствующей корректировкой расчетных формул.
Настоящий стандарт распространяется на расчет фланцевых соединений с фланцами приварными встык, плоскими приварными и свободными с плоскими, восьмигранными и овальными прокладками, которые полностью расположены внутри окружности, ограниченной отверстиями под шпильки (болты).
Настоящий стандарт применяется совместно с ГОСТ Р 52857.1-2007.
В настоящем стандарте использованы ссылки на следующие стандарты:
ГОСТ Р 52630-2006 Сосуды и аппараты стальные сварные. Общие технические условия
ГОСТ Р 52857.1-2007 Сосуды и аппараты. Нормы и методы расчета на прочность. Общие требования
ГОСТ Р 52857.6-2007 Сосуды и аппараты. Нормы и методы расчета на прочность. Расчет на прочность при малоцикловых нагрузках
ГОСТ Р 52857.7-2007 Сосуды и аппараты. Нормы и методы расчета на прочность. Теплообменные аппараты
ГОСТ 481-80 Паронит и прокладки из него. Технические условия
ГОСТ 2850-95 Картон асбестовый. Технические условия
ГОСТ 7338-90 Пластины резиновые и резинотканевые. Технические условия
ГОСТ 12816-80 Фланцы арматуры, соединительных частей и трубопроводов на Pу от 0,1 до 20,0 МПа (от 1 до 200 кгс/см2). Общие технические требования
ГОСТ 28759.5-90 Фланцы сосудов и аппаратов. Технические требования
Примечание - При пользовании настоящим стандартом целесообразно проверить действие ссылочных стандартов в информационной системе общего пользования - на официальном сайте Федерального агентства по техническому регулированию и метрологии в сети Интернет или по ежегодно издаваемому информационному указателю «Национальные стандарты», который опубликован по состоянию на 1 января текущего года, и по соответствующим ежемесячно издаваемым информационным указателям, опубликованным в текущем году. Если ссылочный стандарт заменен (изменен), то при пользовании настоящим стандартом следует руководствоваться заменяющим (измененным) стандартом. Если ссылочный стандарт отменен без замены, то положение, в котором дана ссылка на него, применяется в части, не затрагивающей эту ссылку.
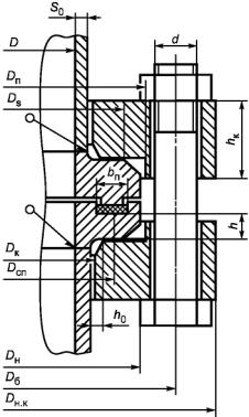
В настоящем стандарте применены следующие обозначения:
Aб - суммарная площадь сечения болтов (шпилек) по внутреннему диаметру резьбы или нагруженному сечению наименьшего диаметра, мм2;
a - плечо усилий в болтах (шпильках) свободного фланца, мм;
b - плечо усилий в болтах (шпильках), мм;
b0 - эффективная ширина прокладки, мм;
bп - ширина прокладки, мм;
c - прибавка на коррозию, мм;
CF - коэффициент, учитывающий изгиб тарелки фланца между болтами (шпильками);
Dн - наружный диаметр фланца, мм;
D - внутренний диаметр фланца, мм;
Dб - диаметр окружности расположения болтов (шпилек), мм;
Dcn - расчетный диаметр прокладки, мм;
Dн.п - наружный диаметр прокладки, мм;
Dк - внутренний диаметр кольца свободного фланца, мм;
Dн.к - наружный диаметр кольца свободного фланца, мм;
Ds - наружный диаметр контакта бурта и кольца свободного фланца, мм;
D* - приведенный диаметр фланца, мм;
d - наружный диаметр болта (шпильки), мм;
Еп - условный модуль сжатия прокладки, МПа;
-
модуль продольной упругости материала болта (шпильки) при температуре 20 °C,
МПа;
- модуль продольной упругости материала свободного кольца при
температуре 20 °C, МПа;
Eк - модуль продольной упругости материала свободного кольца при расчетной температуре, МПа;
Eб - модуль продольной упругости материала болта (шпильки) при расчетной температуре, МПа;
,
, E20
- модуль продольной упругости материала фланца при температуре 20 °C, МПа;
E1, E2, E - модуль продольной упругости материала фланца при расчетной температуре, МПа;
-
модуль продольной упругости материала крышки при температуре 20 °C, МПа;
Eкр - модуль продольной упругости материала крышки при расчетной температуре, МПа;
e - плечо усилия от действия давления внутри фланца, мм;
F - внешняя осевая сила (растягивающая сила берется со знаком плюс, сжимающая сила - со знаком минус), Н;
f - коэффициент увеличения изгибных напряжений в сечении S0 приварного встык фланца;
fб - площадь поперечного сечения болта (шпильки) по внутреннему диаметру резьбы или сечению наименьшего диаметра, мм2;
h, h1, h2 - толщина тарелки фланца, мм;
h0 - расстояние от наружной поверхности обечайки до внутренней окружности контакта бурта и кольца свободного фланца, мм;
hк - толщина кольца свободного фланца, мм;
hкр, δкр - толщина крышки и ее фланцевой части, соответственно, мм;
hп - толщина прокладки, мм;
hр - толщина трубной решетки или закладной детали между прокладками, мм;
Kобж - коэффициент обжатия прокладки;
K - отношение наружного диаметра тарелки фланца к внутреннему диаметру;
Kкр - отношение наружного диаметра плоской крышки к среднему диаметру прокладки;
KТ - коэффициент увеличения допускаемых напряжений при расчете фланцев с учетом стесненности температурных деформаций;
Kу.р - коэффициент условий работы;
Kу.з - коэффициент условий затяжки болтов (шпилек);
Kу.т - коэффициент учета нагрузки от температурных деформаций;
KΘ - коэффициент увеличения допускаемого угла поворота фланцев при испытании;
Lб - эффективная длина болта (шпильки) при определении податливости, мм;
Lб.о - расстояние между опорными поверхностями гайки и головки болта или опорными поверхностями гаек, мм;
l - длина конической втулки приварного встык фланца, мм;
l0 - параметр длины втулки, мм;
М - внешний изгибающий момент, Н · мм;
ММ - расчетный изгибающий момент, действующий на фланец при затяжке, Н · мм;
МР - расчетный изгибающий момент, действующий на фланец в рабочих условиях, Н · мм;
-
расчетный изгибающий момент, действующий на кольцо свободного фланца при
затяжке, Н · мм;
-
расчетный изгибающий момент, действующий на кольцо свободного фланца в рабочих
условиях, Н · мм;
Mкр - крутящий момент на ключе при затяжке для болтов (шпилек), Н · мм;
m - прокладочный коэффициент;
Nр - число циклов изменения режимов эксплуатации;
Nс - число циклов сборок - разборок;
[N]р - допускаемое число циклов изменения режимов эксплуатации;
[N]с - допускаемое число циклов сборок - разборок;
n - число болтов (шпилек);
nт - коэффициент запаса прочности по пределу текучести;
nD - коэффициент запаса прочности по пределу длительной прочности;
nп - коэффициент запаса прочности по пределу ползучести;
Pобж - усилие, необходимое для смятия прокладки при затяжке, Н;
Pб1 - расчетная нагрузка на болты (шпильки) при затяжке, необходимая для обеспечения в рабочих условиях давления на прокладку, достаточного для герметизации фланцевого соединения, Н;
Pб2 - расчетная нагрузка на болты (шпильки) при затяжке, необходимая для обеспечения обжатия прокладки и минимального начального натяжения болтов (шпилек), Н;
-
расчетная нагрузка на болты (шпильки) при затяжке фланцевого соединения, Н;
-
расчетная нагрузка на болты (шпильки) фланцевых соединений в рабочих условиях, Н;
p - расчетное давление (внутреннее - положительное, наружное - отрицательное), МПа;
pпр - приведенное давление, МПа;
Qд - равнодействующая нагрузка от давления, Н;
QFM - приведенная нагрузка, вызванная воздействием внешней силы и изгибающего момента, Н;
Qt - нагрузка, вызванная стесненностью температурных деформаций, Н;
[q] - допускаемое удельное давление, МПа;
q - расчетное удельное давление, МПа;
qобж - удельное давление обжатия прокладки, МПа;
Rс - радиус кривизны сферической части неотбортованной крышки, мм;
Rп - усилие на прокладке в рабочих условиях, необходимое для обеспечения герметичности фланцевого соединения, Н;
Sэ - эквивалентная толщина втулки фланца, мм;
S0 - толщина втулки приварного встык фланца в месте приварки к обечайке (трубе), толщина обечайки (трубы) плоского фланца или бурта свободного фланца, мм;
S1 - толщина втулки приварного встык фланца в месте присоединения к тарелке, мм;
t - расчетная температура стенки корпуса (штуцера) в месте расположения фланцевого соединения, °C;
tф1, tф2, tф - расчетная температура фланца, °C;
tб - расчетная температура болта (шпильки), °C;
tк - расчетная температура свободного кольца, °C;
tкp - расчетная температура крышки, °C;
tp - расчетная температура трубной решетки или иной закладной детали, зажатой между фланцами, °C;
Xкр - параметр плоской крышки;
x - относительная длина втулки фланца;
yп - податливость прокладки, мм/Н;
yб - податливость болтов (шпилек), мм/Н;
Yф1, Yф2, Yф - угловая податливость фланца при затяжке, 1/Н · мм;
yк - угловая податливость свободного кольца при затяжке, 1/Н · мм;
Yф.н - угловая податливость фланца, нагруженного внешним изгибающим моментом, 1/Н · мм;
Yф.с - угловая податливость кольца свободного фланца, нагруженного внешним изгибающим моментом, 1/Н · мм;
Yкр - угловая податливость плоской крышки или угловая податливость фланца со сферической неотбортованной крышкой, 1/Н · мм;
a - коэффициент жесткости фланцевого соединения, нагруженного внутренним давлением или внешней осевой силой;
aМ - коэффициент жесткости фланцевого соединения, нагруженного внешним изгибающим моментом;
aф1, aф2, aф - температурный коэффициент линейного расширения материала фланца, 1/°C;
aб - температурный коэффициент линейного расширения материала болта (шпильки), 1/°C;
aк - температурный коэффициент линейного расширения материала кольца свободного фланца, 1/°C;
aкр - температурный коэффициент линейного расширения материала крышки, 1/°C;
aр - температурный коэффициент линейного расширения материала трубной решетки или иной закладной детали, зажатой между фланцами, 1/°C;
as - коэффициент концентрации напряжений;
bT, bU, by, bz - расчетные коэффициенты, зависящие от соотношения размеров тарелки фланца;
bF, bV - расчетные коэффициенты, зависящие от соотношения размеров втулки фланца;
b - отношение толщины втулки в сечении S1 к толщине в сечении S0;
g - жесткость фланцевого соединения, Н/мм;
ξ - коэффициент увеличения допускаемых напряжений при затяжке для фланцевых соединений;
η - коэффициент, учитывающий концентрацию напряжений в резьбе;
Θк - угол поворота кольца свободного фланца в рабочих условиях, рад;
[Θ] - допускаемый угол поворота приварного встык фланца, плоского фланца или бурта свободного фланца в рабочих условиях, рад;
[Θ]к - допускаемый угол поворота кольца свободного фланца в рабочих условиях, рад;
λ - коэффициент;
λ1 - параметр сферической неотбортованной крышки;
ζ - коэффициент, зависящий от соотношения размеров втулки фланца;
sа - расчетная амплитуда приведенных упругих напряжений, МПа;
- расчетная амплитуда приведенных упругих
напряжений для рабочих условий, МПа;
-
временное сопротивление материала болтов (шпилек) при температуре 20 °C, МПа;
sв - временное сопротивление материала болтов (шпилек) при расчетной температуре, МПа;
-
предел текучести материала болтов (шпилек) при температуре 20 °C, МПа;
sт - предел текучести материала болтов (шпилек) при расчетной температуре, МПа;
sд. 105 - среднее значение предела длительной прочности материала болтов (шпилек) за 105 ч при расчетной температуре, МПа;
s1 %105 - средний 1 %-ный предел ползучести материала болтов (шпилек) за 105 ч при расчетной температуре, МПа;
,
- меридиональное
изгибное напряжение во втулке фланца в сечении S1
и S0
соответственно, МПа;
,
- расчетные
меридиональные напряжения в обечайке (втулке) фланца при затяжке на наружной и
внутренней поверхности соответственно (в сечении S1),
МПа;
,
- расчетные
меридиональные напряжения в сечении S0
фланца при затяжке на наружной и внутренней поверхности соответственно, МПа;
,
- окружные напряжения
при затяжке на наружной и внутренней поверхности соответственно (сечение S1), МПа;
,
- радиальные
напряжения при затяжке (сечение S1), МПа;
,
- окружные напряжения
при затяжке на наружной и внутренней поверхности
соответственно (сечение S0), МПа;
,
- радиальные
напряжения при затяжке (сечение S0), МПа;
,
- расчетные
меридиональные изгибные напряжения в рабочих условиях (в сечении S1 и S0 соответственно), МПа;
,
-
меридиональные мембранные напряжения в рабочих условиях (в сечении S1
и S0
соответственно), МПа;
- окружные мембранные
напряжения в рабочих условиях в сечении S0,
МПа;
,
-
меридиональные напряжения в обечайке (втулке) в рабочих условиях на наружной и
внутренней поверхности соответственно (в сечении S1),
МПа;
,
-
меридиональные напряжения в обечайке (втулке) в рабочих условиях на наружной и
внутренней поверхности соответственно (в сечении S0),
МПа;
,
-
окружные напряжения в обечайке (втулке) в рабочих условиях на наружной и
внутренней поверхностях соответственно (в сечении S0),
МПа;
,
-
радиальные напряжения в рабочих условиях (сечение S0),
МПа;
,
-
окружные напряжения в обечайке (втулке) в рабочих условиях на наружной и
внутренней поверхностях соответственно (в сечении S1),
МПа;
,
-
радиальные напряжения в рабочих условиях (сечение S1),
МПа;
sб1 - расчетное напряжение в болтах (шпильках) при затяжке, МПа;
sб2 - расчетное напряжение в болтах (шпильках) в рабочих условиях, МПа;
- расчетное напряжение в кольце свободного
фланца при затяжке, МПа;
-
расчетное напряжение в кольце свободного фланца в рабочих условиях, МПа;
- радиальное напряжение в тарелке приварного встык
фланца, плоского фланца и бурте свободного фланца в условиях
затяжки, МПа;
-
окружное напряжение в тарелке приварного встык фланца, плоского фланца и бурте
свободного фланца в условиях затяжки, МПа;
-
радиальное напряжение в тарелке приварного встык фланца, плоского фланца и
бурте свободного фланца в рабочих условиях, МПа;
-
окружное напряжение в тарелке приварного встык фланца, плоского фланца и бурте
свободного фланца в рабочих условиях, МПа;
[s]0 - допускаемое значение условных упругих напряжений в сечении S0, МПа;
- номинальное допускаемое напряжение для
болтов (шпилек) в рабочих условиях, МПа;
- допускаемое напряжение для болтов (шпилек)
при затяжке, МПа;
- допускаемое напряжение для болтов (шпилек)
в рабочих условиях и при расчете на условия испытания, МПа;
[s]20 - допускаемое напряжение для материала фланца или бурта свободного фланца при температуре 20 °C, МПа;
[s] - допускаемое напряжение для материала фланца или бурта свободного фланца при расчетной температуре, МПа;
- допускаемое напряжение для материала кольца
свободного фланца при температуре 20 °C, МПа;
[s]к - допускаемое напряжение для материала кольца свободного фланца при расчетной температуре, МПа;
[s]м - допускаемое значение общих мембранных и изгибных напряжений в соответствии с пунктом 8.10 ГОСТ Р 52857.1, МПа;
[s]R - допускаемое значение суммарных общих и местных условных упругих мембранных и изгибных напряжений в соответствии с пунктом 8.10 ГОСТ Р 52857.1, МПа;
,
,
,
,
,
, Dss2 - максимальные разности значений напряжений при различных эксплуатационных
нагрузках, имеющих место в течение одного цикла нагружения, МПа;
ψк - коэффициент;
ω1 - коэффициент сферической неотбортованной крышки.
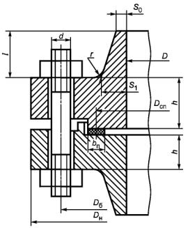
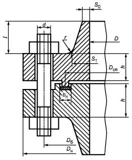
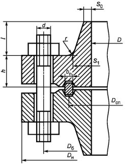
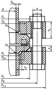
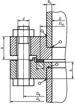
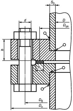
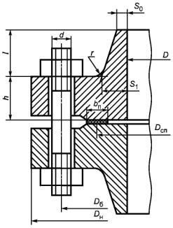
4.1. Основные типы фланцевых соединений, рассматриваемых в настоящем стандарте, приведены на рисунках 1 - 3. На рисунке 1 приведены примеры фланцевых соединений с приварными встык фланцами, на рисунке 2 - с плоскими приварными фланцами, на рисунке 3 - со свободными фланцами.
а - фланцевое соединение с гладкой уплотнительной поверхностью

б - фланцевое соединение с уплотнительной поверхностью типа выступ - впадина
Рисунок 1, лист 1 - Фланцевые соединения с приварными встык фланцами

в - фланцевое соединение с уплотнительной поверхностью типа шип - паз

г - фланцевое соединение с канавкой под восьмигранную или овальную прокладку
Рисунок 1, лист 2 - Фланцевые соединения с приварными встык фланцами
а - фланцевое соединение с гладкой уплотнительной поверхностью
б - фланцевое соединение с уплотнительной поверхностью типа выступ - впадина
Рисунок 2, лист 1 - Фланцевые соединения с плоскими фланцами

в - фланцевое соединение с уплотнительной поверхностью типа шип - паз
Рисунок 2, лист 2 - Фланцевые соединения с плоскими фланцами

а - фланцевое соединение с уплотнительной поверхностью типа выступ - впадина
б - фланцевое соединение с уплотнительной поверхностью типа шип - паз
Примечание - Рисунки 1 - 3 не определяют всех деталей конструкции фланцевых соединений
Рисунок 3 - фланцевые соединения со свободными кольцами
Настоящий стандарт позволяет также рассчитывать фланцевые соединения смешанных типов: приварные встык - с плоскими, плоские - со свободными фланцами и т.д., соединения фланца с плоской или неотбортованной сферической крышкой, а также фланцевые соединения с зажатыми между фланцами трубными решетками или другими закладными деталями.
Рекомендации по пределам применения фланцев и прокладок различных типов приведены в приложении А.
4.2. Настоящий метод расчета распространяется на фланцевые соединения, отвечающие условиям:
(1)
(2)
Уклон втулки приварного встык фланца не должен превышать 1:2,5 (0,4):
(3)
Если уклон втулки приварного встык фланца превышает 1:3 (0,33), втулка должна иметь цилиндрическую часть толщиной S0 и длиной не менее 1,5S0.
4.3. При расчете фланцевых соединений учитывают следующие виды нагрузок:
- усилие затяжки болтов (шпилек);
- внутреннее или наружное давление;
- внешнюю осевую силу;
- внешний изгибающий момент;
- усилия, вызванные стесненностью температурных деформаций элементов фланцевых соединений, включая фланцы, болты (шпильки) и зажатую между фланцами трубную решетку или закладную деталь.
Если между фланцами зажата трубная решетка или закладная деталь, давления по обе стороны которой отличаются друг от друга, в расчете фланцевого соединения следует учитывать давление, действующее на каждый из фланцев в отдельности, и общее для двух фланцев усилие в болтах (шпильках).
Если в качестве ответного фланца используют краевую часть трубной решетки кожухотрубчатого теплообменного аппарата, то при определении нагрузок, действующих на элементы фланцевого соединения, и углов поворотов фланцев следует учитывать деформации кожуха, трубного пучка и решетки в соответствии с ГОСТ Р 52857.7.
4.4. Если внешняя осевая сила F включает составляющую от давления, в расчетные формулы следует вместо F подставлять (F - Qд).
Фланцевые соединения должны отвечать условиям прочности и плотности как в случае учета внешней осевой силы и изгибающего момента, так и при расчете только на действие давления.
Рекомендации по выбору нормализованных фланцевых соединений, нагруженных давлением, осевой силой и изгибающим моментом, приведены в приложении Б.
4.5. Если аппарат работает при нескольких различных режимах, расчет должен быть выполнен на условия, обеспечивающие прочность и герметичность фланцевых соединений при всех режимах.
4.6. Расчетные температуры элементов фланцевого соединения, необходимые для определения физико-механических характеристик материалов и допускаемых напряжений, а также при расчете на прочность с учетом стесненности температурных деформаций, определяют на основании теплотехнических расчетов или результатов испытаний в соответствии с ГОСТ Р 52857.1, раздел 5.
Рекомендации по назначению температур элементов фланцевого соединения при отсутствии результатов специальных теплотехнических расчетов или результатов испытаний приведены в приложении В. Рекомендации, приведенные в приложении В, не распространяются на фланцы с прорезями и фланцы, между которыми зажата трубная решетка или закладная деталь.
4.7. Если свободное температурное расширение в осевом направлении элементов фланцевого соединения, находящихся между опорными поверхностями гаек (головки болта и гайки), превышает свободное температурное перемещение болтов (шпилек), расчет фланцев и болтов (шпилек) с учетом усилий, вызванных стесненностью температурных деформаций элементов фланцевых соединений, допускается не проводить в следующих случаях:
- если расчетная температура элементов фланцевого соединения не превышает 100 °C;
- если свободное температурное расширение в осевом направлении элементов фланцевого соединения, находящихся между опорными поверхностями гаек (головки болта и гайки), включая фланцы и зажатую между фланцами трубную решетку или закладную деталь, превышает свободное температурное перемещение болтов (шпилек) не более чем на 10 %.
4.8. Если необходимо учесть усилия, вызванные стесненностью температурных деформаций элементов фланцевого соединения, следует выполнить два расчета: расчет без учета усилий, вызванных стесненностью температурных деформаций элементов фланцевых соединений, и с их учетом, используя в каждом случае соответствующие значения допускаемых напряжений. При этом в каждом случае должна обеспечиваться прочность и герметичность всех элементов фланцевого соединения.
4.9. Необходимость выполнения расчета фланцевого соединения на малоцикловую усталость определяется в соответствии с ГОСТ Р 52857.6 в зависимости от расчетного количества сборок - разборок и циклов нагружения давлением или теплосмен.
4.10. Расчет фланцевого соединения для условий испытаний проводят так же, как для рабочих условий. При этом допускаемые напряжения для условий испытания принимаются в соответствии с ГОСТ Р 52857.1 и приложением Г. Расчет фланцевого соединения для условий испытания проводить не требуется, если выполняется соответствующее условие, приведенное в ГОСТ Р 52857.1 (пункт 8.4).
4.11. Расчет фланцевых соединений на прочность и герметичность состоит из следующих этапов:
- определения усилия, действующего на прокладку в рабочих условиях, необходимого для обеспечения герметичности фланцевого соединения, и усилия, необходимого для первоначального сжатия прокладки;
- определения усилия в болтах (шпильках) в рабочих условиях и усилия при затяжке, необходимого для обеспечения герметичности фланцевого соединения в рабочих условиях. Проверка прочности болтов (шпилек) и прокладки;
- расчет на прочность элементов фланцевого соединения при затяжке и в рабочих условиях при действии давления, усилий в болтах (шпильках), необходимых для обеспечения герметичности фланцевого соединения и других нагрузок;
- проверки углов поворота фланцев;
- расчета элементов фланцевого соединения на малоцикловую усталость в случае, если нагружение носит циклический характер.
4.12. Если для учета воздействия на фланец коррозионно-активной среды назначается прибавка к расчетной толщине для компенсации коррозии, следует при определении податливости фланцев и усилий, действующих на элементы фланцевого соединения, использовать номинальные размеры фланца без вычета прибавки на коррозию. При определении напряжений во фланцах следует во всех случаях использовать расчетные толщины за вычетом прибавки на коррозию в соответствии с ГОСТ Р 52857.1 (пункт 12.1).
Если для защиты фланца от воздействия коррозионно-активной среды используется наплавка коррозионно-стойкой сталью, следует при определении податливости фланцев и усилий, действующих на элементы фланцевого соединения, использовать номинальные размеры фланца с учетом толщины наплавки. При определении напряжений во фланце и проверке его прочности учет наплавки проводят в соответствии с ГОСТ Р 52857.1 (пункт 8.8).
Если для защиты от воздействия коррозионно-активной среды используется облицовка листом из коррозионно-стойкой стали, следует при определении податливости фланцев, усилий, действующих на элементы фланцевого соединения, и напряжений во фланце использовать номинальные размеры фланца без учета толщины облицовки.
5.1. Эффективную ширину прокладки вычисляют по формулам:
- для плоских прокладок:
b0 = bп при bп £ 15 мм, (4)
при bп
> 15 мм; (5)
- для прокладок овального или восьмигранного сечения:
(6)
Расчетный диаметр плоских прокладок вычисляют по формуле
Dсп = Dн.п - b0. (7)
Расчетный диаметр прокладок овального или восьмигранного сечения равен среднему диаметру прокладки.
5.2. Усилие, необходимое для смятия прокладки при затяжке, вычисляют по формуле
Pобж = 0,5pDспb0qобж. (8)
5.3. Усилие на прокладке в рабочих условиях, необходимое для обеспечения герметичности фланцевого соединения, вычисляют по формуле
Rп = pDспb0mp. (9)
В случае расчета на действие наружного давления принимают Rп = 0.
6.1. Суммарную площадь сечения болтов (шпилек) по внутреннему диаметру резьбы или нагруженному сечению наименьшего диаметра вычисляют по формуле
Aб = nfб. (10)
Площади поперечных сечений болтов (шпилек) приведены в приложении Д.
6.2. Равнодействующую нагрузку от давления вычисляют по формуле
(11)
6.3. Приведенную нагрузку, вызванную воздействием внешней силы и изгибающего момента, вычисляют по формуле
(12)
6.4. Нагрузку, вызванную стесненностью температурных деформаций, вычисляют по формулам:
- в соединениях с приварными встык (см. рисунок 1) и плоскими (см. рисунок 2) фланцами
Qt = g[aФ1h1(tФ1 - 20) + aФ2h2(tФ2 - 20) - aб(h1 + h2)(tб - 20)]; (13)
- в соединениях со свободными фланцами (см. рисунок 3):
Qt = g[aФ1h1(tФ1 - 20) + aФ2h2(tФ2 - 20) + 2aкhк(tк - 20) - aб(h1 + h2 + 2hк)(tб - 20)]; (14)
- в соединении с крышкой:
Qt = g[aфh(tф - 20) + aкрhкр(tкр - 20) - aб(h + hкр)(tб - 20)]; (15)
- в случае, если между фланцами зажата трубная решетка или иная закладная деталь:
Qt = g[aФ1h1(tф1 - 20) + aф2h2(tф2 - 20) + aрhp(tp - 20) - aб(h1 + h2 + hp)(tб - 20)]. (16)
Коэффициент жесткости фланцевого соединения g определяют в соответствии с приложением Е.
Физические и механические свойства крепежных сталей приведены в приложении Ж.
6.5. Расчетную нагрузку на болты (шпильки) фланцевых соединений вычисляют по формулам:
- при затяжке фланцевого соединения:
(17)
где Pб1 - расчетная нагрузка на болты (шпильки) при затяжке, необходимая для обеспечения в рабочих условиях давления на прокладку, достаточного для герметизации фланцевого соединения:

Коэффициенты a и aM определяют по приложению Е.
Pб2 - расчетная нагрузка на болты (шпильки) при затяжке, необходимая для обеспечения обжатия прокладки и минимального начального натяжения болтов (шпилек):
![]()
- в рабочих условиях:
(18)
7.1. Расчетные напряжения в болтах (шпильках) вычисляют по формулам:
- при затяжке:
(19)
- в рабочих условиях:
(20)
7.2. Условия прочности болтов (шпилек) определяют по формулам:
- при затяжке:
(21)
- в рабочих условиях:
(22)
Допускаемые напряжения для болтов (шпилек) при
затяжке
и в рабочих условиях
определяют по
приложению Г.
7.3. Условие прочности прокладки (проверяется для мягких прокладок) определяют по формуле
(23)
Допускаемое удельное давление [q] определяют по приложению И.
Расчетный изгибающий момент, действующий на фланец при затяжке, вычисляют по формулам:
- для приварного встык фланца, плоского фланца и бурта свободного фланца:
(24)
- для кольца свободного фланца:
(25)
Расчетный изгибающий момент, действующий на фланец в рабочих условиях вычисляют по формулам:
- для приварного встык фланца, плоского фланца и бурта свободного фланца:
(26)
- для кольца свободного фланца:
(27)
Коэффициент CF определяют по приложению К.
8.3.1. Меридиональное изгибное напряжение во втулке приварного встык фланца, обечайке (трубе) плоского фланца или обечайке бурта свободного фланца вычисляют по формулам:
- для приварных встык фланцев с конической втулкой в сечении S1:
(28)
- для приварных встык фланцев с конической втулкой в сечении S0:
(29)
- для приварных встык фланцев с прямой втулкой, плоских фланцев и свободных фланцев:
(30)
λ, D* и f определяют по приложению К.
8.3.2. Напряжения в тарелке приварного встык фланца, плоского фланца и бурте свободного фланца в условиях затяжки вычисляют по формулам:
- радиальное напряжение:
(31)
- окружное напряжение:
(32)
λ, l0, bF, bY и bZ определяют по приложению К.
8.3.3. Окружное напряжение в кольце свободного фланца в условиях затяжки вычисляют по формуле
(33)
Коэффициент bY определяют по приложению К.
8.4.1. Меридиональные изгибные напряжения во втулке приварного встык фланца, обечайке (трубе) плоского фланца или обечайке (трубе) бурта свободного фланца в рабочих условиях вычисляют по формулам:
- для приварных встык фланцев с конической втулкой в сечении S1:
(34)
- для приварных встык фланцев с конической втулкой в сечении S0:
(35)
- для приварных встык фланцев с прямой втулкой, плоских фланцев и фланцев со свободными кольцами:
(36)
λ, D* и f определяют по приложению К.
8.4.2. Меридиональные мембранные напряжения во втулке приварного встык фланца, обечайке (трубе) плоского фланца или обечайке (трубе) бурта свободного фланца в рабочих условиях вычисляют по формулам:
- для приварных встык фланцев с конической втулкой в сечении S1:
(37)
- для приварных встык фланцев с конической втулкой в сечении S0, приварных встык фланцев с прямой втулкой, плоских фланцев и свободных фланцев:
(38)
8.4.3. Окружные мембранные напряжения от действия давления во втулке приварного встык фланца, обечайке (трубе) плоского фланца или обечайке (трубе) бурта свободного фланца в сечении S0 вычисляют по формуле
(39)
8.4.4. Напряжения в тарелке приварного встык фланца, плоского фланца и бурте свободного фланца в рабочих условиях вычисляют по формулам:
- радиальное напряжение:
(40)
- окружное напряжение:
(41)
λ, l0, bF, bY, bZ - определяют по приложению К.
8.4.5. Окружное напряжение в кольце свободного фланца в рабочих условиях вычисляют по формуле
(42)
Коэффициент bY определяют по приложению К.
8.5.1. Для приварных встык фланцев с конической втулкой в сечении S1 условия статической прочности вычисляют по формулам:
- при затяжке:
(43)
- в рабочих условиях:
(44)
где KT = 1,3 при расчете с учетом стесненности температурных деформаций. При расчете без учета стесненности температурных деформаций KT = 1.
8.5.2. Для приварных встык фланцев с конической втулкой в сечении S0 условия статической прочности определяют по формулам:
- при затяжке:
(45)
- в рабочих условиях:
(46)
8.5.3. Для приварных встык фланцев с прямой втулкой, плоских фланцев и буртов свободных фланцев в сечении S0 условия статической прочности вычисляют по формулам:
- при затяжке:
(47)
- в рабочих условиях:
(48)
где [s]0 = [s]м - допускаемое значение условных упругих напряжений в сечении S0.
Для плоских фланцев при D ³
400 мм допускается принимать ![]()
KT определяют по 8.5.1.
8.5.4. Проверку приварных встык фланцев с прямой втулкой, плоских фланцев и буртов свободных фланцев в сечении S0 по 8.5.3 допускается не проводить, если выполняются следующие условия:
S0 £ 16 мм; (49)
(50)
(51)
(52)
8.5.5. Для фланцев всех типов в сечении S0 должно выполняться условие:
(53)
Для тарелок приварных встык фланцев, плоских фланцев и буртов свободных фланцев должны выполняться условия:
- при затяжке:
(54)
- в рабочих условиях:
(55)
KT определяют по 8.5.1.
8.5.7. Для колец свободных фланцев условия статической прочности определяют по формулам:
- при затяжке:
(56)
- в рабочих условиях:
(57)
KT определяют по 8.5.1.
9.1. Угол поворота приварного встык фланца, плоского фланца и бурта свободного фланца в рабочих условиях вычисляют по формуле
(58)
Допустимый угол поворота приварного встык фланца:
[Θ] = 0,006 при D £ 400 мм,
[Θ] = 0,013 при D > 2000 мм.
При значениях 400 мм < D £ 2000 мм допустимый угол поворота [Θ] определяют с помощью линейной интерполяции.
Допустимый угол поворота плоского фланца или бурта свободного фланца [Θ] = 0,013.
Коэффициент KΘ = 1 - в рабочих условиях; KΘ = 1,3 - в условиях испытания.
9.2. Угол поворота кольца свободного фланца в рабочих условиях вычисляют по формуле
(59)
Допустимый угол поворота кольца свободного фланца [Θ] = 0,002.
10.1.1. Размах условных упругих напряжений на наружной и внутренней поверхностях конической втулки приварного встык фланца в сечении S1 в условиях затяжки вычисляют по формулам:
- меридиональное напряжение:
(60)
(61)
- окружное напряжение:
(62)
- радиальное напряжение:
(63)
10.1.2. Размах условных упругих напряжений в меридиональном направлении на наружной и внутренней поверхностях конической втулки приварного встык фланца в сечении S0 в условиях затяжки вычисляют по формулам:
(64)
(65)
10.1.3. Размах условных упругих напряжений на наружной и внутренней поверхностях втулки приварных встык фланцев с прямой втулкой, плоских фланцев и бурта свободных фланцев в сечении S0 в условиях затяжки вычисляют по формулам:
- меридиональное напряжение:
(66)
(67)
- окружное напряжение:
(68)
- радиальное напряжение:
(69)
10.1.4. Размах условных упругих напряжений на наружной и внутренней поверхности конической втулки приварного встык фланца в сечении S1 в рабочих условиях вычисляют по формулам:
- меридиональное напряжение:
(70)
(71)
- окружное напряжение:
(72)
- радиальное напряжение:
(73)
10.1.5. Размах условных упругих напряжений на наружной и внутренней поверхности конической втулки приварного встык фланца в сечении S0 в рабочих условиях вычисляют по формулам:
- меридиональное напряжение:
(74)
(75)
- окружное напряжение:
(76)
(77)
10.1.6. Размах условных упругих напряжений на наружной и внутренней поверхности втулки приварных встык фланцев с прямой втулкой, плоских фланцев и бурта свободных фланцев в сечении S0 в рабочих условиях вычисляют по формулам:
- меридиональное напряжение:
(78)
(79)
- окружное напряжение:
(80)
- радиальное напряжение:
(81)
10.2.1. Для приварных встык фланцев с конической втулкой амплитуду приведенных условных упругих напряжений при затяжке вычисляют по формуле
(82)
as определяют по графику, приведенному на рисунке 4, в зависимости от отношения r/S1:
Рисунок 4 - График as
10.2.2. Для приварных встык фланцев с прямой втулкой и бурта свободных фланцев амплитуду приведенных условных упругих напряжений при затяжке вычисляют по формуле
(83)
as определяют по графику, приведенному на рисунке 4, при S1 = S0.
10.2.3. Для плоских фланцев амплитуду приведенных условных упругих напряжений при затяжке вычисляют по формуле
(84)
10.2.4. Для колец свободных фланцев амплитуду приведенных условных упругих напряжений при затяжке вычисляют по формуле
(85)
10.2.5. Для шпилек (болтов) амплитуду приведенных условных упругих напряжений при затяжке вычисляют по формуле
(86)
10.3.1. Для приварных встык фланцев с конической втулкой амплитуду приведенных условных упругих напряжений в рабочих условиях вычисляют по формуле
(87)
as определяют по графику, приведенному на рисунке 4.
10.3.2. Для приварных встык фланцев с прямой втулкой и буртов свободных фланцев амплитуду приведенных условных упругих напряжений в рабочих условиях вычисляют по формуле
as определяют по графику, приведенному на рисунке 4 при S1 = S0.
10.3.3. Для плоских фланцев амплитуду приведенных условных упругих напряжений в рабочих условиях вычисляют по формуле
(89)
10.3.4. Для колец свободных фланцев амплитуду приведенных условных упругих напряжений в рабочих условиях вычисляют по формуле
(90)
10.3.5. Для шпилек (болтов) амплитуду приведенных условных упругих напряжений в рабочих условиях вычисляют по формуле
(91)
Dss2 в формулах (88)
- (92) определяют как максимальные
разности значений напряжений определенных в соответствии с 10.1.4 - 10.1.6, 8.4.5 и 7.1;
ss2 соответственно при различных эксплуатационных нагрузках, имеющих место в течение
одного цикла нагружения.
Коэффициент η определяют по ГОСТ Р 52857.6.
10.4. Проверку малоцикловой
прочности элементов фланцевого соединения проводят по ГОСТ Р 52587.6. Для этого
по амплитуде напряжений, определенной из условия затяжки (sа) по 10.2,
определяют допустимое число сборок - разборок [N]c. По амплитуде напряжений, определенной для рабочих условий (
) по 10.3, определяют допустимое число циклов
изменения режима эксплуатации [N]р.
Условие прочности для заданного числа циклов сборок - разборок Nс и изменений режима эксплуатации Nр будет выполняться, если
Плоские и свободные фланцы рекомендуется применять при температуре среды до 300 °C.
Фланцы с гладкой уплотнительной поверхностью рекомендуется применять для условных давлений среды до 1,6 МПа. Допускается использование фланцев с гладкой уплотнительной поверхностью для более высоких давлений при использовании спирально-навитых прокладок с двумя ограничительными кольцами.
Фланцы с уплотнительной поверхностью «выступ - впадина» рекомендуются для условных давлений среды более 1,6 до 6,3 МПа.
Фланцы с уплотнительной поверхностью «шип - паз» рекомендуются для прокладок, которые необходимо помещать в замкнутый объем.
Фланцы с уплотнительной поверхностью под металлическую прокладку овального или восьмигранного сечения рекомендуются для условных давлений среды не менее 6,3 МПа.
Если кроме внутреннего давления p на нормализованное фланцевое соединение действуют осевая растягивающая сила F и изгибающий момент М, при выборе нормализованных фланцев следует вместо давления p использовать приведенное давление pпр:
(Б.1)
Рабочую температуру элементов фланцевого соединения определяют на основании теплотехнических расчетов или результатов испытаний. При отсутствии более точных данных допускается определять расчетную температуру элементов фланцевого соединения по таблице В.1.
Таблица В.1
|
Изолированные фланцы |
Неизолированные фланцы |
|||||
|
tф |
tк |
tб |
tф |
tк |
tб |
|
|
Плоские, приварные встык |
t |
- |
0,97t |
0,96t |
- |
0,85t |
|
Со свободными кольцами |
t |
0,97t |
0,90t |
0,96t |
0,90t |
0,81t |
Номинальное допускаемое напряжение для болтов (шпилек) при затяжке и испытании вычисляют по формуле (Г.1) при температуре 20 °C.
Номинальное допускаемое напряжение для болтов (шпилек) в рабочих условиях вычисляют по формулам (Г.1), (Г.2), но не более номинального допускаемого напряжения при затяжке:
- если расчетная температура для болтов (шпилек) из углеродистых сталей не превышает 380 °C, низколегированных сталей - 420 °C, аустенитных сталей - 525 °C:
- если расчетная температура болтов (шпилек) из углеродистых сталей превышает 380 °C, низколегированных сталей - 420 °C, аустенитных сталей - 525 °C:
где nт - коэффициент запаса по отношению к пределу текучести:
nТ
= 2,6 - 2,8 - для углеродистых сталей, у которых ![]()
nт
= 2,3 - для углеродистых сталей, у которых ![]()
nт = 1,9 - для аустенитных сталей;
nD = 1,8 - коэффициент запаса прочности по пределу длительной прочности;
nп = 1,1 - коэффициент запаса прочности по пределу ползучести.
Допускаемые напряжения для болтов (шпилек) при затяжке в рабочих условиях и при расчете на условия испытания вычисляют по формулам:
(Г.3)
(Г.4)
где ξ = 1,2 - коэффициент увеличения допускаемых напряжений при затяжке;
Kу.р - коэффициент условий работы:
Kу.р = 1,0 для рабочих условий;
Kу.р = 1,35 для условий испытания.
Kу.з - коэффициент условий затяжки:
Kу.з = 1,0 при обычной неконтролируемой затяжке;
Kу.з = 1,1 при затяжке с контролем по крутящему моменту (см. приложение Л);
Kу.з = 1,3 при затяжке с помощью одновременной контролируемой вытяжке шпилек.
Рекомендуемые значения крутящих моментов при затяжке приведены в приложении Л.
Kу.т - коэффициент учета нагрузки от температурных деформаций:
Kу.т = 1,0, если нагрузка от температурных деформаций не учитывается;
Kу.т = 1,3 при расчете фланцев с учетом нагрузки от температурных деформаций.
Номинальные допускаемые напряжения для болтов (шпилек) приведены в таблице Г.1.
Таблица Г.1
|
Номинальное допускаемое напряжение для болтов (шпилек), МПа |
|||||||||||||||
|
Марки материала |
|||||||||||||||
|
35, 40 |
12Х18Н10Т, 10Х17Н13М2Т |
45Х14Н14В2М |
20X13 |
35Х, 40Х, 38ХА, 37Х12Н8Г8МБФ, 20ХН3А |
30ХМА |
25X1МФ |
Д16 |
25Х2М1Ф |
20Х1МФ1БР |
18Х12ВМБРФ |
14Х17Н2 |
07X16Н6 |
ХН35ВТ |
08Х15Н24ВА4ТР |
|
|
20 |
130,0 |
110,0 |
160,0 |
195,0 |
230,0 |
230,0 |
238,0 |
83 |
238,0 |
238,0 |
238,0 |
232,0 |
321,0 |
208,0 |
231,0 |
|
100 |
126,0 |
105,0 |
150,0 |
182,0 |
230,0 |
230,0 |
227,0 |
80 |
232,0 |
234,0 |
234,0 |
230,0 |
314,0 |
196,0 |
226,0 |
|
200 |
120,0 |
98,0 |
150,0 |
165,0 |
225,0 |
200,0 |
217,0 |
76 |
231,0 |
224,0 |
231,0 |
220,0 |
312,5 |
186,0 |
221,0 |
|
250 |
107,0 |
95,0 |
144,0 |
158,0 |
222,0 |
182,0 |
210,0 |
- |
224,0 |
213,0 |
227,0 |
218,0 |
309,8 |
186,0 |
219,0 |
|
300 |
97,0 |
90,0 |
139,0 |
150,0 |
222,0 |
174,0 |
199,0 |
- |
220,0 |
202,0 |
227,0 |
209,0 |
307,0 |
186,0 |
217,0 |
|
350 |
86,0 |
86,0 |
128,0 |
147,0 |
185,0 |
166,0 |
185,0 |
- |
213,0 |
185,0 |
220,0 |
207,0 |
307,0 |
186,0 |
215,0 |
|
375 |
80,0 |
85,0 |
128,0 |
146,0 |
175,0 |
166,0 |
180,0 |
- |
209,0 |
183,0 |
216,0 |
- |
- |
186,0 |
214,0 |
|
400 |
75,0 |
83,0 |
128,0 |
145,0 |
160,0 |
166,0 |
175,0 |
- |
206,0 |
182,0 |
213,0 |
- |
- |
186,0 |
213,0 |
|
425 |
68,0 |
82,0 |
125,0 |
143,0 |
156,0 |
161,0 |
168,0 |
- |
202,0 |
178,0 |
208,0 |
- |
- |
186,0 |
213,0 |
|
450 |
- |
80,0 |
123,0 |
142,0 |
- |
156,0 |
161,0 |
- |
199,0 |
175,0 |
203,0 |
- |
- |
186,0 |
213,0 |
|
475 |
- |
79,0 |
120,0 |
140,0 |
- |
- |
152,0 |
- |
195,0 |
171,0 |
196,0 |
- |
- |
186,0 |
213,0 |
|
500 |
- |
78,0 |
118,0 |
- |
- |
- |
143,0 |
- |
192,0 |
167,0 |
189,0 |
- |
- |
186,0 |
208,0 |
|
510 |
- |
- |
117,0 |
- |
- |
- |
- |
- |
- |
- |
- |
- |
- |
185,0 |
205,0 |
|
520 |
- |
- |
116,0 |
- |
- |
- |
- |
- |
- |
- |
- |
- |
- |
184,0 |
202,0 |
|
530 |
- |
- |
115,0 |
- |
- |
- |
- |
- |
- |
- |
- |
- |
- |
183,0 |
199,0 |
|
540 |
- |
- |
114,0 |
- |
- |
- |
- |
- |
- |
- |
- |
- |
- |
181,0 |
196,0 |
|
550 |
- |
- |
113,0 |
- |
- |
- |
- |
- |
- |
- |
- |
- |
- |
180,0 |
195,0 |
|
560 |
|
|
|
|
|
|
|
|
- |
- |
- |
- |
- |
165,0 |
183,0 |
|
570 |
|
|
|
|
|
|
|
|
- |
- |
- |
- |
- |
150,0 |
171,0 |
|
580 |
|
|
|
|
|
|
|
|
- |
- |
- |
- |
- |
135,0 |
169,0 |
|
590 |
|
|
|
|
|
|
|
|
- |
- |
- |
- |
- |
120,0 |
157,0 |
|
600 |
|
|
|
|
|
|
|
|
- |
- |
- |
- |
- |
115,0 |
147,0 |
|
610 |
|
|
|
|
|
|
|
|
- |
- |
- |
- |
- |
110,0 |
- |
|
620 |
|
|
|
|
|
|
|
|
- |
- |
- |
- |
- |
105,0 |
- |
|
630 |
|
|
|
|
|
|
|
|
- |
- |
- |
- |
- |
100,0 |
- |
|
640 |
|
|
|
|
|
|
|
|
- |
- |
- |
- |
- |
94,0 |
- |
|
650 |
|
|
|
|
|
|
|
|
- |
- |
- |
- |
- |
88,0 |
- |
Площадь поперечного сечения болта (шпильки) по внутреннему диаметру резьбы fб и минимальные площади поперечных сечений шпилек с проточкой приведены в таблице Д.1. Все значения в таблице Д.1 приводятся для резьбы с крупным шагом.
Таблица Д.1
|
М 10 |
М 12 |
М 16 |
М 20 |
М 22 |
М 24 |
М 27 |
М 30 |
М 36 |
М 42 |
М 48 |
М 52 |
М 56 |
М 60 |
М 64 |
М 68 |
|
|
Площадь поперечного сечения болтов (шпилек) без проточки, мм2 |
52,2 |
76,2 |
144,0 |
225,0 |
281,5 |
324,0 |
430,0 |
520,0 |
760,0 |
1045,0 |
1376,0 |
1652,0 |
1905,0 |
2227,0 |
2520,0 |
2888,0 |
|
Площадь поперечного сечения болтов (шпилек) с проточкой, мм2 |
47,8 |
70,9 |
133,0 |
201,0 |
254,5 |
314,0 |
380,0 |
452,0 |
707,0 |
962,0 |
1257,0 |
1521,0 |
1810,0 |
2124,0 |
2290,0 |
2463,0 |
Плечи действия усилий в болтах (шпильках) вычисляют по формулам:
- для приварных встык и плоских фланцев:
b = 0,5(Dб - Dсп), (E.1)
- для фланцев со свободными кольцами:
а = 0,5(Dб - Ds), (E.2)
b = 0,5(Ds - Dсп), (E.3)
где Ds = 0,5(Dн + Dк + 2h0).
Плечо усилия от действия давления на фланец для всех типов фланцев принимается равным:
e = 0,5(Dcn - D - Sэ), (E.4)
где Sэ - эквивалентная толщина втулки фланцев приварных встык, вычисляемая по формуле
Sэ = ζS0. (E.5)
Коэффициент ζ, зависящий от соотношения размеров конической втулки фланца b и x, определяются по графику, приведенному на рисунке Е.1, или вычисляют по формуле
(Е.6)
где b, x - вычисляют по формулам (К.9), (К.10) приложения К.
Рисунок Е.1 - Коэффициент ζ
Эквивалентную толщину плоских фланцев и фланцев со свободными кольцами вычисляют по формуле
Sэ = S0. (E.7)
Жесткость фланцевого соединения g вычисляют по формулам:
- для приварных встык и плоских фланцев:
(Е.8)
- для фланцев со свободными кольцами:
(Е.9)
- для соединения фланца с крышкой:
(Е.10)
Коэффициент жесткости фланцевого соединения, нагруженного внутренним давлением или внешней осевой силой a, вычисляют по формулам:
- для приварных встык и плоских фланцев с плоскими прокладками:
(Е.11)
- для соединения фланца с плоской прокладкой с крышкой:
(Е.12)
Коэффициент жесткости фланцевого соединения, нагруженного внешним изгибающим моментом aм, вычисляют по формулам:
- для приварных встык и плоских фланцев:
(Е.13)
- для фланцев со свободными кольцами:
(Е.14)
yп, yб, yф1, yф2, yк, yф.н, yф.с, yкр определяют по приложению К.
Для фланцев с овальными и восьмигранными прокладками и для свободных фланцев коэффициенты жесткости фланцевого соединения принимают равным 1.
Модули продольной упругости крепежных материалов в зависимости от температуры приведены в таблице Ж.1.
Таблица Ж.1
|
Модуль упругости 10-5, МПа, при температуре, °C |
||||||||||
|
20 |
100 |
200 |
300 |
400 |
450 |
500 |
550 |
600 |
650 |
|
|
10, 20, 25, 30, 35, 40 |
2,13 |
2,10 |
1,98 |
1,90 |
1,85 |
- |
1,79 |
- |
- |
- |
|
35Х, 40Х, 15ХМ, 30ХМА, 35ХМ |
2,18 |
2,15 |
2,08 |
2,01 |
1,92 |
- |
1,79 |
- |
- |
- |
|
12Х1МФ (12ХМФ), 25Х1МФ (ЭИ10), 25Х2М1Ф (ЭИ723), 20Х1М1Ф1ТР (ЭП182), 20Х1М1Ф1БР (ЭП44) |
2,15 |
2,12 |
2,08 |
2,02 |
1,94 |
- |
1,83 |
1,77 |
1,70 |
- |
|
20X13 (2X13), 15Х11МФ (1Х11МФ), 20Х12ВНМФ (ЭП428), 18Х11МНФБ (ЭП291), 1Х12Н2ВМФ (ЭИ961), 18Х12ВМБФР (ЭИ993) |
2,28 |
2,22 |
2,13 |
2,05 |
1,93 |
- |
1,84 |
1,751) |
1,70 |
- |
|
12Х18Н10Т (Х18Н10Т), 08Х18Н10Т (0Х18Н10Т), 08Х16Н13М2Б (ЭИ680), 31Х19Н9МВБТ (ЭИ572), ХН35ВТ (ЭИ612) |
2,05 |
2,02 |
1,97 |
1,90 |
1,81 |
1,80 |
1,73 |
1,70 |
1,65 |
1,60 |
|
10Х11Н22Т3МР (ЭИ696М) |
1,9 |
1,81 |
1,69 |
1,58 |
1,48 |
1,42 |
1,37 |
1,33 |
1,31 |
1,30 |
|
Д16 |
0,71 |
0,67 |
0,59 |
- |
- |
- |
- |
- |
- |
- |
|
1) При температуре 565 °C модуль упругости равен 1,73 · 10-5, МПа. |
||||||||||
Коэффициенты линейного расширения крепежных сталей в зависимости от температуры приведены в таблице Ж.2.
Таблица Ж.2
|
Коэффициент
линейного расширения 106a, |
||||||
|
20 - 100 |
20 - 200 |
20 - 300 |
20 - 400 |
20 - 500 |
20 - 600 |
|
|
10, 20, 25, 30, 35 |
11,1 |
11,9 |
- |
13,4 |
- |
- |
|
40 |
11,3 |
12,0 |
13,3 |
13,3 |
- |
- |
|
20X13 |
10,4 |
10,9 |
11,4 |
11,8 |
- |
- |
|
14Х17Н2 |
10,6 |
10,8 |
11,0 |
11,1 |
11,3 |
- |
|
35Х, 40Х, 38ХА |
13,4 |
13,3 |
- |
14,8 |
- |
- |
|
20ХН3А |
11,0 |
12,0 |
13,0 |
13,5 |
14,0 |
14,5 |
|
30ХМА |
12,3 |
12,6 |
12,9 |
13,9 |
- |
14,4 |
|
25X1МФ |
11,3 |
12,7 |
- |
13,9 |
- |
14,6 |
|
25Х2М1Ф |
12,5 |
12,9 |
13,3 |
13,7 |
14,0 |
14,7 |
|
18Х12ВМБФР |
11,2 |
11,3 |
11,4 |
11,8 |
12,0 |
- |
|
37Х12Н8Г8МБФ |
15,9 |
18,0 |
19,2 |
21,5 |
22,4 |
21,0 |
|
12Х18Н10Т, 10Х17Н13М2Т |
16,6 |
17,0 |
18,0 |
18,0 |
18,0 |
- |
|
45Х14Н14В2М |
- |
17,0 |
- |
18,0 |
- |
18,0 |
|
ХН35ВТ |
14,8 |
15,1 |
15,5 |
15,9 |
16,1 |
16,6 |
|
08Х15Н24ВА4ТР |
14,5 |
15,5 |
16,3 |
16,8 |
17,2 |
17,4 |
|
07Х16Н16 |
11,2 |
11,9 |
12,1 |
12,5 |
12,9 |
- |
|
Д16 |
22,7 |
23,4 |
- |
- |
- |
- |
Характеристики основных типов прокладок для использования в расчете фланцевых соединений по настоящему стандарту приведены в таблице И.1.
Таблица И.1
|
Прокладочный коэффициент m |
Удельное давление обжатия прокладки qобж, МПа |
Допускаемое удельное давление [q], МПа |
Коэффициент обжатия Kобж. |
Условный модуль сжатия прокладки Eп · 10-5, МПа |
|
|
Плоская неметаллическая прокладка из: |
|
|
|
|
|
|
резины по ГОСТ 7338 с твердостью по Шору А до 65 единиц |
0,5 |
2,0 |
18,0 |
0,4 |
|
|
резины по ГОСТ 7338 с твердостью по Шору А более 65 единиц |
1,0 |
4,0 |
20,0 |
0,09 |
|
|
паронита по ГОСТ 481 при толщине не более 2 - 3 мм |
2,5 |
20,01) |
130,0 |
0,90 |
0,02 |
|
картона асбестового по ГОСТ 2850 при толщине 1 - 3 мм |
2,5 |
20,0 |
130,0 |
0,90 |
0,02 |
|
фторопласта 4 по ТУ 6-05-810 [1] при толщине 1 - 3 мм |
2,5 |
10,0 |
40,0 |
1,00 |
0,02 |
|
терморасширенного графитового материала (типа «Графлекс») с обтюратором |
2,0 |
4,0 |
200,0 |
1,00 |
0,02 |
|
терморасширенного графитового материала (типа «Графлекс») без обтюратора |
2,5 |
4,0 |
120 - при hп = 2 мм; |
1,00 |
0,02 |
|
100 - при hп = 3 мм |
|||||
|
Плоская металлическая прокладка из: |
|
|
|
|
|
|
алюминия марки АД по ГОСТ 21631 |
4,0 |
60,0 |
- |
- |
- |
|
латуни марки Л63 по ГОСТ 2208 |
4,75 |
90,0 |
- |
- |
- |
|
стали марки 05кп по ГОСТ 9045 |
5,5 |
125,0 |
- |
- |
- |
|
Плоская прокладка из асбеста по ГОСТ 2850 в оболочке из: |
|
|
|
|
|
|
алюминия |
3,25 |
38,0 |
- |
- |
- |
|
меди и латуни |
3,5 |
46,0 |
- |
- |
- |
|
стали марки 05кп |
3,75 |
53,0 |
- |
- |
- |
|
стали марки 12Х18Н10Т |
3,75 |
63,0 |
- |
- |
- |
|
Плоская спирально-навитая прокладка с лентой из: |
|
|
|
|
|
|
нержавеющей стали |
3,0 |
69,0 |
- |
- |
- |
|
углеродистой стали |
2,5 |
69,0 |
- |
- |
- |
|
Кольцо с овальным или восьмигранным сечением из: |
|
|
|
|
|
|
стали марки 05кп по ГОСТ 9045 или 08X13 по ГОСТ 5632 |
5,5 |
125,0 |
- |
- |
- |
|
стали марки 08Х18Н10Т |
6,5 |
180,0 |
- |
- |
- |
|
1) Для сред с высокой проникающей способностью (водорода, гелия легких нефтепродуктов, сжиженных газов и т.п.) qобж = 35,0 МПа. |
|||||
К.1. Податливость прокладки и болтов (шпилек)
Податливость прокладки yп вычисляют по формуле
(К.1)
Для металлических и асбометаллических прокладок yп = 0.
Податливость болтов (шпилек) yб вычисляют по формуле
(К.2)
где Lб = L60 + 0,28d - для болта;
Lб = L60 + 0,56d - для шпильки.
К.2. Расчетные параметры и угловая податливость фланцев
Параметр длины обечайки вычисляют по формуле
(К.3)
Отношение наружного диаметра тарелки фланца к внутреннему диаметру вычисляют по формуле
(К.4)
Коэффициенты bT, bU, bY и bZ, зависящие от соотношения размеров тарелки фланца, определяют по графикам, приведенным на рисунке К.1, в зависимости от K или вычисляют по формулам
(К.5)
(К.6)
(К.7)
(К.8)
Коэффициенты bF, bV и f, зависящие от соотношения размеров втулки фланца, для фланцевых соединений с приварными встык фланцами с конической втулкой определяют по графикам, приведенным на рисунках К.2 - К.4, в зависимости от отношений:
Для фланцевых соединений с приварными встык фланцами с прямой втулкой, плоскими фланцами и свободными фланцами: bF = 0,91; bV = 0,55, f = 1.
Коэффициент λ вычисляют по формуле
(К.11)
Рисунок К.1 - Коэффициенты bT, bU, bY и bZ, зависящие от соотношения размеров тарелки фланца
Угловую податливость фланца при затяжке вычисляют по формуле
(К.12)
Угловую податливость кольца свободного фланца при затяжке вычисляют по формуле
(К.13)
где
(К.14)
Угловую податливость фланца, нагруженного внешним изгибающим моментом, вычисляют по формулам:
- для фланцев (см. рисунки 1, 2):
(К.15)
- для бурта фланца (см. рисунок 3):
(К.16)
- для свободного фланца (см. рисунок 3):
(К.17)
Рисунок К.2 - Коэффициент bF

Рисунок К.3 - Коэффициент bV
Коэффициент, учитывающий изгиб тарелки фланца между шпильками (болтами), вычисляют по формуле
(К.18)
Приведенный диаметр приварного встык фланца с конической или прямой втулкой равен:
(K.19)
Приведенный диаметр плоского фланца: D* = D.
Рисунок К.4 - Поправочный коэффициент для напряжений во втулке фланца f
К.3. Угловые податливости фланца со сферической неотбортованной крышкой и плоской крышки
Угловую податливость фланца со сферической необортованной крышкой вычисляют по формуле
(К.20)
где


Угловую податливость плоской крышки вычисляют по формуле
(К.21)
где 
![]()
Крутящий момент при затяжке для болтов (шпилек) без смазки в зависимости от напряжения sб1 в болте (шпильке) определяют по графику на рисунке Л.1. В случае применения болтов со смазкой величина Мкр снижается на 25 %.
Рисунок Л.1 - Крутящий момент при затяжке для болтов (шпилек)
При sб1 < 120 МПа крутящий момент вычисляют по формуле
(Л.1)
[1] ТУ 6-05-810 Заготовки из фторопласта 4 и фторопласта 4А общего назначения
|
Ключевые слова: сосуды и аппараты, фланцы, нормы и методы расчета на прочность, герметичность, допускаемые напряжения |