Cтандарт распространяется на контейнеры общего назначения, в том числе закрытые, вентилируемые (с естественной и механической системами вентиляции), с открытым верхом, предназначенные для перевозки грузов железнодорожным, морским, речным и автомобильным транспортом в прямом и смешанном сообщениях и устанавливает технические требования к контейнерам и методы их испытаний. Cтандарт не распространяется на контейнеры общего назначения, предназначенные для перевозки грузов авиационным транспортом. Маркировка контейнеров должна соответствовать требованиям ГОСТ Р 52524,
| Обозначение: | ГОСТ Р 51876-2008 |
| Название рус.: | Контейнеры грузовые серии 1. Технические требования и методы испытаний. Часть 1. Контейнеры общего назначения |
| Статус: | действует |
| Заменяет собой: | ГОСТ Р 51876-2002 «Контейнеры грузовые серии 1. Технические требования и методы испытаний. Часть 1. Контейнеры общего назначения» |
| Дата актуализации текста: | 05.05.2017 |
| Дата добавления в базу: | 01.09.2013 |
| Дата введения в действие: | 01.01.2009 |
| Утвержден: | 03.09.2008 Федеральное агентство по техническому регулированию и метрологии (195-ст) |
| Опубликован: | Стандартинформ (2008 г. ) Стандартинформ (2011 г. ) |
| Ссылки для скачивания: |
|
ФЕДЕРАЛЬНОЕ
АГЕНТСТВО |
||
|
|
НАЦИОНАЛЬНЫЙ |
ГОСТ
Р (ИСО 1496-1:1990) |
КОНТЕЙНЕРЫ ГРУЗОВЫЕ СЕРИИ 1
Технические требования и методы испытаний
Часть 1
КОНТЕЙНЕРЫ ОБЩЕГО НАЗНАЧЕНИЯ
ISO 1496-1:1990
Series 1 freight containers - Specification and testing -
Part 1: General cargo containers for general purposes
(MOD)
|
|
Москва |
Предисловие
Цели и принципы стандартизации в Российской Федерации установлены Федеральным законом от 27 декабря 2002 г. № 184-ФЗ «О техническом регулировании», а правила применения национальных стандартов Российских Федерации - ГОСТ Р 1.0-2004 «Стандартизация в Российской Федерации. Основные положения»
Сведения о стандарте
1 ПОДГОТОВЛЕН Закрытым акционерным обществом «Промтрансниипроект» (ЗАО «Промтрансниипроект»)
2 ВНЕСЕН Техническим комитетом по стандартизации ТК 246 «Контейнеры»
3 УТВЕРЖДЕН И ВВЕДЕН В ДЕЙСТВИЕ Приказом Федерального агентства по техническому регулированию и метрологии от 3 сентября 2008 г. № 195-ст
4 Настоящий стандарт является модифицированным по отношению к международному стандарту ИСО 1496-1:1990 «Контейнеры грузовые серии 1. Технические требования и методы испытаний. Часть 1. Контейнеры общего назначения» (ISO 1496-1:1990 «Series 1 freight containers - Specification and testing - Part 1: General cargo containers for general purposes») путем внесения технических отклонений, объяснение которых приведено во введении к настоящему стандарту, и изменения его структуры.
Сравнение структуры настоящего стандарта со структурой указанного международного стандарта приведено в дополнительном приложении Н
5 ВЗАМЕН ГОСТ Р 51876-2002 (ИСО 1496-1-90)
6 ПЕРЕИЗДАНИЕ. Апрель 2011 г.
Информация об изменениях к настоящему стандарту публикуется в ежегодно издаваемом информационном указателе «Национальные стандарты», а текст изменений и поправок - в ежемесячно издаваемых информационных указателях «Национальные стандарты». В случае пересмотра (замены) или отмены настоящего стандарта соответствующее уведомление будет опубликовано в ежемесячно издаваемом информационном указателе «Национальные стандарты». Соответствующая информация, уведомление и тексты размещаются также в информационной системе общего пользования - на официальном сайте Федерального агентства по техническому регулированию и метрологии в сети Интернет
СОДЕРЖАНИЕ
Введение
Настоящий стандарт является модифицированным по отношению к международному стандарту ИСО 1496-1:1990 «Контейнеры грузовые серии 1. Технические требования и методы испытаний. Часть 1. Контейнеры общего назначения».
По сравнению с примененным международным стандартом ИСО 1496-1:1990 в текст настоящего стандарта внесены следующие изменения:
- в разделе 2 международные стандарты заменены на аналогичные национальные и добавлены ссылки на ГОСТ 9.032-74, ГОСТ 3242-79, ГОСТ 8486-86, ГОСТ 15150-69 и ГОСТ 20022.2-80, в которых установлены технические требования к лакокрасочным покрытиям, методы контроля качества сварных соединений, технические условия пиломатериалов хвойных пород и защита древесины против гниения;
- дополнительно введен типоразмер контейнера 1DD и требования к нему:
- в таблице 2;
- в пунктах 5.3.2, 5.3.3, 5.4, 5.5, 5.8.1.1;
- в пунктах 6.2.1, 6.3.1, 6.3.2, 6.4.2, 6.10.1, 6.11.1, 6.12.1 и таблице 4;
- в рисунках А.1, е, А.3, с, А.13, А.14, А.15, А.16, А.17, а, A.17, b, A.18, a, A.18, b, A.20 и А.21 приложения А;
- стандарт дополнен приложениями F и G, содержащими требования к контейнерам для учета потребностей национальной экономики Российской Федерации.
Требования к типоразмеру контейнера 1DD и текст приложений F и G выделены в стандарте курсивом.
Стандарт дополнен приложением Н, содержащим сравнение структуры настоящего стандарта со структурой международного стандарта ИСО 1496-1:1990.
Структурный элемент «Библиография» дополнен нормативными документами, действующими в Российской Федерации.
ГОСТ Р 51876-2008
(ИСО 1496-1:1990)
НАЦИОНАЛЬНЫЙ СТАНДАРТ РОССИЙСКОЙ ФЕДЕРАЦИИ
|
КОНТЕЙНЕРЫ ГРУЗОВЫЕ СЕРИИ 1 Технические требования и методы испытаний Часть 1 КОНТЕЙНЕРЫ ОБЩЕГО НАЗНАЧЕНИЯ Series 1 freight containers. Technical requirements and test methods. Part 1. General-purpose containers |
Дата введения - 2009-01-01
Настоящий стандарт распространяется на контейнеры общего назначения, в том числе закрытые, вентилируемые (с естественной и механической системами вентиляции), с открытым верхом, предназначенные для перевозки грузов железнодорожным, морским, речным и автомобильным транспортом в прямом и смешанном сообщениях (далее - контейнеры) и устанавливает технические требования к контейнерам и методы их испытаний.
Настоящий стандарт не распространяется на контейнеры общего назначения, предназначенные для перевозки грузов авиационным транспортом.
Типы контейнеров, требования к которым установлены настоящим стандартом, приведены в таблице 1.
Маркировка контейнеров должна соответствовать требованиям ГОСТ Р 52524.
Таблица 1 - Типы, коды и характеристики контейнеров
|
Групповой код типа |
Основная характеристика |
Подробный код типа |
|
|
Контейнер общего назначения без вентиляции |
GP |
Закрытый с открывающимся одним или обоими торцами |
G0 |
|
С возможностью вентиляции верхней части грузового помещения |
G1 |
||
|
С открывающимся одним или обоими торцами, открывающейся одной или обеими боковыми сторонами |
G2 |
||
|
С открывающимся одним или обоими торцами и открывающейся не полностью одной или двумя боковыми сторонами, например дверями |
G3 |
||
|
Контейнер общего назначения с вентиляцией |
VN |
С естественной системой вентиляции |
V0 |
|
С механической системой вентиляции, расположенной внутри контейнера |
V2 |
||
|
С механической системой вентиляции, расположенной снаружи контейнера |
V4 |
||
|
Контейнер с открытым верхом |
UT |
С открытыми торцами, с открытыми боковыми стенками, с открытыми торцами и стенками, с закрытыми (закрепленными) торцами и боковыми стенками |
U0 - U5 |
|
Примечания 1. Настоящий стандарт не рассматривает вентиляционные устройства для систем естественной и механической вентиляции. 2. Коды приняты по ГОСТ Р 52524. |
|||
В настоящем стандарте использованы нормативные ссылки на следующие стандарты:
ГОСТ Р 8.563-96* Государственная система обеспечения единства измерений. Методики выполнения измерений
_______
* С 15 апреля 2010 г. действует ГОСТ Р 8.563-2009.
ГОСТ Р 15.201-2000 Система разработки и постановки продукции на производство. Продукция производственно-технического назначения. Порядок разработки и постановки продукции на производство
ГОСТ Р 51891-2008 (ИСО 1161:1984) Контейнеры грузовые серии 1. Фитинги. Технические условия
ГОСТ Р 52202-2004 (ИСО 830-99) Контейнеры грузовые. Термины и определения
ГОСТ Р 52524-2005 (ИСО 6346:1995) Контейнеры грузовые. Кодирование, идентификация и маркировка
ГОСТ 9.032-74 Единая система защиты от коррозии и старения. Покрытия лакокрасочные. Группы, технические требования и обозначения
ГОСТ 3242-79 Соединения сварные. Методы контроля качества
ГОСТ 8486-86 Пиломатериалы хвойных пород. Технические условия
ГОСТ 15150-69 Машины, приборы и другие технические изделия. Исполнения для различных климатических районов. Категории, условия эксплуатации, хранения и транспортирования в части воздействия климатических факторов внешней среды
ГОСТ 20022.2-80 Защита древесины. Классификация
Примечание - При пользовании настоящим стандартом целесообразно проверить действие ссылочных стандартов в информационной системе общего пользования - на официальном сайте Федерального агентства по техническому регулированию и метрологии в сети Интернет или по ежегодно издаваемому информационному указателю «Национальные стандарты», который опубликован по состоянию на 1 января текущего года, и по соответствующим ежемесячно издаваемым информационным указателям, опубликованным в текущем году. Если ссылочный стандарт заменен (изменен), то при пользовании настоящим стандартом следует руководствоваться заменяющим (измененным) стандартом. Если ссылочный стандарт отменен без замены, то положение, в котором дана ссылка на него, применяется в части не затрагивающей эту ссылку.
В настоящем стандарте применены термины по ГОСТ Р 52202 и ГОСТ Р 51891.
4.1. Наружные размеры
Наружные размеры и допуски грузовых контейнеров приведены в таблице 2, при этом открытые контейнеры типов 1АХ, 1ВХ, 1СХ, 1DX имеют меньшую высоту. Ни одна часть конструкции не должна выступать за установленные наружные размеры контейнера конкретного типа.
Таблица 2 - Наружные размеры, допуски и максимальная масса брутто грузовых контейнеров серии 1
Размеры в миллиметрах
|
Длина L |
Ширина W |
Высота Н |
Масса брутто R, кг |
||||
|
Номинальная |
Допуск |
Номинальная |
Допуск |
Номинальная |
Допуск |
||
|
1ЕЕЕ |
13716 |
0 -10 |
2438 |
0 -5 |
2896 |
0 -5 |
30480 |
|
1ЕЕ |
2591 |
||||||
|
1ААА |
12192 |
0 -10 |
2438 |
0 -5 |
2896 |
0 -5 |
30480 |
|
1АА |
2591 |
||||||
|
1А |
2438 |
||||||
|
1АХ |
< 2438 |
||||||
|
1ВВВ |
9125 |
0 -10 |
2438 |
0 -5 |
2896 |
0 -5 |
30480 |
|
1ВВ |
2591 |
||||||
|
1В |
2438 |
||||||
|
1ВХ |
< 2438 |
||||||
|
1СС |
6058 |
0 -6 |
2438 |
0 -5 |
2591 |
0 -5 |
30480 |
|
1С |
2438 |
||||||
|
1СХ |
< 2438 |
||||||
|
1DD* |
2991 |
0 -5 |
2438 |
0 -5 |
2591 |
0 -5 |
24000 |
|
1D |
2438 |
10160 |
|||||
|
1DX |
< 2438 |
||||||
|
________ * Контейнеры данного типа используют только на территории Российской Федерации. |
|||||||
4.2. Внутренние размеры
Внутренние размеры контейнеров групповых кодов типов GP и VN должны быть, по возможности, наибольшими, но в любом случае контейнеры должны иметь:
- кода типа G0 - минимальные внутренние длину, ширину и высоту в соответствии с таблицей 3;
- кода типа G1 с открывающейся крышей - минимальные внутренние длину и ширину в соответствии с таблицей 3;
- кода типа G2 с проемом (проемами) в боковой стенке (стенках) - минимальные внутренние длину и высоту в соответствии с таблицей 3;
- кодов типов G1 и G3 с проемами в боковой стенке (стенках) и в крыше - минимальную внутреннюю длину в соответствии с таблицей 3;
- вентилируемые (с естественной вентиляцией) кода типа V0 - минимальные внутренние длину, ширину и высоту в соответствии с таблицей 3;
- вентилируемые (с механической вентиляцией) кодов типов V2 и V4 - минимальные внутренние длину, ширину, высоту в соответствии с таблицей 3.
Таблица 3 - Минимальные внутренние размеры контейнеров групповых кодов типов GP и VN
В миллиметрах
|
Минимальная высота |
Минимальная ширина |
Минимальная длина |
|
|
1ЕЕ |
Номинальная наружная высота контейнера минус 241 |
2330 |
13542 |
|
1ЕЕЕ |
13542 |
||
|
1А |
11998 |
||
|
1АА |
11998 |
||
|
1ААА |
11998 |
||
|
1В |
8931 |
||
|
1ВВ |
8931 |
||
|
1ВВВ |
8931 |
||
|
1С |
5867 |
||
|
1СС |
5867 |
||
|
1D |
2802 |
||
|
1DD |
2802 |
Минимальные внутренние размеры контейнеров действительны при температуре окружающей среды 20 °С. Измерения, выполненные при других значениях температуры, должны быть скорректированы.
Если часть верхнего углового фитинга выступает во внутреннее пространство контейнера (см. таблицу 3), считают, что размер контейнера не уменьшается.
4.3. Масса брутто
Значения масс брутто контейнеров приведены в таблице 2.
Указанные в таблице 2 значения массы брутто контейнеров являются одновременно максимальными при эксплуатации и минимальными - при испытаниях.
Конструкция контейнеров всех типов должна обеспечивать прочность, необходимую для восприятия сил и нагрузок, указанных в разделе 6 и приложении А.
Угловые фитинги должны соответствовать требованиям ГОСТ Р 51891. При этом результаты воздействия сил при эксплуатации не должны превышать результаты воздействия соответствующей испытательной нагрузки, приведенной в разделе 6, с учетом того, что в любом случае при использовании контейнеров нагрузка должна быть не более указанной в приложении А.
Конструкция контейнера не должна допускать возможности извлечения груза из запертого контейнера (закрытого или открытого с закрепленным тентом) или загрузки в него груза без оставления видимых следов взлома или повреждения таможенных печатей и пломб, также не должна предусматривать наличия потайных мест для сокрытия груза, а для таможенного досмотра должна обеспечивать доступность всех мест, где может находиться груз.
Контейнеры, предназначенные для перевозки в смешанном сообщении железнодорожным, водным и автомобильным транспортом, а также в случае их международного обращения должны соответствовать требованиям настоящего стандарта и требованиям [1], [2] и [3].
Любые закрывающиеся устройства контейнера, которые в незакрепленном положении могут быть подвергнуты повреждениям и/или быть причиной нарушения условий безопасности работы, должны быть оснащены соответствующими устройствами крепления с наружной индикацией правильного их положения и закрепления в соответствующем рабочем положении. В частности, двери должны быть надежно закреплены в открытом и закрытом положениях.
Съемная крыша или съемная часть крыши должна быть оснащена такой индикацией запорных устройств, которая позволила бы оператору, находящемуся на земле, проверить надежность закрепления крыши контейнера, размещенного на железнодорожной платформе или полуприцепе-контейнеровозе. Любые запорные устройства должны быть оборудованы устройствами для навешивания пломбы и таможенной печати. Все закрытые и открытые контейнеры со специально для них сконструированными закрывающими устройствами должны выдерживать воздействие атмосферных осадков, как того требует испытание № 13 (6.14).
Все контейнеры должны иметь верхние и нижние угловые фитинги. Контейнеры типов 1ЕЕЕ и 1ЕЕ должны быть оборудованы еще и промежуточными фитингами. Угловые и промежуточные фитинги по их расположению и конструктивному исполнению должны соответствовать ГОСТ Р 51891 и [4]. Верхние поверхности верхних фитингов должны выступать над верхней поверхностью контейнера не менее чем на 6 мм (5.3.4). Верхняя поверхность контейнера - это наивысший уровень крыши контейнера, например высшая точка чехла (мягкого покрытия). Однако прилегающие к верхним угловым фитингам накладные пластины (или армированные участки), предназначенные для защиты этой части крыши от повреждений (при наличии), и их крепления не должны выступать над верхними поверхностями верхних фитингов и должны быть расположены не более чем на 750 мм от торца контейнера в продольном направлении, но могут быть размещены и по всей ширине контейнера.
5.3.1. Все контейнеры должны опираться только на свои нижние угловые и промежуточные фитинги.
5.3.2. Все контейнеры, кроме контейнеров типов 1DD, 1D и 1DX, должны также опираться на опорные (контактные) площадки в конструкции основания или плоское днище.
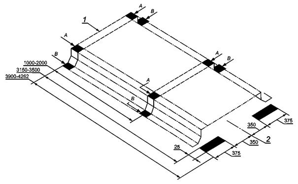
5.3.2.1. Соответственно эти контейнеры должны быть оборудованы опорными (контактными) площадками на торцевых поперечных элементах (балках), а также необходимым числом опорных (контактных) площадок, расположенных на промежуточных поперечных элементах (балках) конструкции или основания (или плоского днища), которые в совокупности обладают достаточной прочностью для передачи вертикальной нагрузки на продольный конструктивный элемент транспортного средства (например, полуприцепа-контейнеровоза). Предполагает, что такие продольные элементы следует размещать в пределах двух зон шириной по 375 мм, изображенных пунктирными линиями на рисунке В.1 (приложение В). Длина каждой опорной (контактной) площадки в направлении продольной оси контейнера должна быть не менее 25 мм.
5.3.2.2. Нижние
поверхности опорных (контактных) площадок, в том числе расположенных на
торцевых поперечных элементах (балках) контейнера, должны быть расположены в
одной плоскости, проходящей на расстоянии
мм от плоскости нижних
поверхностей нижних фитингов контейнера.
Кроме нижних фитингов и нижних продольных балок, ни одна часть контейнера не должна быть ниже этого уровня. Исключение составляют боковые пластины, расположенные в нижней раме рядом с нижними угловыми фитингами.
Такие пластины не должны простираться по длине более чем на 550 мм от наружной части торцевой поверхности и по ширине - на 470 мм от боковой поверхности нижних фитингов, а нижние поверхности пластин должны быть не менее чем на 5 мм выше нижних поверхностей нижних фитингов контейнера.
5.3.2.3. Передачу нагрузки между нижними поверхностями нижних боковых балок контейнера и транспортными средствами настоящий стандарт не рассматривает.
Передача нагрузки между боковыми балками контейнера и перегрузочным оборудованием возможна только при перегрузке контейнера в соответствии с 5.8.1.
5.3.2.4. Контейнеры, в основании которых поперечные элементы (балки) удалены друг от друга не более чем на 1000 мм, а также контейнеры, имеющие плоское днище, должны удовлетворять требованиям 5.3.2.1.
5.3.2.5. Требования к контейнерам, в основании которых поперечные элементы (балки) удалены друг от друга более чем на 1000 мм (и отсутствует плоское днище), приведены в приложении В.
5.3.3. В отношении уровня нижней части основания контейнеров типов 1DD, 1D и 1DX никаких иных требований, помимо указанных в 5.3.4, не установлено.
5.3.4. У всех контейнеров при действии динамической нагрузки или заменяющей ее эквивалентной статической нагрузки, когда действительная масса контейнера (сумма собственной массы контейнера и массы груза в нем) равна 1,8R и груз внутри контейнера равномерно распределен по площади пола, ни одна часть основания контейнера не должна прогибаться более чем на 6 мм ниже нижних поверхностей нижних фитингов.
5.3.5. Конструкция основания контейнера должна выдерживать действие всех сил, в частности поперечных, возникающих при перевозке груза. Это особенно важно при креплении груза к балкам основания контейнера.
5.3.6. Конструкция пола должна обеспечивать: полный сток воды при наклоне контейнера на 2° - 3° в сторону торцевой двери; въезд погрузчика по специальному мостику с опорой его на нижнюю балку дверной рамы; водонепроницаемость пола в целом, в местах стыка отдельных его элементов между собой и по периметру пола с элементами стенок и основания.
Деформация торцевой конструкции контейнера любого типа, кроме 1DD, 1D и 1DX, в условиях действия силы, предусмотренной при испытании на поперечную жесткость и вызывающей смещение верха контейнера относительно его основания, должна быть такой, чтобы сумма абсолютных изменений длин диагоналей торцевой рамы не превышала 60 мм.
В условиях действия нагрузки, предусмотренной при испытаниях на продольную жесткость контейнера любого типа, кроме 1DD, 1D и 1DX, продольное смещение верха контейнера относительно основания не должно превышать 25 мм.
Если в боковых или торцевых стенках контейнера предусмотрены дверные проемы или вентиляционные отверстия, то независимо от этого следует соблюдать все требования, предъявляемые к стенкам при испытаниях № 5 и № 6.
Каждый контейнер должен иметь дверной проем, по крайней мере, водной торцевой стенке. Размеры всех дверных проемов должны быть, по возможности, наибольшими. Закрытые контейнеры типов 1А, 1В, 1С, 1D (код G0) должны иметь дверной проем, размеры которого предпочтительно должны совпадать с размерами внутреннего поперечного сечения контейнеров, но в любом случае должны быть не менее: высота - 2134 мм, ширина - 2286 мм. Закрытые контейнеры типов 1ЕЕ, 1АА, 1ВВ, 1СС (код G0) должны иметь дверной проем, размеры которого предпочтительно должны совпадать с размерами внутреннего поперечного сечения контейнеров, но в любом случае должны быть не менее: высота - 2261 мм, ширина - 2286 мм.
В закрытых контейнерах типов 1ЕЕЕ, 1AAA, 1BB (код G0) должен быть предусмотрен дверной проем, размеры которого предпочтительно должны совпадать с размерами внутреннего поперечного сечения контейнеров, но в любом случае должны быть не менее: высота - 2566 мм, ширина - 2286 мм.
Контейнеры (код U5) с открытым верхом и наглухо закрепленными торцевыми стенками (без дверных проемов) должны иметь смотровой люк на одной из торцевых стенок.
5.8.1.1. Вилочные проемы в качестве необязательных конструкций и приспособлений могут быть предусмотрены в основании контейнеров типов 1СС, 1С, 1DD, 1D для перегрузки их в груженом и порожнем состояниях. Вилочные проемы не предусмотрены в контейнерах типов 1ЕЕЕ, 1ЕЕ, 1ААА, 1АА, 1А, 1АХ, 1ВВВ, 1ВВ, 1В, 1ВХ, а также в контейнерах 1СС, 1С, 1DD, 1D, 1DX при наличии боковых дверей.
5.8.1.2. В основании контейнеров типов 1СС, 1С может быть предусмотрен дополнительный второй комплект вилочных проемов, предназначенных для перемещения только порожнего контейнера.
5.8.1.3. Вилочные проемы (если предусмотрены), требования к которым, в том числе к их размерам, установлены в приложении С, должны полностью проходить насквозь основание контейнера так, чтобы вилочный захват погрузчика можно было вводить с обеих (противоположных) сторон контейнера.
Вилочные проемы могут быть закрыты снизу не по всей ширине контейнера, но вблизи своих торцев должны быть закрыты обязательно.
5.8.2. Паз (несквозной тоннель) для установки контейнера на полуприцепе с передней балкой типа «шея гуся»
В основании контейнеров типов 1ЕЕЕ и 1AAA паз (несквозной тоннель) должен быть выполнен обязательно, а для контейнеров типов 1ЕЕ, 1АА, 1А, 1АХ паз не является обязательным элементом.
Требования к размерам паза установлены в приложении D. Все другие части конструкции основания должны соответствовать требованиям, изложенным в 5.3.
5.8.3. Устройства для крепления груза
Во всех контейнерах могут быть предусмотрены устройства для крепления груза. Технические требования к таким устройствам приведены в приложении Е.
Контейнеры, соответствующие требованиям раздела 5, должны выдерживать испытания по 6.2 - 6.14. Контейнеры следует испытывать в том состоянии, в котором они предназначены для использования. Несмотря на то, что испытания пронумерованы в определенной последовательности, их можно проводить в другом порядке исходя из удобства (технологичности) их выполнения и условий возможного использования контейнеров.
Однако испытания на водонепроницаемость при воздействии атмосферных осадков (испытание № 13) всегда проводят после всего комплекса испытаний.
6.1.1. Грузоподъемность P означает максимально допустимую массу груза, размещаемую в испытуемом контейнере, включая приспособления для закрепления груза, а также прокладки и/или иные средства крепления, которые в обычном рабочем состоянии не являются принадлежностью контейнера.
P = R - T,
где R - масса брутто;
Т - масса тары.
Примечание - Р, R и Т в соответствии с определением измеряют в единицах массы. В случае, когда требования к испытаниям основываются на гравитационных силах, вызванных действием масс, эти силы, являющиеся инерционными, определяют как Pg, Rg и Tg и измеряют в ньютонах или единицах, производных от ньютона.
Слово «груз» («нагрузка»), когда его используют для описания физического количества единиц, означает массу.
Слово «нагрузка», например в словосочетании «внутренняя нагрузка», означает силу.
6.1.2. Испытательные грузы или нагрузку внутри контейнера следует распределять равномерно.
Значения сил и схемы их воздействия на контейнеры при испытаниях приведены в приложении А.
Испытательные грузы или нагрузки, указанные в методах испытаний настоящего раздела, а также в приложении А, являются минимальными.
Объем и порядок проведения испытаний контейнеров-прототипов и контейнеров, предназначенных для перевозки в смешанном сообщении железнодорожным, водным и автомобильным транспортом, а также в случае их международного обращения, должны быть определены с учетом [1].
Испытание проводят для проверки способности полностью загруженного контейнера выдерживать нагрузку, создаваемую верхними гружеными контейнерами, с учетом ускорений, вызываемых движением судна, при наличии эксцентриситета между гружеными контейнерами в штабеле.
В таблице 4 указаны силы, которые должны быть приложены в качестве испытательных к каждой паре угловых фитингов или ко всем четырем угловым фитингам одновременно, и располагаемая сверху масса груза, которая заменяет испытательные нагрузки.
Таблица 4 - Силы, действующие при испытании на штабелирование
|
Испытательная нагрузка на один контейнер на все четыре угловых фитинга одновременно, кН |
Испытательная нагрузка на два угловых фитинга одной торцевой стенки, кН |
Масса груза, располагаемая сверху, вызывающая испытательные силы, кг |
|
|
1ЕЕ, 1ЕЕЕ |
3767 |
1883 |
213360 |
|
1А, 1АА, 1ААА, 1АХ |
3767 |
1883 |
213360 |
|
1В, 1ВВ, 1ВВВ, 1ВХ |
3767 |
1883 |
213360 |
|
1С, 1СС, 1СХ |
3767 |
1883 |
213360 |
|
1D, 1DD, 1DX |
896 |
448 |
50800 |
|
Примечание - Для контейнеров типов 1DD, 1D и 1DX испытательную нагрузку 896 кН определяют при соблюдении условия штабелирования контейнеров в шесть ярусов, когда суммарная масса пяти контейнеров, загруженных до действительной массы 10160 кг каждый, при вертикальном ускорении 1,8g воздействует на нижний контейнер и каждая его угловая стойка испытывает нагрузку 224 кН. |
|||
6.2.2. Проведение испытания
Контейнер размещают на четырех плоских подкладках, расположенных на одном уровне, по одной под каждым угловым и промежуточным фитингом.
Центры подкладок и фитингов, а также их размеры должны совпадать. На контейнер должна воздействовать нагрузка, равномерно распределенная по полу, при этом действительная масса брутто контейнера должна составлять 1,8R.
Контейнер подвергают воздействию вертикальных нагрузок, приложенных либо ко всем четырем верхним угловым фитингам одновременно, либо к каждой паре торцевых фитингов, в соответствии с данными таблицы 4.
Эти нагрузки воздействуют через специальное испытательное приспособление, имеющее угловые фитинги в соответствии с ГОСТ Р 51891 или заменяющие их эквивалентные элементы с теми же геометрическими очертаниями (т.е. с такими же наружными размерами, конфигурациями отверстий и скруглением кромок), как у нижней поверхности нижнего углового фитинга по ГОСТ Р 51891. Конструкция эквивалентных элементов (при их применении) должна обеспечивать такое же воздействие испытательных нагрузок на контейнер, как при использовании угловых фитингов.
Во всех случаях нагрузки следует прилагать так, чтобы угловое смещение плоскостей, к которым приложены силы по отношению к плоскости опоры, было минимальным.
Каждый нижний угловой фитинг или эквивалентный элемент испытательной установки должен быть смещен в одну и ту же сторону относительно осей отверстий верхних угловых фитингов испытуемого контейнера на 38 мм в продольном и на 25 мм в поперечном направлениях.
6.2.3. Требования
После завершения испытания не должно быть ни остаточных деформаций, ни других отклонений, которые делали бы контейнер непригодным к эксплуатации. Должны быть также соблюдены требования к размерам, определяющие пригодность контейнера к перегрузке, креплению и взаимозаменяемости.
Испытание проводят для проверки способности контейнера любого типа, кроме 1DD, 1D и 1DX, выдерживать нагрузки, возникающие при подъеме за соответствующие четыре верхних угловых фитинга, с вертикальным действием сил подъема, и контейнеров типов 1DD, 1D и 1DX выдерживать нагрузки, возникающие при подъеме за четыре верхних угловых фитинга при действии сил подъема под углом не более 30° к вертикали, согласно единственно признанному способу вертикального подъема этих контейнеров за соответствующие четыре верхних угловых фитинга.
Это испытание проводят также для подтверждения способности пола и конструкции основания выдерживать воздействие сил, вызываемых ускорением, получаемым грузом внутри контейнера при операциях подъема.
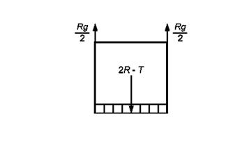
Испытуемый контейнер должен иметь такую равномерно распределенную по площади пола нагрузку, чтобы собственная его масса и испытательная нагрузка вместе составляли 2R. Контейнер следует плавно поднимать за четыре верхних угловых фитинга таким образом, чтобы не возникало заметных ускорений или замедлений.
К контейнерам всех типов, кроме 1DD, 1D и 1DX, силы подъема прилагают вертикально. Подъем контейнеров типов 1DD, 1D и 1DX осуществляют с помощью стропов, каждый из которых располагают под углом 60° к горизонтали (30° к вертикали).
Крюки стропов вводят в боковые отверстия верхних угловых фитингов. Контейнер должен находиться в поднятом положении в течение 5 мин.
6.3.3. Требования
После завершения испытания не должно быть ни остаточных деформаций, ни других отклонений, которые делали бы контейнер непригодным к эксплуатации. Должны быть также соблюдены требования к размерам, определяющие пригодность контейнера к перегрузке, креплению и взаимозаменяемости.
6.4.1. Общие положения
Испытание проводят для проверки способности контейнера выдерживать нагрузки, возникающие при подъеме за четыре нижних угловых фитинга с помощью приспособлений, взаимодействующих с контейнером только через нижние угловые фитинги и прикрепленных к одной балке-траверсе, располагаемой над серединой контейнера в поперечном направлении.
Испытуемый контейнер должен иметь такую равномерно распределенную по площади пола нагрузку, чтобы собственная его масса и испытательная нагрузка вместе составляли 2R. Контейнер следует плавно поднимать за четыре нижних угловых фитинга таким образом, чтобы не возникало заметных ускорений или замедлений.
Силы подъема прилагают под углом:
30° - к горизонтали при испытании контейнеров типов 1ЕЕЕ, 1ЕЕ;
30° » » » » » » » 1ААА, 1АА, 1А, 1АХ;
37° » » » » » » » 1ВВВ, 1ВВ, 1В, 1ВХ;
45° » » » » » » » 1СС, 1С, 1СХ;
60° » » » » » » » 1DD, 1D, 1DX.
В каждом случае плоскость приложения силы подъема не должна быть удалена от наружной поверхности нижнего углового фитинга более чем на 38 мм. Подъем осуществляют так, чтобы подъемные приспособления передавали нагрузку только на четыре нижних угловых фитинга.
Контейнер должен находиться в поднятом положении в течение 5 мин.
6.4.3. Требования
После завершения испытания не должно быть ни остаточных деформаций, ни других отклонений, которые делали бы контейнер непригодным к эксплуатации.
Должны быть также соблюдены требования к размерам, определяющие пригодность контейнера к перегрузке, креплению и взаимозаменяемости. Длительность испытания по 6.3 и 6.4, в необходимых случаях устанавливаемая Российским морским регистром судоходства, может быть иной, чем указано выше.
6.5.1. Общие положения
Испытание проводят для проверки способности контейнера выдерживать внешнее продольное сжатие или растяжение под воздействием динамических нагрузок при железнодорожных перевозках, вызываемых ускорением 2g.
6.5.2. Проведение испытания
Испытуемый контейнер должен иметь такую равномерно распределенную по площади пола нагрузку, чтобы его собственная масса и испытательная нагрузка вместе равнялись R. Контейнер с одного торца должен быть жестко закреплен в продольном направлении.
Контейнер устанавливают нижними угловыми фитингами на четыре горизонтальные опоры, расположенные на одном уровне: с одного торца - две подвижные опоры, с противоположного торца - две неподвижные опоры. Контейнер закрепляют на опорах через нижние отверстия нижних угловых фитингов (например, с помощью замков с поворотными головками, вводимыми в нижние отверстия нижних угловых фитингов).
Силу, равную 2Rg, прилагают горизонтально через нижние отверстия пары нижних угловых фитингов, установленных на подвижных опорах, сначала в направлении закрепленного торца (сжатие), а затем в обратном направлении (растяжение).
6.5.3. Требования
После завершения испытания не должно быть ни остаточных деформаций, ни других отклонений, которые делали бы контейнер непригодным к эксплуатации. Должны быть также соблюдены требования к размерам, определяющие пригодность контейнера к перегрузке, креплению и взаимозаменяемости.
6.6.1. Общие положения
Испытание проводят для проверки способности контейнера выдерживать воздействие внутренних сил от груза, возникающих при железнодорожных перевозках.
6.6.2. Проведение испытания
Если одна торцевая стенка сплошная, а другая с дверным проемом, испытанию подвергают оба торца контейнера. При симметричной конструкции контейнера испытывают только один торец. Контейнер, удерживаемый от продольного смещения нижними угловыми фитингами, подвергают воздействию внутренней силы, равной 0,4Pg. Внутреннюю нагрузку распределяют равномерно по испытуемой стенке, обеспечивая ее свободный прогиб.
6.6.3. Требования
После завершения испытания не должно быть ни остаточных деформаций, ни других отклонений, которые делали бы контейнер непригодным к эксплуатации. Должны быть также соблюдены требования к размерам, определяющие пригодность контейнера к перегрузке, креплению и взаимозаменяемости.
6.7.1. Общие положения
Испытание проводят для проверки способности контейнера выдерживать воздействие внутренних сил от груза, возникающих при перевозке морским транспортом.
6.7.2. Проведение испытания
Испытанию подвергают каждую боковую стенку контейнера. При симметричной конструкции боковых стенок контейнера испытывают только одну из них. Каждую боковую стенку контейнера (включая стенку с дверным проемом) подвергают воздействию внутренней силы, равной 0,6Pg. При этом контейнер, закрепляя нижние угловые фитинги, удерживают от поперечного смещения.
Внутренняя испытательная сила должна быть равномерно распределена и приложена к каждой стенке в отдельности, обеспечивая свободный изгиб боковой стенки и ее продольных элементов.
Контейнеры с открытым верхом, оснащенные съемными дугами, испытывают с дугами, установленными на соответствующие места.
6.7.3. Требования
После завершения испытания не должно быть ни остаточных деформаций, ни других отклонений, которые делали бы контейнер непригодным к эксплуатации. Должны быть также соблюдены требования к размерам, определяющие пригодность контейнера к перегрузке, креплению и взаимозаменяемости.
6.8.1. Общие положения
Испытание проводят для проверки способности жесткой крыши контейнера (при наличии) выдерживать воздействие нагрузок, возникающих при нахождении на ней обслуживающего персонала.
6.8.2. Проведение испытания
Нагрузку, равную 3 кН, равномерно распределяют на площади размерами 600´300 мм, расположенной в самой слабой зоне жесткой крыши контейнера.
6.8.3. Требования
После завершения испытания не должно быть ни остаточных деформаций, ни других отклонений, которые делали бы контейнер непригодным к эксплуатации. Должны быть также соблюдены требования к размерам, определяющие способность контейнера к перегрузке, креплению и взаимозаменяемости.
6.9.1. Общие положения
Испытание проводят для проверки способности пола контейнера выдерживать воздействие сосредоточенной динамической нагрузки, возникающей при выполнении грузовых операций с использованием вилочных погрузчиков или аналогичных приспособлений внутри контейнера.
Испытание пола контейнера проводят с использованием испытательной техники (тележки), оборудованной эластичными массивными шинами, с нагрузкой 36,3 кН на каждое из двух колес тележки (или погрузчика). Необходимо, чтобы все точки контакта между каждым колесом и плоской поверхностью пола контейнера находились внутри прямоугольника размерами 185´100 мм (в направлении, параллельном оси вращения колеса), при этом контактная поверхность каждого из двух колес с полом должна быть не более 142 см2.
Номинальная ширина шины колеса должна составлять 180 мм, а номинальное расстояние между вертикальными осями колес - 760 мм. Испытательная техника (тележка, погрузчик) должна маневрировать по всей поверхности пола контейнера. Ширину испытательной тележки устанавливают в соответствии с номинальным расстоянием между осями колес тележки. Во время испытания контейнер устанавливают на четыре опоры, расположенные на одном уровне, по одной под каждым из четырех нижних угловых фитингов, при обеспечении свободного прогиба основания.
6.9.3. Требования
После завершения испытания не должно быть ни остаточных деформаций, ни других отклонений, которые делали бы контейнер непригодным к эксплуатации. Должны быть также соблюдены требования к размерам, определяющие пригодность контейнера к перегрузке, креплению и взаимозаменяемости.
Испытание проводят для проверки способности контейнера любого типа, за исключением контейнеров типов 1DD, 1D и 1DX, выдерживать воздействие возникающих при движении судна сил, вызывающих поперечный перекос конструкции контейнера.
6.10.2. Проведение испытания
Порожний контейнер устанавливают на четыре горизонтальные опоры, расположенные на одном уровне, по одной под каждым угловым фитингом, и для предотвращения поперечного и вертикального смещений его закрепляют анкерными устройствами (или иными приспособлениями) через нижние отверстия нижних угловых фитингов.
Закрепление контейнера для предотвращения его поперечного перемещения должно быть предусмотрено только в нижнем угловом фитинге, диагонально противоположном верхнему угловому фитингу, к которому прилагают силы, и находящемуся в плоскости той же торцевой стенки. При раздельном испытании двух торцевых стенок закрепление для предотвращения вертикальных перемещений осуществляют только в угловых фитингах испытуемой торцевой стенки.
Внешние силы, 150 кН каждая, прилагают в поперечном направлении раздельно или одновременно к каждому из верхних угловых фитингов одной боковой стенки контейнера параллельно как плоскости основания, так и плоскости торцевых стенок.
Силы прилагают сначала в направлении к верхним угловым фитингам, а затем - от них.
Если контейнер имеет идентичные торцевые стенки, необходимо испытывать только одну торцевую стенку. Там, где торцевая стенка не полностью симметрична ее собственной вертикальной оси, нагрузка к торцу должна быть приложена поочередно с каждой боковой стороны контейнера.
Допустимые значения перекоса при полной испытательной нагрузке приведены в 5.4.
6.10.3. Требования
После завершения испытания не должно быть ни остаточных деформаций, ни других отклонений, которые делали бы контейнер непригодным к эксплуатации. Должны быть также соблюдены требования к размерам, определяющие пригодность контейнера к перегрузке, креплению и взаимозаменяемости.
Испытание проводят для проверки способности контейнера любого типа, за исключением контейнеров типов 1DD, 1D и 1DX, выдерживать воздействие сил, возникающих при движении судна и вызывающих перекос конструкции контейнера в продольном направлении.
6.11.2. Проведение испытания
Порожний контейнер устанавливают на четыре горизонтальные расположенные на одном уровне опоры, по одной под каждым угловым фитингом, и для предотвращения продольного и вертикального смещений его закрепляют анкерными устройствами (или иными приспособлениями) через нижние отверстия нижних угловых фитингов. Продольное закрепление осуществляют только в том нижнем угловом фитинге, который диагонально противоположен в плоскости боковой стенке и тому верхнему угловому фитингу, к которому прилагают силу.
Внешние силы, 75 кН каждая, прилагают раздельно или одновременно к каждому из верхних угловых фитингов одной торцевой стенки контейнера параллельно как плоскости основания, так и плоскостям боковых стенок.
Если контейнер имеет идентичные боковые стенки, то испытывают только одну боковую стенку. Если боковая стенка не полностью симметрична вертикальной оси, испытания проводят с обоих торцев. Допустимые значения перекосов при полной испытательной нагрузке приведены в 5.5.
6.11.3. Требования
После завершения испытания не должно быть ни остаточных деформаций, ни других отклонений, которые делали бы контейнер непригодным к эксплуатации. Должны быть также соблюдены требования к размерам, определяющие пригодность контейнера к перегрузке, креплению и взаимозаменяемости.
Испытанию следует подвергать контейнеры типов 1СС, 1С, 1DD или 1D, оснащенные одной парой вилочных проемов.
6.12.2. Проведение испытания
6.12.2.1. Нагрузку равномерно распределяют по полу контейнера, чтобы собственная масса контейнера и испытательная нагрузка вместе равнялись 1,6R. Контейнер должен опираться на две горизонтальные балки, каждая шириной 200 мм, входящие на (1828 ± 3) мм в вилочный проем считая от наружной поверхности боковой стенки контейнера; оси балок и вилочных проемов должны совпадать. Контейнер выдерживают в поднятом положении в течение 5 мин, а затем опускают на землю.
6.12.2.2. Контейнеры типа 1СС или 1С, оснащенные двумя парами вилочных проемов
Внешнюю пару вилочных проемов испытывают в соответствии с 6.12.2.1. Внутреннюю (дополнительную) пару вилочных проемов испытывают аналогично, но при уменьшенной до 0,625R действительной массе брутто контейнера и установке балок в проемы внутренней пары.
6.12.3. Требования
После завершения испытаний не должно быть ни остаточных деформаций, ни других отклонений, которые делали бы контейнер непригодным к эксплуатации. Должны быть также соблюдены требования к размерам, определяющие пригодность контейнера к перегрузке, креплению и взаимозаменяемости.
Данное испытание необязательное. Его проводят, если указанные устройства предусмотрены у контейнера по желанию заказчика.
6.13.1. Общие положения
Этому испытанию подвергают только те контейнеры, которые по требованию заказчика оборудованы подхватными устройствами (площадками) в основании контейнера, как это показано в приложении Е.
6.13.2. Проведение испытания
Массу испытательного груза равномерно распределяют по полу контейнера, чтобы действительная масса контейнера равнялась 1,25R. Контейнер устанавливают плоскими частями своих опорных площадок, имеющихся в подхватных устройствах [рисунки Е.2 и Е.3 (приложение Е)], на четыре подкладки размерами 32´254 мм, располагаемые в центре плоских частей (рисунок Е.4).
Контейнер выдерживают в поднятом положении 5 мин.
6.13.3. Требования
После завершения испытаний не должно быть остаточных деформаций или других отклонений, которые делали бы контейнер непригодным к эксплуатации. Должны быть соблюдены также требования к размерам, определяющие пригодность контейнера к перегрузке, креплению и взаимозаменяемости.
6.14.1. Проведение испытания
Струю воды из наконечника внутренним диаметром 12,5 мм направляют на все наружные швы и пазы контейнера под давлением около 100 кПа (соответствующим давлению 10 м вод. ст. на выходе из наконечника). Наконечник держат на расстоянии 1,5 м от испытуемого контейнера, а струю перемещают со скоростью 100 мм/с.
Допустимо проведение испытания с использованием нескольких наконечников при условии, что каждый шов или паз подвергают воздействию, не меньшему чем от струи, выходящей из одного наконечника.
6.14.2. Требования
По окончании испытания контейнер не должен иметь следов проникновения воды внутрь.
Схематическое
изображение мест приложения и значений сил
для проверки прочности и жесткости конструкций
контейнеров всех типов групповых кодов GP, VN, UT
(за исключением особо обусловленных случаев)
Примечания
1. Силы, прилагаемые снаружи, которые показаны на рисунках А.1, а - А.22 (приведенных в таблице А.1) даны только для одной торцевой или одной боковой стенки. Внутренние нагрузки даны для всего контейнера.
2. Схемы настоящего приложения соответствуют испытаниям, описанным в 6.2 - 6.12.
3. Обозначения Р, R и Т - по 6.1.1.
Таблица А.1
|
Вид с торца |
Вид сбоку |
|
|
А.1, а |
Испытание № 1. Штабелирование |
|
|
|
||
|
Неприменимо к контейнерам типов 1D и 1DX |
||
|
А.1, b |
|
|
|
Применимо только к контейнерам типов 1ЕЕ и 1ЕЕЕ |
||
|
А.1, с |
|
|
|
Применимо только к контейнерам типов 1ЕЕ и 1ЕЕЕ |
||
|
A.1, d |
|
|
|
Применимо только к контейнерам типов 1ЕЕ и 1ЕЕЕ |
||
|
А.1, е |
|
|
|
Применимо только к контейнерам типов 1DD, 1D и 1DX |
||
|
А.2, а |
Растяжение контейнера вертикальными усилиями за угловые фитинги |
|
|
|
|
|
|
А.2, b |
|
|
|
Применимо только к контейнерам типов 1ЕЕ и 1ЕЕЕ |
||
|
А.3, а |
Испытание № 2. Подъем за четыре верхних угловых фитинга |
|
|
|
|
|
|
Неприменимо к контейнерам типов 1D и 1DX |
||
|
А.3, b |
|
|
|
Применимо только к контейнерам типов 1ЕЕ и 1ЕЕЕ |
||
|
Применимо к контейнерам типов 1DD, 1D, 1DX |
||
|
А.4, а |
Испытание № 3. Подъем за четыре нижних угловых фитинга |
|
|
|
|
|
|
А.4, b |
|
|
|
Применимо только к контейнерам типов 1ЕЕ и 1ЕЕЕ |
||
|
А.5, а |
Испытание № 4. Жесткость конструкции (продольная) |
|
|
|
||
|
А.5, b |
|
|
|
Применимо только к контейнерам типов 1ЕЕ и 1ЕЕЕ |
||
|
А.6, а |
|
|
|
А.6, b |
|
|
|
Применимо только к контейнерам типов 1ЕЕ и 1ЕЕЕ |
||
|
А.7 |
Испытание № 5. Прочность торцевых стенок |
|
|
|
||
|
А.8 |
Испытание № 6. Прочность боковых стенок |
|
|
|
||
|
А.9 |
Испытание № 7. Прочность крыши |
|
|
|
|
|
|
Применимо к контейнерам с жесткой крышей |
||
|
А.10 |
Испытание № 8. Прочность пола и основания |
|
|
|
|
|
|
А.11, а |
Испытание № 9. Жесткость (поперечная) |
|
|
|
||
|
А.11, b |
|
|
|
При установке контейнера типа 1Е на контейнер типа 1Е нагрузку воспринимают верхние угловые фитинги и нижние угловые фитинги |
||
|
А.11, c |
|
|
|
При установке контейнера типа 1А на контейнер типа 1А нагрузку воспринимают верхние промежуточные фитинги и нижние промежуточные фитинги |
||
|
A.11, d |
|
|
|
При установке контейнера типа 1Е на контейнер типа 1А нагрузку воспринимают верхние угловые фитинги и нижние промежуточные фитинги |
||
|
А.11, е |
|
|
|
При установке контейнера типа 1А на контейнер типа 1Е нагрузку воспринимают верхние промежуточные фитинги и нижние угловые фитинги |
||
|
А.12, а |
|
|
|
A.12, b |
|
|
|
При установке контейнера типа 1Е на контейнер типа 1Е нагрузку воспринимают верхние угловые фитинги и нижние угловые фитинги |
||
|
А.12, c |
|
|
|
При установке контейнера типа 1А на контейнер типа 1А нагрузку воспринимают верхние промежуточные фитинги и нижние промежуточные фитинги |
||
|
A.12, d |
|
|
|
При установке контейнера типа 1Е на контейнер типа 1А нагрузку воспринимают верхние угловые фитинги и нижние промежуточные фитинги |
||
|
А.12, е |
|
|
|
При установке контейнера типа 1А на контейнер типа 1Е нагрузку воспринимают верхние промежуточные фитинги и нижние угловые фитинги |
||
|
А.13 |
Крепление |
Неприменимо к контейнерам типов 1DD, 1D, 1DX |
|
А.14 |
Крепление |
Неприменимо к контейнерам типов 1DD, 1D, 1DX |
|
А.15 |
Крепление |
|
|
А.16 |
Крепление |
|
|
А.17, а |
Испытание № 10. Жесткость (продольная) |
|
|
Неприменимо к контейнерам типов 1DD, 1D, 1DX |
||
|
При установке контейнера типа 1Е на контейнер типа 1Е нагрузку воспринимают верхние угловые фитинги и нижние угловые фитинги |
||
|
А.17, b |
||
|
При установке контейнера типа 1Е на контейнер типа 1А нагрузку воспринимают верхние угловые фитинги и нижние промежуточные фитинги |
||
|
А.18, а |
Неприменимо к контейнерам типов 1DD, 1D, 1DX |
|
|
При установке контейнера типа 1Е на контейнер типа 1Е нагрузку воспринимают верхние угловые фитинги и нижние угловые фитинги |
||
|
А.18, b |
||
|
При установке контейнера типа 1Е на контейнер типа 1А нагрузку воспринимают верхние угловые фитинги и нижние промежуточные фитинги |
||
|
А.19 |
Крепление Этот тип нагрузок недопустим, за исключением предусмотренного в А.3, с |
|
|
А.20 |
Крепление Неприменимо к контейнерам типов 1DD, 1D, 1DX |
|
|
А.21 |
Испытание № 11. Подъем с использованием вилочных проемов Применимо к контейнерам типов 1СС, 1С, 1DD или 1D, оснащенным одной парой вилочных проемов и к контейнерам типов 1СС или 1С с двумя парами вилочных проемов при испытании внешней пары |
|
|
А.22 |
Испытание № 11. Подъем с использованием вилочных проемов Применимо к контейнерам типов 1СС и 1С с двумя парами вилочных проемов при испытании внутренней пары |
|
Требования к
опорным (контактным) площадкам
в конструкции основания контейнеров
B.1. Предусмотренные конструкцией основания торцевые и поперечные элементы (балки), на которых имеются опорные (контактные) площадки, должны выдерживать и передавать нагрузки на соответствующие продольные элементы конструкций транспортного средства (например, полуприцепа-контейнеровоза).
Предполагают, что эти продольные элементы транспортного средства лежат в пределах двух зон шириной по 375 мм каждая, показанных пунктирными линиями на рисунке В.1.
Рисунок B.1
B.2. Контейнеры, в основании которых нет поперечных элементов (балок), удаленных друг от друга на расстояние 1000 мм и менее (и нет плоского днища), должны иметь опорные (контактные) площадки, размещенные таким образом, как это показано на рисунках В.2 - В.9.
B.2.1. Каждая пара опорных (контактных) площадок, расположенных на торцевых поперечных элементах (балках), должна выдерживать нагрузки не менее 0,5Rg, т.е. силы, которые могут возникнуть при установке контейнера на такое транспортное средство, на котором он не опирается на свои нижние угловые фитинги.
Каждую пару промежуточных опорных (контактных) площадок рассчитывают на передачу нагрузки, которая может возникнуть при выполнении транспортных операций, не менее 1,5Rgln [n - число пар промежуточных опорных (контактных) площадок].
B.2.2. Минимальное число пар опорных (контактных) площадок составляет у контейнеров типов:
1СС, 1С, 1СХ - 4;
1ВВВ, 1ВВ, 1В, 1ВХ - 5;
1ААА, 1АА, 1А, 1АХ - 5;
1ААА, 1АА, 1А, 1АХ - 6;
1ЕЕЕ, 1ЕЕ, оснащенных несквозным тоннелем для установки на полуприцепе с передней балкой типа «шея гуся», - 6.
Опорные (контактные) площадки (при наличии большого числа их пар) должны быть размещены, по возможности, равномерно по всей длине контейнера.
B.2.3. Расстояние между торцевыми поперечными элементами (балкой) и ближайшей промежуточной парой опорных (контактных) площадок должно быть:
- от 1700 до 2000 мм - у контейнеров, имеющих минимальное число пар требуемых опорных (контактных) площадок;
- от 1000 до 2000 мм - у контейнеров, имеющих на одну пару опорных (контактных) площадок больше минимального числа.
B.2.4. Каждая опорная (контактная) площадка должна быть размером не менее 25 мм в направлении продольной оси контейнера.
Размещение опорных (контактных) площадок по типам контейнеров
Контейнеры типов 1СС, 1С, 1СХ
Рисунок B.2 - Размещение
четырех пар опорных площадок
(одна пара на каждом торце плюс две промежуточные пары)

Рисунок B.3 - Размещение пяти пар опорных площадок
Контейнеры типов 1ВВВ, 1ВВ, 1В, 1ВХ

Рисунок B.4 - Размещение
пяти пар опорных (контактных) площадок (пара на каждом торце
плюс три промежуточные пары)

Рисунок B.5 - Размещение шести пар опорных (контактных) площадок
Контейнеры типов
1ЕЕ, 1АА, 1А или 1АХ (без тоннеля для установки
на полуприцепе с передней балкой типа «шея гуся»)

Рисунок B.6 - Размещение
пяти пар опорных (контактных) площадок (одна пара на каждом торце
плюс три промежуточные пары)

Рисунок B.7 - Размещение шести пар опорных (контактных) площадок
Контейнеры
типов 1ЕЕ, 1AAA, 1АА, 1АХ, имеющие несквозной тоннель
для установки на полуприцепе
с передней балкой типа «шея гуся» (рисунок В.10)

Рисунок B.8* -
Размещение шести пар опорных (контактных) площадок (одна пара на каждый торец
плюс четыре промежуточные пары)
Рисунок B.9* - Размещение семи пар опорных (контактных) площадок
_______
* См. рисунок В.10.
1 - торец контейнера; 2 - центральная ось
Рисунок B.10
Минимальные требования к опорным площадкам в тоннеле для установки контейнера на полуприцеп с передней балкой типа «шея гуся» (устройство тоннеля - по приложению D).
Все опорные площадки тоннеля состоят из двух частей: верхней части А и нижней части B. Эти спаренные части A и B следует рассматривать как единую опорную площадку, состоящую из двух компонентов A и B и имеющую площадь не менее 1250 мм2.
Примечание - Там, где тоннель имеет сплошные боковые элементы, опорные площадки, изображенные на рисунке В.10 в пределах расстояния 3150 - 3500 мм от торца контейнера и 3900 - 4262 мм для контейнеров типа 1ЕЕ, необязательны.
Размеры вилочных проемов (при наличии)

Рисунок C.1
Таблица C.1
|
Размеры и допуски, мм |
|||||||
|
Вилочные проемы для груженых и порожних контейнеров |
Вилочные проемы (внутренние) только для порожних контейнеров |
||||||
|
А |
В |
С |
D |
А΄ |
В΄ |
С΄ |
|
|
1СС, 1С |
2050 ± 50 |
355 min |
115 min |
20 min |
900 ± 50 |
305 min |
102 min |
|
1DD, 1D |
900 ± 50 |
305 min |
102 min |
20 min |
- |
- |
- |
|
Примечание - С - высота проема в свету. |
|||||||
Размеры паза
(несквозной тоннель) для установки контейнера на полуприцепе
с передней балкой типа «шея гуся» (при наличии)

1 - поверхность передней торцевой балки; 2 - уровень нижних поверхностей поперечных элементов
Рисунок D.1 - Размеры
тоннеля контейнера, в который может входить балка типа «шея гуся»
полуприцепа
Таблица D.1
В миллиметрах
|
Длина |
Ширина |
Высота |
||||||||
|
Lt |
D |
Wt |
Xt |
Yt |
Yt |
Z |
Bt |
bt |
bt |
C |
|
3900 - 4000*; |
|
930 шах |
|
1070 min |
1130 шах |
25 min |
|
35 min |
70 max |
|
|
3150 - 3500 |
||||||||||
|
Примечания 1. Размер Btизмеряют в задней части тоннеля на расстоянии примерно 600 мм от конца тоннеля. 2. Конструкция тоннеля может быть образована сплошными элементами минимальной длиной, указанной в настоящей таблице, и внутренними размерами, обведенными сплошной полужирной линией на рисунке D.1. |
||||||||||
_______
* Только для контейнеров типа 1ЕЕ.
Требования к устройствам для крепления груза (при наличии)
E.1. Общие положения
E.1.1. Система крепления груза должна не допускать его смещение в результате воздействия динамических нагрузок при транспортировании.
E.1.2. Система крепления груза состоит:
- из упоров или
- устройств для крепления груза, или
- совокупности вышеуказанных элементов.
E.1.3. В настоящем приложении описаны только устройства для крепления груза. Они являются постоянными элементами, к которым могут быть присоединены средства крепления (тросы, цепи, канаты и т.д.).
Эти устройства не используют для другой цели, например для перегрузки или крепления контейнеров. Такими устройствами могут являться или жестко закрепленные (например, рамы), шарнирные, скользящие петли, или полосы.
E.1.3.1. Анкерные точки - это места установки устройств для крепления груза, размещенные в раме основания контейнера.
E.1.3.2. Кроме вышеуказанных, могут быть устройства для крепления груза, размещенные в любом месте контейнера, кроме рамы его основания.
E.2. Требования к конструкции
Для контейнеров общего назначения устройства для крепления груза не являются обязательными. Однако, при наличии, они должны соответствовать требованиям E.2.1 - E.2.6.
E.2.1. Устройства для крепления груза не должны нарушать установленные минимальные внутренние размеры контейнера, приведенные в таблице 3.
E.2.2. Типовое число устройств для крепления груза N:
a) расположенных в основании контейнеров типов: 1ЕЕЕ, 1ЕЕ - N = 16,
1ААА, 1АА, 1А, 1АХ - N = 16,
1ВВВ, 1ВВ, 1В, 1ВХ - N = 12,
1СС, 1С, 1СХ - N = 10,
1DD, 1D, 1DХ - N = 8;
b) устройства для крепления груза, размещенные не в основании контейнера, не устанавливают.
E.2.3. Ни одно из устройств для крепления груза не должно нарушать размеры дверного проема, установленные в 5.7.
Е.2.4. К устройству для крепления груза со всех сторон должен быть обеспечен свободный доступ при расстоянии между ним и какой-либо прилегающей к нему фиксированной поверхностью не менее 50 мм с целью обеспечить пропуск через отверстие (зазор) средств крепления (цепей, тросов, проволоки и т.п.) или ввод жестких элементов (таких как крюки, скобы, кулачки и т.п.)
Е.2.5. Каждое устройство для крепления груза по Е.2.2, перечисление а) и Е.2.3 должно быть сконструировано и выполнено из расчета восприятия нагрузки, равной минимум 10 кН, действующей в любом направлении.
Е.2.6. Каждое устройство для крепления груза по Е.2.2, перечисление b) должно быть сконструировано и выполнено из расчета восприятия нагрузки, равной минимум 5 кН, действующей в любом направлении.
Е.3. Испытания
Е.3.1. При испытании к каждому из устройств для крепления груза по Е.2.2, перечисление а) прилагают растягивающую силу, превышающую в 1,5 раза указанную в Е.2.5 нормативную нагрузку.
Для этого используют крюки или скобы максимальным диаметром 20 мм; положение рамы основания контейнера должно быть горизонтальным.
К устройству крепления груза, расположенному на уровне пола и размещаемому по длине контейнера, испытательную нагрузку прилагают в поперечной плоскости и под углом 45° к горизонтали (рисунок Е.1).
К устройству крепления груза, расположенному по ширине контейнера, испытательную нагрузку прилагают в продольной плоскости и также под углом 45° к горизонтали (рисунок Е.1).
К устройству для крепления груза, установленному выше уровня пола, испытательные нагрузки должны быть, по возможности, приложены под углом 45° к горизонтали как вверх, так и вниз. При установке устройства на уровне крыши (или другой экстремальной высоте) испытательная нагрузка должна быть направлена вниз под углом 45° к горизонтали.
При проведении всех испытаний по Е.3.1 растягивающая нагрузка должна действовать под указанным в каждом случае углом в течение не менее 5 мин.
Рисунок Е.1 - Схема приложения испытательных нагрузок
Е.3.2. Если контейнер оснащен разнотипными устройствами для крепления груза, то должно быть испытано хотя бы одно устройство каждого типа.
Е.3.3. После завершения испытаний ни сами устройства для крепления груза, ни их соединение с элементами конструкции контейнера и конструкция самого контейнера не должны иметь остаточных деформаций или других отклонений, определяющих непригодность контейнера к эксплуатации при его полной загрузке.
Дополнительные
требования к контейнерам исходя из условий их работы
в Российской Федерации
F.1. Климатическое исполнение - У, категория 1 по ГОСТ 15150 (если иные условия не предусмотрены техническим заданием).
F.2. Конструкция контейнера должна обеспечивать:
- сохранность груза при транспортировании, хранении и перегрузке контейнера при условии выполнения правил эксплуатации;
- удобство очистки, промывания, выполнения ремонтных работ, крепления груза, технического и коммерческого осмотров и таможенного досмотра;
- исключение извлечения груза из контейнера (закрытого или открытого с закрепленным тентом или съемной (раскрывающейся) крышей), загрузки в него груза или других несанкционированных проникновений в грузовое пространство контейнера без видимых следов этих воздействий либо повреждения таможенных печатей и пломб;
- наложение печатей и навеску пломб на закрытые контейнеры или открытые контейнеры, оборудованные тентом или съемной крышей;
- отсутствие потайных мест сокрытия груза;
- доступность всех мест нахождения груза для таможенного досмотра.
F.3. Закрытые контейнеры и открытые с тентом для съемной (раскрывающейся) крыши должны иметь, как минимум, одну торцевую двустворчатую дверь с эластичным уплотнением и запорными устройствами.
Открытые контейнеры без тента типов 1АХ, 1ВХ, 1СХ и 1DX высотой 1580 мм и более должны иметь двустворчатую дверь с запорными устройствами. Оборудование их откидной стенкой, заменяющей дверь, допускается по согласованию с заказчиком.
Открытые контейнеры без тента типов 1АХ, 1ВХ, 1СХ и 1DX высотой менее 1500 мм вместо двустворчатой двери могут иметь откидную торцевую стенку с запорными устройствами.
F.4. По требованию заказчика контейнеры должны быть оснащены:
- устройствами для крепления груза с помощью гибких увязочных средств, расположенными на элементах конструкции стенок, в угловых стойках, балках верхней рамы и не выступающими во внутреннее пространство контейнера;
- устройствами жесткого типа для крепления тяжелых грузов, расположенными в полу или на балках основания.
F.5. Конструкцией двери и дверной рамы закрытого контейнера должны быть обеспечены:
- плотное прилегание эластичного уплотнения створок двери к дверной раме по всему периметру и друг к другу - между створками;
- открывание торцевой двери контейнеров всех типов на угол 270°, боковых дверей контейнеров - на угол 180°;
- исключение снятия двери в запертом положении;
- надежное свободное запирание и отпирание двери предусмотренными запорными устройствами без дополнительных приспособлений;
- закрепление двери в открытом положении;
- применение ограждения дверного проема;
- исключение попадания искр внутрь контейнера при запертых дверях.
По требованию заказчика перечисленные требования распространяют также на открытые контейнеры с тентом или без него.
Конструкция откидной стенки должна быть рассчитана на въезд вилочного погрузчика грузоподъемностью 2 т. Угол откидывания стенки должен составлять не менее 120°.
В открытых контейнерах с тентом (или с приспособлениями для его крепления) двери взамен эластичного уплотнения допускается оборудовать по согласованию с заказчиком не менее чем двумя лабиринтами для отвода атмосферных осадков наружу.
F.6. Конструкция запорных устройств двери (откидной стенки) должна обеспечивать:
- захват их рукоятки рукой в рукавице;
- прижим двери (откидной стенки) по всему периметру к дверной раме, створок двери - друг к другу (у закрытых контейнеров и открытых контейнеров с тентом); допускаемая сила на рукоятке запорного устройства при запирании контейнера должна быть не более 150 Н;
- исключение самооткрывания запертой двери (откидной стенки) под воздействием вибрации и нагрузок, возникающих в процессе эксплуатации;
- одновременный ввод кулачков штанг запорных устройств в зевы гнезд, имеющихся на верхней и нижней балках дверной рамы, без повреждений и остаточных деформаций в элементах конструкции запорных устройств и двери;
- применение проволочной закрутки диаметром 6 мм;
- пломбирование двери закрытых контейнеров и двери (откидной стенки) открытых контейнеров с закрепленным тентом одной пломбой и защиту пломбы от повреждений;
- сохранение в процессе эксплуатации соосности отверстий на рукоятках и пломбировочных скобах, требуемой для свободного пропуска проволочной закрутки, навески пломбы либо установки пломбы-запора установленных размеров.
Диаметр отверстия должен быть не менее 8 мм для проволочной закрутки и 11 мм - для пломбы. При одном отверстии на рукоятке и одном на пломбировочной скобе диаметр отверстия должен быть не менее 14 мм;
- исключение повреждения пломб, пломб-запоров и таможенных печатей в условиях нормальной эксплуатации.
Требования к устройствам для пломбирования тента или съемной (раскрывающейся) крыши устанавливают по [1].
F.7. Крыша контейнеров в местах стыка с угловыми и промежуточными фитингами должна быть усилена для предотвращения повреждения ее поворотными замками спредера. Усиление крыши можно проводить выше ее уровня дополнительным листом при условии, что лист и его крепления не будут по длине контейнера выходить за размер 750 мм от его торца и будут расположены ниже верхней плоскости верхних угловых фитингов.
F.8. Съемный тент или съемную часть крыши следует оборудовать запорными устройствами с индикацией, позволяющей с уровня земли проверять надежность их закрепления на контейнерах, находящихся на площадке или подвижном составе.
Требования к устройствам для пломбирования тента или съемной (раскрывающейся) крыши устанавливают по [1].
F.9. Металлические элементы конструкции должны быть защищены от коррозии. Подготовка поверхностей и система защитных лакокрасочных покрытий должны быть установлены нормативными документами на контейнер каждого типа. Выбранные герметики (для уплотнения), грунтовки, краски и т.п. после нанесения и высыхания должны быть прочными, нетоксичными, влагонепроницаемыми, обладать стойкостью к воздействию морской воды и моющих средств, не оказывать отрицательного влияния друг на друга и не впитывать запахи. Они должны соответствовать условиям эксплуатации в диапазоне предельных температур от минус 50 °С до плюс 70 °С. Окраска всех наружных поверхностей контейнера, кроме пола и крыши, должна соответствовать V классу покрытий, а внутренних поверхностей и крыши - VI классу покрытий по ГОСТ 9.032.
F.10. Настил пола контейнера должен быть изготовлен из древесины - досок или фанеры. Применение других неметаллических материалов допускается в контейнерах по согласованию их изготовителя с заказчиком и Российским морским регистром судоходства. Пол контейнера со стороны дверного проема должен быть защищен металлическим листом (уголком).
Для изготовления деревянного настила пола следует применять доски 1-го сорта из древесины хвойных пород по ГОСТ 8486 или фанеру в виде щитов установленных размеров, специально предназначенную для изготовления полов. Поверхность фанеры с наружной стороны настила пола и кромки фанерных щитов должны быть защищены влагонепроницаемыми покрытиями.
F.11. Древесина, применяемая для изготовления настила пола, должна быть пропитана защитным средством против гниения с обеспечением V класса условий службы по ГОСТ 20022.2, а по согласованию между изготовителем и заказчиком, кроме того, химикатами, предохраняющими от грызунов и термитов. Пропитка указанными веществами не должна вызывать изменения качества перевозимых грузов.
С наружной стороны настил пола из досок или фанеры у всех контейнеров должен быть покрыт битумной мастикой или другим не уступающим ей по качеству материалом.
F.12. На каждом контейнере должны быть укреплены:
- заводская табличка;
- клеймо ОТК предприятия-изготовителя;
- клеймо Российского морского регистра судоходства, с указанием даты проведенного и очередного освидетельствований контейнера;
- табличка о допущении контейнера к эксплуатации по условиям безопасности [2] и о допущении перевозки грузов под таможенными печатями и пломбами [3].
Содержание и расположение табличек, а также возможность установки объединенной таблички - по [1].
На контейнерах, пол которых пропитан химикатами в соответствии с международными требованиями, обеспечивающими применяемость контейнеров во всех странах, регионах, в том числе с тропическим климатом, должна быть табличка с надписью на английском языке «Timber treated for plant quarantine department of health, Australia».
Если контейнеры типа 1СС или 1С имеют две пары вилочных проемов, то рядом с проемами внутренней пары следует по требованию заказчика наносить маркировку, ограничивающую использование этой пары проемов.
G.1. В целях обеспечения проверки соответствия контейнеров требованиям настоящего стандарта предприятие-изготовитель проводит операционный контроль при их производстве и далее совместно с разработчиком с привлечением, при необходимости, заказчика проводит предварительные испытания.
При их успешном завершении разработчик организует приемочные испытания при участии предприятия-изготовителя и заказчика в соответствии с ГОСТ Р 15.201.
Если разработчиком и изготовителем контейнера данного типа является одно предприятие, то оно организует и проводит предварительные и приемочные испытания, руководствуясь ГОСТ Р 15.201.
С той же целью предприятие-изготовитель проводит:
- операционный контроль при изготовлении серийных контейнеров;
- приемо-сдаточные испытания серийно изготовляемых контейнеров;
- периодические испытания серийно изготовляемых контейнеров;
- типовые испытания серийно изготовляемых контейнеров при внесении изменений в их конструкцию и технологию производства.
G.2. При предварительных испытаниях проводят осмотр опытных образцов контейнеров, устанавливают соответствие конструкции контейнера техническому заданию и рабочим чертежам, утвержденным в установленном порядке, проверяют работоспособность запорных устройств. Кроме того, у закрытых и открытых контейнеров с закрепленным тентом проверяют плотность прилегания створок дверей к дверной раме и друг к другу (или откидной стенки к торцевой раме) и водонепроницаемость.
G.3. Число контейнеров одного типа, подвергаемых предварительным и приемочным испытаниям, устанавливаемое техническим заданием, должно быть не менее двух.
G.4. При приемочных испытаниях проверяют прочность и жесткость конструкции опытных образцов контейнеров, работоспособность их запорных устройств, а также светонепроницаемость закрытых контейнеров и водонепроницаемость закрытых контейнеров и открытых контейнеров с закрепленным тентом.
Приемочные испытания проводят по программе, разработанной в соответствии с настоящим стандартом.
G.5. В состав типовых испытаний включают приемочные испытания, проводимые теми методами, которые обеспечивают проверку влияния внесенных изменений в конструкцию или технологию изготовления контейнеров на их прочность, жесткость и работоспособность.
G.6. Операционный контроль при изготовлении серийных контейнеров проводят в соответствии с нормативными документами.
G.7. Приемо-сдаточным испытаниям подвергают каждый серийно изготовляемый контейнер.
G.8. Периодическим испытаниям подвергают не менее одного контейнера из 500 контейнеров одного типа.
Периодические испытания проводят по утвержденной предприятием-изготовителем программе, согласованной с Российским морским регистром судоходства.
При неудовлетворительных результатах периодических испытаний их проводят повторно на утроенном числе контейнеров, произвольно отбираемых из числа прошедших приемо-сдаточные испытания.
При неудовлетворительных результатах повторных испытаний решение по данной партии контейнеров принимают по согласованию с Российским морским регистром судоходства.
G.9. Предварительные испытания
G.9.1. Предварительные испытания по G.2 обычно осуществляют без нагружения. По требованию заказчика могут быть проведены прочностные испытания отдельных типов, что обусловливают в техническом задании.
G.9.2. Осмотр контейнеров проводят с целью выявить внешние дефекты изготовления.
С помощью осмотра проверяют качество:
- изготовления контейнера в целом и отдельных элементов его конструкции (пола, створок дверей, устройств для крепления груза, запорных устройств и имеющихся на них устройств для пломбирования, петель для навески створок и др.);
- сварных швов по ГОСТ 3242;
- гибких щитков, прикрывающих пломбы и таможенные печати;
- окраски и нанесения трафаретов на контейнер;
- навески створок дверей и установки на них запорных устройств.
G.9.3. При проверке размеров контейнеров устанавливают их соответствие настоящему стандарту и нормативным документам на контейнер каждого типа, техническому заданию и рабочим чертежам, утвержденным в установленном порядке. Контроль размеров проводят измерительным инструментом в соответствии с методикой выполнения измерений, аттестованной ведомственной метрологической службой согласно требованиям ГОСТ Р 8.563 с погрешностью не более 1 мм или 30 % поля допусков, установленных стандартами на проверяемые размеры.
G.9.4. Плотность прилегания створок дверей, имеющих эластичное уплотнение, к дверной раме и друг к другу, а также свариваемых между собой элементов конструкции закрытых контейнеров и открытых контейнеров с закрепленным тентом независимо от наличия или отсутствия эластичного уплотнения двери контролируют визуально путем проверки светонепроницаемости запертого контейнера.
Плотность прилегания створок дверей без эластичного уплотнения контролируют измерением и проверкой соответствия рабочим чертежам зазоров между створками дверей и дверной рамой и высоты полок лабиринтов, служащих для отводов атмосферных осадков.
Проникновение света внутрь контейнера из-за неплотного прилегания створок дверей с эластичным уплотнением к дверной раме и друг к другу или свариваемых между собой элементов конструкции закрытых контейнеров и открытых контейнеров с закрепленным тентом не допускается.
G.9.5. Работоспособность запорного устройства проверяют выполнением не менее чем 30 циклов, каждый из которых включает в себя:
- отпирание двери поворотом рукоятки;
- раскрытие створок двери на угол 180°;
- закрытие и прижатие створок двери к дверной раме;
- запирание двери поворотом рукоятки с обеспечением одновременного ввода верхнего и нижнего кулачков каждой штанги в зевы кронштейна на дверной раме;
- накладку пломбировочной скобы на рукоятку;
- снятие пломбировочной скобы с рукоятки.
В начале и в конце испытаний визуально проверяют соосность отверстий в устройстве для пломбирования.
G.10. Приемочные испытания
G.10.1. До начала приемочных испытаний проверяют собственную массу контейнера.
G.10.2. В состав приемочных испытаний контейнеров должны входить все испытания по разделу 6, включая испытания устройств для крепления груза, а также проверка работоспособности запорных устройств по G.9.5 и светонепроницаемости (закрытых контейнеров) по G.9.4.
При наличии в открытых контейнерах откидной торцевой стенки ее следует испытывать дополнительно на нагружение в откинутом положении по G.10.3.
G.10.3. Контейнер, имеющий откидную торцевую стенку, устанавливают горизонтально на площадке таким образом, чтобы торцевая стенка в откинутом и зафиксированном положении находилась под углом не более 10° к горизонтали и не имела промежуточных опор.
Испытание следует проводить с использованием тележки или погрузчика по 6.9.2, въезжающего в контейнер и выезжающего из него по откидной стенке три раза в каждом направлении.
G.10.4. Измерения упругих и остаточных деформаций в элементах конструкции контейнеров проводят в точках, установленных Российским морским регистром судоходства.
G.10.5. Работоспособность запорных устройств проверяют после завершения испытаний на прочность и жесткость конструкции. Испытание закрытого и открытого контейнеров с закрепленным тентом на водонепроницаемость проводят в последнюю очередь. Проверку светонепроницаемости закрытых контейнеров проводят перед испытанием на водонепроницаемость.
G.10.6. Приемочные испытания должны быть прекращены при возникновении аварийной ситуации; в остальных случаях, независимо от результатов предыдущих этапов испытаний, их продолжают до полного завершения.
G.11. Приемо-сдаточные испытания
Приемо-сдаточные испытания проводят в объеме, предусмотренном для предварительных испытаний по G.9.1 (без нагружения) и G.9.4. Кроме того, проверяют внешние и внутренние размеры контейнеров (длину, ширину, высоту) и расстояние между угловыми фитингами, установленные [4], а также работоспособность запорных устройств пятикратным запиранием дверей вручную без дополнительных приспособлений. Приложенная сила на рукоятке запора должна быть 150 Н.
G.12. Периодические испытания
G.12.1. До начала периодических испытаний контейнеров, отобранных в соответствии с G.8, проверяют их собственную массу.
G.12.2. Периодические испытания контейнеров проводят в объеме, установленном для приемочных испытаний (G.10), наработкой на отказ, за исключением нагружения устройств для крепления груза и проверки работоспособности запорных устройств.
G.12.3. Очередность проведения испытаний на прочность и жесткость конструкции не устанавливают. Проверку водонепроницаемости закрытого и открытого контейнеров с закрепленным тентом проводят в последнюю очередь. Проверку светонепроницаемости закрытого крупнотоннажного контейнера проводят перед испытанием на водонепроницаемость. При возникновении аварийных ситуаций испытания прекращают.
G.13. Оценка результатов испытаний
Выдержавшими испытания считают контейнеры:
- не имеющие нарушений сварных швов и соединений, трещин и других повреждений, а также остаточных деформаций, делающих контейнер непригодным для безопасного использования в целях, для которых он предназначен;
- у которых после испытаний ни одна часть не выходит за плоскости, проходящие через верхние, нижние, торцевые и боковые грани верхних и нижних угловых фитингов;
- у которых не нарушено расположение верхних и нижних угловых фитингов по [2];
- не допускающие проникновения воды при испытаниях на водонепроницаемость (закрытые контейнеры и открытые контейнеры с закрепленным тентом);
- имеющие свободно открываемые и закрываемые двери с запорными устройствами, беспрепятственно запирающими и отпирающими их.
Сравнение
структуры настоящего стандарта
со структурой международного стандарта ИСО 1496-1:1990
Указанное в таблице Н.1 изменение структуры национального стандарта относительно структуры примененного международного стандарта обусловлено приведением в соответствие с требованиями ГОСТ Р 1.5-2004.
Таблица Н.1
|
Структура настоящего стандарта |
|||
|
Приложения |
- |
Приложения |
|
|
- |
|||
|
- |
|||
|
Примечание - Сравнение структуры настоящего стандарта и международного стандарта ИСО 1496-1:1990, приведено начиная с приложения F, так как предыдущие структурные элементы (за исключением предисловия и введения) идентичны. |
|||
|
Правила изготовления контейнеров. - СПб: Российский морской регистр судоходства |
|
|
Международная Конвенция по безопасным контейнерам 1972 г. с поправками 1981 г. и 1983 г. - СПб ЗАО «ЦНИИМФ», 1999 |
|
|
Таможенная Конвенция касающаяся контейнеров, 1972 г. - СПб: ЗАО «ЦНИИМФ», 1999 |
|
|
[4] |
ИСО 668-95 Контейнеры грузовые серии 1. Классификация, размеры и масса |
|
Ключевые слова: контейнеры, грузовые контейнеры, угловые фитинги, промежуточные фитинги, технические требования, требования к размерам, требования к прочности, конструкции, маркировка, штабелирование, подъем за четыре верхних угловых фитинга, подъем за четыре нижних угловых фитинга, водонепроницаемость, вилочные проемы, опорные площадки |