Меню
Навигация
Novatika

Единообразные предписания, касающиеся транспортных средств малой вместимости категорий М2 и М3 в отношении их общей конструкции

Стандарт распространяется на одноэтажные одиночные транспортные средства категорий М2 и М3, предназначенные для перевозки пассажиров, вместимостью не более 22 сидящих или сидящих и стоящих пассажиров, исключая водителя. Стандар не распространяется на транспортные средства, предназначенные ля первозки пассажиров с ограниченной способностью к передвижению.

Обозначение: ГОСТ Р 41.52-2005
Название рус.: Единообразные предписания, касающиеся транспортных средств малой вместимости категорий М2 и М3 в отношении их общей конструкции
Статус: действует
Заменяет собой: ГОСТ Р 41.52-2001 «Единообразные предписания, касающиеся конструкции транспортных средств общего пользования малой вместимости»
Дата актуализации текста: 05.05.2017
Дата добавления в базу: 01.09.2013
Дата введения в действие: 01.01.2007
Утвержден: 29.12.2005 Федеральное агентство по техническому регулированию и метрологии (459-ст)
Опубликован: Стандартинформ (2006 г. )
Ссылки для скачивания:

ФЕДЕРАЛЬНОЕ АГЕНТСТВО
ПО ТЕХНИЧЕСКОМУ РЕГУЛИРОВАНИЮ И МЕТРОЛОГИИ

НАЦИОНАЛЬНЫЙ СТАНДАРТ РОССИЙСКОЙ ФЕДЕРАЦИИ

ГОСТ Р
41.52-
2005

(Правила ЕЭК ООН № 52)

 

ЕДИНООБРАЗНЫЕ ПРЕДПИСАНИЯ,
КАСАЮЩИЕСЯ ТРАНСПОРТНЫХ СРЕДСТВ
МАЛОЙ ВМЕСТИМОСТИ КАТЕГОРИЙ М2 и М3
В ОТНОШЕНИИ ИХ ОБЩЕЙ КОНСТРУКЦИИ

Regulation № 52

Uniform provisions concerning the approval of the categories M2 and M3
small capacity vehicles with regard
to their general construction (MOD)

 

 

Москва

Стандартинформ

2006

 

Предисловие

Цели и принципы стандартизации в Российской Федерации установлены Федеральным законом от 27 декабря 2002 г. № 184-ФЗ «О техническом регулировании», а правила применения национальных стандартов Российской Федерации - ГОСТ Р 1.0-2004 «Стандартизация в Российской Федерации. Основные положения»

 

Сведения о стандарте

1 ПОДГОТОВЛЕН Всероссийским научно-исследовательским институтом стандартизации и сертификации в машиностроении (ВНИИНМАШ) на основе аутентичного перевода стандарта, указанного в пункте 4, который выполнен Рабочей группой по конструкции транспортных средств КВТ ЕЭК ООН

2 ВНЕСЕН ВНИИНМАШ

3 УТВЕРЖДЕН И ВВЕДЕН В ДЕЙСТВИЕ Приказом Федерального агентства по техническому регулированию и метрологии от 29 декабря 2005 г. № 459-ст

4 Настоящий стандарт является модифицированным по отношению к Правилам ЕЭК ООН № 52 «Единообразные предписания, касающиеся официального утверждения транспортных средств малой вместимости категорий М2 и М3 в отношении их общей конструкции» с поправками серии 01 (Regulation № 52 «Uniform provisions concerning the approval of the categories M2 and M3 small capacity vehicles with regard to their general construction») путем изменения отдельных фраз (слов), которые выделены в тексте курсивом. Внесение указанных технических отклонений направлено на учет особенностей объекта стандартизации, характерных для Российской Федерации, а также:

- путем включения дополнительного раздела «Нормативные ссылки» для учета особенностей национальной стандартизации Российской Федерации, который выделен одиночной вертикальной линией, расположенной слева от текста. В тексте стандарта соответствующие ссылки выделены полужирным курсивом;

- путем включения дополнительных фраз для учета потребностей национальной экономики Российской Федерации, которые по тексту стандарта выделены подчеркиванием сплошной горизонтальной линией;

- путем изменения содержания и приложений 1 и 2, которые выделены полужирной вертикальной линией, расположенной слева от измененного текста. Оригинальный текст аутентичного перевода этих структурных элементов международного стандарта и объяснения причин внесения технических отклонений приведены в дополнительных приложениях 5 и 6 соответственно.

В стандарт не включены разделы 7 - 11 примененных Правил ЕЭК ООН, которые нецелесообразно применять в национальной стандартизации в связи с особенностями проведения испытаний в Российской Федерации. Указанные разделы приведены в дополнительном приложении 7

5 ВЗАМЕН ГОСТ Р 41.52-2001 (Правила ЕЭК ООН № 52)

 

СОДЕРЖАНИЕ

1 Область применения. 2

1а Нормативные ссылки. 3

2 Термины и определения. 3

3 Документы, представляемые для испытаний. 6

4 Соответствие требованиям настоящего стандарта. 6

5 Технические требования. 6

6 Изменение типа транспортного средства. 27

Приложение 1. Перечень основных характеристик, включаемых в техническое описание заявляемых на испытания транспортных средств. 27

Приложение 2. Форма приложения к протоколу испытаний типа транспортного средства большой вместимости в отношении общей конструкции на основании ГОСТ Р 41.52. 30

Приложение 3. Пояснительные схемы.. 30

Приложение 4. Принципы измерения усилия зажима дверей с механическим приводом.. 41

Приложение 5. Оригинальный текст аутентичного перевода приложения 1 примененных Правил ЕЭК ООН № 52. 43

Приложение 6. Оригинальный текст аутентичного перевода приложения 2 примененных Правил ЕЭК ООН № 52. 45

Приложение 7. Оригинальный текст аутентичного перевода разделов 7 - 11 примененных Правил ЕЭК ООН № 52. 45

 

ГОСТ Р 41.52-2005

НАЦИОНАЛЬНЫЙ СТАНДАРТ РОССИЙСКОЙ ФЕДЕРАЦИИ

ЕДИНООБРАЗНЫЕ ПРЕДПИСАНИЯ, КАСАЮЩИЕСЯ
ТРАНСПОРТНЫХ СРЕДСТВ МАЛОЙ ВМЕСТИМОСТИ КАТЕГОРИЙ М2
и М3 В ОТНОШЕНИИ ИХ ОБЩЕЙ КОНСТРУКЦИИ

Uniform provisions concerning the categories M2 and M3
small capacity vehicles with regard to their general construction

Дата введения - 2007-01-01

1 Область применения

Настоящий стандарт распространяется на одноэтажные одиночные транспортные средства категорий М2 и М3*, предназначенные для перевозки пассажиров, вместимостью не более 22 сидящих или сидящих и стоящих пассажиров, исключая водителя.

* Определения категорий М2 и М3 приведены в ГОСТ Р 52051.

Настоящий стандарт не распространяется на транспортные средства, предназначенные для перевозки пассажиров с ограниченной способностью к передвижению.

1а Нормативные ссылки

В настоящем стандарте использованы нормативные ссылки на следующие стандарты:

ГОСТ Р 41.12-2001 (Правила ЕЭК ООН № 12) Единообразные предписания, касающиеся официального утверждения транспортных средств в отношении защиты водителя от удара о систему рулевого управления

ГОСТ Р 41.34-2001 (Правила ЕЭК ООН № 34) Единообразные предписания, касающиеся официального утверждения транспортных средств в отношении предотвращения опасности возникновения пожара

ГОСТ Р 41.48-2004 (Правила ЕЭК ООН № 48) Единообразные предписания, касающиеся сертификации транспортных средств в отношении установки устройств освещения и световой сигнализации

ГОСТ Р 52051-2003 Механические транспортные средства и прицепы. Классификация и определения.

Примечание - При пользовании настоящим стандартом целесообразно проверить действие ссылочных стандартов в информационной системе общего пользования - на официальном сайте Федерального агентства по техническому регулированию и метрологии в сети Интернет или по ежегодно издаваемому информационному указателю «Национальные стандарты», который опубликован по состоянию на 1 января текущего года, и по соответствующим ежемесячно издаваемым информационным указателям, опубликованным в текущем году. Если ссылочный документ заменен (изменен), то при пользовании настоящим стандартом следует руководствоваться замененным (измененным) документом. Если ссылочный документ отменен без замены, то положение, в котором дана ссылка на него, применяется в части, не затрагивающей эту ссылку.

2 Термины и определения

В настоящем стандарте применены следующие термины с соответствующими определениями:

2.1 транспортное средство (vehicle): Одноэтажное транспортное средство категории М2 или М3, сконструированное и оборудованное для перевозки сидящих или сидящих и стоящих пассажиров, вместимостью не более 22 человек.

Данные транспортные средства подразделяют на два класса:

2.1.1 класс A (class А): Транспортные средства, конструкцией которых предусмотрена перевозка стоящих пассажиров; транспортное средство этого класса имеет сиденья, но может также предусматривать перевозку стоящих пассажиров;

2.1.2 класс В (class В): Транспортные средства, не предназначенные для перевозки стоящих пассажиров; транспортное средство этого класса не имеет оборудования, предназначенного для стоящих пассажиров.

2.1.3 транспортное средство с низко расположенным полом (low floor vehicle): Транспортное средство, в котором по меньшей мере 35 % площади, отводимой для стоящих пассажиров, образуют сплошную поверхность без ступенек, на которую можно подняться через, по крайней мере, одну служебную дверь, сделав при этом всего один шаг с опорной поверхности.

2.2 тип транспортного средства (vehicle type): Транспортные средства, не имеющие между собой существенных различий в отношении конструктивных особенностей, указанных в настоящем стандарте.

2.3 испытание типа транспортного средства (test of a vehicle): Процедура подтверждения соответствия типа транспортного средства в отношении конструктивных особенностей требованиям, установленным настоящим стандартом.

2.4 служебная дверь (service door): Дверь, используемая пассажирами при нормальной эксплуатации, когда водитель находится на рабочем месте.

2.5 сдвоенная дверь (double door): Дверь, имеющая два прохода или один проход, эквивалентный по площади двум проходам.

2.6 запасная дверь (emergency door): Дверь, предусмотренная как дополнительная к служебной(ым) двери(ям) и предназначенная для использования пассажирами в качестве выхода только при исключительных обстоятельствах, в частности в случае аварии или дорожно-транспортного происшествия.

2.7 запасное окно (emergency window): Окно, не обязательно застекленное, предназначенное для использования пассажирами в качестве выхода только в случае опасности.

2.8 двойное окно (double window): Запасное окно, при делении которого воображаемой вертикальной линией (или плоскостью) получаются две части, каждая из которых отвечает требованиям в отношении размеров и доступа, предъявляемым к обычному запасному окну.

2.9 аварийный люк (escape hatch): Отверстие в крыше, предназначенное для использования пассажирами в качестве выхода только в случае опасности.

2.10 запасный выход (emergency exit): Запасные двери, окно или аварийный люк.

2.11 выход (exit): Служебная дверь или запасный выход.

2.12 раздвижная дверь (sliding door): Дверь, которая открывается и закрывается в результате перемещения вдоль одной или нескольких прямолинейных или почти прямолинейных направляющих.

2.13 пол или площадка (floor or deck): Часть кузова, на которой располагаются стоящие пассажиры, опираются ноги сидящих пассажиров и водителя и служащая также для крепления сидений.

2.14 проход (gangway): Пространство, предназначенное для доступа пассажиров от любого сиденья (ряда сидений) к любому другому сиденью (ряду сидений) или к любому входному проходу от любой служебной двери. К проходу не относятся:

2.14.1 пространство, предназначенное для размещения ног сидящих пассажиров;

2.14.2 пространство над поверхностью любой подножки или ступеньки или

2.14.3 любое пространство, которое предназначено для доступа только к одному сиденью (ряду сидений).

2.15 проход, обеспечивающий доступ (access passage): Пространство внутри транспортного средства от служебной двери до наиболее удаленного края верхней ступеньки (края прохода). Если ступенька около двери не предусмотрена, то пространством, которое считается проходом, обеспечивающим доступ, является пространство, измеряемое в соответствии с 5.7.1.1 до расстояния 30 см от исходного положения внутренней поверхности двойного шаблона.

2.16 отделение для водителя (drivers compartment): Пространство, предназначенное, за исключением экстренных случаев, только для водителя и в котором расположены рулевое колесо, органы управления, приборы и другие устройства, необходимые для управления транспортным средством.

2.17 порожняя масса (МК) (unladen kerb mass): Масса транспортного средства без пассажиров и груза, но с учетом веса водителя 75 кг, массы топлива, соответствующей 90 % емкости топливного бака, указанной предприятием-изготовителем, и охлаждающей жидкости, смазки, инструментов и запасного колеса в случае его наличия.

2.17.1 масса снаряженного транспортного средства (MV) (unladen mass): Порожняя масса транспортного средства с учетом веса члена экипажа 75 кг на одно сиденье, специально предназначенное для этой цели, если оно предусмотрено согласно 5.7.1.8; все дополнительные баки транспортного средства, предназначенные для жидкостей, должны быть заполнены на 90 % своей емкости (например топливо для обогревателей, омыватели ветрового стекла и т.д.); при наличии в транспортном средстве кухни или туалета, емкости для чистой воды должны быть заполнены полностью, а емкости для отходов должны быть порожними.

2.18 максимальная масса (МТ) (technically maximum mass): Технически допустимая максимальная масса, объявленная предприятием - изготовителем транспортного средства. (Эта масса может превышать «разрешенную максимальную массу», предписываемую национальными компетентными органами).

2.19 максимальная масса, приходящаяся на ось (technically permissible maximum axle mass): Часть технически допустимой максимальной массы транспортного средства, заявленной предприятием-изготовителем, которая проявляется в вертикальной нагрузке в зоне соприкосновения колеса/колес оси с поверхностью дороги. Эта масса может превышать максимально допустимую массу, приходящуюся на ось, разрешенную национальными компетентными органами. Сумма всех технически допустимых максимальных масс, приходящихся на оси транспортного средства, может превышать максимальную техническую массу данного транспортного средства.

2.20 пассажир (passenger): Любое лицо, кроме водителя и члена экипажа.

2.20.1 пассажиры с ограниченной способностью к передвижению (passenger with reduced mobility): Пассажиры, испытывающие особые трудности при пользовании общественным транспортом, в частности люди пожилого возраста и инвалиды. Ограниченная способность к передвижению необязательно связана с какой-либо формой заболевания.

2.21 пассажирский салон (passenger compartment): Пространство, предназначенное для пассажиров, за исключением любого пространства, в котором расположены закрепленные элементы оборудования, такие как буфеты, кухни или туалеты, или багажные отделения.

2.22 автоматическая служебная дверь (automatically operated service door): Служебная дверь с механическим приводом, которая может открываться (без использования аварийных средств управления) только после того, как орган управления включен пассажиром или водителем, и закрываться автоматически.

2.23 устройство, препятствующее началу движения (starting prevention device): Устройство, предотвращающее начало движения транспортного средства при неполностью закрытой двери.

2.24 служебная дверь, приводимая в движение водителем (driver operated service door): Служебная дверь, обычно открываемая и закрываемая водителем.

2.25 Если не указано иное, то все измерения проводят на транспортном средстве с порожней массой, когда оно находится на ровной горизонтальной поверхности. Если транспортное средство оснащено устройством, позволяющим опускать пол, то последнее должно быть отключено.

2.26 В случаях, если в настоящем стандарте предусмотрено предписание о том, что какая-либо поверхность транспортного средства должна быть горизонтальной либо наклоненной под конкретным углом, если речь идет о порожней массе транспортного средства, и если оно оснащено механической подвеской, то эта поверхность может быть наклонена под более значительным углом или может иметь наклон, если речь идет о порожней массе транспортного средства, при условии соблюдения требования к транспортному средству, находящемуся в нагруженном состоянии, указанном предприятием-изготовителем. Если транспортное средство оснащено устройством, позволяющим опускать пол, то последнее должно быть отключено.

3 Документы, представляемые для испытаний

3.1 Документы для испытаний типа транспортного средства в отношении его конструктивных особенностей представляет предприятие - изготовитель транспортного средства или его надлежащим образом уполномоченный представитель.

3.2 К документам прилагается техническое описание в трех экземплярах по форме, приведенной в приложении 1.

3.3 Испытательной лаборатории должен быть предъявлен образец, представляющий тип транспортного средства.

4 Соответствие требованиям настоящего стандарта

4.1 Если транспортное средство, представленное на испытания в соответствии с настоящим стандартом, удовлетворяет требованиям раздела 5, то данный тип транспортного средства считают соответствующим требованиям настоящего стандарта.

4.2 Протокол испытаний в виде приложения должен включать в себя информацию по образцу, приведенному в приложении 2.

5 Технические требования

5.1 Распределение нагрузки по осям и условия нагрузки

5.1.1 Распределение нагрузки неподвижно стоящего на ровной дороге транспортного средства должно определяться в двух положениях:

5.1.1.1 без нагрузки, как указано в 5.1.3, и

5.1.1.2 с нагрузкой, как указано в 5.1.4.

5.1.2 На переднюю ось (оси) должна приходиться доля массы, не менее указанной в таблице 5.1.

Таблица 5.1

Условия

Доля массы, %

Класс А

Класс В

Без нагрузки

20

25

С нагрузкой

25

25

5.1.3 Под транспортным средством без нагрузки для 5.1 и 5.3 подразумевают транспортное средство в состоянии, определенном в 2.17.1.

5.1.4 Под транспортным средством с нагрузкой для 5.1 подразумевают транспортное средство без нагрузки в соответствии с 5.1.3 с дополнительной массой Q на каждое пассажирское сиденье; массой Q - в соответствии с разрешенным количеством стоящих пассажиров, равномерно распределенной на площади S1; массой В - равномерно распределенной по багажным отделениям, и в соответствующих случаях массой ВХ - равномерно распределенной по поверхности крыши, оборудованной для перевозки багажа.

5.1.5 Значения Q для транспортных средств различных классов приведены в 5.3.2.

5.1.6 Масса багажа В (кг) должна иметь числовое значение не менее 100 V(m3) (где V - см. 5.3.2).

5.1.7 Значение ВХ должно соответствовать минимальному давлению: 75 кг/м2 на поверхности крыши, предназначенной для размещения багажа.

5.2 Площадь, предназначенная для пассажиров

5.2.1 Общую площадь S0, предназначенную для пассажиров, рассчитывают путем вычитания из общей площади пола транспортного средства:

5.2.1.1 площади отделения водителя;

5.2.1.2 площади ступенек в дверных проходах и площади любой ступеньки глубиной менее 30 см;

5.2.1.3 площади любой части, находящейся на высоте над уровнем пола менее 135 см в соответствии с 5.7.8, не считая допустимых выступов. Для транспортных средств, к которым применяются требования 5.7.1.9, этот размер может быть уменьшен до 120 см.

5.2.2 Площадь S1, предназначенную для стоящих пассажиров (только в транспортных средствах класса А), рассчитывают путем вычитания из общей площади S0:

5.2.2.1 площади всех частей пола с наклоном более 8 %;

5.2.2.2 площади всех частей, которые не доступны для стоящего пассажира при всех занятых сиденьях, за исключением складных сидений;

5.2.2.3 площади всех частей, свободная высота которых над уровнем пола составляет менее 190 или 180 см для участка прохода, расположенного над задней осью и позади ее, и относящихся к ней частей (при этом жесткие поручни во внимание не принимают);

5.2.2.4 площади, расположенной перед вертикальной плоскостью, проходящей через центр поверхности подушки сиденья водителя (когда оно находится в своем крайнем заднем положении) и центр наружного зеркала заднего вида, расположенного на противоположной стороне транспортного средства;

5.2.2.5 площади в пределах 30 см перед всеми сиденьями, кроме складных сидений;

5.2.2.6 любой поверхности, не исключаемой в соответствии с 5.2.2.1 - 5.2.2.5, на которой нельзя разместить прямоугольник размером 400 × 300 мм.

5.3 Пассажировместимость

5.3.1 В транспортном средстве должно быть предусмотрено число мест для сидения Ps, не считая складных сидений, соответствующих требованиям 5.7.8. Для транспортного средства класса А число мест Ps должно быть по меньшей мере равно числу квадратных метров пола S0, доступного для пассажиров и экипажа (если таковой имеется), округленному до ближайшего целого числа.

5.3.2 Общее число мест для сидения и мест для стоящих пассажиров N в транспортных средствах рассчитывают таким образом, чтобы соблюдались следующие условия:

                                                     (1)

                                  (2)

где Ps - число мест для сидения (см. 5.3.1);

S1 - площадь для размещения стоящих пассажиров (см. 5.2.2), м2;

Ssp- площадь, необходимая для одного стоящего пассажира (см. 5.3.2.2), м2;

МТ- максимальная масса (см. 2.18), кг;

MV - снаряженная масса (см. 2.17.1), кг;

L - удельная нагрузка багажа в багажном отделении(ях), кг/м3;

V - общий объем багажных отделений, м3;

R - удельная масса багажа на крыше, кг/м2;

VX - общая площадь крыши, предназначенная для размещения багажа, м2;

Q - предполагаемая масса груза, приходящаяся на каждое место для сидения и место стоящего пассажира, в случае наличия (см. 5.3.2.2), кг.

5.3.2.1 В случае транспортных средств класса В: S1 = 0.

5.3.2.2 Для обоих классов транспортных средств используют значения, приведенные в таблице 5.2.

Таблица 5.2

Класс транспортного средства

Q, кг

ssp, м2

L, кг/м3

R, кг/м2

А

68

0,125

100

75

В

71*

-

* С учетом ручной клади (3 кг).

5.3.2.3 Если транспортное средство класса В испытывают в качестве транспортного средства класса А, то массу багажа, перевозимого в багажных отделениях, доступных только снаружи транспортного средства, не принимают во внимание.

5.3.3 При проведении расчетов по 5.3.2 масса, приходящаяся на каждую ось транспортного средства, не должна превышать соответствующих технически допустимых максимальных значений.

5.3.4 Внутри транспортного средства в непосредственной близости от передней двери должны быть нанесены четкая надпись или пиктограмма высотой не менее 15 мм и цифры высотой не менее 25 мм, указывающие:

5.3.4.1 число мест для сидения, на которое рассчитано транспортное средство (Ps);

5.3.4.2 общее число пассажиров, на которое рассчитано транспортное средство (N);

5.3.4.3 число инвалидных колясок, если это предусмотрено, на которое рассчитано транспортное средство.

5.4 Прочность верхней части конструкции

Только для транспортных средств класса В расчетным или другим соответствующим методом должно быть доказано, что конструкция транспортного средства является достаточно прочной, чтобы выдержать равномерно распределенную статическую нагрузку на крышу транспортного средства, равную максимальной массе транспортного средства (МТ).

5.5 Противопожарная защита

5.5.1. Моторное отделение

5.5.1.1 В моторном отделении не должен использоваться никакой легковоспламеняющийся или абсорбирующий топливо и смазку звукоизоляционный материал, если он не покрыт непроницаемым листовым материалом.

5.5.1.2 Следует по мере возможности принимать меры предосторожности против накопления топлива и смазочного масла в любом месте моторного отделения путем специальной конструкции моторного отделения либо путем устройства дренажных отверстий.

5.5.1.3 Между моторным отделением или любым другим источником тепла (например устройством, предназначенным для поглощения энергии, освобождаемой при движении транспортного средства по длинному спуску, таким как замедлитель или устройство для отопления салона, за исключением любых устройств, обогреваемых водой) и остальной частью транспортного средства должна размещаться перегородка из жаропрочного материала. В пассажирском салоне может быть установлено устройство для отопления (за исключением устройств, в которых используется горячая вода), если оно заключено в материал, предназначенный для изоляции тепла, генерируемого этим устройством, не выделяет токсичного дыма и расположено таким образом, что контакт пассажира с любой горячей поверхностью практически исключен.

5.5.2 Наливные горловины топливных баков

5.5.2.1 Наливные горловины должны быть доступны только с наружной стороны транспортного средства.

5.5.2.2 Наливные горловины не должны размещаться ни под дверным проемом, ни в пассажирском отделении, ни в кабине водителя. Наливные горловины топливных баков должны размещаться так, чтобы исключить возможность попадания горючего на двигатель или на выхлопную систему во время заправки.

5.5.2.3 Топливо не должно вытекать через пробку наливной горловины или через устройства, предназначенные для уравновешивания давления в баке, даже если бак полностью опрокинут; допускается незначительное просачивание, если оно не превышает 30 г/мин. Если транспортное средство оборудовано несколькими соединенными топливными баками, давление при испытании должно соответствовать наименее благоприятному положению топливных баков.

5.5.2.4 Если наливная горловина расположена на боковой стороне транспортного средства, то пробка в закрытом положении не должна выступать над прилегающей поверхностью кузова.

5.5.2.5 Пробка наливной горловины топливного бака должна быть сконструирована и изготовлена таким образом, чтобы исключалось непроизвольное открывание.

5.5.3 Топливные баки

5.5.3.1 Все топливные баки должны прочно прикрепляться к транспортному средству и располагаться на нем таким образом, чтобы в случае лобового столкновения или удара сзади они были защищены конструкцией транспортного средства. Никакая часть топливного бака не должна находиться на расстоянии менее 60 см от передней и менее 30 см от задней оконечности транспортного средства, за исключением тех случаев, когда транспортное средство удовлетворяет требованиям ГОСТ Р 41.34 в отношении лобового столкновения или удара сзади. Вблизи баков не допускается наличие выступающих частей, острых кромок и т.п.

5.5.3.2 Ни одна из частей топливного бака не должна выступать за пределы габаритной ширины кузова.

5.5.3.3 Топливные баки должны изготавливаться из коррозионно-стойких материалов.

5.5.3.4 Любое избыточное давление или любое давление, превышающее рабочее, должно автоматически компенсироваться с помощью соответствующих устройств (выпускных вентилей, предохранительных клапанов и т.д.). Выпускные вентили должны быть сконструированы таким образом, чтобы исключить малейшую опасность возникновения пожара.

5.5.3.5 Все топливные баки должны подвергаться гидравлическому испытанию на внутреннее давление, проводимому на отдельном комплекте с наливным патрубком, горловиной и пробкой серийного производства. Бак наполняют до краев водой. После этого перекрывают всякое сообщение с атмосферой и постепенно увеличивают давление через приемную трубку топливопровода до достижения относительного давления, вдвое превышающего рабочее давление, но не менее 0,3 бар, которое поддерживают в течение 1 мин. За это время не допускается появление трещин в стенках бака, утечки, однако может иметь место остаточная деформация.

5.5.4 Система питания

5.5.4.1 В отделениях, предназначенных для пассажиров и водителя, не должны размещаться никакие элементы топливной системы.

5.5.4.2 Топливопроводы и остальные части системы питания должны размещаться таким образом, чтобы обеспечивалась их защита, насколько это возможно.

5.5.4.3 Перекосы, изгибы и вибрация всей конструкции транспортного средства или двигателя не должны вызывать чрезмерных напряжений в топливопроводах.

5.5.4.4 Соединения гибких трубок или шлангов с жесткими элементами системы питания должны иметь такую конструкцию и изготавливаться таким образом, чтобы обеспечивалась их герметичность в различных условиях эксплуатации транспортного средства независимо от естественного старения, перекосов, изгибов и вибраций всей конструкции транспортного средства или двигателя.

5.5.4.5 Вытекающее из любой части системы топливо должно свободно выливаться на поверхность дороги, но ни в коем случае на выпускную систему.

5.5.5 Аварийный выключатель, если таковой установлен

В случае установки аварийного выключателя, предназначенного для снижения опасности возгорания после полной остановки транспортного средства, этот аварийный выключатель должен иметь следующие характеристики:

5.5.5.1 располагаться в месте, легкодоступном для сидящего на рабочем месте водителя;

5.5.5.2 должен быть четко обозначен и иметь защитную крышку или другие удобные средства предотвращения случайного срабатывания. Четкие инструкции относительно способа использования должны быть указаны в непосредственной близости от аварийного выключателя, например: «Снять крышку и повернуть рычаг вниз! Приводить в действие только после остановки транспортного средства»;

5.5.5.3 приведение его в действие должно служить одновременно для выполнения следующих функций:

5.5.5.3.1 быстрой остановки двигателя;

5.5.5.3.2 приведения в действие выключателя аккумулятора, установленного возможно ближе к аккумулятору и отключающего по крайней мере одну его клемму от электрической цепи, за исключением цепи, обеспечивающей функцию, предписываемую 5.5.5.3.3, и цепей, которые обеспечивают непрерывное функционирование тахографа, а также тех приборов, внезапное отключение которых может привести к возникновению большей опасности по сравнению с предотвращаемой, например:

5.5.5.3.2.1 аварийного внутреннего освещения,

5.5.5.3.2.2 охлаждающего приспособления вспомогательных обогревателей,

5.5.5.3.2.3 централизованной электронной блокировки дверей;

5.5.5.3.3 включения на транспортном средстве аварийных сигналов;

5.5.5.4 кроме аварийного выключателя функции, указанные в 5.5.5.3, могут выполняться отдельными органами управления при условии, что в экстренном случае эти органы не препятствуют срабатыванию аварийного выключателя.

5.5.6 Электрооборудование и электропроводка

5.5.6.1 Все провода должны быть хорошо изолированы, кроме того, необходимо, чтобы все провода и электрооборудование могли выдерживать воздействие температуры и влажности, которым они подвергаются. Особое внимание следует уделять тому, чтобы они могли выдерживать влияние окружающей температуры, масла и паров в моторном отделении.

5.5.6.2 Сила тока в любом из проводов электрической цепи не должна превышать допустимое значение для такого провода с учетом способа его установки и максимальной окружающей температуры.

5.5.6.3 Каждая электрическая цепь, питающая любой элемент оборудования, за исключением стартера, цепи зажигания (в случае принудительного зажигания), свечей зажигания, устройства остановки двигателя, зарядной цепи и цепи присоединения аккумуляторной батареи на массу, должна иметь плавкий предохранитель или выключатель. Однако цепи, питающие устройства с малым потреблением энергии, могут защищаться общим плавким предохранителем или выключателем при условии, что сила тока не будет превышать 16 А. В случае использования электронных устройств эти цепи могут защищаться защитными приспособлениями, встроенными в электронные элементы или системы. В таком случае предприятие-изготовитель предоставляет всю соответствующую техническую информацию испытательной лаборатории (по ее просьбе), ответственной за проведение испытаний.

5.5.6.4 Все провода должны быть надежно защищены и прочно прикреплены, чтобы исключить возможность их обрыва, перетирания или износа.

5.5.7 Аккумуляторные батареи

5.5.7.1 Аккумуляторные батареи должны быть хорошо закреплены и легкодоступны.

5.5.7.2 Отделение, в котором размещают аккумуляторные батареи, должно быть отделено от пассажирского салона и отделения водителя и хорошо вентилироваться наружным воздухом.

5.5.8 Огнетушители и аптечки первой помощи

5.5.8.1 Транспортное средство должно быть оснащено одним или несколькими огнетушителями, причем один из них должен находиться вблизи сиденья водителя.

5.5.8.2 Должны предусматриваться места для установки одной или нескольких аптечек первой помощи. Объем предусмотренного места должен составлять не менее 7 дм3, а минимальный размер - не менее 80 мм.

5.5.8.3 Огнетушители и аптечки первой помощи могут быть защищены от несанкционированного доступа (например, посредством помещения их в отделение, запираемое на ключ, или под стекло, которое может быть разбито) при условии, что места их размещения четко обозначены и что они легко могут быть извлечены в экстренных ситуациях.

5.5.9 Материалы

Наличие каких-либо воспламеняющихся материалов в пределах 10 см от выпускной трубы допускается лишь в случае, если эти материалы надлежащим образом защищены.

5.6 Выходы

5.6.1 Число

5.6.1.1 Каждое транспортное средство должно иметь по крайней мере две двери: одну служебную и одну запасную либо две служебные.

5.6.1.2 Служебные двери, оборудованные системой сервопривода, рассматриваются в данном контексте как выходы только в том случае, если они могут легко открываться вручную после приведения в действие при необходимости, органа управления, предписанного 5.6.5.1.

5.6.1.3 Минимальное число запасных выходов должно быть таким, чтобы общее число выходов и аварийных люков было в соответствии с таблицей 5.3.

Таблица 5.3

Пассажировместимость, чел.

Общее число выходов, не менее

Число аварийных люков, рассматриваемых как запасные выходы,

разрешенное

требуемое

16

3

1

-

> 16

4

-

1

5.6.1.4 Если кабина водителя не сообщается с внутренней частью транспортного средства, то она должна иметь два выхода, которые не должны располагаться с одной боковой стороны: если одним из этих выходов является окно, то оно должно соответствовать требованиям, предъявляемым к запасным окнам по 5.6.3.1, 5.6.8.1 и 5.6.8.2.

5.6.1.5 Сдвоенная служебная дверь считается как две двери, а двойное окно считается как два запасных окна.

5.6.2 Расположение выходов

5.6.2.1 Служебная дверь или двери должны располагаться с ближайшей к обочине стороны транспортного средства* или сзади транспортного средства.

* Относительно примененных Правил ЕЭК ООН № 52 для учета потребностей национальной экономики Российской Федерации здесь исключена сноска со словами: «В зависимости от страны, в которой зарегистрировано для эксплуатации транспортное средство».

5.6.2.2 Выходы должны располагаться таким образом, чтобы по меньшей мере с каждой стороны транспортного средства было по одному выходу.

5.6.2.3 В передней и задней половинах пространства, предназначенного для пассажиров, должно быть не менее одного выхода.

5.6.2.4 Если в крыше не предусмотрен аварийный люк, то в задней или в передней стенке транспортного средства должен располагаться как минимум один выход.

5.6.2.5 Если пространство, предназначенное для сиденья водителя и пассажирских сидений, расположенных рядом с сиденьем водителя, не сообщается с основным пассажирским отделением с помощью соответствующего прохода, то

5.6.2.5.1 основное отделение, предназначенное для пассажиров, должно иметь выходы, отвечающие требованиям 5.6.1 в отношении их числа и 5.6.2.1, 5.6.2.2 и 5.6.2.3 - в отношении их расположения;

5.6.2.5.2 дверь водителя может рассматриваться в качестве запасной двери для пассажиров, находящихся на сиденьях, расположенных рядом с сиденьем водителя, при условии, что сиденье водителя, руль, капот двигателя, рычаг переключения передач, рычаг ручного тормоза и т.д. не представляют собой слишком больших помех*. Служебная дверь, предусмотренная для пассажиров, должна располагаться со стороны транспортного средства, противоположной той, на которой располагается дверь водителя, и рассматриваться в качестве запасной двери для водителя;

* Испытательной лабораторией может быть установлен объективный метод проверки этих условий.

5.6.2.5.3 на двери, упомянутые в 5.6.2.5.2, не распространяются требования 5.6.3, 5.7.1, 5.7.2, 5.7.7 и 5.10.1.

5.6.3 Минимальные размеры

5.6.3.1 Для выходов различных типов должны соблюдаться минимальные размеры в соответствии с указанными в таблице 5.4, а также на рисунке 17 приложения 3.

Таблица 5.4

Тип выхода

Значение для транспортных средств класса

Примечание

 

А

В

 

Служебная дверь:

 

 

Высота входа служебной двери измеряется по вертикальной прямой, проходящей через вертикальную плоскость горизонтальной проекции средней точки дверного проема и верхнюю поверхность самой низкой ступеньки

 

- высота входа, см

165

150

 

- высота проема, см

-

Вертикальная высота проема служебной двери должна быть такой, чтобы через дверь мог свободно проходить двойной шаблон, указанный в 6.7.1.1.

Высота у верхних углов может быть уменьшена за счет их закругления, радиус которого не должен превышать 15 см

 

- ширина, см:

 

Для транспортных средств класса В, у которых высота проема служебной двери составляет 140 - 150 см, минимальная ширина проема одиночных дверей должна быть 75 см. Для всех транспортных средств ширина служебной двери может быть уменьшена на 10 см, если измерения выполняют на уровне поручней, и на 25 см - если это обусловлено наличием выступов колесных кожухов или механизмов автоматического или дистанционного управления дверями либо углом наклона ветрового стекла

 

одиночная дверь

двойная дверь

65

120

 

Запасная дверь:

 

В случаях, если это обусловлено наличием выступов колесных кожухов, допускается уменьшение ширины до 30 см при условии, что на высоте не менее 40 см от самой низкой части дверного проема ширина двери составляет 55 см. Допускается уменьшение высоты в верхних углах за счет закруглений радиусом не более 15 см

 

- высота, см

- ширина, см

125

55

 

Запасное окно:

 

В это отверстие должен вписываться прямоугольник высотой 50 см и шириной 70 см*

 

площадь, см2

4000

Запасное окно, расположенное в задней части транспортного средства, если предприятием-изготовителем не предусмотрено запасное окно минимальных размеров, предписанных выше

В проем запасного окна должен вписываться прямоугольник высотой 35 см и шириной 155 см. Углы прямоугольника могут быть скруглены, радиус кривизны не должен превышать 25 см

 

Аварийный люк:

 

В отверстие должен вписываться прямоугольник размером 50 ´ 70 см

 

площадь, см2

4000

 

* Относительно примененных Правил ЕЭК ООН № 52 для учета потребностей национальной экономики Российской Федерации исключены слова: «Однако для транспортных средств, которым было выдано официальное утверждение сроком на один год с момента вступления в силу настоящих Правил, дается 5 %-ный допуск».

 

5.6.3.2 Транспортное средство, к которому применяются требования 5.7.1.9, должно соответствовать требованиям 5.6.3.1 в отношении запасных окон и аварийных люков, а также требованиям таблицы 5.5 в отношении служебных и запасных дверей.

Таблица 5.5

Тип выхода

Значение для транспортных средств классов А и В

Примечание

Служебная дверь:

 

Этот размер может быть уменьшен за счет закругления углов дверного проема, радиус которого не должен превышать 15 см

- высота, см

110

- ширина, см:

 

Этот размер может быть уменьшен за счет закругления углов дверного проема, радиус которого не должен превышать 15 см. Ширина может быть уменьшена на 10 см, если измерения выполняют на уровне поручней, и на 25 см - если это обусловлено наличием выступов колесных кожухов или механизмов автоматического или дистанционного управления дверями либо углом наклона ветрового стекла

одиночная дверь

двойная дверь

65

120

Запасная дверь:

 

В тех случаях, когда это обусловлено наличием выступов колесных кожухов, допускается уменьшение ширины до 30 см при условии, что на высоте не менее 40 см от самой низкой части дверного проема ширина двери составляет 55 см. Допускается уменьшение высоты и ширины в верхних углах за счет закруглений радиусом не более 15 см

- высота, см

- ширина, см

110

55

5.6.4 Технические требования в отношении всех служебных дверей

5.6.4.1 Каждая служебная дверь должна легко открываться изнутри и снаружи транспортного средства, находящегося на стоянке (данное условие не является обязательным для движущегося транспортного средства). Однако это требование не должно толковаться как исключающее возможность запирания дверей снаружи при условии, что эти двери всегда можно открыть изнутри.

5.6.4.2 Каждый орган управления или устройство, служащее для открывания дверей снаружи, должен размещаться на высоте не более 180 см от уровня грунта на снаряженном транспортном средстве, стоящем на ровной поверхности.

5.6.4.3 Каждая открываемая и закрываемая вручную одинарная служебная дверь, предназначенная для навешивания на петлях или шарнирах, должна навешиваться таким образом, чтобы при ее соприкосновении в открытом положении с неподвижным объектом при движении транспортного средства вперед она стремилась закрыться.

5.6.4.4 Если открываемая и закрываемая вручную служебная дверь оборудована английским замком, то он должен быть двухпозиционного типа.

5.6.4.5 На внутренней стороне служебной двери не должно быть никаких устройств, предназначенных для закрытия внутренних ступенек, когда дверь находится в закрытом положении.

5.6.4.6 Если непосредственная обзорность является недостаточной, то должны устанавливаться оптические или другие устройства, позволяющие водителю со своего сиденья видеть пассажиров, находящихся в непосредственной близости внутри и снаружи от каждой служебной двери, за исключением автоматических служебных дверей.

5.6.4.7 Каждая дверь, открывающаяся внутрь транспортного средства, должна быть сконструирована таким образом, чтобы при нормальной работе она не могла причинить вред пассажирам. При необходимости должны быть установлены соответствующие защитные устройства.

5.6.4.8 Если служебная дверь расположена в непосредственной близости от двери туалета или другого внутреннего отделения, то она должна быть оборудована устройством, предотвращающим ее непреднамеренное открытие. Однако это условие не применяют, если служебная дверь запирается автоматически при движении транспортного средства со скоростью более 5 км/ч.

5.6.4.9 Необходимо, чтобы створки служебных дверей, расположенных сзади транспортного средства, могли открываться не менее чем на 85° и не более чем на 115° и, будучи открытыми, автоматически удерживались в этом положении. Это не исключает возможности превышения указанных предельных значений и открытия двери на больший угол в тех случаях, когда это не создает опасности, например для обеспечения возможности движения задним ходом к высокой погрузочной платформе или для открытия дверей на угол до 270° в целях обеспечения свободной погрузочной зоны позади транспортного средства.

5.6.4.10 Служебная дверь в открытом положении под любым углом не должна препятствовать использованию любого предусмотренного в обязательном порядке выхода или затруднять требующийся доступ к нему.

5.6.5 Дополнительные технические требования в отношении служебных дверей с механическим приводом

5.6.5.1 В чрезвычайных обстоятельствах каждая служебная дверь с механическим приводом должна, когда транспортное средство находится на стоянке (но необязательно в движении), открываться изнутри, а в незапертом состоянии и снаружи - при помощи органов управления, которые независимо от того функционирует ли источник энергии или нет:

5.6.5.1.1 работают независимо от всех других органов управления;

5.6.5.1.2 размещаются на двери или на расстоянии не более 300 мм от нее на высоте не более 1600 мм над первой ступенькой, если органы управления расположены внутри;

5.6.5.1.3 могут быть легко видимы и четко различимы при приближении к двери и нахождении перед дверью;

5.6.5.1.4 могут включаться пассажиром, стоящим непосредственно перед дверью;

5.6.5.1.5 открывают дверь или обеспечивают легкое открытие двери вручную;

5.6.5.1.6 могут быть защищены приспособлением, легкоснимаемым или разбиваемым с целью доступа к аварийному органу управления; водитель должен быть извещен звуковым или визуальным сигналом о включении аварийного органа управления или снятии с него защитной крышки;

5.6.5.1.7 должны быть устроены таким образом, чтобы после включения для открытия двери и возвращения в нормальное положение последние не закрывались вновь до тех пор, пока водитель не включит закрывающий орган управления, когда дверь, открываемая и закрываемая водителем, не соответствует требованиям 5.6.5.6.2.

5.6.5.2 На служебные двери может устанавливаться устройство, включаемое водителем с его сиденья, для приведения в действие аварийных органов управления с тем, чтобы запереть двери снаружи. В этом случае внешние аварийные органы управления должны вновь включаться автоматически либо при запуске двигателя, либо до того, как транспортное средство наберет скорость 20 км/ч. После этого внешние аварийные органы управления не должны выключаться автоматически, т.е. без дополнительного действия водителя.

5.6.5.3 Каждая служебная дверь, открываемая и закрываемая водителем, должна приводиться в действие последним со своего сиденья при помощи органов управления (за исключением педалей), которые ясно и четко обозначены.

5.6.5.4 Каждая служебная дверь с механическим приводом должна включать визуальное сигнальное устройство, которое должно быть четко видимым для водителя, сидящего в нормальном положении для вождения, при любых условиях окружающего освещения, и которое должно информировать о том, что дверь закрыта не полностью. Устройство должно подавать сигналы в случаях, когда жесткие элементы двери занимают промежуточное состояние между полностью открытым положением и положением, когда расстояние между элементами двери составляет 30 мм до полностью закрытого положения. Одно сигнальное устройство может служить для одной или более дверей. Однако такое сигнальное устройство не может устанавливаться для передней служебной двери, которая не соответствует требованиям 5.6.5.6.2 и 5.6.5.6.3.

5.6.5.5 Если водитель может управлять органами, служащими для открывания и закрывания служебной двери с механическим приводом, то органы управления должны быть устроены таким образом, чтобы водитель мог изменять движение двери в обратном направлении в любое время при ее закрытии или открытии.

5.6.5.6 Конструкция и система управления каждой служебной двери с механическим приводом должны быть такими, чтобы пассажир не мог получить травму при закрытии двери или зажатии в ней.

5.6.5.6.1 За исключением случаев, касающихся передней служебной двери, данное требование считают выполненным, если соблюдают два условия в соответствии с 5.6.5.6.2 и 5.6.5.6.3.

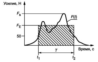
5.6.5.6.2 Первое условие заключается в том, что если к закрывающейся двери в любой точке измерения, описанной в приложении 4, приложено усилие сопротивления, не превышающее 150 Н, то дверь должна вновь полностью открываться автоматически и, за исключением случаев, касающихся автоматической служебной двери, оставаться открытой до включения органа управления, закрывающего дверь. Усилие сопротивления может быть измерено любым способом, удовлетворяющим требованиям компетентного органа. Основные положения изложены в приложении 4. Пиковое усилие может кратковременно превышать 150 Н, но не более 300 Н. Система повторного открытия может быть проверена при помощи испытательного стержня, имеющего сечение высотой 60 мм, шириной 30 мм, радиус закругления углов 5 мм.

5.6.5.6.3 Второе условие заключается в том, что в случаях, когда двери зажимают запястье или пальцы пассажира:

5.6.5.6.3.1 дверь вновь автоматически открывают полностью и, за исключением случаев, касающихся автоматической служебной двери, оставляют открытой до включения закрывающего органа управления либо

5.6.5.6.3.2 запястье или пальцы могут быть высвобождены без риска нанесения травмы пассажиру путем открывания двери вручную или при помощи упомянутого в 5.6.5.6.2 испытательного конического стержня длиной 300 мм, толщиной 30 мм, в основании вершины толщиной 5 мм. Поверхность стержня не должна быть полированной или смазанной. Если дверь зажимает стержень, то необходимо, чтобы его можно было легко вынуть, либо

5.6.5.6.3.3 дверь должна находиться в таком положении, которое обеспечивает свободный проход испытательного стержня, имеющего сечение высотой 60 мм, шириной 20 мм и радиус закругления углов 5 мм. В этом положении двери должны быть открыты не более чем на 30 мм по отношению к полностью закрытому положению.

5.6.5.6.4 Для передней служебной двери требование 5.6.5.6 считают выполненным, если она:

5.6.5.6.4.1 отвечает требованиям 5.6.5.6.2 и 5.6.5.6.3

5.6.5.6.4.2 или имеет мягкие края, однако не настолько, чтобы при закрытии двери и зажатии стержня, упомянутого в 5.6.5.6.2, жесткие элементы дверей принимали полностью закрытое положение.

5.6.5.7 В случаях, когда служебная дверь с механическим приводом удерживается в закрытом положении только при постоянной подаче энергии к дверям, должно иметься визуальное сигнальное устройство, информирующее водителя о любой неисправности, касающейся подачи энергии.

5.6.5.8 При наличии устройства, препятствующего началу движения, оно должно функционировать только при скорости менее 5 км/ч и выключаться при больших скоростях.

5.6.5.9 Звуковой сигнал, предупреждающий водителя, может подаваться, если транспортное средство приведено в движение, когда служебная дверь с механическим приводом закрыта не полностью. Этот сигнал должен подаваться на скорости свыше 5 км/ч в случае дверей, отвечающих требованиям 5.6.5.6.3.3.

5.6.6 Дополнительные технические требования в отношении автоматических служебных дверей

5.6.6.1 Включение открывающих органов управления

5.6.6.1.1 За исключением случаев, предусмотренных в 5.6.5.1, открывающие органы управления каждой автоматической служебной двери должны включаться и выключаться только водителем со своего сиденья.

5.6.6.1.2 Включение и выключение может быть либо прямым, при помощи выключателя, либо опосредованным, например путем открывания и закрывания передней служебной двери.

5.6.6.1.3 Информация о включении открывающих органов управления водителем должна идентифицироваться внутри, а в случаях, когда дверь должна быть открыта снаружи, также снаружи транспортного средства; индикатор (например загорающаяся кнопка, загорающийся знак) должен находиться на той двери, к которой он относится, или в непосредственной близости от нее.

5.6.6.1.4 В случае прямого приведения в действие при помощи включателя функциональное состояние системы должно четко указываться водителю, например, положением включателя или при помощи индикаторной лампочки, или подсветкой включателя. Включатель должен иметь специальное обозначение и располагаться таким образом, чтобы его нельзя было спутать с другими органами управления.

5.6.6.2 Открывание автоматических служебных дверей

5.6.6.2.1 После включения открывающих органов управления водителем пассажиры должны иметь возможность открыть дверь следующим образом:

5.6.6.2.1.1 изнутри, например путем нажатия кнопки или прохождения через световой барьер, и

5.6.6.2.1.2 снаружи (за исключением случаев, когда дверь предназначена только для использования в качестве выхода и обозначена как таковая), например путем нажатия кнопки с загорающейся подсветкой, кнопки под условным знаком с подсветкой или аналогичного приспособления, снабженного надлежащей инструкцией.

5.6.6.2.2 При нажатии кнопок, упомянутых в 5.6.6.2.1.1, может подаваться сигнал, который регистрируется и инициирует открывание двери, после включения водителем открывающих органов управления.

5.6.6.3 Закрывание автоматических служебных дверей

5.6.6.3.1 После того, как автоматическая служебная дверь открылась, она должна закрыться вновь автоматически по истечении определенного периода времени. Если в течение этого периода времени в транспортное средство входит или из него выходит пассажир, приспособление безопасности (например контактная панель в полу, световой барьер, проход в одном направлении) должно увеличить паузу, предшествующую закрытию двери.

5.6.6.3.2 Если пассажир входит (выходит) в(из) транспортное(го) средство(а) в момент закрытия двери, процесс закрытия должен прерваться автоматически, и дверь должна возвратиться в открытое положение. Обратный ход может обеспечиваться одним из приспособлений, упомянутых в 5.6.6.3.1, или любым другим приспособлением.

5.6.6.3.3 Необходимо, чтобы дверь, которая закрылась автоматически в соответствии с положениями 5.6.6.3.1, могла быть вновь открыта пассажиром согласно положений 5.6.6.2; последнее положение не должно применяться в случае, если водитель выключил открывающие органы управления.

5.6.6.3.4 После выключения открывающих органов управления автоматической служебной двери водителем открытые двери должны закрыться в соответствии с 5.6.6.3.1 - 5.6.6.3.3.

5.6.6.4 Остановка автоматического закрывания дверей для специального использования, например пассажирами с детскими колясками, инвалидами и т.д.

5.6.6.4.1 Водитель должен иметь возможность остановить автоматическое закрывание дверей путем включения специального органа управления. Пассажир также должен иметь возможность непосредственно остановить автоматическое закрывание дверей путем нажатия специальной кнопки.

5.6.6.4.2 Водитель должен быть проинформирован о приостановке автоматического закрывания дверей, например с помощью визуального сигнального устройства.

5.6.6.4.3 Отмена остановки автоматического закрывания дверей должна осуществляться только водителем.

5.6.6.4.4 Требования 5.6.6.3 должны применяться к последующему закрыванию двери.

5.6.7 Технические требования в отношении запасных дверей

5.6.7.1 Запасные двери должны легко открываться изнутри и снаружи, когда транспортное средство находится в неподвижном состоянии. Однако это требование не исключает возможности запирания двери снаружи при условии, что она всегда может быть открыта изнутри с помощью нормального открывающего механизма.

5.6.7.2 Запасные двери не должны оборудоваться сервоприводом и не должны быть раздвижного типа. Если доказано, что дверь раздвижного типа может быть открыта после испытания по ГОСТ Р 41.12 без использования каких бы то ни было инструментов, то она может быть допущена в качестве запасной двери.

5.6.7.3 Наружная ручка запасных дверей снаряженного транспортного средства, стоящего на ровной поверхности, должна находиться на высоте не более 180 см над уровнем грунта.

5.6.7.4 Навесные запасные двери, установленные на боковой части транспортного средства, должны навешиваться передней частью и открываться наружу. Ремни, ограничивающие открытие двери, цепочки или другие ограничивающие устройства допускаются, если они не препятствуют свободному открытию дверей на угол не менее 100° и позволяют им оставаться в этом положении. Если имеются достаточные средства для обеспечения свободного доступа к проходу запасной двери, требование, касающееся минимального угла 100°, не применяют.

5.6.7.5 Если запасная дверь расположена в непосредственной близости от двери туалета или другого внутреннего отделения, то такая запасная дверь должна быть оснащена средствами, предотвращающими непреднамеренное открывание. Однако это требование не должно применяться, если запасная дверь фиксируется в закрытом положении автоматически, когда транспортное средство двигается со скоростью 5 км/ч.

5.6.7.6 Все запасные двери, обзорность которых с сидения водителя затруднена, должны быть оборудованы звуковыми устройствами, информирующими водителя, о неплотно закрытых дверях. Устройство должно приводиться в действие движением фиксатора двери, а не движением самой двери.

5.6.8 Технические требования, касающиеся запасных окон

5.6.8.1 Каждое навесное запасное окно должно открываться наружу.

5.6.8.2 Каждое запасное окно должно:

5.6.8.2.1 либо легко и быстро открываться изнутри и снаружи транспортного средства при помощи приспособления, которое признано испытательной лабораторией удовлетворительным,

5.6.8.2.2 либо иметь легкоразбиваемое безопасное стекло. Последнее положение исключает возможность использования слоистого или изготовленного из пластического материала стекла.

5.6.8.3 Каждое запасное окно, которое может быть заперто снаружи, должно быть устроено таким образом, чтобы его в любое время можно было открыть изнутри транспортного средства.

5.6.8.4 Если запасное окно навешивается горизонтально верхним краем, то необходимо предусмотреть надлежащее устройство, поддерживающее его в открытом положении. Запасные окна должны открываться или откидываться наружу.

5.6.8.5 Высота нижней кромки аварийного окна, установленного в боковой стенке транспортного средства, отсчитываемая от уровня пола непосредственно под окном, должна быть:

от 65 до 100 см - для выдавливаемого окна;

» 50    » 100 см - для разбиваемого окна.

Однако для навесного запасного окна высота нижнего края может быть снижена до не менее 50 см при условии оборудования оконного проема на высоте до 65 см приспособлением, предотвращающим возможность выпадения пассажиров из транспортного средства. Если оконный проем оборудован таким приспособлением, то высота проема над приспособлением должна быть не менее минимальной высоты, требуемой для запасного окна.

5.6.8.6 Каждое навесное запасное окно, которое не является отчетливо видимым с сиденья водителя, должно быть оборудовано звуковым сигнальным устройством, информирующим водителя о том, что окно закрыто не полностью. Такое устройство должно включаться не от движения самого окна, а только от замка.

5.6.9 Технические требования в отношении аварийных люков

5.6.9.1 Каждый аварийный люк должен открываться и закрываться таким образом, чтобы не препятствовать свободному входу(выходу) внутрь(из) транспортного средства. Аварийные люки отбрасываемого типа должны функционировать таким образом, чтобы была исключена всякая возможность их непредвиденного открытия.

5.6.9.2 Аварийные люки должны легко открываться или сниматься как изнутри, так и снаружи. Однако это не означает, что данное требование исключает возможность запирания люка с целью обеспечения безопасности транспортного средства, когда в нем никого нет, и при условии, что такой аварийный люк можно в любое время открыть изнутри с помощью обычного открывающего механизма или механизма для снятия люка.

5.6.10 Технические требования в отношении убирающихся подножек

Убирающиеся подножки, если таковые установлены, должны удовлетворять следующим требованиям:

5.6.10.1 при наличии механического привода приведение их в действие должно быть синхронизировано с приведением в действие соответствующей служебной или запасной двери;

5.6.10.2 при закрытой двери ни одна из частей подножки не должна выступать более чем на 10 мм за контуры прилегающих участков кузова;

5.6.10.3 при открытой двери и при выдвинутой подножке площадь поверхности должна соответствовать требованиям 5.7.7.

5.6.10.4 при наличии подножки с механическим приводом должна быть исключена возможность трогания транспортного средства с места при помощи собственного двигателя, если эта подножка находится в выдвинутом положении.

В случае подножки с ручным приводом должен подаваться звуковой или визуальный сигнал предупреждения водителя о том, что подножка убрана не полностью;

5.6.10.5 возможность выдвижения подножки во время движения транспортного средства должна быть исключена. Если устройство для приведения в действие подножки с механическим приводом не срабатывает, то эта подножка должна убираться и находиться в задвинутом положении. Однако такая неисправность или повреждение подножки не должны нарушать работу соответствующей двери;

5.6.10.6 если пассажир стоит на убирающейся подножке с механическим приводом, то возможность закрытия соответствующей двери должна быть исключена. Соблюдение этого требования проверяют путем установки в центре подножки груза массой 15 кг, соответствующего весу ребенка. Это требование не относится к двери, которая находится непосредственно в поле зрения водителя;

5.6.10.7 движение подножки ни в коем случае не должно являться причиной нанесения травм как пассажирам, так и лицам на остановке;

5.6.10.8 передние и задние углы подножек должны иметь закругления радиусом не менее 5 мм; края подножки должны иметь закругления радиусом не менее 2,5 мм;

5.6.10.9 при открытой двери подножка должна надежно удерживаться в выдвинутом положении. При установке по центру ступеньки груза массой 136 кг (для одиночной ступеньки) и 272 кг (для двойной ступеньки) отклонение подножки в любой точке не должно превышать 10 мм.

5.6.11 Надписи

5.6.11.1 Каждый запасный выход должен обозначаться надписью « Запасный выход» снаружи и внутри транспортного средства.

5.6.11.2 Приборы экстренного управления служебными дверями и всеми запасными выходами внутри и снаружи транспортного средства должны обозначаться соответствующим знаком или четкой надписью.

5.6.11.3 На всех приборах экстренного управления запасными выходами или около них должны иметься четкие инструкции по их применению.

5.6.11.4 Указания, предусмотренные 5.6.11.1 - 5.6.11.3, должны быть изложены на русском языке и могут быть продублированы на других языках.

5.7 Внутренняя планировка

5.7.1 Доступ к служебным дверям (см. рисунок 1 приложения 3)

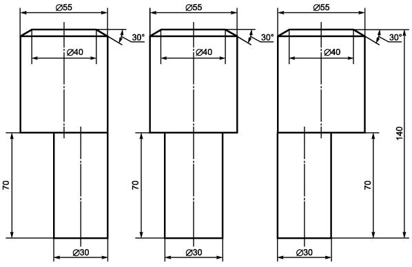
5.7.1.1 Через свободное пространство внутри транспортного средства у боковой стенки, в которой размещается дверь, должен свободно проходить в вертикальном положении шаблон толщиной 2 см, шириной 40 см и высотой 70 см от уровня пола, над которым симметрично располагается другой шаблон, имеющий следующие размеры:

- транспортные средства класса А: ширина 55 см и высота 95 см;

- транспортные средства класса В: ширина 55 см и высота 70 см;

ширина верхнего шаблона может быть уменьшена в верхней части до 40 см, если включается скос, не превышающий 30°от горизонтали (см. рисунок 1 приложения 3).

Нижний шаблон не должен выходить за пределы проекции верхнего шаблона. Относительное перемещение обоих шаблонов допускается при условии, что оно проводится всегда в одном и том же направлении.

Этот двойной шаблон необходимо держать параллельно дверному проему при его перемещении из начального положения, в котором сторона шаблона, ближайшая к внутренней части транспортного средства, направлена по касательной к внешнему краю проема до момента касания первой ступеньки; после этого шаблон следует расположить перпендикулярно вероятному направлению движения пассажира, использующего этот вход.

5.7.1.2 В качестве альтернативы может быть использована трапециевидная секция высотой 50 см, образующая переход между шириной верхнего и нижнего шаблонов. В этом случае общая высота прямоугольной и трапециевидной секций должна составлять 95 см.

5.7.1.3 Когда средняя линия этого двойного шаблона прошла расстояние 30 см от исходного положения и шаблон касается поверхности ступеньки, его следует удерживать в этом положении.

5.7.1.4 Затем цилиндрический шаблон (см. рисунок 3 приложения 3), используемый для измерения свободного прохода, перемещают от прохода в вероятном направлении движения пассажира, выходящего из транспортного средства, до того момента, когда средняя линия цилиндрического шаблона достигнет вертикальной плоскости, проходящей через верхний край верхней ступеньки, или когда плоскость, касательная к верхней части цилиндрического шаблона, коснется двойного шаблона, в зависимости оттого, что происходит раньше, и удерживается в этом положении (см. рисунок 17 приложения 3).

5.7.1.5 Между цилиндрическим шаблоном, находящимся в положении, указанном в 5.7.1.4, и двойным шаблоном, пребывающим в положении, указанном в 5.7.1.3, должно быть свободное пространство, верхние и нижние границы которого показаны на рисунке 17 приложения 3. Это пространство должно обеспечивать свободное прохождение вертикального шаблона, форма и размеры которого аналогичны центральному сечению цилиндра (см. 5.7.5.1) и толщина не превышает 2 см. Шаблон перемещают из положения касания цилиндра до той точки, где его внешняя сторона касается внутренней стороны двойного шаблона, а также плоскости (или плоскостей), проходящей(их) через верхние края ступенек, в вероятном направлении движения пассажира, использующего данный вход (см. рисунок 17 приложения 3).

5.7.1.6 В случае свободного прохода цилиндрический шаблон не должен попадать в зону, простирающуюся на расстояние 30 см перед несжатой подушкой любого сиденья на высоту до ее верха.

5.7.1.7 В случае складных сидений размер по 5.7.1.6 должен обязательно определяться при рабочем положении сиденья.

5.7.1.8 Однако складное сиденье, предназначенное для членов экипажа, в рабочем положении может препятствовать свободному доступу к служебной двери, если:

5.7.1.8.1 четко указано как в самом транспортном средстве, так и в приложении к протоколу испытаний (см. приложение 2), что сиденье предназначено только для членов экипажа;

5.7.1.8.2 неиспользуемое сиденье автоматически складывается, что необходимо для выполнения требований пунктов 5.7.1.1 или 5.7.1.2 - 5.7.1.5;

5.7.1.8.3 в соответствии с 5.6.1.3 дверь необязательно рассматривают в качестве выхода;

5.7.1.8.4 сиденье оборудовано убирающимся ремнем безопасности и

5.7.1.8.5 в рабочем и сложенном положении ни одна из частей сиденья не выступает за вертикальную плоскость, проходящую через центр поверхности подушки сиденья водителя, когда оно находится в своем крайнем заднем положении, и через центр наружного зеркала заднего вида, размещенного на противоположной стороне транспортного средства.

5.7.1.9 Размеры служебной двери и запасной двери, указанные в 5.6.3.1, а также требования пунктов 5.7.1.1 - 5.7.1.7, 5.7.2.1 - 5.7.2.3, 5.7.5.1 и 5.7.8.5 не применяют к транспортному средству класса В, имеющему массу не более 3,5 т и вместимость до 12 пассажирских сидений включительно, причем с каждого сиденья есть свободный доступ по меньшей мере к двум дверям.

5.7.1.10 Дверной проход и проход, по которому пассажиры имеют к нему доступ, считается свободным, если:

5.7.1.10.1 при их измерении вдоль продольной оси транспортного средства фиксируется наличие свободного пространства шириной не менее 22 см в любой точке и не менее 55 см в любой точке на высоте более 50 см от пола или ступенек (см. рисунок 19 приложения 3);

5.7.1.10.2 при их измерении перпендикулярно по отношению к продольной оси транспортного средства фиксируется наличие свободного пространства шириной не менее 30 см в любой точке и не менее 55 см в любой точке на высоте более 120 см от пола или ступенек или не менее 30 см от потолка (см. рисунок 20 приложения 3).

5.7.1.11 Проходы и площадки, обеспечивающие доступ, должны быть покрыты материалом, препятствующим скольжению.

5.7.1.12 Максимальный наклон пола во входном проходе не должен превышать 5 %.

5.7.2 Доступ к запасным дверям (см. рисунок 2 приложения 3)

5.7.2.1 Свободное пространство между проходом и проемом запасной двери должно обеспечивать свободный проход вертикального цилиндрического шаблона диаметром 30 см и высотой 70 см от уровня пола; на этот цилиндрический шаблон устанавливается второй цилиндрический шаблон диаметром 55 см, причем общая высота цилиндрических шаблонов должна составлять 140 см.

5.7.2.2 Основание первого цилиндрического шаблона должно находиться в пределах проекции второго цилиндрического шаблона.

5.7.2.3 При наличии складных сидений, расположенных вдоль данного прохода, свободное пространство для прохода цилиндрического шаблона должно обязательно определяться при раскрытом положении сиденья.

5.7.2.4 Для того, чтобы дверь водителя могла быть допущена в качестве запасного выхода для основного пассажирского отделения, она должна:

5.7.2.4.1 либо удовлетворять всем требованиям, касающимся размеров дверного проема и доступа к нему,

5.7.2.4.2 либо удовлетворять указанным в 5.6.3.1 требованиям, касающимся размеров запасных дверей, соответствовать положениям 5.6.2.5.2 и исключать любую возможность создания препятствия между сиденьем водителя и его служебной дверью.

5.7.2.5 При наличии двери, расположенной напротив двери водителя, к ней применяются положения 5.7.2.4 при условии, если рядом с водителем имеется еще одно сиденье для пассажира.

5.7.2.6 В случае транспортных средств, к которым применяются положения 5.7.1.9, доступ к дверям определяется в соответствии с указанным пунктом.

5.7.3 Доступ к запасным окнам

5.7.3.1 Необходимо предусмотреть возможность перемещения контрольного шаблона в направлении от прохода внутрь транспортного средства через каждое запасное окно.

5.7.3.2 Направление движения контрольного шаблона должно соответствовать предполагаемому направлению движения пассажира, покидающего транспортное средство. Контрольный шаблон должен находиться в перпендикулярном положении по отношению к направлению движения.

5.7.3.3 Контрольный шаблон должен иметь форму тонкой пластины размером 60 ´ 40 см с радиусом закругления углов 20 см. Однако в том случае, когда запасное окно расположено в задней части транспортного средства, контрольный шаблон может быть размером 140 ´ 35 см с радиусом закругления углов 17,5 см.

5.7.4 Доступ к аварийным люкам

5.7.4.1 Если на транспортном средстве класса В устанавливаются аварийные люки, то по меньшей мере один аварийный люк должен быть расположен таким образом, чтобы четырехсторонняя усеченная пирамида высотой 1600 мм с углом наклона стороны 20° касалась части сиденья или эквивалентной опоры, как показано на рисунке 5.1. Ось пирамиды должна быть вертикальной, а ее наименьшее сечение должно касаться проема аварийного люка. Опоры могут быть складными или сдвигающимися при условии, что они могут быть зафиксированы в их рабочем положении. Именно это положение должно использоваться для целей проверки.

Размер в миллиметрах

Рисунок 5.1

5.7.4.2 Если толщина структуры крыши превышает 150 мм, то наименьшее сечение пирамиды должно касаться проема аварийного люка на уровне внешней поверхности крыши.

5.7.5 Проходы (см. рисунок 3 приложения 3)

5.7.5.1 Проходы в транспортных средствах должны быть спроектированы и выполнены так, чтобы обеспечить свободное прохождение контрольного устройства, состоящего из двух соосных цилиндров и перевернутого усеченного конуса между ними и имеющего размеры по таблице 5.6.

Таблица 5.6

Размер

Значение для транспортного средства класса, см

А

В

Нижний цилиндр

Диаметр

35

30

Высота

90

90

Верхний цилиндр

Диаметр

55*

45*

Высота

50 (40)**

30

Общая высота

190 (180)**

150

* Диаметр верхнего цилиндра можно уменьшить до 30 см в верхней части, если цилиндр оканчивается фаской, образующей с горизонтальной плоскостью угол, не превышающий 30° (см. рисунок 3 приложения 3).

** Высоту верхнего цилиндра можно уменьшить на 10 см на любом участке прохода с обратной стороны наиболее выступающей вперед плоскости из следующих двух: поперечной вертикальной плоскости, расположенной на расстоянии 1,5 м спереди от центральной линии задней оси (передняя из двух и более задних осей по ходу движения транспортного средства в случае транспортных средств, имеющих более одной задней оси), и поперечной вертикальной плоскости, расположенной вдоль задней кромки крайней задней служебной двери.

Контрольное устройство может соприкасаться с подвесными ременными поручнями при их наличии и отодвигать их в сторону.

5.7.5.1.1 На транспортных средствах класса А диаметр нижнего цилиндра может быть уменьшен с 35 см до 30 см на любом участке прохода, находящегося позади наиболее выступающей вперед плоскости из следующих двух: поперечной вертикальной плоскости, расположенной на расстоянии 1,5 м спереди от центральной линии задней оси (передняя из двух и более задних осей по ходу движения транспортного средства в случае транспортных средств, имеющих более одной задней оси), и поперечной вертикальной плоскости, расположенной вдоль задней кромки крайней задней служебной двери между осями.

5.7.5.2 В проходах могут быть устроены ступеньки. Ширина таких ступенек должна быть не менее ширины прохода на уровне верхней ступеньки.

5.7.5.3 Наличие складных сидений для пассажиров в проходе не допускается.

5.7.5.4 В транспортных средствах, к которым применяются требования 5.7.1.9, наличие прохода не является обязательным, если соблюдаются размеры доступа, указанные в этом пункте.

5.7.6 Наклон прохода

5.7.6.1 Наклон прохода в продольном направлении должен быть не более:

5.7.6.1.1 для транспортного средства класса А: 8 %;

5.7.6.1.2 для транспортного средства класса В: 12,5 %.

5.7.6.2 Наклон прохода в поперечном направлении - не более 5 % для транспортных средств всех классов.

5.7.7 Ступеньки (см. рисунок 4 приложения 3)

5.7.7.1 Максимальная и минимальная высота и минимальная глубина ступенек для пассажиров у служебных и аварийных дверей и внутри транспортного средства приведены на рисунке 4 приложения 3.

5.7.7.2 Для целей настоящего пункта высота ступеньки должна измеряться в центре ее ширины. Кроме того, предприятиям-изготовителям следует уделять особое внимание вопросу о доступе в транспортное средство инвалидов, что, в частности, касается высоты ступеньки, которая должна быть минимальной.

5.7.7.3 Любой переход от заглубленного прохода к пространству для сидящих пассажиров не рассматривают как ступеньку. Однако расстояние по вертикали от поверхности прохода до поверхности пространства для сидящих пассажиров не должно превышать 35 см.

5.7.7.4 Высота первой ступеньки по отношению к грунту измеряется на порожнем транспортном средстве, причем шины и давление в них должны соответствовать параметрам, указанным предприятием-изготовителем для максимальной массы.

5.7.7.5 При наличии более одной ступеньки глубина каждой из них может заходить за пределы вертикальной проекции следующей ступеньки на расстояние 10 см, а проекция над ступенькой, расположенной ниже, должна оставлять свободное пространство, составляющее не менее 20 см (см. рисунок 4 приложения 3).

5.7.7.6 Площадь каждой ступеньки должна быть не менее 800 см2.

5.7.7.7 Максимальный наклон ступеньки в любом направлении не должен превышать 5 %.

5.7.8 Пассажирские сиденья (включая складные сиденья) и пространство для сидящих пассажиров

5.7.8.1 Над каждым сидячим местом должно быть свободное пространство, простирающееся вверх на 90 см от наиболее высоко расположенной точки несжатой подушки сиденья и не менее чем на 135 см от пола, на котором расположены ноги сидящего пассажира. В случае транспортных средств, к которым применяются требования 5.7.1.9, этот размер может быть уменьшен до 120 см.

5.7.8.1.1 Свободное пространство, указанное в 5.7.8.1, должно быть расположено над всей горизонтальной площадью, определение которой приведено ниже:

5.7.8.1.1.1 прямоугольный участок шириной 40 см, расположенный симметрично по отношению к вертикальному среднему сечению сиденья и имеющий длину L, указанную на рисунке 5 приложения 3, на котором представлено сечение сиденья средней вертикальной плоскостью;

5.7.8.1.1.2 зона, предназначенная для ног сидящего пассажира и имеющая ту же ширину 40 см и глубину 30 см.

5.7.8.1.2 Однако это пространство (см. 5.7.8.1.1) не включает в своей верхней части, прилегающей к боковой стенке транспортного средства, прямоугольный участок высотой 15 см и шириной 10 см (см. рисунок 6 приложения 3).

5.7.8.1.3 В пространство, расположенное над упомянутой в 5.7.8.1.1.2 зоной, могут попадать следующие части:

5.7.8.1.3.1 спинка другого сиденья;

5.7.8.1.3.2 элементы конструкции, если они выступают внутрь зоны, имеющей форму треугольника, одна сторона которого прилегает к боковой стенке транспортного средства, вершина расположена на высоте 65 см от пола, а основание шириной 10 см расположено в верхней части данного пространства (см. рисунок 7 приложения 3);

5.7.8.1.3.3 выступ, который расположен в нижней части рассматриваемого пространства, прилегающего к боковой стенке транспортного средства, и поперечное сечение которого не превышает 200 см2 при максимальной ширине 10 см (см. рисунок 8 приложения 3);

5.7.8.1.3.4 колесный кожух при условии выполнения одного из следующих условий:

5.7.8.1.3.4.1 колесный кожух не выступает за вертикальную осевую линию сиденья (см. рисунок 9 приложения 3) или

5.7.8.1.3.4.2 зона глубиной 30 см, предназначенная для размещения ног сидящего пассажира, простирается вперед не более чем на 20 см от края подушки и не более чем на 60 см от передней поверхности спинки сиденья (см. рисунок 10 приложения 3), причем эти измерения проводят в средней вертикальной плоскости сиденья.

5.7.8.1.3.5 Приборная доска может выступать не более чем на 10 см перед сиденьями первого ряда в том случае, если она находится на высоте более 65 см от пола.

5.7.8.1.4 Если сзади расположены два боковых сидячих места, то прилегающий к боковой стенке транспортного средства задний край пространства, расположенного над упомянутой в 5.7.8.1.1.1 зоной, может иметь форму цилиндрического сегмента радиусом 15 см (см. рисунок 11 приложения 3).

5.7.8.1.5 Для сидений первого ряда передний верхний край пространства, расположенного над зоной, определенной в 5.7.8.1.1.2, может быть заменен плоскостью, параллельной этому краю, образующей угол 45° с горизонтальной плоскостью и проходящей через верхний задний край этого пространства.

5.7.8.1.6 Откидные окна в открытом положении и их крепления.

5.7.8.2 Размеры сидений (см. рисунки 12 и 13 приложения 3)

5.7.8.2.1 Минимальные размеры каждого сидячего места измеряются от вертикальной плоскости, проходящей через центр этого места, и должны быть в соответствии с таблицей 5.7.

Таблица 5.7

Размер

Значение, см

Индивидуальные сиденья

Ширина подушки сиденья с каждой стороны

20

Свободная ширина в пространстве, расположенном между высотой 27 и 65 см над подушкой сиденья в несжатом состоянии, измеряемая в горизонтальной плоскости вдоль спинки сиденья

25

Сплошные сиденья для двух или более пассажиров

Ширина подушки сиденья, приходящаяся на каждого пассажира с каждой стороны

20

Свободная ширина в пространстве, расположенном между высотой 27 и 65 см над подушкой сиденья в несжатом состоянии, измеряемая в горизонтальной плоскости вдоль спинки сиденья

22,5

5.7.8.2.2 В случае сидений, установленных у боковой стенки транспортного средства, имеющееся пространство не включает в своей верхней части треугольную зону, ширина основания которой составляет 2 см, а высота - 10 см (см. рисунок 13 приложения 3).

5.7.8.3 Подушки (см. рисунок 14 приложения 3)

5.7.8.3.1 Высота подушки в несжатом состоянии относительно уровня пола под ногами пассажира должна быть такой, чтобы расстояние от пола до горизонтальной плоскости, касательной к передней стороне верхней поверхности подушки, составляло 40 - 50 см. Однако над колесными кожухами эта высота может быть уменьшена максимум до 35 см.

5.7.8.3.2 Глубина подушки сиденья должна составлять не менее 35 см.

5.7.8.4 Расстояние между сиденьями (см. рисунок 15 приложения 3)

5.7.8.4.1 Если сиденья обращены в одном и том же направлении, то между передней стороной спинки данного сиденья и задней стороной спинки сиденья, расположенного спереди, должно быть расстояние не менее 65 см, измеренное по горизонтали и на любой высоте над полом между верхней поверхностью подушки сиденья и высотой 62 см над уровнем пола.

5.7.8.4.2 Эти измерения должны проводиться при подушках и спинках сидений в несжатом состоянии в вертикальной плоскости, проходящей через осевую линию каждого индивидуального места для сиденья.

5.7.8.4.3 Если сиденья обращены друг к другу, то между передними поверхностями спинок сидений, обращенных друг к другу, должно быть расстояние не менее 130 см, измеренное через наивысшие точки подушек.

5.7.8.5 Пространство для сидящих пассажиров (см. рисунок 16 приложения 3)

5.7.8.5.1 Перед каждым пассажирским сиденьем должно быть предусмотрено минимальное свободное пространство, как показано на рисунке 16 приложения 3. Часть этого пространства может занимать спинка впередистоящего сиденья или перегородка, контур которой приблизительно соответствует контуру наклонной спинки сиденья, как предусмотрено в 5.7.8.4. Присутствие в этом пространстве ножек кресел также может допускаться при условии, что для ног пассажиров остается достаточно места.

5.7.8.5.2 Однако в части автобуса, которая в наибольшей степени пригодна для посадки, должны быть предусмотрены по крайней мере два расположенных по направлению движения или против направления движения сиденья, специально предназначенные и помеченные для пассажиров-инвалидов. Эти сиденья для инвалидов должны быть сконструированы таким образом, чтобы обеспечить достаточное пространство, иметь удобно спроектированные и расположенные поручни, с тем чтобы можно было легко садиться на сиденье и вставать с него и обеспечивать связь между сидящим пассажиром и водителем в случае необходимости.

5.8 Искусственное внутреннее освещение

5.8.1 Внутренние электрические источники света должны предусматриваться для освещения:

5.8.1.1 пассажирского отделения;

5.8.1.2 любой ступеньки или ступенек;

5.8.1.3 доступа к любому выходу;

5.8.1.4 внутренних обозначений и внутренних органов управления всеми выходами;

5.8.1.5 любых мест, где могут быть какие-либо препятствия.

5.9 Жесткие и ременные поручни

5.9.1 Общие требования

5.9.1.1 Жесткие и ременные поручни должны иметь надлежащую прочность.

5.9.1.2 Они должны быть сконструированы и установлены таким образом, чтобы исключить возможность нанесения повреждений пассажирам.

5.9.1.3 Сечение жестких и ременных поручней должно быть таким, чтобы пассажир мог легко ухватиться за них и крепко держаться. Длина любого жесткого поручня должна быть не менее 10 см для того, чтобы на нем могла поместиться кисть руки. Любой размер этого сечения должен быть не менее 2 см и не более 4,5 см, за исключением поручней, которые устанавливаются у дверей и сидений и в проходах транспортных средств класса В. В этих случаях допускаются поручни минимальным размером 1,5 см при условии, что другой размер будет равен по меньшей мере 2,5 см.

5.9.1.4 Свободное пространство между поручнем и смежной частью потолка или стенок транспортного средства должно быть не менее 4 см. Однако в случае дверного поручня или поручня у сиденья или в проходе транспортного средства класса В разрешается минимальное свободное пространство 3,5 см.

5.9.1.5 Поверхность каждого жесткого поручня, ременного поручня или стойки должна иметь контрастную окраску и быть нескользящей.

5.9.2 Жесткие и ременные поручни транспортных средств класса А

5.9.2.1 В соответствии с 5.2.2 жесткие и/или ременные поручни должны быть предусмотрены в достаточном количестве для каждого участка пола, предназначенного для стоящих пассажиров. Это требование считается выполненным, если для всех возможных положений испытательного устройства, приведенного на рисунке 18 приложения 3, его подвижная « рука» достает по крайней мере до двух жестких и/или ременных поручней. Для этой цели ременные петли, если таковые установлены, могут рассматриваться в качестве ременных поручней, если они надлежащим образом прикреплены к месту их крепления. Испытательное устройство может свободно поворачиваться вокруг своей вертикальной оси.

5.9.2.2 При применении описанной в 5.9.2.1 процедуры учитываются лишь те жесткие и/или ременные поручни, которые расположены на высоте не менее 80 см и не более 190 см над уровнем пола.

5.9.2.3 Для каждого местоположения стоящего пассажира по крайней мере один из двух требуемых жестких и/или ременных поручней должен быть расположен на высоте не более 150 см над уровнем пола в данном месте. Исключения могут допускаться в середине крупных платформ, однако в общей сложности отклонения не должны превышать 20 % общей площади места, отведенного для стоящих пассажиров.

5.9.2.4 В зоне для стояния пассажиров, которая не отделена сиденьями от боковых или задней стенок транспортного средства, должны быть предусмотрены горизонтальные жесткие поручни, установленные параллельно стенкам на высоте 80 - 150 см от пола.

5.9.3 Жесткие и ременные поручни у служебных дверей

5.9.3.1 Для облегчения посадки и высадки дверные проемы должны оборудоваться поручнями с обеих сторон. Для сдвоенных дверей это требование может считаться выполненным путем установки центральной стойки или поручня.

5.9.3.2 Конструкция жесткого и/или ременного поручня у служебных дверей должна быть такова, чтобы за него мог держаться человек, стоящий на земле рядом со служебной дверью или на каждой из ступенек, которые ведут внутрь транспортного средства. Места для захвата должны быть расположены вертикально на высоте 80 - 110 см от поверхности земли или от поверхности каждой ступеньки, причем в горизонтальном направлении:

5.9.3.2.1 для человека, стоящего на земле, они не должны выступать внутрь более чем на 40 см по отношению к внешнему краю первой ступеньки;

5.9.3.2.2 для человека, стоящего на какой-либо ступеньке, они не должны выступать наружу дальше, чем внешний край этой ступеньки; они не должны также выступать внутрь транспортного средства более чем на 60 см по отношению к внутреннему углу данной ступеньки.

5.9.4 Жесткие и ременные поручни для инвалидов

5.9.4.1 Жесткие и ременные поручни между служебной дверью и указанными в 5.7.8.5.2 сиденьями должны быть приспособлены таким образом, чтобы учитывать особые потребности инвалидов.

5.10 Ограждение лестничных проемов

5.10.1 В случаях, когда пассажир, сидящий на каком-либо месте, может быть брошен вперед в проем для ступенек в результате резкого торможения, должно быть предусмотрено соответствующее ограждение либо ремень безопасности. Если предусмотрено ограждение, то его минимальная высота над уровнем пола, на котором находятся ноги пассажиров, должна составлять 80 см; эти ограждения должны проходить вглубь транспортного средства от его стенки не менее чем на 10 см за продольную центральную линию любого сиденья, на котором пассажир находится в опасности, или до подъема наивысшей ступеньки, в зависимости от того, какое из этих значений меньше.

5.11 Багажные полки, если таковые установлены, и защита водителя

5.11.1 Водитель должен быть защищен от предметов, которые могут упасть с багажных полок в случае резкого торможения.

5.12 Крышки люков, если таковые установлены

5.12.1 Крышка каждого люка в полу транспортного средства должна устанавливаться и закрепляться таким образом, чтобы исключить ее смещение или открывание без использования инструментов или ключей. Не допускается выступание каких-либо подъемных или крепежных приспособлений над уровнем пола более чем на 8 мм. Края выступов должны быть закругленными.

5.13 Задние фары

5.13.1 Все транспортные средства, служебная дверь которых размещена на задней стенке, должны быть оборудованы задними фарами, установка которых должна соответствовать ГОСТ Р 41.48.

6 Изменение типа транспортного средства

6.1 Испытательная лаборатория на основании информации об изменении типа транспортного средства, представленной предприятием-изготовителем, может:

6.1.1 либо прийти к заключению, что внесенные изменения не имеют значительного отрицательного влияния и данное транспортное средство продолжает соответствовать требованиям настоящего стандарта;

6.1.2 либо сделать вывод о необходимости дополнительных испытаний.

Приложение 1

(рекомендуемое)

Перечень основных характеристик, включаемых в техническое описание заявляемых на испытания транспортных средств

(Эти требования являются дополнительными относительно требований Правил ЕЭК ООН № 52 и приведены для учета потребностей национальной экономики Российской Федерации)

0 ОБЩЕЕ

0.1 Марка (торговое наименование изготовителя) ______________________________

0.2 Тип _________________________________________________________________

0.2.0.1 Шасси _____________________________________________________________

0.2.0.2 Кузов/комплектное транспортное средство ______________________________

0.2.1 Коммерческое название (при наличии) __________________________________

0.3 Средства идентификации типа, в том случае, если они обозначены на транспортном средстве1) _____________________________________________________

1) Если средства идентификации типа содержат символы, не требующиеся для идентификации транспортного средства, компонента или отдельного технического узла, охватываемого данным информационным документом, то такие символы должны быть представлены в документации знаком «?» (например АВС??123??...).

0.3.0.1 Шасси ____________________________________________________________

0.3.0.2 Кузов/комплектное транспортное средство _____________________________

0.3.1 Расположение этих обозначений ________________________________________

0.3.1.1 Шасси _____________________________________________________________

0.3.1.2 Кузов/комплектное транспортное средство ______________________________

0.4 Категория транспортного средства2) ______________________________________

2) Классификация в соответствии с определениями, приведенными в ГОСТ Р 52051.

0.5 Наименование и адрес изготовителя ____________________________________

0.8 Адрес(а) сборочных заводов ________________________________________

1 ОБЩИЕ КОНСТРУКТИВНЫЕ ХАРАКТЕРИСТИКИ ТРАНСПОРТНОГО СРЕДСТВА

1.1 Фотографии и/или чертежи репрезентативного транспортного средства ________

________________________________________________________________________

1.2 Чертеж общего вида с указанием габаритных размеров ______________________

1.3 Число осей и колес _____________________________________________________

1.3.1 Число и расположение осей со сдвоенными колесами ______________________

________________________________________________________________________

1.4 Шасси (при наличии) - общий чертеж ____________________________________

1.5 Материал, используемый для лонжеронов рамы3) ___________________________

3) Указать:

- марку материала;

- предел прочности на разрыв;

- удлинение (%);

- твердость по Бринеллю.

1.6 Расположение двигателя ______________________________________________

1.7 Кабина водителя (кабина над двигателем или капотная)4) ____________________

________________________________________________________________________

4) «Кабина над двигателем» означает компоновку, при которой более чем половина длины двигателя находится сзади от основания ветрового стекла и рулевое колесо находится в передней четверти.

2 МАССА И РАЗМЕРЫ (кг, мм) - в соответствующих случаях, со ссылками на чертежи

2.1 Колесная база (базы) (при полной нагрузке) ______________________________

2.4 Диапазон габаритных размеров транспортного средства ____________________

________________________________________________________________________

2.4.1 Для шасси без кузова ________________________________________________

2.4.1.1 Длина ___________________________________________________________

2.4.1.2 Ширина __________________________________________________________

2.4.1.2.1 Максимальная ширина ____________________________________________

2.4.1.3 Высота (в порожнем состоянии) - для подвесок с изменяемой высотой, указать нормальное положение в движении ____________________________________

2.4.2 Для шасси с кузовом ________________________________________________

2.4.2.1 Длина ___________________________________________________________

2.4.2.2 Ширина _________________________________________________________

2.4.2.3 Высота (в снаряженном состоянии) - для подвесок с изменяемой высотой, указать нормальное положение в движении _____________________________________

2.4.2.9 Координаты центра тяжести транспортного средства с максимально допустимой массой _________________________________________________________

2.6 Масса транспортного средства с кузовом, в том числе сцепного устройства в случае тягача иного, чем категории М1 в снаряженном состоянии, или масса шасси/шасси с кабиной без кузова и/или сцепного устройства в случае, если изготовитель не устанавливает кузов и/или сцепное устройство (в том числе жидкости, инструменты, запасное колесо, масса водителя и масса сопровождающего (75 кг) при наличии сиденья сопровождающего в салоне)* (максимальное и минимальное значения для каждой модификации) ____________________________________________________

* Массу водителя принимают равной 75 кг (в том числе 68 кг масса человека и 7 кг личных вещей), топливный бак считается заполненным на 90 %, а другие емкости, содержащие жидкости (за исключением использованной воды), - на 100 % емкости, определенной изготовителем.

2.6.1 Распределение этой массы между осями и в случае полуприцепа или одноосного прицепа - нагрузка на сцепное устройство (максимальное и минимальное значения для каждой модификации) ___________________________________________

2.8 Технически допустимая масса транспортного средства с нагрузкой, указанная изготовителем (максимальное и минимальное значения для каждой модификации) ____

__________________________________________________________________________

2.8.1 Распределение этой массы между осями и в случае полуприцепа или одноосного прицепа - нагрузка на сцепное устройство (максимальное и минимальное значения для каждой модификации) ___________________________________________

2.9 Максимальная технически допустимая нагрузка на каждую ось _______________

________________________________________________________________________

9 КУЗОВ

9.1 Тип кузова ___________________________________________________________

9.2 Используемые материалы и метод изготовления ___________________________

13 СПЕЦИАЛЬНЫЕ ПРЕДПИСАНИЯ ДЛЯ ТРАНСПОРТНЫХ СРЕДСТВ ДЛЯ ПЕРЕВОЗКИ ПАССАЖИРОВ И ИМЕЮЩИХ БОЛЕЕ ВОСЬМИ МЕСТ ПОМИМО МЕСТА ВОДИТЕЛЯ

13.1 Класс транспортного средства __________________________________________

13.2 Площадь для пассажиров (м2) __________________________________________

13.2.1 Суммарная (S0) _____________________________________________________

13.2.4 Для стоящих пассажиров (S1) _________________________________________

13.3 Число мест для пассажиров (сидящих и стоящих) _________________________

13.3.1 Суммарное (N) ______________________________________________________

13.4 Число мест для сидящих пассажиров ____________________________________

13.4.1 Суммарное (Ps) ______________________________________________________

13.5 Число служебных дверей _______________________________________________

13.6 Число аварийных выходов (двери, окна, люки в крыше, ступеньки между первым и вторым этажом и т.д.)

13.6.1 Суммарное _________________________________________________________

13.7 Объем багажного помещения (м3) _______________________________________

13.8 Площадь для багажа, перевозимого на крыше (м2) _________________________

13.9 Технические устройства, облегчающие вход в транспортные средства (подножки, поднимающиеся платформы, регулируемая подвеска), при наличии ______

__________________________________________________________________________

13.10 Прочность кузова ___________________________________________________

13.10.1 Подробное описание кузова типа транспортного средства, в том числе его размеры, конфигурация, составляющие его материалы и его крепление к любым видам рамы шасси ________________________________________________________________

13.10.2 Чертежи транспортного средства и тех частей его интерьера, которые имеют влияние на прочность кузова или на жизненное пространство _____________________

__________________________________________________________________________

13.10.3 Расположение центра тяжести транспортного средства в снаряженном состоянии в вертикальном, горизонтальном и поперечном направлениях ____________

________________________________________________________________________

13.10.4 Максимальное расстояние между центрами сидений, наиболее близких к наружным габаритам ________________________________________________________

Приложение 2

(обязательное)

Форма приложения к протоколу испытаний типа транспортного средства большой вместимости в отношении общей конструкции на основании ГОСТ Р 41.52

ПРИЛОЖЕНИЕ
к протоколу испытаний типа транспортного средства большой вместимости в отношении общей конструкции на основании ГОСТ Р 41.52-2005

1 Марка ________________________________________________________________

2 Тип __________________________________________________________________

3 Максимальная масса транспортного средства при испытании, кг:

- на переднюю ось _______________________________________________________

- на заднюю ось _________________________________________________________

- общая (МТ) ____________________________________________________________

4 Снаряженная масса транспортного средства (MV), кг

5 Перевозка багажа или груза:

- общий объем багажных или грузовых отделений (V), м3 ______________________

_______________________________________________________________________

- общая масса багажа или груза, который можно перевозить в этих отделениях (Б), кг

________________________________________________________________________

- перевозка на крыше: предусматривается /не предусматривается*

* Ненужное зачеркнуть.

общая площадь крыши, предназначенная для перевозки багажа или груза (VX), м2

_________________________________________________________________________

общая масса багажа или груза, допускаемая для перевозки на выделенной для этого площади крыши (ВХ), кг _____________________________________________________

6 Площадь, предназначенная для пассажиров, м2:

- общая (S0) _____________________________________________________________

- в т.ч. для стоящих пассажиров (S1) ________________________________________

7 Число сидячих и стоячих мест в соответствии с 5.3.2 настоящего стандарта:

- всего(N = Ps + Pst) ______________________________________________________

- сидячих (Ps) ___________________________________________________________

- стоячих (Pst) __________________________________________________________

8 Масса в соответствии с 5.3.3 настоящего стандарта, кг:

- общая транспортного средства ____________________________________________

- приходящаяся на первую ось _____________________________________________

- приходящаяся на вторую ось ____________________________________________

- приходящаяся на третью ось (если имеется) ________________________________

Приложение 3

(обязательное)

Пояснительные схемы

Размеры в сантиметрах

Класс транспортного средства

А, см

А, см (для альтернативного шаблона)

А

95

95

В

70

Рисунок 1 - Доступ к служебным дверям (см. 5.7.1)

Размеры в сантиметрах

Рисунок 2 - Доступ к запасным дверям (см. 5.7.2)

Размеры в сантиметрах

Размеры в сантиметрах

Класс транспортного средства

Ø А

B

Ø С

Н

А

35

50 (40)*

55

190 (180)*

В

30

30

45

150

* См. соответствующую сноску («**») в 5.7.5.1 настоящего стандарта.

Рисунок 3 - Проходы (см. 5.7.5)

Размеры в сантиметрах

Размеры в сантиметрах

Класс транспортного средства

не более

B1), 2)

не менее

не более

А

36

12

254)

В

в т.ч. с механической подвеской

40

35

43

1) В случае сдвоенных дверей ступеньки в каждой половине прохода должны рассматриваться отдельно.

2) Значение В может быть не одинаковым для каждой ступеньки.

3) 70 см для запасной двери.

4) 30 см для ступеньки у двери, расположенной за самой задней осью.

Рисунок 4 - Ступеньки у служебных дверей (см. 5.7.7)

Размеры в сантиметрах

Рисунок 5 - Длина зоны, предусмотренной для сиденья (см. 5.7.8.1.1.1)

Рисунок 6 - Допустимое выступание конструкции внутрь зоны над сиденьем. Поперечное сечение минимально свободного пространства над сиденьем, размещенным возле боковой стенки транспортного средства (см. 5.7.8.1.2)

Размеры в сантиметрах

Рисунок 7 - Допустимое выступание деталей конструкции внутрь зоны сиденья.

Определение треугольной зоны, в которую может выступать элемент конструкции (см. 5.7.8.1.3.2)

Рисунок 8 - Допустимый выступ в нижней части пространства, отведенного для пассажиров (см. 5.7.8.1.3.3)

Рисунок 9 - Допустимое расположение колесного кожуха, не выступающего за вертикальную осевую линию бокового сиденья (см. 5.7.8.1.3.4)

Размеры в сантиметрах

Рисунок 10 - Допустимое расположение колесного кожуха, выступающего за вертикальную осевую линию бокового сиденья (см. 5.7.8.1.3.4)

Рисунок 11 - Допустимое выступание конструкции в зону задних боковых сидений. Вид в плане зоны, предназначенной для размещения сидений (два задних боковых сиденья) (см. 5.7.8.1.4)

Размеры в сантиметрах

Размеры в сантиметрах

Fmin

Gmin

Сиденье сплошное

Сиденье индивидуальное

20

22,5

25

Рисунок 12 - Размеры сидений для пассажиров (см. 5.7.8.2)

Размеры в сантиметрах

Рисунок 13 - Допустимое выступание конструкции внутрь на уровне плеч. Поперечное сечение минимального свободного пространства на высоте плеча для сиденья, расположенного около боковой стенки транспортного средства (см. 5.7.8.2.2)

Размеры в сантиметрах

* 35 см - над колесными кожухами.

Рисунок 14 - Глубина подушки сиденья (см. 5.7.8.3)

Размеры в сантиметрах

Рисунок 15 - Расстояние между сиденьями (см. 5.7.8.4)

Размеры в сантиметрах

Рисунок 16 - Пространство для сидящих пассажиров (см. 5.7.8.5)

Размеры в сантиметрах

1 - цилиндрический шаблон; 2 - шаблон; 3 - двойной шаблон

Рисунок 17 - Служебная дверь (см. 5.7.1.4)

Размеры в сантиметрах

Рисунок 18 - Испытательное устройство для определения расположения жестких и ременных поручней (см. 5.9.2.1)

Размеры в сантиметрах

Рисунок 19 - Определение свободного доступа к двери (см. 5.7.1.10.1)

Размеры в сантиметрах

Рисунок 20 - Определение свободного доступа к двери (см. 5.7.1.10.2)

Приложение 4

(обязательное)

(см. 5.6.5.6.2)

Принципы измерения усилия зажима дверей с механическим приводом

1 Общие положения

Закрытие двери с механическим приводом представляет собой динамический процесс. При соударении движущейся двери с препятствием возникает динамическое противодействие, характеристики которого (во времени) зависят от ряда факторов (например массы двери, ускорения, габаритов).

2 Определения

2.1 Усилие закрытия F(t) является функцией времени и измеряется на сходящихся краях двери (см. 3.2).

2.2 Пиковое усилие Fs является максимальной величиной усилия закрытия.

2.3 Действующее усилие FE, являющееся средней величиной соотношения усилия закрытия и продолжительности импульса, рассчитывают по формуле

                                                   (1)

2.4 Продолжительность импульса T означает разность между временем t1 и t2,

где t1 - время порога чувствительности, если усилие закрытия более 50 Н;

t2 - время порога убывания, если усилие закрытия менее 50 Н.

2.5 Соотношение между указанными выше параметрами показано на рисунке 1 (в качестве примера).

Рисунок 1

2.6 Усилие зажима Fcявляется среднеарифметической величиной действующих усилий, многократно и последовательно измеренных в одной и той же точке, рассчитываемой по формуле

                                                  (2)

3 Измерения

3.1 Условия измерения:

3.1.1 Температура от 10 °С до 30 °С.

3.1.2 Испытуемое транспортное средство должно располагаться на горизонтальной поверхности.

3.2 Измерение проводят в следующих точках:

3.2.1 На основных сходящихся краях двери:

в середине двери;

на расстоянии 150 мм от нижнего края двери.

3.2.2 Если двери оборудованы противоударными устройствами для процесса открывания - на вторичных сходящихся краях двери в точке, которая считается самым опасным местом зажима.

3.3 В каждой точке для определения усилия зажима Fc в соответствии с 2.6 проводят по крайней мере три измерения.

3.4 Величина усилия зажима регистрируется при помощи фильтра низких частот с предельной частотой 100 Гц. Для ограничения продолжительности импульса пороги чувствительности (t1) и убывания (t2) устанавливают на значение 50 Н.

3.5 Отклонение показаний от расчетного значения не должно выходить за пределы ± 3 %.

4 Измерительное устройство

4.1 Измерительное устройство состоит из двух частей: рукоятки и элемента, представляющего собой камеру нагрузки (см. рисунок 2).

4.2 Камера нагрузки имеет следующие характеристики:

4.2.1 Камера состоит из двух скользящих втулок наружным диаметром 100 мм и шириной 115 мм. Внутри камеры между двумя втулками устанавливают нажимную пружину таким образом, чтобы при приложении соответствующего усилия камера сжималась.

4.2.2 Прочность камеры составляет (10 ± 0,2) Н/мм. Максимальный прогиб пружины - не более 30 мм, что позволяет достичь максимального пикового усилия 300 Н.

Размеры в миллиметрах

Рисунок 2

Приложение 5

(обязательное)

Оригинальный текст аутентичного перевода приложения 1 примененных Правил ЕЭК ООН № 52

(Технические отклонения были внесены для учета особенностей проведения испытаний в Российской Федерации)

СООБЩЕНИЕ

[Максимальный формат: А4 (210 ´ 297 мм)],

Направленное: _________________________________________________________

наименование административного органа

касающееся:2) ПРЕДОСТАВЛЕНИЯ ОФИЦИАЛЬНОГО УТВЕРЖДЕНИЯ, РАСПРОСТРАНЕНИЯ ОФИЦИАЛЬНОГО УТВЕРЖДЕНИЯ, ОТКАЗА В ОФИЦИАЛЬНОМ УТВЕРЖДЕНИИ, ОТМЕНЫ ОФИЦИАЛЬНОГО УТВЕРЖДЕНИЯ, ОКОНЧАТЕЛЬНОГО ПРЕКРАЩЕНИЯ ПРОИЗВОДСТВА

1) Отличительный номер страны, которая предоставила/распространила/отменила официальное утверждение или отказала в официальном утверждении (см. положения настоящих Правил, касающиеся официального утверждения).

типа транспортного средства класса А/класса В2) в отношении его общей конструкции на основании настоящих Правил ЕЭК ООН №52

2) Ненужное зачеркнуть.

Официальное утверждение № _________ Распространение №___________________

1 Заводская или торговая марка механического транспортного средства __________

2 Тип транспортного средства _____________________________________________

3 Наименование и адрес предприятия, сделавшего заявку на официальное утверждение ______________________________________________________________

4 В случае необходимости - фамилия и адрес представителя предприятия, сделавшего заявку на официальное утверждение ________________________________

5 Краткое описание типа транспортного средства в отношении его конструкции, размеров, формы и материалов _______________________________________________

6 Максимальная техническая масса транспортного средства при испытании:

6.1 нагрузка на переднюю ось ____________________________________________ кг

6.2 нагрузка на заднюю ось _______________________________________________ кг

6.3 общая масса (МТ) ____________________________________________________ кг

7 Порожняя масса (MV): _________________________________________________ кг

8. Перевозка багажа или груза:

8.1 общий объем багажных или грузовых отделений (V) _____________________ м3

8.2 общая масса багажа или груза, который можно перевозить в этих отделениях (В) _________________ кг

8.3 перевозка багажа или груза на крыше транспортного средства: предусматривается/не предусматривается1)

1) Ненужное зачеркнуть.

8.3.1 общая площадь крыши, предназначенная для перевозки багажа или груза (VX) _______________________________ м2

8.3.2 общая масса багажа или груза, который можно перевозить на этой площади (ВХ) ______________________________ кг

9. Площадь, предназначенная для пассажиров:

9.1 общая площадь (S0) _________________________________________________ м2

9.2 площадь, предназначенная для стоящих пассажиров (S1) ____________________ м2

10 Расчетные значения:

10.1 число мест для сидения и мест для стоящих пассажиров в соответствии с пунктом 5.3.2 настоящих Правил:

10.1.1 всего (N = Ps + Pst) __________________________________________________

10.1.2 мест для сидения (Ps): ________________________________________________

10.1.3 мест для стоящих пассажиров (Pst): ____________________________________

11 Величины массы в соответствии с 5.3.3 настоящих Правил:

11.1 общая масса транспортного средства: _____________ _____ ______________ кг

11.2 масса, приходящаяся на первую ось: _____ ____________________ ________ кг

11.3 масса, приходящаяся на вторую ось: __________ ________________________ кг

11.4 масса, приходящаяся на третью ось (если таковая имеется): _______________ кг

12 Транспортное средство представлено на официальное утверждение (дата)

________________________________________________________________________

13 Техническая служба, уполномоченная проводить испытания для официального утверждения _______________________________________________________________

14 Дата протокола, выданного этой службой __________________________________

15 Номер протокола, выданного этой службой _________________________________

16 Официальное утверждение предоставлено/в официальном утверждении отказано/официальное утверждение распространено/официальное утверждение отменено1) _______________________________________________________________

1) Ненужное зачеркнуть

17 Место проставления знака официального утверждения на транспортном средстве ________________________________________________________________________

18 Место _______________________________________________________________

19 Дата _________________________________________________________________

20 Подпись ______________________________________________________________

21 К настоящему сообщению прилагается перечень документов, которые переданы на хранение административной службе, предоставившей официальное утверждение, и которые можно получить по запросу: ___________________________________________

Приложение 6

(справочное)

Оригинальный текст аутентичного перевода приложения 2 примененных Правил ЕЭК ООН № 52

(Приложение исключено в связи с особенностями проведения испытаний в Российской Федерации)

Схемы знаков официального утверждения

Образец А

(См. 4.4 настоящих Правил)

Приведенный выше знак официального утверждения, проставленный на транспортном средстве, указывает, что этот тип транспортного средства официально утвержден в Нидерландах (Е4) для класса В в отношении его общей конструкции на основании Правил ЕЭК ООН № 52 под номером официального утверждения 01 1424. Первые две цифры номера официального утверждения означают, что официальное утверждение было предоставлено в соответствии с требованиями Правил ЕЭК ООН № 52 с внесенными в них поправками серии 01.

Образец В

(См. 4.5 настоящих Правил)

Приведенный выше знак официального утверждения, проставленный на транспортном средстве, указывает, что этот тип транспортного средства официально утвержден в Нидерландах (Е4) для класса В на основании Правил ЕЭК ООН № 52 и Правил ЕЭК ООН № 101). Номера официального утверждения означают, что на момент предоставления соответствующих официальных утверждений Правила ЕЭК ООН №52, а также Правила ЕЭК ООН № 10 включали поправки серии 01.

1) Последний номер приведен в качестве примера.

Приложение 7

(справочное)

Оригинальный текст аутентичного перевода разделов 7 - 11 примененных Правил ЕЭК ООН № 52

7 Соответствие производства

7.1 Каждое транспортное средство, имеющее знак официального утверждения на основании настоящих Правил, должно соответствовать официально утвержденному типу транспортного средства.

7.2 Для проверки соответствия предписаниям 7.1 проводится достаточное число выборочных контрольных проверок транспортных средств серийного производства, имеющих знак официального утверждения на основании настоящих Правил.

8 Санкции, налагаемые за несоответствие производства

8.1 Официальное утверждение типа транспортного средства, предоставленное на основании настоящих Правил, может быть отменено, если не соблюдается требование, изложенное в 7.1, или если транспортное средство не проходит испытание, предусмотренное в разделе 7.

8.2 Если какая-либо Сторона Соглашения, применяющая настоящие Правила, отменяет предоставленное ею ранее официальное утверждение, она немедленно сообщает об этом другим Сторонам Соглашения, применяющим настоящие Правила, посредством карточки сообщения, соответствующей образцу, приведенному в приложении 1.

9 Окончательное прекращение производства

Если владелец официального утверждения полностью прекращает производство того или иного типа транспортного средства, утвержденного в соответствии с настоящими Правилами, он сообщает об этом компетентному органу, предоставившему официальное утверждение. После получения этого сообщения компетентный орган сообщает об этом другим Сторонам Соглашения, применяющим настоящие Правила, посредством карточки сообщения, соответствующей образцу, приведенному в приложении 1.

10 Переходные положения

10.1 Начиная с официальной даты вступления в силу поправок серии 01 к настоящим Правилам ни одна из Договаривающихся сторон, применяющих настоящие Правила, не может отказать в официальном утверждении на основании настоящих Правил с включенными в них поправками серии 01.

10.2 По истечении трех лет с официальной даты вступления в силу, указанной в 10.1, Договаривающиеся стороны, применяющие настоящие Правила, предоставляют официальные утверждения только в том случае, если тип транспортного средства соответствует предписаниям настоящих Правил с включенными в них поправками серии 01.

10.3 По истечении шести лет с официальной даты вступления в силу, указанной в 10.1, Договаривающиеся стороны, применяющие настоящие Правила, могут отказать в признании официальных утверждений, которые не соответствуют поправкам серии 01 к настоящим Правилам.

11 Наименования и адреса технических служб, уполномоченных проводить испытания для официального утверждения, и административных органов

Стороны Соглашения, применяющие настоящие Правила, сообщают Секретариату Организации Объединенных Наций наименования и адреса технических служб, уполномоченных проводить испытания для официального утверждения, а также административных органов, которым следует направлять выдаваемые в других странах регистрационные карточки официального утверждения, распространения официального утверждения, отказа в официальном утверждении или отмены официального утверждения.

 

Ключевые слова: транспортные средства категорий М2 и М3, перевозка пассажиров, конструкция, малая вместимость