Стандарт распространяется на основные, аварийные и предвключенные центробежные питательные насосы с приводом от электродвигателя и с приводом от паровой турбины, предназначенные для подачи питательной воды в энергетических блоках атомных станций.
| Обозначение: | ГОСТ 24464-80* |
| Название рус.: | Насосы питательные энергетических блоков АЭС. Общие технические условия |
| Статус: | действующий |
| Дата актуализации текста: | 01.10.2008 |
| Дата добавления в базу: | 01.02.2009 |
| Дата введения в действие: | 01.01.1982 |
| Разработан: | Министерство химического и нефтяного машиностроения |
| Утвержден: | Госстандарт СССР (19.12.1980) |
| Опубликован: | Издательство стандартов № 1981 |

ГОСУДАРСТВЕННЫЙСТАНДАРТ СОЮЗА ССР
НАСОСЫ ПИТАТЕЛЬНЫЕ
ЭНЕРГЕТИЧЕСКИХ БЛОКОВ АЭС
ОБЩИЕТЕХНИЧЕСКИЕ УСЛОВИЯ
ГОСТ24464-80
ГОСУДАРСТВЕННЫЙ КОМИТЕТ СССР ПО СТАНДАРТАМ
Москва
РАЗРАБОТАН Министерством химического и нефтяногомашиностроения
ИСПОЛНИТЕЛИ
А. Я. Ильченко (руководитель темы), Б. И. Остапенко, В.П. Недоспасов, В. Л. Лысенко, М. Н. Иванов
ВНЕСЕН Министерством химического инефтяного машиностроения
Член Коллегии А. М. Васильев
УТВЕРЖДЕН И ВВЕДЕН В ДЕЙСТВИЕПостановлением Государственногокомитета СССР по стандартам от 19 декабря 1980 г. № 5893
ГОСУДАРСТВЕННЫЙ СТАНДАРТСОЮЗА ССР
| НАСОСЫ ПИТАТЕЛЬНЫЕ Общие технические условия Feed pumps for nuclear power plant. | ГОСТ |
ПостановлениемГосударственного комитета СССР по стандартам от 19 декабря 1980 г. № 5893 срок действия установлен
с 01.01.1982 г.
до 01.01.1987г.
Настоящий стандарт распространяется на основные, аварийные ипредвключенные центробежные питательные насосы с приводом от электродвигателя(ПЭА) и с приводом от паровой турбины (ПТА), предназначенные для подачипитательной воды в энергетических блоках атомных электростанций (АЭС), а такжеатомных теплоэлектроцентралей (АТЭЦ).
(Измененная редакция, Изм. № 2).
Питательная вода должна иметь водородный показатель рН 6,8 -9,2, радиоактивность не более 3,7·106 Бк·м-3 и не должнасодержать твердых частиц размером более 0,1 мм и концентрацией более 5 мг/л.
1.1. Основные параметры насосов для номинального режимадолжны соответствовать указанным в табл. 1.
Рекомендуемые рабочие части характеристик насосов должнысоответствовать указанным на чертеже 1.
(Измененная редакция, Изм. № 2).
Таблица 1
| Подача Q | Напор Н, м (пред. откл. ± 3 %) | Давление насоса | Допускаемый кавитационный запас, м | Давление на входе в насос, не более | Мощность, кВт | КПД, %, не менее | Частота вращения (синхронная) | Температура питательной воды на входе в насос, не более | Габаритные размеры, мм, не более | Масса, кг, не более | ||||||||
| м3/с | м3/ч | МПа | кгс/см2 | МПа | кгс/см2 | с-1 | об/мин | К | °С | Ширина | Длина | Высота | ||||||
| Основные питательные насосы | ||||||||||||||||||
| ПЭА 850-65 | 0,236 | 850 | 714 | 6,34 | 64,6 | 9,0 | 0,88 | 9 | 1870 | 80 | 50 | 3000 | 438 | 165 | 1680 | 2470 | 1410 | 5350 |
| ПЭА 1650-75 | 0,458 | 1650 | 830 | 7,33 | 74,7 | 15,0 | 4100 | 82 | 443 | 170 | 1760 | 2780 | 1980 | 10230 | ||||
| ПЭА 1650-80 | 910 | 7,85 | 80,0 | 1,47 | 15 | 4340 | 83 | 463 | 190 | 1850 | 3000 | 2000 | 11600 | |||||
| ПТА 3750-75 | 1,042 | 3750 | 810 | 7,19 | 73,3 | 135,0 | 2,65 | 27 | 9130 | 82 | 58,3 | 3500 | 438 | 165 | 2160 | 3460 | 2165 | 20200 |
| ПТА 3600-65 | 1,000 | 3600 | 750 | 6,46 | 65,9 | 135 | 3,92 | 40 | 7890 | 82 | 91,7 | 5500 | 463 | 190 | 2140 | 2310 | 2025 | 15000 |
| ПТА 2800-65 | 0,778 | 2800 | 95 | 6140 | ||||||||||||||
| Аварийные питательные насосы | ||||||||||||||||||
| ПЭА 65-50 | 0,018 | 65 | 580 | 5,14 | 52,4 | 6,0 | 2,35 | 24 | 144 | 65 | 50 | 3000 | 438 | 165 | 980 | 1860 | 1010 | 1560 |
| ПЭА 150-85 | 0,042 | 150 | 910 | 8,07 | 82,3 | 7,5 | 0,98 | 10 | 490 | 69 | 1120 | 2110 | 1212 | 3500 | ||||
| ПЭА 250-75 | 0,069 | 250 | 830 | 7,33 | 74,7 | 9,0 | 0,88 | 9 | 680 | 75 | 443 | 170 | 1140 | 1960 | 1180 | 2815 | ||
| ПЭА 250-80 | 880 | 7,58 | 77,3 | 1,47 | 15 | 725 | 73 | 463 | 190 | 1300 | 2320 | 1340 | 4650 | |||||
| Предвключенные питательные насосы | ||||||||||||||||||
| ПТА 3800-20 | 1,056 | 3800 | 215 | 1,90 | 19,4 | 17,0 | 0,98 | 10 | 2450 | 82 | 30 | 1800 | 438 | 165 | 1875 | 2380 | 1880 | 7150 |
| ПТА 3600-16 | 1,000 | 3600 | 180 | 1,55 | 15,8 | 15 | 1,47 | 15,0 | 1890 | 82 | 31,7 | 1900 | 463 | 190 | 1780 | 2325 | 1895 | 6000 |
| 0,778 | 2800 | 200 | 1,72 | 17,5 | 1630 | |||||||||||||
(Измененная редакция, Изм. № 2).
Примечания:
1. Исключен, Изм. № 2..
2. В условном обозначениянасосов значения давления в кгс/см2 округлены.
Рабочие части характеристик Q - H
Черт. 1.
1.2. Насосы должны иметь постоянно падающую напорнуюхарактеристику в интервале подач от 25 до 110 % номинальной. При этом максимальныйнапор не должен превышать значение номинального напора более чем на 30 % длянасосов с подачей 0,236 м3/с (850 м3/ч) и выше более чемна 18 % для остальных насосов.
Пример условногообозначения питательного насоса для АЭС с приводом от электродвигателя,подачей 0,236 м3/с (850 м3/ч) и давлением 6,34 МПа (64,6кгс/см2):
НасосПЭА 850-65 ГОСТ 24464-80
То же, с приводом от паровой турбины, подачей 1,056 м3/с(3800 м3/ч) и давлением 1,90 МПа (19,4 кгс/см2)
НасосПТА 3800-20 ГОСТ 24464-80
При модернизации насосов (или совершенствовании конструкциибез изменения подачи и напора) в обозначение типоразмера через тире следуетвводить цифры, указывающие порядковый номер модернизации по системе нумерациипредприятия-изготовителя.
2.1. Насосы должны изготовляться в соответствии стребованиями настоящего стандарта и технических условий на насосы конкретныхтипоразмеров по рабочим чертежам, утвержденным в установленном порядке.
2.2. Корпуса насосов должны соответствовать требованиям «Правилустройства и безопасной эксплуатации оборудования атомных электростанций,опытных и исследовательских ядерных реакторов и установок», утвержденныхГосгортехнадзором СССР и Госкомитетом по использованию атомной энергииСССР.
2.3. Насосы должны изготовляться в климатическом исполненииУХЛ категории размещения 4 по ГОСТ15150-69.
2.4. Группа надежности насосов - I по ГОСТ 6134-71.
2.5. В насосах или на их плитах (рамах) должны бытьпредусмотрены регулирующие устройства для выверки их положения на фундаменте иместа для установки уровня.
Места для установки уровня должны быть указаны на монтажномчертеже.
2.6. Суммарные внешние утечки жидкости через концевыеуплотнения ротора насоса не должны превышать 0,1 м3/ч. Отвод утечекдолжен быть организованным.
2.7. Наработка на отказ основных и предвключенных насосов -не менее 6300 ч.
Установленный ресурс до капитального ремонта основных ипредвключенных насосов - не менее 25000 ч.
Назначенный срок службы аварийных насосов до капитальногоремонта - не менее 5 лет.
Вероятность безотказной работы аварийных насосов за 1000 ч -не менее 0,95.
Установленный срок службы насосов до списания - 30 лет.
Наработка на отказ насосов ПЭА 850-65 и ПЭА 1650-80 - неменее 8000 ч.
Критерии отказов и предельных состояний насосов должны бытьуказаны в технических условиях на конкретную продукцию.
(Измененная редакция, Изм. № 2).
2.8, 2.9. (Исключены, Изм. № 2).
2.10. Необходимое снижение напора насосов при эксплуатациидостигается обточкой рабочих колес по наружному диаметру до 5 % егопервоначального значения в соответствии с эксплуатационной документацией.
2.11. Конструкция насосов должна быть рассчитана дляустановки их на АЭС в сейсмических районах.
2.12. Показатели ремонтопригодности насосов должны бытьуказаны в технических условиях на насос конкретного типоразмера,
2.13. Среднее квадратическое значение виброскорости,измеренное на корпусах подшипников, не должно быть более 7 мм/с.
2.14. Наружные поверхности насоса должны иметь стойкиелакокрасочные покрытия. Класс покрытия насоса не ниже - VI, условия эксплуатации покрытия - 8 по ГОСТ9.032-74.
(Измененная редакция, Изм. № 1).
2.15. Колеса и роторы в сборе должны быть отбалансированы.Класс точности балансировки роторов - 3 по ГОСТ 22061-76.
(Измененная редакция, Изм. № 2).
3.1. Общие требования безопасности насосов - по ГОСТ12.2.003-74.
3.2. Муфта, соединяющая валы насоса и привода, должна бытьограждена.
Конструкция ограждения должна исключать возможность егоснятия без применения инструмента.
3.3. На каждом насосе и крупногабаритных деталях должны бытьпредусмотрены места для строповки при выполнении погрузочно-разгрузочных,монтажных и ремонтных работ. Места и схема строповки должны быть указаны намонтажном чертеже.
3.4. Направление вращения ротора насоса должно бытьобозначено стрелкой, на корпусе насоса, окрашенной в красный цвет.
3.5. В насосах должны быть предусмотрены:
устройства для визуального наблюдения за наличием масла вподшипниках;
гнезда для установки датчиков дистанционного контролятемпературы подшипников насоса.
3.6. Техническое обслуживание насоса, связанное с егочастичной разборкой, подтяжкой резьбовых соединений, заменой масла и т. д.должно производиться после его останова и остывания.
3.7. Конструкция насосов и объем защиты должны обеспечиватьнормальную их работу без обслуживающего персонала и автоматический остановагрегата при снижении давления ниже допустимого в напорном патрубке насоса и вмасляной магистрали (для насосов с принудительной системой смазки).
Контроль технического состояния насоса должен проводиться сприменением индивидуальных средств защиты органов слуха в течение 15 мин всмену.
Эксплуатация насосов без средств защиты иконтрольно-измерительных приборов не допускается.
3.8. Октавные уровни звуковой мощности LР и корректированныеуровни звуковой мощности LPA насосныхагрегатов при комплектовании их электродвигателями 1-го класса по ГОСТ 16372-84не должны превышать значений, указанных в табл. 2, и должны указываться впаспорте.
При применении электродвигателей 2 и 3-го классов по ГОСТ 16372-77уровни звуковой мощности насосных агрегатов должны быть ниже указанных в табл. 2на 5 и 10 дБ·А, соответственно.
(Измененная редакция, Изм. № 2).
Таблица 2
| Октавные уровни звуковой мощности LP, дБ для среднегеометрических частот октавных полос, Гц | Корректированные уровни звуковой мощности LPА, дБ·А | ||||||||
| 63 | 125 | 250 | 500 | 1000 | 2000 | 4000 | 8000 | ||
| ПЭА 850-65; ПЭА 1650-75; ПЭА 1650-80 | 130 | 123 | 117 | 114 | 111 | 109 | 107 | 105 | 116 |
| ПЭА 65-50 | 126 | 119 | 113 | 110 | 107 | 105 | 103 | 101 | 112 |
| ПЭА 150-85; ПЭА 250-75; ПЭА 250-80 | 132 | 125 | 119 | 116 | 113 | 111 | 103 | 107 | 118 |
(Измененная редакция, Изм. № 2).
3.9. Уровень звука вконтрольных точках LA и уровень звукового давления Li в октавных полосахчастот для насосов с приводом от паровой турбины не должны превышать значений,приведенных в табл.3.
Таблица 3
| Номера контрольных точек | Уровни звукового давления Li, дБ в октавных полосах частот со среднегеометрическими частотами, Гц | Уровень звука LA, дБ·А | ||||||||
| 63 | 125 | 250 | 500 | 1000 | 2000 | 4000 | 8000 | |||
| ПТА 3750-75 | 1 | 98 | 96 | 84 | 83 | 83 | 88 | 72 | 64 | 94,5 |
| 2 | 90 | 90 | 84 | 85 | 83 | 86 | 72 | 67 | 90 | |
| 3 | 96 | 94 | 84 | 82 | 82 | 85 | 72 | 65 | 88 | |
| 4 | 91 | 93 | 84 | 82 | 82 | 85 | 72 | 65 | 87,5 | |
| 5 | 89 | 90 | 82 | 83 | 83 | 83 | 73 | 63 | 92 | |
| ПТА 3600-65 | 1 | - | - | - | - | - | - | - | - | - |
| 2 | - | - | - | - | - | - | - | - | - | |
| 3 | - | - | - | - | - | - | - | - | - | |
| 4 | - | - | - | - | - | - | - | - | - | |
| 5 | - | - | - | - | - | - | - | - | - | |
| ПТА 3800-20 | 1 | 88 | 95 | 83 | 84 | 84 | 88 | 74 | 65 | 88 |
| 2 | 89 | 85 | 83 | 84 | 84 | 84 | 74 | 68 | 90 | |
| 3 | 88 | 84 | 85 | 86 | 87 | 82 | 72,5 | 69 | 88 | |
| 4 | 89 | 90,5 | 85,5 | 88 | 87 | 82 | 73 | 65 | 90 | |
| 5 | 91 | 89 | 84 | 84 | 83 | 85 | 73 | 67 | 89 | |
| ПТА 3600-16 | 1 | - | - | - | - | - | - | - | - | - |
| 2 | - | - | - | - | - | - | - | - | - | |
| 3 | - | - | - | - | - | - | - | - | - | |
| 4 | - | - | - | - | - | - | - | - | - | |
| 5 | - | - | - | - | - | - | - | - | - | |
Примечания:
1.Значения уровней звукового давления и уровней звука в контрольных точках, неуказанных в табл.3, будут внесены в таблицу после освоения насосов соответствующихтипоразмеров.
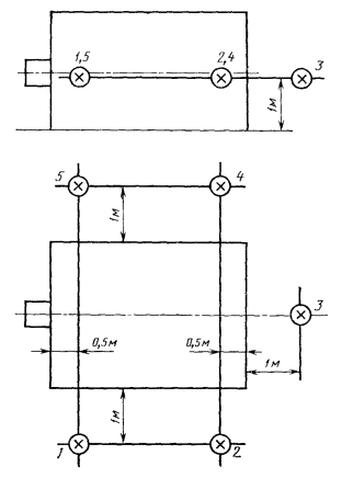
2. Координаты контрольныхизмерительных точек приведены на черт. 2.
(Введено дополнительно, Изм. № 2).
Координаты контрольных точек дляизмерения уровней звука и звукового давления насосов с приводом от паровойтурбины
Черт. 2.
4.1. Насосы должны быть укомплектованы:
электродвигателем (для насосов с приводом отэлектродвигателя);
соединительной муфтой;
запасными частями, специальным инструментом иприспособлениями в соответствии с ведомостью ЗИП;
устройствами автоматики и КИП;
вспомогательным оборудованием в соответствии с техническимиусловиями на насосы конкретных типоразмеров.
4.2. К насосам должна быть приложена эксплуатационнаядокументация по ГОСТ 2.601-68 в соответствии с техническими условиями на насосыконкретных типоразмеров.
5.1. Правила приемки - по ГОСТ 23104-78.
6.1. Методы испытаний - по ГОСТ 23104-78.
6.2. Измерение параметров вибрации - по ГОСТ 13731-68,воздушного шума - по ГОСТ23941 и ГОСТ 12.1.028-80 или ГОСТ 12.1.026-80.
(Введен дополнительно, Изм. № 2).
7.1. Маркировка, упаковка, транспортирование и хранение - поГОСТ 23104-78.
8.1. Изготовитель должен гарантировать соответствие насосовтребованиям настоящего стандарта при соблюдении правил транспортирования,хранения, монтажа и эксплуатации установленных настоящим стандартом иэксплуатационной документацией.
8.2. Гарантийный срок эксплуатации насосов с учетомиспользования запасных деталей - 24 мес со дня ввода насосов в эксплуатацию.
СОДЕРЖАНИЕ