| Обозначение: | ГОСТ 12459-67* |
| Название рус.: | Болты усиленные к пазам станочным обработанным. Конструкция |
| Статус: | действующий |
| Заменяет собой: | МН 5412-64 |
| Дата актуализации текста: | 01.10.2008 |
| Дата добавления в базу: | 01.02.2009 |
| Дата введения в действие: | 01.07.1967 |
| Утвержден: | Госстандарт СССР (03.01.1967) |
| Опубликован: | ИПК Издательство стандартов № 2000 |
МЕЖГОСУДАРСТВЕННЫЙ СТАНДАРТ
БОЛТЫ УСИЛЕННЫЕ К ПАЗАМ СТАНОЧНЫМ ОБРАБОТАННЫМ
КОНСТРУКЦИЯ
ИПК ИЗДАТЕЛЬСТВО СТАНДАРТОВ
Москва
МЕЖГОСУДАРСТВЕННЫЙ СТАНДАРТ
| БОЛТЫ УСИЛЕННЫЕ К ПАЗАМ СТАНОЧНЫМ ОБРАБОТАННЫМ Конструкция Strengthening bolts for machined slots. Design | ГОСТ 12459-67* Взамен MH 5412-64 |
УтвержденКомитетом стандартов, мер и измерительных приборов при Совете Министров СССР 3января 1967г. Срок введения установлен
с 01.07.67
ПостановлениемГосстандарта СССР от 17.03.88 № 567 снято ограничение срока действия
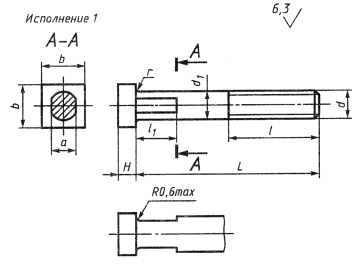
1. Конструкция и размеры усиленных болтовк станочным обработанным пазам должны соответствовать чертежу и таблице.


Размеры в мм
| Обозначения болтов | Применяемость | Исполнение | Ширина станочного паза | d | L | d1 | а (поле допуска b12) | d | D | H | l | l1 | r | Масса, кг |
| 7002-2301 |
| 1 | 14 | М16 | 80 | 16 | 14 | 22 | - | 8,5 | 40 | 20 | 1,0 | 0,150 |
| 2302 |
| 2 | 28 | 0,151 | ||||||||||
| 2303 |
| 1 | 90 | - | 50 | 0,164 | ||||||||
| 2304 |
| 2 | 28 | 0,165 | ||||||||||
| 2305 |
| 1 | 100 | - | 0,179 | |||||||||
| 2306 |
| 2 | 28 | 0,180 | ||||||||||
| 2307 |
| 1 | 110 | - | 0,195 | |||||||||
| 2308 |
| 2 | 28 | 0,196 | ||||||||||
| 2309 |
| 1 | 125 | - | 60 | 0,216 | ||||||||
| 2310 |
| 2 | 28 | 0,217 | ||||||||||
| 2311 |
| 1 | 140 | - | 0,240 | |||||||||
| 2312 |
| 2 | 28 | 0,240 | ||||||||||
| 2313 |
| 1 | 160 | - | 0,272 | |||||||||
| 2314 |
| 2 | 28 | 0,272 | ||||||||||
| 2315 |
| 1 | 180 | - | 80 | 0,299 | ||||||||
| 2316 |
| 2 | 28 | 0,301 | ||||||||||
| 2317 |
| 1 | 200 | - | 0,331 | |||||||||
| 2318 |
| 2 | 28 | |||||||||||
| 2319 |
| 1 | 220 | - | 0,363 | |||||||||
| 2320 |
| 2 | 28 | |||||||||||
| 2321 |
| 1 | 250 | - | 0,410 | |||||||||
| 2322 |
| 2 | 28 | |||||||||||
| 2323 |
| 1 | 280 | - | 0,457 | |||||||||
| 2324 |
| 2 | 28 | 0,459 | ||||||||||
| 2325 |
| 1 | 18 | М20 | 100 | 20 | 18 | 28 | - | 11,5 | 50 | 28 | 0,292 | |
| 2326 |
| 2 | 36 | 0,292 | ||||||||||
| 2327 |
| 1 | 110 | - | 0,318 | |||||||||
| 2323 |
| 2 | 36 | 0,317 | ||||||||||
| 2329 |
| 1 | 125 | - | 60 | 0,348 | ||||||||
| 2330 |
| 2 | 36 | |||||||||||
| 2331 |
| 1 | 140 | - | 0,386 | |||||||||
| 2332 |
| 2 | 36 | 0,384 | ||||||||||
| 2333 |
| 1 | 160 | - | 0,434 | |||||||||
| 2334 |
| 2 | 36 | 0,433 | ||||||||||
| 2335 |
| 1 | 180 | - | 80 | 0,477 | ||||||||
| 2336 |
| 2 | 36 | 0,475 | ||||||||||
| 2337 |
| 1 | 200 | - | 0,526 | |||||||||
| 2338 |
| 2 | 36 | 0,525 | ||||||||||
| 2339 |
| 1 | 220 | - | 0,575 | |||||||||
| 7002-2340 |
| 2 | 36 | 0,574 | ||||||||||
| 7002-2341 |
| 1 | 18 | М20 | 250 | 20 | 18 | 28 | - | 11,5 | 100 | 28 | 1,0 | 0,640 |
| 2342 |
| 2 | 36 | 0,639 | ||||||||||
| 2343 |
| 1 | 280 | - | 0,714 | |||||||||
| 2344 |
| 2 | 36 | 0,713 | ||||||||||
| 2345 |
| 1 | 320 | - | 0,792 | |||||||||
| 2346 |
| 2 | 36 | 0,791 | ||||||||||
| 2347 |
| 1 | 360 | - | 0,911 | |||||||||
| 2348 |
| 2 | 36 | |||||||||||
| 2349 |
| 1 | 400 | - | 1,010 | |||||||||
| 2350 |
| 2 | 36 | 1,009 | ||||||||||
| 2351 |
| 1 | 22 | М24 | 125 | 24 | 22 | 34 | - | 15,0 | 80 | 32 | 1,6 | 0,535 |
| 2352 |
| 2 | 42 | 0,543 | ||||||||||
| 2353 |
| 1 | 140 | - | 0,588 | |||||||||
| 2354 |
| 2 | 42 | 0,596 | ||||||||||
| 2355 |
| 1 | 160 | - | 0,659 | |||||||||
| 2356 |
| 2 | 42 | 0,667 | ||||||||||
| 2357 |
| 1 | 180 | - | 100 | 0,716 | ||||||||
| 2358 |
| 2 | 42 | 0,724 | ||||||||||
| 2359 |
| 1 | 200 | - | 0,787 | |||||||||
| 2360 |
| 2 | 42 | 0,795 | ||||||||||
| 2361 |
| 1 | 220 | - | 0,858 | |||||||||
| 2362 |
| 2 | 42 | 0,867 | ||||||||||
| 2363 |
| 1 | 250 | - | 125 | 0,965 | ||||||||
| 2364 |
| 2 | 42 | 0,973 | ||||||||||
| 2365 |
| 1 | 280 | - | 1,057 | |||||||||
| 2366 |
| 2 | 42 | 1,065 | ||||||||||
| 2367 |
| 1 | 320 | - | 1,199 | |||||||||
| 2368 |
| 2 | 42 | 1,207 | ||||||||||
| 2369 |
| 1 | 360 | - | 1,341 | |||||||||
| 2370 |
| 2 | 42 | 1,349 | ||||||||||
| 2371 |
| 1 | 400 | - | 1,483 | |||||||||
| 2372 |
| 2 | 42 | 1,491 | ||||||||||
| 2373 |
| 1 | 450 | - | 1,661 | |||||||||
| 2374 |
| 2 | 42 | 1,669 | ||||||||||
| 2375 |
| 1 | 500 | - | 1,838 | |||||||||
| 2376 |
| 2 | 42 | 1,846 | ||||||||||
| 2377 |
| 1 | 560 | - | 2,052 | |||||||||
| 2378 |
| 2 | 42 | 2,060 | ||||||||||
| 2379 |
| 1 | 630 | - | 2,300 | |||||||||
| 2380 |
| 2 | 42 | 2,308 | ||||||||||
| 2381 |
| 1 | 710 | - | 2,513 | |||||||||
| 7002-2382 |
| 2 | 42 | 2,521 | ||||||||||
| 7002-2383 |
| 1 | 28 | М30 | 140 | 30 | 28 | 44 | - | 19,0 | 80 | 40 | 1,6 | 1,011 |
| 2384 |
| 2 | 55 | 1,009 | ||||||||||
| 2385 |
| 1 | 160 | - | 1,122 | |||||||||
| 2386 |
| 2 | 55 | 1,119 | ||||||||||
| 2387 |
| 1 | 180 | - | 100 | 1,215 | ||||||||
| 2388 |
| 2 | 55 | 1,213 | ||||||||||
| 2389 |
| 1 | 200 | - | 1,326 | |||||||||
| 2390 |
| 2 | 55 | 1,324 | ||||||||||
| 2391 |
| 1 | 220 | - | 1,382 | |||||||||
| 2392 |
| 2 | 55 | 1,379 | ||||||||||
| 2393 |
| 1 | 250 | - | 125 | 1,585 | ||||||||
| 2394 |
| 2 | 55 | 1,583 | ||||||||||
| 2395 |
| 1 | 280 | - | 1,752 | |||||||||
| 2396 |
| 2 | 55 | 1,750 | ||||||||||
| 2397 |
| 1 | 320 | - | 1,807 | |||||||||
| 2398 |
| 2 | 55 | 1,805 | ||||||||||
| 2399 |
| 1 | 360 | - | 2,195 | |||||||||
| 2400 |
| 2 | 55 | 2,193 | ||||||||||
| 2401 |
| 1 | 400 | - | 140 | 2,407 | ||||||||
| 2402 |
| 2 | 55 | 2,405 | ||||||||||
| 2403 |
| 1 | 450 | - | 2,677 | |||||||||
| 2404 |
| 2 | 55 | 2,675 | ||||||||||
| 2405 |
| 1 | 500 | - | 2,962 | |||||||||
| 2406 |
| 2 | 55 | 2,960 | ||||||||||
| 2407 |
| 1 | 560 | - | 3,295 | |||||||||
| 2408 |
| 2 | 55 | 3,293 | ||||||||||
| 2409 |
| 1 | 630 | - | 3,683 | |||||||||
| 2410 |
| 2 | 55 | 3,681 | ||||||||||
| 2411 |
| 1 | 710 | - | 4,066 | |||||||||
| 2412 |
| 2 | 55 | 4,064 | ||||||||||
| 2413 |
| 1 | 800 | - | 4,626 | |||||||||
| 2414 |
| 2 | 55 | 4,631 | ||||||||||
| 2415 |
| 1 | 900 | - | 5,181 | |||||||||
| 2416 |
| 2 | 55 | 5,179 | ||||||||||
| 2417 |
| 1 | 1000 | - | 5,737 | |||||||||
| 2418 |
| 2 | 55 | 5,734 | ||||||||||
| 2419 |
| 1 | 36 | М42 | 200 | 42 | 36 | 54 | - | 24,0 | 125 | 50 | 2,0 | 2,544 |
| 2420 |
| 2 | 65 | 2,581 | ||||||||||
| 2421 |
| 1 | 220 | - | 2,761 | |||||||||
| 7002-2422 |
| 2 | 65 | 2,799 | ||||||||||
| 7002-2423 |
| 1 | 36 | М42 | 250 | 42 | 36 | 54 | - | 50 | 2,0 | 3,088 | ||
| 2424 |
| 2 | 65 | 3,125 | ||||||||||
| 2425 |
| 1 | 280 | - | 140 | 3,391 | ||||||||
| 2426 |
| 2 | 65 | 3,429 | ||||||||||
| 2427 |
| 1 | 320 | - | 3,826 | |||||||||
| 2428 |
| 2 | 65 | 3,864 | ||||||||||
| 2429 |
| 1 | 360 | - | 4,261 | |||||||||
| 2430 |
| 2 | 65 | 4,299 | ||||||||||
| 2431 |
| 1 | 400 | - | 4,697 | |||||||||
| 2432 |
| 2 | 65 | 4,734 | ||||||||||
| 2433 |
| 1 | 450 | - | 160 | 5,210 | ||||||||
| 2434 |
| 2 | 65 | 5,248 | ||||||||||
| 2435 |
| 1 | 500 | - | 5,764 | |||||||||
| 2436 |
| 2 | 65 | 5,801 | ||||||||||
| 2437 |
| 1 | 560 | - | 25,0 | 6,407 | ||||||||
| 2438 |
| 2 | 65 | 6,444 | ||||||||||
| 2439 |
| 1 | 630 | - | 7,168 | |||||||||
| 2440 |
| 2 | 65 | 7,205 | ||||||||||
| 2441 |
| 1 | 710 | - | 8,038 | |||||||||
| 2442 |
| 2 | 65 | 8,075 | ||||||||||
| 2443 |
| 1 | 800 | - | 10,974 | |||||||||
| 2444 |
| 2 | 65 | 11,012 | ||||||||||
| 2445 |
| 1 | 900 | - | 12,062 | |||||||||
| 2446 |
| 2 | 65 | 12,099 | ||||||||||
| 2447 |
| 1 | 1000 | - | 13,050 | |||||||||
| 2448 |
| 2 | 65 | 13,087 | ||||||||||
| 2449 |
| 1 | 1250 | - | 13,767 | |||||||||
| 7002-2450 |
| 2 | 65 | 13,805 |
Примерусловного обозначения усиленного болтаисполнения 1, размерами d= M16, L = 80мм:
Болт 7002-2301 ГОСТ 12459-67
(Измененная редакция, Изм. № 1, 2).
2. Материал - сталь марки 45по ГОСТ1050-88. Допускается замена на стали других марок с механическимисвойствами не ниже, чем у стали марки 45.
(Измененная редакция, Изм. № 1).
3. Твердость головки - 36,5... 41,5 HRCэ.
(Измененная редакция, Изм.№ 1, 2).
4. Неуказанные предельныеотклонения размеров: Н14, h14, ± ![]()
(Измененная редакция, Изм. № 2).
5. Резьба метрическая - по ГОСТ24705-81. Поле допуска резьбы - 6g по ГОСТ16093-81.
(Измененная редакция, Изм. № 1, 2).
6. Размеры сбегов и фасок длярезьбы - по ГОСТ 10549-80.
(Измененная редакция, Изм.№ 1).
7. (Исключен,Изм. № 1).
8. Покрытие - Хим. Окс. прм(обозначение покрытия - по ГОСТ9.306-85).
(Измененная редакция, Изм.№ 2).
9. Остальные техническиетребования - по ГОСТ 1759.0-87, ГОСТ1759.1-82,
ГОСТ1759.2-82, ГОСТ1759.4-87.
10. Упаковка и маркировка - поГОСТ18160-72.
(Измененная редакция, Изм.№ 1).