Настоящий стандарт распространяется на винты с цилиндрической скругленной головкой классов точности А и В с номинальным диаметром резьбы от 2 до 10 мм.
| Обозначение: | ГОСТ 11644-75* |
| Название рус.: | Винты с цилиндрической скругленной головкой классов точности А и В. Конструкция и размеры |
| Статус: | действующий |
| Заменяет собой: | ГОСТ 11644-65 |
| Дата актуализации текста: | 01.10.2008 |
| Дата добавления в базу: | 01.02.2009 |
| Дата введения в действие: | 01.01.1977 |
| Утвержден: | Госстандарт СССР (12.09.1975) |
| Опубликован: | Издательство стандартов № 1988 |
ГОСУДАРСТВЕННЫЙСТАНДАРТ СОЮЗА ССР
ВИНТЫ
конструкция и размеры
ВИНТЫ С ЦИЛИНДРИЧЕСКОЙСКРУГЛЕННОЙ ГОЛОВКОЙ
КЛАССОВ ТОЧНОСТИ А И В
ГОСТ 11644-75*
ГОСУДарственный комитет ссср по стандартам
москва
ГОСУДАРСТВЕННЫЙ СТАНДАРТ СОЮЗА ССР
| ВИНТЫ С ЦИЛИНДРИЧЕСКОЙ СКРУГЛЕННОЙ ГОЛОВКОЙ КЛАССОВ ТОЧНОСТИ А И В Конструкция и размеры Rounded-off pan-head screws product grades A and B. Construction and dimensions | ГОСТ 11644-75* (СТ СЭВ 2654-80) Взамен ГОСТ 11644-75 |
ПостановлениемГосударственного комитета стандартов Совета Министров СССР от 12 сентября 1975г. № 2397 срок введения установлен
с 01.01.77
Проверен в 1981 г. Пост. Госстандарта от 29.12.81 №5742 срок действия продлен
до 01.01.92
Несоблюдение стандартапреследуется по закону
1. Настоящий стандарт распространяется на винты с цилиндрическойскругленной головкой классов точности А и В с номинальным диаметром резьбы от 2до 10 мм.
Стандарт полностьюсоответствует СТ СЭВ 2654-80.
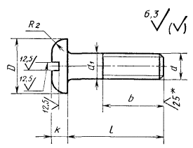
2. Конструкция и размеры винтов должны соответствовать указанным в табл.1, 2 и на чертеже.
мм
| 2 | 2,5 | 3 | 3,5 | 4 | 5 | 6 | 8 | 10 | ||
| Шаг резьбы Р | крупный | 0,4 | 0,45 | 0,5 | 0,6 | 0,7 | 0,8 | 1 | 1,25 | 1,5 |
| мелкий | - | - | - | - | - | - | - | 1 | 1,25 | |
| Диаметр головки D | 4 | 5 | 6 | 7 | 8 | 10 | 12 | 16 | 20 | |
| Высота головки r | 1,2 | 1,5 | 1,8 | 2,1 | 2,4 | 3,0 | 3,6 | 4,8 | 6,0 | |
| Радиус скругления головки R2, не более | 0,8 | 1,0 | 1,2 | 1,4 | 1,6 | 2,0 | 2,5 | 3,2 | 4,0 | |
| Длина резьбы b | удлиненная | - | 18 | 19 | 20 | 22 | 25 | 28 | 34 | 40 |
| нормальная | 10 | 11 | 12 | 13 | 14 | 16 | 18 | 22 | 26 | |
мм
| Номинальный диаметр резьбы d | |||||||||
| 2 | 2,5 | 3 | 3,5 | 4 | 5 | 6 | 8 | 10 | |
| 3 |
|
|
| - | - | - | - | - | - |
| 4 |
|
|
|
|
| - | - | - | - |
| 5 |
|
|
|
|
| - | - | - | - |
| 6 |
|
|
|
|
|
| - | - | - |
| 8 |
|
|
|
|
|
|
| - | - |
| 10 |
|
|
|
|
|
|
|
| - |
| 12 |
|
|
|
|
|
|
|
|
|
| 14 |
|
|
|
|
|
|
|
|
|
| 16 |
|
|
|
|
|
|
|
|
|
| (18) |
|
|
| Стандартные длины |
|
|
| ||
| 20 | - |
|
|
|
|
| |||
| (22) | - |
|
|
|
|
|
|
|
|
| 25 | - |
|
|
|
|
|
|
|
|
| (28) | - | - |
|
|
|
|
|
|
|
| 30 | - | - |
|
|
|
|
|
|
|
| 35 | - | - |
|
|
|
|
|
|
|
| 40 | - | - |
|
|
|
|
|
|
|
| 45 | - | - |
|
|
|
|
|
|
|
| 50 | - | - |
|
|
|
|
|
|
|
| 55 | - | - |
|
|
|
|
|
|
|
| 60 | - | - |
|
|
|
|
|
|
|
| 65 | - | - |
|
|
|
|
|
|
|
| 70 | - | - |
|
|
|
|
|
|
|
Примечания:
1. Длины винтов, заключенные в скобки, применятьне рекомендуется.
2. Удлиненная длина резьбы предпочтительна.
3. Винты со стержнем длиной менее длины резьбы сучетом недореза изготовляют с резьбой по всей длине стержня.
* Для винтов, обработанных резанием, в остальных случаях ненормируют.
Примерусловного обозначения винта с цилиндрической скругленной головкой класса точности А,диаметром резьбы d = 8 мм, с крупным шагом резьбы, с полем допускарезьбы 6g, длиной l = 50 мм, нормальной длинойрезьбы b = 22 мм, класса прочности 4,8, без покрытия:
Винт A.M8- 6g´50.48 ГОСТ 11644-75
То же, класса точности В, смелким шагом резьбы, удлиненной длиной резьбы b = 34 мм:
Винт B.M8´1 - 6g´50 - 34.48 ГОСТ 11644-75
1, 2. (Измененная редакция, Изм № 1, 2).
3. Резьба - по ГОСТ 24705-81 . Сбег и недорез резьбы - по ГОСТ10549-80 .
(Измененная редакция, Изм. № 2).
3а. Шлицы - по ГОСТ24669-81 .
3б. Радиус под головкой - по ГОСТ24670-81 .
3в. Допуски, методы контроля размеров и отклонений формы и расположенияповерхностей - по ГОСТ 1759.1-82 .
3г. Дефекты поверхности и методы контроля - по ГОСТ 1759.2-82 .
3а - 3г. (Введены дополнительно, Изм. № 2).
4. (Исключен, Изм. № 2).
5. Диаметр гладкой части d1 должен быть равен наружномудиаметру резьбы или равен диаметру стержня под накатывание метрической резьбыпо ГОСТ 19256-73
(Измененная редакция, Изм. №1).
5а. (Исключен, Изм. № 2).
6. (Исключен, Изм. № 1).
7. Технические требования - по ГОСТ 1759.0-87 .
8. Теоретическая масса винтов дана в приложении.
Справочное
| Длина винта l, мм | Масса 1000 шт. стальных винтов с крупным шагом резьбы, кг ≈ при номинальном диаметре резьбы d, мм | ||||||||
| 2 | 2,5 | 3 | 3,5 | 4 | 5 | 6 | 8 | 10 | |
| 3 | 0,134 | 0,250 | 0,415 | - | - | - | - | - | - |
| 4 | 0,152 | 0,280 | 0,459 | 0,671 | 1,004 | - | - | - | - |
| 5 | 0,171 | 0,310 | 0,503 | 0,730 | 1,081 | - | - | - | - |
| 6 | 0,190 | 0,340 | 0,547 | 0,790 | 1,159 | 2,131 | - | - | - |
| 8 | 0,227 | 0,400 | 0,635 | 0,909 | 1,314 | 2,378 | 3,764 | - | - |
| 10 | 0,264 | 0,460 | 0,723 | 1,029 | 1,469 | 2,625 | 4,117 | 8,996 | - |
| 12 | 0,302 | 0,520 | 0,811 | 1,148 | 1,624 | 2,873 | 4,470 | 9,633 | 17,50 |
| 14 | 0,351 | 0,595 | 0,900 | 1,267 | 1,779 | 3,120 | 4,822 | 10,27 | 18,50 |
| 16 | 0,395 | 0,665 | 1,016 | 1,385 | 1,934 | 3,367 | 5,175 | 10,91 | 19,50 |
| 18 | 0,439 | 0,735 | 1,118 | 1,506 | 2,144 | 3,615 | 5,528 | 11,54 | 20,49 |
| 20 | - | 0,805 | 1,220 | 1,625 | 2,327 | 3,947 | 5,881 | 12,18 | 21,50 |
| 22 | - | 0,874 | 1,322 | 1,744 | 2,509 | 4,237 | 6,233 | 12,82 | 22,50 |
| 25 | - | 0,979 | 1,476 | 1,923 | 2,783 | 4,672 | 7,004 | 13,77 | 24,01 |
| 28 | - | - | 1,630 | 2,102 | 3,057 | 5,107 | 7,775 | 14,72 | 25,52 |
| 30 | - | - | 1,731 | 2,221 | 3,240 | 5,397 | 8,059 | 15,83 | 26,52 |
| 35 | - | - | 1,987 | 2,520 | 3,697 | 6,121 | 9,113 | 17,72 | 29,84 |
| 40 | - | - | 2,242 | 2,818 | 4,153 | 6,846 | 10,17 | 19,60 | 32,80 |
| 45 | - | - | 2,498 | 3,116 | 4,610 | 7,571 | 11,22 | 21,48 | 35,75 |
| 50 | - | - | 2,754 | 3,414 | 5,067 | 8,296 | 12,28 | 23,37 | 38,71 |
| 55 | - | - | 3,009 | 3,712 | 5,523 | 9,020 | 13,33 | 25,25 | 41,67 |
| 60 | - | - | 3,265 | 4,011 | 5,980 | 9,745 | 14,39 | 27,14 | 44,63 |
| 65 | - | - | 3,520 | 4,309 | 6,437 | 10,47 | 15,44 | 29,02 | 47,59 |
| 70 | - | - | 3,776 | 4,607 | 6,894 | 11,19 | 16,49 | 30,90 | 50,55 |
Примечание. Для определения массы винтов издругих материалов величины масс, указанные в таблице, следует умножить накоэффициент: 0,356 - для алюминиевого сплава; 1,08 - для латуни.
(Измененная редакция, Изм. №1, 2).