Настоящий стандарт распространяется на шестигранные гайки для фланцевых соединений арматуры, соединительных частей и трубопроводов, используемых в химической и нефтехимической промышленностях на Ру св. 10 до 100 МПа (св. 100 до 1000 кгс/см2), температурой от минус 50 до плюс 510 градусов С.
| Обозначение: | ГОСТ 10495-80* |
| Название рус.: | Гайки шестигранные для фланцевых соединений на Ру свыше 10 до 100 МПа (свыше 100 до 1000 кгс/см2). Технические условия |
| Статус: | действующий |
| Заменяет собой: | ГОСТ 10495-74 |
| Дата актуализации текста: | 01.10.2008 |
| Дата добавления в базу: | 01.02.2009 |
| Дата введения в действие: | 01.01.1982 |
| Разработан: | Министерство химического и нефтяного машиностроения |
| Утвержден: | Госстандарт СССР (30.12.1980) |
| Опубликован: | Издательство стандартов № 1980<br>ИПК Издательство стандартов № 1999 |
ГОСТ 10495-80
МЕЖГОСУДАРСТВЕННЫЙ СТАНДАРТ
ГАЙКИ ШЕСТИГРАННЫЕ
ДЛЯ ФЛАНЦЕВЫХ СОЕДИНЕНИЙ
НА Ру СВЫШЕ 10 ДО 100 МПа
(СВЫШЕ 100 ДО 1000 кгс/см2)
ТЕХНИЧЕСКИЕУСЛОВИЯ
ИПК ИЗДАТЕЛЬСТВО СТАНДАРТОВ
Москва
МЕЖГОСУДАРСТВЕННЫЙ СТАНДАРТ
| ГАЙКИ ШЕСТИГРАННЫЕ ДЛЯ ФЛАНЦЕВЫХ СОЕДИНЕНИЙ НА РУ СВЫШЕ 10 до 100 МПа (свыше 100 до 1000 кгс/см2) Технические условия Hexgonal nuts for flanged connections | ГОСТ |
Дата введения 01.01.82
Настоящийстандарт распространяется на шестигранные гайки для фланцевых соединенийарматуры, соединительных частей и трубопроводов, используемых в химической инефтехимической промышленностях на Ру св. 10 до 100 МПа (св. 100 до1000 кгс/см2), температурой от минус 50 до плюс 510 °С.
Требования разд. 1 за исключениемпоказателей "Масса, кг", 2 - 4,п.п. 5.1, 5.2,5.4, 5.6,являются обязательными, другие требования настоящего стандарта являются рекомендуемыми.
(Измененнаяредакция, Изм. № 2).
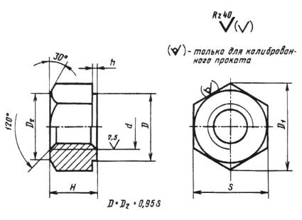
1.1.Конструкция и размеры гаек должны соответствовать указанным на чертеже 1 и в табл. 1.

| Номина-льный диаметр резьбы d | Размер | Диаметр бурта D | Высота H | Диаметр описанной окружности D1 | Допускаемое смещение оси отверстия относительно граней, не более | Высота | Масса, кг | ||
| номин. | пред. откл. | номин. | пред. откл. | ||||||
| 12 | 19 | -0,28 | 18,0 | 12 | 21,9 | -0,8 | 0,35 | 2.0 | 0,019 |
| 14 | 22 | 20,9 | 14 | 25,4 | -0,9 | 0,031 | |||
| 16 | 24 | 22,8 | 16 | 27,7 | 0,039 | ||||
| 20 | 30 | 28,5 | 20 | 34,6 | -1,0 | 3,0 | 0,077 | ||
| 22 | 32 | -0,34 | 30,4 | 22 | 36,9 | -1,1 | 0,40 | 0,093 | |
| 24 | 36 | 34,2 | 24 | 41,6 | -1,3 | 0,133 | |||
| 27 | 41 | 39,0 | 27 | 47,3 | 0,194 | ||||
| 30 | 46 | 43,7 | 30 | 53,1 | -1,4 | 0,277 | |||
| 33 | 50 | 47,5 | 33 | 57,7 | -1,5 | 0,50 | 4,0 | 0,389 | |
| 36 | 55 | -0,40 | 52,3 | 36 | 63,5 | -1,7 | 0,446 | ||
| 39 | 60 | 57,0 | 39 | 69,3 | 0,637 | ||||
| 42 | 65 | 61,8 | 42 | 75,0 | -1,8 | 5,0 | 0,777 | ||
| 45 | 70 | 66,5 | 45 | 80,8 | 1,100 | ||||
| 48 | 75 | 71,3 | 48 | 86,5 | -1,9 | 1,197 | |||
| 52 | 80 | 76,0 | 52 | 92,3 | 0,60 | 1,420 | |||
| 56 | 85 | -0,87 | 80,8 | 56 | 98,0 | -1,2 | 1,688 | ||
Пример условного обозначения гайки сдиаметром резьбы d=36мм, из стали марки 35Х, без покрытия:
ГайкаМ36. 35Х ГОСТ 10495-80
То же, спокрытием 02 толщиной 6 мкм:
ГайкаМ36. 35Х 026 ГОСТ 10495-80
(Измененнаяредакция, Изм. № 1).
2.1. Гайкиследует изготовлять в соответствии с требованиями настоящего стандарта порабочим чертежам, утвержденным в установленном порядке.
2.2. Гайкиследует изготовлять из сортового проката и поковок.
2.3. Маркисталей и параметры их применения должны соответствовать указанным в табл. 2.
| Марка стали | Обозначение стандарта | Предельные параметры применения | |
| температура, °С | условное давление, | ||
| 30Х | ГОСТ 4543 | От минус 50 | »63(630) |
| 35Х | От минус 50 | »80(800) | |
| 38ХА | |||
| 40Х | |||
| 30ХМА | От минус 50 | »100(1000) | |
| 35ХМ | |||
| 25Х1МФ | ГОСТ 20072 | ||
Примечание. Допускается по согласованиюмежду потребителем и изготовителем применять стали других марок, разрешенныхГосгортехнадзором, если их механические свойства не ниже указанных в табл. 3.
2.4. Заготовкидля гаек следует подвергать термической обработке - закалке и отпуску. Режимытермической обработки приведены в приложении.
2.5.Механические свойства заготовок при температуре 20 °С в термическиобработанном состоянии должны соответствовать указанным в табл. 3.
| Марка стали | Условный предел текучести | Временное сопротивление | Относительное удлинение | Ударная вязкость | Твердость НВ |
| не менее | |||||
| 30Х | 392 (40) | 618 (63) | 17 | 588 (6) | 187 ¼ 229 |
| 35Х, 38ХА, 40Х | 490 (50) | 657 (67) | 16 | 212 ¼ 248 | |
| 30ХМА, 35ХМ, 25Х1МФ | |||||
(Измененнаяредакция, Изм. № 1).
2.6.Сдаточными характеристиками являются временное сопротивление, условный пределтекучести, относительное удлинение и ударная вязкость.
2.7.Резьба метрическая с крупным шагом - по ГОСТ 24705 с полем допуска 6Н по ГОСТ16093.
2.8.Отклонение от перпендикулярности опорной поверхности гайки (угол
на черт. 2) относительно оси резьбы не должно быть более 30¢.
2.9.Допустимый уклон граней (угол
на черт. 2) и их непараллельность не должны быть более 30¢.
Черт.2.
2.10. Обработанные поверхности гаек не должны иметь трещин, надрывов.
2.11.Резьба должна быть чистой и не должна иметь заусенцев, рванин, ниток ссорванной или неполной резьбой. Вмятины на резьбе, препятствующие ввинчиваниюпроходного калибра, не допускаются.
2.12.Гайки, применяемые при температуре до 200 °С, по заказу потребителяследует изготовлять с покрытием. Вид покрытия - по ГОСТ 9.303. Толщина покрытия - по ГОСТ 9.306. Условное обозначение покрытия - по ГОСТ1759.0.
2.13. Защитныепокрытия должны быть однородными, пузыри и отслаивания не допускаются.
2.14.Требования к шероховатости под покрытие - по ГОСТ 9.301.
3.1. Правилаприемки - по ГОСТ 17769.
3.2. Каждаягайка должна быть подвергнута проверке на соответствие требованиям п.п. 1.1, 2.7 - 2.14, 5.1, 5.2.
3.3. Гайкиследует предъявлять к приемке партиями.
Партия должнасостоять из гаек одного обозначения, изготовленных из одной партии заготовок.
3.4. Проверку гаекна соответствие требованиям п. 2.5 следуетпроводить на основании результатов испытаний каждой партии заготовок.
3.5. Партиязаготовок должна состоять из металла одной плавки и одной садки при термическойобработке.
3.6. Испытаниязаготовок на твердость следует проводить в объеме 100 %. При длине заготовки500 мм и более твердость измеряют на обоих концах и по ее длине с интервалом неболее 500 мм.
3.7. Одинпроцент от партии заготовок, но не менее 2 шт., с нижним и верхним значениямитвердости в данной партии следует подвергать испытаниям на соответствиетребованиям п. 2.5.
Допускаетсяотбирать заготовки для механических испытаний с промежуточными значениямитвердости. В этом случае твердость является сдаточной характеристикой.
3.8. Числоиспытываемых образцов от каждой контролируемой заготовки должно быть: один - нарастяжение и два - на ударную вязкость.
3.9. Приполучении неудовлетворительных результатов испытания механических свойств хотябы одного образца, следует проводить повторные испытания удвоенного числаобразцов из тех же заготовок или других этой же партии с той же твердостьютолько по виду испытаний, давших неудовлетворительный результат.
3.10. Партиюсчитают годной, если при повторных испытаниях получены положительныерезультаты.
При получениинеудовлетворительных результатов испытаний партия заготовок может бытьпредъявлена к приемке вновь после испытания заготовок с последующим уровнемтвердости.
3.11.Заготовки с твердостью, не обеспечивающей получение требуемых механическихсвойств, указанных в табл. 3, могут бытьдопущены к сдаче после повторной термической обработки с проведениемсоответствующих испытаний.
Числоповторных термических обработок должно быть не более двух. Дополнительныйотпуск не считают повторной термической обработкой.
4.1. Внешнийосмотр (п.п. 2.10, 2.11, 5.1, 5.2) следует проводить без применения увеличительныхприборов.
4.2. Размерыгаек (п. п. 1.1, 2.7- 2.9) следует проверять предельнымикалибрами, шаблонами, универсальными измерительными инструментами.
4.3.Определение твердости (п. 2.5) - по ГОСТ 9012.
4.4. Испытаниена растяжение (п. 2.5) - по ГОСТ 1497.
4.5. Испытаниена ударную вязкость (п. 2.5) - по ГОСТ 9454,образец типа 1.
4.6. Методотбора проб - по ГОСТ 7564.
4.7. Методыпроверки качества и толщины покрытия (п.п.2.12 - 2.14) - по ГОСТ 9.302. Толщину покрытия проверяют на торцах илигранях гайки.
5.1.Маркировка гаек в зависимости от марки стали должна соответствовать указанной втабл. 4.
5.2.На гайках, в местах указанных в табл. 4,должна быть нанесена маркировка с указанием:
- номерапартии;
- товарногознака предприятия-изготовителя.
5.3. Высотазнаков маркировки:
2,5 мм - длягаек с d £27 мм;
4 мм - для гаекс d >27 мм.
5.4.Знаки маркировки должны быть отчетливо видны невооруженным глазом.
5.5.Маркировку следует проводить ударным способом.
5.6.Партия гаек должна сопровождаться паспортом, удостоверяющим их соответствиетребованиям настоящего стандарта.
Паспорт долженсодержать следующие данные:
- наименованиепредприятия-изготовителя;
- условноеобозначение гаек;
- число гаек;
- номерпартии;
- марку стали;
- результатыиспытаний (с указанием даты);
- обозначениенастоящего стандарта;
- вид и толщину покрытия (для гаек спокрытием);
- штамп ОТК.
5.7. (Исключен,Изм. № 1).
5.8.Требования к упаковке, транспортированию, хранению и маркировке тары - по ГОСТ 18160.
5.9. Прихранении в закрытом помещении гайки должны находиться в таре.
5.10.Допускается по согласованию между потребителем и изготовителем гайки спокрытием не подвергать консервации.
| Марка стали | Место маркировки |
| 30Х |
|
| 35Х, 38ХА, 40Х |
|
| 30ХМА, 35ХМ, 25Х1МФ |
|
Примечание. Маркировка должнасохраняться при замене стали на равноценную.
Рекомендуемое
Режимытермической обработки заготовок
| Марка стали | Закалка | Отпуск | ||
| температура нагрева, °С | охлаждающая среда | температура нагрева, °С | охлаждающая среда | |
| 30Х | 850-870 | Масло | 580-620 | Вода и масло |
| 35Х | 850-870 | 560-600 | ||
| 38ХА | 850-870 | 560-600 | ||
| 40Х | 850-870 | 560-600 | ||
| 30ХМА | 850-880 | 580-620 | ||
| 35ХМ | 850-880 | 590-630 | ||
| 25Х1МФ | 930-960 | 680-720 | ||
ИНФОРМАЦИОННЫЕДАННЫЕ
1. РАЗРАБОТАН ИВНЕСЕН Министерством химического и нефтяного машиностроения СССР
РАЗРАБОТЧИКИ
Е.Я. Нейман;Л.Ф. Березин (руководитель темы)
2. УТВЕРЖДЕН И ВВЕДЕНВ ДЕЙСТВИЕ Постановлением Государственного комитета СССР по стандартам от30.12.80 № 6073
3. ВЗАМЕН ГОСТ10495-74
4. ССЫЛОЧНЫЕНОМАТИВНО-ТЕХНИЧЕСКИЕ ДОКУМЕНТЫ
| Обозначение НТД, на который дана ссылка | Номер пункта |
| ГОСТ 9.301-86 | 2.14 |
| ГОСТ 9.302-88 | 4.7 |
| ГОСТ 9.303-84 | 2.12 |
| ГОСТ 9.306-85 | 2.12 |
| ГОСТ 1497-93 | 4.4 |
| ГОСТ 4543-71 | 2.3 |
| ГОСТ 7564-97 | 4.6 |
| ГОСТ 9012-59 | 4.3 |
| ГОСТ 9454-78 | 4.5 |
| ГОСТ 16093-81 | 2.7 |
| ГОСТ 17769-83 | 3.1 |
| ГОСТ 18160-72 | 5.8 |
| ГОСТ 20072-74 | 2.3 |
| ГОСТ 24705-81 | 2.7 |
5. Проверен в 1990 г.Снято ограничение срока действия Постановлением Госстандарта от 25.02.91 № 159
6.ПЕРЕИЗДАНИЕ (декабрь 1998 г.) с Изменениями № 1, 2, утвержденными в июле 1986г., феврале 1991 г. (ИУС 11-86, 5-91)