Настоящий стандарт распространяется на разборные и неразборные электрические контактные соединения шин, проводов или кабелей (далее - проводников) из меди, алюминия и его сплавов, стали, алюмомедных проводов с выводами электротехнических устройств, а также на контактные соединения проводников между собой на токи от 2,5 А. Для контактных соединений электротехнических устройств на токи менее 2,5 А требования стандарта являются рекомендуемыми. Требования стандарта в части допустимого значения электрического сопротивления и стойкости контактных соединений при сквозных токах распространяются также на контактные соединения в цепях заземляющих и защитных проводников из стали.
Стандарт не распространяется на электрические контактные соединения электротехнических устройств специального назначения.
| Обозначение: | ГОСТ 10434-82* |
| Название рус.: | Соединения контактные электрические. Классификация. Общие технические требования |
| Статус: | действующий |
| Заменяет собой: | ГОСТ 10434-76 |
| Дата актуализации текста: | 01.10.2008 |
| Дата добавления в базу: | 01.02.2009 |
| Дата введения в действие: | 01.01.1983 |
| Разработан: | Минмонтажспецстрой СССР |
| Утвержден: | Госстандарт СССР (03.02.1982) |
| Опубликован: | Издательство стандартов № 1982<br>Издательство стандартов № 1994 |

ГОСУДАРСТВЕННЫЙ СТАНДАРТ СОЮЗАССР
СОЕДИНЕНИЯКОНТАКТНЫЕ
ЭЛЕКТРИЧЕСКИЕ
КЛАССИФИКАЦИЯ.ОБЩИЕ ТЕХНИЧЕСКИЕ ТРЕБОВАНИЯ
ГОСТ 10434-82
Москва
ГОСУДАРСТВЕННЫЙ СТАНДАРТ СОЮЗА ССР
| СОЕДИНЕНИЯ КОНТАКТНЫЕ ЭЛЕКТРИЧЕСКИЕ Классификация. Общие технические требования Electric contact connections. Classification. | ГОСТ |
Дата ведения 01.01.83
Настоящийстандарт распространяется на разборные и неразборные электрические контактныесоединения шин, проводов или кабелей (далее - проводников) из меди, алюминия иего сплавов, стали, алюмомедных проводов с выводами электротехническихустройств, а также на контактные соединения проводников между собой на токи от2,5 А. Для контактных соединений электротехнических устройств на токи менее 2,5А требования стандарта являются рекомендуемыми. Требования стандарта в частидопустимого значения электрического сопротивления и стойкости контактныхсоединений при сквозных токах распространяются также на контактные соединения вцепях заземляющих и защитных проводников из стали.
Стандарт нераспространяется на электрические контактные соединения электротехническихустройств специального назначения.
Термины,применяемые в стандарте, соответствуют ГОСТ 14312-79, ГОСТ 18311-80.
(Измененнаяредакция, Изм. № 1, 2, 3).
1.1. Взависимости от области применения электрические контактные соединения (далее -контактные соединения) подразделяются на классы в соответствии с табл. 1.
Таблица 1
| Класс контактного соединения | |
| 1. Контактные соединения цепей, сечения проводников которых выбраны по допустимым длительным токовым нагрузкам (силовые электрические цепи, линии электропередачи и т.п.) | 1 |
| 2. Контактные соединения цепей, сечения проводников которых выбраны по стойкости к сквозным токам, потере и отклонению напряжения, механической прочности, защите от перегрузки. Контактные соединения в цепях заземляющих и защитных проводников из стали | 2 |
| 3. Контактные соединения цепей с электротехническими устройствами, работа которых связана с выделением большого количества тепла (нагревательные элементы, резисторы и т.п.) | 3 |
Примечание. В стандартах и техническихусловиях на конкретные виды электротехнических устройств должны указыватьсяклассы 2 и 3, класс 1 не указывается.
1.2. В зависимости от климатического исполнения и категорииразмещения электротехнических устройств по ГОСТ 15150-69 контактные соединения подразделяются на группы всоответствии с табл. 2.
1.3. Поконструктивному исполнению контактные соединения подразделяются на неразборныеи разборные.
1.4. Взависимости от материала соединяемых проводников и группы контактных соединенийпо п. 1.2 разборные контактныесоединения подразделяются на:
не требующиеприменения средств стабилизации электрического сопротивления - см. пп. 2.1.6 и 2.1.8;
требующиеприменения средств стабилизации электрического сопротивления - см. пп. 2.1.7 и 2.1.8.
Таблица 2
| Климатическое исполнение и категория размещения электротехнического устройства | Группа контактного соединения |
| 1. Все климатические исполнения для категории размещения 4.1 при атмосфере типов II и I. Климатические исполнения У, УХЛ, ТС для категории размещения 3 и климатические исполнения УХЛ, ТС для категории размещения 4 при атмосфере типов II и I | А |
| 2. Любые сочетания климатического исполнения и категории размещения, кроме указанных выше, при атмосфере типов II и I. Любые сочетания климатического исполнения и категории размещения при атмосфере типов III и IV | Б |
2.1. Требования к конструкции
2.1.1. Контактныесоединения должны выполняться в соответствии с требованиями настоящегостандарта, стандартов и технических условий на конкретные видыэлектротехнических устройств по рабочим чертежам, утвержденным в установленномпорядке.
2.1.2. Выводы электротехнических устройств должны соответствоватьтребованиям ГОСТ 24753-81.
2.1.4. Линейнаяарматура должна соответствовать требованиям ГОСТ 13276-79.
2.1.5.Неразборные контактные соединения должны выполняться сваркой, пайкой илиопрессовкой. Допускается применение других методов, указанных в стандартах илитехнических условиях на конкретные виды электротехнических устройств.
Примерывыполнения неразборных контактных соединений приведены в приложении 1.
2.1.6. Разборные контактные соединения, не требующие применениясредств стабилизации электрического сопротивления, должны выполняться припомощи стальных крепежных изделий, защищенных от коррозии в соответствии стребованиями ГОСТ 9.303-84 , ГОСТ 9.005-72 .
(Измененнаяредакция, Изм. № 2).
1) крепежныхизделий из цветных металлов с коэффициентом линейного расширения от 18×10-6до 21×10-61/°С;
2) тарельчатыхпружин по ГОСТ 3057-90 или техническим условиям на конкретные виды пружин;
3) защитныхметаллических покрытий рабочих поверхностей, выбранных по ГОСТ9.303-84 с учетом требований ГОСТ9.005-72.
Допускаетсяприменение других видов защитных покрытий, указанных в стандартах илитехнических условиях на конкретные виды электротехнических устройств;
4) переходныхдеталей в виде медно-алюминиевых пластин по ГОСТ 19357-81, медно-алюминиевыхнаконечников по ГОСТ 9581-80 и аппаратных зажимов из плакированного алюминия поТУ 34-13-11438-89;
5) переходныхдеталей в виде пластин и наконечников из алюминиевого сплава с временнымсопротивлением разрыву не менее 130 МПа (далее - твердый алюминиевый сплав);
6) штифтовыхнаконечников по ГОСТ 23598-79 из твердого алюминиевого сплава;
7) штифтовыхнаконечников по ГОСТ 23598-79, медно-алюминиевых;
8)электропроводящих смазок или других электропроводящих материалов, есливозможность их применения подтверждена результатами испытаний по ГОСТ 17441-84и указана в стандартах или технических условиях на конкретные видыэлектротехнических устройств.
При применениисредств 2)-8) контактные соединения, как правило, должны выполняться припомощи, стальных крепежных деталей, защищенных от коррозии в соответствии стребованиями ГОСТ9.303-84, ГОСТ9.005-72.
Примечание. Необходимость нанесениязащитного металлического покрытия на рабочие поверхности медных проводниковдолжна быть указана в стандартах или технических условиях на конкретные видыэлектротехнических устройств.
(Измененнаяредакция, Изм. № 1, 2, 3).
2.1.8. Разборные контактные соединения в зависимости от группы поп. 1.2 и материаласоединяемых проводников и выводов электротехнических устройств должнывыполняться в соответствии с требованиями стандарта, указанными:
для контактныхсоединений проводников с плоскими выводами, а также контактных соединенийпроводников между собой - в табл. 3;
для контактныхсоединений проводников со штыревыми выводами - в табл. 4;
для контактныхсоединений проводников с гнездовыми выводами - в табл. 5.
Таблица 3
| Материал проводника | Номер пункта стандарта в зависимости от материала вывода или второго проводника | ||||
| медь и ее сплавы | твердый алюминиевый сплав | алюминий | сталь | ||
| А | Медь, алюмомедь | 2.1.7 1) или 2), или 3), или 4), или 5), или 8) | |||
| Твердый алюминиевый сплав | |||||
| Алюминий | 2.1.7 1) или 2), или 3), или 4), или 5), или 8) | ||||
| Б | Медь, алюмомедь | 2.1.7* 3) или 4), или 5) и 3) | 2.1.7 4) или 5) и 3), или 1) и 3), или 2) и 3) | ||
| Твердый алюминиевый сплав | 2.1.7* 3) или 4), или 5) и 3) | 2.1.7 1) или 2), или 3), или 4), или 5) | 2.1.7 4) или 5) и 3) | ||
| Алюминий | 2.1.7 4) или 5) и 3), или 1) и 3), или 2) и 3) | 2.1.7 1) или 2), или 3), или 4), или 5) | |||
* Контактные соединения электротехнических устройствклиматических исполнений У, УХЛ категорий размещения 1 и 2 допускаетсяизготовлять по п. 2.1.6.
Контактныесоединения в соответствии с климатическим исполнением и категорией размещенияэлектротехнических устройств, определяемыми по ГОСТ15150-69 и ГОСТ 15543-70, должны выдерживать воздействие климатическихфакторов внешней среды, указанных в ГОСТ15150-69, ГОСТ 15543-70, ГОСТ15963-79, ГОСТ16350-80, ГОСТ 17412-72 или в стандартах и технических условиях наконкретные виды электротехнических устройств.
Таблица 4
| Материал проводника | Номер пункта стандарта в зависимости от материала штыревого вывода | |||
| медь или латунь на номинальный ток | сталь на номинальный ток до 40 А | |||
| до 630 А | выше 630 А | |||
| А | Медь, алюмомедь | |||
| Твердый алюминиевый сплав | ||||
| Алюминий | 2.1.7 1) | 2.1.7 3) или 4), или 5) | 2.1.7 2) или 3), или 4), или 5) | |
| Б | Медь, алюмомедь | |||
| Твердый алюминиевый сплав | 2.1.7 4) или 5) и 3) | 2.1.7* 4) или 5) и 3) | 2.1.7 4) или 5) и 3) | |
| Алюминий | 2.1.7 4) или 5) и 3) | |||
* Контактные соединения электротехнических устройств климатическихисполнений У, УХЛ категорий размещения 1 и 2 допускается изготовлять по п. 2.1.6.
Примечание. Во всех случаях для штыревыхвыводов на номинальный ток выше 40 А должны применяться упорные гайки из медиили латуни.
Таблица 5
| Материал проводника | Номер пункта стандарта в зависимости от типа жилы | ||
| однопроволочная | многопроволочная | ||
| А | Медь | Непосредственное соединение | Непосредственное соединение* или 2.1.6*** |
| Алюмомедь | - | ||
| Алюминий | Непосредственное соединение* или 2.1.7 6) или 7)** | Непосредственное соединение* или 2.1.7 6) или 7)** | |
| Б | Медь | Непосредственное соединение* или 2.1.6*** | 2.1.6*** |
| Алюмомедь | - | ||
| Алюминий | 2.1.7 7) или 6) и 3) | ||
* Возможность непосредственногосоединения должна быть указана в стандартах или технических условиях наконкретный вид электротехнического устройства.
** Допускается соединениеалюминиевых жил, сплавленных в монолит с добавкой легирующих присадок изтвердого алюминиевого сплава.
*** Контактноесоединение выполняется путем оконцевания медными штифтовыми наконечниками поГОСТ 22002.5-76, ГОСТ 22002.12-76, ГОСТ 22002.13-76, ГОСТ 23598-79 или путемоблуживания жил оловянно-свинцовыми припоями по ГОСТ 21931-76.
Допускается посогласованию с потребителем применять контактные соединения, отличающиеся отуказанных в табл. 3-5.
Примерывыполнения разборных контактных соединений приведены в приложении 2.
(Измененнаяредакция, Изм. № 1, 3).
2.1.9.Контактные соединения пластин из твердого алюминиевого сплава и алюминиевойчасти медно-алюминиевых пластин с алюминиевыми проводниками (выводами) должнывыполняться сваркой или пайкой, а соединения наконечников из твердогоалюминиевого сплава и алюминиевой части медно-алюминиевых наконечников салюминиевыми жилами проводов и кабелей должны выполняться сваркой илиопрессовкой.
жил сечением до16 мм2 - после оконцевания наконечниками по ГОСТ 7386-80 илинепосредственно: путем формирования в кольцо или без него с предохранением вобоих случаях от выдавливания фасонными шайбами или другими способами;
жил сечением 25мм2 и более - после оконцевания наконечниками по ГОСТ 7386-80, ГОСТ7387-82, ГОСТ 9581-80 или путем формирования конца жилы в плоскую зажимнуючасть с отверстием под болт.
жил сечением до10 мм2 - после оконцевания наконечниками по ГОСТ 7386-80, ГОСТ9688-82, ГОСТ 22002.1-82, ГОСТ 22002.2-76 - ГОСТ 22002.4-76, ГОСТ 22002.6-82,ГОСТ 22002.7-76 - ГОСТ 22002.11-76, ГОСТ 22002.14-76 или непосредственно: путемформирования в кольцо или без него с предохранением в обоих случаях отвыдавливания фасонными шайбами, или другими способами;
жил сечением 16мм2 и более - после оконцевания наконечниками по ГОСТ 7386-80, ГОСТ7387-82, ГОСТ 9581-80, ГОСТ 22002.1-82, ГОСТ 22002.2-76, ГОСТ 22002.6-82,ГОСТ 22002.7-76.
(Измененнаяредакция, Изм. № 1, 2).
2.1.12. Ккаждому болту (винту) плоского вывода или к штыревому выводу рекомендуетсяприсоединять не более двух проводников, если иное не указано в стандартах илитехнических условиях на конкретные виды электротехнических устройств.
2.1.13. В разборных контактных соединениях должны использоватьсякрепежные детали классов прочности по ГОСТ 1759.4-87 и ГОСТ1759.5-87 , указанных в табл. 6. Винты вконтактных соединениях рекомендуется применять с цилиндрической илишестигранной головкой.
Таблица 6
| Класс или группа прочности, не ниже | |
| Болты, винты, шпильки из углеродистых или легированных сталей | 5.8 |
| Гайки из углеродистых или легированных сталей | 5 |
| Болты, винты, шпильки и гайки из цветных металлов | 32 |
2.1.14.Требования к подготовке рабочих поверхностей контактных деталей приведены вприложении 3.
2.2. Требования к электрическим параметрам
2.2.1. Отношениеначального электрического сопротивления контактных соединений (кроме контактныхсоединений со штыревыми выводами) к электрическому сопротивлению участкасоединяемых проводников, длина которого равна длине контактного соединения, недолжно превышать:
для класса 1 -1, если иное не указано в стандартах или технических условиях на конкретныевиды электротехнических устройств;
для класса 2 -2;
для класса 3 -6.
В контактныхсоединениях проводников с различным электрическим сопротивлением сравнениепроизводится с контакт-деталью с бόльшим электрическим сопротивлением.
2.2.2. Начальноеэлектрическое сопротивление контактных соединений класса 1 проводников соштыревыми выводами не должно превышать значений, указанных в табл. 7.
Таблица 7
| 3 | 4 | 5 | 6 | 8 | 10 | 12 | 16 | 20 | 24 | 30 | 33 | 36 | 42 | 48 | 56 | |
| Начальное электрическое сопротивление контактных соединений с медными и латунными выводами по ГОСТ 21242-75, мкОм | 80 | 50 | 30 | 26 | 16 | 14 | 12 | 10 | 8 | 8 | 6 | 6 | 5 | 5 | 5 | 4 |
Требования кконтактным соединениям классов 2 и 3, при необходимости, указываются встандартах или технических условиях на конкретные виды электротехническихустройств.
(Измененнаяредакция, Изм. № 3).
2.2.4. При протекании номинального (длительно допустимого) токанаибольшая допустимая температура контактных соединений классов 1 и 2 не должнапревышать значений, указанных в табл. 8. Токовые нагрузкипроводников при этом принимают по «Правилам устройства электроустановок»,утвержденным Госэнергонадзором 12.04.69, по стандартам или техническим условиямна конкретные виды электротехнических устройств.
Таблица 8
| Наибольшая допустимая температура нагрева, °С в установках | ||
| до 1000 В | св. 1000 В | |
| 1. Проводники из меди, алюмомеди, алюминия и его сплавов без защитных покрытий рабочих поверхностей | 95 | По ГОСТ 8024-90 |
| 2. Проводники из меди, алюмомеди, алюминия и его сплавов с защитными покрытиями рабочих поверхностей неблагородными металлами | 110* | |
| 3. Проводники из меди и ее сплавов без изоляции или с изоляцией классов В, F и Н по ГОСТ 8865-87 с защитным покрытием рабочих поверхностей серебром | 135 | |
* Допускается для проводников из меди без изоляции или сизоляцией классов В, F и Н по ГОСТ 8865-87 повышать температурудо 135 °С, если возможность этого подтверждена результатами испытаний по ГОСТ17441-84 и указана в стандартах или технических условиях на конкретные видыэлектротехнических устройств.
Температураконтактных соединений класса 3 устанавливается в стандартах или техническихусловиях на конкретные виды электротехнических устройств в зависимости отприменяемых материалов, покрытий, класса изоляции присоединяемых проводников иусловий эксплуатации.
(Измененнаяредакция, Изм. № 1, 2, 3).
2.2.5. (Исключен,Изм. № 1).
2.2.6. Послережима сквозного тока контактные соединения не должны иметь механическихповреждений, препятствующих их дальнейшей эксплуатации. Температура контактныхсоединений в режиме сквозного тока не должна быть более 200 °С у соединенийпроводников из алюмомеди, алюминия и его сплавов, а также у соединений этихпроводников с медными, 300 °С - у соединений медных проводников и 400 °С - усоединений стальных проводников.
2.2.7. Значениедопустимого сквозного тока контактных соединений должно быть не менеедопустимых сквозных токов конкретных видов электротехнических устройств,указанных в стандартах или технических условиях на эти устройства.
При отсутствииэтих данных значение плотности односекундного тока должно соответствовать 165А/мм2 - для медных проводников, 105 А/мм2 - дляалюминиевых и алюмомедных, 90 А/мм2 - для проводников из алюминиевогосплава и 20 А/мм2 - для стальных проводников.
(Измененнаяредакция, Изм. №.1).
2.3. Требования по устойчивости к механическим факторам
При отсутствиитаких указаний контактные соединения, подверженные вибрации, должны выдерживатьвибрацию в течение 1 ч с постоянной частотой от 40 до 50 Гц и амплитудой 1 мм.
2.3.2.Контактные соединения должны выдерживать воздействия статических осевыхнагрузок на растяжение, вызывающие напряжения, не менее:
90 % временногосопротивления разрыву целого проводника - для контактных соединений проводовлинии электропередачи, работающих на растяжение;
30 % временногосопротивления разрыву целого проводника - для неразборных контактныхсоединений, не работающих на растяжение, а также для соединений проводников сгнездовыми выводами, соединений неоконцованных проводов и кабелей с плоскимивыводами, укомплектованными фасонными шайбами.
2.3.3. Затяжкуболтов рекомендуется производить моментными индикаторными ключами, напримерДК-25, винтов - тарированными отвертками. Крутящие моменты указаны в приложении4.
Для проводниковсечением до 1,5 мм2 не допускается применять винтовой зажим, конецвинта которого проворачивается по жиле.
2.3.1.-2.3.3. (Измененнаяредакция, Изм. № 1).
2.3.4. Разборныеконтактные соединения проводников с выводами, одноболтовые контактныесоединения, которые могут подвергаться воздействию сквозных токов короткогозамыкания, а также разборные контактные соединения, подверженные вибрации илинаходящиеся во взрывоопасных помещениях, должны быть предохранены отсамоотвинчивания контргайками, пружинными шайбами, тарельчатыми пружинами илидругими способами.
(Измененнаяредакция, Изм. № 2).
2.4. Требования к надежности
2.4.1. Дляоценки надежности контактных соединений устанавливается гамма-процентныйресурс, если иное не установлено в стандартах или технических условиях наэлектротехнические устройства конкретных видов.
Нижнее значениегамма-процентного ресурса должно обеспечивать работу электротехническихустройств в соответствии с требованиями к надежности, установленными встандартах или технических условиях на эти электротехнические устройства.
(Измененнаяредакция, Изм. № 1).
2.5. Требования безопасности
2.5.1. Контактные соединения в части требований безопасностидолжны соответствовать ГОСТ 12.2.007.0-75 и обеспечивать условия эксплуатации, установленные«Правилами технической эксплуатации установок потребителей» и «Правиламитехники безопасности при эксплуатации электроустановок потребителей»,утвержденными Госэнергонадзором 12 апреля 1969 г.
2.5.2. Контактные соединения в части требований пожарнойбезопасности должны соответствовать ГОСТ12.1.004-91 , что обеспечивается выполнением требований ГОСТ 10434-82.
(Введендополнительно, Изм. № 3).
Справочное

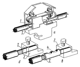
а - сваркой или пайкой; б - соштыревым выводом сваркой; в - сваркой через переходную медно-алюминиевуюпластину; г - соединение жил проводов (кабелей) через соединительнуюгильзу опрессовкой; д - соединение жилы провода (кабеля) с кабельнымнаконечником опрессовкой (сваркой, пайкой); е - соединение жил проводовв овальных соединителях
1 - плоский вывод (шина); 2- шина; 3 - штыревой вывод; 4 - медно-алюминиевая пластина; 5- провод (кабель); 6 - соединительная гильза; 7 - кабельныйнаконечник; 8 - овальный соединитель
Справочное
Разборныеконтактные соединения проводников с плоскими выводами без средств стабилизацииэлектрического сопротивления

а - с контргайкой; б - спружинной шайбой; в - однопроволочная (многопроволочная) жила провода(кабеля) сеч. до 10 мм2 с изгибанием в кольцо; г -однопроволочная (многопроволочная) жила провода (кабеля) сеч. до 10 мм2без изгибания в кольцо.
1 - плоский вывод (шина); 2- шина (кабельный наконечник); 3, 4, 5 - шайба, болт и гайка стальные; 6- пружинная шайба; 7 - винт; 8 - фасонная шайба(шайба-звездочка); 9 - провод (кабель); 10 - фасонная шайба(арочная шайба)
Черт. 1
Разборныеконтактные соединения проводников с плоскими выводами со средствамистабилизации электрического сопротивления

а - крепежом из цветного металла сконтргайкой; б - крепежом из цветного металла с пружинной шайбой; в- стальным крепежом с тарельчатой пружиной; г - стальным крепежом сзащитными металлическими покрытиями рабочих поверхностей с контргайкой(пружинной шайбой); д - стальным крепежом через переходную медно-алюминиевуюпластину с контргайкой (пружинной шайбой); е - стальным крепежом черезпереходную пластину из твердого алюминиевого сплава с контргайкой (пружиннойшайбой).
1 - плоский вывод (шина); 2 -шина (кабельный наконечник); 3 - 5 - шайба, болт, гайка из цветногометалла; 6 - пружинная шайба; 7 - стальная гайка; 8 -стальной болт; 9 - тарельчатая пружина; 10 - стальная шайба(шайба увеличенная); 11 - стальная шайба; 12 - плоский вывод(шина) с защитным металлическим покрытием рабочей поверхности; 13 - шина(кабельный наконечник) с защитным металлическим покрытием рабочей поверхности; 14- медно-алюминиевая пластина; 15 - пластина из твердого алюминиевогосплава
Черт. 2
Разборныеконтактные соединения проводников со штыревыми выводами без средств и со средствамистабилизации электрического сопротивления

а - проводник из меди, твердогоалюминиевого сплава или алюминия с защитным металлическим покрытием рабочейповерхности; б, в, г - алюминиевый проводник; д -алюминиевый проводник через переходную медно-алюминиевую пластину; е -однопроволочная (многопроволочная) жила провода кабеля сеч. 10 мм2с изгибанием в кольцо.
1-штыревой вывод из меди или латуни;2 - гайка из меди или латуни; 3 - шина (кабельный наконечник) измеди, твердого алюминиевого сплава или алюминия с защитным металлическимпокрытием рабочих поверхностей; 4 - стальная гайка; 5 - штыревоймедный вывод; 6 - стальная шайба; 7 - алюминиевая шина (кабельныйнаконечник); 8 - штыревой латунный вывод; 9 - штыревой стальнойвывод; 10 - тарельчатая пружина; 11 - медно-алюминиевая пластина;12 - провод (кабель); 13 - пружинная шайба; 14 - фасоннаяшайба (шайба-звездочка)
Черт. 3
Разборныеконтактные соединения проводников с гнездовыми выводами

а, б - однопроволочная (многопроволочная,сплавленная в монолит) жила; в - многопроволочная жила, оконцованнаякабельным наконечником.
1 - наборный зажим; 2 -провод (кабель); 3 - гнездовой вывод; 4 - кабельный наконечникштифтовой
Черт. 4
Рекомендуемое

1.Контакт-детали, имеющие два и более отверстий под болты в поперечном ряду,рекомендуется выполнять с продольными разрезами, как показано на чертеже.
2. Рабочиеповерхности контакт-деталей разборных контактных соединений и неразборныхконтактных соединений с линейной арматурой непосредственно перед сборкой должныбыть подготовлены:
медные безпокрытия и алюмомедные - зачищены.
При зачисткеалюмомедных проводов не должна быть повреждена медная оболочка;
алюминиевые и изалюминиевых сплавов - зачищены и смазаны нейтральной смазкой (вазелин КВЗ поГОСТ 15975-70, ЦИАТИМ-221 по ГОСТ 9433-80 или другими смазками с аналогичнымисвойствами).
Рекомендуемоевремя между зачисткой и смазкой не более 1 ч;
рабочие поверхности,имеющие защитные металлические покрытия, - промыты органическим растворителем.
(Измененнаяредакция, Изм. № 3).
3. Рабочиеповерхности медных контакт-деталей, соединяемых способом опрессовки, должныбыть зачищены, если иное не указано в стандартах или технических условиях наконкретные виды электротехнических устройств.
Рабочиеповерхности алюминиевых контакт-деталей должны быть зачищены и смазаныкварцевазелиновой пастой или другими смазками, пастами и компаундами саналогичными свойствами.
4. Поверхностиконтакт-деталей, соединяемых сваркой или пайкой, должны быть предварительнозачищены, обезжирены или протравлены.
5. Расположение иразмер отверстий под болты в контакт-деталях разборных контактных соединенийрекомендуется принимать в соответствии с ГОСТ 21242-75.
По согласованию спотребителем допускается выполнение овальных отверстий.
(Введендополнительно, Изм. № 2).
Рекомендуемое
Таблица 9
| Диаметр резьбы, мм | Крутящий момент, Н×м, для болтового соединения | |
| с шлицевой головкой (винты) | с шестигранной головкой | |
| М3 | 0,5+0,1 | - |
| М3,5 | 0,8±0,2 | |
| М4 | 1,2±0,2 | |
| М5 | 2,0±0,4 | 7,5±1,0 |
| М6 | 2,5±0,5 | 10,5±1,0 |
| М8 | - | 22,0±1,5 |
| M10 | 30,0±1,5 | |
| М12 | 40,0±2,0 | |
| М16 | 60,0±3,0 | |
| М20 | 90,0±4,0 | |
| М24 | 130,0±5,0 | |
| М30 | 200,0±7,0 | |
| М36 | 240,0±10,0 | |
Примечание. Для болтовых соединенийпроводников из меди и твердого алюминиевого сплава рекомендуется применятькрутящие моменты, значения которых в 1,5 - 1,7 раза превышают установленные втаблице.
(Измененнаяредакция, Изм. № 3).
ИНФОРМАЦИОННЫЕДАННЫЕ
1. РАЗРАБОТАН И ВНЕСЕН Министерством монтажных испециальных строительных работ СССР
РАЗРАБОТЧИКИ
Н. Н. Дзекцер, канд. техн.наук (руководитель темы); В. Л. Фукс; О. В. Фесенко, канд. техн. наук
2. УТВЕРЖДЕН И ВВЕДЕН В ДЕЙСТВИЕ ПостановлениемГосударственного комитета СССР по управлению качеством продукции и стандартамот 03.02.82 № 450
3. ВЗАМЕН ГОСТ 10434-76
4. ССЫЛОЧНЫЕ НОРМАТИВНО ТЕХНИЧЕСКИЕ ДОКУМЕНТЫ
| Обозначение НТД, на который дана ссылка | Номер пункта, перечисления, приложения |
| ГОСТ 9.005-72 | |
| ГОСТ 9.303-84 | |
| ГОСТ 12.1.004-91 | |
| ГОСТ 12.2.007.0-75 | |
| ГОСТ 1759.4-87 | |
| ГОСТ 1759.5-87 | |
| ГОСТ 3057-90 | 2.1.7, перечисление 2 |
| ГОСТ 7386-80 | 2.1.10; 2.l.11 |
| ГОСТ 7387-82 | |
| ГОСТ 8024-90 | |
| ГОСТ 8865-87 | |
| ГОСТ 9433-80 | |
| ГОСТ 9581-80 | |
| ГОСТ 9688-82 | |
| ГОСТ 13276-79 | |
| ГОСТ 14312-79 | Вводная часть |
| ГОСТ 15150-69 | |
| ГОСТ 15543-70 | |
| ГОСТ 15963-79 | |
| ГОСТ 15975-70 | Приложение 3 |
| ГОСТ 16350-80 | |
| ГОСТ 17412-72 | |
| ГОСТ 17441-84 | |
| ГОСТ 17516-72 | |
| ГОСТ 18311-80 | Вводная часть |
| ГОСТ 19132-86 | |
| ГОСТ 19357-81 | 2.1.7, перечисление 4 |
| ГОСТ 21242-75 | Приложение 3 |
| ГОСТ 21931-76 | |
| ГОСТ 22002.1-82 | |
| ГОСТ 22002.2-76 - ГОСТ 22002.4-76 | |
| ГОСТ 22002.5-76 | |
| ГОСТ 22002.6-82 | |
| ГОСТ 22002.7-76 - ГОСТ 22002.11-76 | |
| ГОСТ 22002.12-76 | |
| ГОСТ 22002.13-76 | |
| ГОСТ 22002.14-76 | |
| ГОСТ 23598-79 | |
| ГОСТ 24753-81 | |
| ГОСТ 25034-85 | |
| ГОСТ 34-13-11438-89 | 2.1.7, перечисление 4 |
5. Срок действияпродлен до 01.01.96 Постановлением Государственного комитета СССР по управлениюкачеством продукции и стандартам от 25.05.90 № 1309
6.ПЕРЕИЗДАНИЕ (октябрь 1993 г.) с Изменениями № 1, 2, 3, утвержденными в апреле1985 г., июне 1987 г., мае 1990 г. (ИУС 7-85, 10-87, 8-90)
СОДЕРЖАНИЕ
| Приложение 1 Неразборные контактные соединения. 7 Приложение 2 Разборные контактные соединения. 7 Приложение 3 Требования к подготовке рабочих поверхностей контакт-деталей. 9 |