Настоящий стандарт распространяется на изготовленные способом опрессовки покрытые металлические электроды для ручной дуговой сварки сталей и наплавки поверхностных слоев из сталей и сплавов.
Стандарт не распространяется на электроды для наплавки слоев из цветных металлов и их сплавов.
| Обозначение: | ГОСТ 9466-75* |
| Название рус.: | Электроды покрытые металлические для ручной дуговой сварки сталей и наплавки. Классификация и общие технические условия |
| Статус: | действующий (Переиздание фев. 2003 с изм. 1 и 2) |
| Заменяет собой: | ГОСТ 9466-60 |
| Дата актуализации текста: | 01.10.2008 |
| Дата добавления в базу: | 01.02.2009 |
| Дата введения в действие: | 01.01.1976 |
| Разработан: | Министерство тяжелого, энергетического и транспортного машиностроения СССР |
| Утвержден: | Госстандарт СССР (27.03.1975) |
| Опубликован: | Издательство стандартов № 1975<br>Издательство стандартов № 1988<br>ИПК Издательство стандартов № 1997<br>ИПК Издательство стандартов № 2002<br>ИПК Издательство стандартов № 2003 |

ГОСУДАРСТВЕННЫЙ СТАНДАРТ СОЮЗА ССР
ЭЛЕКТРОДЫПОКРЫТЫЕ
МЕТАЛЛИЧЕСКИЕ ДЛЯ РУЧНОЙ
ДУГОВОЙ СВАРКИ СТАЛЕЙ
И НАПЛАВКИ
Классификация и общие технические условия
ГОСТ 9466-75
ГОСУДАРСТВЕННЫЙКОМИТЕТ СССР ПО СТАНДАРТАМ
Москва
ГОСУДАРСТВЕННЫЙСТАНДАРТ СОЮЗА ССР
| ЭЛЕКТРОДЫ ПОКРЫТЫЕ МЕТАЛЛИЧЕСКИЕ Классификация и общие технические | ГОСТ |
Срок действия с 01.01.76
до 01.01.94
Несоблюдение стандарта преследуется по закону
Настоящийстандарт распространяется на изготовленные способом опрессовки покрытыеметаллические электроды для ручной дуговой сварки сталей и наплавкиповерхностных слоев из сталей и сплавов.
Стандартне распространяется на электроды для наплавки слоев из цветных металлов и ихсплавов.
(Измененная редакция, Изм. № 1).
1.1. Классификацияэлектродов должна соответствовать указанной ниже.
1.2. По назначению электродыподразделяются: для сварки углеродистых и низколегированных конструкционныхсталей с временным сопротивлением разрыву до 60 кгс/мм2 - У(условное обозначение);
для сварки легированныхконструкционных сталей с временным сопротивлением разрыву свыше 60 кгс/мм2- Л;
для сварки легированныхтеплоустойчивых сталей - Т;
для сваркивысоколегированных сталей с особыми свойствами - В;
для наплавки поверхностныхслоев с особыми свойствами - Н.
1.3.Подразделение электродов на типы - по ГОСТ 9467-75 , ГОСТ 10051-75 и ГОСТ 10052-75 .
1.4. Подразделениеэлектродов на марки - по стандартам или техническим условиям.
Примечания:
1. Каждомутипу электродов может соответствовать одна или несколько марок.
2. До 01.01.91 допускается подразделение электродов на марки подействующим паспортам.
1.5. По толщине покрытия взависимости от отношения
(D - диаметр покрытия, d - диаметр электрода,определяемый диаметром стержня) электроды подразделяются:![]()
с тонким покрытием
- М;
со средним покрытием
- С;
с толстым покрытием
- Д;
с особо толстым покрытием
- Г.
1.4, 1.5. (Измененная редакция, Изм. № 1).
1.6. (Исключен, Изм. № 1).
1.7. По видам покрытияэлектроды подразделяются:
с кислым покрытием - А;
с основным покрытием - Б;
с целлюлозным покрытием - Ц;
с рутиловым покрытием - Р;
с покрытием смешанного вида- соответствующее двойное условное обозначение;
с прочими видами покрытий -П.
Примечание. При наличии в составепокрытия железного порошка в количестве более 20 % к обозначению вида покрытияэлектродов следует добавлять букву Ж.
1.8. По допустимымпространственным положениям сварки или наплавки электроды подразделяются:
для всех положений - 1;
для всех положений, кромевертикального сверху вниз - 2;
для нижнего, горизонтальногона вертикальной плоскости и вертикального снизу вверх - 3;
для нижнего и нижнего влодочку - 4.
1.9. По роду и полярностиприменяемого при сварке или наплавке тока, а также по номинальному напряжению холостогохода используемого источника питания сварочной дуги переменного тока частотой50 Гц электроды подразделяются в соответствии с табл. 1.
Таблица1
| Напряжение холостого хода ниточника переменного тока, В | Обозначение | ||
| Номин. | Пред. откл. | ||
| Обратная | - | - | 0 |
| Любая | 50 | ±5 | 1 |
| Прямая | 2 | ||
| Обратная | 3 | ||
| Любая | 70 | ±10 | 4 |
| Прямая | 5 | ||
| Обратная | 6 | ||
| Любая | 90 | ±5 | 7 |
| Прямая | 8 | ||
| Обратная | 9 | ||
Примечание. Цифрой 0 обозначаютэлектроды, предназначенные для сварки или наплавки только на постоянном токеобратной полярности.
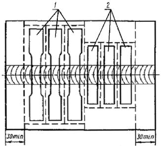
2.1.Размеры электродов должны соответствовать указанным на черт. 1 и в табл. 2.
1 - стержень; 2 - участокперехода, 3 - покрытие; 4 - контактный торец без покрытия
Черт.1
2.2, 2.3. (Исключены, Изм. № 1).
2.4.Структура условного обозначения электродов приведена на схеме (черт. 2).
Таблица2
| Номинальный диаметр электрода, определяемый диаметром стержня, d | Номинальная длина электрода L (пред. откл. ±3) со стержнем из сварочной проволоки | Длина зачищенного от покрытия конца l (пред. откл. ±5) | |
| низкоуглеродистой или легированной | высоколегированной | ||
| 1,6 | 200 250 | 150 | 20 |
| 200 | |||
| (250) | |||
| 2,0 | 250 (300) | 200 | 20 |
| 250 | |||
| (300) | |||
| 2,5 | 250 | 250 (300) | |
| 300 | |||
| (350) | |||
| 3,0 | 300 | 300 350 | 25 |
| 350 | |||
| (450) | |||
| 4,0 | 350 | 350 | |
| 450 | (450) | ||
| 5,0 | 450 | 350 450 | |
| 6,0 | |||
| 8,0 | |||
| 10,0 | 30 | ||
| 12,0 | |||
Примечания:
1. Размеры,указанные в скобках, применить не рекомендуется.
2. Допускается изготовлятьэлектроды номинальным диаметром 3,15; 3,25; 6,3 и 12,5 мм.
(Измененная редакция, Изм. № 2).
3. Посоглашению изготовителя и потребителя может быть установлена иная длинаэлектродов.
4. По соглашениюизготовителя и потребителя покрытие с конца электрода на длине l допускается не зачищать. При этом обаторца электрода должны быть зачищены как контактные.
5 и 6 (Исключены,Изм. № 1).
7.На отдельных электродах, суммарное число которых не должно превышать 10 %общего числа контролируемых электродов, допускается увеличение предельныхотклонений длины электрода до ±4 мм.
8. Формазачистки покрытия со стороны контактного торца электрода должна бить конусной,округлой или переходной между конусной и округлой. При этом угол конусности ирадиус кривизны не регламентируются, однако в любом случае контактный торецэлектрода должен быть свободен от покрытия.
9. Наотдельных электродах, суммарное число которых не должно превышать 10 % общегочисла контролируемых электродов, допускается плоская зачистка покрытия наконтактном торце электрода по всему периметру или на отдельных участках приусловии отсутствия покрытия на поверхности контактного торца.
10.На контактный торец электрода может быть нанесен слой ионизирующего вещества,облегчающего возбуждение сварочной дуги, состав которого должен соответствоватьпредусмотренному стандартом или техническими условиями на электроды конкретноймарки.
1 - тип; 2 - марка; 3 - диаметр, мм; 4 - обозначение назначения электродов; 5 - обозначение толщины покрытия; 6 - группа индексов; указывающиххарактеристики наплавленного металла и металла шва по ГОСТ9467-75, ГОСТ10051-75 или ГОСТ10052-75; 7 - обозначение видапокрытия; 8 - обозначение допустимыхпространственных положений сварки или наплавки; 9 - обозначение рода применяемого при сварке или наплавке тока,полярности постоянного тока и номинального напряжения холостого хода источникапитания сварочной дуги переменного тока частотой 50 Гц; 10 - обозначение настоящего стандарта; 11 - обозначение стандарта на типы электродов
Черт.2
Примечания:
1.Для электродов марок, не относящихся к типам по ГОСТ9467-75, ГОСТ10051-75 или ГОСТ10052-75, в условном обозначении тип электродов не приводят, а вместообозначения стандарта на типы электродов указывают обозначение стандарта илитехнических условий на электроды конкретной марки.
2. В условном обозначении электродов для сварки углеродистых инизколегированных сталей с временным сопротивлением разрыву до 60 кгс/мм2после буквы Е тире не ставят.
(Измененная редакция, Изм. №1,2).
2.5.Условное обозначение по п. 2.4 должно быть указано на этикетках или в маркировке коробок, пачек иящиков с электродами.
Во всех видах документации(кроме конструкторской) условное обозначение электродов должно состоять измарки, диаметра и обозначения настоящего стандарта.
Примерыусловных обозначений:
Электроды типа Э42А по ГОСТ9467-75, марки УОНИИ-13/45, диаметром 3,0 мм, для сварки углеродистых и низколегированныхсталей У, с толстым покрытием Д, с установленной по ГОСТ9467-75 группой индексов, указывающих характеристики наплавленного металлаи металла шва, 43 2(5), с основным покрытием Б, для сварки во всехпространственных положениях 1 на постоянном токе обратной полярности 0:
- на этикетках или в маркировкекоробок, пачек и ящиков с электродами;
Электроды УОНИИ-13/45-3,0 ГОСТ 9466-75 - в документации.
Электроды типа Э-09Х1МФ по ГОСТ9467-75, марки ЦЛ-20, диаметром 4,0 мм, для сварки легированныхтеплоустойчивых сталей Т, с толстым покрытием Д, с установленной по ГОСТ9467-75 группой индексов, указывающих характеристики наплавленного металлаи металла шва, 27, с основным покрытием Б, для сварки во всех пространственныхположениях 1 на постоянном токе обратной полярности 0:
- на этикетках или в маркировкекоробок, пачек и ящиков с электродами;
Электроды ЦЛ-20-4,0 ГОСТ 9466-75 - в документации.
Электроды типа Э-10Х25Н13Г2Б по ГОСТ10052-75, марки ЦЛ-9, диаметром 5,0 мм, для сварки высоколегированныхсталей с особыми свойствами В, с толстым покрытием Д, с установленной по ГОСТ10052-75 группой индексов, указывающих характеристики наплавленного металлаи металла шва, 2075, с основным покрытием Б, для сварки в нижнем,горизонтальном на вертикальной плоскости и вертикальном снизу вверх положениях 3на постоянном токе обратной полярности 0:
- на этикетках или в маркировкекоробок, пачек и ящиков с электродами;
Электроды ЦЛ-9-5,0 ГОСТ 9466-76- в документации.
Электродытипа Э-11Г3 по ГОСТ10051-75, марки ОЗН-300У, диаметром 4,0 мм, для наплавки поверхностныхслоев с особыми свойствами Н, с толстым покрытием Д, с установленной по ГОСТ10051-75 группой индексов, указывающих характеристики наплавленногометалла, 300/33-1, с основным покрытием Б, для наплавки в нижнем положении 4 напостоянном токе обратной полярности (0):
- на этикетках или в маркировкекоробок, пачек и ящиков с электродами:
Электроды ОЗН-300У-4,0 ГОСТ 9466-75 - в документации.
(Измененная редакция, Изм. № 1).
(Поправка, ИУС № 9 1989 г.).
3.1.Электроды должны быть изготовлены в соответствии с требованиями настоящегостандарта и ГОСТ 9467-75 , ГОСТ 10051-75 или ГОСТ 10052-75 и стандартов или технических условий на электроды конкретных марок.
Электроды марок, неотносящихся к типам по ГОСТ9467-75, ГОСТ10051-75 или ГОСТ10052-75, должны быть изготовлены в соответствии с требованиями настоящегостандарта, стандартов или технических условий на электроды конкретной марки.
Примечание. Стандарты итехнические условия на электроды конкретных марок должны быть согласованы сорганизацией (предприятием) - разработчиком электродов этих марок.
3.2.Стержни электродов должны быть из сварочной проволоки, предназначенной дляизготовления электродов, по ГОСТ 2246-70 или по техническим условиям, устанавливающим химический состав металлапроволоки и предусматривающим остальные требования по ГОСТ 2246-70 .
3.3. Покрытие электродов должно быть плотным,прочным, без вздутий, пор, наплывов, трещин, за исключением поверхностныхтрещин, допускаемых по п. 3.4, и неровностей, за исключением местных вмятин и задиров, допускаемыхпо пп. 3.5 и 3.7.
3.1-3.3 (Измененная редакция, Изм. № 1).
(Измененная редакция, Изм. № 2).
Двеместные вмятины, расположенные с двух сторон электрода в одном поперечномсечении, могут быть приняты за одну, если их суммарная глубина не превышая 50 %толщины покрытия.
3.6. На участке электрода,примыкающем к зачищенному от покрытия контактному торцу электрода, допускаетсяоголенность стержня протяженностью по длине электрода не более половиныдиаметра стержня, но не более 1,6 мм для электродов с основным покрытием и неболее 2/3 диаметра стержня, но не более 2,4 мм дляэлектродов с кислым, целлюлозным и рутиловым покрытиями.
3.1 - 3.7. (Измененная редакция, Изм. № 1).
3.8. (Исключен, Изм. № 1)
3.9. Разностьтолщины покрытия е в диаметральнопротивоположных участках электрода не должна превышать значений, указанных втабл. 3.
Таблица3
| Значение е для электродов | ||
| с тонким, средним и толстым покрытиями | с особо толстым покрытием для наплавки поверхностных слоев с особыми свойствами | |
| 1,6 | 0,08 (0,12) | 0,12 (0,16) |
| 2,0 | 0,10 (0,14) | 0,15 (0,20) |
| 2,5 | 0,12 (0,16) | 0,18 (0,24) |
| 3,0; 3,15 | 0,15 (0,20) | 0,23 (0,28) |
| 4,0 | 0,20 (0,26) | 0,28 (0,34) |
| 5,0 | 0,24 (0,32) | 0,32 (0,40) |
| 6,0; 6,3 | 0,28 (0,36) | 0,36 (0,45) |
| Св. 6,3 | 0,30 (0,40) | 0,40 (0,50) |
Примечания:
1. В скобкахуказаны значения е, допускаемые для10 % контролируемых электродов.
2. Дляэлектродов со стержнями из высоколегированной проволоки, подвергнутойтравлению, допускается увеличение значений ена 0,02 мм при диаметре электрода до 3,15 мм включительно и на 0,03 мм придиаметре электрода свыше 3,15 мм.
3. Для электродов с особо толстым покрытием, предназначенных длясварки сталей, значение еустанавливается стандартами или техническими условиями на электроды конкретноймарки.
(Измененная редакция, Изм. № 1).
3.10. (Исключен, Изм. № 1).
1 м - для электродовдиаметром менее 4 мм;
0,5 м - для электродовдиаметром 4 мм и более.
По соглашению изготовителя ипотребителя для электродов диаметром более 5 мм допускается снижение высотыпадения до 0,3 м.
Для электродов с толстымпокрытием, содержащим более 35 % металлических компонентов, и для электродов сособо толстым покрытием высота падения должна устанавливаться стандартом илитехническими условиями на электроды конкретной марки.
При проверке допускаютсячастичные откалывания покрытия общей протяженностью до 5 % длины покрытой частиэлектрода.
(Измененная редакция, Изм. №1, 2).
дуга должна легковозбуждаться и стабильно гореть;
покрытие должно плавитьсяравномерно, без чрезмерного разбрызгивания, отваливания кусков и образованиячехла или козырька, препятствующих нормальному плавлению электрода при сваркево всех пространственных положениях, рекомендованных для электродов данной марки;
образующийся при сварке шлакдолжен обеспечивать правильное формирование валиков шва и легко удаляться послеохлаждения;
в металле шва, а также вметалле, наплавленном предназначенными для сварки электродами, не должно бытьтрещин, надрывов и поверхностных пор;
максимальные размеры и числовнутренних пор и шлаковых включений в металле шва не должны превышать норм,указанных в табл. 5.
Таблица5
| Максимальный линейный размер поры или шлакового включения, мм | Число внутренних пор и шлаковых включений в месте их наибольшего скопления на 100 мм длины шва | ||
| в однопроходном шве | во многопроходном шве | ||
| 1,6 | 0,3 | 3 | 5 |
| 2,0 | 0,4 | ||
| 2,5 | 0,6 | ||
| 3,0; 3,15 | 0,8 | ||
| 4,0 | 1,0 | ||
| 5,0 | 1,2 | ||
| 6,0; 6,3 | 1,5 | ||
| Св. 6,3 | 2,0 | ||
отклонение длины зачищенногоот покрытия конца l отноминального значения до ±7,5 мм;
наличие на покрытии каждогоэлектрода не более двух поперечных надрывов размером не более половины длиныокружности покрытия, поверхностных следов слипания электродов, не более трехпор с наружным размером не более 1,5 мм для электродов диаметром до 4 ммвключительно и не более 2,0 мм для электродов диаметром более 4 мм;
увеличение протяженностиповерхностных продольных трещин и участков местного сетчатого растрескивания наповерхности покрытия до значения, превышающих нормы по п. 3.4, ноне более чем на 50 %.
увеличение суммарнойпротяженности вмятин на покрытии до 35 мм;
увеличение числа местныхзадиров на поверхности покрытия до трех на электрод.
(Измененная редакция, Изм. №1, 2).
3.11 - 3.13. (Измененная редакция, Изм. № 1, 2).
3.14.Химический состав наплавленного металла, механические и специальные свойства ихарактеристики наплавленного металла, металла шва или сварного соединения(содержание ферритной фазы, стойкость против межкристаллитной коррозии и др.),коэффициент наплавки, расход электродов на 1 кг наплавленного металла,коэффициент массы покрытия, содержание влаги в покрытии, валовые выделениянаиболее вредных веществ при использовании электродов должны соответствоватьтребованиям стандарта или технических условий на электроды конкретной марки.
3.15. Срок годностиэлектродов при соблюдении установленных стандартом условий транспортирования ихранения не ограничен.
Примечание. Повышение содержаниявлаги в покрытии электродов устраняют их прокаливанием перед использованием нарежиме, указанном на упаковке.
3.14 и 3.15. (Введены дополнительно, Изм. № 1).
4.1. Для проверки соответствияэлектродов требованиям настоящего стандарта предприятие-изготовитель должнопроводить приемо-сдаточные испытания каждой партии электродов.
При этом проверяютсоответствие электродов требованиям п. 3.9 и 3.12, а также требованиямстандарта или технических условий на электроды конкретной марки в частихимического состава наплавленного металла, механических и специальных свойств ихарактеристик наплавленного металла, металла шва или сварного соединения.
Необходимость проверкиэлектродов на соответствие требованиям п. 2.1, 3.3 - 3.7, 3.11, а также проверкисодержания влаги в покрытии, коэффициента массы, покрытия устанавливают встандарте или технических условиях на электроды конкретной марки. Однакоизготовитель должен обеспечить соответствие электродов этим требованиям.
(Измененная редакция, Изм. № 1, 2).
4.2.Каждая партия должна состоять из электродов одной марки, одного диаметра.
Все входящие в партиюэлектроды должны быть изготовлено по одному технологическому процессу, наоднотипном оборудовании, с использованием стержней из проволоки одной марки спостоянным составом покрытия из компонентов одних и тех же партий. Партияэлектродов со стержнями из легированной или высоколегированной проволоки должнабыть изготовлена с использованием проволоки одной партии.
Примечания:
1.Определение партии проволоки - по ГОСТ 2246-70.
2. Вслучаях, установленных стандартом или техническими условиями на электродыконкретной марки, с согласия потребителя допускается изготовление партииэлектродов с использованием стержней из легированной или высоколегированнойпроволоки двух или нескольких партий, близких по химическому составу металла.При этом партии должны состоять из проволоки одной марки, одного диаметра,одного назначения и одного вида поверхности.
4.3. Масса партии электродовв зависимости от их назначения и диаметра не должна превышать значений,указанных в табл. 6.
Таблица6
| Диаметр электродов, мм | Mаccа партии электродов, т | |
| Сварка углеродистых и легированных конструкционных сталей | До 3,15 | 10 |
| Св. 3,15 | 20 | |
| Сварка легированных теплоустойчивых сталей | До 3,15 | 5 |
| Св. 3,15 | 10 | |
| Сварка высоколегированных сталей с особыми свойствами, наплавка поверхностных слоев с особыми свойствами | До 3,15 | 3 |
| Св. 3,15 | 5 |
Примечание. По соглашениюизготовителя и потребителя допускается увеличивать массу партии электродов скислым, целлюлозным и рутиловым покрытиями, но не более чем в два раза.
4.4.Для проверки соответствия электродов требованиям п. 2.1, 3.3 - 3.7, 3.13 из разных упаковочных мест,но не менее чем из десяти, или на выходе из прокалочной печи (не менее десятиотборов с конвейера через равные промежутки времени или из разных тележек)отбирают 0,5 % электродов от каждой тонны, входящей в партию, но не менее 10 ине более 200 электродов от партии.
Примечание. При положительныхрезультатах проверки электроды, отобранные по настоящему пункту, могут бытьиспользованы для других видов испытаний.
4.2 - 4.4. (Измененная редакция, Изм. № 1).
4.5. (Исключен, Изм. № 1).
4.6. Для проверки соответствия электродовтребованиям п. 3.9 из разных пачек или коробок отбирают не менее 5 электродов от каждойтонны, входящей в партию, но не менее 10 и не более 50 электродов от партии.
(Измененная редакция, Изм. №2).
4.7. Для проверки соответствия электродовтребованиям п. 3.11, коэффициента массы покрытия и содержания влаги в покрытии для каждоговида испытаний из разных пачек или коробок отбирают не менее трех электродов откаждой тонны, входящей в партию, но не менее пяти и не более 25 электродов отпартии.
(Измененная редакция, Изм. №2).
4.8. От каждой партииэлектродов, прошедшей проверку по п. 4.4, 4.6 и 4.7 должны быть отобраныэлектроды для проверки сварочно-технологических свойств, химического составанаплавленного металла и механических свойств металла шва, наплавленного металлаили сварного соединения, а также специальных свойств и характеристикнаплавленного металла, металла шва или сварного соединения (содержанияферритной фазы, стойкости против межкристаллитной коррозии и др.) - вколичестве, необходимом для выполнения соответствующих проб и образцов,предусмотренных настоящим стандартом и стандартами или техническими условиямина электроды конкретной марки.
4.9. При получениинеудовлетворительных результатов проверни по п. 4.6, а также по п. 4.7 вчасти прочности или коэффициента массы покрытия проводят повторную проверку наудвоенном количестве электродов, отобранных от партии. Результаты повторнойпроверки являются окончательными и распространяются на всю партию.
Приполучении неудовлетворительных результатов проверки по п. 4.7, ачасти содержания влаги в покрытии или по п. 4.8 в части размеров и количествапор (п. 3.12),выявленных в металле шва или наплавленном металле при проверкесварочно-технологических свойств, допускается повторное прокаливание всехэлектродов контролируемой партии с последующей проверкой соответствующихпоказателей.
При получениинеудовлетворительных результатов проверки по п. 4.8 в части химического составанаплавленного металла, механических и специальных свойств и характеристикметалла шва, наплавленного металла или сварного соединения допускаетсяповторное выполнение соответствующих проб и удвоенного числа образцов дляпроверки показателей, по которым был получен неудовлетворительный результат.Результаты повторной проверки являются окончательными.
4.6 - 4.9. (Измененная редакция, Изм. № 1).
5.1.Отобранные по п. 4.4 электроды подвергают осмотру без примененияувеличительных приборов и измерению.
Длину электрода L, длину зачищенного отпокрытия конца l, суммарную длину конца l и участка перехода ипротяженность вмятин, трещин и участков сетчатого растрескивания на поверхностипокрытия измеряют с погрешностью 0,1 мм.
Протяженностьоголенности стержня, глубину вмятин, задиров и размеры пор на поверхностипокрытия измеряют с погрешностью 0,1 мм.
(Измененная редакция, Изм. №1).
5.2. (Исключен, Изм. № 1).
5.3. Разность толщиныпокрытия е определяют в трех местахэлектрода, смещенных относительно друг друга на 50 - 100 мм по длине и на 120°± 15° по окружности.
Измеренияв каждом месте производят микрометром в соответствии со схемой, приведенной начерт. 3,с погрешностью 0,01 мм.
Величину (е) в миллиметрах вычисляют по формуле
e = S - S1.
Допускается проверкаразности толщины покрытия другими методами и специальными приборами(магнитными, емкостными и др.), обеспечивающими требуемую точность измерения.
(Измененная редакция, Изм. № 1).
5.4. Оценку результатовпроверки прочности покрытия производят внешним осмотром испытанных электродов иизмерением обнаруженных отколов покрытия с погрешностью 1 мм.
1 - покрытие электрода; 2- стержень электрода
Черт.3
5.5. Содержание влаги впокрытии определяют доведением снятого с каждого контролируемого электродапокрытия до постоянной массы при следующих температурах:
400 ± 10 °С - для основногопокрытия;
180 ± 10 °С - для кислого ирутилового покрытий;
110 ± 5 °С - дляцеллюлозного покрытия.
Для прочих и смешанных видовпокрытий, а также для кислого и рутилового покрытий, содержащих целлюлозу,температуру принимают в соответствии с указаниями стандартов или техническихусловий на электроды контролируемой марки.
Содержание влаги в покрытии(Вп) в процентах вычисляютс погрешностью 0,1 % по формуле
![]()
где m1 - исходная масса покрытия,г;
m2 - постоянная массапокрытия, г.
Массу определяют взвешиванием с погрешностью 0,01 г.Допускается определять содержание влаги в покрытии другими методами,обеспечивающими требуемую точность.
(Измененнаяредакция, Изм. № 1).
5.6. Коэффициент массыпокрытия (Kп) в процентах вычисляют спогрешностью 0,1 % по формуле
![]()
где m1 - масса покрытой частиэлектрода, г;
m2 - масса стержня этой жечасти электрода, г.
Массу определяютвзвешиванием с погрешностью 0,1 г.
(Поправка, ИУС 3-2004).
Вслучаях, установленных стандартами или техническими условиями на электродыконкретной марки, вместо одностороннего сварного таврового образца выполняюттрубный сварной стыковой образец.
Примечания:
1. Надвусторонних сварных тавровых образцах проверяют склонность швов к образованиютрещин.
2.Если стандартом или техническими условиями на электроды контролируемой маркипредусмотрена более жесткая проба для проверки склонности швов к образованиютрещин, выполнение двусторонних сварных тавровых образцов не являетсяобязательным.
3. В случаях, установленныхстандартом или техническими условиями на электроды контролируемой марки,выполнение двусторонних сварных тавровых образцов допускается не производить,однако изготовитель обязан обеспечить отсутствие склонности к образованиютрещин в сварных швах, выполненных электродами данной партии, в соответствии стребованиями настоящего стандарта.
(Измененнаяредакция, Изм. № 1, 2).
5.8. Для изготовления сварных образцов при проверкепо п. 5.7 электродов для сваркиуглеродистых конструкционных сталей следует использовать пластины из сталимарки Ст3сп по ГОСТ 380-88 и трубы из стали марки 20 по ГОСТ 1050 -74.
Если электроды предназначеныдля сварки как углеродистых, так и низколегированных конструкционных сталей,марки стали пластин и труб должны соответствовать указанным в стандарте илитехнических условиях на электроды контролируемой марки.
5.9.Для изготовления сварных образцов при проверке по п. 5.7 электродов для сваркинизколегированных, легированных и высоколегированных сталей следуетиспользовать пластины и трубы из стали, для сварки которой предназначеныэлектроды контролируемой марки.
Если электроды предназначеныдля сварки сталей нескольких марок или для сварки стали, из которой листовойпрокат, и трубы не изготавливаются, марки стали пластин и труб должнысоответствовать указанным в стандарте или технических условиях на электродыконтролируемой марки.
Допускается замена пластиниз николегированных и легированных сталей пластинами из стали марки Ст3сп по ГОСТ380-88 и пластин из высоколегированных сталей пластинами из других сталейтого же структурного класса при условии предварительной наплавки пластинконтролируемыми электродами не менее чем в три слоя в местах наложения сварныхшвов и на примыкающих к ним участках шириной не менее 25 мм с механическойобработкой наплавленных поверхностей.
Примечание. Допускается наплавкаэлектродами других партий той же марки (в том числе другого диаметра).
5.8 - 5.9. (Измененная редакция, Изм. № 1).
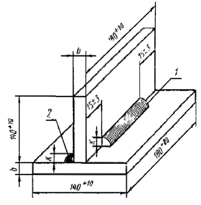
5.10. Форма и размерысварных тавровых образцов должны соответствовать указанным на черт. 4 и втабл. 7.
1 - контрольный сварной шов: 2 - сварной шов, обеспечивающийжесткость образца (выполняется только на двустороннем тавровом образце)
Черт.4
5.11. Трубные сварные стыковыеобразцы выполняют из двух отрезков труб, размеры которых должны соответствоватьприведенным в табл. 8.
5.12.Для трубных сварных стыковых образцов конструктивные элементы подготовки кромокпод сварку должны соответствовать приведенным на черт. 5, а выполненных швов - на черт. 6.
Таблица7
| Толщина пластин b | Катет шва K | |
| 1,6 | 3 - 5 | 2 - 3 |
| 2,0 | ||
| 2,5 | 6 - 10 | 4 - 5 |
| 3,0 | ||
| 3,15 | ||
| 4,0 | 10 - 16 | 6 - 8 |
| 5,0 | 14 - 20 | 8 - 10 |
| 6,0 | ||
| 6,3 | ||
| 8,0 | 20 - 25 | 10 - 12 |
| 10,0 | 25 - 30 | 12 - 14 |
| 12,0 | ||
| 1,5 |
Таблица 8
| Диаметр проверяемых электродов | Наружный диаметр трубы | Толщина стенки трубы S | Минимальная длина каждого из свариваемых отрезков труб |
| До 2,5 | 32 - 42 | 3,5 - 5,0 | 100 |
| Св. 2,5 | 108 - 133 | 8,0 - 10,0 | 120 |
Черт. 5
Черт. 6
5.13. Дляпроверки сварочно-технологических свойств электродов, предназначенных длянаплавки поверхностных слоев с особыми свойствами, электродами контролируемойпартии выполняют один наплавочный образец с четырьмя наплавленными слоями напластине из стали марки Ст3сп по ГОСТ 380-88 или из стали, для наплавки которой предназначены электроды. Размерыпластины должны быть 120×80×20 мм (пред. откл. длины и ширины ±5мм, толщины ±2 мм).
Длина наплавки должна бытьне менее 80 мм, а ширина - не менее восьми диаметров контролируемых электродов.
Примечание. Для электродов, обеспечивающих среднюю твердостьнаплавленного металла HRCэ> 42, допускается выполнять наплавочный образец с тремя или двумянаплавленными слоями, если это предусмотрено стандартом или техническимиусловиями на электроды контролируемой марки.
(Измененнаяредакция, Изм. № 1)
5.14. Сварку и наплавкуобразцов для проверки сварочно-технологических свойств электродов следует производитьс соблюдением режимов и условий, установленных стандартами или техническимиусловиями на электроды контролируемой марки, при температуре окружающеговоздуха не ниже +5 °С в следующих пространственных положениях:
в положении, указанном встандарте или технических условиях, - при выполнении односторонних сварныхтавровых образцов;
в положении «нижнее влодочку» - при выполнении двусторонних сварных тавровых образцов;
в неповоротном положении пригоризонтальном расположении оси образца - при выполнении трубных сварныхстыковых образцов;
в нижнем положении - привыполнении наплавочных образцов.
(Измененная редакция, Изм. №1, 2)
5.15. Сварку угловых швовтавровых образцов производят за один проход.
При выполнении двустороннихсварных тавровых образцов оба угловых шва выполняют в одном направлении, недопуская охлаждения образца. Сварку контрольного шва производят послевыполнения шва, обеспечивающего жесткость образца.
Примечание.В случаях, установленных стандартом или техническими условиями на электроды контролируемоймарки, односторонние тавровые образцы допускается сваривать более чем за одинпроход. При этом катет шва должен соответствовать указанному в стандарте илитехнических условиях.
(Измененная редакция, Изм. №1).
5.16. Легкость возбуждения истабильность горения дуги, равномерность плавления электродов и правильностьформирования валиков шва или наплавляемой поверхности, а также легкостьудаления шлака контролируют наблюдением при сварке или наплавке образцов.
5.17. Контроль сварныхсоединений или наплавленных поверхностей образцов на отсутствие поверхностныхтрещин, надрывов и пор производят внешним осмотром с помощью лупы пятикратногоувеличения. Осмотр следует производить по всей протяженности швов и по всейплощади наплавленных поверхностей после тщательного удаления шлака, брызграсплавленного металла и других загрязнений.
5.18.Проверку сплошности углового шва одностороннего сварного таврового образца соценкой допустимости размеров и количества внутренних газовых и шлаковыхвключений производят после разрушения образца по шву осмотром поверхностейизлома по всей площади и измерением выявленных включений или просвечиваниемпроникающими излучениями по ГОСТ 7512-82 или при последовательном снятии слоев металла шва осмотром поверхностикаждого слоя по всей площади и измерением выявленных включений. В последнемслучае толщина каждого снимаемого слоя должна быть равна половине максимальнодопускаемого по п. 3.12 размера включений; параметры шероховатости поверхностей, подлежащихосмотру, не должны превышать Rz 40 мкм по ГОСТ 2789-73 , а одно и то же включение, выявляемое более чем на двух поверхностях,является недопустимым.
Осмотр контролируемыхповерхностей во всех случаях производят с помощью лупы пятикратного увеличения.
Допускается выполнятьпродольный надрез с поверхности шва для обеспечения его разрушения покритическому сечению.
Примечание. По заказу потребителяпроверка сплошности угловых швов должна быть произведена просвечиваниемпроникающими излучениями или послойным обследованием. Право выбора метода проверки(из двух указанных) сохраняется за предприятием-изготовителем.
5.19.Проверку сплошности стыкового шва трубного сварного образца с оценкойдопустимости размеров и количества внутренних газовых и шлаковых включенийпроизводят просвечиванием проникающими излучениями по ГОСТ 7512-82 или при послойной проточке шва (по диаметру или с торца) осмотромповерхности каждого слоя через лупу пятикратного увеличения и измерениемразмеров выявленных включений. Толщина каждого снимаемого при проточке слоядолжна быть равной половине максимально допустимого по п. 3.12 размера включения.Параметры шероховатости подлежащих осмотру поверхностей не должны превышать Rz 40 мкм по ГОСТ 2789-73 . Одно и то же включение, выявляемое более чем на двух поверхностях,является недопустимым.
Проверку сплошности шватрубного образца допускается производить при поперечной разрезке образца по осишва с последующим осмотром поверхностей реза по всей площади с помощью лупыпятикратного увеличения. Ширина реза не должна превышать диаметра контролируемыхэлектродов и не должна быть более 3 мм, а параметры шероховатости поверхностейреза не должны быть более Rz40 мкм по ГОСТ 2789-73.
5.20. Контроль угловых швовдвусторонних сварных тавровых образцов на отсутствие трещин производят осмотромчерез лупу пятикратного увеличения трех поперечных макрошлифов, вырезанных изсередины и концов контролируемого шва вне зоны расположения кратеров.
Примечания:
1.(Исключено, Изм. № 1).
2. В сомнительных случаях макроисследование заменяютмикроисследованием тех же шлифов.
5.18 - 5.20. (Измененная редакция, Изм. №. 1).
5.21.Проверку сплошности наплавленного металла на наплавочных образцах производятосмотром поверхности наплавки после предварительного снятия верхнего слоя наглубину 1,5 - 3,0 мм через лупу пятикратного увеличения.
Примечание. При средней твердости наплавленного металла HRCэ > 42допускается зашлифовка поверхности наплавки без снятия верхнего слоя на глубину1,5 - 3,0 мм.
5.22.Для проверки химического состава наплавленного металла на пластине из сталимарки Ст3сп по ГОСТ 380-88 или из стали, для сварки или наплавки которой предназначены электроды,или из стали марок 08Х18Н10 или 12Х18Н9Т по ГОСТ 5632-72 выполняют восьмислойную наплавку электродами контролируемой партии.Размеры пластины должны быть 120×80×20 мм (с пред. откл. длины иширины ±5 мм, толщины ±2 мм), площадь наплавки - не менее 80×40 мм. Дляэлектродов диаметром до 5 мм толщина пластин может быть уменьшена, но не должнабыть менее четырех диаметров электрода.
При проверке электродов длянаплавки поверхностных слоев с особыми свойствами, обеспечивающих среднюютвердость наплавленного металла HRCэ > 42, в установленныхстандартом или техническими условиями на электроды контролируемой марки случаяхдопускается выполнение пятислойной наплавки.
(Измененная редакция, Изм. № 1).
5.23.Пробы для химического и спектрального анализов наплавленного металла следуетотбирать из трех верхних слоев восьмислойной наплавки или из двух верхних слоевпятислойной наплавки по п. 5.22. Отбор стружки из наплавленного металла с содержанием углерода менее0,04 % производят в соответствии с дополнительными указаниями стандартов илитехнических условий на электроды контролируемой марки.
Химический составнаплавленного металла определяют по ГОСТ12344-78, ГОСТ12345-80, ГОСТ12346-78, ГОСТ12347-77, ГОСТ12348-78, ГОСТ12349-83, ГОСТ12350-78, ГССТ 12351-81, ГОСТ12352-81, ГОСТ12353-78, ГОСТ12354-81, ГОСТ12355-78, ГОСТ12356-81, ГОСТ12357-84, ГОСТ12358-82, ГОСТ12359-81, ГОСТ12360-82, ГОСТ12361-82, ГОСТ12362-79, ГОСТ12363-79, ГОСТ12364-84. ГОСТ12365-84, ГОСТ 18895-81,ГОСТ 20560-81, ГОСТ22536.0-87, ГОСТ22536.1-77, ГОСТ22536.2-87, ГОСТ22536.3-77, ГОСТ22536.4-77, ГОСТ22536.5-87, ГОСТ22536.6-77, ГОСТ22536.7-77, ГОСТ22536.8-87, ГОСТ22536.9-77, ГОСТ22536.10-77, ГОСТ22536.11-87, ГОСТ22536.12-77, ГОСТ 22536.13-77 или другими методами, обеспечивающимиточность определения, предусмотренную указанными стандартами.
Допускается проводитьгазовый анализ наплавленного металла методами, предусмотренными стандартами илитехническими условиями на электроды контролируемой марки.
Перед отбором пробыдопускается производить разупрочняющую термическую обработку наплавленногометалла.
Если при проверке электродовдля наплавки поверхностных слоев с особыми свойствами применение разупрочняющейтермической обработки не может обеспечить снижение средней твердостинаплавленного металла до HRCэ ≥ 42, впредусмотренных паспортом или техническими условиями на электродыконтролируемой марки случаях допускается замена количественного анализахимического состава наплавленного металла его качественным спектральныманализом на подтверждение марочного состава. При этом изготовитель долженобеспечить соответствие химического состава наплавленного контролируемымиэлектродами металла требованиям ГОСТ10051-75 и стандарта или технических условий.
Качественный спектральныйанализ проводят на наличие, отсутствие или ориентировочное содержаниелегирующих элементов в соответствии с указаниями стандарта или техническихусловий на электроды контролируемой марки.
(Измененная редакция, Изм. № 1, 2).
5.24.Для проверки механических свойств металла шва электродами контролируемой партиивыполняют стыковое сварное соединение двух стальных пластин с предварительноприваренной стальной подкладкой сечением 30×10 мм (вариант А). Размерыкаждой пластины должны соответствовать указанным в табл. 9.
Таблица9
| Длина | Ширина (пред. откл. ±10) | Толщина | |
| Менее 4,0 | 330 ± 10 | 80 | 20 ± l |
| 4,0 | 100 | ||
| 5,0 | 120 | ||
| 6,0 | |||
| 6,3 | |||
| 8,0 | 150 | ||
| 10,0 | 180 | ||
| 12,0 | |||
| 12,5 |
При проверке электродовдиаметром до 5 мм допускается выполнять стыковое сварное соединение двухстальных пластин длиной 330 мм, шириной100 мм и толщиной 14 - 18 мм каждая с подваркой корня шва электродамиконтролируемой марки (вариант Б).
Примечания:
1. Стыковыесварные соединения стальных пластик выполняют только при проверке электродов,предназначенных для сварки сталей.
2. Если стандартомили техническими условиями на электроды контролируемой марки предусмотренапроверка специальных свойств металла шва (дополнительная проверка механическихсвойств при высоких или низких температурах, проверка на межкристаллитнуюкоррозию и др.), длина пластин должна быть соответственно увеличена или должныбыть выполнены дополнительные стыковые сварные соединения.
3. Допускается выполнение отдельных стыковых сварныхсоединений для проверки металла шва на ударный изгиб с соответствующимуменьшением длины свариваемых пластин.
5.25. При проверке электродов для сваркиуглеродистых конструкционных сталей или углеродистых и низколегированныхконструкционных сталей пластины и подкладка по п. 5.24 должны быть из стали маркиСт3сп по ГОСТ 380-88.
При проверке электродов длясварки низколегированных, легированных и высоколегированных сталей пластины иподкладка должны быть из стали, для сварки которой предназначены электродыконтролируемой марки.
Если электроды предназначеныдля сварки низколегированных, легированных или высоколегированных сталейнескольких марок или для сварки стали, из которой листовой прокат неизготавливается, марка стали пластин и подкладки должна соответствоватьуказанной в стандарте или технических условиях на электроды контролируемоймарки.
Допускаетсязамена пластин и подкладок из низколегированных и легированных сталейпластинами и подкладками из стали марки Ст3сп по ГОСТ 380-88 ипластин и подкладок из высоколегированных сталей пластинами и подкладками издругих сталей того же структурного класса при условии предварительной наплавкиконтролируемыми электродами подлежащих сварке кромок пластин и поверхностиподкладки. Наплавку следует выполнять не менее чем в три слоя до сборкисоединения. Наплавленные кромки и поверхность подкладки должны быть подвергнутымеханической обработке, после которой толщина наплавленного слоя должнасоставлять не менее 2,5 диаметра контролируемых электродов.
Примечания:
1. В случаепредварительной наплавки кромок пластин и поверхности подкладки допускаетсяувеличение ширины пластин и толщины подкладки на толщину наплавленного слоя.
2. Допускается наплавка кромок пластин и поверхностиподкладки электродами других партий той же марки (в том числе другогодиаметра).
5.24 - 5.25. (Измененная редакция, Изм. № 1).
5.26.Для стыковых сварных соединений по п. 5.24 конструктивные элементыподготовки кромок под сварку должны соответствовать приведенным на черт. 7, авыполненных швов - на черт. 8.
5.27.Подготовку кромок пластин под сварку следует производить механическим способом.На пластинах из стали марки ВСт3сп допускается подготовка кромокмеханизированной кислородно-ацетиленовой резкой. Перед сваркой кромки пластин должныбыть зачищены от ржавчины, окалины, масла и других загрязнений.
|
| |
| Вариант А | Вариант Б |
Черт.7
|
| |
| Вариант А | Вариант Б |
Черт.8
Величина сварочного токадолжна составлять 85 - 95 % от максимально допустимой для электродовконтролируемой марки данного диаметра. Каждый электрод следует использоватьполностью. Длина остающегося огарка не должна превышать 50 мм. Ширина каждоговалика шва не должна быть более четырех диаметров проверяемых электродов, еслипаспортом или техническими условиями на электроды контролируемой марки непредусмотрены иные требования. Направление сварки следует менять при каждомочередном проходе. При сварке без подогрева каждый очередной проход следуетвыполнять после охлаждения металла ранее выполненной части шва до температурыниже 250 °С, если другие требования не установлены стандартом или техническимиусловиями на электроды контролируемой марки.
(Измененная редакция, Изм. № 2).
Тип образцов для испытанияна ударный изгиб (VI или IX) принимают в соответствии с указаниями стандартаили технических условий на электроды контролируемой марки. Если стандартом илитехническими условиями предусмотрено испытание ударной вязкости металла шва наобразцах типа IX, изготовитель должен также обеспечить соответствие величиныударной вязности металла шва требованиям ГОСТ9467-75 или ГОСТ10052-75, хотя в этом случае испытание образцов типа VI не являетсяобязательным.
Вырезку образцов производятмеханическим способом в соответствии со схемой, приведенной на черт. 9.
Из сварных соединений,выполненных электродами для сварки углеродистых конструкционных сталей,допускается вырезка заготовок образцов механизированной кислородно-ацетиленовойрезкой с припусками не менее 2,5 мм на каждую сторону.
Образцы для испытания нарастяжение, а также рабочая часть образцов для испытания на ударный изгибдолжны быть изготовлены целиком из металла шва.
5.29 - 5.30. (Измененная редакция, Изм. № 1, 2).
5.31.Проверка механических свойств металла шва может быть заменена проверкоймеханических свойств наплавленного металла. При этом на пластине из стали маркиСт3сп по ГОСТ 380-88 размером 350×100×20 мм электродами контролируемой маркивыполняют предварительную пятислойную наплавку, на поверхность которойэлектродами проверяемой партии в продольном направлении наплавляют слои металлаобщей толщиной 20 - 24 мм.
1 - образцы для испытания на статическое растяжение; 2 - образцы для испытания на ударныйизгиб
Черт.9
Площадь наплавки в верхнейчасти должна быть не менее 330×65 мм.
Навыполняемые по настоящему пункту многослойные наплавки распространяютсятребования п. 5.28в части указаний по сварке, п. 5.29 в части термической обработки и п. 5.30 вчасти количества, типов и способов вырезки образцов для испытания механическихсвойств наплавленного металла. Использование для вырезки образцов начального иконечного участков наплавки длиной по 30 мм и продольных краев наплавки ширинойпо 5 мм не допускается.
Заготовки всех образцовдолжны быть вырезаны из верхних слоев наплавки без захвата металлапредварительной пятислойной наплавки. При этом заготовки образцов для испытанияна растяжение следуют вырезать вдоль направления наплавки, а заготовки образцовдля испытания на ударный изгиб - поперек указанного направления.
Примечания:
1. Допускаетсявыполнение предварительной пятислойной наплавки электродами других партий (втом числе другого диаметра).
2. На участке вырезки образцов для испытания нарастяжение ширина наплавки может быть уменьшена до 35 мм.
Пластины должны быть изстали, для сварки которой предназначены электроды проверяемой марки. Еслиэлектроды предназначены для сварки сталей нескольких марок или для сваркистали, из которой листовой прокат не изготовляется, марка стали пластин должнасоответствовать указанной в стандарте или технических условиях на электродыконтролируемой марки.
Примечание. Если стандартом илитехническими условиями на электроды контролируемой марки предусмотрена проверкаспециальных свойств сварного соединения (дополнительная проверка механическихсвойств при высоких температурах, проверка на межкристаллитную коррозию и др.)размеры пластин должны быть соответственно увеличены или должны быть свареныдополнительные пластины.
(Измененная редакция, Изм. № 2).
5.33. В случаях,установленных стандартом или техническими условиями на электроды контролируемоймарки, допускается замена проверки механических свойств металла шва проверкоймеханических свойств сварного соединения по п. 5.32 для электродов диаметромменее 3 мм, предназначенных для сварки легированных и высоколегированныхсталей, с обязательным соблюдением следующих условий:
минимальное значениевременного сопротивления разрыву металла свариваемых стальных пластин не должнобыть ниже минимального значения временного сопротивления разрыву, допускаемогодля выполненного электродами контролируемой марки металла шва;
вид и режимы термическойобработки сварного соединения перед механическими испытаниями должныобеспечивать минимальное значение временного сопротивления разрыву основногометалла в разупрочненном участке зоны термического влияния сварки не нижеминимального значения временного сопротивления разрыву, допускаемого длявыполненного электродами контролируемой марки металла шва.
Примечания:
1.Допускается уменьшение толщины свариваемых пластин до 2 мм для случаев,предусмотренных стандартом или техническими условиями на электродыконтролируемой марки.
2. Показатели механических свойств сварного соединениядолжны соответствовать требованиям стандарта или технических условий наэлектроды контролируемой марки. При этом требования по временному сопротивлениюразрыву для сварного соединения не должны быть ниже соответствующих требований,предъявляемых к металлу шва.
5.32-5.33 (Измененная редакция, Изм. № 1, 2).
5.34. Сварку пластин дляпроверки механических свойств сварного соединения производят с двух сторон безразделки кромок с зазором, обеспечивающим отсутствие непровара, и с соблюдениемтребований п. 5.28.Необходимость и режимы термической обработки сварного соединения определяютсяуказаниями стандарта или технических условий на электроды контролируемой марки.
Вырезку образцов производятмеханическим способом в соответствии со схемой, приведенной на черт. 10.
1 - образцы для испытания на статическое растяжение; 2 - образцы для испытания на статическийизгиб
Черт. 10
Примечания:
1. В случаях,установленных стандартом или техническими условиями на электроды контролируемоймарки, допускается проведение испытания на растяжение на образцах типа XXIV, аиспытания на статический изгиб на образцах типа XXVI по ГОСТ6996-66.
2. Если при проверке электродов для сваркилегированных конструкционных сталей с временным сопротивлением разрыву свыше 60кгс/мм2 сваренные пластины подлежат упрочняющей термической обработкедля обеспечения требуемых механических свойств сварного соединения, допускаетсявырезка заготовок образцов после предварительной разупрочняющей термическойобработки с последующей упрочняющей термической обработкой заготовок передчистовой механической обработкой образцов.
5.36. Проверку твердостинаплавленного металла при контроле электродов для наплавки поверхностных слоевс особыми свойствами производят на поверхности восьмислойной или пятислойнойнаплавки, выполненной для проверки химического состава наплавленного металла,если другие условия проверки твердости не оговорены стандартом или техническимиусловиями на электроды контролируемой марки.
5.37.Испытания механических свойств металла шва, наплавленного металла и сварногосоединения проводят в соответствии с ГОСТ 6996-66 . Условия проведения испытаний и оценка их результатов должнысоответствовать требованиям разд. 3 ГОСТ 6996-66 и стандарта или технических условий на электроды контролируемой марки.
При наличии соответствующих указаний в стандарте илитехнических условиях на электроды контролируемой марки до проведения испытанийна растяжение и статический изгиб образцы или их заготовки выдерживают от 6 до16 ч в электрической печи при температуре 240 - 260 °С или в течение 24 ч вкипящей воде для удаления водорода.
Для определения содержания ферритной фазыуказанным методом на пластине размером 160×80×16 мм (пред. откл.длины и ширины ±5 мм, толщины ±2 мм) из стали марки Ст3сп по ГОСТ 380-88 или изстали, для сварки которой предназначены электроды контролируемой марки, или изстали марки 08Х18Н10 или 12Х18Н9Т по ГОСТ5632-72 электродами каждой контролируемой партии выполняют семислойную наплавкув соответствии со схемой, приведенной на черт. 11.
1 - место отбора контрольных образцов
Черт.11
При выполнении наплавки напластину из стали, для сварки которой предназначены электроды контролируемой марки,или из стали марки 08Х18Н10 или 12Х18Н9Т по ГОСТ5632-72 количество наплавляемых слоев может быть уменьшено до пяти.
Выполнение наплавкипроизводят на режимах тока, регламентированных стандартом или техническимиусловиями на электроды контролируемой марки. Длина наплавки должна составлятьне менее 150 мм. Перед наложением каждого последующего валика ранеенаплавленный металл должен быть охлажден до температуры ниже 100 °С.
Изсемислойной или пятислойной наплавки вырезают и изготавливают два контрольныхобразца длиной (60 ± 1) мм и диаметром (5,0 ± 0,1)мм.
Испытание контрольныхобразцов проводят согласно инструкции по эксплуатации ферритометра.
Определение содержанияферритной фазы в металле, наплавленном электродами диаметром до 2,5 мм,производят металлографическим методом по ГОСТ11878-66 в трех верхних слоях восьмислойной наплавки, выполненной по п. 5.22.
Примечание. При выполнениивосьмислойной наплавки по п. 5.22 электродами, подлежащими проверке насодержание ферритной, фазы в наплавленном металле, размер пластин может бытьувеличен, а после наплавки каждого слоя пластину следует охлаждать водой.
5.39.Испытания металла шва, наплавленного металла и сварного соединения намежкристаллитную коррозию проводят по ГОСТ 6032 -84. Метод испытания принимают в соответствии с указаниями стандарта илитехнических условий на электроды контролируемой марки.
5.34 - 5.39. (Измененная редакция, Изм. № 1).
6.1.Электроды должны быть упакованы в коробки или пачки по одному из следующихвариантов:
в герметизируемыепластмассовые коробки (пеналы);
в пачки, завернутые воберточную бумагу по ГОСТ 8273-75 или равноценнуюей по характеристикам, с последующим упаковыванием пачек в герметизируемыеметаллические коробки (пеналы);
в коробки из коробчатогокартона марок А, Б или В по ГОСТ 7933-75толщиной не менее 0,7 мм или равноценного им по характеристикам с последующимгерметичным упаковыванием каждой коробки в полиэтиленовую пленку по ГОСТ10354-82 толщиной 0,1 - 0,2 мм или в полиэтиленовую термоусадочную пленкупо ГОСТ 25951-83;
(Измененная редакция, Изм. № 1,2).
в пачки, завернутые воберточную бумагу по ГОСТ 8273-75 или равноценнуюей по характеристикам, с последующим упаковыванием каждой пачки в герметичнуюоболочку из полиэтиленовой пленки по ГОСТ 10354-82 толщиной0,1 - 0,2 мм;
в коробки из коробчатогокартона марок А, Б или В по ГОСТ 7933-75толщиной не менее 0,8 мм;
в пачки, завернутые вдвухслойную упаковочную бумагу марок Б-70, Б-80, В-70, В-80 или Г-80 по ГОСТ8828-75, или в мешочную влагопрочную бумагу марок В-70 или В-78 по ГОСТ 2228-81,или в равноценную им по характеристикам.
Примечание. Электроды, упакованныепо двум последним вариантам, перед использованием подлежат прокаливанию илипроверке на содержание влаги в покрытии и при неудовлетворительных результатахпроверки - прокаливанию.
(Измененная редакция, Изм. № 1, 2).
6.2. (Исключен, Изм. № 1).
6.3. Масса электродов вкоробке или пачке не должна превышать:
3 кг - для электродовдиаметром до 2,5 мм;
5 кг - для электродовдиаметром 3,0 - 4,0 мм;
8 кг - для электродов диаметромсвыше 4,0 мм.
Отклонение массы электродовв коробке или пачке от указанной на этикетке или в маркировке не должнопревышать половины расчетной массы одного электрода в сторону уменьшения ирасчетной массы двух электродов в сторону увеличения.
(Измененная редакция, Изм. № 1, 2).
6.4.Коробки или пачки с электродами должны быть упакованы по одному из следующихвариантов:
в ящики из тарного картонамарок КС или КС-1 по ГОСТ 9421-80,или гофрированного картона марок П-1, П-2, П-3, Т-0, Т-1 по ГОСТ 7376-84, илиравноценного им по характеристикам;
в ящики по ГОСТ18617-83 из древесноволокнистых плит толщиной 4 мм марки Т по ГОСТ4598-86;
в деревянные ящики по ГОСТ18617-83 или ГОСТ15623-84 с влажностью древесины не более 22 %;
в многооборотные ящичныеметаллические поддоны закрытого типа;
в крупногабаритныедеревянные ящики, например типа I-1 по ГОСТ10198-78.
При транспортированииэлектродов в районы Крайнего Севера и труднодоступные районы тара должнасоответствовать требованиям ГОСТ15846-79.
Высота укладки коробок илипачек с электродами в ящичные металлические поддоны и крупногабаритные ящики недолжна превышать 600 мм.
Масса брутто упаковочныхмест не должна превышать:
32 кг - для ящиков изкартона;
50 кг - для ящиков издревесноволокнистых плит;
80 кг - для деревянныхящиков;
1100 кг - для ящичныхметаллических поддонов и крупногабаритных деревянных ящиков.
6.5. По соглашениюизготовителя и потребителя допускается укладка коробок и пачек с электродами вуниверсальные среднетоннажные контейнеры при условии их полной загрузки иустановки полок между ярусами. Высота яруса не должна превышать 600 мм.
6.4 - 6.5. (Измененная редакция, Изм. № 1).
6.6. С согласия потребителяпри транспортировании электродов в пределах одного города могут бытьустановлены другие виды упаковки, предотвращающие возможность увлажнения иповреждения покрытия электродов.
а) наименование или товарныйзнак предприятия-изготовителя;
б) условное обозначениеэлектродов;
в) номер партии и датуизготовления;
г) область примененияэлектродов;
д) режимы сварочного, тока взависимости от диаметра электродов и положения сварки или наплавки;
е) особые условия выполнениясварки или наплавки;
ж) механические испециальные свойства металла шва, наплавленного металла или сварногосоединения, не указанные в условном обозначении электродов;
з) допустимое содержаниевлаги в покрытии перед использованием электродов;
и) режим повторногопрокаливания электродов;
к) массу электродов вкоробке или пачке.
Данные по подпунктам г - идолжны быть взяты из стандарта или технических условий на электроды конкретноймарки.
6.8.Транспортная маркировка - по ГОСТ 14192-77. При этом наносятманипуляционные знаки «Осторожно, хрупкое!» и «Боится сырости», а на одну избоковых поверхностей каждого ящика наклеивают этикетку по п. 6.7.
6.9. Каждая партияэлектродов должна сопровождаться сертификатом, удостоверяющим соответствиеэлектродов требованиям настоящего стандарта и стандартами или техническихусловий на электроды данной марки. В сертификате указывают:
наименование или товарныйзнак предприятия-изготовителя;
условное обозначениеэлектродов;
номер партии и датуизготовления;
массу нетто партии вкилограммах;
марку проволоки электродныхстержней с указанием обозначения стандарта или технических условий;
фактический химическийсостав наплавленного металла;
фактические значенияпоказателей механических и специальных свойств металла шва, наплавленногометалла или сварного соединения, являющихся приемо-сдаточными характеристикамиэлектродов конкретной марки.
При перевозкежелезнодорожным транспортом электроды, упакованные в деревянные ящики,транспортируются в крытых вагонах повагонными и мелкими отправками, аэлектроды, упакованные в ящики из картона и древесноволокнистых плит - вуниверсальных контейнерах. При этом деревянные ящики формируют в пакеты по ГОСТ26663-85. Допускается использование плоских поддонов одноразовогоприменения по ГОСТ26381-84 или подкладок из деревянных брусков сечением не менее 50×50мм.
Транспортирование пакетов -по ГОСТ 21929-76.
6.7 - 6.10. (Измененная редакция, Изм. № 1).
6.11. Электроды следуетхранить в сухих отапливаемых помещениях при температуре не ниже плюс 15 °С в условиях, предохраняющих их отзагрязнения, увлажнения и механических повреждений.
Разд. 7, 8. (Исключены,Изм. № 1).
Приложение. (Исключено, Изм. № 1).
ИНФОРМАЦИОННЫЕДАННЫЕ
1.РАЗРАБОТАН И ВНЕСЕН Министерством тяжелого, энергетического и транспортногомашиностроения СССР
ИСПОЛНИТЕЛИ
Д.Н. Баранов (руководитель темы), И.Н. Грабов, Г.И. Журба
2. УТВЕРЖДЕН И ВВЕДЕН В ДЕЙСТВИЕ ПостановлениемГосударственного комитета стандартов Совета Министров СССР от 27.03.75 № 779
3. Срокпроверки - 1993 г.; периодичность проверки - 5 лет
4. ВЗАМЕН ГОСТ9466-60
5. ССЫЛОЧНЫЕНОРМАТИВНО-ТЕХНИЧЕСКИЕ ДОКУМЕНТЫ
| Обозначение НТД, на который дана ссылка | Номер пункта |
| ГОСТ 380-88 | |
| ГОСТ 1050-74 | |
| ГОСТ 2228-81 | |
| ГОСТ 2246-70 | |
| ГОСТ 2789-73 | |
| ГОСТ 4598-86 | |
| ГОСТ 5632-72 | |
| ГОСТ 6032-84 | |
| ГОСТ 6996-66 | |
| ГОСТ 7376-84 | |
| ГОСТ 7512-82 | |
| ГОСТ 7933-75 | |
| ГОСТ 8273-75 | |
| ГОСТ 8828-75 | |
| ГОСТ 9421-80 | |
| ГОСТ 9467-75 | |
| ГОСТ 10051-75 | |
| ГОСТ 10052-75 | |
| ГОСТ 10198-78 | |
| ГОСТ 10354-82 | |
| ГОСТ 11878-66 | |
| ГОСТ 12344-78 | |
| ГОСТ 12345-80 | |
| ГОСТ 12346-78 | |
| ГОСТ 12347-77 | |
| ГОСТ 12348-78 | |
| ГОСТ 12349-83 | |
| ГОСТ 12350-78 | |
| ГОСТ 12351-81 | |
| ГОСТ 12352-81 | |
| ГОСТ 12353-78 | |
| ГОСТ 12354-81 | |
| ГОСТ 12355-78 | |
| ГОСТ 12356-81 | |
| ГОСТ 12357-84 | |
| ГОСТ 12358-82 | |
| ГОСТ 12359-81 | |
| ГОСТ 12360-82 | |
| ГОСТ 12361-82 | |
| ГОСТ 12362-79 | |
| ГОСТ 12363-79 | |
| ГОСТ 12364-84 | |
| ГОСТ 12365-84 | |
| ГОСТ 14192-77 | |
| ГОСТ 15623-84 | |
| ГОСТ 18617-83 | |
| ГОСТ 18895-81 | |
| ГОСТ 20560-81 | |
| ГОСТ 21929-76 | |
| ГОСТ 22536.0-87 | |
| ГОСТ-22536.1-77 | |
| ГОСТ 22536.2-87 | |
| ГОСТ 22536.3-77 | |
| ГОСТ 22536.4-77 | |
| ГОСТ 22536.5-87 | |
| ГОСТ 22536.6-77 | |
| ГОСТ 22536.7-77 | |
| ГОСТ 22536.8-87 | |
| ГОСТ 22536.9-77 | |
| ГОСТ 22536.10-77 | |
| ГОСТ 22536.11-87 | |
| ГОСТ 22536.12-77 | |
| ГОСТ 22536.13-77 | |
| ГОСТ 26381-84 | |
| ГОСТ 26663-85 |
6. ПЕРЕИЗДАНИЕ (май 1988 г.) с Изменением № 1, утвержденным в декабре 1988г. (ИУС № 12-88).
7. Проверен в 1988 г. Срок действия продлен до 01.01.94 ПостановлениемГосстандарта СССР от 01.08.88 № 2802.
СОДЕРЖАНИЕ