Стандарт распространяется на чертные и цветные металлы и сплавы и устанавливает метод испытания на ударный изгиб при температуре от минус 100 до плюс 1000 град. С.
| Обозначение: | ГОСТ 9454-78* |
| Название рус.: | Металлы. Метод испытания на ударный изгиб при пониженных, комнатной и повышенных температурах |
| Статус: | действующий |
| Заменяет собой: | ГОСТ 9456-60 «Металлы. Метод определения ударной вязкости при повышенных температурах» ГОСТ 9455-60 «Металлы. Метод определения ударной вязкости при пониженных температурах» ГОСТ 9454-60 |
| Дата актуализации текста: | 01.01.2009 |
| Дата добавления в базу: | 29.04.2009 |
| Дата введения в действие: | 01.01.1979 |
| Утвержден: | Госстандарт СССР (17.04.1978) |
| Опубликован: | Издательство стандартов № 1979 |

ГОСУДАРСТВЕННЫЙСТАНДАРТ СОЮЗА ССР
МЕТАЛЛЫ
МЕТОД ИСПЫТАНИЯ НА УДАРНЫЙ ИЗГИБ ПРИ ПОНИЖЕННОЙ, КОМНАТНОЙ И ПОВЫШЕННЫХТЕМПЕРАТУРАХ
ГОСТ 9454-78
(СТ СЭВ 472-77, СТ СЭВ 473-771)
ГОСУДАРСТВЕННЫЙ КОМИТЕТ СССРПО СТАНДАРТАМ
Москва
ГОСУДАРСТВЕННЫЙ СТАНДАРТ СОЮЗА ССР
| МЕТАЛЛЫ Метод испытания на ударный изгиб Metals. Method for testing the impact strength | ГОСТ (СТ СЭВ 472-77, Взамен |
Постановлением Государственного комитета стандартовСовета Министров СССР от 17 апреля 1978 г. № 1021 срок действия установлен
с 01.01. 1979 г.,
в части испытания образцов с концентратором вида Т (п. 1.1.) -
с 01.0,1. 1982 г.
до 01.01. 1989 г.
Изменение № 1 ГОСТ 9454-78 Металлы. Метод испытания наударный изгиб при пониженной, комнатной и повышенных температурах
ПостановлениемГосударственного комитета СССР по стандартам от 14.10.81 № 4575 срок введенияустановлен
с 01.01.82
Изменение № 2 ГОСТ 9454-78 Металлы. Метод испытания наударный изгиб при пониженной, комнатной и повышенных температурах
Утверждено и введено в действиеПостановлением Государственного комитета СССР по стандартам от 11.03.88 № 521
Дата введения с 01.09.88
Настоящий стандартраспространяется на черные и цветные металлы и сплавы и устанавливает методиспытания на ударный изгиб при температуре от минус 100 до плюс 1200 °С.
(Измененная редакция, Изм. №2).
Метод основан на разрушенииобразца с концентратором посередине одним ударом маятникового копра. Концыобразца располагают на опорах. В результате испытания определяют полную работу,затраченную при ударе (работа удара), К или ударную вязкость.
(Измененная редакция, Изм. №1).
Под ударной вязкостьюследует понимать работу удара, отнесенную к начальной площади поперечногосечения образца в месте концентратора.
Стандарт полностьюсоответствует СТ СЭВ 472-77, СТ СЭВ 473-77, ИСО 83-1976 и ИСО 148-1983.
(Измененная редакция, Изм. №2).
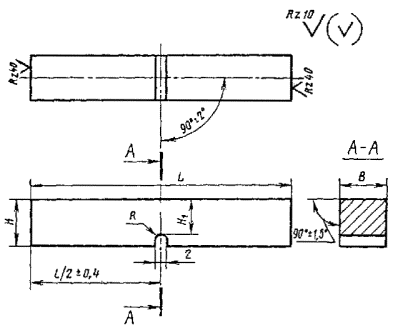
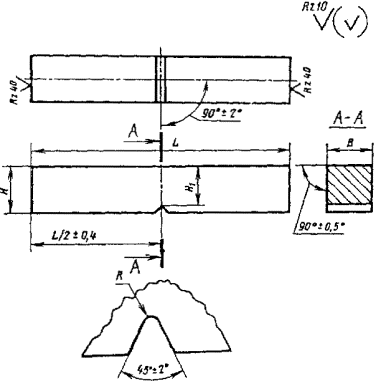
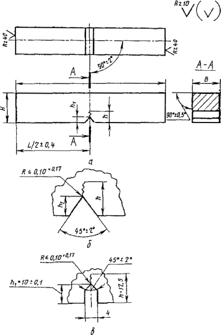
1.1. Форма и размерыобразцов для испытания должны соответствовать указанным в таблице и на черт. 1-3.
Размеры, мм
| Радиус концентратора R | Тип образца | Длина L (пред. откл. ±0,6) | Ширина В | Высота Н (пред. откл. ±0,1) | Глубина надреза h1 (пред. откл. ±0,1) | Глубина концентратора h (пред. откл. ±0,6) | Высота рабочего сечения H1 | ||
| U | 1 ± 0,07* | 1 | 65 | 10 ± 0,10 | 10 | - | - | 8 ± 0,1 | |
| 2 | 7,5 ± 0,10 | ||||||||
| 3 | 5 ± 0,05 | ||||||||
| 4 | 2 ± 0,05 | 8 | 6 ± 0,1 | ||||||
| 5 | 10 ± 0,10 | 10 | 7 ± 0,1 | ||||||
| 6 | 7,5 ± 0,10 | ||||||||
| 7 | 5 ± 0,05 | ||||||||
| 8 | 10 ± 0,10 | 5 ± 0,1 | |||||||
| 9 | 7,5 ± 0,10 | ||||||||
| 10 | 5 ± 0,05 | ||||||||
| V | 0,25 ± 0,025 | 11 | 55 | 10 ± 0,10 | 10 | - | - |
| |
| 12 | 7,5 ± 0,10 | 8 ± 0,05* | |||||||
| 13 | 5 ± 0,05 |
| |||||||
| 14 | 2 ± 0,05 | 8 |
|
| 6 ± 0,05 | ||||
| Т | Трещина | 16 | 55 | 10 ± 0,10 | 11 | 1,5 | 3,0 | - | |
| 17 | 7,5 ± 0,10 | ||||||||
| 18 | 5 ± 0,05 | ||||||||
| 19 | 2 ± 0,05 | 9 | |||||||
| 21 | 140 | 25 ± 0,10 | 25 | 10,0 | 12,0 |
____________
* При контрольных массовыхиспытаниях допускается изготовление образцов с предельным отклонением ±0,10 мм.
(Измененная редакция, Изм. №2).
Допускается использоватьобразцы без надреза и с одной и двумя необработанными, поверхностями, размерыкоторых по ширине отличаются от указанных в таблице.
Область применения образцовуказана в справочном приложении 1.
Испытание образцов типа 4, 14, 18 проводят по требованию потребителя дляизделий специального назначения.
(Измененная редакция, Изм. №2).
1.2. Места вырезки заготовкидля изготовления образцов, ориентация оси концентратора, технология вырезкизаготовок и изготовления образцов - по ГОСТ7564-97 для черных металлов, если иное не предусмотрено внормативно-технической документации на конкретную продукцию.
Для цветных металлов исплавов все это должно быть указано в нормативно-технической документации напродукцию.
При вырезке заготовок металлобразцов должен предохраняться от наклепа и нагрева, изменяющих свойстваметалла, если не предусмотрено иное в нормативно-технической документации напродукцию.
(Измененная редакция, Изм. №1, 2).
(Поправка,ИУС 4-2008).
Образец с концентратором видаU

Образец с концентратором видаV

Образец с концентратором видаТ (усталостная трещина)

а - общий вид; б - форма концентратора для образцов с 15 по 19 тип; в - формаконцентратора для образцов 20 типа
1.3. Риски на поверхностиконцентраторов видов U и V, видимые безприменения увеличительных средств, не допускаются.
1.4. Концентратор вида Тполучают в вершине начального надреза при плоском циклическом изгибе образца.Способ получения начального концентратора может быть любым.
(Измененная редакция, Изм. №1, 2).
1.5. Максимальный остаточныйпрогиб, образовавшийся при нанесении на образцах концентратора вида Т,не должен превышать: 0,25 мм - для образцов длиной 55 мм.
Контроль прогиба образцаосуществляется с помощью индикаторов часового типа по ГОСТ 577-68 или другихсредств, обеспечивающих погрешность измерения прогиба не более 0,05 мм на базедлины образца.
(Измененная редакция, Изм. №1, 2).
1.6. Тип и число образцов,порядок проведения повторных испытаний должны быть указаны внормативно-технической документации на конкретную продукцию, утвержденной вустановленном порядке.
Если внормативно-технической документации на металлопродукцию не указан тип образца,следует испытывать образцы типа 1 - до 01.01.91.
(Измененная редакция, Изм. №1, 2).
2.1. Маятниковые копры - поГОСТ 10707-82. Скорость движения маятника в момент удара должна быть:
5 ± 0,5 м/с - для копров сноминальной потенциальной энергией маятника 50,0 (5,0); 150 (15); 300 (30) Дж(кгс×м);
4 ± 0,25 м/с - для копров сноминальной потенциальной энергией маятника 25 (2,5); 15 (1,5); 4,5 (0,75) Дж(кгс×м);
3 ± 0,25 м/с - для копров сноминальной потенциальной энергией маятника 5,0 (0,5) Дж (кгс×м).
Допускается применять копры сдругой номинальной потенциальной энергией маятника. При этом номинальноезначение потенциальной энергии маятника должно быть таким, чтобы значениеработы удара составляло не менее 10 % от номинального значения потенциальнойэнергии маятника. До 01.01.91 допускается использовать копры с такойноминальной потенциальной энергией маятника, чтобы работа удара составляла неменее 5 % от номинальной потенциальной энергии маятника. Номинальное значениепотенциальной энергии маятника должно быть указано в нормативно-техническойдокументации на конкретную продукцию.
Основные размеры опор и ножамаятника должны соответствовать указанным на черт.4. Для копров другой конструкции допускаются иные радиусы закругления ребраопоры и скорость движения маятника от 4,5 до 7,0 м/с.
(Измененная редакция, Изм. №1, 2).
2.2. Термостат,обеспечивающий равномерное охлаждение или нагрев, отсутствие агрессивноговоздействия окружающей среды на образец и возможность контроля температуры.
2.3. Смесь жидкого азота(ГОСТ 9293-74) или твердой углекислоты («сухого льда») с этиловым спиртом.Применение в качестве охладителя жидкого кислорода и жидкого воздуха недопускается.
(Измененная редакция, Изм. №1, 2).
Массовая доля кислорода вжидком азоте в процессе охлаждения образцов в термостате не должна быть более10 %.
2.4. Термометры спогрешностью не более ±1 °С для измерения температуры охлаждающей среды.
(Измененная редакция, Изм. №2).
2.5. Термометры, включая ипреобразователи термоэлектрические (термопары), для измерения температурынагрева образцов, обеспечивающие измерение с погрешностью, не превышающей:
±5 °С - при температуренагрева до 600 °С;
±8 °С - » » » свыше 600 °С.
(Измененная редакция, Изм. №2).
2.6. Трещину на образцахполучают на вибраторах, изготовленных по нормативно-технической документации.
2.7. Штангенциркули должнысоответствовать требованиям ГОСТ 166-80. Допускается применять и другиеизмерительные средства, обеспечивающие измерение с погрешностью, не превышающейуказанной в п. 1.1.
(Измененная редакция, Изм. №2).
Опоры и нож маятника

(Измененная редакция, Изм. №2).
3.1. Перед началом испытанийнеобходимо проверить положение указателя работы при свободном падении маятника.
Для маятниковых копров сцифровыми отсчетными устройствами указатель работы в исходном положении долженпоказывать «нуль» при допускаемом отклонении в пределах ширины штриха шкалы поГОСТ 8.264-77.
(Измененная редакция, Изм. №2).
3.2. Температурой испытанияследует считать температуру образца в момент удара.
Температуру испытанияуказывают в нормативно-технической документации на конкретную продукцию,утвержденной в установленном порядке.
3.3. Комнатной температуройследует считать температуру 20 ± 10 °С.
3.4. Для обеспечения требуемойтемпературы испытания образцы перед установкой на копер должны бытьпереохлаждены (при температуре испытания ниже комнатной) или перегреты (притемпературе испытания выше комнатной). Степень переохлаждения или перегревадолжна обеспечивать требуемую температуру испытания и должна определятьсяэкспериментальным путем.
Температура переохлажденияили перегрева образцов при условии, что они могут быть испытаны не позднее чемчерез 3-5 с после извлечения из термостата, указана в справочном приложении 2.
Выдержка образцов втермостате при заданной температуре (с учетом необходимого переохлаждения илиперегрева) должна быть не менее 15 мин.
(Измененная редакция, Изм. №1).
3.5. Соприкасающаяся собразцом часть приспособления для извлечения его из термостата не должнаизменять температуру образца при установке его на опоры копра.
4.1. Образец долженсвободно, лежать на опорах копра (см. черт. 4).Установка образца должна производиться с помощью шаблона, обеспечивающегосимметричное расположение концентратора относительно опор с погрешностью неболее ±0,5 мм. При использовании торцовых ограничителей последние не должнымешать образцам свободно деформироваться.
4.2. Испытание должнопроводиться при ударе маятника со стороны, противоположной концентратору, вплоскости его симметрии.
4.3. Работу удара определяютпо шкале маятникового копра или аналоговых отсчетных устройств.
(Измененная редакция, Изм. №2).
5.1. За результат испытанияпринимают работу удара или ударную вязкость для образцов с концентраторамивидов U и V и ударную вязкость дляобразцов с концентратором вида Т.
(Измененная редакция, Изм. №2).
5.2. Работу удара обозначаютдвумя буквами (KU, KV или КТ) и цифрами.Первая буква (К) - символ работы удара, вторая буква (U, Vили Т) - вида концентратора. Последующие цифры обозначают максимальнуюэнергию удара маятника, глубину концентратора и ширину образца. Цифры неуказывают при определении работы удара на копре с максимальной энергией ударамаятника 300 (30,0) Дж (кгс×м), при глубинеконцентратора 2 мм для концентраторов видов U и V и 3 мм дляконцентратора вида Т и ширине образца 10 мм (образцы1, 11 и 15 типов).
Допускается обозначатьработу удара двумя индексами (Аi): первый (А) – символработы удара, второй (i) – символ типа образца всоответствии с таблицей.
(Измененная редакция, Изм. №1).
5.3. Ударную вязкостьобозначают сочетанием буки и цифр.
Первые две буквы КСобозначают символ ударной вязкости, третья буква - вид концентратора; перваяцифра - максимальную энергию удара маятника, вторая - глубину концентратора итретья - ширину образца. Цифры не указывают в случае, оговоренном в п. 5.2.
Допускается обозначатьударную вязкость двумя индексами (ai); первый (а) -символ ударной вязкости; второй (i) - символ типа образца всоответствии с таблицей.
(Измененная редакция, Изм. №1).
Для обозначения работы удараи ударной вязкости при пониженной и повышенной температурах вводится цифровойиндекс, указывающий температуру испытания. Цифровой индекс ставят вверху послебуквенных составляющих.
Например:
КV-40 50/2/2 - работа удара, определенная на образце с концентратором вида Vпри температуре минус 40 °С. Максимальная энергия удара маятника 50 Дж, глубинаконцентратора 2 мм, ширина образца 2 мм.
КСТ+100 150/3/7,5 - ударнаявязкость, определенная на образце с концентратором вида Т притемпературе плюс 100 °С. Максимальная энергия удара маятника 150 Дж, глубинаконцентратора 3 мм, ширина образца 7,5 мм.
КСU (KCV)- ударная вязкость, определенная на образце с концентратором вида U (V)при комнатной температуре. Максимальная энергия удара маятника 300 Дж, глубинаконцентратора 2 мм, ширина образца 10 мм.
- ударная вязкость,определенная на образце типа 11 при температуре минус 60 °С. Максимальная энергия удара маятника 300Дж.
(Измененная редакция, Изм. №1).
5.4. Ударную вязкость (КС)Дж/см2 (кгс×м/см2) вычисляютпо формуле
,
где К - работа удара, Дж (кгс×м);
So - начальная площадьпоперечного сечения образца в месте концентратора, см2, вычисляемаяпо формуле
Sо = H1B,
где Н1 - начальная высота рабочейчасти образца, см;
В - начальная ширина образца,м (см).
Н1 и В измеряют спогрешностью не более ±0,05 мм (±0,005 см). So округляют: при ширинеобразца 5 мм и менее - до третьей значащей цифры, при ширине образца более 5 мм- до второй значащей цифры.
(Измененная редакция, Изм. №1, 2).
Для образцов сконцентратором вида Т значение H¢1 определяют как разность междуполной высотой Н, измеренной до испытания с погрешностью не более ±0,05 мм (±0,005 см) и расчетнойглубиной концентратора hp, измеренной с помощью любыхоптических средств с увеличением не менее 7 на поверхности, излома образцапосле его испытания по схеме, приведенной на черт.5, с погрешностью не более ±0,05 мм (±0,005 см).
(Измененная редакция, Изм. №2).
5.5. Значение КСзаписывают в протоколе с округлением: до 1 (0,1) Дж/см2 (кгс×м/см2) - призначении КС более 10 (1) Дж/см2 (кгс×м/см2); до 0,1(0,01) Дж/см2 (кгс×м/см2) - призначении КС менее 10 (1) Дж/см2 (кгс×м/см2).
(Измененная редакция, Изм. №1).
5.6. Если в результатеиспытания образец не разрушился полностью, то показатель качества материаласчитается не установленным. В этом случае в протоколе испытания указывают, чтообразец при максимальной энергии удара маятника не был разрушен.
Результаты испытаний неучитывают при изломе образцов по дефектам металлургического производства.
(Измененная редакция, Изм. №2).
5.7. При замене образцапричину указывают в протоколе испытания.
5.8. Исходные данные ирезультаты испытания образца записывают в протоколе испытания. Форма протоколаприведена в рекомендуемом приложении 3.

abc - фронт усталостной трещины; I-I - положение визирной линии окуляра микроскопа в начальный моментизмерения (совпадает с гранью образца); II-II - положение визирной линии микроскопа при окончании измерения(положение II-II выбирается так, чтобы заштрихованная площадь выше линии была быравновелика незаштрихованной площади ниже визирной линии)
(Измененная редакция, Изм. №2).
| Вид концентратора | Тип образца | Область применения |
| U | При выборе, приемо-сдаточных испытаниях металлов и сплавов | |
| V | При выборе, приемо-сдаточных испытаниях металлов и сплавов для конструкций повышенной степени надежности (летательные аппараты, транспортные средства, трубопроводы, сосуды давления и т.п.) | |
| Т | При выборе и приемочном контроле металлов и сплавов для особо ответственных конструкций, для эксплуатации которых оценка сопротивления развитию трещины имеет первостепенное значение. При исследовании причин разрушения ответственных конструкций |
(Измененная редакция, Изм. №1).
| Температура испытания, °С | Температура, °С | |
| переохлаждения | перегрева | |
| Св. минус 100 до минус 60 | 4-6 |
|
| » минус 80 » минус 40 | 3-4 | - |
| » минус 40 » плюс 10 | 2-3 | - |
| » плюс 30 » плюс 200 | - | 3-5 |
| » плюс 200 » плюс 400 | - | 5-10 |
| » плюс 400 » плюс 500 | - | 10-15 |
| » плюс 500 » плюс 600 | - | 15-20 |
| » плюс 600 » плюс 700 | - | 20-25 |
| » плюс 700 » плюс 800 | - | 25-30 |
| » плюс 800 » плюс 900 | - | 30-40 |
| » плюс 900 » плюс 1000 | - | 40-50 |
Марка копра_______________________________________________________
Максимальная энергия удара маятника при испытании _____________________
Скорость маятника в момент удара_____________________________________
Испытуемыйматериал _______________________________________________
| Номер | Маркировка образца | Номер плавки | Номер партии | Тип образца | Температура испытания, °С | Ширина образца В | Высота образца Н | Глубина концентратора h | Высота рабочего сечения H1 | Площадь поперечного сечения Sо, см2 | Работа удара К, Дж (кгс×м) | Ударная вязкость КС, Дж/см2 (кгс×м/см2) | Примечание |
| см | |||||||||||||
|
|
|
|
|
|
|
|
|
|
|
|
|
|
|
(Измененная редакция, Изм. №1).
СОДЕРЖАНИЕ
| Приложение 1 справочное Область применения образцов. 7 Приложение 3 рекомендуемое Протокол испытаний на ударный изгиб. 9 |