Стандарт распространяется на основные шиповые соединения деталей из древесины и устанавливает их типы и размеры.
| Обозначение: | ГОСТ 9330-76* |
| Название рус.: | Основные соединения деталей из древесины и древесных материалов. Типы и размеры |
| Статус: | действующий |
| Заменяет собой: | ГОСТ 9330-67 |
| Дата актуализации текста: | 01.10.2008 |
| Дата добавления в базу: | 01.02.2009 |
| Дата введения в действие: | 01.07.1977 |
| Утвержден: | Госстандарт СССР (11.05.1976) |
| Опубликован: | ИПК Издательство стандартов № 2000<br>ИПК Издательство стандартов № 2002 |
МЕЖГОСУДАРСТВЕННЫЙСТАНДАРТ
ОСНОВНЫЕСОЕДИНЕНИЯ ДЕТАЛЕЙ ИЗ ДРЕВЕСИНЫ
И ДРЕВЕСНЫХ МАТЕРИАЛОВ
Типы и размеры
ГОСТ 9330-76
2000
МЕЖГОСУДАРСТВЕННЫЙСТАНДАРТ
| ОСНОВНЫЕ СОЕДИНЕНИЯ ДЕТАЛЕЙ ИЗ ДРЕВЕСИНЫ Типы и размеры Principal joints of details of wood and wood materials. | ГОСТ Взамен |
Постановлением Государственного комитетастандартов Совета Министров СССР от 11 мая 1976 г. № 1161 срок введенияустановлен
с 01.07.77
Ограничение срока действия снято попротоколу № 7-95 Межгосударственного Совета по стандартизации, метрологии исертификации (ИУС 11-95)
Настоящийстандарт распространяется на основные шиповые соединения деталей из древесины иустанавливает их типы и размеры.
1.1. Типыосновных соединений деталей из древесины имеют следующие условные обозначения:
УК - угловоеконцевое;
УС - угловоесерединное;
УЯ - угловоеящичное;
К - по кромке;
Ду - по длине на«ус»
1.2. Типы иразмеры угловых концевых соединений (УК) должны соответствовать указанным втабл. 1.
Таблица 1
| Условные обозначения | Схемы и размеры соединений | ||||
| На шип открытый сквозной | одинарный | УК-1 |
S1=0,4S0; S2=0,5(S0-S1) | ||
| двойной | УК-2 |
S1=S2=S3=0,20S0; S2=0,5[S0-(2S1+S3)] | |||
| тройной | УК-3 |
S1=S3=0,14S0и S2=0,15S0 | |||
| На шип с полупотемком | несквозной | УК-4 |
S1=0,4S0; l=(0,5-0,8)B; h=0,7B1; S2=0,5(S0-S1); b - не менее 2 мм; l1=(0,3-0,6)l | ||
| сквозной | УК-5 |
S1=0,4S0; l=0,5B; h=0,6B1; S2=0,5(S0-S1) | |||
| На шип с потемком | несквозной | УК-6 |
S1=0,4S0; l=(0,5-0,8)B; h=0,7B1; S2=0,5(S0-S1); b - не менее 2 мм | ||
| сквозной | УК-7 |
S1=0,4S0; h=0,6B1; S2=0,5(S0-S1) | |||
| На шипы круглые вставные (шканты) | несквозные и сквозные | УК-8 |
d=0,4S0; l - длина шканта (2,5-6)d; l1 более l на 2-3 мм | ||
| На ус со вставными круглыми шипами (шкантами) | несквозные | УК-9 |
d=0,4S0; l - длина шканта (2,5-6)d; l1 более l на 2-3 мм Допускается применять сквозные шканты | ||
| На ус со вставным плоским шипом | несквозной | УК-10 |
S1=0,4S0. Для деталей толщиной до 10 мм S1=2-3 мм; l=(1-1,2)В; b=0,75B. Допускается соединение деталей на ус двойным вставным шипом, при этом S1=0,2S0. | ||
| сквозной | У К-11 |
S1=0,4S0. Для деталей толщиной до 10 мм S1=2-3 мм; l=(1-1,2)В; b=0,75B. Допускается соединение на "ус" двойным вставным шипом, при этом S1=0,2S0. | |||
| Зубчатое | УК-12 |
| |||
| Длина зубчатого шипа L | Шаг шипа l | Затупление b | |||
| 50 | 12,00 | 2,0 | |||
| 32 | 8,00 | 1,0 | |||
| 20 | 6,00 | 1,0 | |||
| 10 | 3,50 | 0,5 | |||
| 5 | 1,75 | 0,2 | |||
1.2.1. Расчетныетолщины шипов и диаметров шкантов соединений типов УК округляют до ближайшегоразмера: 4; 6; 8; 10; 12; 14; 16; 20 и 25 мм.
1.2.2. Всоединениях типов УК-1 - УК-7 значение величины S2 установлено для симметричного расположения шипов. Принесимметричном расположении шипов величину S2 устанавливают в зависимости от назначения и конструкцииизделия.
При различныхтолщинах соединяемых деталей S1 назначают взависимости от толщины с шипом.
В соединенияхтипов УК-1 - УК-3 и УК-7 допускается дополнительное крепление соединениянагелем на клею, а угол a принимают взависимости от конструкции изделия.
1.3. Типы иразмеры угловых серединных соединений (УС) должны соответствовать указанным втабл. 2.
Таблица 2
| Условные обозначения | Схемы и размеры соединений | ||
| На шип одинарный | несквозной | УС-1 |
|
| несквозной в паз | УС-2 |
| |
| сквозной | УС-3 |
S1=0,4S0; S2=0,5(S0-S1); b - не менее 2 мм. l1=(0,3-0,8)B; l2=(0,2-0,3)B1. В соединениях типов УС-1, УС-2 допускается двойной шип, при этом S1=0,2S0, R соответствует радиусу фрезы | |
| На шип двойной | сквозной | УС-4 |
S1=S2=S3=0,20S0; S2=0,5[S0-(2S1+S3)] |
| В паз и гребень | несквозной | УС-5 |
S1=(0,4-0,5)S0; l=(0,3-0,8)S; S2=0,5(S0-S1); b - не менее 2 мм |
| В паз | несквозной | УС-6 |
l=(0,3-0,5)S0; b - не менее 1 мм |
| На шипы круглые вставные (шканты) | несквозные | УС-7 |
d=0,4S0; l - длина шканта (2,5-6)d; l1 более l на 2-3 мм. Допускается применять сквозные шканты |
| На шип «ласточкин хвост» | несквозной | УС-8 |
l=(0,3-0,5)B1; S1=0,85S0; полученный размер округляют до ближайшего диаметра фрезы 13; 14; 15; 16; 17 мм, а не менее S0 |
1. Угловые соединения (концевые и серединные) допускаетсявыполнять с фасками и фальцами, размеры которых соответствуют стандартизованномудереворежущему инструменту.
2. Допускается подсечка заплечиков под углом 45°.
3. Дно паза может быть плоским или другойформы в зависимости от формы присоединяемой детали.
(Измененнаяредакция, Изм. № 2).
1.2, 1.3.(Измененная редакция, Изм. № 1).
1.3.1. Расчетныетолщины шипов и диаметры шкантов соединений типов УС округляют до ближайшегоразмера 4; 6; 8; 10; 12; 14; 16; 20 и 25 мм, а угол a устанавливают взависимости от конструкции изделия.
1.3.2. Всоединениях типов УС-1 - УС-4 значение величины S2 установлено для симметричного расположения шипов. Принесимметричном расположении шипов величину S2 устанавливают в зависимости от назначения и конструкцииизделия.
(Введендополнительно, Изм. № 2).
1.4. Типы иразмеры угловых ящичных соединений (УЯ) должны соответствовать указанным втабл. 3.
Таблица 3
| Условные обозначения | Схемы и размеры соединений | ||
| На шип прямой | открытый | УЯ-1 |
S1=S3=6; 8; 10; 12; 14; 18 мм; l=S0; S2не менее 0,3S0 |
| На шип «ласточкин хвост» | УЯ-2 |
S1=0,85S0; полученный размер округляют до ближайшего диаметра фрезы: 13; 14; 15; 16 и 17 мм; S2 - не менее 0,75S0; S3=(0,85-3)S0; l=S0; a=10°. Допускается соединение на шип "ласточкин хвост" в полупотай | |
| На шип круглый вставной (шкант) | открытый | УЯ-3 |
d=0,4S0 полученный диаметр шкантов округляют до ближайшего размера 4; 6; 8; 10; 12; 16; 20 и 25 мм; l=(2,5-6)d; l1 более l на 1-2 мм; b=от 0 до dmin |
(Измененнаяредакция, Изм. № 1).
1.5. Типы иразмеры соединений по кромке (К) деталей должны соответствовать указанным втабл. 4.
Таблица 4
| Условные обозначения | Схемы и размеры соединений | |||||||||||||||||||||||||||||||||||||||||
| На рейку | | | К-1 |
l=20-30 мм; l1 более l на 2-3 мм; S1=0,4S0 (для реек из древесины); S1=0,25S0 (для реек из фанеры). Размер S1 округляют до ближайшего размера пазовой дисковой фрезы; 4; 5; 6; 8; 10; 12; 16 и 20 мм. Допускаются на кромках одно- и двухсторонние фаски | |||||||||||||||||||||||||||||||||||||||
| В четверть | | | К-2 |
h=(S0/2)-0,5 мм. Допускаются на кромках одно- и двухсторонние фаски мм
Допускается в соединении деталей платформ грузовых автомобилей и прицепов при S0 свыше 30 мм глубина четверти b=8 мм | |||||||||||||||||||||||||||||||||||||||
| В паз и гребень | Прямоугольный | К-3 |
r=от 1 до 2 мм; l1 более l на 1-2 мм мм
Допускаются на кромках одно- и двухсторонние фаски. Для тары, включая специальную, допускается при S0=22 мм, S1=6 мм, l=6 мм Допускается формирование соединения без заоваливания радиусом r углов гребня и паза | |||||||||||||||||||||||||||||||||||||||
| К-4 |
| |||||||||||||||||||||||||||||||||||||||||
| трапецеидальный | К-5 |
Допускаются одно- и двухсторонние фаски. В соединениях деталей платформ грузовых автомобилей и прицепов при S0 свыше 30 мм допускается l=7 мм Допускается формирование соединения без заоваливания радиусом r углов гребня и паза | ||||||||||||||||||||||||||||||||||||||||
| На гладкую фугу | | | К-6 |
| |||||||||||||||||||||||||||||||||||||||
| В паз и гребень | Прямоугольный | К-7 |
| |||||||||||||||||||||||||||||||||||||||
(Измененнаяредакция, Изм. № 1, 2).
1.6. Соединениедеталей по длине на зубчатый шип должно соответствовать требованиям ГОСТ19414-90.
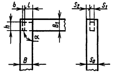
1.7. Соединениедеталей по длине на «ус» (Ду) должно соответствовать требованиям, указанным начертеже.
В деталях,требующих повышенной прочности, длину усового соединения L устанавливают (10-12) S0.
1.8. Точностьизготовления элементов и методы испытания соединений указаны в приложении.
1.9. Величинаотклонений от номинальных размеров шиповых соединений деталей из древесиныустанавливается в нормативно-технической документации на конкретные изделия идолжна соответствовать требованиям ГОСТ6449.1-82 и ГОСТ6449.3-82.
(Введендополнительно, Изм. № 1).

где L=8S0
Рекомендуемое
1. Наибольшаяпрочность клеевых соединений деревянных деталей достигается при точностиизготовления элементов соединения (толщина и ширина гнезда), обеспечивающей в периодсборки натяг от 0 до 0,3 мм. Нижний предел от 0 до 0,2 мм принимают для шиповиз древесины твердых лиственных пород, а верхний предел от 0,1 до 0,3 мм - дляшипов из древесины хвойных и мягких лиственных пород.
2. Прочностьугловых концевых и ящичных соединений (УК, УЯ) испытывают по схеме, указанной вГОСТ23166-78. Предел прочности вычисляют с погрешностью не более 0,001 МПа(0,01 кгс/см2) по формуле
![]()
где Р - максимальная нагрузка приразрушении образца Н, (кгс);
В - ширинабруска м, (мм);
S - толщина бруска м, (мм).
3. Прочностьклеевого соединения на гладкую фугу при скалывании вдоль волокон испытывают по ГОСТ15613.1-84.
4. Прочностьсоединений деталей по длине на «ус» испытывают на растяжение по ГОСТ15613.5-79, при этом длина образца должна быть не менее 500 мм.
Испытания настатический изгиб проводят по ГОСТ15613.4-78.
(Измененнаяредакция, Изм. № 1).
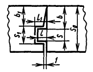
5. Прочностьсоединений типов УК и УС, используемых в конструкциях с горизонтальнымрасположением элементов и вертикальным направлением действия нагрузок,испытывают по схеме, указанной на чертеже.
