Настоящий стандарт распространяется на рым-болты, предназначенные для подъема, опускания или удержания на весу изделий при монтажных и такелажных работах для всех условий эксплуатации по ГОСТ 15150.
| Обозначение: | ГОСТ 4751-73* |
| Название рус.: | Рым-болты. Технические условия |
| Статус: | действующий |
| Заменяет собой: | ГОСТ 4751-67 |
| Дата актуализации текста: | 08.10.2010 |
| Дата добавления в базу: | 08.10.2010 |
| Дата введения в действие: | 01.07.1974 |
| Утвержден: | Госстандарт СССР (10.05.1973) |
| Опубликован: | ИПК Издательство стандартов № 1998<br>Издательство стандартов № 1973<br>Стандартинформ № 2008 |
МЕЖГОСУДАРСТВЕННЫЙ СТАНДАРТ | |
РЫМ-БОЛТЫТехнические условия Screw rings. Specifications | ГОСТ |
Дата введения 01.07.74
(Измененная редакция, Изм. № 4).
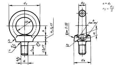
1.1. Конструкция иосновные размеры рым-болтов должны соответствовать указанным на чертеже и втабл. 1.

Таблица 1
Размеры в мм
| Условное обозначение резьбы d | Применяемость | D1 | d2 | d3 | d4 | b | h | h1 | l | l1, не менее | r | r1 | Масса 1 шт., кг |
| М8 |
| 36 | 20 | 8 | 20 | 10 | 12 | 6 | 18 | 12 | 2 | 4 | 0,05 |
| М10 |
| 45 | 25 | 10 | 25 | 12 | 16 | 8 | 21 | 15 | 0,12 | ||
| М12 |
| 54 | 30 | 12 | 30 | 14 | 18 | 10 | 25 | 19 | 6 | 0,19 | |
| М16 |
| 63 | 35 | 14 | 36 | 16 | 20 | 12 | 32 | 25 | 0,31 | ||
| М20 |
| 72 | 40 | 16 | 40 | 19 | 24 | 14 | 38 | 29 | 3 | 8 | 0,50 |
| М24 |
| 90 | 50 | 20 | 50 | 24 | 29 | 16 | 45 | 35 | 12 | 0,87 | |
| М30 |
| 108 | 60 | 24 | 63 | 28 | 37 | 18 | 55 | 44 | 15 | 1,58 | |
| М36 |
| 126 | 70 | 28 | 75 | 32 | 43 | 22 | 63 | 51 | 4 | 18 | 2,43 |
| М42 |
| 144 | 80 | 32 | 85 | 38 | 50 | 25 | 72 | 58 | 20 | 3,72 | |
| М48 |
| 162 | 90 | 36 | 95 | 42 | 52 | 30 | 82 | 68 | 22 | 5,54 | |
| М56 |
| 180 | 100 | 40 | 105 | 48 | 60 | 34 | 95 | 78 | 5 | 25 | 8,09 |
| М64 |
| 198 | 110 | 44 | 115 | 52 | 65 | 40 | 110 | 93 | 10,95 | ||
| М72×6 |
| 234 | 130 | 52 | 135 | 62 | 75 | 45 | 115 | 98 | 35 | 18,54 | |
| М80×6 |
| 270 | 150 | 60 | 160 | 70 | 88 | 50 | 125 | 108 | 25,40 | ||
| М100×6 |
| 324 | 180 | 72 | 190 | 85 | 105 | 60 | 150 | 133 | 40 | 43,82 |
Примерусловного обозначения рым-болта с резьбойМ8 без покрытия:
Рым-болт М8 ГОСТ 4751-73
То же, с мелкой резьбой M100×6, с покрытием 01 (цинковое схроматированием), толщиной 9 мкм:
Рым-болт М100×6.019 ГОСТ 4751-73
(Измененная редакция, Изм. № 1, 2).
1.2. Грузоподъемность рым-болтов должнасоответствовать указанным в табл. 2.
Таблица 2
| Условное обозначение резьбы | Грузоподъемность на 1 рым-болт, кг, + | ||
| при направлении строп | |||
| по вертикальной оси рым-болта
| под углом 45º от вертикальной оси рым-болта | ||
| в плоскости кольца
| с отклонением от плоскости кольца
| ||
| М8 | 120 | 80 | 40 |
| М10 | 200 | 125 | 65 |
| М12 | 300 | 175 | 90 |
| М16 | 550 | 250 | 125 |
| М20 | 850 | 325 | 150 |
| М24 | 1250 | 500 | 250 |
| М30 | 2000 | 700 | 350 |
| М36 | 3000 | 1000 | 500 |
| М42 | 4000 | 1300 | 650 |
| М48 | 5000 | 1650 | 800 |
| М56 | 6200 | 2000 | 1000 |
| М64 | 7500 | 2500 | 1250 |
| М72×6 | 10000 | 3500 | 1750 |
| М80×6 | 14000 | 4500 | 2250 |
| М100×б | 20000 | 6500 | 3250 |
Примечания:
1. При подъеме груза направление строп под углом отвертикальной оси рым-болта свыше 45° не допускается.
2. Для установки в одной плоскости колец двух ввинченных доупора рым-болтов допускается применение плоских шайб толщиной:
- до
- не более половины шага резьбы -под рым-болты с резьбой свыше M12.
1.3. Конструкция и размеры гнезд подрым-болты приведены в приложении.
2.1. Рым-болтыдолжны быть изготовлены из стали марки 20 или 25 (подгруппа а) по ГОСТ 1050-88 штамповкой. Допускается изготовление ковкой.
Соответствие материала предусмотренныммаркам должно быть подтверждено сертификатом предприятия-изготовителя металла.
(Измененная редакция, Изм. № 1).
2.2.(Исключен, Изм. № 1).
2.3.Технические требования к штампованнымпоковкам по ГОСТ7505-89, класс точности - II, степеньсложности - С3.
Примечание. При изготовлении рым-болтовсвободной ковкой в подкладных штампах допускается увеличивать плюсовые допускив 2 раза.
(Измененная редакция, Изм. № 1).
2.4. Навнутренней окружности кольца допускается лыска, получаемая после зачисткизаусенцев, при условии сохранения размерав пределах допусков п. 2.3.
2.5. Заваркаили заделка дефектов не допускается.
2.6. Рым-болты после штамповки или ковки должны бытьнормализованы и очищены от окалины.
2.7. Твердостьнормализованных рым-болтов должнасоответствовать указанной в табл. 3.
Таблица 3
| Марка стали | Твердость НВ рым-болтов с размером резьбы | |
| от М8 до М64 | от М72×6 до М100×6 | |
| 20 | 105-149 | 95-121 |
| 25 | 134-187 | 105-149 |
Допускается одна повторнаятермообработка.
2.8. На кольцерым-болта центровые отверстия недопускаются.
2.9. Надрезы на обработаннойчасти хвостовика не допускаются.
2.10. Резьба- по ГОСТ 24705 с полем допуска 8g по ГОСТ 16093 .
Размеры фасок и сбегов резьбы - по ГОСТ10549-80. Величина сбега резьбы для угла заборной части инструмента - 20°.
Примечание. При применениипокрытия должны быть обеспечены указанные размеры и шероховатость.
2.11. Резьба не должна иметьсорванных ниток, заусенцев и вмятин.
2.12. Допускперпендикулярности оси резьбы d на длине
2.13. Допуск симметричностиоси резьбы d относительно общих плоскостейсимметрии рым-болта:
Т
Т
Т
2.12 - 2.13. (Измененная редакция, Изм. № 2).
Допускаемое отклонение этой нагрузки ±5%.
2.15.Рым-болты могут изготовляться с покрытием. Виды и условные обозначения покрытий- по ГОСТ 1759.0-87 .
Технические требования к покрытиям икачеству поверхности рым-болтов перед покрытием - по ГОСТ9.301-86.
(Измененная редакция, Изм. № 1).
3.1. Предприятие-изготовитель должно проводитьприемо-сдаточные испытания рым-болтов. При приемо-сдаточных испытанияхрым-болты проверяют:
до механической обработки
- на соответствие требованиям п.1.1 в части размеров, получаемых объемной штамповкой или ковкой и пп. 2.3,2.4:в случае изготовления свободной ковкой в подкладных штампах - каждый рым-болт;в случае изготовления объемной штамповкой - 5 % от партии, но не менее 5 шт.;
- на соответствие требованиямпп. 2.5и 2.6каждый рым-болт;
- на соответствие требованиямп. 2.710 % от партии, но не менее 5 шт.; после механической обработки:
- на соответствие требованиям п.1.1 (размеры l, l1 и hl и d) пп. 2.8 - 2.14каждый рым-болт;
- на соответствие требованиям п.2.15 - по ГОСТ9.301-86.
Примечание. Партия состоит из рым-болтоводного размера, изготовленных из стали одной марки, совместно прошедшихтермообработку.
(Измененная редакция, Изм. № 1).
3.2. При получении неудовлетворительных результатовиспытаний рым-болтов хотя бы по одному из показателей проводят повторныеиспытания удвоенного числа образцов; взятых от той же партии, по полнойпрограмме. Результаты повторных испытаний являются окончательными ираспространяются на всю партию.
(Введен дополнительно, Изм. № 2).
4.1. На соответствиетребованиям п. 2.3проверяют внешним осмотром без применения увеличительных приборов.
Допускается применение луп дотрехкратного увеличения.
(Измененная редакция, Изм. № 2).
4.2. Твердость(п. 2.7)определяют по ГОСТ 9012-59 наобразующей опорной части кольца.
4.3. Резьбу (п. 2.10)проверяют предельными калибрами.
4.4. Отклонение отперпендикулярности оси резьбового хвостовика к опорной поверхности кольца (п. 2.12) проверяют угловым шаблоном или щупом по просвету междуопорной поверхностью кольца и торцевой поверхностью контрольного калибра.
4.5. Соответствие рым-болтовтребованиям п. 2.4проверяют испытанием на растяжение с выдержкой под нагрузкой в течение 10 мин.
Нагрузка должна быть приложена по осистержня рым-болта.
Приложение нагрузки должно быть плавным,без рывков.
После снятия нагрузки в рым-болтах недолжно быть остаточных деформаций, трещин и надрывов.
Отсутствие остаточных деформацийопределяют контролем размеров по оси рым-болтов до и после испытания.
Отсутствие трещин и надрывов проверяютвнешним осмотром с помощью лупы, имеющей не менее чем четырехкратноеувеличение.
4.6. Толщинуслоя покрытия (п.2.15) проверяют на кольце рым-болта. Методы проверки качества и толщиныпокрытия - по ГОСТ9.302-88.
4.7.(Исключен, Изм. № 2).
5.1. Каждый рым-болт наобразующей опорной части кольца должен иметь следующую маркировку:
- товарный знакпредприятия-изготовителя;
- условное обозначение резьбы.
Для рым-болтов с резьбой М8 -М16допускается выполнять маркировку только товарного знака предприятия; в этомслучае условное обозначение резьбы маркируют на бирке для партии.
5.2. Маркировку выполняютдавлением или штамповкой. Допускается наносить маркировку ударным способом.
5.3. Рым-болтыупаковывают в плотные дощатыенеразборные ящики по ГОСТ2991-85, выложенные внутри упаковочной бумагой марки Б по ГОСТ515-77.
5.4. В каждый ящик упаковываютрым-болты одной партии.
5.5. Масса брутто каждогоящика не должна превышать
5.6.Консервация - по ГОСТ 9.014-78 .
5.7. Каждая партия рым-болтовдолжна сопровождаться документом, содержащим:
- наименование или товарныйзнак предприятия-изготовителя;
- условное обозначениерым-болтов;
- количество рым-болтов;
- результаты контрольныхиспытаний.
5.8.Маркировка транспортной тары - по ГОСТ 14192-96.
5.9. На каждом ящике наносят:
- товарный знакпредприятия-изготовителя;
- условное обозначениерым-болтов;
- брутто и нетто вкилограммах.
1. Конструкция и размеры гнезд подрым-болты в изделиях из черных металлов должны соответствовать указанным начертеже и в таблице.

мм
| Условное обозначение резьбы d | d1 | h | l, не менее | Условное обозначение резьбы d | d1 | h | l, не менее |
| М8 | 13 | 5 | 19 | М42 | 52 | 14 | 74 |
| М10 | 15 | 6 | 22 | М48 | 60 | 84 | |
| М12 | 17 | 26 | М56 | 68 | 17 | 97 | |
| М16 | 22 | 7 | 33 | М64 | 75 | 112 | |
| М20 | 28 | 9 | 39 | М72×6 | 85 | 117 | |
| М24 | 32 | 10 | 47 | М80×6 | 95 | 127 | |
| М30 | 38 | 11 | 57 | М100×6 | 115 | 152 | |
| М36 | 45 | 12 | 65 |
|
(Измененная редакция, Изм. № 2, 4).
2. Резьба - по ГОСТ 24705 с полем допусков 7Нпо ГОСТ 16093 .
Резьба не должна иметьсорванных ниток.
3. Допуск перпендикулярностиоси резьбы d на длине
(Измененная редакция, Изм. № 2, 3).
4. Гнезда под рым-болты должныбыть чистыми, без раковин и подрезов.
5. Размер опорной плоскойповерхности гнезда, имеющий обозначение шероховатости Ra 12,5 мкм должен быть не менее диаметра опорнойповерхности рым-болта.
(Измененная редакция, Изм. № 1, 4).
1. УТВЕРЖДЕН И ВВЕДЕН В ДЕЙСТВИЕ ПостановлениемГосударственного комитета стандартов Совета Министров СССР от 10.05.73 № 1169
2.Срок проверки -
3.ВЗАМЕН ГОСТ 4751-67
4.ССЫЛОЧНЫЕ НОРМАТИВНО-ТЕХНИЧЕСКИЕ ДОКУМЕНТЫ
| Обозначение НТД, на который дана ссылка | Номер пункта |
| ГОСТ 9.014-78 | |
| ГОСТ 9.301-86 | |
| ГОСТ 9.302-88 | |
| ГОСТ 515-77 | |
| ГОСТ 1050-88 | |
| ГОСТ 1759.0-87 | |
| ГОСТ 2991-85 | |
| ГОСТ 7505-89 | |
| ГОСТ 9012-59 | |
| ГОСТ 10549-80 | |
| ГОСТ 14192-96 | |
| ГОСТ 15150-69 | |
| ГОСТ 16093-81 | |
| ГОСТ 24705-81 |
5. Проверен в
6. ПЕРЕИЗДАНИЕ (июнь
Переиздание (посостоянию на апрель
* См. примечания ФГУП «СТАНДАРТИНФОРМ» (с. 8).
1. На первой странице поднаименованием стандарта на английском языке дополнить кодом: МКС 53.020.30(указатель «Национальные стандарты», 2008)
2. Указанные в разделе«Информационные данные» к ГОСТ 4751-73:
ГОСТ 1759.0-87.В части маркировки на территории Российской Федерации действуют ГОСТ Р52627-2006 (ИСО 898-1:1999) и ГОСТ Р 52628-2006 (ИСО898-2:1992, ИСО 898-6:1994);
ГОСТ16093-81 заменен на ГОСТ16093-2004;
ГОСТ24705-81 заменен на ГОСТ24705-2004.
Содержание
| 1. ОСНОВНЫЕ ПАРАМЕТРЫ И РАЗМЕРЫ 5. МАРКИРОВКА, УПАКОВКА, ТРАНСПОРТИРОВАНИЕ И ХРАНЕНИЕ ПРИЛОЖЕНИЕ (Рекомендуемое) ГНЕЗДА ПОД РЫМ-БОЛТЫ ПРИМЕЧАНИЯ ФГУП «СТАНДАРТИНФОРМ»
|