Стандарт распространяется на огнеупорные динасовые изделия, предназначенные для кладки сводок и арок электросталеплавильных печей.
| Обозначение: | ГОСТ 1566-96 |
| Название рус.: | Изделия огнеупорные динасовые для электросталеплавильных печей. Технические условия |
| Статус: | действует |
| Заменяет собой: | ГОСТ 1566-71 «Изделия огнеупорные динасовые для электросталеплавильных печей. Технические условия» |
| Дата актуализации текста: | 05.05.2017 |
| Дата добавления в базу: | 01.09.2013 |
| Дата введения в действие: | 01.07.2000 |
| Утвержден: | 15.12.1999 Госстандарт России (Russian Federation Gosstandart 513-ст)03.10.1996 Межгосударственный Совет по стандартизации, метрологии и сертификации (Inter-Governmental Council on Standardization, Metrology, and Certification 10) |
| Опубликован: | ИПК Издательство стандартов (2000 г. ) ИПК Издательство стандартов (2004 г. ) |
| Ссылки для скачивания: |
ГОСТ 1566-96
МЕЖГОСУДАРСТВЕННЫЙСТАНДАРТ
ИЗДЕЛИЯОГНЕУПОРНЫЕ ДИНАСОВЫЕ
ДЛЯ ЭЛЕКТРОСТАЛЕПЛАВИЛЬНЫХ ПЕЧЕЙ
ТЕХНИЧЕСКИЕ УСЛОВИЯ
МЕЖГОСУДАРСТВЕННЫЙ СОВЕТ
ПОСТАНДАРТИЗАЦИИ, МЕТРОЛОГИИ И СЕРТИФИКАЦИИ
Минск
Предисловие
1 РАЗРАБОТАН Украинским государственнымнаучно-исследовательским институтом огнеупоров (УкрНИИО)
ВНЕСЕН Государственнымкомитетом Украины по стандартизации, метрологии и сертификации
2 ПРИНЯТ МежгосударственнымСоветом по стандартизации, метрологии и сертификации (протокол № 10 от03.10.96)
За принятие проголосовали:
| Наименование государства | Наименование национального органа по стандартизации |
| Азербайджанская Республика | Азгосстандарт |
| Республика Беларусь | Госстандарт Беларуси |
| Республика Казахстан | Госстандарт Республики Казахстан |
| Республика Молдова | Молдовастандарт |
| Российская Федерация | Госстандарт России |
| Республика Таджикистан | Таджикгосстандарт |
| Туркменистан | Главинспекция Туркменистана |
| Республика Узбекистан | Узгосстандарт |
| Украина | Госстандарт Украины |
3 Приложения А и Б настоящего стандарта представляют собой полныйаутентичный текст ИСО 5019-2-84 «Изделия огнеупорные. Размеры. Часть 2.Сводовый кирпич» и ИСО 5019-4-88 «Изделия огнеупорные. Размеры. Часть 4.Сводовый кирпич для электродуговых печей»
4 ПостановлениемГосударственного комитета Российской Федерации по стандартизации и метрологииот 15 декабря 1999 г. № 513-ст межгосударственный стандарт ГОСТ 1566-96 введенв действие непосредственно в качестве государственного стандарта РоссийскойФедерации с 1 июля 2000 г.
5 ВЗАМЕН ГОСТ1566-71
СОДЕРЖАНИЕ
ГОСТ 1566-96
МЕЖГОСУДАРСТВЕННЫЙСТАНДАРТ
ИЗДЕЛИЯ ОГНЕУПОРНЫЕДИНАСОВЫЕ
ДЛЯ ЭЛЕКТРОСТАЛЕПЛАВИЛЬНЫХ ПЕЧЕЙ
Технические условия
Refractory silica products for electricalsteelmelting furnaces.
Specifications
Дата введения 2000-07-01
Настоящий стандартраспространяется на огнеупорные динасовые изделия, предназначенные для кладкисводов и арок электросталеплавильных печей.
В настоящем стандартеиспользованы ссылки на следующие стандарты:
ГОСТ12.0.001-82 Система стандартов безопасности труда. Основные положения
ГОСТ12.0.003-74 Система стандартов безопасности труда. Опасные и вредныепроизводственные факторы. Классификация
ГОСТ12.1.005-88 Система стандартов безопасности труда. Общиесанитарно-гигиенические требования к воздуху рабочей зоны
ГОСТ12.4.028-76 Система стандартов безопасности труда. Респираторы ШБ-1«Лепесток». Технические условия
ГОСТ12.4.041-89 Система стандартов безопасности труда. Средства индивидуальнойзащиты органов дыхания фильтрующие. Общие технические требования
ГОСТ17.0.0.01-76 Система стандартов в области охраны природы и улучшенияиспользования природных ресурсов. Основные положения
ГОСТ17.2.3.02-78 Охрана природы. Атмосфера. Правила установления допустимыхвыбросов вредных веществ промышленными предприятиями
ГОСТ 427-75Линейки измерительные металлические. Технические условия
ГОСТ 2211-65(ИСО 5018-83)Изделия, сырье и материалы огнеупорные. Метод определения плотности
ГОСТ2409-95 (ИСО 51017-88) Материалы и изделия огнеупорные. Метод определенияводопоглощения, кажущейся плотности, открытой и общей пористости
ГОСТ2642.0-86 Огнеупоры и огнеупорное сырье. Общие требования к методам анализа
ГОСТ2642.3-97 Огнеупоры и огнеупорное сырье. Методы определения двуокисикремния
ГОСТ2642.4-97 Огнеупоры и огнеупорное сырье. Методы определения окиси алюминия
ГОСТ2642.7-97 Огнеупоры и огнеупорное сырье. Методы определения окиси кальция
ГОСТ4069-69 Изделия и материалы огнеупорные. Метод определения огнеупорности
ГОСТ4070-83 Огнеупоры. Метод определения температуры деформации под нагрузкой
ГОСТ4071.1-94 (ИСО10059-1-92) Изделия огнеупорные с общей пористостью менее 45 %. Методопределения предела прочности при сжатии при комнатной температуре
ГОСТ 8179-98(ИСО 5022-79)Изделия огнеупорные. Правила приемки
ГОСТ10198-91 Ящики дощатые для грузов массой св. 500 до 20000 кг. Общиетехнические условия
ГОСТ 10905-86Плиты поверочные и разметочные. Технические условия
ГОСТ15136-78 Изделия огнеупорные. Метод измерения глубины отбитости углов иребер
ГОСТ 21140-88 Тара. Система размеров
ГОСТ 24597-81Пакеты тарно-штучных грузов. Основные параметры и размеры
ГОСТ24717-94 Огнеупоры и сырье огнеупорное. Маркировка, упаковка, хранение итранспортирование
ГОСТ25706-83 Лупы. Типы, основные параметры. Общие технические требования
3.1 Динасовые изделия взависимости от химического состава и применения подразделяют на марки, указанныев таблице 1.
Таблица 1 - Характеристика марокдинасовых изделий
| Марка изделия | Характеристика | Назначение |
| ЭД | Изделия динасовые с массовой долей SiO2 не менее 96 % | В электросталеплавильных печах вместимостью более 50 т |
| ЭД-1 | Изделия динасовые с массовой долей SiO2 не менее 95 % | В электросталеплавильных печах вместимостью до 50 т |
| Примечание - Допускается применение динасовых изделий марок ЭД и ЭД-1 для других тепловых агрегатов по соглашению изготовителя с потребителем. | ||
4.1 Формы и размерыдинасовых изделий должны соответствовать указанным на рисунках 1-8, втаблицах 2-9 иприложениях Аи Б.
Предельные отклонения поразмерам сторон изделий не должны превышать, мм:
±1 - для сторон до 100включительно;
±2 - для сторон свыше 100 до180 включительно;
±3 - для сторон свыше 180 до360 включительно.
Разность отклонений противолежащиходноименных размеров не должна превышать 1 мм в пределах, допускаемых настоящимстандартом.
Рисунок 1 - Прямой кирпич
Таблица2 - Размеры иназначение прямого кирпича
В миллиметрах
| а | б | в | Назначение | |
| 1 | 230 | 113 | 40 | Для подбора замковых соединений |
| 2 | 230 | 113 | 65 | Для кладки рядов свода толщиной 230 в сочетании с клиновыми изделиями № 5 и № 7 |
| 3 | 300 | 150 | 65 | Для кладки рядов свода толщиной 300 в сочетании с клиновыми изделиями № 6 и № 8 |

Рисунок 2 - Брусок
Таблица3 - Размеры иназначение бруска
В миллиметрах
| Номер изделия | а | б | в | Назначение |
| 4 | 300 | 100 | 65 | Для кладки рядов свода толщиной 300 в сочетании с прямым изделием № 3 и клиновым № 8 |

Рисунок 3 - Двусторонний торцовыйклин
Таблица4 - Размеры иназначение двустороннего торцового клина
В миллиметрах
| Номер изделия | а | б | в | в1 | Назначение |
| 5 | 230 | 113 | 65 | 55 | Для кладки междуэлектродных арок и сводов толщиной 230 в сочетании с прямым изделием № 2 и для кладки секторных рядов свода в сочетании с клиновым изделием № 9 |
| 6 | 300 | 150 | 65 | 55 | Для кладки междуэлектродных арок и сводов толщиной 300 в сочетании с прямым изделием № 3 и для кладки секторных рядов свода в сочетании с клиновым изделием № 10 |

Рисунок 4 - Двустороннийпереходной клин
Таблица5 - Размеры иназначение двустороннего переходного клина
В миллиметрах
| Номер изделия | а | б | б1 | в | Назначение |
| 7 | 230 | 113 | 102 | 65 | Для кладки секторных рядов свода толщиной 230 в сочетании с прямым изделием № 2 |
| 8 | 300 | 150 | 135 | 65 | Для кладки секторных рядов свода толщиной 300 в сочетании с прямыми изделиями № 3 и № 4 |

Рисунок 5 - Двустороннийпирамидальный клин
Таблица6 - Размеры иназначение двустороннего пирамидального клина
В миллиметрах
| Номер изделия | а | б | б1 | в | в1 | Назначение |
| 9 | 230 | 113 | 102 | 65 | 55 | Для кладки секторных рядов свода толщиной 230 в сочетании с клиновым изделием № 5 |
| 10 | 300 | 150 | 135 | 65 | 55 | Для кладки секторных рядов свода толщиной 300 в сочетании с клиновым изделием № 6 |

Рисунок 6 - Электродныйкирпич
Таблица7 - Размеры и назначениеэлектродного кирпича
В миллиметрах
| Номер изделия | а | б | в | в1 | Назначение |
| 11 | 230 | 100 | 82 | 47 | Для кладки колец электродных отверстий диаметром 270 и в сочетании с изделием № 12 для отверстий диаметром 305-440 сводов толщиной 230 |
| 12 | 230 | 100 | 88 | 62 | Для кладки колец электродных отверстий диаметром 475 и в сочетании с изделием № 11 для отверстий диаметром 305-440 сводов толщиной 230 |
| 13 | 300 | 110 | 96 | 63 | Для кладки внутренних полуколец электродных отверстий диаметром 420 и в сочетании с изделием № 14 для отверстий диаметром 450-600 сводов толщиной 300 |
| 14 | 300 | 110 | 96 | 71 | Для кладки внутренних полуколец электродных отверстий диаметром 630 и в сочетании с изделием № 13 для отверстий диаметром 450-600 сводов толщиной 300 |
Рисунок 7 - Внешнийэлектродный кирпич
Таблица8 - Размеры иназначение внешнего электродного кирпича
В миллиметрах
| а | б | в | в1 | α | Назначение | |
| 15 | 360 | 110 | 96 | 63 | 7 °36' | Для кладки внешних полуколец электродных отверстий диаметром 420 и в сочетании с изделием № 16 для отверстий диаметром 450-600 сводов толщиной 300 |
| 16 | 360 | 110 | 96 | 71 | 7 °36' | Для кладки внешних полуколец электродных отверстий диаметром 630 и в сочетании с изделием № 15 для отверстий диаметром 450-600 сводов толщиной 300 |
Рисунок 8 - Опорный кирпич
Таблица9 - Размеры иназначение опорного кирпича
В миллиметрах
| а | б | б1 | в | в1 | г | α | Назначение | |
| 17 | 210 | 93 | 180 | 70 | 65 | 227 | 67 °30' | Для кладки опор сводов толщиной 230 |
| 18 | 270 | 108 | 220 | 71 | 67 | 292 | 67 °30' | Для кладки опор сводов толщиной 300 |
4.2 Размеры углов нарисунках 7,8 ив таблицах 8,9даны для построения чертежей изделий.
4.3 Определение количестваизделий для кладки колец электродных отверстий при различном сочетании изделийприведено в приложении В.
4.4 Примерная схема кладки сводав центральной части электросталеплавильной печи вместимостью 8-30 т приведена вприложении Г.
4.5 Объем и масса изделийприведены в приложении Д.
4.6 Дополнительные формы иразмеры изделий, а также предельные отклонения по размерам допускаетсяустанавливать по соглашению сторон. На чертежах заказчика должна быть указанарабочая поверхность изделий.
5.1 Динасовые изделия пофизико-химическим показателям и внешнему виду должны соответствоватьтребованиям, указанным в таблице 10.
Таблица 10 - Технические требования к динасовым изделиям
| Значение для марок | ||
| ЭД | ЭД-1 | |
| Массовая доля, %: |
|
|
| SiO2, не менее | 96 | 95 |
| CaO, не более | 2,0 | 2,2 |
| Al2O3, не более | 1,5 | 1,5 |
| Огнеупорность, °C, не ниже | 1710 | 1700 |
| Температура начала размягчения, °C, не ниже | 1660 | 1650 |
| Плотность, г/см3, в пределах | 2,32-2,34 | 2,32-2,36 |
| Пористость открытая, %, не более | 22 | 22 |
| Предел прочности при сжатии, Н/мм2, не менее | 25 | 25 |
| Кривизна, мм, не более, для сторон изделий размером, мм: |
|
|
| до 150 включительно | 1 | 1 |
| св. 150 | 2 | 2 |
| Глубина отбитости углов и ребер, мм, не более, на стороне: |
|
|
| рабочей | 5 | 5 |
| нерабочей | 8 | 8 |
| Выплавки отдельные диаметром, мм, не более, на стороне: |
|
|
| рабочей | 5 | 5 |
| нерабочей | 8 | 8 |
| Посечки поверхностные шириной свыше 0,3 мм | Не допускаются | |
| Примечания 1 Предел прочности при сжатии для одного образца из трех допускается не менее 20 Н/мм2. 2 Для прямых и электродных изделий рабочей является одна из торцевых сторон, для клиновых - торцевая сторона с меньшей площадью. | ||
5.2 Изделия в изломе должныиметь однородное строение, зерна не должны выкрашиваться и не должно бытьпустот.
5.3 Требования к внешнемувиду изделий допускается устанавливать по соглашению сторон.
6.1 При производстве иприменении динасовых изделий вредным производственным фактором являетсянеорганическая пыль кварцита, содержащая оксид кремния, относящийся к третьемуклассу опасности.
Предельно допустимаяконцентрация пыли кварцита в воздухе рабочей зоны производственных помещений недолжна превышать 1 мг/м3 по ГОСТ12.1.005.
6.2 Общие требованиябезопасности при работе с динасовыми изделиями - по ГОСТ12.0.001, ГОСТ12.0.003, ГОСТ12.1.005, ГОСТ12.4.028, ГОСТ12.4.041.
6.3 При производстве иприменении динасовых изделий должна соблюдаться система стандартов по охранеокружающей среды по ГОСТ17.0.0.01, ГОСТ17.2.3.02.
7.1 Правила приемки - по ГОСТ 8179 соследующими дополнениями: массу партии устанавливают не более 150 т; для приемкиизделий применяют план контроля номер 2.
7.2 При проверкесоответствия качества изделий требованиям настоящего стандарта проводятприемосдаточные испытания в соответствии с требованиями таблицы 11.
Таблица 11 - Периодичность отбора образцов и проб дляпроведения испытаний
| Периодичность отбора образцов и проб | |
| Внешний вид и размеры | От каждой партии |
| Строение в изломе | То же |
| Массовая доля SiO2, CaO, Аl2О3 | От каждой третьей партии |
| Огнеупорность | От каждой десятой партии |
| Температура начала размягчения | То же |
| Плотность | От каждой партии |
| Пористость открытая | То же |
| Предел прочности при сжатии | » |
8.1 Массовую долю SiO2, CaO, Аl2О3 определяют по ГОСТ2642.0, ГОСТ2642.3, ГОСТ2642.4, ГОСТ2642.7 или другими методами анализа, обеспечивающими требуемую точностьопределения.
Результаты определениямассовой доли SiO2 округляют до целого числа, массовой доли СаО и Аl2О3 - до первогодесятичного знака.
При разногласиях в оценкекачества изделий определения проводят по ГОСТ2642.3, ГОСТ2642.4, ГОСТ2642.7.
8.2 Огнеупорность определяютпо ГОСТ4069.
8.3 Температуру началаразмягчения определяют по ГОСТ4070.
8.4 Плотность определяют по ГОСТ 2211.
8.5 Открытую пористостьопределяют по ГОСТ2409.
8.6 Предел прочности присжатии определяют по ГОСТ4071.1.
8.7 Размеры изделий измеряютметаллической линейкой по ГОСТ 427 сценой деления 1 мм или соответствующими шаблонами, обеспечивающими необходимуюточность измерения. Размеры прямых изделий - длину, ширину измеряют по двумпараллельным граням посередине каждой грани, толщину - по четырем граням. Зарезультат измерений принимают среднее значение. Размеры изделий другихконфигураций измеряют посередине каждой грани.
8.8 Кривизну изделийопределяют на поверочной плите по ГОСТ 10905 илиаттестованной металлической плите, удовлетворяющей требованиям ГОСТ10905, при помощи щупа-шаблона шириной 10 мм и толщиной, превышающей на 0,1мм установленную норму кривизны. Щуп не должен входить в зазор между плитой иизделием.
8.9 Глубину отбитости углови ребер определяют по ГОСТ15136.
8.10 Диаметр выплавкиизмеряют металлической линейкой с ценой деления 1 мм по диаметру впадины,образуемой выплавкой, в месте ее максимальной ширины.
8.11 Ширину посечкиопределяют в месте ее максимального размера при помощи измерительной лупы по ГОСТ 25706.Лупу располагают таким образом, чтобы ее шкала была перпендикулярна посечке.Между шкалой и поверхностью изделия помещают полоску белой бумаги, которую располагаютвдоль шкалы вплотную к ее делениям.
8.12 Строение изделия визломе определяют визуально.
9.1 Маркировку, упаковку,транспортирование и хранение изделий производят по ГОСТ24717 со следующими дополнениями: для упаковки изделий используют ящикитипов 1-1, 1-2 по ГОСТ10198; размеры ящиков - по ГОСТ21140, размеры пакета - по ГОСТ 24597.
9.2 Упаковку,транспортирование и хранение изделий допускается осуществлять по соглашениюсторон при условии гарантии сохранения эксплуатационных качеств продукции.
Введение
Применяются двевзаимоисключающие системы определения размеров огнеупорного сводового кирпича:с использованием постоянного среднего размера и постоянного размера заднейстороны.
Примечание - Размеры сводового кирпича спостоянным размером задней стороны, изготовляемого в Северной Америке, оченьблизки к приведенным в таблице А.1.
А.1 Объем и областьприменения
А.1.1 Эта часть ИСО 5019-2уточняет размеры двух серий огнеупорного сводового кирпича с постоянным среднимразмером и одну серию огнеупорного сводового кирпича с постоянным размеромзадней стороны.
А.1.2 Эти серии кирпичамогут применяться вместе с двумя сериями прямоугольного кирпича, размерыкоторого определяются в ИСО 5019-1.
А.2 Ссылка
А.2.1 ИСО 5019-1-84 Изделияогнеупорные. Размеры. Часть 1. Прямоугольный кирпич.
А.3 Размеры
А.3.1 Размеры огнеупорногосводового кирпича должны соответствовать указанным в таблице А.1.
А.3.2 Предпочтительноприменять серию кирпича 76 мм.
А.4 Допустимые отклонения
А.4.1 Допустимые отклоненияразмеров, приведенных в таблице, должны быть согласованы между поставщиком ипотребителем.
ТаблицаА.1 - Размерыогнеупорного сводового кирпича
В миллиметрах
| Кирпич с постоянным средним размером | Кирпич с постоянным размером задней стороны | ||
| серия 64 мм | серия 76 мм | ||
| Ребровой двусторонний клин2
| А × В × C/D | А × В × C/D | А × В × C/D |
| Торцовый клин2
| А × В × C/D | А × В × C/D | А × В × C/D |
| Торцовый полуторный клиновой кирпич
| А × В × C/D | А × В × C/D | А × В × C/D |
| Большой сводовый кирпич2
| А × В × C/D | А × В × C/D | А × В × C/D |
| 1 Буквы, обозначающие размеры, относятся только к рисункам данной таблицы. 2 В Северной Америке ребровой двусторонний клин известен как «арочный», торцовый клин - «клин», большой сводовый кирпич - «клиновой блок». | |||
Б.1 Объем и областьприменения
Эта часть ИСО 5019 устанавливаетразмеры огнеупорного кирпича, применяемого в сводах электродуговых печей.
Размеры специальногокирпича, также применяемого для футеровки этих печей, даны в приложении вкачестве дополнительной информации.
Б.2 Размеры
Размеры огнеупорного кирпича,применяемого в сводах электродуговых печей, должны соответствовать указанным втаблицах Б.1,Б.2и Б.3.
Примечание - Обычно применяются изделия сразмерами, указанными в таблице Б.1, или комбинация размеров в таблицах Б.2 и Б.3
Б.3 Маркировка кирпича
Б.3.1 Общая часть
Кирпич с установленнымиразмерами должен быть разработан в соответствии со справочными числами,указанными в таблицах Б.1, Б.2, Б.3.
Б.3.2 Пояснения к таблице Б.1
Первая буква в графе«Справочный номер» (Н, J или К) обозначает длину кирпича(толщину свода): 230, 250, 300 мм; вторая буква (W, X, V или Z)обозначает сферический радиус: 2,7; 4,5; 6,3 или 8,1 м.
Цифра на третьем месте (1,2, 3 или 4) обозначает скос ребрового клинового кирпича: 2, 3, 6 или 13 мм.
Б.3.3 Пояснения к таблицам Б.2 и Б.3.
В графе «Справочный номер»таблицы Б.2буквами KR обозначают кирпич для свода, в таблице Б.3буквой R обозначают кирпич для прямоугольного перекрытия;
первая цифра в обозначении,установленном в таблицах Б.2 и Б.3, соответствует первойцифре сферического радиуса, м;
вторая цифра соответствуетобозначению по таблице Б.4.
Соответствие междусферическим радиусом и толщиной свода установлено в таблице Б.4.

Рисунок Б.1 - Размерыизделий для сводов электродуговых печей
Таблица Б.1
| Номинальный сферический радиус, м | Размеры кирпича, мм | Справочный номер | ||||||
| А | В | C | D | Е | F | |||
| 230 | 4,5 | 114 | 108,5 | 76 | 72,5 | 73 | 69,5 | НХ2 |
|
|
| 114 | 108,5 | 76 | 72,5 | 70 | 67 | НХ3 |
|
|
| 114 | 108,5 | 76 | 72,5 | 63 | 60 | НХ4 |
|
| 2,7 | 114 | 105 | 76 | 70 | 73 | 67 | HW2 |
|
|
| 114 | 105 | 76 | 70 | 70 | 64,5 | HW3 |
|
|
| 114 | 105 | 76 | 70 | 63 | 58 | HW4 |
| 250 | 8,1 | 114 | 110,5 | 76 | 73,5 | 74 | 71,5 | JZ1 |
|
|
| 114 | 110,5 | 76 | 73,5 | 73 | 70,5 | JZ2 |
|
|
| 114 | 110,5 | 76 | 73,5 | 70 | 67,5 | JZ3 |
|
|
| 114 | 110,5 | 76 | 73,5 | 63 | 61 | JZ4 |
|
| 6,3 | 114 | 109,5 | 76 | 73 | 74 | 71 | JV1 |
|
|
| 114 | 109,5 | 76 | 73 | 73 | 70 | JV2 |
|
|
| 114 | 109,5 | 76 | 73 | 70 | 67 | JV3 |
|
|
| 114 | 109,5 | 76 | 73 | 63 | 60,5 | JV4 |
| 300 | 8,1 | 114 | 110 | 76 | 73,5 | 74 | 71,5 | KZ1 |
|
|
| 114 | 110 | 76 | 73,5 | 73 | 70,5 | KZ2 |
|
|
| 114 | 110 | 76 | 73,5 | 70 | 67,5 | KZ3 |
|
|
| 114 | 110 | 76 | 73,5 | 63 | 61 | KZ4 |
|
| 6,3 | 114 | 109 | 76 | 72,5 | 74 | 70,5 | KV1 |
|
|
| 114 | 109 | 76 | 72,5 | 73 | 69,5 | KV2 |
|
|
| 114 | 109 | 76 | 72,5 | 70 | 67 | KV3 |
|
|
| 114 | 109 | 76 | 72,5 | 63 | 60 | KV4 |

Рисунок Б.2 - Размерыкирпича для электродуговых печей со сферическим сводом
Таблица Б.2
| Номинальный сферический радиус, м | Размеры кирпича, мм | Справочный номер | ||||||
| А | В | С | D | Е | F | |||
| 200 | 2,0 | 132 | 120 | 93 | 85 | 71 | 65 | KR20 |
|
| 3,0 | 128 | 120 | 89 | 83,5 | 71,5 | 67 | KR30 |
| 250 | 3,0 | 130 | 120 | 90,5 | 83,5 | 72,5 | 67 | KR32 |
|
| 4,0 | 128 | 120 | 87 | 82 | 72 | 68 | KR42 |
|
| 5,0 | 126 | 120 | 86 | 82 | 72 | 68 | KR52 |
|
| 6,0 | 125 | 120 | 85,5 | 82 | 71 | 68 | KR62 |
|
| 7,0 | 124,5 | 120 | 85 | 82 | 71 | 68 | KR72 |
| 300 | 4,0 | 129 | 120 | 88 | 82 | 73 | 68 | KR43 |
|
| 5,0 | 127 | 120 | 87 | 82 | 72 | 68 | KR53 |
|
| 6,0 | 126 | 120 | 86 | 82 | 71,5 | 68 | KR63 |
|
| 7,0 | 125 | 120 | 85,5 | 82 | 71 | 68 | KR73 |
|
| 9,0 | 124 | 120 | 85 | 82 | 70,5 | 68 | KR93 |

Рисунок Б.3 - Размеры кирпичадля прямоугольного свода электродуговых печей
Таблица Б.3
| Толщина свода H, мм | Номинальный сферический радиус, м | Размеры кирпича, мм | Справочный номер | |||
| А | В | С | D | |||
| 200 | 2,0 | 132 | 120 | 82,5 | 75 | R20 |
|
| 3,0 | 128 | 120 | 80 | 75 | R30 |
| 250 | 3,0 | 130 | 120 | 81 | 75 | R32 |
|
| 4,0 | 128 | 120 | 80 | 75 | R42 |
|
| 5,0 | 126 | 120 | 79 | 75 | R52 |
|
| 6,0 | 125 | 120 | 78,5 | 75 | R62 |
|
| 7,0 | 124,5 | 120 | 78 | 75 | R72 |
| 300 | 4,0 | 129 | 120 | 81 | 75 | R43 |
|
| 5,0 | 127 | 120 | 80 | 75 | R53 |
|
| 6,0 | 126 | 120 | 79 | 75 | R63 |
|
| 7,0 | 125 | 120 | 78 | 75 | R73 |
|
| 9,0 | 124 | 120 | 77,5 | 75 | R93 |
Таблица Б.4 - Соответствие сферического радиуса толщинесвода
| Обозначение | Возможные сферические радиусы, мм | |||||||
| 200 | 0 | 2000 | 3000 |
|
|
|
|
|
| 250 | 2 |
| 3000 | 4000 | 5000 | 6000 | 7000 |
|
| 300 | 3 |
|
| 4000 | 5000 | 6000 | 7000 | 9000 |
ПРИЛОЖЕНИЕ к ИСО 5019-4
(справочное)
Кирпич для изоляцииэлектрода и воздухопровода
(приложение неявляется частью стандарта)

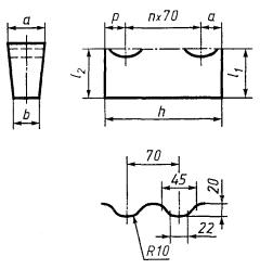
Рисунок Б.4 - Размерыкирпича для изоляции электродов и воздухопроводов
Таблица Б.5
В миллиметрах
| Обозначение | а | b | l1 | l2 | h | п | o | p | Внутренний диаметр |
| D1N | 81 | 29,5 | 115 | 95 | 260 | 2 | 60 | 60 | 140 |
| D2N | 74,5 | 40 | 115 | 95 | 260 | 2 | 60 | 60 | 280 |
| D3N | 118,5 | 45 | 140 | 130 | 320 | 3 | 55 | 55 | 180 |
| D4N | 90 | 53 | 140 | 130 | 320 | 3 | 55 | 55 | 420 |
| D5N | 111 | 64 | 150 | 140 | 375 | 4 | 50 | 45 | 420 |
| D6N | 94 | 63 | 150 | 140 | 375 | 4 | 50 | 45 | 620 |
| D7N | 108 | 67,5 | 180 | 170 | 450 | 5 | 50 | 50 | 620 |
| D8N | 92 | 65,5 | 180 | 170 | 450 | 5 | 50 | 50 | 900 |
| D9N | 92 | 72 | 180 | 170 | 450 | 5 | 50 | 50 | 1300 |

ЭД-11 230 мм ×100 мм × 82 мм × 47 мм
ЭД-11 230 мм × 100 мм × 88 мм × 62 мм
Рисунок В.1 - Свод толщиной230 мм

ЭД-13300 мм × 110 мм × 96 мм × 63 мм
или
ЭД-15 360 мм × 110 мм × 96 мм × 63 мм
ЭД-14 300 мм × 110 мм × 96 мм × 71 мм
или
ЭД-16 360 мм × 110 мм × 96 мм × 71 мм
Рисунок В.2 - Свод толщиной300 мм

Рисунок Г.1
Таблица Д.1
| Номер изделия | Объем, см3 | Масса, кг | Номер изделия | Объем, см3 | Масса, кг |
| 1 | 1039 | 1,9 | 10 | 2565 | 4,9 |
| 2 | 1690 | 3,2 | 11 | 1485 | 2,8 |
| 3 | 2925 | 5,6 | 12 | 1725 | 3,3 |
| 4 | 1950 | 3,7 | 13 | 2620 | 5,0 |
| 5 | 1560 | 3,0 | 14 | 2760 | 5,2 |
| 6 | 2700 | 5,1 | 15 | 2145 | 4,1 |
| 7 | 1600 | 3,1 | 16 | 2260 | 4,3 |
| 8 | 2780 | 5,3 | 17 | 2005 | 3,8 |
| 9 | 1480 | 2,8 | 18 | 3145 | 6,0 |
Ключевыеслова: огнеупорные динасовые изделия, электросталеплавильная печь