Меню по разделу
+
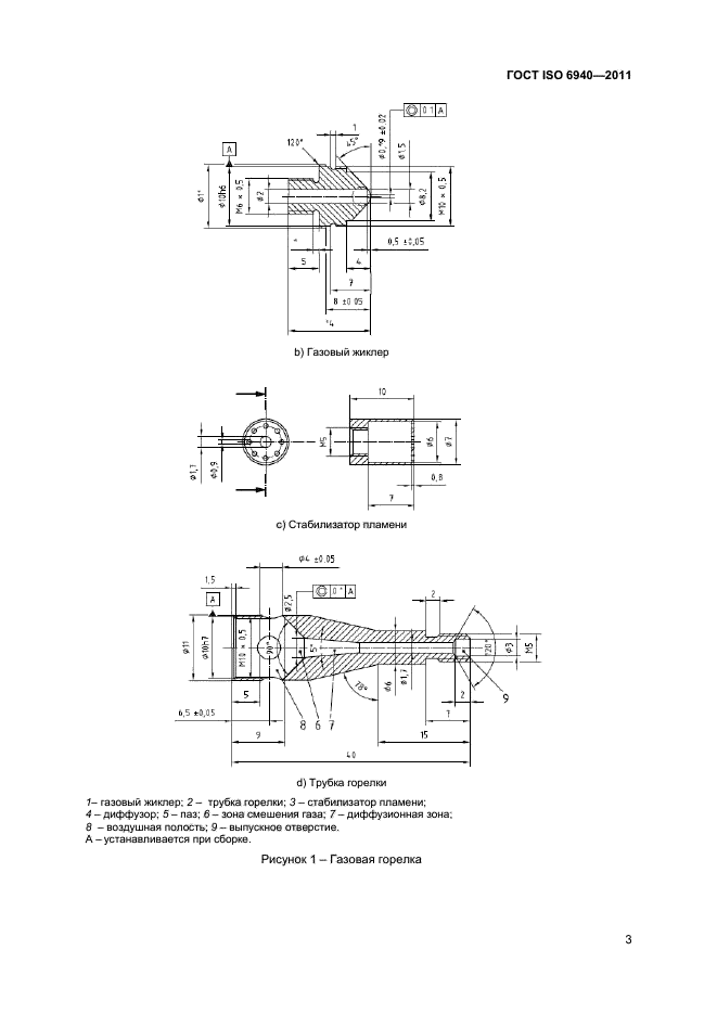
Настоящий стандарт устанавливает метод определения воспламеняемости текстильных изделий, ориентированных вертикально, и промышленных изделий, состоящих из одной или нескольких тканей (покрытия, подстежки, многослойные конструкции и другие комбинации), находящихся под воздействием заданного по мощности пламени.
Этот метод оценивает свойства текстильных изделий при их взаимодействии с огнем в контролируемых условиях. Испытания могут не дать необходимых результатов в условиях ограниченного подвода воздуха или при воздействии на образец мощного теплового излучения
| Обозначение: | ГОСТ ISO 6940-2011 |
| Статус: | действующий |
| Название рус.: | Материалы текстильные. Характеристики горения. Метод определения воспламеняемости вертикально ориентированных образцов |
| Название англ.: | Textile fabrics. Burning behaviour. Determination of ease of ignitionof vertically oriented specimens |
| Дата актуализации текста: | 01.08.2015 |
| Дата актуализации описания: | 10.08.2017 |
| Дата издания: | 07.04.2015 |
| Дата введения в действие: | 01.07.2015 |
| Дата последнего изменения: | 13.07.2017 |
| Область и условия применения: | Настоящий стандарт устанавливает метод определения воспламеняемости текстильных изделий, ориентированных вертикально, и промышленных изделий, состоящих из одной или нескольких тканей (покрытия, подстежки, многослойные конструкции и другие комбинации), находящихся под воздействием заданного по мощности пламени.
Этот метод оценивает свойства текстильных изделий при их взаимодействии с огнем в контролируемых условиях. Испытания могут не дать необходимых результатов в условиях ограниченного подвода воздуха или при воздействии на образец мощного теплового излучения |
| Страниц: | 18 |
| Ссылки для скачивания: |

