Меню по разделу
+
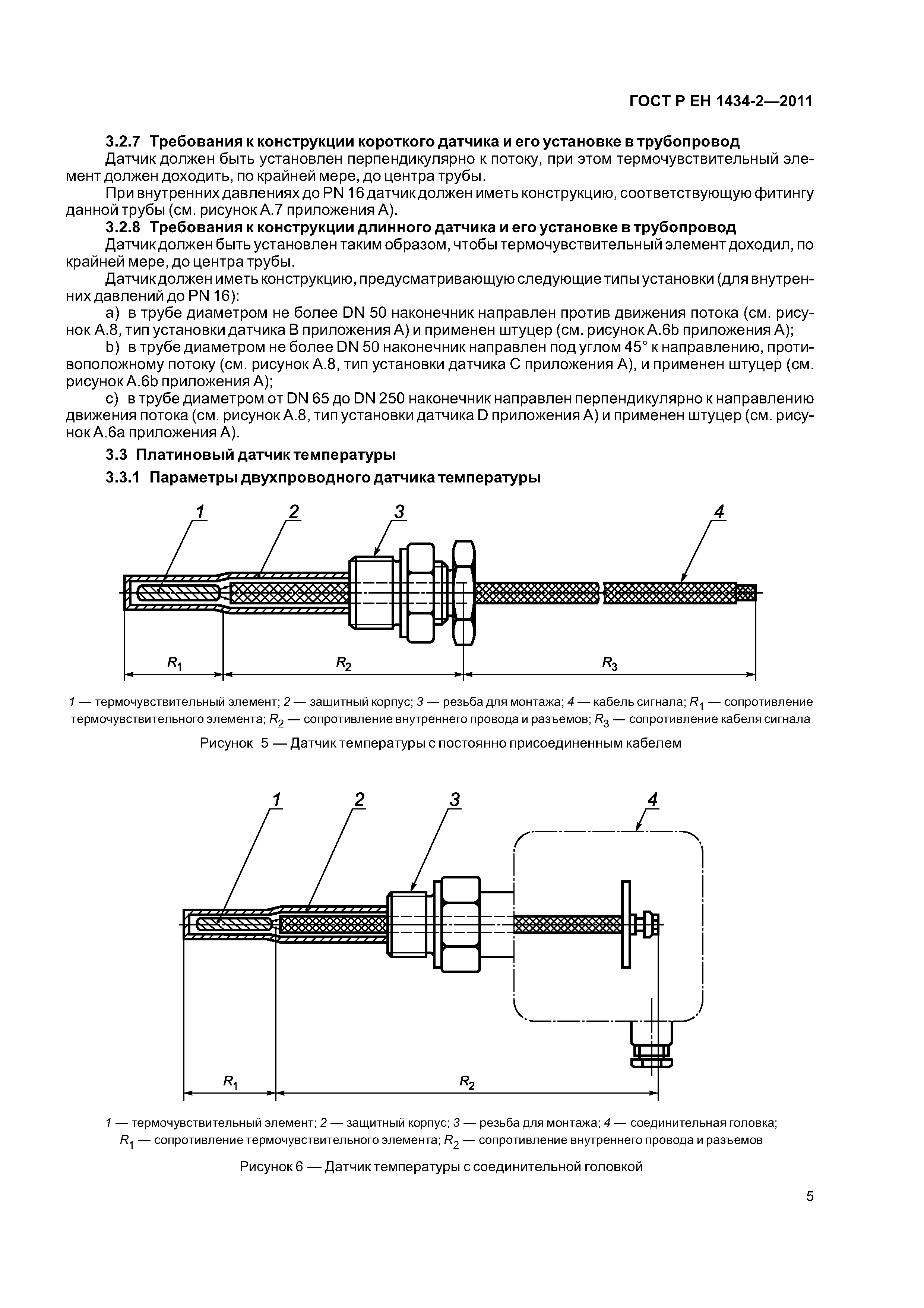
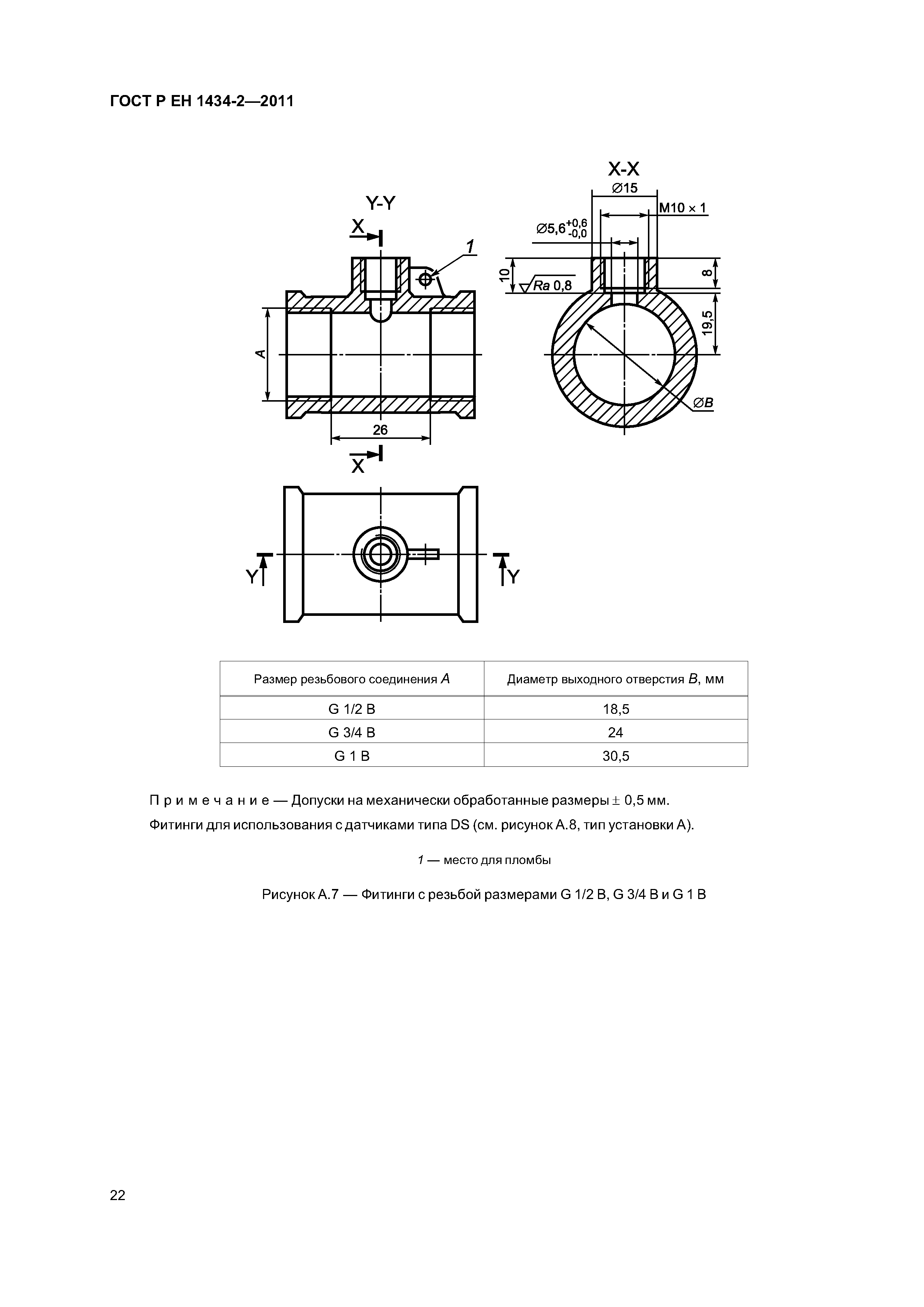
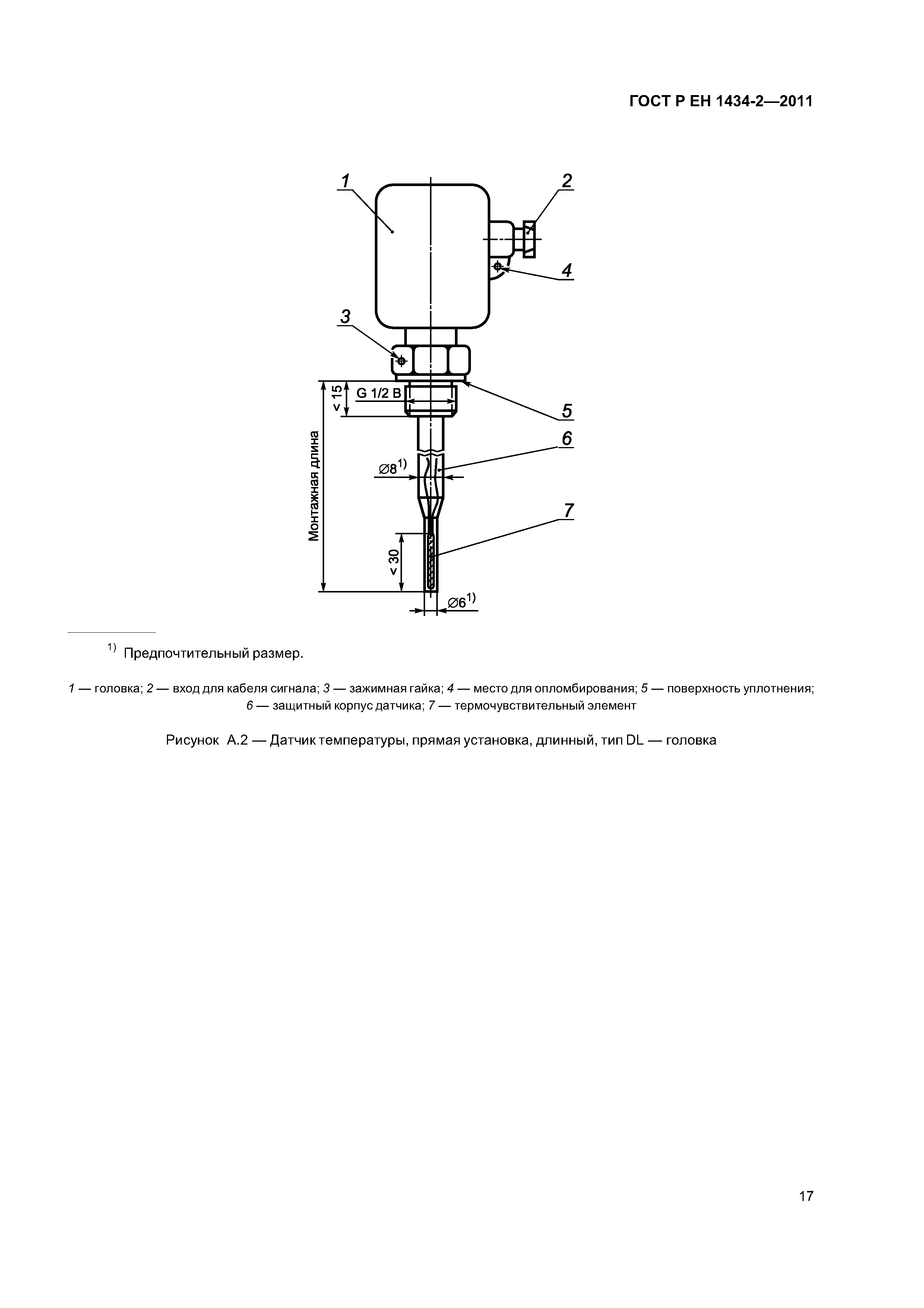
Настоящий стандарт устанавливает требования к конструкции и распространяется на теплосчетчики, предназначенные для измерений тепловой энергии, поглощаемой или отдаваемой жидкостью, называемой теплоносящей жидкостью (теплоноситель). Данные теплосчетчики отражают количество тепла в стандартных единицах измерения.
Настоящий стандарт не устанавливает требования электробезопасности.
Настоящий стандарт не устанавливает требования безопасности, связанные с давлением.
Настоящий стандарт не распространяется на теплосчетчики с датчиками температуры, установленными на поверхности трубопроводов
| Обозначение: | ГОСТ Р ЕН 1434-2-2011 |
| Статус: | действующий |
| Название рус.: | Теплосчетчики. Часть 2. Требования к конструкции |
| Дата актуализации текста: | 06.04.2015 |
| Дата актуализации описания: | 10.08.2017 |
| Дата издания: | 15.03.2013 |
| Дата введения в действие: | 01.03.2013 |
| Дата последнего изменения: | 13.07.2017 |
| Область и условия применения: | Настоящий стандарт устанавливает требования к конструкции и распространяется на теплосчетчики, предназначенные для измерений тепловой энергии, поглощаемой или отдаваемой жидкостью, называемой теплоносящей жидкостью (теплоноситель). Данные теплосчетчики отражают количество тепла в стандартных единицах измерения.
Настоящий стандарт не устанавливает требования электробезопасности. Настоящий стандарт не устанавливает требования безопасности, связанные с давлением. Настоящий стандарт не распространяется на теплосчетчики с датчиками температуры, установленными на поверхности трубопроводов |
| Страниц: | 36 |
| Ссылки для скачивания: |

