Меню
Навигация
Первая линия
Novatika

ГОСТ IEC 61009-1-2014 Выключатели автоматические, срабатывающие от остаточного тока, со встроенной защитой от тока перегрузки, бытовые и аналогичного назначения. Часть 1. Общие правила

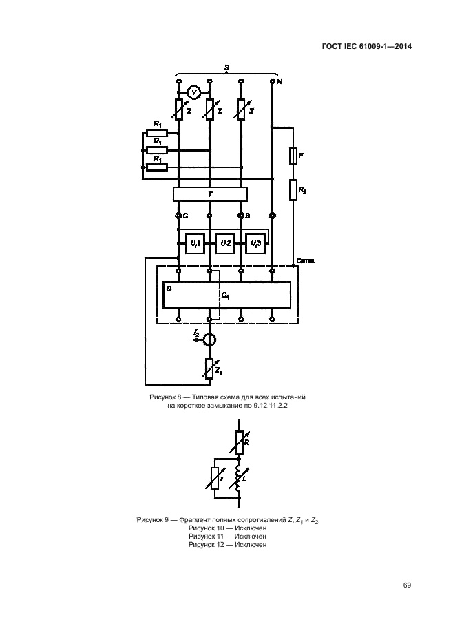
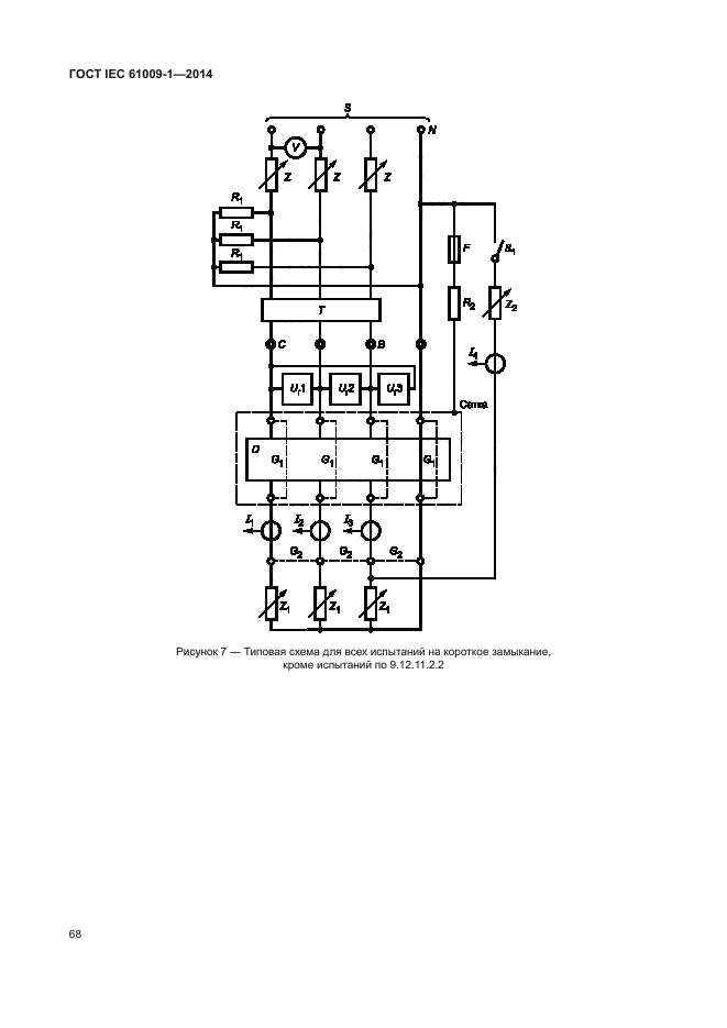
Настоящий стандарт распространяется на управляемые дифференциальным током автоматические выключатели со встроенной защитой от сверхтоков, функционально не зависящие или зависящие от напряжения сети, для бытового и аналогичного применения с номинальными напряжениями, не превышающими 440 В переменного тока с номинальными частотами 50, 60 Гц или 50/60 Гц и номинальными токами, не превышающими 125 А, с номинальными наибольшими отключающими способностями, не превышающими 25000 А, для работы на частоте 50 или 60 Гц.
Настоящий стандарт не распространяется:
- на АВДТ, предназначенные для защиты двигателей;
- на АВДТ, уставка по току которых регулируется органами, доступными для потребителя в условиях нормальной эксплуатации.
- на АВДТ, содержащие автономные источники питания

Обозначение: ГОСТ IEC 61009-1-2014
Статус: действующий
Название рус.: Выключатели автоматические, срабатывающие от остаточного тока, со встроенной защитой от тока перегрузки, бытовые и аналогичного назначения. Часть 1. Общие правила
Дата актуализации текста: 26.02.2016
Дата актуализации описания: 10.08.2017
Дата издания: 15.12.2016
Дата введения в действие: 01.10.2015
Дата последнего изменения: 13.07.2017
Область и условия применения: Настоящий стандарт распространяется на управляемые дифференциальным током автоматические выключатели со встроенной защитой от сверхтоков, функционально не зависящие или зависящие от напряжения сети, для бытового и аналогичного применения с номинальными напряжениями, не превышающими 440 В переменного тока с номинальными частотами 50, 60 Гц или 50/60 Гц и номинальными токами, не превышающими 125 А, с номинальными наибольшими отключающими способностями, не превышающими 25000 А, для работы на частоте 50 или 60 Гц.
Настоящий стандарт не распространяется:
- на АВДТ, предназначенные для защиты двигателей;
- на АВДТ, уставка по току которых регулируется органами, доступными для потребителя в условиях нормальной эксплуатации.
- на АВДТ, содержащие автономные источники питания
Страниц: 138
Ссылки для скачивания: