Меню по разделу
+
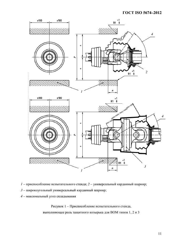
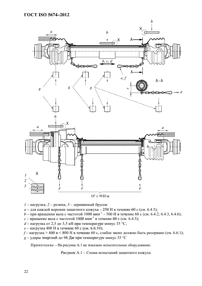
Настоящий стандарт устанавливает методы лабораторных испытаний для определения прочности и износостойкости защитных кожухов карданных валов для передачи крутящего момента от вала отбора мощности (ВОМ) тракторов и машин для сельскохозяйственных работ и лесоводства и критерии их приемки. Настоящий стандарт предназначен для совместного применения с ISO 5673.
Требования настоящего стандарта распространяются на испытания защитных кожухов карданных валов и удерживающих систем. Требования настоящего стандарта не распространяются на испытания защитных ограждений, которые сконструированы и изготовлены для использования в качестве ступеней
| Обозначение: | ГОСТ ISO 5674-2012 |
| Статус: | действующий |
| Название рус.: | Тракторы и машины для сельскохозяйственных работ и лесоводства. Кожухи защитные карданных валов для привода от валов отбора мощности (ВОМ). Испытания на прочность и износ. Критерии приемки |
| Дата актуализации текста: | 06.04.2015 |
| Дата актуализации описания: | 10.08.2017 |
| Дата издания: | 01.08.2014 |
| Дата введения в действие: | 01.07.2014 |
| Дата последнего изменения: | 13.07.2017 |
| Область и условия применения: | Настоящий стандарт устанавливает методы лабораторных испытаний для определения прочности и износостойкости защитных кожухов карданных валов для передачи крутящего момента от вала отбора мощности (ВОМ) тракторов и машин для сельскохозяйственных работ и лесоводства и критерии их приемки. Настоящий стандарт предназначен для совместного применения с ISO 5673.
Требования настоящего стандарта распространяются на испытания защитных кожухов карданных валов и удерживающих систем. Требования настоящего стандарта не распространяются на испытания защитных ограждений, которые сконструированы и изготовлены для использования в качестве ступеней |
| Страниц: | 40 |
| Ссылки для скачивания: |

