Меню по разделу
+
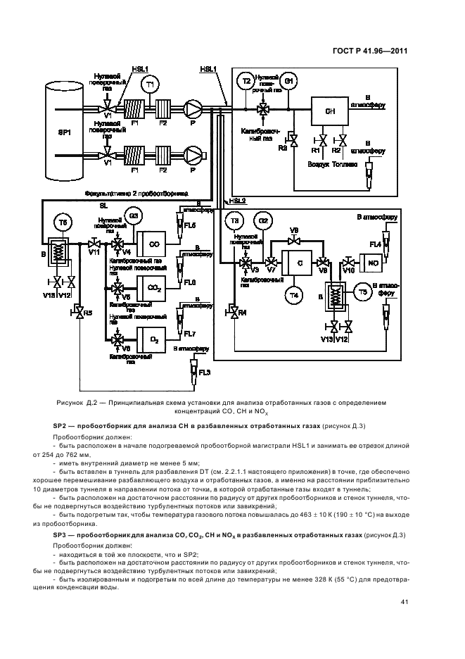
Настоящий стандарт применяется в отношении выбросов вредных газообразных веществ и дисперсных частиц двигателей с воспламенением от сжатия
| Обозначение: | ГОСТ Р 41.96-2011 |
| Статус: | действующий |
| Название рус.: | Единообразные предписания, касающиеся двигателей с воспламенением от сжатия, предназначенных для установки на сельскохозяйственных и лесных тракторах и внедорожной технике, в отношении выброса вредных веществ этими двигателями |
| Название англ.: | Uniform provisions concerning the approval of compression ignition engines to be installed in agricultural and forestry tractors and in non-road mobile machinery in regard to the emission of pollutants by the engines |
| Дата актуализации текста: | 06.04.2015 |
| Дата актуализации описания: | 10.08.2017 |
| Дата издания: | 05.03.2013 |
| Дата введения в действие: | 01.01.2013 |
| Дата последнего изменения: | 13.07.2017 |
| Область и условия применения: | Настоящий стандарт применяется в отношении выбросов вредных газообразных веществ и дисперсных частиц двигателей с воспламенением от сжатия |
| Страниц: | 70 |
| Ссылки для скачивания: |

