Стандарт устанавливает методы определения степени опасности лазерного излучения для организма человека, основанные на измерении параметров излучения на рабочих местах операторов лазерных установок. Стандарт следует применять совместно с ГОСТ 12.1.040, ГОСТ Р 50723, Санитарными нормами и правилами [1].
| Обозначение: | ГОСТ Р 12.1.031-2010 |
| Название рус.: | Система стандартов безопасности труда. Лазеры. Методы дозиметрического контроля лазерного излучения |
| Статус: | действует |
| Дата актуализации текста: | 05.05.2017 |
| Дата добавления в базу: | 01.09.2013 |
| Дата введения в действие: | 01.07.2012 |
| Утвержден: | 12.12.2010 Федеральное агентство по техническому регулированию и метрологии (845-ст) |
| Опубликован: | Стандартинформ (2012 г. ) |
| Ссылки для скачивания: |
|
ФЕДЕРАЛЬНОЕ
АГЕНТСТВО |
||
|
|
НАЦИОНАЛЬНЫЙ |
ГОСТ Р |
Система стандартов безопасности труда
ЛАЗЕРЫ
Методы
дозиметрического контроля
лазерного излучения
|
|
Москва |
Цели и принципы стандартизации в Российской Федерации установлены Федеральным законом от 27 декабря 2002 г. № 184-ФЗ «О техническом регулировании», а правила применения национальных стандартов Российской Федерации - ГОСТ Р 1.0-2004 «Стандартизация в Российской Федерации. Основные положения»
Сведения о стандарте
1. РАЗРАБОТАН Федеральным государственным унитарным предприятием «Всероссийский научно-исследовательский институт оптико-физических измерений» (ФГУП «ВНИИОФИ») Федерального агентства по техническому регулированию и метрологии
2. ВНЕСЕН Управлением метрологии и надзора Федерального агентства по техническому регулированию и метрологии
3. УТВЕРЖДЕН И ВВЕДЕН В ДЕЙСТВИЕ приказом Федерального агентства по техническому регулированию и метрологии от 21 декабря 2010 г. № 845-ст
4. ВВЕДЕН ВПЕРВЫЕ
Информация об изменениях к настоящему стандарту публикуется в ежегодно издаваемом информационном указателе «Национальные стандарты», а текст изменений и поправок - в ежемесячно издаваемых информационных указателях «Национальные стандарты». В случае пересмотра (замены) или отмены настоящего стандарта соответствующее уведомление будет опубликовано в ежемесячно издаваемом информационном указателе «Национальные стандарты». Соответствующая информация, уведомление и тексты размещаются также в информационной системе общего пользования - на официальном сайте Федерального агентства по техническому регулированию и метрологии в сети Интернет
СОДЕРЖАНИЕ
НАЦИОНАЛЬНЫЙ СТАНДАРТ РОССИЙСКОЙ ФЕДЕРАЦИИ
|
Система стандартов безопасности труда ЛАЗЕРЫ Методы дозиметрического контроля лазерного излучения Occupational
safety standards system. |
Дата введения - 2012-07-01
Настоящий стандарт устанавливает методы определения степени опасности лазерного излучения для организма человека, основанные на измерении параметров излучения на рабочих местах операторов лазерных установок.
Стандарт следует применять совместно с ГОСТ 12.1.040, ГОСТ Р 50723, Санитарными нормами и правилами [1].
В настоящем стандарте использованы нормативные ссылки на следующие стандарты:
ГОСТ Р 50723-94 Лазерная безопасность. Общие требования безопасности при разработке и эксплуатации лазерных изделий
ГОСТ 8.009-84 Государственная система обеспечения единства измерений. Нормируемые метрологические характеристики средств измерений
ГОСТ 8.207-76 Государственная система обеспечения единства измерений. Прямые измерения с многократными наблюдениями. Методы обработки результатов наблюдений. Основные положения
ГОСТ 12.1.040-83 Система стандартов безопасности труда. Лазерная безопасность. Общие положения
ГОСТ 12.2.007.3-75 Система стандартов безопасности труда. Электротехнические устройства на напряжение свыше 1000 В. Требования безопасности
ГОСТ 12.2.032-78 Система стандартов безопасности труда. Рабочее место при выполнении работ сидя. Общие эргономические требования
ГОСТ 12.2.033-78 Система стандартов безопасности труда. Рабочее место при выполнении работ стоя. Общие эргономические требования
ГОСТ 12.3.002-75 Система стандартов безопасности труда. Процессы производственные. Общие требования безопасности
ГОСТ 5378-88 Угломеры с нониусом. Технические условия
ГОСТ 24453-80 Измерения параметров и характеристик лазерного излучения. Термины, определения и буквенные обозначения величин
ГОСТ 26148-84 Фотометрия. Термины и определения
ГОСТ 26387-84 Система «Человек - машина». Термины и определения
Примечание - При пользовании настоящим стандартом целесообразно проверить действие ссылочных стандартов в информационной системе общего пользования - на официальном сайте Федерального агентства по техническому регулированию и метрологии в сети Интернет или по ежегодно издаваемому информационному указателю «Национальные стандарты», который опубликован по состоянию на 1 января текущего года, и по соответствующим ежемесячно издаваемым информационным указателям, опубликованным в текущем году. Если ссылочный стандарт заменен (изменен), то при пользовании настоящим стандартом следует руководствоваться заменяющим (измененным) стандартом. Если ссылочный стандарт отменен без замены, то положение, в котором дана ссылка на него, применяется в части, не затрагивающей эту ссылку.
В настоящем стандарте применены следующие термины с соответствующими определениями и сокращениями:
3.1 время контроля: Продолжительность проведения дозиметрического контроля.
3.2 граница рабочей зоны (ГРЗ): Граница зоны крайних положений пальцев рук оператора лазерной установки при выполнении им основных и вспомогательных операций.
3.3 граница зоны возможного повреждения глаз (ГЗГ): Граница зоны крайних положений зрачков глаз оператора лазерной установки при выполнении им основных и вспомогательных операций.
3.4 диффузно отраженное лазерное излучение: Излучение, отраженное от шероховатой поверхности, средние размеры неоднородностей (шероховатостей) которой больше длины волны падающего лазерного излучения.
3.5 дозиметр лазерного излучения (лазерный дозиметр, ЛД): Средство измерений параметров лазерного излучения в заданной точке пространства с целью определения степени его опасности для организма человека.
3.6 дозиметрия лазерного излучения: Комплекс методов определения значений параметров лазерного излучения в заданной точке пространства с целью определения степени его опасности для лиц, обслуживающих лазерные установки (операторов).
3.7 дозиметрический контроль: Измерение с помощью ЛД энергетических параметров зеркально отраженного, диффузно отраженного или рассеянного лазерного излучения и сопоставление измеренных значений параметров со значениями предельно допустимых уровней (ПДУ) с целью определения степени его опасности для операторов.
3.8 зеркально отраженное лазерное излучение: по ГОСТ 12.1.040.
3.9 зеркальная составляющая диффузно отраженного или рассеянного лазерного излучения: Часть диффузно отраженного или рассеянного лазерного излучения, распространяющаяся в узком телесном угле, ось симметрии которого совпадает с направлением зеркального отражения от поверхности.
3.10 зона досягаемости моторного поля: по ГОСТ 12.2.032, ГОСТ 12.2.033.
3.11 излучатель лазерной установки: Узел лазерной установки, содержащий лазер и оптические элементы, из выходного окна которого исходит пучок лазерного излучения.
3.12 импульсное лазерное излучение: Лазерное излучение в виде отдельных импульсов длительностью не более 0,1 с с интервалом между импульсами более 1 с.
3.13 импульсно-модулированное лазерное излучение: Лазерное излучение в виде импульсов длительностью не более 0,1 с с интервалом между импульсами не более 1 с и с общим временем следования импульсов, превышающим время контроля.
3.14 индивидуальный дозиметрический контроль: Измерение величины энергетических параметров лазерного излучения, воздействующего на глаза (кожу) конкретного работающего в течение рабочего дня.
3.15 источник лазерного излучения: Выходное окно излучателя лазерной установки; участок зеркальной, диффузно отражающей или рассеивающей облучаемой поверхности; участок выходной поверхности рассеивающего объекта, пропускающего лазерное излучение.
3.16 коэффициент степени опасности лазерного излучения (КСОЛ): Коэффициент, равный отношению измеренного значения энергетического параметра лазерного излучения к предельно допустимому безопасному для человека значению (предельно допустимому уровню - ПДУ).
3.17 лазерная безопасность: Совокупность технических, санитарно-гигиенических и организационных мероприятий, обеспечивающих безопасные условия труда лиц, обслуживающих лазерные установки.
3.18 лазерная установка (ЛУ): Изделие, включающее в себя лазер и другие технические компоненты, обеспечивающие его целевое назначение.
3.19 непрерывное лазерное излучение: Лазерное излучение, спектральная плотность мощности которого на частоте генерирования не обращается в нуль при заданном интервале времени, превышающем 0,25 с.
3.20 облученность: по ГОСТ 26148.
3.21 оператор-дозиметрист: Лицо, осуществляющее дозиметрический контроль лазерного излучения.
3.22 ось визирования: Направление нормали к плоскости входного зрачка приемного устройства ЛД, восстановленной из центра зрачка.
3.23 показывающие лазерные дозиметры: ЛД, имеющие стрелочные или цифровые устройства индикации, по показаниям которых определяют значения измеряемых параметров.
3.24 показывающие лазерные дозиметры с пороговым устройством: ЛД, имеющие как устройства индикации, так и пороговые устройства сигнализации.
3.25 порог срабатывания порогового лазерного дозиметра: Пороговое значение энергетического параметра лазерного излучения, при достижении которого срабатывает пороговое устройство сигнализации, выдающее сигнал опасности.
3.26 пороговое значение энергетического параметра лазерного излучения: Значение энергетического параметра лазерного излучения, равное значению предельно допустимого уровня этого параметра.
3.27 пороговые лазерные дозиметры: ЛД без устройств индикации, имеющие пороговые устройства сигнализации, выдающие сигнал опасности в случае, если значение измеряемого энергетического параметра лазерного излучения превышает значение предельно допустимого уровня этого параметра или равняется этому значению.
3.28 пороговые лазерные дозиметры с автоматической установкой порогов срабатывания: Пороговые ЛД, имеющие устройство автоматической установки порогов срабатывания, позволяющее вычислять значения ПДУ на основании результатов измерения длительности воздействия лазерного излучения в процессе дозиметрического контроля.
3.29 предел среднего квадратического отклонения случайной составляющей основной относительной погрешности ЛД (предел СКО ООП ЛД): Доверительная граница случайной погрешности результата измерения (по ГОСТ 8.207) с помощью ЛД.
3.30 пределы допускаемой дополнительной относительной погрешности ЛД (пределы ДОП ЛД): Добавочная относительная погрешность результата измерения с помощью ЛД в рабочей области значений влияющих величин.
3.31 пределы основной относительной погрешности лазерного дозиметра (пределы ООП ЛД): Границы относительной погрешности результата измерения (по ГОСТ 8.207) с помощью ЛД в нормальных условиях применения.
3.32 пределы систематической составляющей основной относительной погрешности ЛД (пределы СИС ООП ЛД): Доверительные границы неисключенной систематической погрешности результата измерения (по ГОСТ 8.207) с помощью ЛД.
3.33 предельно допустимые уровни лазерного излучения (ПДУ): Значения энергетических параметров лазерного излучения, при воздействии которых существует незначительная вероятность возникновения обратимых отклонений в организме работающего, установлены в Санитарных нормах и правилах [1].
3.34 предупредительный дозиметрический контроль: Определение значений энергетических параметров лазерного излучения в точках границы рабочей зоны (по ГОСТ Р 50723).
3.35 протокол дозиметрического контроля (ПрДК): Документ, содержащий результаты измерений, проведенных в процессе дозиметрического контроля.
3.36 рабочая зона: по ГОСТ 12.1.040.
3.37 рабочее место оператора: по ГОСТ 26387.
3.38 рабочая длина волны лазерного излучения: Длина волны лазерного излучения, на которой ЛД обеспечивает прямые измерения энергетических параметров лазерного излучения.
3.39 рассеянное лазерное излучение: Излучение, рассеянное на пространственных неоднородностях среды, сквозь которую проходит лазерное излучение.
3.40 серия импульсов лазерного излучения: Лазерное излучение в виде последовательности импульсов длительностью не более 0,1 с, общее время следования которых не превышает время контроля.
3.41 суммарная энергетическая экспозиция (доза излучения): Энергетическая экспозиция от импульсного, импульсно-модулированного или непрерывного лазерного излучения за время контроля.
3.42 точка контроля: Точка пространства, в которой осуществляется дозиметрический контроль лазерного излучения.
3.43 устройство наведения: Устройство, предназначенное для наведения оси визирования ЛД или приемного устройства ЛД на точку пересечения оси лазерного пучка с плоскостью отражающей или рассеивающей поверхности.
3.44 энергетические параметры лазерного излучения: Средняя мощность, облученность, суммарная энергетическая экспозиция - для непрерывного излучения; энергия, энергетическая экспозиция, суммарная энергетическая экспозиция - для импульсного, импульсно-модулированного излучения и серий импульсов излучения.
3.45 энергетическая экспозиция: по ГОСТ 26148.
В настоящем стандарте применены следующие условные обозначения:
длина волны лазерного излучения λ, мкм;
длительность импульса импульсного, импульсно-модулированного лазерного излучения и импульса серии импульсов лазерного излучения tИ, с;
длительность воздействия непрерывного лазерного излучения tB НП, с;
длительность воздействия импульсно-модулированного лазерного излучения tB ИМ, с;
длительность воздействия серии импульсов лазерного излучения tB СИ, с;
частота повторения импульсов импульсного, импульсно-модулированного лазерных излучений и импульсов серии импульсов лазерного излучения FИ, Гц;
количество импульсов импульсного, импульсно-модулированного лазерных излучений и импульсов серии импульсов лазерного излучения, поступивших за время контроля NИ, имп.;
угловой размер источника лазерного излучения по отношению к точке контроля a, рад;
энергетическая экспозиция от импульса импульсного, импульсно-модулированного лазерных излучений и от импульса серии импульсов лазерного излучения HИ, Дж/м2 (Дж/см2);
энергетическая экспозиция от серии импульсов лазерного излучения HСИ, Дж/м2 (Дж/см2);
максимальная за время контроля энергетическая экспозиция от импульса импульсного, импульсно-модулированного лазерных излучений и от импульса серии импульсов лазерного излучения HИ max, Дж/м2 (Дж/см2);
суммарная за время контроля энергетическая экспозиция от импульсного и импульсно-модулированного лазерных излучений HΣ ИМ, Дж/м2 (Дж/см2);
энергия импульса импульсного, импульсно-модулированного лазерных излучений и импульса серии импульсов лазерного излучения, прошедших через ограничивающую апертуру, QИ, Дж;
энергия серии импульсов лазерного излучения, прошедшего через ограничивающую апертуру, QСИ Дж;
максимальная за время контроля энергия импульса импульсно-модулированного лазерного излучения и импульса серии импульсов лазерного излучения, прошедших через ограничивающую апертуру, QИ max, Дж;
суммарная за время контроля энергия импульсов импульсного и импульсно-модулированного лазерных излучений, прошедших через ограничивающую апертуру, QΣ ИМ, Дж;
облученность от непрерывного лазерного излучения E, Вт/м2 (Вт/см2);
максимальная за время контроля облученность от непрерывного лазерного излучения Emax, Вт/м2 (Вт/см2);
средняя облученность от импульсно-модулированного лазерного излучения и от серии импульсов лазерного излучения EИМ, Вт/м2 (Вт/см2);
максимальная за время контроля облученность от импульсно-модулированного лазерного излучения и от серии импульсов лазерного излучения EИМ max, Вт/м2 (Вт/см2);
мощность непрерывного лазерного излучения, прошедшего через ограничивающую апертуру, P, Вт;
максимальная за время контроля мощность непрерывного лазерного излучения, прошедшего через ограничивающую апертуру, Pmax, Вт;
средняя мощность импульсно-модулированного лазерного излучения и серии импульсов лазерного излучения, прошедших через ограничивающую апертуру, PИМ, Вт;
максимальная за время контроля средняя мощность импульсно-модулированного лазерного излучения и серии импульсов лазерного излучения, прошедших через ограничивающую апертуру, PИМ max Вт
суммарная за время контроля энергетическая экспозиция от непрерывного лазерного излучения HΣ НП, Дж/м2 (Дж/см2);
суммарная за время контроля энергия непрерывного лазерного излучения, прошедшего через ограничивающую апертуру, QΣ НП, Дж;
коэффициент степени опасности лазерного излучения R;
пороговые значения энергетических параметров лазерного излучения: HИ НП, HСИ НП, HΣ ИМ ПОР, HΣ НП ПОР, Дж/м2(Дж/см2);
пороговые значения энергетических параметров лазерного излучения: QИ НП, QСИ НП, QΣ ИМ ПОР, QΣ НП ПОР, Дж;
пороговые значения энергетических параметров лазерного излучения: EПОР, EИМ ПОР, Вт/м2 (Вт/см2);
пороговые значения энергетических параметров лазерного излучения: P, PПОР, PИМ ПОР, Вт;
значение ПДУ для импульса импульсного, импульсно-модулированного лазерных излучений и импульса серии импульсов лазерного излучения HИ ПДУ (tИ), Дж/м2 (Дж/см2);
значение ПДУ энергетической экспозиции для импульса импульсно-модулированного лазерного излучения при длительности воздействия tB ИМ > 1 с HИМ ПДУ (tИ, NИ), Дж/м2 (Дж/см2);
значение ПДУ суммарной энергетической экспозиции для импульсно-модулированного лазерного излучения HΣ ИМ ПДУ (tB ИМ), Дж/м2 (Дж/см2);
значения ПДУ энергетической экспозиции для серии импульсов лазерного излучения HСИ ПДУ (tИ, NИ). HСИ ПДУ (tВ СИ), Дж/м2 (Дж/см2);
значение ПДУ энергии импульса импульсного, импульсно-модулированного лазерных излучений и импульса серии импульсов лазерного излучения в спектральном диапазоне от 0,38 до 1,40 мкм QИ ПДУ (tИ) Дж;
значение ПДУ энергии импульса импульсного, импульсно-модулированного лазерных излучений в спектральном диапазоне от 0,38 до 1,40 мкм при длительности воздействия tB ИМ > 1 с QИМ ПДУ (tИ, NИ) Дж;
значение ПДУ суммарной энергии импульсного и импульсно-модулированного лазерных излучений в спектральном диапазоне от 0,38 до 1,40 мкм QΣ ИМ ПДУ (tB ИМ), Дж;
значения ПДУ энергии серии импульсов лазерного излучения в спектральном диапазоне от 0,38 до 1,40 мкм QCИ ПДУ (tИ, NИ), QCИ ПДУ (tB СИ), Дж;
значение ПДУ облученности для непрерывного лазерного излучения EПДУ (tВ НП) Вт/м2 (Вт/см2);
значение ПДУ суммарной энергетической экспозиции для непрерывного лазерного излучения HΣ НП ПДУ (tB НП) Дж/м2 (Дж/см2);
значения ПДУ средней облученности от импульсно-модулированного лазерного излучения при длительности воздействия tB ИМ > 1 с EИМ ПДУ (tB ИМ), EИМ ПДУ (tИ, NИ, tB ИМ) Вт/м2 (Вт/см2);
значение ПДУ средней мощности непрерывного лазерного излучения в спектральном диапазоне от 0,38 до 1,40 мкм PПДУ (tВ НП) Вт;
значение ПДУ суммарной энергии непрерывного лазерного излучения в спектральном диапазоне от 0,38 до 1,40 мкм QΣ НП ПДУ (tB НП), Дж;
значения ПДУ средней мощности импульсно-модулированного лазерного излучения в спектральном диапазоне от 0,38 до 1,40 мкм при длительности воздействия tB ИМ > 1 с PИМ ПДУ (tB ИМ), PИМ ПДУ (tИ, NИ, tВ ИМ) Вт;
радиус пучка лазерного излучения в плоскости выходного окна излучателя, определенный из паспортных данных лазерной установки, rИЗ, мм;
расходимость пучка лазерного излучения в дальней зоне, определенная из паспортных данных лазерной установки, θ, рад;
точка контроля Ai(где i =1, 2, 3, ... - номер точки контроля);
угловой размер пятна облучения на диффузно отражающей или рассеивающей поверхности по отношению к точке контроля aΠi, рад;
расстояние от точки контроля до плоскости пола помещения HAi, мм;
расстояние от точки контроля до центра источника излучения lAi, мм;
нормаль
к поверхности источника излучения ;
угол
между линией, соединяющей точку контроля с центром источника излучения, и
нормалью к его поверхности , восстановленной из центра источника
излучения (угол излучения), jAi, ...°;
радиус зеркально отраженного лазерного пучка rП, мм;
радиус зеркально отраженного пучка rn, мм;
диаметр зеркально отраженного лазерного пучка в сечении, проходящем через точку контроля, dПA i, мм;
радиус зеркально отраженного лазерного пучка в сечении, проходящем через точку контроля, rПА i, мм;
расстояние от выходного окна излучателя лазерной установки до точки пересечения оси лазерного пучка с зеркально или диффузно отражающей поверхностью или с поверхностью рассеивающего объекта lИЗ i, мм;
радиус эквивалентного по площади круглого пятна облучения на поверхности источника диффузно отраженного или рассеянного лазерного излучения rП i, мм;
большая полуось эллипса, ограничивающего пятно облучения, являющегося источником диффузно отраженного или рассеянного лазерного излучения, aП i, мм;
малая полуось эллипса, ограничивающего пятно облучения, являющегося источником диффузно отраженного или рассеянного лазерного излучения, bП i, мм;
угол между осью лазерного пучка, падающего на зеркально или диффузно отражающую или рассеивающую поверхность, и нормалью к этой поверхности (угол падения) vi, ...°;
радиус цилиндрической поверхности, являющейся границей рабочей зоны (ГРЗ) RГРЗ, см;
радиус цилиндрической поверхности, являющейся границей зоны возможного поражения глаз (ГЗГ) RГЗГ, см;
рост оператора hp, см;
расстояние от плоскости пола до верхней плоскости ГРЗ hГРЗ, см;
расстояние от плоскости пола до верхней плоскости ГЗГ hГЗГ 1, см;
расстояние от плоскости пола до нижней плоскости ГЗГ hГЗГ 2, см;
расстояние от плоскости мишени до плоскости пола hМ, см.
4.1. Сущность дозиметрического контроля лазерного излучения заключается в измерении энергетических параметров лазерного излучения в заданной точке пространства и сравнении полученных значений с соответствующими значениями ПДУ, установленными в соответствии с Санитарными нормами и правилами [1].
4.2. Значения ПДУ определяют с учетом следующих параметров лазерного излучения:
- длина волны лазерного излучения λ (нм, мкм);
- длительность воздействия непрерывного лазерного излучения tB НП (с);
- длительность воздействия импульсно-модулированного лазерного излучения tB ИМ (с);
- длительность воздействия серии импульсов лазерного излучения tB СИ (с);
- длительность импульсов импульсного, импульсно-модулированного лазерных излучений и импульсов серии импульсов лазерного излучения tИ (с);
- частота повторения импульсов импульсного, импульсно-модулированного лазерных излучений и импульсов серии импульсов лазерного излучения FИ (Гц);
- количество импульсов импульсного, импульсно-модулированного лазерных излучений и импульсов серии импульсов лазерного излучения, поступивших за время контроля, NИ (имп).
При определении ПДУ в спектральном диапазоне от 0,38 до 1,40 мкм учитывают также угловой размер a (рад) источника лазерного излучения по отношению к точке контроля.
4.3. Дозиметрический контроль лазерного излучения проводится для лазерных установок II - IV классов по степени опасности генерируемого излучения в соответствии с Санитарными нормами и правилами [1].
4.4. Методы дозиметрического контроля лазерного излучения должны обеспечивать возможность проведения предупредительного и индивидуального дозиметрического контроля лазерного излучения.
4.5. Методы дозиметрического контроля лазерного излучения должны обеспечивать возможность дозиметрического контроля непрерывного, импульсного, импульсно-модулированного лазерных излучений и серий импульсов лазерного излучения.
4.6. Методы дозиметрического контроля лазерного излучения должны обеспечивать возможность дозиметрического контроля следующих видов лазерного излучения:
- лазерное излучение, зеркально отраженное от гладкой поверхности (далее - зеркально отраженное излучение);
- лазерное излучение, диффузно отраженное от шероховатой поверхности (далее - диффузно отраженное излучение);
- лазерное излучение, рассеянное при прохождении лазерного пучка через различные рассеивающие объекты и среды (далее - рассеянное излучение).
- от 180 до 380 нм (от 0,18 до 0,38 мкм) - спектральный диапазон 1;
- от 380 до 1400 нм (от 0,38 до 1,40 мкм) - спектральный диапазон 2;
- от 1400 до 105 нм (от 1,40 до 100,00 мкм) - спектральный диапазон 3.
- энергетическую экспозицию от импульса импульсного, импульсно-модулированного лазерных излучений и от импульса серии импульсов лазерного излучения, HИ, Дж/м2 (Дж/см2);
- энергетическую экспозицию от серии импульсов лазерного излучения, HСИ, Дж/м2 (Дж/см2);
- максимальную за время контроля энергетическую экспозицию от импульса импульсного, импульсно-модулированного лазерных излучений и от импульса серии импульсов лазерного излучения, HИ max, Дж/м2 (Дж/см2);
- суммарную за время контроля энергетическую экспозицию от импульсного и импульсно-модулированного лазерных излучений, HΣ ИМ, Дж/м2 (Дж/см2);
- энергию импульса импульсного, импульсно-модулированного лазерных излучений и импульса серии импульсов лазерного излучения, прошедших через ограничивающую апертуру, QИ (Дж);
- энергию серии импульсов лазерного излучения, прошедшего через ограничивающую апертуру, QСИ (Дж);
- максимальную за время контроля энергию импульса импульсного, импульсно-модулированного лазерных излучений и импульса серии импульсов лазерного излучения, прошедших через ограничивающую апертуру, QИ max (Дж);
- суммарную за время контроля энергию импульсного и импульсно-модулированного лазерных излучений, прошедших через ограничивающую апертуру, QΣ ИМ (Дж);
- облученность от непрерывного лазерного излучения, E, Вт/м2 (Вт/см2);
- максимальную за время контроля облученность от непрерывного лазерного излучения Emax, Вт/м2 (Вт/см2);
- среднюю облученность от импульсно-модулированного лазерного излучения и от серии импульсов лазерного излучения EИМ, Вт/м2 (Вт/см2);
- максимальную за время контроля среднюю облученность от импульсно-модулированного лазерного излучения и от серии импульсов лазерного излучения EИМ max, Вт/м2 (Вт/см2);
- мощность непрерывного лазерного излучения, прошедшего через ограничивающую апертуру, P (Вт);
- максимальную за время контроля мощность непрерывного лазерного излучения, прошедшего через ограничивающую апертуру, Pmax (Вт);
- среднюю мощность импульсно-модулированного лазерного излучения и серии импульсов лазерного излучения, прошедших через ограничивающую апертуру, PИМ (Вт);
- максимальную за время контроля среднюю мощность импульсно-модулированного лазерного излучения и серии импульсов лазерного излучения, прошедших через ограничивающую апертуру, PИМ max (Вт);
- суммарную за время контроля энергетическую экспозицию от непрерывного лазерного излучения HΣ НП, Дж/м2 (Дж/см2);
- суммарную за время контроля энергию непрерывного лазерного излучения, прошедшего через ограничивающую апертуру, QΣ НП (Дж).
4.9. Методы дозиметрического контроля должны обеспечивать в общем случае возможность измерения в точке контроля следующих параметров лазерного излучения:
- длительность воздействия непрерывного лазерного излучения tB НП (с);
- длительность воздействия импульсно-модулированного лазерного излучения tB ИМ (с);
- длительность воздействия серии импульсов лазерного излучения tB СИ (с);
- количество импульсов импульсного, импульсно-модулированного лазерных излучений и импульсов серии импульсов лазерного излучения NИ (имп);
- частоту повторения импульсов импульсного, импульсно-модулированного лазерных излучений и импульсов серии импульсов лазерного излучения FИ (Гц).
Методы дозиметрического контроля лазерного излучения в спектральном диапазоне 2 дополнительно должны обеспечивать возможность определения углового размера источника диффузно отраженного или рассеянного лазерного излучения по отношению к точке контроля a (рад).
4.10. При использовании установленных в настоящем стандарте методов дозиметрического контроля и рекомендованных рабочих средств измерений - дозиметров лазерного излучения - должна быть обеспечена возможность определения значения коэффициента степени опасности лазерного излучения (КСОЛ) с относительной погрешностью, лежащей в пределах ± 30 %.
5.1. Для дозиметрического контроля лазерного излучения необходимо применять переносные ЛД.
5.2. ЛД в зависимости от формы проведения дозиметрического контроля подразделяют на три вида:
- ЛД предупредительного контроля - предназначен для проведения предупредительного дозиметрического контроля;
- индивидуальный ЛД - предназначен для проведения индивидуального дозиметрического контроля;
- многоцелевой ЛД - предназначен для проведения предупредительного и индивидуального дозиметрического контроля.
5.3. ЛД в зависимости от способа представления результатов измерений подразделяют на три группы:
- показывающие;
- пороговые;
- показывающие с пороговым устройством.
5.4. ЛД должны соответствовать требованиям ГОСТ 24469.
5.5. Условия эксплуатации дозиметров должны соответствовать условиям эксплуатации средств измерений 3 группы по ГОСТ 24469.
5.6. ЛД должны быть поверены в соответствии с рекомендациями по метрологии [3]. Межповерочный интервал лазерных дозиметров - 1 год.
5.7. ЛД должны обеспечивать измерение параметров лазерного излучения, указанных в 4.8.
Примечания
1. Допускается использовать ЛД, измеряющие только энергетические параметры лазерного излучения.
2. Допускается использовать ЛД, измеряющие ограниченное количество энергетических параметров лазерного излучения, из следующих наборов:
- HИ, HИ max, HСИ, HΣ ИМ, HΣ НП, E, Emax, EИМ, EИМ max;
- HИ, HИ max, HСИ, E, Emax, EИМ, EИМ max;
5.8. ЛД должны быть откалиброваны в следующих единицах измерений:
- в единицах энергетической экспозиции (Дж/м2, Дж/см2) при измерении параметров излучения: HИ, HИ max, HСИ, HΣ ИМ, HΣ НП;
- в единицах облученности (Вт/м2, Вт/см2) при измерении параметров излучения: E, Emax, EИМ, EИМ max;
- в единицах энергии (Дж) при измерении параметров излучения: QИ, QИ max, QСИ, QΣ ИМ, QΣ НП;
- в единицах мощности (Вт) при измерении параметров излучения: P, Pmax, PИМ, PИМ max;
- в единицах времени (с) при измерении параметров излучения: tB НП, tB ИМ, tB СИ;
- в единицах количества импульсов (имп.) при измерении параметра излучения NИ;
- в единицах частоты (Гц) при измерении параметра излучения FИ.
5.9. Для ЛД должны быть установлены следующие основные параметры и характеристики, которые должны указываться в технических условиях:
- спектральный диапазон измерений (нм, мкм);
- рабочие длины волн лазерного излучения;
- диапазон измерений импульсной энергетической экспозиции;
- диапазон измерений облученности от непрерывного и импульсно-модулированного лазерного излучения;
- диапазон измерений энергии импульсов лазерного излучения (для ЛД, измеряющих параметры излучения: QИ, Qи max, QСИ);
- диапазон измерений мощности непрерывного и импульсно-модулированного лазерного излучения (для дозиметров, измеряющих параметры излучения: P, Pmax, РИМ, PИМ max);
- диапазон измерений суммарной энергетической экспозиции от непрерывного и импульсно-модулированного лазерного излучения (для дозиметров, измеряющих параметры излучения: HΣ НП, HΣ ИМ);
- диапазон измерений суммарной энергии непрерывного и импульсно-модулированного лазерного излучения (для дозиметров, измеряющих параметры излучения: QΣ НП, QΣ ИМ);
- диапазон измерений времени воздействия лазерного излучения (для дозиметров, измеряющих параметры излучения: tB НП, tB ИМ, tB СИ);
- диапазон измерений количества импульсов лазерного излучения (для дозиметров, измеряющих параметр излучения NИ);
- диапазон измерений частоты повторения импульсов лазерного излучения (для дозиметров, измеряющих параметр излучения FИ);
- площадь входного зрачка (см2);
- диаметр входного зрачка (мм);
- угол поля зрения (...°).
Остальные параметры и характеристики должны быть установлены в соответствии с ГОСТ 24469.
5.10. Для пороговых ЛД должны быть дополнительно установлены пороговые значения энергетических параметров лазерного излучения, которые должны указываться в технических условиях.
5.11. Для ЛД должны быть установлены следующие нормируемые метрологические характеристики по ГОСТ 8.009 и ГОСТ 24469:
- пределы допускаемой основной относительной погрешности (ООП);
- пределы допускаемой систематической составляющей основной относительной погрешности (СИС ООП);
- предел допускаемого среднего квадратического отклонения случайной составляющей основной относительной погрешности (СКО ООП);
- цена деления шкалы (для аналоговых ЛД);
- вид кода, количество разрядов кода, значение единицы наименьшего разряда кода (для цифровых ЛД);
- пределы допускаемой дополнительной относительной погрешности (ДОП) или ее составляющих (для ЛД, у которых во всей рабочей области значений влияющих величин значение предела ДОП превышает 30 % предела допускаемой ООП).
Примечания
1. Допускается в обоснованных случаях не устанавливать пределы СИС ООП и СКО ООП, а устанавливать только пределы допускаемой ООП.
2. При вычислении неопределенности измерений и сопоставлении оценок характеристик погрешности и неопределенности результатов измерений следует придерживаться указаний, изложенных в рекомендациях по межгосударственной стандартизации [4].
5.12. ЛД должны иметь спектральные диапазоны измерений в соответствии с 4.7.
Примечание - Допускается использовать ЛД, работающие только в спектральных диапазонах 2 и 3.
5.13. ЛД должны иметь следующие обязательные наборы рабочих длин волн лазерного излучения:
- 0,25; 0,34 мкм - в спектральном диапазоне 1;
- 0,53; 0,63; 0,69; 0,91; 1,06 мкм - в спектральном диапазоне 2;
- 10,6 мкм - в спектральном диапазоне 3.
Примечания
1. Допускается устанавливать дополнительно другие рабочие длины волн лазерного излучения.
2. Допускается вводить в комплект технической документации дозиметра относительную спектральную характеристику чувствительности его приемного устройства для определения значений измеренных энергетических параметров лазерного излучения на различных длинах волн излучения в пределах указанных спектральных диапазонов.
5.14. При измерении энергетических параметров: HИ, HИ max, HСИ, QИ, QИ max, QCИ нижние границы диапазонов измерений показывающих ЛД должны быть не более, а верхние - не менее значений, приведенных в таблице 1.
Таблица 1 - Диапазоны энергетических параметров показывающих ЛД
|
HИ, HИ max, HСИ, Дж/м2 |
HИ, HИ max, HСИ, Дж/м2 |
QИ, QИ max, QСИ, Дж |
Пределы допускаемой ООП δ, % |
|
|
1 |
10 - 104 |
10-3 - 1 |
- |
± 30 |
|
2 |
10-4 - 1 |
10-8 - 10-4 |
10-8 - 10-4 |
± 25 |
|
3 |
10 - 104 |
10-3 - 1 |
- |
± 25 |
5.15. Для показывающих ЛД при измерении энергетических параметров: HИ, HИ max, HСИ, QИ, QИ max, QСИ пределы допускаемых ООП должны лежать в пределах, приведенных в таблице 1. Пределы допускаемых СКО ООП не должны превышать 5 % пределов ООП.
5.16. При измерении энергетических параметров: HИ, HИ max, HСИ, QИ, QИ max, QСИ ЛД должны работать в диапазонах длительностей импульсов импульсного, импульсно-модулированного лазерных излучений и импульсов серии импульсов лазерного излучения, указанных в таблице 2. Нижние границы диапазонов длительностей должны быть не более, а верхние - не менее значений, приведенных в таблице 2.
5.17. При измерении энергетических параметров: HИ, HИ max, HСИ, QИ, QИ max, QСИ ЛД должны работать при частотах повторения импульсов, максимальные значения которых должны быть не менее значений, приведенных в таблице 2.
Таблица 2 - Диапазоны измерений временных параметров ЛД
|
Диапазон длительностей импульсов импульсно-модулированного лазерного излучения, с |
Максимальная частота повторения импульсов импульсно-модулированного лазерного излучения, Гц |
|
|
1 |
10-8 - 10-2 |
200 |
|
2 |
10-8 - 10-2 |
200 |
|
3 |
10-6 - 10-2 |
20 |
5.18. При измерении энергетических параметров: E, Emax, EИМ, EИМ max, P, Pmax, PИМ, PИМ max нижние границы диапазонов измерений показывающих ЛД должны быть не более, а верхние - не менее значений, приведенных в таблице 3.
Таблица 3 - Диапазоны измерений энергетических параметров E, Emax, EИМ, EИМ max, P, Pmax, PИМ, PИМ max показывающих ЛД
|
E, Emax, EИМ, EИМ max, Вт/м2 |
E, Emax, EИМ, EИМ max, Вт/м2 |
P, Pmax, PИМ, PИМ max, Вт |
Пределы допускаемой ООП δ, % |
|
|
1 |
102 - 104 |
10-2 - 1 |
- |
± 30 |
|
2 |
10-2 - 102 |
10-6 - 10-2 |
10-6 - 10-2 |
± 20 |
|
3 |
102 - 104 |
10-2 - 1 |
- |
± 25 |
5.19. Для показывающих ЛД при измерении энергетических параметров: E, Emax, EИМ, EИМ max, P, Pmax, PИМ, PИМ max пределы допускаемых ООП должны лежать в пределах, приведенных в таблице 3. Пределы допускаемых СКО ООП не должны превышать 5 % пределов ООП.
5.20. При измерении энергетических параметров: HΣ ИМ, HΣ НП, QΣ ИМ, QΣ НП нижние границы диапазонов измерений показывающих ЛД должны быть не более, а верхние - не менее значений, приведенных в таблице 4.
Таблица 4 - Диапазоны измерений энергетических параметров HΣ ИМ, HΣ НП, QΣ ИМ, QΣ НП показывающих ЛД
|
HΣ ИМ, HΣ НП, Дж/м2 |
HΣ ИМ, HΣ НП, Дж/см2 |
QΣ ИМ, QΣ НП, Дж |
Пределы допускаемой ООП дозиметра δ, % |
|
|
1 |
10 - 108 |
10-3 - 104 |
- |
± 30 |
|
2 |
10-4 - 103 |
10-8 - 10-1 |
10-8 - 10-1 |
± 25 |
|
3 |
10 - 108 |
10-3 - 104 |
- |
± 30 |
5.21. Для показывающих ЛД при измерении энергетических параметров: HΣ ИМ, HΣ НП, QΣ ИМ, QΣ НП пределы допускаемых ООП должны лежать в пределах, приведенных в таблице 4. Пределы допускаемых СКО ООП не должны превышать 5 % пределов ООП.
5.22. Нижняя граница диапазона измерений длительностей воздействия непрерывного, импульсного, импульсно-модулированного лазерных излучений и серий импульсов лазерного излучения должна быть не более 1 с, а верхняя - не менее 600 с.
Пределы ООП при измерении параметров tB НП, tB ИМ, tB СИ должны лежать в пределах ± 20 %.
Примечание - Допускается определять длительность воздействия импульсно-модулированного лазерного излучения и серии импульсов лазерного излучения расчетным методом по формулам:
(1)
(2)
5.23. Наибольшее измеряемое значение NИ должно быть не менее 104 имп.
Пределы допускаемых основных абсолютных погрешностей ЛД при измерении NИ должны быть ± 1 имп.
Примечание - Допускается определять NИ расчетным методом по формулам:
NИ = FИ(tВ ИМ - tИ) + 1; (3)
NИ = FИ(tВ СИ - tИ) + 1. (4)
5.24. Наибольшие измеряемые значения FИ должны быть не менее значений, приведенных в таблице 2.
Пределы допускаемых основных абсолютных погрешностей ЛД при измерении FИ должны быть ± 1 Гц.
Примечание - Допускается определять FИ расчетным методом по формулам:
(5)
(6)
5.25. Пороговые ЛД должны иметь пороги срабатывания, равные пороговым значениям энергетических параметров лазерного излучения.
Пороги срабатывания устанавливают для каждой рабочей длины волны лазерного излучения. Пороговые значения энергетических параметров лазерного излучения должны находиться в пределах диапазонов измерений, приведенных в таблицах 1, 3, 4.
Пороговые значения энергетических параметров:
- HИ ПОР, HСИ ПОР, HΣ ИМ ПОР, HΣ НП ПОР (Дж/м2, Дж/см2);
- QИ ПОР, QСИ ПОР, QΣ ИМ ПОР, QΣ НП ПОР (Дж);
- EПОР, EИМ ПОР (Вт/м2, Вт/см2);
определяют для каждой рабочей длины волны лазерного излучения из условий:
- HИ ПОР = HИ ПДУ (tИ), HСИ ПОР = HСИ ПДУ (tВ СИ), HΣ ИМ ПОР = HΣ ИМ ПДУ (tВ ИМ), HΣ НП ПОР = HΣ НП ПДУ (tВ НП);
- QИ ПОР = QИ ПДУ (tИ), QСИ ПОР = QСИ ПДУ (tВ СИ), QΣ ИМ ПОР = QΣ ИМ ПДУ (tВ ИМ), QΣ НП ПОР = QΣ НП ПДУ (tВ НП);
- EПОР = EПДУ (tВ НП), EИМ ПОР = EИМ ПДУ (tВ ИМ);
- PПОР = PПДУ (tВ НП), PИМ ПОР = PИМ ПДУ (tВ ИМ);
где
- HИ ПДУ (tИ), HСИ ПДУ (tВ СИ), HΣ ИМ ПДУ (tВ ИМ), HΣ НП ПДУ (tВ НП) (Дж/м2, Дж/см2);
- QИ ПДУ (tИ), QСИ ПДУ (tВ СИ), QΣ ИМ ПДУ (tВ ИМ), QΣ НП ПДУ (tВ НП) (Дж);
- EПДУ (tB НП), EИМ ПДУ (tB ИМ), PПДУ (tB НП), PИМ ПДУ (tB ИМ) (Вт) - значения ПДУ измеряемых энергетических параметров лазерного излучения.
Значения ПДУ рассчитывают заранее в соответствии с Санитарными нормами и правилами [1] с учетом ожидаемых значений параметров: tB НП, tB ИМ, tB СИ.
5.26. Пороговые значения энергетических параметров лазерного излучения устанавливают перед началом дозиметрического контроля.
Примечание - Рекомендуется использовать пороговые ЛД с автоматической установкой порогов срабатывания в процессе проведения измерений.
5.27. Пределы допускаемой ООП пороговых ЛД для каждого порога срабатывания должны находиться в пределах допускаемых ООП показывающих дозиметров, приведенных в таблицах 1, 3, 4.
5.28. Пределы допускаемых дополнительных относительных погрешностей ЛД при изменении температуры окружающей среды не должны превышать 0,5 % на 1 °C в спектральных диапазонах 1, 2 и 0,7 % на 1 °C - в спектральном диапазоне 3.
5.29. ЛД должны иметь входной зрачок диаметром 7,0 мм для дозиметрического контроля лазерного излучения в спектральном диапазоне 2 и диаметром 1,1 мм - для дозиметрического контроля лазерного излучения в спектральных диапазонах 1, 3.
Примечания
1. Допускается использовать дозиметры с другими значениями диаметров входного зрачка, не превышающими значения 0,4rП, где rП (мм) - радиус зеркально отраженного лазерного пучка, при измерениях следующих параметров прямого и зеркально отраженного лазерного излучения: HИ, HИ max, HСИ, HΣ ИМ, HΣ НП, E, Emax, EИМ, EИМ max.
2. Допускается использовать дозиметры с другими значениями диаметров входного зрачка, превышающими значения 2,5rП, но не превышающими 7,0 мм, при измерениях следующих параметров прямого и зеркально отраженного лазерного излучения: QИ, QИ max, QСИ, QΣ ИМ, QΣ НП, P, Pmax, PИМ, PИМ max.
3. Допускается использовать ЛД с любыми значениями диаметров входного зрачка, не превышающими 7,0 мм, при измерениях следующих параметров диффузно отраженного или рассеянного лазерного излучения: HИ, HИ max, HСИ, HΣ ИМ, HΣ НП, E, Emax, EИМ, EИМ max.
5.30. В обоснованных случаях допускается использовать для дозиметрического контроля ЛД или другие средства измерений, имеющие более узкие спектральные диапазоны и более узкие диапазоны измерений по сравнению с диапазонами, приведенными в таблицах 1, 3, 4, а также имеющие более узкие рабочие диапазоны длительностей импульсов лазерного излучения и меньшие значения максимальной частоты повторения импульсов лазерного излучения по сравнению со значениями, приведенными в таблице 2.
5.31. При проведении предупредительного дозиметрического контроля лазерного излучения необходимо использовать раздвижной штатив в виде треноги, снабженный углоповоротным механизмом с установленным на нем устройством наведения, на котором закрепляют ЛД или приемное устройство ЛД (далее - ПУЛД).
5.32. Штатив должен обеспечивать перемещение центра входного зрачка ЛД или ПУЛД в вертикальной плоскости в диапазоне расстояний от 50 до 170 см от плоскости пола помещения.
5.33. Углоповоротный механизм штатива должен обеспечивать возможность перемещения оси визирования ЛД или ПУЛД в горизонтальной плоскости в пределах ± 90° и в вертикальной плоскости в пределах (не менее) от минус 50° до плюс 25°.
5.34. Устройство наведения должно обеспечивать возможность наведения оси визирования ЛД или ПУЛД на точку пересечения оси лазерного пучка с плоскостью зеркально или диффузно отражающей или рассеивающей поверхности, а также возможность измерения расстояний от центра входного зрачка ЛД или ПУЛД до указанной точки пересечения.
Для обеспечения возможности выполнения указанных операций устройство наведения должно быть снабжено лазерным дальномером-рулеткой (ЛДР).
5.35. Устройство наведения должно обеспечивать возможность определения угла между осью визирования ЛД или ПУЛД и проекцией указанной оси на плоскость пола помещения.
Для обеспечения возможности выполнения указанных операций устройство наведения должно быть снабжено угломером с нониусом (далее - угломер) по ГОСТ 5378.
5.36. В комплект индивидуального ЛД должно входить устройство, позволяющее размещать ПУЛД на голове оператора лазерной установки вблизи его глаз.
6.1.1. При проведении измерений соблюдают следующие условия:
- температура воздуха, °C......................................................................... (20 ± 10);
- влажность воздуха, %, не более............................................................. 80;
- атмосферное давление, кПа................................................................... (101,3 ± 4,0);
мм рт. ст.......................................................... (760 ± 30);
- напряжение сети переменного тока частотой 50 Гц, В...................... (220 ± 20).
6.1.2. При проведении измерений следует обеспечивать наименее возможную освещенность области, окружающей точку контроля, с целью устранения влияния фонового излучения на результат измерений.
6.2.1. Подготавливают протокол дозиметрического контроля лазерного излучения (далее - ПрДК), форма которого приведена в приложении А.
6.2.2. В ПрДК записывают следующие данные:
- заявитель (заказчик) проведения дозиметрического контроля;
- организация, проводившая дозиметрический контроль;
- дата проведения дозиметрического контроля;
- средство измерений (тип и заводской номер ЛД);
- наименование и тип лазерной установки (ЛУ);
- класс ЛУ по степени опасности (в соответствии с Санитарными нормами и правилами [1]);
- технические характеристики излучателя ЛУ: λ, tИ, FИ, θ, rИЗ, где θ (рад) - расходимость пучка лазерного излучения, определенная из паспортных данных ЛУ, rИЗ (мм) - радиус пучка излучения в плоскости выходного окна излучателя, определенный из паспортных данных ЛУ.
6.2.4. Приводят в ПрДК условную схему рабочего места оператора и схему ЛУ (далее - схема РМО и ЛУ).
Примеры схем РМО и ЛУ приведены на рисунках Б.1, Б.2 (приложение Б); порядок построения схем РМО и ЛУ приведен в приложении Д.
6.2.5. На схеме РМО и ЛУ указывают:
- положение плоскости выходного окна излучателя ЛУ;
- оптическую ось лазерного пучка, выходящего из выходного окна излучателя ЛУ;
- положения зеркально отражающих поверхностей оптически прозрачных элементов, находящихся на оси лазерного пучка;
- положения зеркально отражающих поверхностей непрозрачных элементов, находящихся на оси лазерного пучка;
- положения поверхностей, ограничивающих рассеивающие элементы, находящихся на оси лазерного пучка;
- положения диффузно отражающих поверхностей, находящихся на оси лазерного пучка;
-
положения нормалей к поверхностям (нормали
восстанавливают
из точек пересечения оси лазерного пучка с поверхностями);
- положения оптических осей лазерных пучков, отраженных от зеркально отражающих поверхностей;
- положения осей зеркальных составляющих диффузно отраженного лазерного излучения;
- положение оси лазерного пучка, прошедшего через рассеивающий элемент.
Примечание - При наличии в составе ЛУ защитных экранов на схему РМО и ЛУ наносят положения поверхностей этих экранов, обращенных в сторону оператора и в сторону отражающих поверхностей.
6.2.6. Наносят на схему РМО и ЛУ границу рабочей зоны (ГРЗ) оператора и границу зоны возможного повреждения глаз (ГЗГ) оператора в соответствии с указаниями, приведенными в приложении Д.
6.2.7. Выбирают точки контроля Ai (где i = 1, 2, 3, ... - номер точки контроля) на ГРЗ и ГЗГ в соответствии с Д.2 (приложение Д).
6.2.8. Измеряют с помощью ЛДР расстояния lAi (мм) от точек контроля до центров соответствующих источников излучения.
Измеряют с помощью угломера углы jAi (...°) между линиями, соединяющими точки контроля с центрами соответствующих источников излучения, и нормалями ni восстановленными из центров источников излучения.
Указывают значения параметров lAi, jAi на схеме РМО и ЛУ. Заносят значения lAi, jAi в ПрДК.
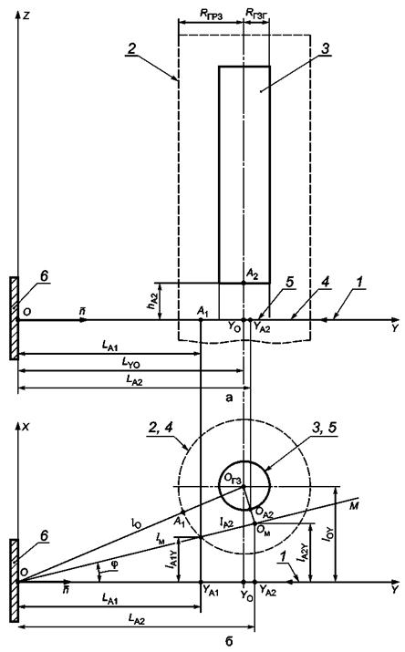
6.2.9. При наличии точек контроля, совпадающих с точками пересечения осей зеркально отраженных лазерных пучков с ГРЗ (ГЗГ) оператора, вычисляют радиусы зеркально отраженных пучков rПА i (мм) в сечениях, проходящих через точки контроля, по формуле
rПА i = rИЗ + (lИЗ i + lAi)Θ. (7)
где lИЗ i (мм) - расстояние от выходного окна излучателя ЛУ до точки пересечения оси лазерного пучка с зеркально отражающей поверхностью;
θ - угол расходимости лазерного излучения в дальней зоне, рад.
Схема, поясняющая вывод формулы (7), приведена в приложении В.
Расстояние lИЗ i измеряют с помощью ЛДР.
Примечание - Допускается измерять расстояние lИЗ i с помощью измерительной рулетки.
Указывают значения параметров lИЗ i на схеме РМО и ЛУ.
Записывают значения rПА i и lИЗ i в ПрДК.
6.2.10. В случае попадания на ГРЗ (ГЗГ) диффузно отраженного лазерного излучения для точек контроля Ai вычисляют угловые размеры aП i (рад) пятен облучения на поверхностях, являющихся источниками диффузно отраженного или рассеянного излучения, по отношению к точке контроля по формуле
где
(мм) -
радиус эквивалентного по площади круглого пятна облучения, являющегося
источником диффузно отраженного излучения, по отношению к точке контроля;
aП i (мм) - большая полуось эллипса, ограничивающего пятно облучения;
bП i (мм) - малая полуось эллипса, ограничивающего пятно облучения.
Значения параметров aП I, bП i, вычисляют по формулам:
(9)
где rИЗ (мм) - радиус лазерного пучка в плоскости выходного окна ЛУ;
lИЗi (мм) - расстояние между центром выходного окна ЛУ и центром пятна облучения на диффузно отражающей или рассеивающей поверхности;
vi (...°) - угол между
осью лазерного пучка, падающего на диффузно отражающую или рассеивающую
поверхность, и нормалью к этой поверхности.
Угол vi измеряют с помощью угломера.
Схема, поясняющая вывод формул (8 - 10), приведена в приложении Г.
Указывают значения lИЗ i, vi на схеме ЛУ. Заносят значения aП i, vi в ПрДК.
6.2.11. Для измерений следующих параметров зеркально отраженного лазерного излучения: HИ, HИ max, HСИ, HΣ ИМ, HΣ НП, E, EСИ, Emax выбирают дозиметры со значениями диаметров входного зрачка, не превышающими значений 0,4rПА i.
Для измерений следующих параметров зеркально отраженного лазерного излучения: QИ, QИ max, QСИ, QΣ ИМ, QΣ НП, P, PСИ, Pmax выбирают дозиметры со значениями диаметров входного зрачка, превышающими значения 2,5rПА i.
6.2.12. При подготовке к дозиметрическому контролю импульсного лазерного излучения готовят ЛД к измерениям параметров: HИ, HИ max, HΣ ИМ, QИ, QИ max, QΣ ИМ.
6.2.13. При подготовке к дозиметрическому контролю импульсно-модулированного лазерного излучения и серий импульсов определяют возможную длительность воздействия излучения на каждую точку контроля с учетом данных, полученных в соответствии с 6.2.3.
Если предполагается, что время воздействия не будет превышать 1 с, готовят дозиметр к измерению параметров: HИ max, HСИ, HΣ ИМ, QИ max, QИ, QΣ ИМ.
Если предполагается, что время воздействия будет превышать 1 с, готовят ЛД к измерению параметров: EИМ, EИМ max, PИМ, PИМ max, HΣ ИМ, QИ max, QСИ, QΣ ИМ.
6.2.14. При подготовке к дозиметрическому контролю непрерывного лазерного излучения готовят ЛД к измерению параметров: E, Emax, P, Pmax, HΣ НП, QΣ НП.
6.2.15. Устанавливают устройство наведения на штативе, закрепляют на устройстве наведения ЛД или ПУЛД, ЛДР и угломер.
6.3.1. При дозиметрическом контроле излучения зеркально отраженных лазерных пучков совмещают центр входного зрачка ЛД или ПУЛД с соответствующей точкой контроля Ai и направляют ось визирования на точку пересечения оси прямого лазерного пучка с зеркально отражающей поверхностью.
6.3.2. При дозиметрическом контроле диффузно отраженного или рассеянного лазерного излучения совмещают центр входного зрачка ЛД или ПУЛД с соответствующей точкой контроля Ai и направляют ось визирования на центр Oi пятна облучения на диффузно отражающей поверхности или на поверхности рассеивающего элемента.
6.3.3. Абсолютная погрешность совмещения центра входного зрачка ЛД или ПУЛД с выбранной точкой контроля не должна превышать значения 0,05lAi.
Абсолютная погрешность наведения оси визирования на центр пятна облучения не должна превышать одного углового градуса.
6.3.4. Включают ЛД и выдерживают его в течение времени, указанного в технической документации на ЛД конкретного типа, необходимого для установления рабочего режима, подготавливают ЛД к работе в режиме измерений в соответствии с руководством по эксплуатации. Проводят необходимые регулировки и подстройки ЛД.
Переводят ЛД в режим измерений.
6.3.5. Оператор включает излучатель ЛУ в режим генерации излучения наибольшей мощности (энергии).
6.3.6. При дозиметрическом контроле лазерного излучения, поступающего в виде одиночных импульсов, проводят измерения энергетической экспозиции HИ в общей сложности для пятнадцати импульсов излучения, действуя следующим образом:
- измеряют для случая, когда ЛД или ПУЛД находится в исходном положении, HИ для первых трех импульсов лазерного излучения и записывают полученные значения HИ в ПрДК;
- отклоняют с помощью углоповоротного механизма ось визирования ЛД или ПУЛД на (3,0 ± 0,5)° вверх от исходного положения оси визирования; измеряют HИ для следующих трех импульсов лазерного излучения и записывают полученные значения HИ в ПрДК;
- последовательно отклоняют ось визирования ЛД или ПУЛД на (3,0 ± 0,5)° вниз, влево и вправо от ее исходного положения и проводят три серии измерений HИ для трех импульсов лазерного излучения в каждой серии; записывают полученные значения HИ в ПрДК.
6.3.7. При дозиметрическом контроле импульсного, импульсно-модулированного лазерного излучения и одиночной серии импульсов измеряют энергетические экспозиции: НИ max, HСИ, HΣ им, длительности воздействия: tB ИМ, tB СИ и частоты повторения импульсов FИ, действуя в следующей последовательности:
- измеряют для случая, когда ЛД или ПУЛД находится в исходном положении, вышеперечисленные параметры в течение 5 - 10 с и записывают полученные значения параметров в ПрДК;
- последовательно отклоняют ось визирования ЛД или ПУЛД на (3,0 ± 0,5)° вверх, вниз, влево и вправо от ее исходного положения и поочередно проводят измерения вышеперечисленных параметров в течение от 5 до 10 с (время измерений должно быть равным времени измерения в исходном положении); записывают полученные значения вышеперечисленных параметров в ПрДК.
6.3.8. При дозиметрическом контроле повторяющихся серий импульсов лазерного излучения с длительностью серий, не превышающей 1 с, измеряют энергетические экспозиции: HИ max, HСИ, HΣ ИМ, длительность воздействия tB СИ и частоты повторения импульсов FИ, действуя в следующей последовательности:
- измеряют для случая, когда ЛД или ПУЛД находится в исходном положении, вышеперечисленные параметры не менее чем для трех серий импульсов лазерного излучения в течение 5 - 10 с и записывают полученные значения в ПрДК;
- последовательно отклоняют ось визирования ЛД или ПУЛД на (3,0 ± 0,5)° вверх, вниз, влево и вправо от ее исходного положения и поочередно проводят измерения вышеперечисленных параметров в течение от 5 до 10 с (время измерений должно быть равным времени измерения в исходном положении); записывают полученные значения в ПрДК.
6.3.9. При дозиметрическом контроле непрерывного лазерного излучения измеряют энергетические параметры: E, Emax, HΣ НП и длительность воздействия tB НП непрерывного лазерного излучения, действуя в следующей последовательности:
- измеряют для случая, когда ЛД или ПУЛД находится в исходном положении, вышеперечисленные параметры в течение 5 - 10 с и записывают полученные значения в ПрДК;
- последовательно отклоняют ось визирования ЛД или ПУЛД на (3,0 ± 0,5)° вверх, вниз, влево и вправо от ее исходного положения и поочередно проводят измерения вышеперечисленных параметров в течение от 5 до 10 с (время измерений должно быть равным времени измерения в исходном положении); записывают полученные значения в ПрДК.
6.4.1. Руководствуясь Санитарными нормами и правилами [1], вычисляют для каждой точки контроля значения ПДУ лазерного излучения, исходя из следующих соображений:
- если выбрана точка контроля на границе рабочей зоны (ГРЗ), вычисляют ПДУ лазерного излучения для случая воздействия на кожу;
- если выбрана точка контроля на границе зоны возможного повреждения глаз оператора (ГЗГ) вычисляют ПДУ лазерного излучения для случая воздействия на глаза.
6.4.2. При определении ПДУ используют измеренные значения параметров: tB НП, tB ИМ, tB СИ, FИ, а также значения параметра aП i, рассчитанные по формуле (8).
6.4.3. Для одиночных импульсов лазерного излучения определяют значение ПДУ импульсной энергетической экспозиции HИ ПДУ (tИ), Дж/см2; для импульсно-модулированного лазерного излучения определяют значения ПДУ: HИМ ПДУ (tИ, NИ), HΣ ИМ ПДУ (tB ИМ), EИМ ПДУ (tB ИМ); для серий импульсов определяют значения ПДУ: HСИ ПДУ (tИ, NИ), HСИ ПДУ (tВ СИ), EИМ ПДУ (tB ИМ).
При необходимости количество импульсов NИ вычисляют по формуле
NИ = 1/FИ + 1 (11)
и записывают рассчитанные значения ПДУ в ПрДК.
Примечания
1. Для спектрального диапазона от 0,38 до 1,40 мкм при длительности воздействия излучения, не превышающей 1 с, в Санитарных нормах и правилах [1] для случая воздействия на глаза нормируются значения ПДУ энергии излучения (Дж), прошедшего через ограничивающую апертуру диаметром 7,0 мм. Для того, чтобы получить значения ПДУ в единицах энергетической экспозиции (Дж/см2) нужно разделить нормированное значение на площадь апертуры, равную 0,38 см2.
2. Для спектрального диапазона от 0,38 до 1,40 мкм при длительности воздействия импульсно-модулированного излучения и длительности серии импульсов, превышающей 1 с, в Санитарных нормах и правилах [1] для случая воздействия на глаза нормируются значения ПДУ средней мощности излучения (Вт), прошедшего через ограничивающую апертуру диаметром 7,0 мм. Для того чтобы получить значения ПДУ в единицах облученности (Вт/см2) нужно разделить нормированное значение на площадь апертуры, равную 0,38 см2, а для того чтобы получить значения ПДУ в единицах энергетической экспозиции (Дж/см2) нужно умножить полученный результат на измеренные значения tВ ИМ, tВ СИ.
3. Для спектральных диапазонов от 0,18 до 0,38 мкм и от 1,4 до 11,0 мкм в Санитарных нормах и правилах [1] нормируются значения ПДУ энергетической экспозиции в единицах измерения Дж/м2. Для того чтобы получить значения ПДУ энергетической экспозиции в единицах измерения Дж/см2 необходимо умножить нормированное значение на 10-4.
6.4.4. Для непрерывного лазерного излучения рассчитывают значение ПДУ EПДУ (tВ НП) Вт/см2, записывают рассчитанное значение ПДУ в ПрДК.
Примечания
1. Для спектрального диапазона от 0,38 до 1,40 мкм в санитарных нормах и правилах [1] для случая воздействия на глаза нормируются значения ПДУ средней мощности излучения (Вт), прошедшего через ограничивающую апертуру диаметром 7,0 мм. Для того чтобы получить значения ПДУ в единицах облученности (Вт/см2), нужно разделить нормированное значение на площадь апертуры, равную 0,38 см2.
2. Для спектрального диапазона от 1,4 до 11,0 мкм в санитарных нормах и правилах СП [1] нормируются значения ПДУ облученности в единицах измерения Вт/м2. Для того чтобы получить значения ПДУ облученности в единицах измерения Вт/см2, нужно умножить нормированное значение на 10-4.
6.4.5. Вычисляют значения коэффициентов степени опасности лазерного излучения (КСОЛ) R по формулам:
(12)
- для одиночных импульсов лазерного излучения;
(13)
(14)
- для импульсного и импульсно-модулированного лазерного излучения при tB ИМ £ 1 с;
(15)
(16)
- для серий импульсов лазерного излучения при tB СИ £ 1 с;
(17)
(18)
(19)
- для серий импульсов лазерного излучения при tB СИ > 1 с;
(20)
- для непрерывного лазерного излучения.
Примечание - Выражение max {} означает, что в формуле используется максимальное (наибольшее) значение из всех результатов измерений, приведенных в ПрДК.
Записывают рассчитанные значения R в ПрДК. При этом для случая импульсного, импульсно-модулированного лазерного излучения и серий импульсов записывают наибольшее из полученных значений R.
6.4.6. В разделе «ЗАКЛЮЧЕНИЕ ПрДК» делают записи типа:
«уровень излучения превышает ПДУ в R раз» - для точек контроля, в которых R > 1;
«уровень излучения не превышает ПДУ» - для точек контроля, в которых R £ 1.
К проведению измерений допускают лиц, достигших 18 лет, не имеющих медицинских противопоказаний, изучивших эксплуатационную документацию на контролируемые ЛУ, ГОСТ Р 50723, Санитарные нормы и правила [1] и прошедших инструктаж по технике безопасности при работе с электроустановками [5].
6.6.1. Общие требования безопасности при измерении параметров лазерного излучения должны соответствовать ГОСТ 12.3.002 и ГОСТ Р 50723.
6.6.2. Лица, проводящие измерения (операторы-дозиметристы) должны быть обеспечены средствами индивидуальной защиты, в том числе специальными защитными очками по ГОСТ 12.4.013.
Условия проведения измерений аналогичны условиям, указанным в 6.1.
7.2.1. Подготавливают ПрДК, форма которого приведена в приложении А.
7.2.2. Заполняют ПрДК в соответствии с 6.2.2 - 6.2.6.
7.2.3. Размещают ПУЛД вблизи глаз оператора ЛУ в соответствии с руководством по эксплуатации ЛД.
7.2.4. Готовят ЛД к измерениям требуемого энергетического параметра лазерного излучения в соответствии с 6.2.12 - 6.2.14.
7.3.1. Включают ЛД и выдерживают его в течение времени установления рабочего режима, указанного в руководстве по эксплуатации ЛД; проводят необходимые регулировки и подстройки ЛД, предшествующие его работе в режиме измерений.
Переводят ЛД в режим измерения.
7.3.2. Оператор ЛУ включает излучатель ЛУ в регламентный режим работы, а оператор-дозиметрист включает ЛД на все время работы оператора ЛУ.
7.3.3. По окончании работы оператора ЛУ снимают показания ЛД и записывают в ПрДК значения энергетических параметров, а также значения параметров: tB НП, tB ИМ, tB СИ, NИ, FИ, полученные на момент окончания работы оператора.
7.3.4. При дозиметрическом контроле лазерного излучения с помощью индивидуальных пороговых ЛД и индивидуальных показывающих ЛД с пороговым устройством в случае появления сигнала опасности выключают ЛУ, прекращают дозиметрический контроль и фиксируют в ПрДК факт превышения ПДУ.
Записывают в ПрДК значения энергетических параметров, а также значения параметров: tB НП, tB ИМ, tВ СИ, NИ, FИ полученные на момент срабатывания порогового устройства.
7.4.1. Определяют значения ПДУ лазерного излучения для случая воздействия на глаза в соответствии с указаниями 6.4.3, 6.4.4.
При определении ПДУ используют измеренные значения параметров: tB НП, tB ИМ, tB СИ, NИ, FИ a также значения параметра aП i, рассчитанные по формуле (8).
Записывают полученные значения ПДУ в ПрДК.
7.4.2. Вычисляют значения коэффициентов степени опасности лазерного излучения (КСОЛ) R по формулам, приведенным в 6.4.5, и записывают полученные значения R в ПрДК.
В разделе «ЗАКЛЮЧЕНИЕ ПрДК» лазерного излучения делают записи в соответствии с 6.4.6.
Форма протокола дозиметрического контроля лазерного излучения (ПрДК)
|
Протокол № Заявитель (заказчик) проведения дозиметрического контроля ____________________ Организация, проводившая дозиметрический контроль _________________________ Дата проведения дозиметрического контроля _________________________________ Лазерный дозиметр (ЛД) типа _________________________________ № __________ Наименование, тип лазерной установки (ЛУ) _________________________________ Класс ЛУ по степени опасности ____________________________________________ Технические характеристики лазерной установки Вид излучения: одиночные импульсы; импульсное, импульсно-модулированное, серия импульсов, непрерывное (нужное подчеркнуть) Длина волны излучения λ = мкм Длительность импульса tИ = с Частота повторения импульсов FИ = Гц Расходимость лазерного пучка θ = рад Радиус лазерного пучка на выходе излучателя rИЗ = мм Виды работ, выполняемые на ЛУ: ___________________________________________ ________________________________________________________________________ Время работы ЛУ в каждом режиме _________________________________________ Схема ЛУ, схема РМО, границы рабочей зоны (ГРЗ) и границы зоны возможного повреждения глаз (ГЗГ) с указанием точек контроля приводят на оборотной стороне протокола. Характеристики точек контроля
Результаты измерений, полученные для пяти направлений оси визирования приемного устройства лазерного дозиметра, приведены в приложении к протоколу.
Оператор-дозиметрист ______________ ___________________ подпись инициалы, фамилия |
||||||||||||||||||||||||||||||||||||||||||||||||||||||||||||||||||||||||||||||||||||||||||||||
Приложение к
протоколу дозиметрического контроля лазерного излучения (ПрДК)
№ от г.
Таблица 1 - Результаты измерений параметров одиночных импульсов лазерного излучения
|
Номер точки контроля Ai, |
Измеряемый параметр HИ, Дж/см2 |
||||||||||||||
|
A1 |
|||||||||||||||
|
А2 |
|||||||||||||||
|
А3 |
|||||||||||||||
max{HИ} =
Таблица 2 - Результаты измерений параметров импульсного, импульсно-модулированного лазерного излучения и серий импульсов излучения
|
Номер точки контроля |
Измеряемый параметр1) |
|||||||
|
HИ max, Дж/см2 |
HСИ, Дж/см2 |
HΣ ИМ, Дж/см2 |
EИМ max Вт/см2 |
tB ИM, с |
tB СИ, с |
NИ, имп |
FИ, Гц |
|
|
A1 |
||||||||
|
А2 |
||||||||
|
А3 |
||||||||
|
1) Измеряемый параметр подчеркнуть. |
||||||||
|
max{HИ max} = |
max{HСИ} = |
max{HΣ ИМ} = |
max{EИМ max} = |
|
|
max{QИ max} = |
max{QСИ} = |
max{QΣ ИМ} = |
max{PИМ max} = |
Таблица 3 - Результаты измерений параметров непрерывного лазерного излучения
|
Номер точки контроля |
Измеряемый параметр1) |
|||
|
E, Вт/см2 |
Emax, Вт/см2 |
HΣ НП, Дж/см2 |
tВ НП, с |
|
|
A1 |
||||
|
А2 |
||||
|
А3 |
||||
|
1) Измеряемый параметр подчеркнуть. |
||||
|
max{Emax} = |
max{HΣ НП} = |
max{Pmax} = |
max{QΣ НП } = |
Примечания
1. Результаты измерений следует располагать в ячейках таблиц 2 и 3 в последовательности, соответствующей их последовательности в заголовке граф таблицы.
2. При наличии более трех точек контроля необходимо использовать дополнительные бланки протокола.
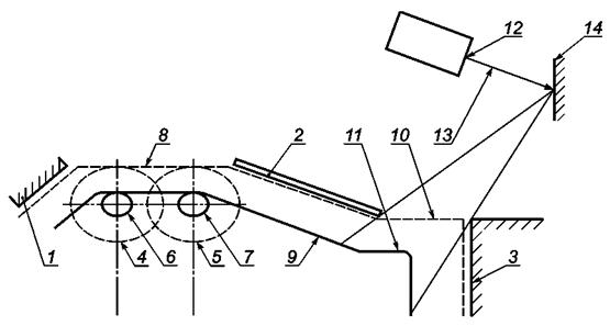
Примеры схем рабочих мест операторов лазерных установок
1 - излучатель ЛУ; 2 -
выходное окно излучателя; 3 - молочное стекло (рассеиватель); 4 -
эталонный
(образцовый) измеритель энергетических параметров лазерного излучения; ЛП - ось
лазерного пучка;
ЗС - ось зеркальной составляющей рассеянного лазерного излучения; ПС - ось
проходящей
составляющей рассеянного лазерного излучения; - нормаль к зеркально
отражающей поверхности
рассеивателя; 5, 6 - поверхности защитных экранов; ГРЗ - граница
рабочей зоны;
ГЗГ - граница зоны возможного повреждения глаз оператора; А1, А2,
А3 - точки контроля
Рисунок
Б.1 - Схема РМО ЛУ при горизонтальном падении лазерного пучка на
рассеивающий элемент
1 - излучатель ЛУ; 2 -
выходное окно излучателя; 3 - диффузно отражающая металлическая
поверхность;
ЛП - ось лазерного пучка; ЗС - ось зеркальной составляющей диффузно отраженного
лазерного
излучения; - нормаль к диффузно отражающей
поверхности; 4 - непрозрачный экран; ГРЗ - граница
рабочей зоны; ГЗГ - граница зоны возможного повреждения глаз оператора; А1, А2
- точки контроля
Рисунок Б.2 -
Схема рабочего места оператора (РМО) лазерной установки (ЛУ) при
вертикальном падении лазерного пучка на диффузно отражающую поверхность
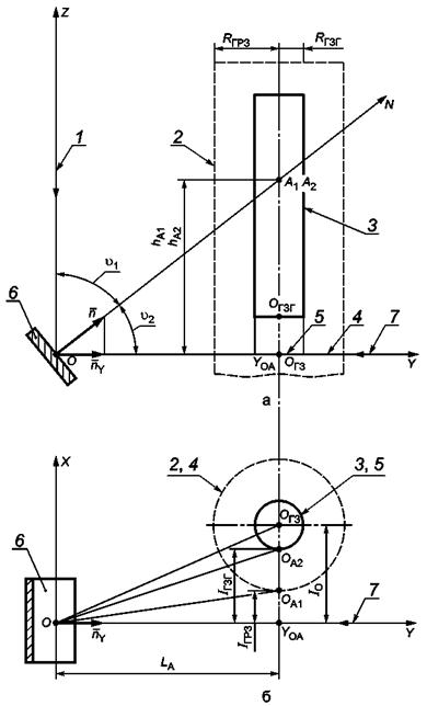
Схема определения радиуса зеркально отраженного пучка лазерного излучения

1 - выходное окно излучателя
лазерной установки; 2 - ось лазерного пучка; 3 - боковые лучи
лазерного
пучка; 4 - стеклянная пластина; 5 - ось зеркально отраженного
лазерного пучка; 6 - боковые лучи
зеркально отраженного лазерного пучка; 7 - плоскость сечения, проходящая
через контрольную точку А1; -
нормаль к зеркально отражающей поверхности стеклянной пластины
Рисунок В.1 -
Схема, поясняющая методику вычисления радиуса зеркально
отраженного пучка rПА1 в сечении,
проходящем через точку контроля А1
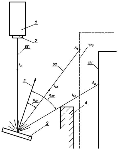
Схема
определения углового размера пятна облучения
на диффузно отражающей поверхности

1 - сечение лазерного пучка в
плоскости выходного окна лазерной установки; 2 - ось лазерного пучка;
3 - боковые лучи лазерного пучка; 4 - пятно облучения на диффузно
отражающей поверхности;
А1 - точка контроля; XYZ
- декартова система координат с центром в точке О, совпадающим с центром
пятна облучения; ХА1, YA1,
ZA1 - координаты точки А1;
-
нормаль к плоскости диффузно отражающей
поверхности, совпадающая с осью Z
(линии 2, 3 лежат в плоскости XOZ)
Рисунок Г.1 -
Схема, поясняющая методику вычисления угловых размеров пятна
облучения на диффузно отражающей поверхности
Методика выбора точек дозиметрического контроля лазерного излучения
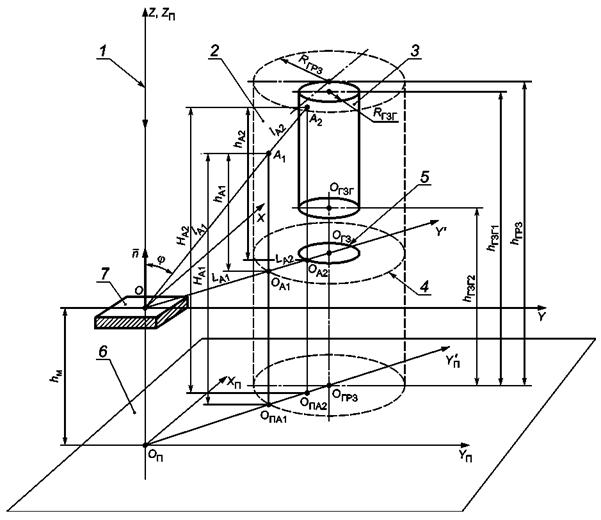
Настоящая методика устанавливает процедуру выбора точек дозиметрического контроля лазерного излучения на рабочих местах операторов лазерных установок.
Выбор точек дозиметрического контроля (далее - точек контроля) заключается в определении расчетным и экспериментальным методами положения точек, в которых следует располагать центр входного зрачка лазерного дозиметра на конкретном РМО ЛУ. Эти точки выбирают на границе рабочей зоны (ГРЗ) оператора или на границе зоны возможного повреждения глаз (ГЗГ) оператора.
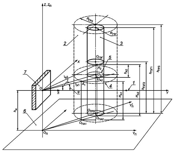
Д.1. Методика определения границ рабочей зоны оператора лазерной установки и границ зоны возможного повреждения глаз оператора
Д.1.1. Для определения ГРЗ оператора предварительно устанавливают границы зон досягаемости моторного поля в вертикальной и горизонтальной плоскостях по ГОСТ 12.2.032 и ГОСТ 12.2.033.
Так, например, если оператор при выполнении служебных обязанностей находится постоянно в одном из рабочих положений «сидя-стоя», или в положениях «сидя-стоя» попеременно, то концы пальцев рук оператора при выполнении им основных и вспомогательных рабочих операций «очерчивают» границы зон досягаемости моторного поля в положении «сидя» (см. позицию 4 на рисунке Д.1а, б) и в положении «стоя» (см. позицию 3 на рисунке Д.1а, б).
В этом случае за ГРЗ принимают поверхность воображаемого цилиндра (см. позицию 6 на рисунке Д.1а, б), вертикальная ось симметрии которого проходит через условную точку, соответствующую центру лобной части головы оператора, находящегося в положении «сидя», а внутренняя поверхность является касательной к границе зоны досягаемости моторного поля в положении «стоя» в горизонтальной плоскости по ГОСТ 12.2.033 (см. рисунок Д.1б).
За верхнюю плоскость цилиндра принимают плоскость, касательную к границе зоны досягаемости моторного поля в положении «стоя» в вертикальной плоскости и проходящую через верхнюю точку этой зоны (см. рисунок Д.1а). За нижнюю плоскость цилиндра принимают плоскость пола помещения.
Радиус цилиндра RГРЗ вычисляют по формуле RГРЗ = 0,5hp, где hp - рост оператора. Расстояние от плоскости пола до верхней плоскости цилиндра hГРЗ вычисляют по формуле
hГРЗ = 1,3hр (Д.1)
Д.1.3. Если оператор перемещается относительно ЛУ в процессе выполнения основных и вспомогательных операций, его рабочее положение называют нестационарным.
В этом случае за ГРЗ принимают воображаемую плоскую поверхность, касательную к смежным цилиндрическим поверхностям, соответствующим ГРЗ для различных стационарных рабочих положений оператора.
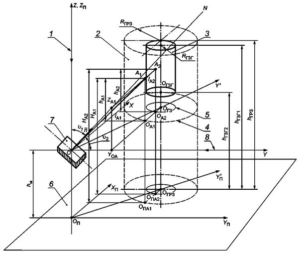
Пример построения ГРЗ в горизонтальной проекции для рассматриваемого случая приведен на рисунке Д.2.
Примечание - Если движения рук оператора ограничены какими-либо поверхностями (например, поверхностями защитных экранов, приборов, оборудования и т.п.), то при построении ГРЗ части этих поверхностей, попадающие в пределы цилиндрических поверхностей с радиусом RГРЗ, рассматривают как части ГРЗ (см. рисунок Д.2).
Д.1.4. Для определения ГЗГ оператора ЛУ предварительно устанавливают крайние положения зрачков глаз оператора при выполнении им основных и вспомогательных операций на конкретном рабочем месте. При этом, если оператор при выполнении всех операций находится в стационарном рабочем положении, а зрачки его глаз перемещаются за счет наклонов и поворотов головы и (или) туловища, за ГЗГ принимают поверхность воображаемого цилиндра, вертикальная ось которого совпадает с вертикальной осью симметрии ГРЗ оператора, находящегося в стационарном рабочем положении (см. позицию 5 на рисунке Д.1а, б).
Д.1.5. Радиус цилиндра RГЗГ принимают равным 20 см, т.е. примерно равным расстоянию от оси симметрии до наиболее удаленной точки, в которой могут оказаться зрачки глаз оператора при выполнении им основных и вспомогательных операций. Расстояние от плоскости пола до верхней плоскости цилиндра hГЗГ 1 выбирают равным росту оператора hp, а расстояние от плоскости пола до нижней плоскости цилиндра hГЗГ 2 вычисляют по формуле
hГЗГ 2 = 0,6hр. (Д.2)
Д.1.6. Для случая нестационарного рабочего положения оператора за ГЗГ принимают воображаемую плоскую поверхность, касательную к смежным цилиндрическим поверхностям, соответствующим ГЗГ для различных стационарных рабочих положений оператора.
Пример построения ГЗГ в горизонтальной проекции для случая нестационарного рабочего положения оператора приведен на рисунке Д.2.
Д.1.7. Процедуре лазерного дозиметрического контроля предшествует составление схемы РМО и схемы ЛУ в соответствии с 6.2.5.
Примечания
1. Схему РМО и ЛУ, как правило, изображают в горизонтальной и вертикальной проекциях при горизонтальном направлении распространения лазерного пучка и в вертикальной проекции при вертикальном направлении распространения. Примеры изображения схемы РМО и ЛУ в горизонтальной проекции приведены на рисунках Д.2 и Б.1 (приложение Б), а в вертикальной проекции - на рисунке Б.2 (приложение Б).
2. Схему РМО и ЛУ вычерчивают на оборотной стороне ПрДК в определенном масштабе (например, 1:10), который указывают на схеме.
Д.1.8. Вычисляют в соответствии с Д.1.2, Д.1.5 значения радиусов RГРЗ, RГЗГ и расстояний hГРЗ, hГЗГ 1, hГЗГ 2. Наносят на схему РМО и ЛУ в выбранном масштабе границы зон ГРЗ и ГЗГ в вертикальной и горизонтальной проекциях. ГРЗ обозначают тонкой пунктирной линией, а ГЗГ - тонкой сплошной линией. Численные значения вышеперечисленных радиусов и расстояний указывают на схеме РМО и ЛУ.
Д.1.9. Определяют участки ГРЗ и ГЗГ, через которые внутрь рассматриваемых зон может проникать отраженное или рассеянное лазерное излучение. Выделяют эти участки жирными пунктирными линиями (для ГРЗ) и жирными сплошными линиями (для ГЗГ).
Пример обозначения участков ГРЗ и ГЗГ для случая, когда на них попадает диффузно отраженное от поверхности мишени излучение, приведен на рисунке Д.2 (приложение Д). Крайние лучи, ограничивающие область облучения, проходят через точку пересечения оси лазерного пучка с поверхностью мишени 14 и крайние точки проекций края защитного экрана 2 и угла стены 3 помещения на горизонтальную плоскость.
Д.2. Порядок выбора точек дозиметрического контроля
Д.2.1. Порядок выбора точек дозиметрического контроля зеркально отраженного лазерного излучения и зеркальных составляющих диффузно отраженного лазерного излучения.
Д.2.1.1. Анализируют возможность попадания в пределы выделенных участков ГРЗ и ГЗГ зеркально отраженных лазерных пучков, зеркальных составляющих диффузно отраженного лазерного излучения, а также части лазерного пучка, прошедшего через рассеивающий элемент.
Д.2.1.2. В случае, если установлена возможность попадания в пределы выделенных участков ГРЗ и ГЗГ указанных выше видов излучения, конкретизируют количество и местонахождение точек контроля с учетом мощности (энергии) лазерного излучения и спектрального диапазона работы ЛУ, исходя из следующих соображений:
- при использовании в ЛУ лазеров II класса по степени опасности генерируемого излучения, работающих в спектральном диапазоне от 0,38 до 1,40 мкм, выбор точек контроля проводят только с целью оценки степени опасности рассматриваемых видов лазерного излучения для глаз оператора (т.е. выбирают точки контроля только на ГЗГ);
- при использовании в ЛУ лазеров III или IV классов по степени опасности генерируемого лазерного излучения независимо от спектрального диапазона их работы выбор точек контроля проводят как с целью оценки степени опасности рассматриваемых видов лазерного излучения для глаз оператора, так и с целью оценки степени опасности для его кожи (т.е. выбирают точки контроля как на ГРЗ так и на ГЗГ).
Д.2.1.3. Принимают за потенциальные точки контроля точки пересечения осей зеркально отраженных лазерных пучков, осей зеркальных составляющих диффузно отраженного лазерного излучения и оси лазерного пучка, прошедшего через рассеивающий элемент, с выделенными участками ГРЗ и ГЗГ.
Д.2.2. Порядок выбора точек контроля для диффузно отраженного и рассеянного лазерного излучения.
Д.2.2.1. Выбирают точки контроля для диффузно отраженного и рассеянного лазерного излучения только в том случае, когда оси зеркально отраженных лазерных пучков, оси зеркальных составляющих диффузно отраженного лазерного излучения и ось лазерного пучка, прошедшего через рассеивающий элемент, не пересекают выделенные на схеме участки ГРЗ и ГЗГ.
Д.2.2.2. Выбирают точки контроля для диффузно отраженного и рассеянного лазерного излучения только в случае использования в ЛУ лазеров III или IV классов.
Д.2.2.3. Выбирают, действуя в соответствии с приведенными далее методиками, в качестве потенциальных точек контроля точки в пределах выделенных на схеме участков ГРЗ и ГЗГ, при нахождении в которых органы тела оператора могут подвергнуться наибольшему облучению диффузно отраженным и рассеянным лазерным излучением.
Д.2.3. Методика выбора точек контроля для случая вертикального падения лазерного пучка на диффузно отражающую или рассеивающую поверхность.
Д.2.3.1. Методика выбора точки контроля для случая вертикального падения лазерного пучка на горизонтально расположенную диффузно отражающую или рассеивающую поверхность и стационарного рабочего места оператора (далее - для цилиндрической ГРЗ или ГЗГ) будет рассмотрена на примере пространственной схемы, показанной на рисунке Д.3, и на примере схемы, показанной на рисунке Д.4, являющейся вертикальной проекцией схемы, показанной на рисунке Д.3, на плоскость ZПOПY'П (Y'П - ось координат, совпадающая с линией ОПОГР3).
Примечание - На рисунке Д.3, так же, как и на всех следующих рисунках, показана только часть схемы ЛУ, включающая в себя условное изображение диффузно отражающей мишени, ось падающего лазерного пучка излучения и направление нормали к поверхности мишени.
В
схемах, показанных на рисунках Д.3, Д.4, пучок лазерного излучения
1 направлен вертикально вниз на горизонтально расположенную поверхность мишени
7. Направление нормали к поверхности мишени совпадает с осью
лазерного пучка.
Д.2.3.2. Методика выбора точки контроля для случая вертикального падения лазерного пучка на горизонтально расположенную диффузно отражающую или рассеивающую поверхность и нестационарного рабочего места оператора (далее - для плоской ГРЗ или ГЗГ) будет рассмотрена на примере пространственной схемы, показанной на рисунке Д.5, и на примере схемы, показанной на рисунке Д.6, являющейся вертикальной проекцией схемы, показанной на рисунке Д.5, на плоскость ZПOПY'П (Y'П - ось координат, совпадающая с линией ОПОПА 1 идущей под углом 90° к проекциям ГРЗ и ГЗГ на плоскость пола помещения).
В этой схеме направление оси пучка лазерного излучения 1 и положение мишени 7 аналогичны показанным на рисунке Д.3.
Д.2.3.3. Система координат XYZ на рисунках Д.3, Д.5 выбрана таким образом, чтобы начало координат располагалось в точке О пересечения оси падающего лазерного пучка с плоскостью мишени, плоскость XOY совпадала с плоскостью мишени, а ось Z была направлена вверх вдоль оси падающего пучка. Ось координат Y' совпадает с линией OOГЗ на рисунке Д.3 и с линией ООА1, идущей под углом 90° к проекциям ГРЗ и ГЗГ на плоскость мишени, на рисунке Д.5. Система координат ХПYПZП на рисунках Д.3, Д.5 выбрана таким образом, чтобы начало координат располагалось в точке ОП пересечения оси падающего лазерного пучка с плоскостью пола помещения; плоскость ХПOПZП совпадала с плоскостью пола, а ось ZП была направлена вверх вдоль оси падающего пучка и оси Z. Направление оси координат Y'П указано в Д.2.3.1, Д.2.3.2.
Примечания
1. Точка OГЗ на рисунках Д.3, Д.4 является точкой пересечения оси ГРЗ (ГЗГ) с плоскостью мишени XOY, точки OА1, OА2 являются проекциями точек контроля А1, А2 на плоскость XOY, а точки OПA1, OПA2 - проекциями точек контроля А1, А2 на плоскость ХПОПYП.
2.
Точки контроля А1, А2 на ГРЗ (ГЗГ) на рисунках Д.3 - Д.6
являются точками, в которых облученность (энергетическая экспозиция) от
диффузно отраженного (рассеянного) излучения мишени максимальна. Эти точки
являются точками пересечения линий ОА1, ОА2, идущих под
углом j = (45 ± 2)° к нормали
в плоскости ZOY', с ГРЗ и ГЗГ.
Д.2.3.4. В случае цилиндрических ГРЗ и ГЗГ измеряют на конкретном рабочем месте оператора с помощью ЛДР или измерительной рулетки длину lO отрезка ОПОГР3. Вычисляют длины отрезков ОПОПА 1 (LA1) и ОПОПА 2 (LA2) по формулам:
LА1 = lO - RГРЗ, (Д.3)
LА2 = lO - RГЗГ, (Д.4)
Наносят на схему РМО и ЛУ в выбранном масштабе ГРЗ (ГЗГ) в вертикальной проекции на плоскость ZПOПY'П аналогично тому, как показано на рисунке Д.4.
Примечание - Допускается не наносить на схему часть ГРЗ, расположенную ниже плоскости мишени.
Д.2.3.5. В случае плоских ГРЗ и ГЗГ измеряют на конкретном рабочем месте оператора с помощью измерительной рулетки длину LА1 отрезка ОПОпа 1. Вычисляют длину отрезка ОП OПА 2 (LA2) по формуле
LА2 = LА1 + (RГРЗ - RГЗГ). (Д.5)
Наносят на схему РМО и ЛУ в выбранном масштабе ГРЗ (ГЗГ) в вертикальной проекции на плоскость ZПOПY'П аналогично тому, как показано на рисунке Д.6.
Д.2.3.6.
Проводят на схемах РМО и ЛУ линию ОА2 под углом j = (45 ± 2)° к нормали . Точки А1,
А2, являющиеся точками пересечения линии ОА2 с линиями
проекции поверхностей ГРЗ (ГЗГ) на плоскость ZПOПY'П,
принимают за изображения точек контроля.
Д.2.3.7. Используя выбранный масштаб, вычисляют расстояния hА1, hА2 от точек контроля А1, А2 до плоскости XOY по формулам:
hА1 = LA1ctg45° = LA1; (Д.6)
Д.2.3.8. Измеряют с помощью ЛДР или измерительной рулетки расстояние hM от плоскости мишени до плоскости пола помещения. Вычисляют расстояния HА1, HА2 от точек контроля А1, А2 до плоскости пола по формулам:
HA1 = hА1 + hМ; (Д.8)
HА2 = hA2 + hM. (Д.9)
Д.2.3.9. На реальном РМО откладывают с помощью измерительной рулетки отрезки длиной LА1, LА2 вдоль линии ОПОГРЗ для схемы, приведенной на рисунке Д.3, и вдоль линии ОПОПА 1 для схемы, приведенной на рисунке Д.5.
Откладывают с помощью измерительной рулетки из точек, соответствующих концам отложенных отрезков, перпендикулярно вверх от плоскости XПOПYП расстояния HА1, HА2 и фиксируют точки контроля А1, А2.
Д.2.3.10. Методика выбора точки контроля для случая вертикального падения лазерного пучка на произвольно ориентированную диффузно отражающую или рассеивающую поверхность и цилиндрической ГРЗ или ГЗГ будет рассмотрена на примере пространственной схемы, показанной на рисунке Д.7 и на примере схем, показанных на рисунке Д.8, являющихся вертикальной (см. рисунок Д.8а) и горизонтальной (см. рисунок Д.8б) проекцией схемы, показанной на рисунке Д.7, на плоскостях ZOY (см. рисунок Д.8а) и XOY (см. рисунок Д.8б).
Д.2.3.11.
В схеме, приведенной на рисунке Д.7, система
координат XYZ выбрана так,
что начало координат располагается в точке О - точке пересечения оси падающего
лазерного пучка с плоскостью мишени. Ось Z направлена
вдоль оси падающего пучка. Ось Y расположена в горизонтальной плоскости
параллельной плоскости пола помещения и одновременно в плоскости падения
лазерного пучка, т.е. в плоскости, проходящей через ось Z и нормаль к плоскости
мишени.
Примечания
1. Точка ОГЗ на рисунках Д.7, Д.8 является точкой пересечения оси ГРЗ (ГЗГ) с плоскостью мишени XOY, точки OА1, OА2 являются проекциями точек контроля А1, А2 на плоскость XOY, а точки ОПА1, ОПА2 - проекциями точек контроля А1, А2 на плоскость ХПОПYП.
2.
Точки контроля А1, А2 на ГРЗ (ГЗГ) на рисунках Д.7, Д.8
являются точками, в которых облученность (энергетическая экспозиция) от
диффузно отраженного излучения мишени максимальна. Эти точки являются точками
на ГРЗ (ГЗГ), расположенными наиболее близко к линии ON, идущей вдоль нормали к поверхности мишени.
Д.2.3.12.
В случае цилиндрических ГРЗ и ГЗГ определяют на конкретном рабочем месте
оператора направление нормали к поверхности мишени и угол v2 между нормалью
и осью Y, для чего
выполняют следующие операции:
- устанавливают на штативе устройство наведения, в котором закрепляют ЛДР и угломер;
- устанавливают штатив на полу помещения так, чтобы ось штатива проходила через точку ОГРЗ, являющуюся точкой пересечения оси ГРЗ с плоскостью пола;
- регулируют высоту штатива так, чтобы оптическая ось ЛДР находилась на расстоянии (1,2 - 1,4)hМ над плоскостью пола;
- закрепляют на диффузно отражающей поверхности мишени зеркальный отражатель так, чтобы его поверхность была параллельна поверхности мишени, а центр отражателя примерно совпадал с точкой O - точкой пересечения пучка излучения лазерной установки с поверхностью мишени;
- включают ЛДР и наводят пучок его излучения на центр зеркального отражателя;
- перемещают штатив по полу помещения (например, по окружности с радиусом, равным длине отрезка ОПОГРЗ) и регулируют его высоту, добиваясь положения, при котором пятно облучения от обратно отраженного лазерного пучка будет наблюдаться на корпусе ЛДР непосредственно вблизи ее выходного окна;
- снимают показания по отсчетному устройству угломера.
Направление
распространения лазерного пучка ЛДР совпадает с направлением нормали к
поверхности мишени; полученные показания по отсчетному устройству угломера
соответствуют значению угла v2.
Д.2.3.13. Измеряют с помощью измерительной рулетки расстояние lO между плоскостью, проходящей через ось лазерного пучка ЛДР и расположенной перпендикулярно полу помещения, и осью ГРЗ. Это расстояние соответствует длине отрезка ОГЗYOА, показанного на рисунках Д.7, Д.8.
Вычисляют расстояния: lГРЗ, lГЗГ от плоскости ZOY до ГРЗ и ГЗГ по формулам:
lГРЗ = lO - RГРЗ; (Д.10)
lГЗГ = b - RГЗГ. (Д.11)
Д.2.3.14. Вычерчивают на оборотной стороне протокола дозиметрического контроля схемы выбора точек контроля в вертикальной и горизонтальной проекциях аналогично тому, как показано на рисунке Д.8.
Д.2.3.15. Используя выбранный масштаб, определяют по схемам выбора точек контроля расстояние LА, вычисляют расстояния hА1, hА2 от точек контроля А1, А2 до плоскости XOY по формуле
hА1 = hА2 = LА tgv2. (Д.12)
Д.2.3.16. Измеряют с помощью ЛДР или измерительной рулетки расстояние hM от плоскости мишени до плоскости пола помещения. Вычисляют расстояния HА1, HА2 отточек контроля А1, А2 до плоскости пола по формуле
HА1 = HА2 = hА1 + hМ. (Д.13)
Д.2.3.17. На реальном РМО откладывают с помощью измерительной рулетки отрезок длиной LA вдоль оси Y.
Откладывают с помощью измерительной рулетки из точки, соответствующей концу отложенного отрезка, перпендикулярно ему в плоскости XПOПYП отрезки длиной lГРЗ и lГЗГ и фиксируют точки Oпа 1, Oпа 2.
Откладывают с помощью измерительной рулетки из точек Oпа 1, Oпа 2 вертикально вверх отрезки длиной HА1, HА2 и фиксируют положения точек контроля А1, А2.
Д.2.3.18. Методика выбора точки контроля для случая вертикального падения лазерного пучка на произвольно ориентированную диффузно отражающую или рассеивающую поверхность и плоской ГРЗ и ГЗГ будет рассмотрена на примере пространственной схемы, показанной на рисунке Д.9, и на примере схем, показанных на рисунке Д.10, являющихся вертикальной (см. рисунок Д.10а) и горизонтальной (см. рисунок Д.10б) проекцией схемы, показанной на рисунке Д.9, на плоскостях ZOY (см. рисунок Д.10а) и XOY (см. рисунок Д.10б).
В схеме, приведенной на рисунке Д.9, система координат XYZ выбрана так, как указано в Д.2.3.11.
Примечания
1. Точки OА1, OА2 на рисунках Д.9, Д.10 являются проекциями точек контроля А1, А2 на плоскость XOY, а точки OПА1, ОПА2 - проекциями точек контроля А1, А2 на плоскость XПOПYП.
2.
Точки контроля А1, А2 на ГРЗ (ГЗГ) на рисунках Д.9, Д.10
являются точками, в которых облученность (энергетическая экспозиция) от
диффузно отраженного излучения мишени максимальна. Эти точки являются точками
на ГРЗ (ГЗГ), расположенными наиболее близко к линии ON, идущей вдоль нормали
к поверхности мишени, и
одновременно точками, расположенными наиболее близко к точке О.
Д.2.3.19.
В случае плоских ГРЗ и ГЗГ определяют на конкретном рабочем месте оператора
направление нормали к поверхности
мишени и угол v2 между нормалью
и осью Y, для чего
выполняют операции в соответствии с Д.2.3.12, перемещая ось
штатива вдоль линии проекции ГРЗ на плоскость пола.
Д.2.3.20. Измеряют на конкретном рабочем месте оператора с помощью ЛДР или измерительной рулетки длины lК1, lК2 отрезков ООК1, ООК2 и длины lК1Y, lК2Y отрезков К1YК1, К2YК2 (К1 и К2 являются точками пересечения линии ОК, идущей под углом 90° к проекциям ГРЗ, ГЗГ, с этими проекциями).
Д.2.3.21. Измеряют с помощью измерительной рулетки расстояние lГРЗ между плоскостью, проходящей через ось лазерного пучка ЛДР и расположенной перпендикулярно полу помещения, и плоскостью ГРЗ. Это расстояние соответствует длине отрезка OА1YOА, показанного на рисунках Д.9, Д.10, равной расстоянию от плоскости ZOY до ГРЗ.
Вычисляют расстояние lгзг от плоскости ZOY до ГЗГ по формуле
lГЗГ = lГРЗ + (RГРЗ - RГЗГ). (Д.14)
Д.2.3.22. Вычерчивают на оборотной стороне протокола дозиметрического контроля схемы выбора точек контроля в вертикальной и горизонтальной проекциях аналогично тому, как показано на рисунке Д.10.
Д.2.3.23. Используя выбранный масштаб, определяют по схемам выбора точек контроля расстояние LА, вычисляют расстояния HА1, HА2 от точек контроля А1, А2 до плоскости XOY по формуле (Д.8).
Д.2.3.24. Повторяют операции в соответствии с Д.2.3.15 и вычисляют расстояния HА1, HА2 от точек контроля А1, А2 до плоскости пола.
Д.2.3.25. На реальном РМО откладывают с помощью измерительной рулетки отрезок длиной LА вдоль оси YП.
Откладывают с помощью измерительной рулетки из точки, соответствующей концу отложенного отрезка, перпендикулярно ему в плоскости XПOПYП отрезки длиной lГРЗ и lГЗГ и фиксируют точки Oпа 1, Oпа 2.
Откладывают с помощью измерительной рулетки из точек Oпа 1, Oпа 2 вертикально вверх отрезки длиной HА1, HА2 и фиксируют положения точек контроля А1, А2.
Примечание - В случае, если линия ON пересекает плоскости ГРЗ и ГЗГ, точки пересечения принимают за точки контроля А1, А2.
Д.2.4. Методика выбора точек контроля для случая горизонтального падения лазерного пучка на диффузно отражающую или рассеивающую поверхность.
Д.2.4.1. Методика выбора точки контроля для случая горизонтального падения лазерного пучка на вертикально расположенную диффузно отражающую или рассеивающую поверхность и цилиндрических ГРЗ и ГЗГ будет рассмотрена на примере пространственной схемы, показанной на рисунке Д.11, и на примере схем, показанных на рисунке Д.12, являющихся вертикальной (см. рисунок Д.12а) и горизонтальной (см. рисунок Д.12б) проекциями верхней части схемы, показанной на рисунке Д.11, на плоскости ZOY (см. рисунок Д.12а) и XOY (см. рисунок Д.12б).
В
схемах, показанных на рисунках Д.11, Д.12, пучок лазерного
излучения 7 направлен горизонтально на вертикально расположенную поверхность
мишени 7 (см. рисунок Д.11) и 6 (см. рисунок Д.12). Направление нормали к
поверхности мишени совпадает с осью лазерного пучка.
Д.2.4.2. Методика выбора точки контроля для случая горизонтального падения лазерного пучка на вертикально расположенную диффузно отражающую или рассеивающую поверхность для плоской ГРЗ или ГЗГ будет рассмотрена на примере пространственной схемы, показанной на рисунке Д.13, и на примере схем, показанных на рисунке Д.14, являющихся вертикальной (см. рисунок Д.14а) и горизонтальной (см. рисунок Д.14б) проекциями верхней части схемы, показанной на рисунке Д.13, на плоскостях ZOY (см. рисунок Д.14а) и XOY (см. рисунок Д.14б).
В этих схемах направление оси пучка лазерного излучения 1 и положение мишени 7 (см. рисунок Д.13) и 6 (см. рисунок Д.14) аналогичны показанным на рисунке Д.11.
Д.2.4.3. Система координат XYZ на рисунках Д.11, Д.13 выбрана таким образом, чтобы начало координат располагалось в точке О пересечения оси падающего лазерного пучка с плоскостью мишени, плоскость ZOX совпадала с плоскостью мишени, а ось Y была направлена вдоль оси падающего пучка.
Система координат XПYПZП на рисунках Д.11, Д.13 выбрана таким образом, чтобы начало координат располагалось в точке ОП пересечения оси Z c плоскостью пола помещения, плоскость XПOПYП совпадала с плоскостью пола, а ось YП была параллельна оси Y.
Примечания
1. Точка OГЗ на рисунках Д.11, Д.12 является точкой пересечения оси ГРЗ (ГЗГ) с плоскостью XOY, точка OА2 является проекцией точки контроля А2 на плоскость XOY, а точка OПA2 - проекцией точки контроля А2 на плоскость XПOПYП.
2. Точки контроля А1, А2 на ГРЗ (ГЗГ) на рисунках Д.11 - Д.14 являются точками, в которых облученность (энергетическая экспозиция) от диффузно отраженного излучения мишени максимальна.
3. Точка A1 является точкой пересечения
линии ОМ, идущей под углом j = (45 ± 2)° к нормали к плоскости
XOY, с ГРЗ.
4. Точка А2 на рисунке Д.12а является ближайшей к линии ОМ точкой, лежащей на ГЗГ. Точка OА2 является точкой пересечения линии OГЗOМ, идущей под углом 90° к линии ОМ, с контуром 5 проекции ГЗГ на плоскость мишени.
Д.2.4.4. В случае цилиндрических ГРЗ и ГЗГ измеряют на конкретном рабочем месте оператора с помощью ЛДР или измерительной рулетки длину lO отрезка OOГЗ и lOY отрезка OГЗYO.
Наносят на схему РМО и ЛУ в выбранном масштабе ГРЗ (ГЗГ) в вертикальной и горизонтальной проекциях аналогично тому, как показано на рисунке Д.12.
Д.2.4.5. В случае плоских ГРЗ и ГЗГ измеряют на конкретном рабочем месте оператора с помощью ЛДР или измерительной рулетки длины lК1, lК2 отрезков OOК1, OOК2 и длины lК1Y, lК2Y отрезков К1YК1, К2YК2 (К1 и К2 являются точками пересечения линии ОК, идущей под углом 90° к проекциям ГРЗ, ГЗГ, с этими проекциями).
Измеряют на конкретном рабочем месте оператора с помощью ЛДР или измерительной рулетки длины lN1, lN2 отрезков ON1, ON2 и длины lN1Y, lN2Y отрезков N1YN, N2YN (N1 и N2 являются точками пересечения линий ON1, ON2, идущих в плоскости XOY, с линией перегиба плоскостей ГРЗ и ГЗГ).
Измеряют на конкретном рабочем месте оператора с помощью ЛДР или измерительной рулетки длину lN отрезка OYN.
Наносят на схему РМО и ЛУ в выбранном масштабе ГРЗ (ГЗГ) в вертикальной и горизонтальной проекциях аналогично тому, как показано на рисунке Д.14.
Д.2.4.6.
Проводят на схемах РМО и ЛУ линию ОМ под углом j = (45 ± 2)° к нормали . Точку пересечения линии ОМ с
линией проекции ГРЗ на плоскость мишени принимают за изображение точки контроля
А1 (см. рисунки 12б и 14б).
Д.2.4.7. Для случая цилиндрической ГЗГ находят точку пересечения линии OГЗOМ, идущей под углом 90° к линии ОМ, с линией проекции ГЗГ на плоскость мишени. Эту точку принимают за точку OА2 проекции точки контроля А2 на плоскость мишени (см. рисунок 12б). Для случая плоской ГЗГ точку пересечения линии ОМ с линией проекции ГЗГ на плоскость мишени принимают за точку OА2 проекции точки контроля А2 на плоскость мишени (см. рисунок 14б).
Д.2.4.8. Используя выбранный масштаб, вычисляют расстояния LA1, LA2 отточки O до точек YА1, YА2, являющихся проекциями точек А1, OА2 на ось Y и расстояния lA1Y, lA2Y.
Д.2.4.9. Измеряют с помощью ЛДР или измерительной рулетки расстояние hM от плоскости мишени до плоскости пола помещения. Вычисляют расстояния HА1, HА2 от точек контроля А1, А2 до плоскости пола по формулам:
HА 1 = hМ; (Д.15)
HА 2 = hА 2 + hM = hГЗГ2. (Д.16)
Д.2.4.10. На реальном РМО откладывают с помощью измерительной рулетки отрезки длиной LА 1 LА 2 вдоль оси координат YП.
Из точек, соответствующих концам отрезков LA 1, LА 2, откладывают в плоскости пола отрезки lA1Y, lA2Y.
Из точек, соответствующих концам отрезков длиной lA1Y, lA2Y, откладывают в вертикальной плоскости отрезки длиной HА 1, HА 2 и фиксируют положения точек контроля А1, А2.
Примечания
1. Если линия ОМ пересекает контур 5 проекции ГЗГ на плоскость мишени, точку пересечения принимают за точку OА2.
2. Если линия ОМ не пересекает контуры 4, 5 проекций ГРЗ и ГЗГ на плоскость мишени, в качестве точек А1, OА2 выбирают точки на контурах 4, 5, наиболее близко расположенные к линии ОМ.
Д.2.4.11. Методику выбора точек контроля для случая горизонтального падения лазерного пучка на произвольно ориентированную диффузно отражающую или рассеивающую поверхность и цилиндрической ГРЗ (ГЗГ) следует рассматривать на примере пространственной схемы, показанной на рисунке Д.7, и на примере схем, показанных на рисунке Д.8, являющихся вертикальной (см. рисунок Д.8а) и горизонтальной (см. рисунок Д.8б) проекциями схемы, показанной на рисунке Д.7, на плоскостях ZOY (см. рисунок Д.8а) и XOY (см. рисунок Д.8б).
Д.2.4.12. Выполняют операции в соответствии с Д.2.3.11 - Д.2.3.16 и фиксируют положения точек контроля А1, А2.
Д.2.4.13. Методику выбора точки контроля для случая вертикального падения лазерного пучка на произвольно ориентированную диффузно отражающую или рассеивающую поверхность и плоской ГРЗ и ГЗГ следует рассматривать на примере пространственной схемы, показанной на рисунке Д.9, и на примере схем, показанных на рисунке Д.10, являющихся вертикальной (см. рисунок Д.10а) и горизонтальной (см. рисунок Д.10б) проекциями схемы, показанной на рисунке Д.9, на плоскостях ZOY (см. рисунок Д.10а) и XOY (см. рисунок Д.10б).
Д.2.4.14. Выполняют операции в соответствии с Д.2.3.18 - Д.2.3.24 и фиксируют положения точек контроля А1, А2.
1 - тело оператора в положении
«стоя»; 2 - тело
оператора в положении «сидя»;
3, 4 - границы зоны досягаемости моторного поля; 5 - ГЗГ; 6 - ГРЗ
Рисунок
Д.1 - Схемы определения ГРЗ и ГЗГ при стационарном
рабочем положении оператора лазерной установки:
а - схема в проекции на вертикальную плоскость;
б - схема в проекции на горизонтальную плоскость
1 - поверхность пульта управления;
2 - защитный экран; 3 - участок стены помещения; 4, 5
- ГРЗ для двух
стационарных рабочих положений оператора; 6, 7 - ГЗГ для двух
стационарных рабочих положений
оператора; 8 - ГРЗ для нестационарного рабочего положения оператора; 9
- ГЗГ для нестационарного
рабочего положения оператора; 10, 11 - участки ГРЗ и ГЗГ, на
которые попадает диффузно отраженное
лазерное излучение; 12 - выходное окно излучателя лазерной установки; 13
- ось лазерного
пучка;
14 - диффузно отражающая поверхность мишени
Рисунок
Д.2 - Схема рабочего места оператора (РМО) лазерной установки (ЛУ) и
схема определения ГРЗ и ГЗГ в проекции на горизонтальную плоскость
для нестационарного рабочего положения оператора
1 - ось вертикально падающего
лазерного пучка; 2 - ГРЗ; 3 - ГЗГ;
4 - контур проекции ГРЗ на плоскость мишени; 5 - контур проекции
ГЗГ на плоскость мишени;
6 - плоскость пола; 7 - диффузно отражающая поверхность мишени
Рисунок
Д.3 - Схема выбора точек контроля для случая вертикального падения
лазерного пучка на горизонтально расположенную диффузно отражающую
поверхность мишени и стационарного рабочего места оператора
1 - ось вертикально падающего
лазерного пучка; 2 - ГРЗ; 3 - ГЗГ;
4 - проекция ГРЗ на плоскость мишени;
5 - проекция ГЗГ на плоскость мишени; 6 - плоскость пола;
7 - диффузно отражающая поверхность мишени
Рисунок Д.4 -
Вертикальная проекция схемы выбора точек контроля,
показанной на рисунке Д.3, на плоскость ZПOПYП
1 - ось вертикально падающего
лазерного пучка; 2 - ГРЗ; 3 - ГЗГ;
4 - линия проекции ГРЗ на плоскость мишени; 5 - линия проекции
ГЗГ на плоскость мишени;
6 - плоскость пола; 7 - диффузно отражающая поверхность мишени
Рисунок Д.5 -
Схема выбора точек контроля в случае вертикального падения лазерного
пучка на горизонтально расположенную диффузно отражающую поверхность мишени
и нестационарного рабочего места оператора
1 - ось вертикально падающего
лазерного пучка; 2 - ГРЗ; 3 - ГЗГ; 4 - проекция ГРЗ на
плоскость мишени;
5 - проекция ГЗГ на плоскость мишени; 6 - плоскость пола; 7
- диффузно отражающая плоскость мишени
Рисунок Д.6 -
Вертикальная проекция схемы выбора точек контроля,
показанной на рисунке Д.5, на плоскость ZПOПYП
1 - ось вертикально падающего
лазерного пучка; 2 - ГРЗ; 3 - ГЗГ; 4 - контур проекции ГРЗ
на плоскость
мишени; 5 - контур проекции ГЗГ на плоскость мишени; 6 -
плоскость пола; 7 - диффузно отражающая
поверхность мишени; 8 - ось горизонтально падающего лазерного пучка
Рисунок Д.7 -
Схема выбора точек контроля в случае вертикального падения лазерного
пучка на произвольно ориентированную диффузно отражающую поверхность мишени
и цилиндрической ГРЗ и ГЗГ
1 - ось вертикально падающего
лазерного пучка; 2 - ГРЗ; 3 - ГЗГ;
4 - проекция ГРЗ на плоскость мишени; 5 - проекция ГЗГ на
плоскость мишени;
6 - диффузно отражающая поверхность мишени; 7 - ось горизонтально
падающего лазерного пучка
Рисунок Д.8 -
Вертикальная (а) и горизонтальная (б) проекции верхней части схемы
выбора точек контроля, показанной на рисунке Д.7, на плоскости ZOY (а) и XOY (б)
1 - ось вертикально падающего
лазерного пучка; 2 - ГРЗ; 3 - ГЗГ;
4 - контур проекции ГРЗ на плоскость мишени; 5 - контур проекции
ГЗГ на плоскость мишени;
6 - плоскость пола; 7 - диффузно отражающая поверхность мишени;
8 - ось горизонтально падающего лазерного пучка
Рисунок Д.9 -
Схема выбора точек контроля в случае вертикального или
горизонтального падения лазерного пучка на произвольно ориентированную диффузно
отражающую поверхность мишени и нестационарного рабочего места оператора
1 - ось вертикально падающего
лазерного пучка; 2 - ГРЗ; 3 - ГЗГ;
4 - линия проекции ГРЗ на плоскость мишени; 5 - проекция ГЗГ на
плоскость мишени;
6 - диффузно отражающая поверхность мишени; 7 - ось горизонтально
падающего лазерного пучка
Рисунок Д.10 -
Вертикальная (а) и горизонтальная (б) проекции верхней части схемы
выбора точек контроля, показанной на рисунке Д.9, на плоскости ZOY (а) и XOY (б)
1 - ось горизонтально падающего
лазерного пучка; 2 - ГРЗ; 3 - ГЗГ;
4 - контур проекции ГРЗ на плоскость мишени; 5 - контур проекции
ГЗГ на плоскость мишени;
6 - плоскость пола; 7 - диффузно отражающая поверхность мишени
Рисунок Д.11 -
Схема выбора точек контроля в случае горизонтального падения
лазерного пучка на вертикально расположенную диффузно отражающую поверхность
мишени и цилиндрических ГРЗ и ГЗГ
1 - ось горизонтально падающего
лазерного пучка; 2 - ГРЗ; 3 - ГЗГ; 4 - контур проекции ГРЗ
на плоскость
мишени; 5 - контур проекции ГЗГ на плоскость мишени; 6 - диффузно
отражающая поверхность мишени
Рисунок Д.12 -
Вертикальная (а) и горизонтальная (б) проекции верхней части схемы
выбора точек контроля, показанной на рисунке Д.11, на плоскости ZOY (а) и XOY (б)
1 - ось горизонтально падающего
лазерного пучка; 2 - ГРЗ; 3 - ГЗГ;
4 - линия проекции ГРЗ на плоскость мишени; 5 - линия проекции
ГЗГ на плоскость мишени;
6 - плоскость пола; 7 - диффузно отражающая поверхность мишени
Рисунок Д.13 -
Схема выбора точек контроля в случае горизонтального падения
лазерного пучка на вертикально расположенную диффузно отражающую поверхность
мишени и нестационарного рабочего места оператора
1 - ось горизонтально падающего
лазерного пучка; 2 - ГРЗ; 3 - ГЗГ; 4 - линия проекции ГРЗ
на плоскость
мишени; 5 - линия проекции ГЗГ на плоскость мишени; 6 - диффузно
отражающая поверхность мишени
Рисунок Д.14 -
Вертикальная (а) и горизонтальная (б) проекции верхней части схемы
выбора точек контроля, показанной на рисунке Д.13, на плоскости ZOY (а) и XOY (б)
Технические характеристики отечественных дозиметров лазерного излучения
Технические характеристики отечественных дозиметров лазерного излучения, тип которых зарегистрирован в Государственном реестре средств измерений, приведены в таблице Е.1.
Таблица Е.1 - Основные технические характеристики отечественных дозиметров лазерного излучения
|
Тип дозиметра лазерного излучения |
||
|
ЛАДИН |
ЛД-4 |
|
|
1. Спектральные диапазоны, мкм: |
||
|
- спектральный диапазон 1 |
0,48 - 1,15 |
0,49 - 1,15; |
|
- спектральный диапазон 2 |
1,15 - 1,8 |
2,0 - 11,0 |
|
- спектральный диапазон 3 |
2,0 - 11,0 |
- |
|
2. Рабочие длины волн лазерного излучения, на которых дозиметр дает прямые показания значений измеряемых параметров, мкм: |
||
|
- спектральный диапазон 1 |
0,48; 0,53; 0,63; 0,67; 0,78; 0,85; 0,92; 0,98; 1,06 |
0,53; 0,63; 0,69; 0,89; 1,06 |
|
- спектральный диапазон 2 |
1,15; 1,30; 1,54 |
10,6 |
|
- спектральный диапазон 3 |
10,6 |
- |
|
3. Диапазон измерений облученности от непрерывного лазерного излучения, Вт/см2: |
||
|
- в спектральном диапазоне 1 (на длине волны 0,63 мкм) |
10-6 - 10-2 |
10-6 - 2 · 10-4 |
|
- в спектральном диапазоне 2 |
10-5 - 10-1 |
10-4 - 2 · 10-2 |
|
- в спектральном диапазоне 3 |
10-3 - 1 |
- |
|
4. Диапазон измерений энергетической экспозиции от импульсного лазерного излучения на длинах волн, Дж/см2: |
||
|
- в спектральном диапазоне 1 |
10-8 - 10-4 |
10-8 - 2 · 10-6 |
|
- в спектральном диапазоне 2 |
10-7 - 10-3 |
- |
|
5. Диапазон длительностей импульсов лазерного излучения, с |
10-8 - 10-2 |
10-8 - 5 · 10-3 |
|
6. Пределы допускаемой основной относительной погрешности (ООП) при измерении облученности на длине волны 0,63 мкм, % |
± 15 |
± 14 |
|
7. Пределы допускаемой ООП дозиметра при измерении облученности на длине волны 10,6 мкм, % |
± 25 |
± 10 |
|
8. Пределы допускаемой ООП дозиметра при измерении энергетической экспозиции на длине волны 0,63 мкм, % |
± 18 |
± 16 |
|
9. Габаритные размеры, мм, не более |
||
|
- блок преобразования и регистрации |
230´106´68 |
145´60´90 |
|
- фотоприемное устройство |
125´40´40 |
- |
|
10. Масса, кг, не более |
0,65 |
0,35 |
|
Санитарные нормы и правила СП № 5804-91 |
Санитарные нормы и правила устройства и эксплуатации лазеров. Утверждены заместителем Главного государственного санитарного врача СССР 31.07.91 г. |
|
|
[2] |
Международный стандарт МЭК 60825-1:20071) |
Безопасность лазерных устройств. Часть 1. Классификация и требования к аппаратуре |
|
Рекомендации по метрологии Р 50.2.025-2002 |
Государственная система обеспечения единства измерений. Дозиметры лазерные. Методика поверки |
|
|
Рекомендации по межгосударственной стандартизации РМГ 43-2001 |
Государственная система обеспечения единства измерений. Применение «Руководства по выражению неопределенности измерений» |
|
|
Межотраслевые правила ПОТ РМ-016-2001, РД 153-34.0-03.150-00 |
Межотраслевые правила по охране труда (правила безопасности) при эксплуатации электроустановок. Утверждены приказом Минэнерго России от 27.12.2000 г. № 163, постановлением Минтруда России от 05.01.2000 г. № 3 |
____________
1) Международный стандарт находится в Федеральном фонде стандартов и технических регламентов.
|
Ключевые слова: лазер, излучение, дозиметрия, контроль, дозиметр, степень опасности |