Стандарт распространяется на низковольтные электроустановки и устанавливает требования по обеспечению их безопасности при возникновении отклонений напряжения и электромагнитных помех. Стандарт не распространяется на системы распределения электроэнергии потребителем и на системы для производства и передачи электроэнергии для таких систем (см. ГОСТ Р 50571.1, раздел 1), несмотря на то, что перенапряжения и электромагнитные помехи могут передаваться в электроустановки или между электроустановками через такие системы.
| Обозначение: | ГОСТ Р 50571-4-44-2011 |
| Название рус.: | Электроустановки низковольтные. Часть 4-44. Требования по обеспечению безопасности. Защита от отклонений напряжения и электромагнитных помех |
| Статус: | действует |
| Заменяет собой: | ГОСТ Р 50571.18-2000 «Электроустановки зданий. Часть 4. Требования по обеспечению безопасности. Глава 44. Защита от перенапряжений. Раздел 442. Защита электроустановок до 1 кВ от перенапряжений, вызванных замыканиями на землю в электроустановках выше 1 кВ» ГОСТ Р 50571.19-2000 «Электроустановки зданий. Часть 4. Требования по обеспечению безопасности. Глава 44. Защита от перенапряжений. Раздел 443. Защита электроустановок от грозовых и коммутационных перенапряжений» ГОСТ Р 50571.20-2000 «Электроустановки зданий. Часть 4. Требования по обеспечению безопасности. Глава 44. Защита от перенапряжений. Раздел 444. Защита электроустановок от перенапряжений, вызванных электромагнитными воздействиями» |
| Дата актуализации текста: | 05.05.2017 |
| Дата добавления в базу: | 01.09.2013 |
| Дата введения в действие: | 01.07.2012 |
| Утвержден: | 22.09.2011 Федеральное агентство по техническому регулированию и метрологии (329-ст) |
| Опубликован: | Стандартинформ (2012 г. ) |
| Ссылки для скачивания: |
ФЕДЕРАЛЬНОЕ АГЕНТСТВО
ПО ТЕХНИЧЕСКОМУ РЕГУЛИРОВАНИЮ И МЕТРОЛОГИИ
|
|
НАЦИОНАЛЬНЫЙ СТАНДАРТ РОССИЙСКОЙ ФЕДЕРАЦИИ |
ГОСТ Р (МЭК 60364-4-44:2007) |
ЭЛЕКТРОУСТАНОВКИ НИЗКОВОЛЬТНЫЕ
Часть 4-44
Требования по обеспечению безопасности.
Защита
от отклонений напряжения
и электромагнитных помех
IEC
60364-4-44:2007
Low-voltage electrical installations - Part 4-44: Protection for safety -
Protection against voltage disturbances and electromagnetic disturbances
(MOD)
|
|
Москва Стандартинформ 2012 |
Цели и принципы стандартизации в Российской Федерации установлены Федеральным законом от 27 декабря 2002 г. № 184-ФЗ «О техническом регулировании», а правила применения национальных стандартов Российской Федерации - ГОСТ Р 1.0-2004 «Стандартизация в Российской Федерации. Основные положения»
Сведения о стандарте
1 ПОДГОТОВЛЕН Негосударственным образовательным учреждением высшего профессионального образования «Московский институт энергобезопасности и энергосбережения» (НОУ ВПО «МИЭЭ») на основе собственного аутентичного перевода на русский язык стандарта, указанного в пункте 4
2 ВНЕСЕН Техническим комитетом по стандартизации ТК 337 «Электроустановки зданий»
3 УТВЕРЖДЕН И ВВЕДЕН В ДЕЙСТВИЕ Приказом Федерального агентства по техническому регулированию и метрологии от 22 сентября 2011 г. № 329-ст
4 Настоящий стандарт модифицирован по отношению к международному стандарту МЭК 60364-4-44:2007, издание 2 «Электрические установки зданий. Часть 4-44. Защита в целях безопасности. Защита от отклонений напряжения и электромагнитных помех» (IEC 60364-4-44:2007 «Low-voltage electrical installations - Part 4-44: Protection for safety - Protection against voltage disturbances and electromagnetic disturbances»).
Наименование настоящего стандарта изменено относительно наименования указанного международного стандарта для приведения в соответствие с ГОСТ Р 1.5* (пункт 3.5).
Раздел «Нормативные ссылки» изложен в соответствии с ГОСТ Р 1.5, и соответствующие ссылки в тексте стандарта выделены курсивом
_________
* В части разд. 8 и приложений Ж, И, К заменен на ГОСТ Р 1.7-2008.
5 ВЗАМЕН ГОСТ Р 50571.18-2000, ГОСТ Р 50571.19-2000, ГОСТ Р 50571.20-2000
6 ПЕРЕИЗДАНИЕ. Апрель 2012 г.
Информация об изменениях к настоящему стандарту публикуется в ежегодно издаваемом информационном указателе «Национальные стандарты», а текст изменений и поправок - в ежемесячно издаваемых информационных указателях «Национальные стандарты». В случае пересмотра (замены) или отмены настоящего стандарта соответствующее уведомление будет опубликовано в ежемесячно издаваемом информационном указателе «Национальные стандарты». Соответствующая информация, уведомление и тексты размещаются также в информационной системе общего пользования - на официальном сайте Федерального агентства по техническому регулированию и метрологии в сети Интернет
СОДЕРЖАНИЕ
Настоящий стандарт подготовлен методом прямого применения международного стандарта МЭК 60364-4-44:2007 «Электрические установки зданий. Часть 4-44. Защита в целях безопасности. Защита от отклонений напряжения и электромагнитных помех» и является частью комплекса национальных стандартов ГОСТ Р 50571 на низковольтные электроустановки.
В стандарте установлены требования, направленные на обеспечение защиты электроустановок и потребляющего оборудования от:
- кратковременных (импульсных) перенапряжений, которые могут возникать в низковольтной электроустановке во время грозовой активности и вследствие коммутационных перенапряжений в цепях с большими пусковыми токами. Требования основаны на положениях основополагающего стандарта МЭК 60664-1 «Координация изоляции для оборудования в низковольтных системах. Часть 1. Принципы, требования и испытания» относительно способности электрической изоляции оборудования выдерживать кратковременные перенапряжения определенных значений для каждой из приведенной в стандарте четырех категорий электроприемников;
- понижения напряжения;
ГОСТ
Р 50571-4-44-2011
(МЭК 60364-4-44:2007)
НАЦИОНАЛЬНЫЙ СТАНДАРТ РОССИЙСКОЙ ФЕДЕРАЦИИ
ЭЛЕКТРОУСТАНОВКИ НИЗКОВОЛЬТНЫЕ
Часть 4-44
Требования по
обеспечению безопасности.
Защита от отклонений напряжения и электромагнитных помех
Low-voltage electrical installations. Part 4-44.
Safety requirements.
Protection against voltage disturbances and electromagnetic disturbances
Дата введения - 2012-07-01
Настоящий стандарт распространяется на низковольтные электроустановки (далее - установки) и устанавливает требования по обеспечению их безопасности при возникновении отклонений напряжения и электромагнитных помех.
Настоящий стандарт не распространяется на системы распределения электроэнергии потребителем и на системы для производства и передачи электроэнергии для таких систем (см. ГОСТ Р 50571.1, раздел 1), несмотря на то, что перенапряжения и электромагнитные помехи могут передаваться в электроустановки или между электроустановками через такие системы.
В настоящем стандарте использованы нормативные ссылки на следующие стандарты.
ГОСТ Р 50571.1-2009 (МЭК 60364-1:2005) Электроустановки низковольтные. Часть 1. Основные положения, оценка общих характеристик, термины и определения
ГОСТ Р 50571.3-2009 (МЭК 60364-4-41:2005) Электроустановки низковольтные. Часть 4-41. Требования для обеспечения безопасности. Защита от поражения электрическим током
ГОСТ Р 50571.10-96 (МЭК 60364-5-54-80) Электроустановки зданий. Часть 5. Выбор и монтаж электрооборудования. Глава 54. Заземляющие устройства и защитные проводники
ГОСТ Р 50571.16-2007 (МЭК 60364-6:2006) Электроустановки низковольтные. Часть 6. Испытания
ГОСТ Р 51317.2.5-2000 (МЭК 61000-2-5-95) Совместимость технических средств электромагнитная. Электромагнитная обстановка. Классификация электромагнитных помех в местах размещения технических средств
ГОСТ Р 51317.6.1-2006 (МЭК 61000-6-1:2005) Совместимость технических средств электромагнитная. Устойчивость к электромагнитным помехам технических средств, применяемых в жилых и коммерческих зонах и производственных зонах с малым энергопотреблением. Требования и методы испытаний
ГОСТ Р 51317.6.2-2007 (МЭК 61000-6-2:2005) Совместимость технических средств электромагнитная. Устойчивость к электромагнитным помехам технических средств, применяемых в промышленных зонах. Требования и методы испытаний
ГОСТ Р 51317.6.3-2009 (МЭК 61000-6-3:2006) Совместимость технических средств электромагнитная. Электромагнитные помехи от технических средств, применяемых в жилых и коммерческих зонах и производственных зонах с малым энергопотреблением. Нормы и методы испытаний
ГОСТ Р 51317.6.4-2009 (МЭК 61000-6-4:2006) Совместимость технических средств электромагнитная. Электромагнитные помехи от технических средств, применяемых в промышленных зонах. Нормы и методы испытаний
ГОСТ Р МЭК 60950-1-2009 Оборудование информационных технологий. Требования безопасности. Часть 1. Общие требования
ГОСТ 29322-92 (МЭК 38-83) Стандартные напряжения
Настоящий раздел содержит требования к безопасности низковольтных электроустановок в случаях:
- замыкания на землю в системе высокого напряжения трансформаторной подстанции, питающей установку низкого напряжения (см. 442.2);
- обрыва нейтрали питающей цепи системы низкого напряжения (см. 442.1.3);
- случайного заземления линейного проводника в системе IT низкого напряжения с нейтральным проводником (см. 442.4);
- короткого замыкания между линейным проводником и нейтральным проводником в системе низкого напряжения (см. 442.5) , которое обычно приводит к наиболее тяжелым временным перенапряжениям.
Требования к заземляющим устройствам трансформаторных подстанций приведены в МЭК 61936-1 [1].
Требования раздела 442 должны учитываться при проектировании и монтаже подстанций в случае возникновения коротких замыканий на землю на стороне высокого напряжения распределительных подстанций.
При проектировании необходимо иметь следующую информацию, касающуюся системы высокого напряжения:
- характерные особенности заземления системы;
- максимальный уровень тока короткого замыкания на землю;
- значение активного сопротивления заземляющего устройства.
В разделе 442 используются следующие обозначения (см. рисунок 44.А1):
IЕ - часть тока замыкания на землю в системе высокого напряжения, которая протекает по заземляющему устройству подстанции;
RE - активное сопротивление заземляющего устройства трансформаторной подстанции;
RA - активное сопротивление заземляющего устройства открытых проводящих частей оборудования установки низкого напряжения;
RB - активное сопротивление заземляющего устройства нейтрали системы низкого напряжения с электрически независимыми заземляющими устройствами трансформаторной подстанции и нейтрали системы низкого напряжения;
U0 - в системах TN и ТТ - номинальное среднеквадратичное напряжение переменного тока линейного проводника относительно земли, в системах IT - напряжение переменного тока между линейным проводником и нейтральным проводником или средним проводником соответственно;
Uf - напряжение повреждения промышленной частоты, возникающее в системе низкого напряжения между открытыми проводящими частями и землей во время повреждения;
U1 - критическое напряжение промышленной частоты между линейным проводником и открытыми проводящими частями низковольтного оборудования трансформаторной подстанции во время повреждения;
U2 - критическое напряжение промышленной частоты между линейным проводником и открытыми проводящими частями низковольтного оборудования установки низкого напряжения во время повреждения.
Примечание 1 - Критическое напряжение промышленной частоты (U1 и U2) - это напряжение, которое возникает на изоляции низковольтного оборудования и на устройствах защиты от перенапряжений, присоединенных к системам низкого напряжения;
Ih - ток повреждения, протекающий по заземляющему устройству открытых проводящих частей оборудования установки низкого напряжения в течение периода, когда имеются повреждение на высокой стороне и первое повреждение в установке низкого напряжения (см. таблицу 44.А1);
Id - ток повреждения в соответствии с 411.6.2, протекающий по заземляющему устройству открытых проводящих частей установки низкого напряжения во время первого повреждения в системе низкого напряжения (см. таблицу 44.А1);
Z - полное сопротивление (например, полное сопротивление устройства контроля изоляции (УКИ), полное сопротивление искусственной нейтрали) между системой низкого напряжения и заземляющим устройством.
Примечание 2 - Заземляющее устройство можно считать электрически независимым от другого заземляющего устройства, если превышение потенциала относительно земли на одном заземляющем устройстве не вызывает недопустимое превышение потенциала относительно земли на другом заземляющем устройстве (см. МЭК 61936-1 [1]).
В случае замыкания на землю на стороне высокого напряжения подстанции на электроустановку низкого напряжения могут воздействовать следующие виды перенапряжений:
- напряжение повреждения промышленной частоты (Uf);
- критические напряжения промышленной частоты (U1 и U2).
Соответствующие методы расчета перенапряжений различных видов приведены в таблице 44.А1.
Примечание 1 - Таблица 44.А1 распространяется на системы IT с выведенной нейтральной точкой. Для систем IT без выведенной нейтральной точки должна быть подобрана соответствующая формула из указанных в таблице 44.А1.
Рисунок
44.А1 - Характерная упрощенная схема возможных способов заземления
подстанции и низковольтной установки и перенапряжений, возникающих
в случае повреждений
Для случая, когда заземляющие устройства высокого и низкого напряжения расположены в непосредственной близости друг от друга, существуют два способа их применения при эксплуатации:
- соединение всех высоковольтных (RE) и низковольтных (RB) заземляющих устройств между собой;
- отделение высоковольтных (RE) и низковольтных (RB) заземляющих устройств друг от друга.
Основным способом является взаимное соединение. Если система низкого напряжения полностью расположена на территории заземляющего устройства высокого напряжения, заземляющие устройства высокого и низкого напряжения должны быть соединены между собой (см. МЭК 61936-1 [1]).
Примечание 2 - Особенности различных типов заземления системы (TN, TT, IT) приведены в ГОСТ 50571-1.
Таблица 44.А1 - Критические напряжения промышленной частоты и напряжения повреждения промышленной частоты в установках низкого напряжения
|
Типы соединения заземляющих устройств |
U1 |
U2 |
Uf |
|
|
ТТ |
RE и Rb соединены |
U0* |
Re Ie+ U0 |
0* |
|
RE и Rb разделены |
Re Ie+ U0 |
U0* |
0* |
|
|
TN |
RE и RB соединены |
U0* |
U0* |
RE Ie** |
|
RE и Rb разделены |
Re Ie+ U0 |
U0* |
0* |
|
|
IT |
RE и Z соединены |
U0* |
Re Ie+ U0 |
0* |
|
Reи Raразделены |
U0 |
Re
Ie+
U0 |
Ra Ih |
|
|
RE и Z соединены |
U0* |
U0* |
RE Ie |
|
|
Reи Raсоединены взаимно |
U0 |
U0 |
RE Ie |
|
|
RE и Z разделены |
Re Ie+ U0 |
U0* |
0* |
|
|
Reи Raразделены |
Re
Ie+
U0 |
U0 |
Ra Id |
|
|
* Рассмотрение не требуется. ** См. 442.2.1 второй абзац.
|
||||
Примечание 3 - Требования для U1 и U2 получены на основании критериев, принимаемых при проектировании для изоляции низковольтного оборудования с учетом временных перенапряжений промышленной частоты (см. также таблицу 44.А2).
Примечание 4 - В системе, нейтраль которой присоединена к заземляющему устройству трансформаторной подстанции, такие временные перенапряжения могут возникать также на изоляции, не находящейся в заземленной оболочке, если оборудование расположено вне здания.
Примечание 5 - В системах ТТ и TN выражения «соединены» и «разделены» относятся к электрическому соединению между Re и Rb. Для системы IT эти выражения относятся к электрическому соединению между Re и Z и соединению между Re и Ra.
Значение напряжения при повреждении Uf, определенного по таблице 44.А1, которое возникает в установке низкого напряжения между открытыми проводящими частями и землей, не должно превышать значения Uf для соответствующей продолжительности повреждения, приведенные на кривой рисунка 44.А2.
Обычно PEN-проводник системы низкого напряжения присоединен к земле более чем в одной точке. В этом случае общее активное сопротивление уменьшается. Для таких многократно заземленных PEN-проводников Uf может быть определено как:
Рисунок 44.А2 -
Допустимое напряжение повреждения в системе низкого напряжения
при замыкании на землю в системе высокого напряжения
Примечание - Кривая, показанная на рисунке 44.А2, - по МЭК 61936-1 [1]. На основании вероятностных и статистических данных эта кривая отображает низкий уровень риска для простого наихудшего случая, когда нейтральный проводник заземлен только на заземляющем устройстве трансформаторной подстанции. Пояснения для других ситуаций приведены в МЭК 61936-1 [1].
Значение и продолжительность критического напряжения промышленной частоты (U1 и U2) низковольтного оборудования в установке низкого напряжения при замыкании на землю в системе высокого напряжения, рассчитанные в соответствии с таблицей 44.А1, не должны превышать значения, приведенных в таблице 44.А2.
Таблица 44.А2 - Допустимые критические напряжения промышленной частоты
|
Продолжительность замыкания на землю в системах высокого напряжения t |
Допустимое критическое напряжение промышленной частоты на оборудовании в установках низкого напряжения U |
|
> 5 с |
U0 + 250 В |
|
< 5 с |
U0 + 1200 B |
|
В системах без нейтрального проводника значение U0 следует принимать равным линейному напряжению |
|
|
Примечание 1 - Первая строка таблицы относится к системам с большим временем отключения, например к системам высокого напряжения с изолированной нейтралью или к системам высокого напряжения, заземленным через резонансное сопротивление. Вторая строка относится к системам высокого напряжения с малым временем отключения, например к системам высокого напряжения, заземленным через малое полное сопротивление. Совместно обе эти строки являются расчетным критерием для изоляции низковольтного оборудования в отношении временных перенапряжений промышленной частоты (см. МЭК 60664-1 [2]). Примечание 2 - В системе, нейтраль которой присоединена к заземляющему устройству трансформаторной подстанции, возникновение таких временных перенапряжений возможно также на изоляции, не находящейся в заземленной оболочке, для оборудования, расположенного вне зданий. |
|
Допустимые критические напряжения промышленной частоты не должны превышать значения, приведенные в таблице 44.А2.
Допустимое напряжение повреждения промышленной частоты не должно превышать значение, приведенное на рисунке 44.А2.
Для установок, питающихся от распределительной электрической сети низкого напряжения, требования 442.2.1 и 442.2.2 выполняются.
Для выполнения вышеуказанных требований необходима координация между оператором системы высокого напряжения и застройщиком системы низкого напряжения. Обеспечение соответствия этим требованиям относится к ответственности застройщика (владельца, оператора) подстанции, который должен также обеспечивать соответствие требованиям МЭК 61936-1 [1]. Следовательно, расчет U1, U2 и Uf для застройщика системы низкого напряжения, как правило, не требуется.
Возможными мерами для выполнения вышеуказанных требований являются, например:
- разделение заземляющих устройств высокого напряжения и низкого напряжения;
- изменение типа заземления системы низкого напряжения;
- уменьшение сопротивления заземления RE.
Следует
учитывать, что в случае обрыва нейтрального проводника в многофазной системе
основная, двойная и усиленная изоляции, а также компоненты, рассчитанные на
напряжение между линейным и нейтральным проводниками, могут временно
подвергаться воздействию линейного напряжения, которое может достигать значения
U
=
U0.
Следует
учитывать, что при случайном замыкании на землю нейтрального проводника в
системе IT изоляция
компонентов, рассчитанных на напряжение между линейным и нейтральным
проводниками, может временно подвергаться воздействию линейного напряжения,
которое может достигать значения U = U0.
Следует учитывать, что при возникновении короткого замыкания в установке низкого напряжения между линейным проводником и нейтральным проводником напряжение между другими линейными проводниками и нейтральным проводником может достигать значения 1,45 U0 на время до 5 с.
Настоящий раздел устанавливает требования по защите электрических установок от переходных перенапряжений атмосферного происхождения, передаваемых питающей системой распределения электроэнергии, и от коммутационных перенапряжений.
Значения коммутационных перенапряжений бывают ниже значений атмосферных перенапряжений, поэтому соблюдение требований к защите от перенапряжений атмосферного происхождения обеспечивают также защиту от коммутационных перенапряжений.
Примечание 1 - Статистические оценки измерений показывают, что риск превышения коммутационными перенапряжениями уровня перенапряжений категории II является небольшим (см. 443.2).
Значения перенапряжений, которые могут возникать на вводе в электроустановку, ожидаемое количество грозовых дней в году, размещение и характеристики устройств защиты от перенапряжений должны учитываться таким образом, чтобы вероятность аварийных ситуаций из-за перенапряжений была понижена до уровня, допустимого для безопасности людей и сохранности материальных ценностей, а также для обеспечения требуемой непрерывности предоставления услуг.
Значения перенапряжений при переходных процессах зависят от способа выполнения питающей системы распределения электроэнергии (линия, проложенная в земле или воздушная линия), от возможного наличия устройств защиты от перенапряжений, расположенных выше ввода в электроустановку по ходу распределения электроэнергии, и от уровня напряжения питающей сети.
Настоящий раздел содержит указания для определения, в каких случаях защита от перенапряжений обеспечивается мерами защиты от перенапряжений, предусмотренными в электроустановке, а в каких должна быть обеспечена внешними защитными устройствами.
Если защита в соответствии с данным разделом не обеспечивается, это означает, что координация изоляции не гарантируется и должна быть произведена оценка ущерба, который может быть нанесен перенапряжениями.
Настоящий раздел не распространяется на перенапряжения, возникающие при прямых ударах молнии и ударах молнии, происходящих в непосредственной близости от установки. Для защиты от перенапряжений переходных процессов, создаваемых прямыми ударами молнии, следует пользоваться стандартами МЭК 62305-1 [3], МЭК 62305-3 [4] и МЭК 62305-4 [5], а также стандартами серии МЭК 61643 [6].
Настоящий раздел не распространяется на перенапряжения, возникающие в системах передачи информации.
Примечание 2 - В отношении перенапряжений переходных процессов атмосферного происхождения различия для заземленных и незаземленных систем отсутствуют.
Примечание 3 - Коммутационные перенапряжения, генерируемые вне установки и передаваемые по питающей сети, находятся на рассмотрении.
Примечание 4 - Риск ущерба от перенапряжений рассмотрен в МЭК 62305-2 [7].
Примечание 1 - В целях координации изоляции в электроустановках определены категории перенапряжения и представлена соответствующая классификация стойкости электрического оборудования к импульсным напряжениям (см. таблицу 44B).
Примечание 2 - Номинальная стойкость оборудования к импульсным напряжениям - это выдерживаемое оборудованием импульсное напряжение, указанное изготовителем для оборудования или его части и характеризующее заданную способность его изоляции выдерживать перенапряжения (в соответствии с МЭК 60664-1 [2], пункт 3.9.2).
Стойкость оборудования к импульсным напряжениям (категория перенапряжений) используется для классификации оборудования, питающегося непосредственно от питающей сети.
Значения стойкости оборудования к импульсным напряжениям, выбранного по номинальному напряжению, приведены для определения различных уровней пригодности оборудования в отношении срока службы и допустимого риска возникновения повреждения. Выбором оборудования с классифицированной стойкостью к импульсным напряжениям во всей электроустановке может быть обеспечена координация изоляции, понижающая риск возникновения повреждения до допустимого уровня.
Примечание 3 - В большинстве электроустановок перенапряжения переходных процессов, передаваемые питающей системой, ниже по ходу распределения электроэнергии затухают незначительно.
Оборудование со стойкостью к импульсным напряжениям, соответствующей IV категории перенапряжения, пригодно для применения на вводе в электроустановку или вблизи него, например выше главного распределительного щита. Оборудование IV категории обладает очень высокой стойкостью к импульсным напряжениям, обеспечивающей требуемый высокий уровень надежности.
Примечание 1 - Примерами такого оборудования являются электрические измерительные приборы, устройства первичной защиты от сверхтока и устройства сглаживания пульсаций.
Оборудование со стойкостью к импульсным напряжениям, соответствующей III категории перенапряжения, пригодно для применения в стационарных установках ниже по ходу распределения электроэнергии, включая главный распределительный щит, и обеспечивает высокий уровень эксплуатационной работоспособности.
Примечание 2 - Примерами такого оборудования являются распределительные щиты, автоматические выключатели, электропроводки, включая кабели, шины, соединительные коробки, выключатели, штепсельные розетки в стационарных установках, оборудование для применения в промышленных условиях и некоторое другое оборудование, например неподвижно установленные двигатели с постоянным подключением к стационарным установкам.
Оборудование со стойкостью к импульсным напряжениям, соответствующей II категории перенапряжения, пригодно для подключения к стационарным установкам и обеспечивает нормальный уровень соответствия требованиям, предъявляемым обычно к электроприемникам.
Примечание 3 - Примерами такого оборудования являются электробытовые приборы и аналогичные нагрузки.
Оборудование со стойкостью к импульсным напряжениям, соответствующей I категории перенапряжения, пригодно для использования только в стационарных электроустановках зданий в случаях, когда для ограничения перенапряжений переходных процессов до заданного уровня применены средства защиты, установленные вне оборудования.
Примечание 4 - Примерами такого оборудования является оборудование, содержащее электронные цепи, например компьютеры, бытовые приборы с электронным программированием и т.д.
Оборудование со стойкостью к импульсным напряжениям, соответствующей I категории перенапряжения, не должно присоединяться непосредственно к распределительной электрической сети.
Защита от перенапряжений должна быть выполнена в соответствии со следующими требованиями.
Настоящий пункт не применяется, если должна быть выполнена оценка риска в соответствии с 443.3.2.2.
Если установка питается от низковольтной сети, полностью проложенной в земле, и не имеет воздушных линий, значения стойкости оборудования к импульсным перенапряжениям, соответствующие таблице 44В, являются достаточными, и специальная защита от перенапряжений атмосферного происхождения не требуется.
Примечание 1 - Кабель с изолированными жилами и заземленной оболочкой, подвешенный на опорах, рассматривается как эквивалент кабеля, проложенного в земле.
Если установка питается от низковольтной воздушной линии или включает в себя воздушную линию и число грозовых дней в году менее или равно 25 (AQ1 в соответствии с МЭК 60364-5-51 [8]), специальная защита от перенапряжений атмосферного происхождения не требуется.
Примечание 2 - Независимо от значения AQ (в соответствии с МЭК 60364-5-51 [8]) защита от перенапряжений для оборудования может оказаться необходимой, если требуется более высокая надежность или ожидаются более высокие риски (например, пожар).
В обоих случаях должно быть уделено внимание защите от перенапряжений переходных процессов оборудования со стойкостью к импульсным напряжениям, соответствующей I категории перенапряжения (см. 443.2.2).
Во всех случаях должно быть уделено внимание защите от перенапряжений переходных процессов оборудования со стойкостью к импульсным напряжениям, соответствующей I категории перенапряжения (см. 443.2.2).
443.3.2.1 Защита от перенапряжений в зависимости от внешних воздействий.
Если электроустановка питается по воздушной линии или включает в себя воздушную линию и число грозовых дней в году составляет более 25 (AQ2 в соответствии с МЭК 60364-5-51 [8]), защита от перенапряжений атмосферного происхождения необходима, при этом не требуется, чтобы защитный уровень защитного устройства был выше, чем уровень II категории перенапряжения, приведенный в таблице 44В.
Примечание 1 - Уровень перенапряжений можно регулировать при помощи устройств защиты от перенапряжений, установленных вблизи ввода в электроустановку, или на воздушных линиях (см. приложение В), или в электроустановке здания.
Примечание 2 - В соответствии с МЭК 62305-3 пунктом А.1 [4], число грозовых дней в году, равное 25, эквивалентно 2,5 ударам молнии на 1 км2 в год. Это выведено из формулы
Ng = 0,1Td,
где Ng - частота ударов молнии на 1 км2 в год;
Td - число грозовых суток в году.
443.3.2.2 Защита от перенапряжений в зависимости от оценки риска
Примечание 1 - Метод общей оценки риска приведен в МЭК 62305-2 [7]. В разделе 443 принято существенное упрощение этого метода. Оно основано на критической длине dc входящих линий и уровне последствий, указанных ниже.
Для различных уровней защиты рассматриваются следующие последствия:
a) касающиеся человеческой жизни, например систем безопасности, медицинского оборудования в больницах;
b) касающиеся предоставления услуг населению, например нарушений в коммунальных сетях, центров информационных технологий, музеев;
c) касающиеся коммерческой и промышленной деятельности, например отелей, банков, промышленных предприятий, торговых рынков, сельскохозяйственных предприятий;
d) касающиеся групп отдельных людей, например больших жилых зданий, церквей, офисных помещений, школ;
e) касающиеся отдельных людей, например жилых зданий, небольших офисных помещений.
Для уровней последствий, указанных в перечислениях а) - с), защита от перенапряжений необходима.
Примечание 2 - Не требуется выполнять расчетную оценку риска для уровней последствий, указанных в перечислениях а) - с), т.к. результатом такого расчета всегда является необходимость выполнения защиты.
Для уровней последствий, указанных в перечислениях d) и е), требование к выполнению защиты от перенапряжений зависит от результатов расчета. Расчет должен быть выполнен с использованием формулы, указанной в приложении С для определения длины d, которая принята по соглашению и называется условной длиной.
Защита от перенапряжения требуется, если d > dc,
где d - условная длина в км питающей линии рассматриваемого сооружения с максимальным значением 1 км;
dc - критическая длина;
dc в км равна 1/Ng - для уровня последствий, указанных в перечислении d), и равна 2/Ng - для уровня последствий, указанных в перечислении е),
где Ng - частота ударов молнии на 1 км2 в год.
Если расчет показывает, что установка устройств защиты от перенапряжений необходима, то защитный уровень этих устройств должен быть выше, чем уровень перенапряжений категории II, приведенный в таблице 44B.
Оборудование должно быть выбрано так, чтобы его номинальная стойкость к импульсным напряжениям была не менее требуемой стойкости к импульсным напряжениям, указанной в таблице 44В.
Таблица 44В - Требуемая стойкость оборудования к импульсным напряжениям
|
Требуемая стойкость к импульсным напряжениям, кВb) |
|||||
|
Трехфазные системы |
Однофазные системы со средней точкой |
Оборудования на вводе в установку (IV категория перенапряжения) |
Оборудования распределительных и конечных цепей (III категория перенапряжения) |
Электробытовых приборов и электроприемников (II категория перенапряжения) |
Специально защищенного оборудования (I категория перенапряжения) |
|
- |
120 - 240 |
4 |
2,5 |
1,5 |
0,8 |
|
230/400 277/480 |
- |
6 |
4 |
2,5 |
1,5 |
|
400/690 |
- |
8 |
6 |
4 |
2,5 |
|
1000 |
- |
8 |
6 |
4 |
|
|
а) - в соответствии с МЭК 60038 [9]. b) - импульсное выдерживаемое напряжение между линейными проводниками и РЕ. |
|||||
Настоящий раздел содержит основополагающие рекомендации по подавлению электромагнитных помех. Электромагнитная помеха может расстроить или повредить системы информационных технологий, оборудование информационных технологий, а также оборудование с электронными компонентами или цепями. Токи, возникающие при грозовых разрядах, коммутационных операциях, коротких замыканиях, и другие электромагнитные явления могут приводить к возникновению перенапряжений и электромагнитных помех.
Такие воздействия являются наиболее тяжелыми:
- при наличии замкнутых металлических контуров большой площади и
- при прокладке по общим трассам в здании различных электропроводок, например, для силового питания и для передачи информационных сигналов, предназначенных для оборудования информационных технологий.
Значение наведенного напряжения зависит от крутизны нарастания di/dt тока помехи и от размеров контура. Силовые кабели, по которым протекают большие токи с высоким значением крутизны нарастания тока di/dt (например, пусковые токи двигателей лифтов или токи, регулируемые полупроводниковыми выпрямителями), могут наводить в кабелях систем информационных технологий перенапряжения, которые могут воздействовать на оборудование информационных технологий и аналогичное оборудование или повреждать его.
В помещениях медицинского назначения и вблизи них электрические или магнитные поля, связанные с электрическими установками, могут вызывать помехи в работе медицинского оборудования.
Настоящий раздел содержит информацию для специалистов в области строительства зданий и для специалистов по проектированию и монтажу электроустановок зданий, касающуюся некоторых решений, ограничивающих электромагнитные воздействия. Основное внимание уделено воздействиям, которые могут привести к возникновению помех.
Основные термины и определения приведены в ГОСТ Р 50571.1. В настоящем стандарте применены следующие термины с соответствующими определениями:
444.3.1 система уравнивания потенциалов (bonding network BN): Совокупность взаимосоединенных проводящих конструкций, которая обеспечивает «электромагнитный экран» для электронных систем на частотах от постоянного тока до низкой радиочастоты.
Примечание - Термин «электромагнитный экран» означает любую конструкцию, используемую для отведения по другому каналу, блокирования или создания препятствия прохождению электромагнитной энергии. В общем случае система уравнивания потенциалов не требует присоединения к земле, однако система уравнивания потенциалов, рассматриваемая в настоящем стандарте, присоединена к земле.
444.3.2 кольцевой проводник уравнивания потенциалов (bonding ring conductor BRC): Заземляющая шина, выполненная в виде замкнутого кольца.
Примечание - Обычно кольцевой проводник уравнивания потенциалов, как часть системы уравнивания потенциалов имеет множественные соединения с общей системой уравнивания потенциалов, что улучшает его эффективность.
444.3.3 совмещенная система уравнивания потенциалов (common equipotential bonding system CBN): Система уравнивания потенциалов, обеспечивающая защитное уравнивание потенциалов и функциональное уравнивание потенциалов.
444.3.4 уравнивание потенциалов (equipotential bonding): Электрическое соединение проводящих частей для достижения эквипотенциальности.
444.3.5 сеть заземляющих электродов (earth electrode network): Часть заземляющего устройства, состоящая из соединенных между собой заземляющих электродов.
444.3.6 система уравнивания потенциалов сетчатого типа (meshed bonding network MESH-BN): Система уравнивания потенциалов, в которой все соответствующие опорные конструкции, стойки, шкафы, а также обратный провод силовой сети постоянного тока соединены между собой и с совмещенной системой уравнивания потенциалов во множестве точек и могут образовывать форму сетки.
Примечание - Система уравнивания потенциалов в виде сетки усиливает эффективность совмещенной системы уравнивания потенциалов.
444.3.7 шунтирующий проводник уравнивания потенциалов/параллельный заземляющий проводник (by-pass equipotential bonding conductor/parallel eaarthing conductor PEC): Заземляющий проводник, присоединенный параллельно экранам кабелей, передающих сигналы и/или информацию, для ограничения тока, протекающего по экранам.
При проектировании и монтаже электрической установки следует применять указанные в настоящем разделе меры понижения электрических и электромагнитных воздействий на электрическое оборудование.
Следует применять только такое электрическое оборудование, которое отвечает требованиям соответствующих стандартов на электромагнитную совместимость (ЭМС) или требованиям к ЭМС соответствующих стандартов на продукцию.
Электрическое оборудование, чувствительное к электромагнитным воздействиям, не должно располагаться вблизи потенциальных источников электромагнитной эмиссии, таких как:
- коммутационные устройства для индуктивных нагрузок;
- электрические двигатели;
- флюоресцентное освещение;
- сварочные машины;
- компьютеры;
- выпрямители;
- прерыватели;
- частотные преобразователи /регуляторы;
- лифты;
- трансформаторы;
- комплектные коммутационные устройства;
- силовые распределительные шинопроводы.
Следующие меры уменьшают воздействие электромагнитных помех:
a) применение для электрического оборудования, чувствительного к электромагнитным помехам, устройств защиты от перенапряжений и/или фильтров для улучшения электромагнитной совместимости в отношении кондуктивных электромагнитных явлений;
b) присоединение металлических оболочек кабелей к совмещенной системе уравнивания потенциалов;
c) устранение индуктивных контуров при помощи прокладки по общим трассам силовых, информационных и сигнальных цепей в электропроводках.
Примечание - Информационные кабели - это кабели, предназначенные для передачи сигналов и информационных данных для оборудования информационных технологий и другого чувствительного к электромагнитным помехам оборудования;
d) разделение силовых и сигнальных кабелей и выполнение пересечения ими друг друга, если это возможно практически, под прямым углом (см. 444.6.3);
e) применение кабелей с концентрическими проводниками для уменьшения токов, наведенных в защитном проводнике;
f) применение симметричных многожильных кабелей (например, экранированных кабелей с отдельными защитными проводниками) для электрических соединений между преобразователями и электродвигателями с частотно-регулируемыми приводами;
g) применение сигнальных и информационных кабелей, соответствующих требованиям изготовителя к электромагнитной совместимости;
h) при наличии системы молниезащиты
- силовые и сигнальные кабели должны быть отделены от токоотводов системы молниезащиты либо минимальным расстоянием, либо при помощи экранирования. Минимальное расстояние должно определяться при проектировании системы молниезащиты в соответствии с МЭК 62305-3 [4];
- металлические оболочки и броня силовых и сигнальных кабелей должны быть присоединены к системе уравнивания потенциалов в соответствии с требованиями молниезащиты, приведенными в МЭК 62305-3 [4] и МЭК 62305-4 [5];
i) при использовании экранированных сигнальных или информационных кабелей для передачи сигналов и информации должны быть приняты меры по ограничению протекания аварийных токов силовых систем по заземленным экранам и жилам сигнальных или информационных кабелей. В этом случае может потребоваться прокладка дополнительных проводников, таких как шунтирующий проводник уравнивания потенциалов для усиления экрана кабеля (см. рисунок 44.R1).
Рисунок
44.R1 - Шунтирующий
проводник для усиления экрана в
совмещенной системе уравнивания потенциалов
Примечание 1 - Прокладка проводника вблизи оболочки сигнального или информационного кабеля уменьшает площадь контура, связанного с оборудованием, присоединенного к земле только защитным проводником. Эта мера существенно понижает уровень импульсных электромагнитных воздействий при грозовых разрядах;
j) если сигнальные или информационные кабели являются общими для нескольких зданий, питающихся от системы ТТ, должен быть применен шунтирующий проводник уравнивания потенциалов (см. рисунок 44.R2). Минимальное сечение медного шунтирующего проводника должно быть 16 мм2 или эквивалентной проводимости для других металлов. Эквивалентную по проводимости площадь поперечного сечения следует определять в соответствии с МЭК 60364-5-54 (пункт 544.1) [10].
Рисунок 44.R2 - Пример
замещающего или шунтирующего
проводника уравнивания потенциалов в системе ТТ
Примечание 2 - Если заземленный экран используется в качестве проводника обратного тока сигнальной цепи, может быть применен сдвоенный коаксиальный кабель.
Примечание 3 - Если согласие о подключении экранов телекоммуникационных кабелей к основной системе уравнивания потенциалов не может быть достигнуто, ответственность за исключение опасности, которая может возникнуть из-за неподключения таких кабелей к основной системе уравнивания потенциалов, возлагается на их владельца или оператора.
Примечание 4 - Ответственность за устранение проблем, вызванных разностью напряжений на поверхности земли в протяженных коммунальных телекоммуникационных сетях, возлагается на операторов телекоммуникационной сети, которые могут применить другие способы;
k) полное сопротивление присоединений в системе уравнивания потенциалов должно быть по возможности минимальным, что обеспечивается следующим:
- за счет наикратчайшей длины присоединения и/или формы поперечного сечения проводника, обеспечивающей низкое значение индуктивного сопротивления и полного сопротивления на метр длины трассы (например, плетеная косичка с отношением ширины к толщине пять к одному);
l) если заземляющая шина предназначена для выполнения функций системы уравнивания потенциалов установки, содержащей значительное количество оборудования информационных технологий в здании, она может быть выполнена в виде замкнутого кольца.
Примечание 6 - Этой мере следует отдавать предпочтение в зданиях телекоммуникационной индустрии.
Для понижения электромагнитных воздействий следует выполнять требования следующих подпунктов:
444.4.3.1 В существующих зданиях, в которых содержится или может содержаться значительное количество оборудования информационных технологий, не рекомендуется сохранять систему TN-C.
Во вновь сооружаемых зданиях, в которых содержится или может содержаться значительное количество оборудования информационных технологий, не должна применяться система TN-C.
Примечание - В любой электроустановке системы TN-C имеется вероятность протекания токов нагрузки или токов повреждения, ответвляющихся через систему уравнивания потенциалов, по металлическим коммуникациям и конструкциям здания.
444.4.3.2. В существующих зданиях, питающихся от распределительных электрических сетей низкого напряжения, в которых содержится или может содержаться значительное количество оборудования информационных технологий, должна быть установлена система TN-S, начиная от ввода в электроустановку (см. рисунок 44.R3А).
Во вновь сооружаемых зданиях, в которых содержится или может содержаться значительное количество оборудования информационных технологий, должна быть установлена система TN-S, начиная от ввода в установку (см. рисунок 44.R3А).
Примечание - Эффективность системы TN-S может быть повышена применением мониторинговых устройств дифференциального тока (RCM) в соответствии с МЭК 62020 [11].
__________
1) В нормальном рабочем режиме падение напряжения ΔU в РЕ-проводнике отсутствует.
2) Контуры ограниченной площади, создаваемые сигнальными или информационными кабелями для передачи сигналов или информации.
Рисунок 44.R3A - Исключение
токов нейтрального проводника в конструкции,
присоединенной к системе уравнивания потенциалов, применением системы TN-C-S
с разделением PEN-проводника на
защитный проводник РЕ и нейтральный проводник
N на вводе питания в электроустановку от коммунальной сети
444.4.3.3 В существующих зданиях, в которых установка низкого напряжения полностью, включая трансформатор, обслуживается только потребителем и в которых содержится или может содержаться значительное количество оборудования информационных технологий, должна быть установлена система TN-S (см. рисунок 44.R3В).
_________
1) В нормальном рабочем режиме падение напряжения ΔU в РЕ-проводнике отсутствует.
2) Контуры ограниченной площади, создаваемые сигнальными или информационными кабелями для передачи сигналов или информации.
Рисунок 44.R3B - Исключение
токов нейтрального проводника в конструкции,
присоединенной к системе уравнивания потенциалов, применением системы TN-S в
электроустановке здания, питающейся от собственного трансформатора потребителя
444.4.3.4 Если в существующей установке выполнена система TN-C-S (см. рисунок 44.R4), контуры, образуемые сигнальными или информационными кабелями для передачи сигналов или информации, могут быть устранены:
- заменой всех частей электроустановки, выполненных по системе TN-C, показанных на рисунке 44.R4, системой TN-S, как показано на рисунке 44.R3А, или,
- если такая замена невозможна, исключением соединений различных частей установки TN-S сигнальными или информационными кабелями для передачи сигналов или информации.
_________
1) Падение напряжения ΔU в РЕ-проводнике в нормальном рабочем режиме.
2) Контуры ограниченной площади, создаваемые сигнальными или информационными кабелями для передачи сигналов или информации.
3) Сторонние проводящие части.
Примечание - Ток, который в системе TN-S протекает только по нейтральному проводнику, в системе TN-C-S протекает также по экранам или эталонным проводникам сигнальных кабелей, отрытым проводящим частям и сторонним проводящим частям, например металлоконструкциям здания.
Рисунок 44.R4 - Система TN-C-S с разделением PEN-проводника на
защитный
проводник РЕ и нейтральный проводник N в существующей электроустановке здания
В системе ТТ, такой, как показана на рисунке 44.R5, необходимо учитывать перенапряжения, которые могут существовать между токоведущими частями и открытыми проводящими частями в тех случаях, когда открытые проводящие части различных зданий присоединены к разным заземляющим устройствам.
_________
1) Падение напряжения ΔU в РЕ-проводнике в нормальном рабочем режиме.
2) Контуры ограниченной площади, создаваемые сигнальными или информационными кабелями для передачи сигналов или информации.
Рисунок 44.R5 - Система ТТ в электроустановке здания
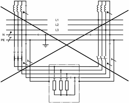
В трехфазной системе IT (см. рисунок 44.R6) следует учитывать, что при единичном повреждении изоляции между линейным проводником и открытой проводящей частью напряжение между неповрежденным линейным проводником и открытой проводящей частью может достигать уровня линейного напряжения.
Примечание - Электронное оборудование, питание которого осуществляется непосредственным подключением между линейным проводником и нейтральным проводником, должно выдерживать такие перенапряжения между линейным проводником и открытыми проводящими частями (см. соответствующее требование ГОСТ Р МЭК 60950-1 на оборудование информационных технологий).
_________
1) Падение напряжения ΔU в РЕ-проводнике в нормальном рабочем режиме.
2) Контуры ограниченной площади, создаваемые сигнальными или информационными кабелями для передачи сигналов или информации.
Рисунок 44.R6 - Система IT в электроустановке здания
При питании от нескольких источников следует применять меры, указанные в 444.4.6.1 и 444.4.6.2.
Примечание - При применении многократного заземления нейтральных точек источников питания токи в нейтральных проводниках могут протекать в обратном направлении к соответствующей нейтральной точке не только по нейтральному проводнику, но также и по защитному проводнику, как показано на рисунке 44.R7A. По этой причине сумма парциальных токов, протекающих в установке, уже не будет равна нулю, в связи, с чем создается паразитное электромагнитное поле, аналогичное создаваемому одножильным кабелем.
В случае применения одножильных кабелей, по которым протекает переменный ток, вокруг проводника жилы кабеля образуется круговое электромагнитное поле, которое может воздействовать на электронное оборудование. Аналогичные поля создаются также токами гармоник, но эти поля затухают быстрее, чем те, которые создаются основными токами.
Рисунок
44.R7A - Система TN-S с несколькими
источниками питания и
с недопустимым многократным соединением между PEN-проводником и
землей
444.4.6.1 Питание от нескольких источников в Системе TN
В случае питания электроустановки в системе TN от нескольких источников нейтральные точки всех источников по соображениям электромагнитной совместимости должны быть соединены между собой изолированным проводником, присоединенным к земле в одной общей для всех источников точке, расположенной в центре между источниками (см. рисунок 44.R7В).
____________
a) Не допускается непосредственное присоединение к земле ни одной нейтральной точки трансформатора или генератора.
b) Проводник, соединяющий нейтральные точки всех трансформаторов или всех генераторов, должен быть изолированным. Этот проводник является PEN-проводником и может быть так и обозначен, однако он не должен присоединяться к электроприемникам, о чем должна быть выполнена предупреждающая надпись, прикрепленная к нему или установленная рядом с ним.
c) Должно быть выполнено только одно соединение между взаимно соединенными нейтральными точками источников питания и РЕ-проводником. Это соединение должно находиться внутри главного распределительного щита.
d) Может быть выполнено дополнительное заземление РЕ-проводника в электроустановке.
Рисунок 44.R7B - Система TN-S с несколькими
источниками питания
с присоединением нейтральных точек к земле в одной и той же точке
444.4.6.2 Питание от нескольких источников в системе ТТ
В случае питания электроустановки электроэнергией от нескольких источников в системе ТТ по соображениям электромагнитной совместимости рекомендуется, чтобы нейтральные точки всех источников были соединены между собой и присоединены к земле только в одной точке, расположенной в центре между источниками (см. рисунок 44.R8)
__________
a) Не допускается непосредственное присоединение к земле ни одной нейтральной точки трансформатора или генератора.
b) Проводник, соединяющий нейтральные точки всех трансформаторов или генераторов, должен быть изолированным. Этот проводник является нейтральным проводником и может быть так и обозначен, однако, он не должен присоединяться к электроприемникам, о чем должна быть выполнена предупреждающая надпись, прикрепленная к нему или установленная рядом с ним.
c) Должно быть выполнено только одно соединение между взаимно соединенными нейтральными точками источников питания и нейтральным проводником. Это соединение должно находиться внутри главного распределительного щита.
Рисунок 44.R8 - Система ТТ с
несколькими источниками питания с присоединением
нейтральных точек к
земле в одной и той же точке
В системах TN переключение питания с одного источника на другой источник должно выполняться при помощи коммутационного устройства, переключающего одновременно линейные проводники и нейтральный проводник, если он имеется в электроустановке (см. рисунки 44.R9A, 44.R9В, 44.R9С).
Примечание - Такое переключение предотвращает возникновение электромагнитных полей, создаваемых блуждающими токами в основной системе питания электроустановки. Сумма токов в одном кабеле должна быть равна нулю. Это гарантирует протекание разности токов линейных проводников по нейтральному проводнику только той цепи, на которую переключается питание электроустановки.
Токи 3-й гармоники (150 Гц) линейных проводников добавляются к току нейтрального проводника с тем же самым углом сдвига фаз.
Рисунок
44.R9A - Переключение питания
на альтернативный
трехфазный источник 4-полюсным переключателем
Примечание - Переключение на резервный источник питания в трехфазной сети при помощи несоответствующего трехполюсного переключателя приводит к протеканию нежелательных уравнительных токов, которые создают электромагнитные поля.
Рисунок
44.R9B - Протекание
токов в нейтральных проводниках при переключении на
альтернативный трехфазный источник питания несоответствующим трехполюсным
переключателем
Примечание - Присоединение к земле вторичной цепи агрегата бесперебойного питания (АБП) не является обязательным. Если это присоединение не выполняется, в режиме питания от АБП, питание будет осуществляться по типу системы IT, а в режиме питания с параллельным включением источников питания тип заземления будет соответствовать типу системы заземления основного источника.
Рисунок 44.R9C - Переключение
на однофазный альтернативный
источник питания 2-полюсным переключателем
Металлические трубопроводы (например, трубы водоснабжения, газоснабжения и центрального отопления), силовые и контрольные кабели предпочтительно должны входить в здание в одном и том же месте. Металлические трубы и металлическая броня кабелей должны быть присоединены к главной заземляющей шине при помощи проводников, имеющих минимальное полное сопротивление (см. рисунок 44.R10).
Примечание - взаимное соединение коммуникаций разрешается только с согласия оператора внешних сетей.
ГЗШ - главная заземляющая шина; I - наведенный ток
Примечание - Предпочтительным является ввод в одном месте, т.к. при этом значение разности потенциалов между различными коммуникациями близко к нулю U ≈ 0 В.
Рисунок 44.R10 - Пример
ввода бронированных кабелей и
металлических труб в здание в одном месте.
По соображениям электромагнитной совместимости замкнутые пустоты здания, в которых размещены части электрической установки, должны быть зарезервированы исключительно для электрического и электронного оборудования (например, для устройств мониторинга, управления, защиты и соединительных устройств), для обслуживания которого должен быть обеспечен доступ.
Если разные здания имеют отдельные системы уравнивания потенциалов, для передачи сигналов и информационных данных могут быть использованы волоконно-оптические кабели, не имеющие металлических частей, либо другие не проводные системы, например высокочастотные разделительные трансформаторы в соответствии с МЭК 61558-2-1 [12], МЭК 61558-2-4 [13], МЭК 61558-2-6 [14], МЭК 61558-2-15 [15] и ГОСТ Р МЭК 60950-1.
Примечания
1 Проблемы, вызванные разностью напряжений на поверхности земли в протяженных коммунальных телекоммуникационных сетях, возлагаются на операторов сети, которые могут применить другие способы.
2 В случае непроводных систем передачи информации прокладка шунтирующего проводника не требуется.
Если в электроустановках существующих зданий имеются проблемы, связанные с электромагнитными воздействиями, для улучшения ситуации могут быть применены следующие меры (см. рисунок 44.R11):
1) применение волоконно-оптических перемычек, не имеющих металлических частей, в цепях передачи сигналов или информации (см. 444.4.9);
2) использование оборудования класса II;
3) использование двухобмоточных трансформаторов в соответствии с МЭК 61558-2-1 [12], МЭК 61558-2-4 [13], МЭК 61558-2-6 [14], МЭК 61558-2-15 [15]. Соединение вторичной обмотки должно быть предпочтительно выполнено по типу системы TN-S, однако для специальных условий применения может быть принята система IT.
Обозначения
· - точки присоединения проводника защитного и функционального заземления;
FE - проводник функционального заземления (если необходим), применяемый и присоединяемый по указанию оператора;
УЗП - устройство защиты от перенапряжений;
- символ РЕ-проводника;
- символ нейтрального
проводника;
-
символ линейного проводника
|
Ссылка |
Описание меры |
Подпункт/стандарт |
|
1) |
Ввод кабелей и металлических трубопроводов в здание в одном месте |
|
|
2) |
Совместная прокладка с соответствующим разделением и исключением замкнутых контуров |
|
|
3) |
Соединительные перемычки кратчайшей длины для уравнивания потенциалов и использование заземленного проводника, параллельного кабелю |
ГОСТ Р 51317.2.5 |
|
4) |
Экранированные сигнальные кабели и/или провода со скрученными парами |
|
|
5) |
Исключение системы TN-C ниже точки ввода электропитания |
|
|
6) |
Применение трансформаторов с разделенными обмотками |
|
|
7) |
Локальные горизонтальные системы уравнивания потенциалов |
|
|
8) |
Применение оборудования класса II |
Рисунок 44.R11 - Примеры защиты от помех в существующем здании
Во избежание ложных срабатываний при высоких значениях токов переходных процессов, следует выбирать защитные устройства с соответствующими функциональными характеристиками, например с выдержкой времени или фильтры.
В качестве сигнальных кабелей следует применять экранированные кабели и/или провода со скрученными парами.
Для нескольких зданий, если электронное оборудование используется в системах связи и информационного обмена между различными зданиями, принцип выполнения обособленных, не связанных между собой заземляющих электродов, присоединенных к системе уравнивания потенциалов, может оказаться не соответствующим по следующим причинам:
- между такими раздельными заземляющими электродами существует взаимное влияние, которое может приводить к неконтролируемым повышениям напряжения на оборудовании;
- взаимосвязанное оборудование может иметь различное напряжение относительно земли;
- имеется опасность поражения электрическим током, особенно в случаях перенапряжений атмосферного происхождения.
Поэтому все проводники защитного заземления и функционального заземления должны быть присоединены к одной и той же главной заземляющей шине. Более того, относящиеся к зданию заземляющие электроды разного назначения, например защитного, функционального заземления и заземления молниезащиты, должны быть соединены между собой (см. рисунок 44.R12).
Для нескольких зданий, если взаимное соединение заземляющих электродов практически невозможно или нецелесообразно, рекомендуется выполнить гальваническое разделение коммуникационных сетей различных зданий, например путем применения волоконно-оптических вставок (см. 444.4.10).
Рисунок 44.R12 - Взаимосвязанные заземляющие электроды
Проводники защитного и функционального уравнивания потенциалов должны быть по отдельности присоединены к главной заземляющей шине таким образом, чтобы отсоединение любого одного проводника не нарушало надежности присоединения остальных проводников.
Открытые проводящие части оборудования информационных технологий и электронного оборудования в здании должны быть соединены между собой при помощи защитных проводников.
Для жилых зданий, где электронное оборудование обычно используется в ограниченном объеме, приемлема радиальная сеть защитных проводников (см. рисунок 44.R13).
Для общественных и производственных зданий с множественным применением электроники более эффективной является совмещенная система уравнивания потенциалов для обеспечения требований электромагнитной совместимости оборудования различных типов (см. рисунок 44.R15).
В зависимости от значимости и чувствительности оборудования могут быть использованы четыре основные схемы, приведенные в нижеследующих подпунктах:
444.5.3.1 Защитные проводники, присоединенные к кольцевому проводнику уравнивания потенциалов
Система уравнивания потенциалов с использованием кольцевого проводника уравнивания потенциалов показана на рисунке 44.R16 на верхнем этаже здания. Кольцевой проводник предпочтительно должен быть медным, голым или изолированным и должен быть доступен в любом месте, что может быть обеспечено, например, применением кабельных лотков, металлических труб (см. серию МЭК 61386 [16]), прокладки по открытой поверхности или коробов.
К кольцевому проводнику уравнивания потенциалов могут быть присоединены все проводники защитного и функционального заземления.
444.5.3.2 Радиальная схема присоединения защитных проводников
Эта схема применима для небольших установок, соответствующих жилым помещениям и небольшим коммерческим зданиям, и в общем случае - для оборудования, не имеющего взаимных соединений, выполненных сигнальными кабелями для передачи информации (см. рисунок 44.R13).
- заземляющий проводник;
-
защитный проводник
Рисунок 44.R13 - Примеры радиального соединения защитных проводников
444.5.3.3 Радиальное соединение нескольких сетчатых систем
Такое соединение применимо для небольших установок с небольшими отдельными группами взаимосвязанного коммуникационного оборудования и способствует локальной дисперсии токов, обусловленных электромагнитными помехами (см. рисунок 44.R14).
- заземляющие проводники
(защитного или функционального заземления);
- проводники функционального
уравнивания потенциалов.
Длина этих проводников должна быть кратчайшей, насколько возможно (например, < 50 см)
Рисунок 44.R14 - Пример радиального соединения нескольких сетчатых систем
444.5.3.4 Совмещенная сетчато-радиальная система
Этот тип соединений применяется в установках с высокой плотностью коммуникационного оборудования и особо ответственными условиями его применения (см. рисунок 44.R15). Сетчатая система уравнивания потенциалов усиливается существующими металлоконструкциями здания и дополняется проводниками, формирующими квадратные ячейки.
Размеры сетки должны охватывать всю площадь, на которой расположено оборудование. Размер ячейки выражается площадью квадрата, ограниченного проводниками, формирующими квадрат.
Рисунок 44.R15 - Пример совмещенной сетчато-радиальной системы уравнивания потенциалов
Размер ячеек зависит от принятого уровня молниезащиты, уровня стойкости оборудования установки к электромагнитным воздействиям и от частот, используемых для передачи информации. Размер ячеек должен быть согласован с размерами защищаемой установки, но не должен превышать (2´2) м в местах установки оборудования, чувствительного к электромагнитным помехам.
Эта схема пригодна, как для локальных сетей (например, учрежденческих АТС с входящей и исходящей связью), так и для централизованных систем обработки информации. В необходимых случаях при наличии специальных требований на отдельных участках общей сетки размеры ячеек могут быть уменьшены.
В многоэтажных зданиях рекомендуется выполнять систему уравнивания потенциалов на каждом этаже. На рисунке 44.R16 показаны системы уравнивания потенциалов для общего случая. Каждый этаж является примером одного из типов системы уравнивания потенциалов. Системы уравнивания потенциалов различных этажей должны быть соединены между собой не менее чем двумя проводниками.
Рисунок 44.R16 - Пример системы уравнивания потенциалов в многоэтажном здании без молниезащиты
Для правильной работы некоторого электронного оборудования требуется наличие эталонного напряжения, значение которого близко к потенциалу земли. Это эталонное напряжение обеспечивается проводником функционального заземления.
Проводниками функционального заземления могут быть металлические полосы, плоские плетеные косички и кабели с концентрическим расположением жил.
Для оборудования, работающего на высоких частотах, предпочтительными являются металлические полосы или плоские косички, длина присоединения которых должна быть наикратчайшей.
Для проводников функционального заземления не предусмотрен специальный цвет, однако для обозначения проводников функционального заземления не должны использоваться комбинация цвета желтый-зеленый, установленная для проводников защитного заземления. Рекомендуется использовать один и тот же цвет для обозначения проводников функционального заземления на каждом конце в пределах всей установки.
Для оборудования, работающего на низких частотах, сечения проводников, указанные в МЭК 60364-5-54, пункт 544.1.1 [10], являются достаточными независимо от профиля сечения проводника (см. также перечисления b) и k) 444.4.2).
Следующие дополнительные требования предназначены для уменьшения воздействия электромагнитных помех на работу оборудования информационных технологий.
В условиях сильных электромагнитных воздействий рекомендуется применение совмещенной сетчато-радиальной системы уравнивания потенциалов соответствии с 444.5.3.3.
444.5.6.1 Размеры и установка проводников кольцевой системы уравнивания потенциалов
Кольцевая шина, предусмотренная проектом для уравнивания потенциалов, должна иметь следующие минимальные значения поперечного сечения:
- плоская медь, сечение (30´2) мм;
- круглая медь, диаметр 8 мм.
Голые проводники должны быть защищены от коррозии в местах их крепления и проходов через стены.
444.5.6.2 Части, подлежащие присоединению к системе уравнивания потенциалов
К системе уравнивания потенциалов должны быть присоединены следующие части:
- проводящие экраны, проводящие оболочки или броня кабелей, передающих информационные данные, и оболочки оборудования информационных технологий;
- заземляющие проводники антенных систем;
- заземляющие проводники заземленных полюсов цепей постоянного тока, питающих оборудование информационных технологий;
- проводники функционального заземления.
444.5.7.1 Заземляющая шина
Если для функциональных целей требуется заземляющая шина, длина главного заземляющего зажима электроустановки здания может быть увеличена присоединением к нему заземляющей шины. Это облегчает присоединение оборудования информационных технологий к главному заземляющему зажиму здания в любой точке здания практически кратчайшим путем. Если заземляющая шина устанавливается для улучшения условий уравнивания потенциалов большого количества информационного оборудования в здании, она может быть выполнена в виде кольца (см. рисунок 44.R16).
Примечания
1 Заземляющая шина может быть голой или изолированной.
2 Заземляющая шина должна быть установлена таким образом, чтобы доступ к ней обеспечивался по всей ее длине, например по поверхности кабельного короба. В местах креплений и в местах прохода через стены может потребоваться защита проводников от коррозии.
444.5.7.2 Эффективность шины функционального заземления зависит от трассы ее прокладки и от полного сопротивления используемого проводника. Для установок, присоединенных к питающей цепи с допустимой нагрузкой 200 А на фазу или более, площадь поперечного сечения шины функционального заземления должна быть не менее 50 мм2 по меди, а размеры и форма сечения должны соответствовать требованиям перечисления k) 444.4.2.
Примечание - Это требование действительно для частот до 10 МГц.
Если заземляющая шина используется как часть пути обратного постоянного тока, площадь ее поперечного сечения должна быть выбрана по расчетному значению обратного постоянного тока. Максимальное расчетное падение напряжения постоянного тока вдоль каждой заземляющей шины, предназначенной для использования в качестве проводника обратного тока в распределительной цепи, должно быть менее 1 В.
Прокладку кабелей, предназначенных для информационных технологий силовых питающих кабелей в одной системе электропроводки или по одной трассе, следует выполнять в соответствии с требованиями настоящего раздела.
Должны быть выполнены испытания на соответствие требованиям электробезопасности (см. ГОСТ Р 50571.16 и/или МЭК 60364-5-52, пункт 528.1 [17], также требуется электрическое разделение цепей (см. ГОСТ Р 50571.3, раздел 413 и/или 444.7.2).
Требования к разделительным расстояниям по условиям электробезопасности и по условиям электромагнитной совместимости в некоторых случаях могут быть различными.
Открытые проводящие части систем электропроводок, например оболочки, соединительные детали, перегородки, должны быть защищены в соответствии с требованиями защиты при повреждении изоляции (см. ГОСТ Р 50571.3, раздел 413).
Минимальные расстояния между кабелями для передачи информации и силовыми кабелями, требуемые для уменьшения электромагнитных помех, зависят от многих факторов, таких как:
a) уровень стойкости оборудования, присоединенного к информационным кабелям, к импульсным напряжениям и электромагнитным воздействиям различных видов (токи переходных режимов, импульсные токи, импульсы тока молнии, вспышка, круговая волна, незатухающие колебания и др.);
b) присоединение оборудования к заземляющему устройству;
c) характер локальной электромагнитной среды (одновременное возникновение помех различных видов, например, гармоники плюс вспышка, плюс незатухающее колебание);
d) спектр электромагнитных частот;
e) расстояние между кабелями в параллельных потоках кабелей (зона взаимного влияния);
f) тип кабелей;
g) затухание взаимного влияния кабелей;
h) качество контактного соединения между кабелем и соединителем;
i) тип и конструктивное исполнение системы электропроводок.
Для целей настоящего стандарта принято, что уровни электромагнитных помех в окружающей среде не превышают значений испытательных уровней, приведенных в ГОСТ Р 51317.6.1, ГОСТ Р 51317.6.2, ГОСТ Р 51317.6.3 и ГОСТ Р 51317.6.4 для кондуктивных и излучаемых помех.
При параллельной прокладке кабелей для передачи информации и силовых кабелей следует выполнять следующие условия (см. рисунки 44.R17A и 44.R17B).
Если длина параллельно проложенных кабелей равна или менее 35 м, разделение не требуется.
- силовой кабель;
-
информационный кабель
Рисунок 44.R17A - Разделение силовых кабелей и кабелей информационных технологий при длинах кабельной трассы £35 м
-
силовой кабель;
-
информационный кабель;
-
разделение при помощи расстояния или перегородки см. рисунок 44.R18
Рисунок 44.R17В - Разделение силовых и информационных кабелей при длинах кабельной трассы >35 м
Если длина параллельной прокладки неэкранированных кабелей превышает 35 м, разделительные расстояния между информационными кабелями для передачи информации и силовыми кабелями должны быть соблюдены по всей длине трассы, за исключением конечных 15 м, присоединяемых к выводам оборудования.
Примечание - Разделение может быть обеспечено разделительным расстоянием по воздуху, равным 30 мм, или при помощи металлической перегородки, установленной между кабелями (см. рисунок 44.R18).
Для экранированных кабелей при длине параллельной прокладки более 35 м разделение не требуется.
Минимальное расстояние между информационными кабелями для передачи информации и флюоресцентными, неоновыми, ртутными (или другими газоразрядными лампами с высокой интенсивностью разряда) должно быть равно 130 мм. Устройства для подключения информационных кабелей и силовых кабелей должны находиться, как правило, в различных шкафах. Стойки зажимов для информационных кабелей передачи информации и электрическое оборудование всегда должны быть отделены друг от друга.
Пересечения кабелей должны, если это возможно практически, выполняться под прямым углом. Кабели различного назначения (например, силовые кабели и кабели передачи информации) не должны находиться в одном пучке. Пучки кабелей различного назначения должны быть отделены друг от друга в отношении электромагнитных воздействий (см. рисунок 44.R18).
Рисунок 44.R18 - Разделение кабелей в электропроводках
Системы для электропроводок имеются в металлическом и неметаллическом исполнении. Металлические системы для электропроводок обеспечивают различные степени усиленной защиты по условиям электромагнитной совместимости при условии, что они установлены в соответствии с 444.7.3.
Выбор материала и формы системы электропроводок зависит от следующих условий:
a) силы воздействия электромагнитного поля вдоль трассы (близость источников электромагнитных кондуктивных и излучаемых помех);
b) допустимого уровня кондуктивных и излучаемых эмиссий;
c) типа прокладываемых кабелей (экранированные, скрученные, волоконно-оптические);
d) уровня стойкости к электромагнитным воздействиям оборудования, подключаемого к системе кабелей передачи информации;
e) других ограничительных условий окружающей среды (химических, механических, климатических, пожарных и др.);
f) любых последующих расширений информационной кабельной сети.
Неметаллические системы электропроводок пригодны для случаев:
- электромагнитных сред с постоянно низким уровнем возмущений;
- кабельной системы с низким уровнем эмиссии;
- применения волоконно-оптических кабелей.
В случае металлических компонентов опорной системы для кабелей характеристическое полное сопротивление системы электропроводки в большей степени зависит от профиля конструкции (плоскость, U-образная конструкция, труба и др.), чем от площади ее поперечного сечения. Наилучшими являются замкнутые профили, т.к. они уменьшают воздействия помех общего вида.
Используемое пространство внутри кабельного лотка должно допускать возможность последующей дополнительной прокладки некоторого заданного количества кабелей. Высота кабельного пучка должна быть ниже боковой стенки лотка, как показано на рисунке 44.R19. Свойства лотка с точки зрения электромагнитной совместимости улучшаются при применении крышек, устанавливаемых внахлест.
Для лотков U-образной формы наибольшее ослабление магнитного поля происходит в двух углах лотка, поэтому предпочтительным является применение глубоких лотков (см. рисунок 44.R19).
Примечание - Глубина лотка должна не менее чем в два раза превышать размер диаметра наибольшего из прокладываемых кабелей.
Рисунок 44.R19 - Прокладка кабелей в металлических кабельных лотках
444.7.3.1 Металлические или композитные системы электропроводок, разработанные специально в целях электромагнитной совместимости
Металлические или композитные системы электропроводок, разработанные специально в целях электромагнитной совместимости, всегда должны быть присоединены к локальной системе уравнивания потенциалов на обоих концах. При больших длинах, например более 50 м, рекомендуется выполнять дополнительные присоединения к системе уравнивания потенциалов. Все проводники присоединений должны быть возможно кратчайшей длины. Если система электропроводки состоит из нескольких элементов, должны быть приняты меры, гарантирующие непрерывность цепи при помощи надежных соединений смежных элементов. Предпочтительно элементы должны быть сварены друг с другом полностью по всему периметру. Применение заклепочных, болтовых, винтовых соединений допускается, если контактные поверхности являются хорошими проводниками, т.е. не имеют окраски и изоляционных покрытий, надежно защищены от коррозии и гарантируют надежный электрический контакт.
Профиль металлических секций должен сохраняться по всей длине. Все присоединения должны иметь низкое полное сопротивление. Соединение секций системы электропроводки при помощи короткого одиночного проводника приведет к возникновению высокого местного полного сопротивления и ухудшению вследствие этого свойств системы по обеспечению электромагнитной совместимости (см. рисунок 44.R20).
Рисунок 44.R20 - Непрерывность системы, состоящей из металлических компонентов
На частотах от нескольких МГц и выше сетчатая полоска длиной 10 см между двумя частями системы электропроводки понижает экранирующий эффект более чем в 10 раз.
При выполнении изменений или расширения очень важно, чтобы работа выполнялась под тщательным наблюдением, гарантирующим ее соответствие рекомендациям по электромагнитной совместимости, например, чтобы металлический отрезок трубы не был заменен пластмассовым.
Металлические конструктивные элементы зданий могут успешно служить целям электромагнитной совместимости. Стальные балки L-, Н-, U-, Т-образного профиля часто представляют собой непрерывные заземленные конструкции с мощным поперечным сечением, с большой площадью поверхности и с множественными промежуточными соединениями с землей. Прокладка кабелей по таким балкам является предпочтительной. Предпочтительна прокладка внутри углов, а не по внешней поверхности (см. рисунок 44.R21).
Рисунок 44.R21 - Расположение кабелей внутри элементов металлических конструкций
Крышки металлических лотков должны соответствовать тем же требованиям, что и лотки. Предпочтительны крышки с большим числом креплений к секции. Если это невозможно, крышки должны быть присоединены к секции как минимум на обоих концах короткими проводниками длиной менее 10 см, например плетеными или сетчатыми полосками.
Если металлическая или композитная система электропроводки, разработанная специально для целей электромагнитной совместимости, разделяется для прохода через стену, например, через огнепреградительный барьер, две металлические секции должны быть соединены между собой перемычками с малым сопротивлением, например плетеными или сетчатыми полосками.

Рисунок 44.R22 - Соединение металлических секций
444.7.3.2 Неметаллические системы электропроводки
Если оборудование, присоединенное неэкранированными кабелями, не подвергается воздействию низкочастотных помех, защитные свойства неметаллической системы электропроводки улучшаются прокладкой внутри нее одиночного проводника, используемого в качестве шунтирующего проводника уравнивания потенциалов. Этот проводник должен быть надежно присоединен к заземляющему устройству, к которому присоединено оборудование на обоих концах проводника, например, посредством присоединения к металлической оболочке шкафа.
Шунтирующий проводник уравнивания потенциалов должен выбираться по условиям стойкости к наибольшим помехам общего вида и ответвленным токам при повреждении.
445.1.1 Если понижение напряжения или потеря напряжения и его последующее восстановление могут повлечь за собой опасные ситуации для людей или имущества, должны быть предусмотрены соответствующие меры предосторожности. Также меры предосторожности должны быть предусмотрены, если в результате понижения напряжения могут быть повреждены части установки или электрооборудования. Устройство защиты от понижения напряжения не требуются, если повреждение установки или электрооборудования относится к допустимым рискам и при этом отсутствует опасность для людей.
445.1.2 Если защищаемое оборудование допускает краткий перерыв электроснабжения, не создающий опасности, срабатывание устройства защиты от понижения напряжения может быть выполнено с выдержкой времени.
445.1.3 При применении контакторов запаздывание при их размыкании и замыкании не должно препятствовать мгновенному отключению защищаемого оборудования средствами управления или устройствами защиты.
445.1.4 Характеристики устройств защиты от понижения напряжения должны соответствовать требованиям, установленным в стандартах по запуску и эксплуатации защищаемого оборудования.
Если повторное включение защитного устройства может вызвать опасную ситуацию, повторное включение не должно быть автоматическим.
Пояснения к пунктам 442.1 и 442.2
А.442.1 Общие положения
Правила, изложенные в этих двух пунктах, предназначены для обеспечения безопасности людей и материальных ценностей в установках НН при замыкании на землю в установке ВН.
Повреждения между системами различных напряжений относятся к тем, которые могут случаться на стороне высокого напряжения подстанции, питающей систему низкого напряжения от распределительной сети, работающей на высоком напряжении. Такие повреждения вызывают протекание тока по заземляющему электроду, к которому присоединены открытые проводящие части подстанции.
Значение тока повреждения зависит от полного сопротивления контура, по которому протекает ток повреждения, т.е. от того, каким образом заземлена нейтраль на высоком напряжении.
Ток повреждения, протекающий по заземляющему электроду открытых проводящих частей подстанции, вызывает повышение потенциала открытых проводящих частей подстанции относительно земли, значение которого зависит от значения тока повреждения и активного сопротивления заземляющего электрода открытых проводящих частей подстанции.
Напряжение повреждения может достигать нескольких тысяч вольт и, в зависимости от типа заземления установки вызывать:
- общее повышение потенциала относительно земли на открытых проводящих частях системы низкого напряжения, что может привести к повышению напряжения повреждения и напряжения прикосновения;
- общее повышение потенциала относительно земли в системе низкого напряжения, что может привести к выходу из строя низковольтного электрического оборудования.
Обычно устранение повреждения в системе высокого напряжения требует более длительного времени, чем в системе низкого напряжения, т. к. реле имеют выдержки времени для селективности защиты от нежелательных отключений токов переходных режимов.
Времена отключения высоковольтных коммутационных аппаратов также более длительны, чем низковольтных аппаратов.
Это означает, что результирующая продолжительность наличия напряжения повреждения и соответствующего напряжения прикосновения на открытых проводящих частях низковольтной установки может быть больше, чем требуется правилами для электроустановок низкого напряжения.
Также может возникнуть опасность выхода из строя в системе низкого напряжения подстанции и в установке потребителя. Срабатывание защитных устройств в ненормальных условиях восстановления напряжения после переходных режимов может приводить к затруднениям и даже отказу при размыкании цепи.
При повреждении в установках высокого напряжения следует принимать во внимание указанные ниже условия.
Системы высокого напряжения с эффективно заземленной нейтралью
Такие системы включают в себя системы, нейтраль которых присоединена к земле либо непосредственно, либо через низкое полное сопротивление и в которых замыкания на землю устраняются в течение достаточно короткого времени, определяемого оборудованием защиты.
Присоединение нейтрали к земле в соответствующей подстанции не рассматривается.
Емкостные токи, как правило, не учитываются.
Системы высокого напряжения с изолированной нейтралью.
В рассмотрение принимаются только условия единичного повреждения при первом замыкании на землю между токоведущей частью высокого напряжения и открытыми проводящими частями трансформаторной подстанции.
Этот емкостный ток может быть отключен или не отключен в зависимости от его значения и системы защиты.
Системы высокого напряжения с дугогасящими катушками.
Дугогасящие катушки в соответствующей подстанции во внимание не принимаются.
Если замыкание в системе высокого напряжения происходит между проводником высокого напряжения и открытыми проводящими частями трансформаторной подстанции, возникают только малые токи повреждения (дифференциальные токи, как правило, порядка десятков ампер). Эти токи могут существовать в течение более длительного времени.
А.442.2 Перенапряжения в системах низкого напряжения при замыкании на землю на высоком напряжении
Рисунок 44.А2 получен из кривой с2 рисунка 20 МЭК 60479-1 [18], а также принят как практически обоснованное решение в МЭК 61936-1 [1].
При рассмотрении значений напряжения повреждения следует учитывать:
a) низкую степень риска замыкания на землю в системах высокого напряжения;
b) факт, что напряжение прикосновения всегда ниже напряжения повреждения благодаря наличию основного уравнивания потенциалов, указанного в ГОСТ Р 50571.3, (подпункт 411.3.1.2), и дополнительных заземлителей в электроустановке потребителей и других местах.
Значения, приведенные в ITU-T: 650V - для 0,2 с и 430V - для автоматического отключения со временем более 0,2 с, несколько превышают значения, указанные на рисунке 44.А2.
В.1 В соответствии с 443.3.2.1 и примечанием 1 к нему требуемый уровень защиты от перенапряжений может быть достигнут установкой устройств защиты от перенапряжений либо непосредственно в электроустановке, либо, с согласия оператора сети, на воздушных линиях распределительной сети питания электроэнергией.
Например, могут быть применены следующие меры:
a) в случае воздушной распределительной сети питания электроэнергией защита от перенапряжений устанавливается в точках соединений сети и, главным образом, в конце каждой распределительной линии, имеющей длину более 500 м. Устройства защиты от перенапряжений должны быть установлены вдоль распределительных линий питания электроэнергией на расстоянии каждых 500 м. Расстояние между устройствами защиты от перенапряжений должно быть менее 1000 м;
b) если распределительная сеть питания электроэнергией выполнена частично как воздушная сеть и частично как сеть, проложенная в земле, защита от перенапряжений в соответствии с перечислением а) на воздушных линиях должна быть установлены в каждой точке перехода от воздушной линии к кабелю, проложенному в земле;
c) в распределительной сети TN, питающей электрические установки, в которых защита при косвенном прикосновении обеспечивается автоматическим отключением питания, заземляющие проводники устройств защиты от перенапряжений, соединенных с линейными проводниками, присоединяются к PEN-проводнику или к РЕ-проводнику;
d) в распределительной сети системы ТТ, питающей электрические установки, в которых защита при косвенном прикосновении обеспечивается автоматическим отключением питания, устройства защиты от перенапряжений должны быть предусмотрены для линейных проводников и для нейтрального проводника. В месте, в котором нейтральный проводник питающей сети эффективно заземлен, установка устройства защиты от перенапряжений в нейтральном проводнике не требуется.
Таблица В.1 - Различные возможности для системы IT (с учетом первого повреждения в установке НН)
Определение условной длины d питающей линии
Конфигурация низковольтной распределительной сети, способ ее заземления, уровень изоляции и характер рассматриваемого явления (индуктивная связь, резистивная связь) приводят к выбору различных длин d.
Способ расчета условной длины, предлагаемый ниже, представляет наихудший случай.
Примечание - Этот упрощенный метод установлен в МЭК 62305-2 [7].
d = d1 + d2/Kg+ d3/Kt.
Обычно d ограничивается длиной 1 км,
где d1 - длина низковольтной воздушной линии, питающей здание, не более 1 км;
d2 - длина низковольтной неэкранированной линии, питающей здание, проложенной в земле, не более 1 км;
d3 - длина высоковольтной воздушной линии, питающей здание, не более 1 км;
Длиной высоковольтной линии, проложенной в земле, пренебрегают.
Длиной низковольтной экранированной линии, проложенной в земле, пренебрегают.
Кg = 4 - понижающий коэффициент, пропорциональный влиянию разрядов между воздушными линиями и неэкранированными кабелями, проложенными в земле, вычисленный для удельного сопротивления земли, равного 250 Ом/м;
Kt = 4 - обычный понижающий коэффициент для трансформатора.

Примечание - Если трансформатор расположен внутри здания, d1 = d2 = 0.
Рисунок 44.Q - Примеры использования d1, d2 и d3 для определения d
Таблица ДА.1
|
Обозначение ссылочного национального, межгосударственного стандарта |
Степень соответствия |
Обозначение и наименование международного стандарта |
|
ГОСТ Р 50571.1-2009 |
MOD |
МЭК 60464-1:2005 «Электроустановки низковольтные. Часть 1. Основные положения, оценка общих характеристик, термины и определения» |
|
ГОСТ Р 50571.3-2009 |
MOD |
МЭК 60364-4-41:2005 «Электроустановки низковольтные. Часть 4-41. Требования для обеспечения безопасности. Защита от поражения электрическим током» |
|
ГОСТ Р 50571.10-96 |
MOD |
МЭК 60364-5-54-80 «Электроустановки зданий. Часть 5-54. Выбор и монтаж электрооборудования. Заземляющие устройства и защитные проводники» |
|
ГОСТ Р 50571.16-2007 |
MOD |
МЭК 60364-6:2006 «Электроустановки низковольтные. Часть 6. Испытания» |
|
ГОСТ Р 51317.2.5-2000 |
MOD |
МЭК 61000-2-5-95 «Совместимость технических средств электромагнитная. Электромагнитная обстановка. Классификация электромагнитных помех в местах размещения технических средств» |
|
ГОСТ Р 51317.6.1-2006 |
MOD |
МЭК 61000-6-1:2005 «Совместимость технических средств электромагнитная. Устойчивость к электромагнитным помехам технических средств, применяемых в жилых и коммерческих зонах и производственных зонах с малым энергопотреблением. Требования и методы испытаний» |
|
ГОСТ Р 51317.6.2-2007 |
MOD |
МЭК 61000-6-2:2005 «Совместимость технических средств электромагнитная. Устойчивость к электромагнитным помехам технических средств, применяемых в промышленных зонах. Требования и методы испытаний» |
|
ГОСТ Р 51317.6.3-2009 |
MOD |
МЭК 61000-6-3:2006 «Совместимость технических средств электромагнитная. Электромагнитные помехи от технических средств, применяемых в жилых и коммерческих зонах и производственных зонах с малым энергопотреблением. Нормы и методы испытаний» |
|
ГОСТ Р 51317.6.4-2009 |
MOD |
МЭК 61000-6-4:2006 «Совместимость технических средств электромагнитная. Электромагнитные помехи от технических средств, применяемых в промышленных зонах. Нормы и методы испытаний» |
|
ГОСТ Р МЭК 60950-1-2009 |
IDT |
МЭК 60950-1:2005 «Оборудование информационных технологий. Требования безопасности. Часть 1. Общие требования» |
|
ГОСТ 29322-92 |
MOD |
МЭК 38-83 «Стандартные напряжения» |
|
Примечание - В настоящей таблице использованы следующие условные обозначения степени соответствия стандартов: - IDT - идентичные стандарты; - MOD - модифицированные стандарты. |
||
|
[1] МЭК 61936-1 |
Силовые электроустановки напряжением выше 1 кВ переменного тока. Часть 1. Общие требования |
|
[2] МЭК 60664-1:2007 |
Координация изоляции для оборудования в системах низкого напряжения. Часть 1. Принципы, требования и испытания |
|
[3] МЭК 62305-1 |
Молниезащита. Часть 1. Общие требования |
|
[4] МЭК 62305-3 |
Молниезащита. Часть 3. Физический ущерб от повреждения сооружений и риск для жизни |
|
[5] МЭК 62305-4 |
Молниезащита. Часть 4. Электрические и электронные системы в зданиях |
|
Низковольтные устройства защиты от перенапряжений |
|
|
[7] МЭК 62305-2:2006 |
Молниезащита. Часть 2. Управление рисками |
|
[8] МЭК 60364-5-51:2005 |
Низковольтные электроустановки. Часть 5-51. Выбор и монтаж электрооборудования. Общие правила |
|
[9] МЭК 60038 |
Напряжения стандартные по МЭК |
|
[10] МЭК 60364-5-54 |
Низковольтные электроустановки. Часть 5-54. Выбор и монтаж электрооборудования. Заземляющие устройства, защитные проводники и проводники уравнивания потенциалов |
|
[11] МЭК 62020: 1998 |
Электрооборудование вспомогательное. Контрольно-измерительные приборы для определения остаточного тока (RCM) бытового и аналогичного назначения |
|
[12] МЭК 61558-2-1 |
Безопасность силовых трансформаторов, силовых блоков питания, реакторов и аналогичных изделий. Часть 2-1. Особые требования к испытаниям разделительных трансформаторов и силовых блоков питания, содержащих разделительные трансформаторы общего применения |
|
[13] МЭК 61558-2-4 |
Безопасность силовых трансформаторов, блоков питания и аналогичных изделий. Часть 2-4. Особые требования к разделительным трансформаторам общего применения |
|
[14] МЭК 61558-2-6 |
Безопасность силовых трансформаторов, блоков питания и аналогичных изделий. Часть 2-6. Особые требования к безопасным разделительным трансформаторам общего применения |
|
[15] МЭК 61558-2-15 |
Безопасность силовых трансформаторов, блоков питания и аналогичных изделий. Часть 2-15. Особые требования к разделительным трансформаторам для питания медицинских помещений |
|
[16] МЭК 61386 (серия) |
Системы кабелепроводов для электрических установок |
|
[17] МЭК 60364-5-52 |
Низковольтные электроустановки. Часть 5-52. Выбор и монтаж электрооборудования. Системы электропроводки |
|
[18] МЭК 60479-1-2005 |
Воздействие тока на людей и животных. Часть 1. Общие положения |
Ключевые слова: электроустановки зданий; электроустановки до 1 кВ; защита от перенапряжений; защита от электромагнитных помех; оборудование информационных технологий; заземление; уравнивание потенциалов