Стандарт устанавливает требования к защите рабочих проводников от воздействия сверхтоков одним или несколькими устройствами, производящими автоматическое отключение от источника питания в случае перегрузки и в случае короткого замыкания. В стандарте установлены требования и условия по координации работы устройств защиты от перегрузки и устройств защиты от тока короткого замыкания.
| Обозначение: | ГОСТ Р 50571.4.43-2012 |
| Название рус.: | Электроустановки низковольтные. Часть 4-43. Требования по обеспечению безопасности. Защита от сверхтока |
| Статус: | взамен |
| Заменяет собой: | ГОСТ Р 50571.9-94 «Электроустановки зданий. Часть 4. Требования по обеспечению безопасности. Применение мер защиты от сверхтоков» ГОСТ Р 50571.5-94 «Электроустановки зданий. Часть 4. Требования по обеспечению безопасности. Защита от сверхтока» |
| Дата актуализации текста: | 05.05.2017 |
| Дата добавления в базу: | 01.10.2014 |
| Дата введения в действие: | 01.01.2014 |
| Утвержден: | 15.11.2012 Федеральное агентство по техническому регулированию и метрологии (865-ст) |
| Опубликован: | Стандартинформ (2014 г. ) |
| Ссылки для скачивания: |
|
ФЕДЕРАЛЬНОЕ
АГЕНТСТВО |
||
|
|
НАЦИОНАЛЬНЫЙ |
ГОСТ Р |
Электроустановки низковольтные
Часть 4-43
ТРЕБОВАНИЯ ПО ОБЕСПЕЧЕНИЮ
БЕЗОПАСНОСТИ.
ЗАЩИТА ОТ СВЕРХТОКА
IEC 60364-4-43:2008
Low-voltage electrical installations - Part 4-43 - Protection for safety -
Protection against overcurrent
(IDT)
|
|
Москва |
1 ПОДГОТОВЛЕН Московским институтом энергобезопасности и энергосбережения на основе аутентичного перевода на русский язык международного стандарта, указанного в пункте 4
2 ВНЕСЕН Техническим комитетом по стандартизации ТК 337 «Электрические установки зданий»
3 УТВЕРЖДЕН И ВВЕДЕН В ДЕЙСТВИЕ Приказом Федерального агентства по техническому регулированию и метрологии от 15 ноября 2012 г. № 865-ст
4 Настоящий стандарт идентичен международному стандарту МЭК 60364-4-43:2008 «Низковольтные электрические установки. Часть 4-43. Защита для обеспечения безопасности. Защита от сверхтока (IEC 60364-4-43:2008 «Low-voltage electrical installations - Part 4-43 - Protection for safety - Protection against overcurrent»).
Наименование настоящего стандарта изменено относительно наименования указанного международного стандарта для приведения в соответствие с ГОСТ Р 1.5 (пункт 3.5) и с общим наименованием комплекса национальных стандартов ГОСТ Р 50571.
При применении настоящего стандарта рекомендуется использовать вместо ссылочных международных стандартов соответствующие им национальные стандарты Российской Федерации
5 ВЗАМЕН ГОСТ Р 50571.5-94 (МЭК 364-4-43-77), ГОСТ Р 50571.9-94 (МЭК 364-4-473-77)
Правила применения настоящего стандарта установлены в ГОСТ Р 1.0-2012 (раздел 8). Информация об изменениях к настоящему стандарту публикуется в ежегодном (по состоянию на 1 января текущего года) информационном указателе «Национальные стандарты», а официальный текст изменений и поправок - в ежемесячном информационном указателе «Национальные стандарты». В случае пересмотра (замены) или отмены настоящего стандарта соответствующее уведомление будет опубликовано в ближайшем выпуске ежемесячного информационного указателя «Национальные стандарты». Соответствующая информация, уведомление и тексты размещаются также в информационной системе общего пользования - на официальном сайте Федерального агентства по техническому регулированию и метрологии в сети Интернет (gost.ru)
Содержание
ГОСТ 50571.4.43-2012/МЭК 60364-4-43:2008
Электроустановки низковольтные
Часть 4-43
ТРЕБОВАНИЯ ПО ОБЕСПЕЧЕНИЮ БЕЗОПАСНОСТИ.
ЗАЩИТА ОТ СВЕРХТОКА
Low-voltage electrical installations. Part 4-43. Protection for safety. Protection against overcurrent
Дата введения - 2014-01-01
Настоящий стандарт устанавливает требования к защите рабочих проводников от воздействия сверхтоков одним или несколькими устройствами, производящими автоматическое отключение от источника питания в случае перегрузки (раздел 433) и в случае короткого замыкания (раздел 434), кроме случаев, где сверхтокограничивается в соответствии с разделом 436 или где выполняются условия, приведенные в 433.3 (отсутствие необходимости установки устройства защиты от перегрузки) или в 434.3 (отсутствие необходимости установки устройства защиты от тока короткого замыкания).
В стандарте также установлены требования и условия по координации работы устройств защиты от перегрузки и устройств защиты от тока короткого замыкания (см. раздел 435).
Примечание 1 - Рабочий проводник, защищенный от перегрузки в соответствии с разделом 433, считается также защищенным от повреждений, в результате которых возникают сверхтоки, подобные токам перегрузки.
Примечание 2 - Требования настоящего стандарта не учитывают внешние воздействия.
Примечание 3 - Устройства защиты проводников согласно стандарту не обязательно защищают оборудование, соединенное с проводниками.
Примечание 4 - Гибкие кабели (шнуры), соединяющие оборудование с помощью вилок и розеток со стационарными установками, не входят в область распространения настоящего стандарта и не обязательно защищаются от сверхтока.
Примечание 5 - Разъединение проводников в настоящем стандарте не означает отделение в целях безопасности.
В настоящем стандарте использованы нормативные ссылки на следующие стандарты, при этом для недатированных ссылок действительным является последнее издание соответствующего нормативного документа, (включая поправки):
МЭК 60269-2 Предохранители плавкие низковольтные. Часть 2: Дополнительные требования к плавким предохранителям, используемым квалифицированным персоналом (главным образом, промышленного назначения). Примеры стандартизированных систем плавких предохранителей от А до J [IEC 60269-2 Low-voltage fuses - Part 2: Supplementary requirements for fuses for use by authorized persons (fuses mainly for industrial application) - Examples of standardized systems of fuses A to J]
МЭК 60269-3 Предохранители плавкие низковольтные. Часть 3: Дополнительные требования к плавким предохранителям, используемым неквалифицированным персоналом (главным образом, бытового и аналогичного назначения). Примеры стандартизированных систем плавких предохранителей от А до F [IEC 60269-3 Low-voltage fuses - Part 3: Supplementary requirements for fuses for use by unskilled persons (fuses mainly for household or similar applications) - Examples of standardized systems of fuses A to F]
МЭК 60269-4 Предохранители плавкие низковольтные. Часть 4. Дополнительные требования к плавким вставкам для защиты полупроводниковых устройств (IEC 60269-4 Low-voltage fuses - Part 4: Supplementary requirements for fuse-links for the protection of semiconductor devices)
МЭК 60364-4-41 Электрические установки зданий. Часть 4-41. Защита для обеспечения безопасности. Защита от электрического удара (IEC 60364-4-41 Low-voltage electrical installations - Part 4-41: Protection for safety - Protection against electric shock)
МЭК 60364-5-52:2001 Электрические установки зданий. Часть 5-52. Выбор и установка электрооборудования. Системы проводки (IEC 60364-5-52 Electrical installation of buildings. Part 5-52. Selection and erection of electrical equipment. Wiring systems)
МЭК 60439-2 Аппаратура коммутационная и механизмы управления низковольтные комплектные. Часть 2. Частные требования к системам сборных шин (шинопроводам) [IEC 60439-2 Low-voltage switchgear and controlgear assemblies - Part 2: Particular requirements for busbar trunking systems (busways)]
МЭК 60724 Температурные пределы короткого замыкания для электрических кабелей на расчетные напряжения 1 кВ (Um = 1,2 kB) и 3 kB (Um = 3,6 kV) [IEC 60724 Short-circuittemperature limits of electric cables with rated voltages of 1 kV (Um = 1,2 kV) and 3 kV (Um = 3,6 kV)]
МЭК 60898 (все части) Выключатели автоматические для максимальной токовой защиты установок бытового и аналогичного назначения. [IEC 60898 (all parts) Circuit-breakers for overcurrent protection for household and similar installations]
МЭК 60947-2 Аппаратура коммутационная и механизмы управления низковольтные комплектные. Часть 2. Прерыватели цепи (IEC 60947-2 Low-voltage switchgear and controlgear - Part 2: Circuit- breakers)
МЭК 60947-3 Аппаратура коммутационная и механизмы управления низковольтные комплектные. Часть 3. Выключатели, разъединители, выключатели-разъединители и блоки предохранителей (IEC 60947-3 Low-voltage switchgear and controlgear - Part 3: Switches, disconnectors, switch-disconnectors and fuse-combination units)
МЭК 60947-6-2 Аппаратура коммутационная и механизмы управления низковольтные комплектные. Часть 6-2. Многофункциональная аппаратура. Коммутационные устройства (или аппаратура) управления и защиты (CPS) [IEC 60947-6-2 Low-voltage switchgear and controlgear. Part 6-2: Multiple function equipment. Control and protective switching devices (or equipment) (CPS)]
МЭК61009 (все части) Выключатели автоматические, работающие на остаточном токе, со встроенной защитой от сверхтоков бытовые и аналогичного назначения (RCBO’s)
IEC 61009 (all parts) Residual current operated circuit-breakers with integral overcurrent protection for household and similar uses (RCBOs)
МЭК 61534 (все части) Системы шинопроводов IEC 61534 (all parts) Powertrack systems
Защитные устройства должны отключать любой сверхток в проводниках электрической цепи прежде, чем такой ток может вызвать опасность из-за тепловых или механических воздействий, вредных для изоляции, соединений, оконцеваний или материалов, окружающих проводники.
431.1.1 Обнаружение сверхтока должно быть обеспечено для всех линейных проводников, кроме случаев, приведенных в 431.1.2.
Это должно вызвать разъединение проводника, в котором сверхток обнаружен, но не обязательно разъединение других рабочих проводников.
Если разъединение одной фазы может привести к опасности, например в случае питания трехфазного двигателя, должны быть приняты соответствующие меры.
431.1.2 В системах ТТ или TN, для цепей, подключенных к линейным проводникам и в которых нейтральный проводник не используется для распределения, допускается не предусматривать обнаружение сверхтока в одном из линейных проводников, при условии, что одновременно выполняются следующие условия:
a) на стороне источника питания этой цепи имеется защита для обнаружения несимметричной нагрузки и предназначенная, для разъединения всех линейных проводников;
b) на стороне нагрузки защитного устройства упомянутого в перечислении а), нейтральный проводник не используется для распределения от искусственной нейтральной точки.
431.2.1 Системы ТТ или TN
В случае, если площадь поперечного сечения нейтрального проводника эквивалентна сечению линейных проводников и ожидаемый ток в нейтральном проводнике не превышает значения тока в линейном проводнике, то нет необходимости в обнаружении сверхтока для нейтрального проводника или установки отключающего устройства для этого проводника.
Если площадь поперечного сечения нейтрального проводника меньше чем у линейного, необходимо обеспечить обнаружение сверхтока в нейтральном проводнике. Это обнаружение должно вызвать разъединение линейных проводников, но не обязательно нейтрального проводника.
В обоих случаях нейтральный проводник должен быть защищен от тока короткого замыкания.
Примечание - Эта защита может быть обеспечена защитным устройством от сверхтока линейных проводников. В этом случае нет необходимости обеспечения защиты от сверхтока в нейтральном проводнике или в установке отключающего устройства для этого проводника.
В случае если ожидаемый ток в нейтральном проводнике превышает значение тока в линейных проводниках, то применяют требования 431.2.3.
За исключением разъединения, требования для нейтрального проводника применяют к PEN проводнику.
431.2.2 IT-системы
В системе с распределительной нейтралью необходимо обеспечить обнаружение сверхтока для нейтральных проводников каждой цепи. Обнаружение сверхтока должно вызвать разъединение всех рабочих проводников соответствующей цепи, включая нейтральный проводник. Эта мера не является необходимой, если:
- данный нейтральный проводник эффективно защищается от сверхтока, а защитное устройство установлено со стороны питания, например, на вводе в установку или
- если данная цепь защищается защитным устройством, управляемым дифференциальным током с расчетным дифференциальным током, не превышающим 0,2 от длительно допустимого тока соответствующего нейтрального проводника. Это устройство должно отключать все рабочие проводники соответствующей цепи, включая нейтральный проводник. Устройство должно иметь достаточную отключающую способность для всех полюсов.
Примечание - IT-систему с распределенной нейтралью использовать не рекомендуется.
Обнаружение перегрузки должно быть обеспечено для нейтрального проводника в многофазной схеме, где гармонический состав токов в линейных проводниках таков, что ожидаемое значение тока в нейтральном проводнике может превысить длительно допустимый ток. Обнаружение перегрузки в нейтральном проводнике должно вызывать разъединение линейных проводников, но не обязательно нейтрального проводника. Там где нейтральный проводник разъединяется, применяют 431.3.
Примечание - Требования относительно защиты нейтральных проводников приведены в МЭК 60364-5-52.
Там, где требуется разъединение нейтрального проводника, разъединение и повторное соединение выполняется таким образом, чтобы нейтральный проводник не был разъединен до разъединения линейных проводников и был повторно соединен одновременно с или перед соединением линейных проводников.
Защитные устройства классифицируются в соответствии с 432.1 - 432.3.
За исключением требования, приведенного в 434.5.1, устройства защиты от тока перегрузки и от тока короткого замыкания должны быть способными к отключению любого сверхтока, включая ожидаемое значение тока короткого замыкания в точке, где устройство установлено. В качестве таких устройств могут использоваться:
- автоматические выключатели с комбинированными расцепителями;
- выключатели в сочетании с предохранителями;
- предохранители с плавкими вставками с характеристикой gG.
Примечание 1 - Плавкий предохранитель включает все части, которые формируют комплектное защитное устройство.
Примечание 2 - Не исключается возможность использования других защитных устройств, если выполняются требования 433.1 и 434.5.
Защитные устройства должны удовлетворить требованиям раздела 433 и могут иметь отключающую способность ниже значения ожидаемого тока короткого замыкания в точке, где устройства устанавливаются.
Примечание 1 - Обычно применяют устройства с обратно зависимой времятоковой характеристикой.
Примечание 2 - Предохранители с плавкими вставками типа аМ не предназначены для защиты от перегрузки.
Защитные устройства, обеспечивающие защиту только от тока короткого замыкания, могут устанавливаться там, где защита от перегрузки достигается другими средствами или где в соответствии с требованиями раздела 433 допускается не устанавливать защиту от перегрузки. Такое устройство должно быть способным к отключению любого сверхтока, включая ожидаемое значение тока короткого замыкания в точке, где устройство установлено. Такое устройство должно удовлетворить требованиям раздела 434.
В качестве таких устройств могут использоваться:
- автоматические выключатели только с электромагнитными расцепителями;
- предохранители с плавкими вставками с характеристикой gG и аМ.
Рабочие характеристики устройств защиты от сверхтока должны удовлетворять требованиям, установленным в МЭК 60898, МЭК 60947-2, МЭК 60947-6-2, МЭК 61009, МЭК 60269-2, МЭК 60269-3, МЭК 60269-4 или МЭК 60947-3.
Примечание - Не исключается использование других устройств защиты при условии, что их времятоковые характеристики обеспечивают эквивалентный уровень защиты к установленному в этом разделе.
Рабочие характеристики устройства, защищающего кабель от перегрузки, должны удовлетворять двум следующим условиям:
|
(1) |
|
|
(2) |
где IB - расчетный ток цепи;
IZ - длительно допустимый ток кабеля (см. раздел 523);
In - номинальный ток защитного устройства.
Примечание 1 - Для регулируемых защитных устройств ток In является текущей выбранной уставкой срабатывания;
I2 - ток надежного отключения защитного устройства за заданное стандартное время.
Значение тока I2, гарантирующего надежное отключение защитного устройства, должно быть указано производителем или принимается в соответствии со стандартом на изделие.
Если защита в соответствии с этим пунктом, возможно, не обеспечивает защиту в определенных случаях, например, от длительного сверхтока меньшего, чем I2, в этих случаях должен рассматриваться вопрос о выборе кабеля с большей площадью поперечного сечения.
Примечание 2 - IB - расчетный ток линейного проводника или длительный ток нейтрального проводника в случае высокого уровня третьей гармоники.
Примечание 3 - Ток надежного отключения защитного устройства, заданное стандартное значение, может также быть обозначен как It, или If согласно стандартам на изделие. Обозначения It, и If являются дополнительными по отношению к обозначению I2 и следует обращать внимание на корректное применение значений и индексов.
Примечание 4 - См. приложение В для иллюстрации условий (1) и (2) из 433.1.
Примечание 5 - В качестве расчетного тока IB можно принять фактический текущий ток Iа после применения поправочных коэффициентов (см. раздел 311).
433.2.1 Устройства защиты от перегрузки должны быть установлены в точках, где происходит изменение параметров сети, такие как изменение площади поперечного сечения, материала проводников, способа монтажа или расположения, приводящих к снижению значений длительно допустимых токов проводников, за исключением случаев, приведенных в 433.2.2 и 433.3.
433.2.2 Устройство, защищающее проводник от перегрузки, может быть установлено за точкой изменения (изменение площади поперечного сечения, материала проводников, способа монтажа или расположения), если на участке между точкой, где происходит изменение, и местом установки защитного устройства нет ни ответвленных цепей, ни розеток и соблюдается по крайней мере одно из следующих двух условий:
a) проводник защищен от тока короткого замыкания в соответствии с требованиями раздела 434;
b) длина проводника не превышает 3 м и он установлен таким способом, чтобы был сведен к минимуму риск короткого замыкания, возникновения пожара или поражения людей электрическим током (см. 434.2.1).
Примечание - Установка согласно перечислению а) - см. рисунок С.1. Установка согласно перечислению b) - см. рисунок С.2.
Требования этого подраздела не распространяются на установки, расположенные в пожароопасных или взрывоопасных зонах или где требования для специальных установок и мест расположения определяются специальными условиями.
Устройства для защиты от перегрузки не устанавливают:
a) для проводника, расположенного на стороне нагрузки, где происходят изменение площади поперечного сечения, материала проводников, способа монтажа или расположения, который эффективно защищается от перегрузки защитным устройством, расположенным на стороне питания;
b) для проводника, для которого маловероятно протекание тока перегрузки при условии, что этот проводник защищен от тока короткого замыкания в соответствии с требованиями раздела 434 и у него нет ни ответвленных цепей, ни розеток;
c) если с электроснабжающей организацией согласованы вопросы защиты от перегрузки со стороны питания на вводе в установку и что эта защита обеспечивает защиту части установки между вводом и распределительными шинами установки, после которых защита от перегрузки обеспечивается;
d) для цепей телекоммуникаций, управления, сигнализации и т. п.
Примечание - Установки согласно перечислениям а), b) и d) - см. рисунок С.3.
433.3.2 Места установки или места, не требующие установки устройств защиты от перегрузки в IT-системах
433.3.2.1 Приведенные в 433.2.2 и 433.3.1 требования о необходимости установки или отказа от установки устройств защиты от перегрузки не применимы к IT-системам, если каждая цепь, не защищенная от перегрузки, защищается одним из следующих средств:
a) использование защитных мер, установленных в разделе 412 МЭК 60364-4-41;
b) защита каждой цепи защитным устройством дифференциального тока, которое будет мгновенно срабатывать при втором повреждении;
c) для постоянно контролируемых систем только с использованием системы контроля изоляции, которая также:
- вызывает разъединение цепи при первом повреждении или
- дает сигнал, указывающий на присутствие повреждения. Повреждение должно быть устранено в соответствии с эксплуатационными требованиями и оценке степени риска при втором повреждении.
Примечание - Рекомендуется установить систему контроля повреждения изоляции согласно МЭК 61557-9 [7]. Применение такой системы позволяет обнаружить и определить местоположение повреждения изоляции без прерывания питания.
433.3.2.2 В IT-системах без нейтрального проводника защитное устройство от перегрузки может не устанавливаться в одном из линейных проводников, если защитное устройство дифференциального тока устанавливается в каждой цепи.
433.3.3 Случаи, когда должен быть рассмотрен вопрос об отказе от установки устройства защиты от перегрузки из соображений безопасности
Допускается не устанавливать устройства для защиты от перегрузки в цепях питания оборудования, если внезапное разъединение цепи может вызвать опасность или повреждение. Примеры таких случаев включают в себя:
- цепи возбуждения вращающихся машин;
- цепи питания подъемных магнитов;
- вторичные цепи трансформаторов тока;
- цепи питания устройств тушения пожара;
- цепи питания систем безопасности (сигнализация, газовые аварийные сигналы и т. д.).
Примечание - В таких случаях следует обратить внимание на необходимость получения аварийного сигнала перегрузки.
Если общее защитное устройство защищает несколько проводников, соединенных параллельно, то в цепях параллельных проводников не должно быть ответвлений или устройств разъединения или переключения.
Этот подпункт не запрещает использование кольцевых групповых цепей.
433.4.1 Равномерное распределение токов между параллельными проводниками
Если общее защитное устройство защищает несколько проводников, соединенных параллельно, токи в которых одинаковы, то в качестве значения IZ, используемого в 433.1, принимается сумма длительно допустимых токов различных проводников при условии выполнения требований МЭК 60364-5-52 [пункт 523.7, перечисление а)].
433.4.2 Неравномерное распределение токов между параллельными проводниками
Там где использование единственного проводника, на фазу, нерационально и токи в параллельных проводниках неравны, расчетный ток и требования для защиты от перегрузки для каждого проводника нужно рассмотреть индивидуально.
Примечание - Токи в параллельных проводниках считаются неравными, если различие между какими-либо токами больше чем 10 % расчетного тока для каждого проводника (см. приложение А, раздел А.2).
Этот стандарт рассматривает только случаи короткого замыкания между проводниками, принадлежащими одной и той же цепи.
Ожидаемые токи короткого замыкания должны быть определены для всех узловых точек цепи. Определение может быть выполнено или вычислением или измерением.
Примечание - Ожидаемые значения токов короткого замыкания в точке присоединения питания могут быть получены от службы коммунального электроснабжения.
Устройства для защиты от тока короткого замыкания следует устанавливать в точках, где сокращение площади поперечного сечения проводников или другие изменения вызывают изменение значений длительно допустимых токов проводников, за исключением случаев, приведенных в 434.2.1, 434.2.2 или 434.3.
434.2.1 Различные случаи, рассматриваемые в этом подразделе, не распространяются на установки, расположенные в пожароопасных или взрывоопасных зонах или где требования для специальных установок и местам их расположения определяются специальными условиями. Устройство для защиты от короткого замыкания может быть установлено, дополнительно к указанным в 434.2, при следующих условиях.
В части проводника между точкой уменьшения площади поперечного сечения или другого изменения и местом установки защитного устройства не должно быть никаких ответвлений или розеток и эта часть проводника должна:
a) не превышать 3 м подлине,
b) быть смонтированна таким образом, чтобы свести к минимуму риск короткого замыкания.
Примечание 1 - Это условие может быть выполнено, например, путем усиления защиты электропроводок от внешних воздействий.
Примечание 2 - См. рисунок D.1;
c) не располагаться вблизи горючих материалов.
434.2.2 Защитное устройство может быть установлено со стороны питания перед участком уменьшенного сечения или другим изменением при условии, что обладает рабочей характеристикой, которая защищает электропроводку, расположенную на стороне нагрузки, от токов короткого замыкания в соответствии с требованиями 434.5.2.
Примечание - Требования 434.2.2 могут быть обеспечены в соответствии с методом, приведенным в приложении D.
Не требуется установка устройств защиты от короткого замыкания при условии, что одновременно выполняются следующие условия:
- монтаж электропроводки проводится таким образом, чтобы свести к минимуму риск короткого замыкания [см. перечисление b) 434.2.1];
- электропроводки не должны быть расположены вблизи горючих материалов.
Устройства защиты от короткого замыкания могут не устанавливаться для применений, таких как:
a) проводники, соединяющие генераторы, преобразователи, выпрямители, аккумуляторные батареи с соответствующими панелями управления, на которых размещены защитные устройства;
b) цепи, где разъединение может вызвать опасность для работы установок (см. 433.3.3);
c) определенные схемы измерения;
d) в случае, если с электроснабжающей организацией согласованы вопросы защиты от короткого замыкания на вводе в установку со стороны питания и что эта защита обеспечивает защиту части установки между вводом и распределительными шинами установки, после которых защита от короткого замыкания обеспечивается.
Общее защитное устройство может защитить проводники, соединенные параллельно, от коротких замыканий в цепи при условии, что рабочие характеристики этого устройства гарантируют его эффективную работу, если повреждение происходит в самом тяжелом случае в одном из параллельных проводников. Считается, что ток короткого замыкания распределен между параллельными проводниками относительно равномерно. Так может рассматриваться повреждение кольцевых групповых цепей.
Если работа общего защитного устройства не эффективна, то должны быть приняты одна или несколько следующих мер:
а) Электропроводка должна быть выполнена таким способом, чтобы снизить до минимума риск возникновения короткого замыкания в любом параллельном проводнике, например, с помощью защиты от механического повреждения, и проводники должны быть смонтированы таким способом, чтобы снизить до минимума риск пожара или опасность поражения людей электрическим током.
b) Для двух проводников, соединенных параллельно, защитное устройство должно быть установлено со стороны питания для каждого параллельного проводника.
c) Если число соединенных параллельно проводников больше двух, то защитное устройство должно быть установлено со стороны питания и со стороны нагрузки для каждого параллельного проводника.
Пояснения к требованиям данного пункта приведены в разделе А.3.
Любое устройство защиты оттоков короткого замыкания должно удовлетворять требованиям, приведенным в 434.5.1.
434.5.1 Расчетная отключающая способность должна быть не меньше ожидаемого максимального значения тока короткого замыкания в месте установки устройства защиты.
Допускается применение устройств с более низкой отключающей способностью, если защитное устройство, имеющее необходимую отключающую способность установлено на стороне питания. В этом случае характеристики устройств должны быть согласованы таким образом, чтобы энергия, пропущенная этими двумя устройствами, не превышала допустимое значение, которому может противостоять без повреждения устройство защиты на стороне нагрузки и проводники, которые защищены этими устройствами.
Примечание - В определенных случаях должны быть приняты во внимание другие характеристики, такие как динамические усилия и энергия дуги для устройства на стороне нагрузки. Параметры, требующие согласования характеристик, должны быть получены от изготовителей устройств.
434.5.2 Для кабелей и изолированных проводников время отключения полного тока короткого замыкания в любой точке цепи не должно превышать время, в течении которого достигается допустимая температура изоляции проводников. Для защитных устройств с времени срабатывания меньше 0,1 с и при значительной асимметрии тока, токоограничение устройства защиты k2S2 должно быть больше чем значение I2t, указанное производителем.
Таблица 43А - Значения k для проводников
|
Характеристика проводника и |
Материал изоляции |
|||||||
|
PVC
|
PVC
|
EPRXLPE |
Резина 60 °С |
Минеральная |
||||
|
PVC
|
Голый |
|||||||
|
Поперечное сечение проводника, мм2 |
< 300 |
> 300 |
< 300 |
> 300 |
|
|
|
|
|
Начальная температура, °С |
70 |
90 |
90 |
60 |
70 |
105 |
||
|
Конечная температура, °С |
160 |
140 |
160 |
140 |
250 |
200 |
160 |
250 |
|
Материал проводника: |
|
|
|
|
|
|
|
|
|
- медь |
1 |
103 |
100 |
86 |
143 |
141 |
115 |
135-115а) |
|
- алюминий |
15 |
68 |
66 |
57 |
94 |
93 |
|
|
|
- паянные оловом |
76 |
|
|
|
|
|
|
|
|
- соединения меди |
115 |
|
|
|
|
|
|
|
|
a)Это значение должно использоваться для голых кабелей, доступных прикосновению. Примечание 1 - Другое значение k рассматривается для: - проводников малым сечением (особенно для площадей поперечного сечения меньше чем 10 мм2); - других типов соединений проводников; - голых проводников. Примечание 2 - Номинальный ток защитного устройства от тока короткого замыкания может быть больше чем длительно допустимый ток кабеля. Примечание 3 - Вышеупомянутые факторы основаны на МЭК 60724. Примечание 4 - См. приложение А МЭК 60364-5-54:2002 [3] для метода вычисления фактора k. |
||||||||
Для короткого замыкания продолжительностью до 5 с время t, в течение которого данный ток короткого замыкания приведет к повышению температуры изоляции проводников от самой высокой допустимой температуры в нормальном режиме работы к предельной температуре, может быть вычислен по формуле
|
t = (k × S/I)2, |
(3) |
где t - продолжительность, с;
S - площадь поперечного сечения, мм2;
I - действующее значение тока в А, выраженное как среднеквадратичное значение;
k - является фактором, учитывающим удельное сопротивление, температурный коэффициент и теплоемкость проводникового материала, и соответствующие начальные и конечные значения температуры. Для наиболее употребительных типов изоляции проводников значения к для проводников цепи приведены в Таблице 43А.
434.5.3 Для шинопроводов, соответствующих МЭК 60439-2 [4], и сборных шин, соответствующих МЭК 61534, должно выполняться одно из следующих требований:
- сборные шины и шинопроводы должны выдерживать действующее (ICW) и амплитудное значение токов короткого замыкания. Максимальное время, в течение которого ICW определяется для сборных шин или шинопроводов не должно быть меньше чем максимальное время срабатывания защитного устройства;
- значение ожидаемого тока короткого замыкания для сборных шин и шинопроводов с конкретным защитным устройством не должно быть ниже, чем значение тока короткого замыкания цепи.
Защитное устройство обеспечивает защиту от перегрузки и от тока короткого замыкания, если выполняются требования разделов 433 и 434.
Требования разделов 433 и 434 применяются соответственно к устройствам защиты от перегрузки и устройствам защиты от тока короткого замыкания.
Характеристики устройств должны быть согласованы так, чтобы энергия, пропущенная через устройство защиты от короткого замыкания, не превышала значения, которому может противостоять без повреждения защитное устройство от перегрузки.
Примечание - Это требование не исключает тип координации, определенный в МЭК 60947-4-1 [6].
Проводники считаются защищенными от перегрузки и от тока короткого замыкания, если они подключены к источнику, неспособному обеспечить ток превышающий значение допустимого тока (например, некоторые звонковые трансформаторы, некоторые сварочные преобразователи и некоторые типы термоэлектрических преобразователей).
Защита от сверхтока проводников, соединенных параллельно
А.1 Введение
Защита от сверхтока проводников, соединенных параллельно, должна обеспечить соответствующую защиту для всех параллельных проводников. Для двух параллельных проводников с одинаковым поперечным сечением, длиной и способом монтажа и с примерно равными токами требования по обеспечению защиты от сверхтока вполне очевидны. При более сложном расположении проводников особое внимание должно быть уделено неравномерному распределению тока между проводниками и различным вариантам протекания токов повреждения. В этом приложении даются необходимые указания.
Примечание - Более подробно метод вычисления тока между параллельными проводниками приведен в МЭК 60287-1-3 [2].
А.2 Защита от перегрузки проводников, соединенных параллельно
Когда перегрузка происходит в цепи, содержащей параллельные проводники многожильных кабелей, ток в каждом проводнике может увеличиться в одинаковой пропорции. При условии, что общий ток одинаково распределен по параллельно соединенным проводниками, общее защитное устройство может обеспечить защиту всех проводников. Длительно допустимый ток (IZ) проводников, соединенных параллельно, равен сумме длительно допустимых токов с соответствующими групповыми и другими поправочными коэффициентами.
Распределение тока между параллельными кабелями является функцией импеданса кабелей. Для больших одножильных кабелей реактивная составляющая больше чем активная и имеет существенное влияние на распределение токов. Реактивная составляющая зависит от относительного физического расположения каждого кабеля. Если, например, цепь состоит из двух больших кабелей на фазу, имеющих ту же самую длину, конструкцию и площадь поперечного сечения и расположенных параллельно, но с неблагоприятным взаимным расположением (то есть кабели одной и той же фазы, сгруппированные вместе), распределение токов может составить 70 %/30 %, а не 50 %/50 %.
Там, где различие в импедансе между параллельными проводниками вызывает неравномерное распределение токов, например больше чем 10%, расчетный ток и требования для защиты от перегрузки для каждого проводника следует рассмотреть индивидуально.
Расчетный ток IBk каждого проводника может быть вычислен в зависимости от полного тока и импеданса каждого проводника.
Для m проводников, соединенных параллельно, расчетный ток IBk для каждого к проводника может быть вычислен по формуле
|
|
(А.1) |
где IB - расчетный ток цепи;
IBk - расчетный ток k-го проводника;
Zk - импеданс k-го проводника;
Z1 - Zm - импеданс проводников от 1 до m соответственно.
Для параллельно соединенных проводников сечением 120 мм2 и более расчетный ток IBk для каждого к проводника может быть вычислен по формуле
|
|
(А.2) |
где Sk- площадь поперечного сечения проводника k;
S1 - Sm - площадь поперечного сечения проводников.
В случае одножильных кабелей импеданс является функцией некоторых характеристик выбранного кабеля таких как, например, является л и кабель бронированным или небронированным. Методы для вычисления импеданса приведены в МЭК 60287-1-3 [2]. Распределение токов между параллельными кабелями рекомендуется проверять измерением.
Расчетный ток IBk как часть IB из уравнения (1) согласно 433.1 должен удовлетворять следующему условию:
|
IBk ≤ In ≤ IZ |
(А.3) |
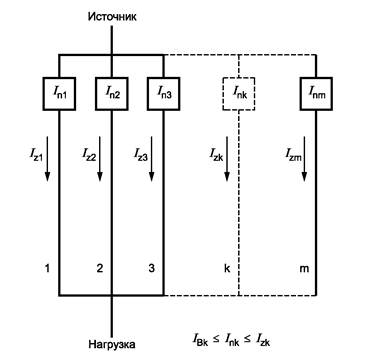
Значение, используемое для IZ из 433.1 для уравнений (1) и (2), является также длительно допустимым током всех проводников IZk, если защитное устройство от перегрузки установлено для каждого проводника (см. рисунок А.1). Следовательно,
|
IBk ≤ Ink ≤ IZk |
(А.4) |
или сумма длительно допустимых токов ∑IZk всех проводников, если используется общее защитное устройство для проводников, соединенных параллельно (см. рисунок А.2), следовательно
|
IB ≤ In ≤ ∑IZk, |
(А.5) |
где Ink - номинальный ток защитного устройства для проводника k;
IZk - длительно допустимый ток проводника k;
In - номинальный ток защитного устройства;
∑IZk - сумма длительно допустимых токов m проводников, соединенных параллельно.
Примечание - Для шинопроводов информация должна быть получена от производителя или принята согласно МЭК 60439-2 [4].
Рисунок
А.1 - Цепь, в которой защитное устройство от перегрузки устанавливается для
каждого из проводников,
соединенных параллельно.
Рисунок А.2 - Цепь, в
которой общее защитное устройство от перегрузки устанавливается для m-проводников,
соединенных параллельно
А.3 Защита от короткого замыкания проводников, соединенных параллельно
Там, где проводники соединяются параллельно, воздействие токов короткого замыкания следует рассматривать с учетом места установки защитного устройства.
Отдельные проводники при параллельном соединении могут оказаться незащищенными при использовании общего защитного устройства, в связи с чем должны быть рассмотрены другие варианты установки защитного устройства. Варианты установки защитных устройств могут включать установку отдельных защитных устройств для каждого проводника, установку защитных устройств, как со стороны питания, так и со стороны нагрузки параллельных проводников и объединенные защитные устройства со стороны питания. Определение конкретного варианта установки защиты зависит от вероятностных видов повреждений.
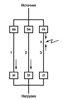
Там, где проводники соединяются параллельно, возможные пути токов повреждения могут привести к продолжительной подаче питания с другой стороны в точку повреждения. Это может относиться к случаю установки защиты оттоков короткого замыкания, как со стороны питания (s), так и со стороны нагрузки (I) в каждом параллельном проводнике. Эта ситуация иллюстрируется на рисунках 3 и 4.
На рисунке 3 показано, что, если короткое замыкание происходит в параллельном проводнике 3 в точке х, то ток короткого замыкания будет определяться токами в проводниках 1, 2 и 3. Значение тока короткого замыкания и распределение этого тока между защитными устройствами cs и cI будет зависеть от места повреждения. В этом примере было предположено, что самая большая часть тока короткого замыкания будет протекать через защитное устройство cs. На рисунке 3 показано, что после срабатывания cs ток будет продолжать протекать к точке повреждения х через проводники 1 и 2. Поскольку проводники 1 и 2 соединены в параллель, токи через защитные устройства as и bs могут оказаться недостаточными для срабатывания защиты за необходимое время. В этом случае установка защитного устройства cI необходима. При этом ток, протекающий через cI, будет меньше чем ток, который вызвал срабатывание cs.
Если бы отказ был достаточно близок к cI, то защитное устройство cI сработало бы вначале.
Та же самая ситуация возникла бы, если бы отказ произошел в проводниках 1 или 2. В этом случае потребуется установка защитных устройств aI и bI.

Рисунок А.3 - Электрический ток в начале отказа
Рисунок А.4 - Электрический ток после срабатывания защитного устройства cs
Вариант установки защитных устройств с обоих концов имеет два недостатка по сравнению с методом с установкой защитных устройств только со стороны источника питания. Во-первых, если замыкание в точке х отключено устройствами защиты cs и cI, то цепь будет продолжать работать с нагрузкой, отнесенной к проводникам 1 и 2, в связи с чем замыкание и последующая перегрузка проводников 1 и 2 не могут быть обнаружены, в зависимости от импеданса цепи замыкания.
Во-вторых, в случае короткого замыкания в точке х может остаться подпитка со стороны устройства защиты cI, оставляя состояние подпитки точки повреждения с этой стороны и невозможности обнаружения неисправности.
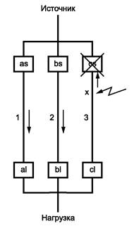
Имеется возможность замены шести защитных устройств установкой объединенного защитного устройства, установленного со стороны питания (см. рисунок 5). Это предотвратит длительную работу цепи в условиях замыкания.
Рисунок А.5 - Иллюстрация объединенного защитного устройства
|
IB ≤ In ≤ IZ, |
(B.1) |
|
I2 ≤ 1,45 IZ, |
(B.2) |
Рисунок В.1 - Иллюстрация условий 1 и 2 из 433.1
Места установки или места, не требующие установки устройств защиты от перегрузки
Устройства для защиты от перегрузки и устройства защиты от тока короткого замыкания должны быть установлены для каждой цепи. Эти защитные устройства обычно должны устанавливаться в начале каждой цепи.
Для некоторых случаев одно из устройств для защиты от перегрузки или для защиты оттока короткого замыкания может не соответствовать этим общим требованиям и в этом случае обеспечение другой защиты остается за оператором.
С.2 Случаи, когда установка защиты от перегрузки в точке ответвления цепи не требуется
а) В соответствии с 433.2.2, перечисление а), и рисунком С.1 защитное устройство от перегрузки Р2 может быть перемещено от точки (О) ответвленной цепи (В) при условии, что нет никакого другого соединения или розетки на стороне нагрузки до защитного устройства Р2 этого ответвления цепи, и в соответствии с требованиями 433.2.2, перечисление а), защита от тока короткого для этой части ответвленной цепи обеспечивается.
Рисунок С.1 - Защитное устройство от перегрузки (Р2) не в точке ответвления (В) (см. 433.2.2а)
Защитное устройство от перегрузки предназначено для защиты электропроводок. Перегрузку может создать только работающее оборудование, поэтому защитное устройство от перегрузки может быть установлено в любой точке ответвленной цепи к любому потребителю, защищенному устройством защиты от короткого замыкания.
b) В соответствии с пунктом 433.2.2, перечисление b), и рисунком С.2 защитное устройство от перегрузки Р2 может быть перемещено на расстояние до 3 м отточки (О) ответвленной цепи (В) при условии, что нет никакого другого соединения или розетки на этом участке ответвленной цепи и, в соответствии с требованиями 433.2.2, перечисление b), длина ответвления не превышает 3 м, а риск коротких замыканий, возникновения пожара и поражения электрическим током на этом отрезке минимальны.
Рисунок
С.2 - Защитное устройство от перегрузки (Р2), установленное в
пределах 3 м от точки ответвления (В)
[см. перечисление b)
433.2.2b]
Если ответвленная цепь длиной до 3 м не защищена от токов короткого замыкания, то должны быть приняты меры по обеспечению безопасности (см. 433.2.2 перечисление b). Возможно, что защита от короткого замыкания цепи со стороны питания также обеспечивает защиту оттока короткого замыкания ответвленной цепи до точки, где устанавливается Р2 (см. приложение D).
С.3 Случаи, где защита от перегрузки может не устанавливаться
а) В соответствии с требованиями пункта 433.3.1 и рисунком С.3 допускается не устанавливать защитное устройство от перегрузки при условии, что нет никакого другого соединения или розетки на стороне питания относительно защитного устройства этой ответвленной цепи и что выполняется одно из следующих условий:
- ответвленная цепь S2 защищается от перегрузки Р1 (433.3.1 перечисление а);
- для ответвленной цепи S3 маловероятно протекание тока перегрузки (433.3.1 перечисление b);
- ответвленная цепь S4 предназначена для телекоммуникаций, управления, сигнализации и т. п. [433.3.1, перечисление d)].
Примечание - Р2, Р3 и Р4 - защитные устройства от тока короткого замыкания ответвленных цепей S2, S3 соответственно.
Рисунок С.3 - Иллюстрация случаев, где защита от перегрузки может быть опущена [см. 433.3.1, перечисления а), b) и d)]
b) В соответствии с пунктом 433.3.2.1 и рисунком С.4 дополнительные требования раздела С.2 и раздела С.3 перечисление а) применимы к IT-системам только при выполнении требований пункта 433.3.2.1. Защита от перегрузки может не устанавливаться при условии, что нет никакого другого соединения или розетки на стороне питания относительно защитного устройства Р2 этой ответвленной цепи и что выполняется одно из следующих условий:
- В ответвленной цепи S2 используются защитные меры, установленные в разделе 412 МЭК 60364-4-41 и используется оборудование класса II;
- S3 ответвленной цепи защищается устройством дифференциальной защиты, которое должно срабатывать при возникновении второго повреждения;
- S4 ответвленной цепи оборудуется устройством контроля изоляции, которое вызывает отключение при первом повреждении или подает аварийный сигнал наличия повреждения.
В IT-системе должна учитываться возможность возникновения двойного повреждения изоляции в различных цепях. В большинстве случаев возникновение двойного повреждения изоляции приводит к короткому замыканию. Однако импеданс цепи повреждения, длины и площади поперечного сечения обеих включенных цепей могут быть неизвестными. Как следствие возможного возникновения двух отдельных повреждений изоляции, может возникнуть ситуация наличия перегрузки для одного из защитных устройств.
Примечание - Р2, Р3 и Р4 - защитные устройства от токов короткого замыкания для ответвленных цепей S2, S3 и S4, соответственно.
Рисунок С.4 - Иллюстрация случаев, где защита от перегрузки может быть опущена в IT-системе
Места установки или места, не
требующие установки устройств защиты от тока
короткого замыкания
D.1 Общие требования
Устройства защиты от перегрузки и устройства защиты оттока короткого замыкания должны быть установлены для каждой цепи. Эти защитные устройства обычно должны устанавливаться в начале каждой цепи.
Для некоторых случаев одно из устройств для защиты от перегрузки ил и для защиты от тока короткого замыкания может не соответствовать этим общим требованиям и в этом случае обеспечение другой защиты остается за оператором.
D.2 Случаи, когда установка защиты от тока короткого замыкания в точке ответвления цепи не требуется
а) В соответствии с пунктом 434.2.1 и рисунком D.2 защитное устройство от тока короткого замыкания Р2 может быть перемещено на расстояние до 3 м отточки (О) ответвленной цепи (В) при условии, что нет никакого другого соединения или розетки на этом участке ответвленной цепи и в соответствии с требованиями 434.2.1 риски возникновения коротких замыканий, пожара и поражения электрическим током на этом отрезке минимальны.
Примечание - S = площадь поперечного сечения проводника.
Рисунок D.1 - Ограничения по установке защитного устройства оттока
короткого замыкания (Р2)
на ответвлении (см. 434.2.1)
Проводник длиной 3 м в ответвленной цепи не защищен оттока короткого замыкается, но устройство защиты от короткого замыкания, установленное со стороны питания, может, в принципе, обеспечить за щиту от тока короткого замыкания и для ответвленной цепи до точки, где устанавливается Р2.
b) В соответствии с пунктом 434.2.2 и рисунком D.2 защитное устройство от тока короткого замыкания Р2 может быть установлено в точке на стороне источника питания (О) ответвленной цепи (В). Защита в соответствии с 434.2.2 обеспечивается, если длина между точкой ответвления цепи и защитным устройством от тока короткого замыкания этой ответвленной цепи удовлетворяют правилу «треугольника».
Максимальная длина проводника ответвления в точке О с площадью поперечного сечения S2 защищается от тока короткого замыкания защитным устройством Р1, установленным в точке А, и определяется как длина ON в треугольнике BON.
Этот пункт может использоваться только в случае применения защиты оттока короткого замыкания. Защита от перегрузки в этом примере не рассматривается (см. раздел С.3).
Приведенные максимальные длины соответствуют минимальному значению отключающей способности защитного устройства Защитное устройство, защищающее цепь S1 на длине АВ, также защищает ответвленную цепь S2. Максимальная длина ответвленной цепи S2, защищаемая зависит от положения точки, где ответвленная цепь S2 соединяется с S1.
АВ является максимальной длиной L1 проводника площади поперечного сечения защищенного от тока короткого замыкания защитным устройством установленным в точке А.
AM является максимальной длиной L2 проводника площади поперечного сечения S2, защищенного от тока короткого замыкания защитным устройством установленным в точке А.
Рисунок D.2 - Установка защитного устройства от тока короткого
замыкания Р2, на стороне питания
в точке ответвления (см. 434.2.2)
Длина ответвленной цепи S2 не может превысить значение, определенное по треугольной диаграмме. В случае ее превышения, защитное устройство Р2 должно быть перемещено вдоль ответвленной цепи S2 к точке N.
Примечание 1 - Этот метод может быть также применен в случае трехступенчатой схемы, выполненной проводниками с различной площадью поперечного сечения.
Примечание 2 - Если на участке S2 используются провода с другим типом изоляции, метод применим, если брать длину: АВ = L2 S1/S2.
Если на участке S2 используются провода с тем же типом изоляции, метод применим, если брать длину: АВ = L1.
D.3 Случаи, когда установка защиты оттоков короткого замыкания не требуется
В соответствии с пунктом 434.3 и рисунком D.3 защитное устройство от тока короткого замыкания может не устанавливаться для таких применений как преобразовательные или измерительные цепи при условии, что, в соответствии с пунктом 434.3 вероятность возникновения короткого замыкания, пожара и поражения людей электрическим током сведена к минимуму.
Рисунок D.3 - Иллюстрация случаев, где защита от токов короткого замыкания может быть опущена (см. 434.3)
Примечание - Вторичная обмотка трансформатора тока не должна размыкаться из-за превышения напряжения.
Для некоторых применений, таких как грузоподъемные электромагниты, защита от тока короткого замыкания может не устанавливаться (см. 434.3).
Перечень отклонений для применения в некоторых странах
|
Страна |
Номер |
Характеристики |
Пояснения |
Текст |
|
США |
|
|
В США все фазовые проводники должны быть защищены от сверхтока |
|
|
|
|
В США применяется следующее: когда ожидается большое количество или большая величина нелинейных нагрузок, сечение нейтрали может быть увеличено в соответствии со значением максимального ожидаемого тока с учетом токов высших гармоник |
||
|
|
|
В США защита от перегрузки определяется длительно допустимым током проводника |
||
|
Великобритания |
|
|
В Великобритании кольцевые групповые розе- точные цепи могут быть защищены защитным устройством на ток 32 А, соответствующим МЭК 60269, МЭК 60898, МЭК 60947-2, или МЭК 61009-1, при использовании проводов с медными жилами и сечением фазного и нейтрального проводника не менее 2,5 мм2 за исключением двухжильных кабелей с минеральной изоляцией соответствующим стандартам МЭК, с площадью поперечного сечения не менее 1,5 мм2. Такая кольцевая групповая цепь, как считают, удовлетворяют требованиям п. 433.1 если длительно допустимый ток кабеля (Iz) - не меньше чем 20 А, и если, в условиях применения, ток нагрузки в любой часть кольца вряд ли будет долгое время превышать длительно допустимый ток кабеля (Iz) |
|
|
|
|
В Великобритании используют кольцевые групповые розеточные цепи, защищенные защитным устройством на ток 32 А как с, так и без непаян- ных ответвлений |
||
|
Ирландия |
|
|
В Ирландии кольцевые групповые розеточные цепи могут быть защищены защитным устройством на ток 32 А, соответствующим МЭК 60269, МЭК 60898, МЭК 60947-2, или МЭК 61009-1, при использовании проводов с медными жилами и сечением фазного и нейтрального проводника не менее 2,5 мм2 за исключением двухжильных кабелей с минеральной изоляцией соответствующим стандартам МЭК, с площадью поперечного сечения не менее 1,5 мм2. Такая кольцевая групповая цепь, как считают, удовлетворяют требованиям п. 433.1, если длительно допустимый ток кабеля (Iz) - не меньше чем 20 А, и если, в условиях применения, ток нагрузки в любой части кольца вряд ли будет долгое время превышать длительно допустимый ток кабеля (Iz) |
|
|
|
|
В Ирландии используются кольцевые групповые розеточные цепи, защищенные защитным устройством на ток 32 А как с, так и без непаян- ных ответвлений |
||
|
|
|
В Ирландии не применяется отступ с) |
||
|
|
|
В Ирландии 434.3 d не применяется |
||
|
Германия |
|
|
В Германии приложение D не применяется |
|
|
|
|
В Германии, устройствах для защиты от перегрузки не устанавливаются также в следующих случаях: е) если питающие кабельные линии проложены в земле, или при открытой прокладке, если перегрузка цепей не будет вызывать опасность |
||
|
|
|
В Германии приложение С не применяется |
||
|
b) |
|
|
В Германии перечисление b) сформулировано следующим образом: b) защита каждого отдельного потребляющего электрический ток оборудование его собственным УДТ, мгновенно срабатывающем при втором отказе |
|
|
с) |
|
|
В Германии перечисление с) сформулировано следующим образом: с) использование устройства контроля изоляции, которое: - вызывает разъединение цепи при первом повреждении, или -дает сигнал, указывающий на присутствие повреждения. Повреждение должно быть устранено согласно требованиям эксплуатации и оценки степени риска при втором повреждении |
|
|
|
|
В Германии примечание 1 сформулировано следующим образом: Примечание 1 - Это условие может быть выполнено, например, путем усиления защиты электропроводки от внешних воздействий, обеспечивающее, по сути, защиту от коротких замыканий и замыканий на землю в установке. |
||
|
|
|
В Германии отказ от установки устройств защиты от короткого замыкания допускается, если питающие кабельные линии проложены в земле или при открытой прокладке |
||
|
Приложение С |
|
|
В Германии приложение С не применяется |
|
|
Приложение D |
|
|
В Германии приложение D не применяется |
Сведения о соответствии
ссылочных международных стандартов
ссылочным национальным стандартам Российской Федерации
Таблица ДА.1
|
МЭК 60269-1 |
Предохранители плавкие низковольтные. Часть 1. Общие требования (Low-voltage fuses - Part 1: General requirements) |
|
|
МЭК 60287-1-3 |
Кабели электрические. Вычисление номинального тока. Часть 1-3. Уравнения номинальных токовых нагрузок (при 100 %-ном коэффициенте нагрузок) и расчет потерь. Распределение тока между параллельными одножильными кабелями и расчет потерь циркулирующего тока (Electric cables. Calculation of the current rating. Part 1-3: Current rating equations (100 % load factor) and calculation of losses. Current sharing between parallel single-core cables and calculation of circulating current losses) |
|
|
МЭК 60364-5-54:2002 |
Электрические установки зданий. Часть 5. Выбор и установка электрооборудования. Глава 54: Заземляющие устройства, защитные проводники и защитные проводники уравнивания потенциалов (Electrical installations of buildings. Part 5: Selection and erection of electrical equipment. Part 54: Earthing arrangements, protective conductors and protective bonding conductors) |
|
|
МЭК 60439-2 |
ГОСТ P 51321.2-2009 (МЭК 60439-2:2005) Устройства комплектные низковольтные распределения и управления. Часть 2. Дополнительные требования к шинопроводам ( Low-voltage switchgear and controlgear assemblies. Part 2. Perticular requirements for busbar trunking systems (busways) |
|
|
МЭК 60947-1 |
Аппаратура распределения и управления низковольтная. Часть 1: Общие требования (Low-voltage switchgear and controlgear - Part 1: General requirements) |
|
|
МЭК 60947-4-1 |
Аппаратура коммутационная и механизмы управления низковольтные комплектные. Часть 4-1. Контакторы и пускатели электродвигателей. Электромеханические контакторы и пускатели электродвигателей (Low-voltage switchgear and controlgear - Part 4-1: Contactors and motor-starters - Electromechanical contactors and motor- starters) |
|
|
МЭК 61557-9 |
Сети электрические распределительные низковольтные до 1000 В переменного тока и 1500 В постоянного тока. Безопасность. Оборудование для испытания, измерения или контроля защитных средств. Часть 9. Оборудование для определения места повреждения изоляции в системах измерительных трансформаторов Electrical safety in low voltage distribution systems up to 1000 V a. c. and 1500 V d. c. - Equipment for testing, measuring or monitoring of protective measures - Part 9: Equipment for insulation fault location in IT systems |
Ключевые слова: низковольтные электроустановки, требования безопасности, защита от сверхтока, защита от короткого замыкания, линейные проводники, защитные устройства