Меню
Навигация
Novatika
Первая линия
Бесплатное обучение

Аппаратура распределения и управления низковольтная. Часть 7.1. Электрооборудование вспомогательное. Клеммные колодки для медных проводников

Стандарт устанавливает требования к клеммным колодкам с выводами резьбового или безрезьбового типа преимущественно общепромышленного или аналогичного назначения с креплением к панели, обеспечивающим электрическое и механическое соединение медных проводников. Стандарт распространяется на клеммные колодки, предназначенные для присоединения круглых медных проводников со специальной подготовкой или без нее, номинальным сечением от 0,2 до 300 мм в степени (2) (AWG 24/600 kcmil), применяемые в цепях на номинальное напряжение до 1000 В переменного тока частотой до 1000 Гц или 1500 В постоянного тока. Стандарт не распространяется: - на присоединительные устройства, требующие соединения проводников со специальной подготовкой, например применения плоских быстросоединяемых наконечников, специальных наконечников и т. п.; - на присоединительные устройства, обеспечивающие прямой контакт с проводниками посредством проникновения сквозь изоляцию, например соединители с проколом изоляции и т.п.; - на клеммные колодки специального назначения, например клеммные колодки с функцией разъединения и т. п. Для целей стандарта, термин «зажим» аналогичен термину «вывод». Это следует учесть при ссылках на ГОСТ Р 50030.1.

Обозначение: ГОСТ Р 50030.7.1-2009
Название рус.: Аппаратура распределения и управления низковольтная. Часть 7.1. Электрооборудование вспомогательное. Клеммные колодки для медных проводников
Статус: отменен
Заменяет собой: ГОСТ Р 50030.7.1-2000 «Аппаратура распределения и управления низковольтная. Часть 7. Электрооборудование вспомогательное. Раздел 1. Клеммные колодки для медных проводников»
Дата актуализации текста: 05.05.2017
Дата добавления в базу: 01.09.2013
Дата введения в действие: 01.01.2014
Утвержден: 10.12.2009 Федеральное агентство по техническому регулированию и метрологии (674-ст)
Опубликован: Стандартинформ (2011 г. )
Ссылки для скачивания:

ФЕДЕРАЛЬНОЕ АГЕНТСТВО
ПО ТЕХНИЧЕСКОМУ РЕГУЛИРОВАНИЮ И МЕТРОЛОГИИ

НАЦИОНАЛЬНЫЙ
СТАНДАРТ
РОССИЙСКОЙ
ФЕДЕРАЦИИ

ГОСТ Р
50030.7.1-2009

(МЭК 60947-7-1:2002)

АППАРАТУРА РАСПРЕДЕЛЕНИЯ
И УПРАВЛЕНИЯ НИЗКОВОЛЬТНАЯ

Часть 7.1

Электрооборудование вспомогательное.
Клеммные колодки для медных проводников

IEC 60947-7-1:2002

Low-voltage switchgear and controlgear -

Part 7-1: Ancillary equipment - Terminal blocks
for copper conductors

(MOD)

Москва

Стандартинформ

2011

Предисловие

Цели и принципы стандартизации в Российской Федерации установлены Федеральным законом от 27 декабря 2002 г. № 184-ФЗ «О техническом регулировании», а правила применения национальных стандартов Российской Федерации - ГОСТ Р 1.0-2004 «Стандартизация в Российской Федерации. Основные положения»

Сведения о стандарте

1 ПОДГОТОВЛЕН Автономной некоммерческой организацией «Научно-технический центр «Энергия» (АНО «НТЦ «Энергия», г. Москва и Обществом с ограниченной ответственностью «Всероссийский научно-исследовательский и конструкторско-технологический институт низковольтной аппаратуры» (ООО «ВНИИэлектроаппарат»), г. Ставрополь на основе собственного аутентичного перевода на русский язык стандарта, указанного в пункте 4

2 ВНЕСЕН Техническим комитетом по стандартизации ТК 331 «Низковольтная аппаратура распределения, защиты и управления»

3 УТВЕРЖДЕН И ВВЕДЕН В ДЕЙСТВИЕ Приказом Федерального агентства по техническому регулированию и метрологии от 10 декабря 2009 г. № 674-ст

4 Настоящий стандарт модифицирован по отношению к международному стандарту МЭК 60947-7-1:2002, издание 2 с учетом изменения 1:2003 «Аппаратура распределения и управления низковольтная. Часть 7-1. Электрооборудование вспомогательное. Клеммные колодки для медных проводников» (IEC 60947-7-1:2002, AMENDETMEN 1:2003 «Low-voltage switchgear and controlgear - Part 7-1: Ancillary equipment - Terminal blocks for copper conductors»). При этом все разделы и приложения А, В, С полностью идентичны, за исключением того, что ссылки на международные стандарты заменены выделенными курсивом ссылками на соответствующие национальные стандарты Российской Федерации, при их наличии. Дополнительное по отношению к примененному международному стандарту приложение ДА включает в себя требования, учитывающие потребности экономики Российской Федерации и/или особенности национальной стандартизации.

Раздел «Нормативные ссылки», изложенный в соответствии с требованиями ГОСТ 1.5-2004, включает в себя обозначения и наименования национальных стандартов, на которые приведены ссылки

5 ВЗАМЕН ГОСТ Р 50030.7.1-2000 (МЭК 60947-7-1-89)

Информация об изменениях к настоящему стандарту публикуется в ежегодно издаваемом информационном указателе «Национальные стандарты», а текст изменений и поправок - в ежемесячно издаваемых информационных указателях «Национальные стандарты». В случае пересмотра (замены) или отмены настоящего стандарта соответствующее уведомление будет опубликовано в ежемесячно издаваемом информационном указателе «Национальные стандарты». Соответствующая информация, уведомление и тексты размещаются также в информационной системе общего пользования - на официальном сайте Федерального агентства по техническому регулированию и метрологии в сети Интернет

СОДЕРЖАНИЕ

1 Общие положения. 3

1.1 Область применения. 3

1.2 Нормативные ссылки. 4

2 Термины и определения. 4

3 Классификация. 5

4 Характеристики. 5

4.1 Перечень характеристик. 5

4.2 Тип клеммной колодки. 5

4.3 Номинальные и предельные значения параметров. 5

5 Информация об изделии. 6

5.1 Маркировка. 6

5.2 Дополнительная информация. 6

6 Условия нормальной эксплуатации, монтажа и транспортирования. 7

7 Требования к конструкции и работоспособности. 7

7.1 Требования к конструкции. 7

7.2 Требования к работоспособности. 8

7.3 Электромагнитная совместимость. 8

8 Испытания. 8

8.1 Виды испытаний. 8

8.2 Общие положения. 9

8.3 Проверка механических характеристик. 9

8.4 Проверка электрических характеристик. 11

8.5 Проверка тепловых характеристик. 15

8.6 Проверка характеристик электромагнитной совместимости (ЭМС) 16

Приложение А (справочное) Воздушные зазоры и расстояния утечки. 16

Приложение В (справочное) Вопросы, требующие согласования между изготовителем и пользователем.. 17

Приложение С (обязательное) Крутящие моменты затяжки винтов при испытаниях механических характеристик резьбовых зажимов. 18

Приложение ДА (обязательное) Дополнительные требования национальных стандартов Российской Федерации на электротехнические изделия, учитывающие потребности экономики Российской Федерации. 18

Библиография. 18

Введение

Настоящий стандарт входит в комплекс национальных стандартов Российской Федерации на низковольтную аппаратуру распределения и управления. Основополагающий стандарт этого комплекса - ГОСТ Р 50030.1-2007 (МЭК 60947-1:2004) «Аппаратура распределения и управления низковольтная. Часть 1. Общие требования и методы испытаний».

Настоящий стандарт имеет следующие отличия от ГОСТ Р 50030.7.1-2000 (МЭК 60947-7-1-89), вызванные переизданием примененного в нем международного стандарта МЭК 60947-7-1 в 2002 г. с учетом изменения № 1 2003 г.:

- уточнена область распространения стандарта;

- дополнены пункты 7.1.1, 7.1.3, 7.1.5, 7.1.6, 7.2.2, 7.2.4 раздела «Требования к конструкции и работоспособности»;

- переработан раздел 8 «Испытания» с изменением большинства пунктов, подпунктов;

- уточнено приложение В;

- введено новое приложение С «Крутящие моменты затяжки винтов при испытаниях механических характеристик резьбовых зажимов»;

- обозначено буквами ДА (взамен обозначения буквой С) и уточнено приложение «Дополнительные требования национальных стандартов Российской Федерации на электротехнические изделия, учитывающие потребности экономики Российской Федерации».

Настоящий стандарт может быть использован при оценке соответствия клеммных колодок для медных проводников требованиям технических регламентов.

ГОСТ Р 50030.7.1-2009

(МЭК 60947-7-1:2002)

НАЦИОНАЛЬНЫЙ СТАНДАРТ РОССИЙСКОЙ ФЕДЕРАЦИИ

АППАРАТУРА РАСПРЕДЕЛЕНИЯ И УПРАВЛЕНИЯ НИЗКОВОЛЬТНАЯ

Часть 7.1

Электрооборудование вспомогательное. Клеммные колодки для медных проводников

Low-voltage switchgear and controlgear. Part 7-1. Ancillary equipment. Terminal blocks for copper conductors

Дата введения - 2011-01-01

1 Общие положения

1.1 Область применения

Настоящий стандарт устанавливает требования к клеммным колодкам с выводами резьбового или безрезьбового типа преимущественно общепромышленного или аналогичного назначения с креплением к панели, обеспечивающим электрическое и механическое соединение медных проводников (далее - клеммные колодки; изделия).

Стандарт распространяется на клеммные колодки, предназначенные для присоединения круглых медных проводников со специальной подготовкой или без нее, номинальным сечением от 0,2 до 300 мм2 (AWG 24/600 kcmil), применяемые в цепях на номинальное напряжение до 1000 В переменного тока частотой до 1000 Гц или 1500 В постоянного тока.

Примечание - AWG - сокращенное наименование «Американский сортамент проводов» (сортаменты США и Великобритании одинаковы),

kcmil = 1000 cmil;

1 cmil = 1 круглая mil = Сечение окружности диаметром 1 mil;

1 mil = 1/1000 дюйма.

Настоящий стандарт не распространяется:

- на присоединительные устройства, требующие соединения проводников со специальной подготовкой, например применения плоских быстро соединяемых наконечников, специальных наконечников и т.п.;

- на присоединительные устройства, обеспечивающие прямой контакт с проводниками посредством проникновения сквозь изоляцию, например соединители с проколом изоляции и т.п.;

- на клеммные колодки специального назначения, например клеммные колодки с функцией разъединения и т.п.

Для целей настоящего стандарта термин «зажим» аналогичен термину «вывод». Это следует учесть при ссылках на ГОСТ Р 50030.1.

1.2 Нормативные ссылки

Ниже приведены стандарты, на которые даны нормативные ссылки в настоящем стандарте. Должно быть использовано только то издание стандарта, которое указано ниже. В случае если не указана дата издания стандарта, должно быть использовано последнее действующее издание (включая его последние изменения).

ГОСТ Р 50030.1-2007 (МЭК 60947-1:2004) Аппаратура распределения и управления низковольтная. Часть 1. Общие требования (IEC 60947-1:2004, MOD)

ГОСТ Р МЭК 60715-2003 Аппаратура распределения и управления низковольтная. Установка и крепление на рейках электрических аппаратов в низковольтных комплектных устройствах распределения и управления (IEC 60715:1981, IDT)

ГОСТ 9.005-72 Единая система защиты от коррозии и старения. Металлы, сплавы, металлические и неметаллические неорганические покрытия. Допустимые и недопустимые контакты с металлами и неметаллами

ГОСТ 24753-81 Выводы контактные электротехнических устройств. Общие технические требования

ГОСТ 27484-87 Испытания на пожароопасность. Методы испытаний. Испытания горелкой с игольчатым пламенем (IEC 695-2-2:1980, NEQ)

Примечание - При пользовании настоящим стандартом целесообразно проверить действие ссылочных стандартов в информационной системе общего пользования - на официальном сайте Федерального агентства по техническому регулированию и метрологии в сети Интернет или по ежегодно издаваемому информационному указателю «Национальные стандарты», который опубликован по состоянию на 1 января текущего года, и по соответствующим ежемесячно издаваемым информационным указателям, опубликованным в текущем году. Если ссылочный стандарт заменен (изменен), то при пользовании настоящим стандартом следует руководствоваться заменяющим (измененным) стандартом. Если ссылочный стандарт отменен без замены, то положение, в котором дана ссылка на него, применяется в части, не затрагивающей эту ссылку.

2 Термины и определения

В настоящем стандарте применены термины, приведенные в разделе 2 ГОСТ Р 50030.1, а также следующие термины с соответствующими определениями:

2.1 клеммная колодка (terminal block): Изолирующая часть, служащая носителем для одной или нескольких групп выводов, изолированных друг от друга, и предназначенная для крепления на панели.

2.2 номинальное сечение проводника (rated cross-section): Заявленное изготовителем значение максимального сечения жесткого (одножильного или многожильного) и гибкого проводников, присоединяемых к зажиму, обеспечивающее необходимые электрические и механические характеристики вывода.

2.3 номинальная присоединительная способность (rated connecting capacity): Диапазон присоединяемых сечений и, если допустимо, число одновременно присоединяемых проводников к зажиму для клеммной колодки данной конструкции.

2.4 группа выводов (terminal assembly): Два или более вывода, прикрепляемых к одной и той же токоведущей части.

3 Классификация

Клеммные колодки классифицируют по следующим признакам:

- способу крепления клеммной колодки к панели;

- числу полюсов;

- типу вывода: резьбовому или безрезьбовому;

- способности приема подготовленных проводников (см. 2.3.27 ГОСТ Р 50030.1);

- группам выводов с разными или одинаковыми фиксирующими узлами;

- числу выводов в каждой группе;

- условиям эксплуатации.

4 Характеристики

4.1 Перечень характеристик

Характеристики клеммной колодки:

- тип клеммной колодки (см. 4.2);

- номинальные и предельные значения параметров (см. 4.3).

4.2 Тип клеммной колодки

Следует указать:

- тип вывода (резьбовой, безрезьбовой);

- число выводов.

4.3 Номинальные и предельные значения параметров

4.3.1 Номинальные напряжения

По 4.3.1.2 и 4.3.1.3 ГОСТ Р 50030.1.

4.3.2 Кратковременно выдерживаемый ток (клеммной колодки)

Заданное действующее значение тока, который клеммная колодка способна выдерживать в течение установленного кратковременного периода в заданных условиях эксплуатации (см. 7.2.3 и 8.4.6).

4.3.3 Стандартные поперечные сечения

Применяемые значения стандартных сечений круглых медных проводников указаны в таблице 1.

Таблица 1 - Стандартные номинальные сечения круглых медных проводников

Метрические размеры ИСО, мм2

Соотношение между размерами AWG/kcmil и метрическими размерами

Размер AWG/kcmil

Эквивалентная метрическая площадь поперечного сечения, мм2

0,20

24

0,205

-

22

0,324

0,50

20

0,519

0,75

18

0,820

1,00

-

-

1,50

16

1,300

2,50

14

2,100

4,00

12

3,300

6,00

10

5,300

10,00

8

8,400

16,00

6

13,300

25,00

4

21,200

35,00

2

33,600

50,00

0

53,500

70,00

00

67,400

95,00

000

85,000

-

0000

107,200

120,00

250

127,000

150,00

300

152,000

185,00

350

177,000

240,00

500

253,000

300,00

600

304,000

4.3.4 Номинальное поперечное сечение

Номинальное поперечное сечение выбирают из стандартных сечений, указанных в таблице 1.

4.3.5 Номинальная присоединительная способность

Для клеммных колодок номинальным сечением от 0,2 до 35 мм2 включительно применяют минимальные значения, указанные в таблице 2. Проводники могут быть жесткими (одно- или многожильными) или гибкими.

Изготовитель должен указать типы, максимальное и минимальное поперечные сечения присоединяемых проводников и, если приемлемо, то число проводников, одновременно присоединяемых к каждому выводу. Изготовитель должен также предупредить о необходимости подготовки конца проводника.

5 Информация об изделии

5.1 Маркировка

Клеммная колодка должна иметь прочную и четкую маркировку, содержащую следующие данные:

a) наименование или товарный знак изготовителя для его идентификации;

b) обозначение типа изделия, позволяющее легко его идентифицировать для получения соответствующей информации от изготовителя, в том числе содержащейся в каталогах.

5.2 Дополнительная информация

Следующие данные должны быть маркированы на клеммной колодке, если на ней достаточно места, или приведены в каталоге изготовителя, или нанесены на этикетку упаковки:

a) обозначение настоящего стандарта, если изготовитель заявляет о соответствии клеммной колодки настоящему стандарту;

b) номинальное сечение проводников;

с) номинальная присоединительная способность, если она не соответствует таблице 2, включая число одновременно присоединяемых проводников;

Таблица 2 - Взаимосвязь между номинальным сечением проводников и номинальной способностью к присоединению клеммных колодок

Номинальное сечение

Номинальная присоединительная способность

мм2

AWG/kcmil

мм2

AWG/kcmil

0,20

24

0,20

24

0,50

20

0,20 - 0,50

24 - 20

0,75

18

0,20 - 0,50 - 0,75

24 - 20 - 18

1,00

-

0,50 - 0,75 - 1,00

-

1,50

16

0,75 - 1,00 - 1,50

20 - 18 - 16

2,50

14

1,00 - 1,50 - 2,50

18 - 16 - 14

4,00

12

1,50 - 2,50 - 4,00

16 - 14 - 12

6,00

10

2,50 - 4,00 - 6,00

14 - 12 - 10

10,00

8

4,00 - 6,00 - 10,00

12 - 10 - 8

16,00

6

6,00 - 10,00 - 16,00

10 - 8 - 6

25,00

4

10,00 - 16,00 - 25,00

8 - 6 - 4

35,00

2

16,00 - 25,00 - 35,00

6 - 4 - 2

d) номинальное напряжение изоляции;

e) номинальное импульсное выдерживаемое напряжение, если установлено;

f) условия эксплуатации, если они отличаются от указанных в разделе 6.

6 Условия нормальной эксплуатации, монтажа и транспортирования

По разделу 6 ГОСТ Р 50030.1.

7 Требования к конструкции и работоспособности

7.1 Требования к конструкции

7.1.1 Выводные зажимы

По 7.1.1 ГОСТ Р 50030.1 со следующими дополнениями.

Конструкция выводных зажимов должна допускать присоединение проводников с помощью частей, обеспечивающих контакт и выполненных из металла достаточной механической прочности.

Примечание - Резьбовые выводные зажимы не предназначены для присоединения гибких проводников с пропаянными жилами.

Выводные зажимы должны быть способны выдерживать силы, которые могут быть приложены через присоединяемые проводники.

Соответствие проверяют осмотром и испытаниями по 8.3.3.1 - 8.3.3.3.

Контактное давление не должно передаваться через изоляционный материал, кроме керамики или другого материала с аналогичными характеристиками, если металлические части не обладают достаточной эластичностью для компенсации любой возможной усадки изоляционного материала.

Соответствующий метод испытаний находится в стадии рассмотрения.

7.1.2 Монтаж

Клеммные колодки должны быть оснащены устройствами, обеспечивающими надежное крепление к рейке или установочной поверхности. Испытания следует проводить в соответствии с 8.3.2.

Примечание - Информация, относящаяся к монтажу на рейках, содержится в ГОСТ Р МЭК 60715.

7.1.3 Воздушные зазоры и расстояния утечки

Для клеммных колодок с указанными изготовителем значениями номинального импульсного выдерживаемого напряжения Uimp и номинального напряжения изоляции Ui значения минимальных воздушных зазоров и расстояний утечки следует выбирать по таблицам 13 и 15 ГОСТ Р 50030.1.

Для клеммных колодок со значениями номинального импульсного выдерживаемого напряжения Uimp, не указанными изготовителем, при назначении минимальных воздушных зазоров и расстояний утечки следует руководствоваться приложением А.

Электрические характеристики установлены в 7.2.2.

7.1.4 Идентификация и маркировка выводов

По 7.1.4 ГОСТ Р 50030.1 со следующим дополнением.

На клеммной колодке должно быть предусмотрено место для нанесения идентификационных знаков или номеров на каждый вывод или группу выводов соответствующей цепи, частью которой она является.

Примечание - Маркировка может иметь вид отдельных ярлыков, этикеток и т.п.

7.1.5 Стойкость частей из изоляционных материалов к аномальному нагреву и огню

Изоляционные материалы клеммных колодок должны быть устойчивыми к воздействию аномального нагрева и огнестойкими.

Соответствие проверяют испытанием игольчатым пламенем по ГОСТ 27484 (см. примечание в 7.1.1.1 ГОСТ Р 50030.1), как указано в 8.5.

7.1.6 Способность к присоединению

Конструкцией клеммных колодок должен быть обеспечен зажим проводников номинального поперечного сечения, и/или клеммные колодки должны соответствовать требованиям номинальной присоединительной способности.

Соответствие проверяют испытанием по 8.3.3.4.

Соответствие номинальной присоединительной способности проверяют специальными испытаниями по 8.3.3.5.

7.2 Требования к работоспособности

7.2.1 Превышение температуры

Клеммные колодки следует испытывать в соответствии с 8.3.3. Превышение температуры выводов не должно быть более 45 К.

7.2.2 Электроизоляционные свойства

Если изготовитель указал значение номинального импульсного выдерживаемого напряжения Uimp (см. 4.3.1.3 ГОСТ Р 50030.1), действительны требования 7.2.3 и 7.2.3.2 ГОСТ Р 50030.1. Если применимо, испытания импульсным выдерживаемым напряжением должны быть проведены согласно 8.4.3, перечисление а).

Для проверки изоляционных характеристик применяют требования 7.2.3, 7.2.3.2 и 7.2.3.5 ГОСТ Р 50030.1. Испытания электрической прочности изоляции должны быть проведены по 8.4.3, перечисление b).

Проверку воздушных зазоров и расстояний утечки проводят в соответствии с 8.4.2. Если изготовитель не указал значение номинального импульсного выдерживаемого напряжения Uimp, проверку воздушных зазоров и расстояний утечки проводят с учетом приложения А.

7.2.3 Номинальный кратковременно выдерживаемый ток

Клеммная колодка должна быть способна проводить в течение 1 с номинальный кратковременно выдерживаемый ток, который соответствует 120 А на 1 мм2 присоединяемого номинального поперечного сечения, согласно 8.4.6.

7.2.4 Падение напряжения

Значение падения напряжения, вызываемого введением проводника в клеммную колодку, измеряемого согласно 8.4.4, не должно превышать значений, указанных в 8.4.4 и, где применимо, в 8.4.7.

7.2.5 Электрическая работоспособность после испытаний на температурный износ (только для клеммных колодок безрезьбового типа)

Клеммные колодки должны быть способны выдерживать испытание на износ воздействием 192 температурных циклов согласно 8.4.7.

7.3 Электромагнитная совместимость

Применяют 7.3 ГОСТ Р 50030.1.

8 Испытания

8.1 Виды испытаний

Применяют 8.1.1 ГОСТ Р 50030.1 со следующими дополнениями.

Испытания неуказанных видов обусловливают. Соответствие номинальной присоединительной способности проверяют специальными испытаниями по 8.3.3.5. После этого проводят типовые испытания.

8.2 Общие положения

Если иное не обусловлено, испытаниям подвергают новые, не бывшие в употреблении чистые клеммные колодки, установленные как в нормальных условиях применения (см. 6.3 ГОСТ Р 50030.1) и при температуре окружающей среды (20 ± 5) °С.

Примечание - «Нормальные условия применения» означают установку пяти клеммных колодок на общей панели; оставшуюся открытую сторону крайней колодки закрывают пластиной, прикрепляемой к концу панели любым способом.

Испытания проводят в последовательности, указанной далее.

Каждое испытание проводят на новых отдельных образцах.

Испытания по 8.3.3.2 и 8.3.3.3 проводят на одних образцах.

Контактирующие поверхности применяемых проводников не должны иметь загрязнений и коррозии, ухудшающих характеристики при испытаниях.

При скручивании концов проводников следует исключить их надломы, надрезы, пережатия и другие повреждения жил.

Если изготовитель обусловливает необходимость предварительной подготовки концов проводников, в протоколе испытаний должен быть описан способ подготовки.

Испытания проводят с проводником типа (жестким или гибким), который указал изготовитель.

8.3 Проверка механических характеристик

8.3.1 Общие положения

Проверка механических характеристик включает в себя следующие испытания:

- крепления клеммной колодки к панели (см. 8.3.2);

- механической прочности выводов (см. 8.3.3.1);

- крепления проводников в зажимах (см. 8.3.3.2 и 8.3.3.3);

- номинального поперечного сечения (см. 8.3.3.4 и 8.3.3.5).

8.3.2 Крепление клеммной колодки к панели

Испытания проводят на двух выводных зажимах центральной клеммной колодки из группы пяти клеммных колодок, закрепленных на установочной панели согласно инструкции изготовителя.

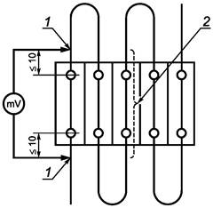
Стальной стержень длиной 150 мм и диаметром согласно таблице 3 последовательно прикрепляют к каждому зажиму. Значение крутящего момента должно соответствовать значениям таблицы 4 ГОСТ Р 50030.1 с уточнением по таблице С.1 (приложение С) для винтовых зажимов с диаметром резьбы не более 2,8 мм или составлять 110 % момента, указанного изготовителем. Силу, значение которой соответствует значениям таблицы 3, равномерно без рывков прилагают к стержню на расстоянии 100 мм от центра зажимного узла согласно рисунку 1.

Во время испытания клеммная колодка не должна смещаться с рейки или панели или получать повреждения.

Рисунок 1 - Схема испытания по 8.3.2

Таблица 3 - Параметры испытания на крепление

Номинальное поперечное сечение проводника

Сила, Н

Диаметр стержня, мм

мм2

AWG/kcmil

0,20

24

0,50

20

0,75

18

1,00

-

1

1,0

1,50

16

2,50

14

4,00

12

6,00

10

10,00

8

5

2,8

16,00

6

25,00

4

35,00

2

50,00

0

10

5,7

70,00

00

95,00

000

-

0000

120,00

250

15

12,8

150,00

300

185,00

350

240,00

500

300,00

600

20

20,5

8.3.3 Механические свойства выводов

8.3.3.1 Испытания механических характеристик выводных зажимов

Применяют 8.2.4.1 и 8.2.4.2 ГОСТ Р 50030.1 со следующими дополнениями.

Испытания проводят на двух выводных зажимах центральной клеммной колодки из группы пяти клеммных колодок, установленных на панели согласно инструкции изготовителя.

Испытания по 8.2.4.2 ГОСТ Р 50030.1 применяют для зажимов резьбового типа.

Для зажимов резьбового типа с диаметром резьбы не более 2,8 мм крутящий момент принимают по таблице С.1 (приложение С) или равным 110 % крутящего момента, указанного изготовителем, при этом выбирают большее значение.

После проверки падения напряжения согласно 8.4.4 с присоединенными проводниками номинального сечения, указанного изготовителем, и затем, если применимо, с проводниками минимального сечения, указанного изготовителем, жесткие проводники номинального сечения должны быть присоединены и отсоединены пять раз.

По окончании этого испытания клеммная колодка должна быть подвергнута проверке падения напряжения согласно 8.4.4 с присоединенными жесткими проводниками номинального сечения, а затем, если применимо, с гибкими проводниками минимального сечения.

8.3.3.2 Испытание на повреждение и случайное ослабление проводников (на изгиб)

Применяют 8.2.4.1 и 8.2.4.3 ГОСТ Р 50030.1 со следующими уточнениями.

Данное испытание должно быть проведено на двух выводных зажимах одной клеммной колодки.

Для зажимов резьбового типа, с диаметром резьбы не более 2,8 мм, крутящий момент выбирают по таблице С.1 (приложение С) или принимают значение, указанное изготовителем.

Испытание проводят на присоединяемых к зажиму проводниках в том количестве и того типа (жестких и/или гибких), которые обусловил изготовитель со следующими уточнениями:

- с наименьшим сечением проводника из указанных изготовителем (к зажиму присоединяют один проводник);

- с номинальным сечением проводника из указанных изготовителем (к зажиму присоединяют один проводник);

и, если применимо:

- с наибольшим сечением проводника из указанных изготовителем (к зажиму присоединяют один проводник);

- с максимальным числом одновременно присоединяемых к зажиму проводников наименьшего сечения из указанных изготовителем;

- с максимальным числом одновременно присоединяемых к зажиму проводников наибольшего сечения из указанных изготовителем;

- с максимальным числом одновременно присоединяемых к зажиму проводников наименьшего и наибольшего сечений из указанных изготовителем.

8.3.3.3 Испытание на вытягивание

Применяют 8.2.4.4 ГОСТ Р 50030.1 со следующими уточнениями.

К проводникам сечением 0,34 mm2 (AWG22) прилагают тянущую силу 15 Н, для проводников сечением 0,5 мм2 (AWG 20) - 20 Н.

8.3.3.4 Проверка возможности присоединения проводника номинального сечения и проверка способности к присоединению

Испытания должны быть проведены на каждом зажиме одной клеммной колодки.

Для проводников номинального сечения и зажимов с номинальной подключающей способностью свыше 35 мм2 один проводник или два проводника меньшего сечения должны входить в гнездо зажима и быть присоединены к выводу.

8.3.3.5 Проверка присоединения проводника номинального сечения (специальные испытания калибром)

Применяют 8.2.4.5 ГОСТ Р 50030.1 со следующим дополнением.

Испытания должны быть проведены на каждом зажиме одной клеммной колодки.

8.4 Проверка электрических характеристик

8.4.1 Общие положения

Проверка электрических характеристик включает в себя:

- проверку воздушных зазоров и расстояний утечки (см. 8.4.2 или приложение А);

- испытание на электрическую прочность изоляции (см. 8.3.1);

- проверку падения напряжения (см. 8.4.4);

- испытание на превышение температуры (см. 8.4.5);

- испытание на кратковременно выдерживаемый ток (см. 8.4.6);

- испытание на износ клеммных колодок безрезьбового типа (см. 8.4.7).

8.4.2 Проверка воздушных зазоров и расстояний утечки

8.4.2.1 Общие положения

Измерения должны быть проведены между двумя рядом расположенными клеммными колодками и между клеммной колодкой и металлическим основанием, на котором установлена колодка. Воздушные зазоры и расстояния утечки должны быть измерены при следующих условиях:

a) клеммные колодки должны быть оснащены самыми неблагоприятными для получения результатов измерений проводниками из проводников типов и сечений, указанных изготовителем;

b) проводники должны быть освобождены от изоляции на длину, указанную изготовителем;

c) при указании изготовителем различных способов установки колодок на металлическую панель должен быть применен самый неблагоприятный для получения результатов измерений вариант.

Методы измерений воздушных зазоров и расстояний утечки принимают по приложению G ГОСТ Р 50030.1.

8.4.2.2 Воздушные зазоры

Измеренные воздушные зазоры должны быть не менее приведенных в таблице 13 ГОСТ Р 50030.1 для случая В - однородное поле (см. 7.2.3.3 ГОСТ Р 50030.1), соотнесенных к выдерживаемому импульсному напряжению Uimp и степени загрязнения среды, указанным изготовителем.

Испытание на номинальное выдерживаемое импульсное напряжение не проводят в соответствии с 8.4.3, перечисление а), если измеренные воздушные зазоры не менее указанных в таблице 13 ГОСТ Р 50030.1 для случая В - неоднородная среда [см. 8.3.3.4.1, перечисление 2) ГОСТ Р 50030.1].

8.4.2.3 Расстояния утечки

Измеренные расстояния утечки должны быть не менее указанных в таблице 15 ГОСТ Р 50030.1 с учетом 7.2.3.4, перечисления а) и b) ГОСТ Р 50030.1, соотнесенных к номинальному напряжению изоляции, группе материалов и степени загрязнения среды, указанным изготовителем.

8.4.3 Испытания изоляционных характеристик

a) Изготовитель может указать значение номинального выдерживаемого импульсного напряжения Uimp; испытание на выдерживаемое импульсное напряжение проводят в соответствии с 8.3.3.4.1, перечисление 2) ГОСТ Р 50030.1 (исключая пункт с) данного перечисления.

b) Проверку твердой изоляции выдерживаемым напряжением промышленной частоты проводят в соответствии с 8.3.3.4.1, перечисление 3) ГОСТ Р 50030.1. Значение испытательного напряжения выбирают из таблицы 12А ГОСТ Р 50030.1 [см. 8.3.3.4.1, перечисление 3), пункты b) и i) ГОСТ Р 50030.1].

Каждое испытание должно быть проведено на пяти совместно установленных на металлическом основании клеммных колодках в условиях, соответствующих 8.4.2.1, перечисления а), b) и с).

Вначале прилагают напряжение между смежными колодками, а затем между всеми колодками, соединенными вместе, и панелью, на которой установлены колодки.

8.4.4 Проверка падения напряжения

Падение напряжения проверяют:

a) до и после испытания на механическую прочность выводов (см. 8.3.3.1);

b) до и после испытания на превышение температуры (см. 8.4.5);

c) до и после испытания на кратковременно выдерживаемый ток (см. 8.4.6);

d) до, во время и после испытания на температурный износ (см. 8.4.7). Условия проверки соответствия указаны в 8.3.3.1, 8.4.5 - 8.4.7.

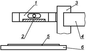
Падение напряжения измеряют на каждой клеммной колодке в соответствии с рисунком 2. Измерение проводят при нагрузке постоянным током, равным 0,1 указанного в таблице 4 или таблице 5.

1 - место измерения падения напряжения милливольтметром; 2 - место измерения температуры

Рисунок 2 - Установка для испытания на падение напряжения

Таблица 4 - Значения испытательного тока для испытаний на превышение температуры, износ и падение напряжения для метрических размеров сечений проводников

Номинальное поперечное сечение, мм2

Испытательный ток, А

Номинальное поперечное сечение, мм2

Испытательный ток, А

0,20

4,0

25

101

0,34

5,0

35

125

0,50

6,0

50

150

0,75

9,0

70

192

1,00

13,5

95

232

1,50

17,5

120

269

2,5

24

150

309

4,0

32

185

353

6

41

240

415

10

57

300

520

16

76

Таблица 5 - Значения испытательного тока для испытаний на превышение температуры, износ и падение напряжения для размеров сечений проводников в системе AWG/kcmil

Номинальное поперечное сечение AWG/kcmil

Испытательный ток, А

Номинальное поперечное сечение AWG/kcmil

Испытательный ток, А

24

4,0

2

121

22

6,0

1

139

20

8,0

0

162

18

10,0

00

185

16

16

000

217

14

22

0000

242

12

29

250

271

10

38

300

309

8

50

350

353

6

67

500

415

4

90

600

520

До испытаний по указанным перечислениям а), b), с) и d) измеренное падение напряжения не должно быть более 3,2 мВ.

Если измеренное падение напряжения превышает 3,2 мВ, необходимо провести измерения индивидуально на каждом выводном зажиме клеммной колодки, при этом значения измеренного падения напряжения не должны превышать 1,6 мВ.

После испытаний по вышеуказанным перечислениям а), b) и с) значения измеренного падения напряжения не должны быть более 150 % соответствующих значений, полученных при измерении до испытаний.

В процессе и после испытаний по вышеуказанному перечислению d) значения измеренного падения напряжения не должны быть более значения, указанного в 8.4.7.

8.4.5 Испытание на превышение температуры

Испытание выполняют одновременно на пяти смежных клеммных колодках, соединенных последовательно проводниками с поливинилхлоридной (далее - ПВХ) изоляцией номинального поперечного сечения, как указано на рисунке 2.

Проводники должны быть зажаты крутящими моментами, значения которых приведены в таблице 4 ГОСТ Р 50030.1, с учетом таблицы С.1 (приложение С) для зажимов резьбового типа с диаметром резьбы не более 2,8 мм или обусловленным изготовителем максимальным моментом в зависимости от того, что применимо. Минимальная длина каждого из шести проводников должна быть 1 м для номинальных сечений до 10 мм2 включительно и 2 м для больших номинальных сечений.

Испытательную цепь (см. рисунок 2) располагают горизонтально на деревянной поверхности (например, крышке стола или полу), клеммные колодки надежно прикрепляют к панели, проводники свободно размещают на ней.

Проводники номинальных сечений менее 10 мм2 должны быть одножильными; проводники номинальных сечений 10 мм2 и более должны быть жесткими многожильными.

Во время испытаний винты выводных зажимов не должны подтягиваться.

После проверки падения напряжения по 8.4.4 испытание проводят переменным однофазным током, значение которого указано в таблице 4 или 5, соответственно номинальному сечению и продолжительностью до достижения установившейся температуры. Если разница между результатами двух из трех последовательных измерений, выполненных с интервалом в 5 мин, составляет менее 1 К, температуру считают установившейся.

Испытания многоярусных клеммных колодок проводят переменным однофазным током, значение которого приведено в таблице 4 или 5, или при значении тока, указанном изготовителем.

Превышение температуры любой части клеммной колодки, расположенной в центре (см. рисунок 2), не должно выходить за пределы, указанные в 7.2.1.

По окончании испытания и охлаждении до температуры окружающей среды клеммные колодки без изменений в монтаже должны быть способны выдерживать испытание на падение напряжения согласно 8.4.4.

8.4.6 Испытание на кратковременно выдерживаемый ток

Цель данного испытания заключается в проверке способности клеммной колодки выдерживать тепловые нагрузки.

Испытание проводят на одной клеммной колодке, установленной согласно указанию изготовителя. К зажимам должны быть присоединены проводники номинального сечения с крутящими моментами затяжки винтов согласно таблице 4 ГОСТ Р 50030.1 с учетом таблицы С.1 (приложение С) для зажимов резьбового типа с диаметром резьбы не более 2,8 мм или обусловленным изготовителем максимальным крутящим моментом в зависимости от того, что применимо.

Проводники номинальных сечений менее 10 мм2 должны быть одножильными; проводники номинальных сечений 10 мм2 и более должны быть жесткими многожильными.

После проверки падения напряжения по 8.4.4 подают испытательный ток значением и продолжительностью согласно 7.2.3.

По окончании испытания не должно быть повреждений частей клеммной колодки, способных нарушить ее дальнейшую эксплуатацию. После охлаждения до температуры окружающей среды без внесения изменений в испытательную установку клеммная колодка должна быть способна выдержать испытание на падение напряжения согласно 8.4.4.

8.4.7 Испытание на температурный износ клеммных колодок безрезьбового типа

Испытание проводят на пяти клеммных колодках, установленных согласно рисунку 2 и соединенных одна с другой последовательно проводниками номинального сечения.

Проводники сечением до 10 мм2 должны быть одножильными, сечением 10 мм2 и более - жесткими многожильными.

Для клеммных колодок, предназначенных для «нормальных условий эксплуатации» (максимальная температура 40 °С согласно 6.1.1 ГОСТ Р 50030.1), должны быть применены проводники с ПВХ изоляцией.

Для клеммных колодок, предназначенных по указанию изготовителя для «предельных условий эксплуатации» [максимальной температурой выше 40 °С согласно примечанию 1) к 6.1.1 ГОСТ Р 50030.1], должны быть применены теплостойкие изолированные или неизолированные проводники.

Минимальная длина проводников-перемычек должна быть 300 мм.

Клеммные колодки помещают в камеру тепла, выдерживают при температуре (20 ± 2) °С и затем измеряют падение напряжения.

Испытательная установка (собранная схема) не должна перемещаться до окончания измерений падения напряжения.

Клеммные колодки подвергают воздействию 192 температурных циклов в следующем порядке.

Температуру в камере тепла повышают до 40 °С согласно 8.3.3.3.1 ГОСТ Р 50030.1 или до температуры, указанной изготовителем как температура «предельных условий эксплуатации».

Температуру поддерживают на этом уровне с точностью ±5 °С в течение 10 мин.

В данном периоде цикла значение тока устанавливают согласно 8.4.5.

Затем клеммные колодки охлаждают до температуры приблизительно 30 °С, допускается принудительное охлаждение; клеммные колодки выдерживают при этой температуре около 10 мин, если в данном цикле необходимо измерение падения напряжения, то клеммные колодки охлаждают до температуры (20 ± 5) °С.

Примечание - За основу принимают скорость подъема температуры или охлаждения в камере тепла приблизительно 1,5 °С/мин.

Измерение падения напряжения клеммных колодок проводят по 8.4.4 после каждого 24-го температурного цикла и после 192-го температурного цикла при температуре (20 ± 5) °С.

Падение напряжения не должно превышать 4,8 мВ или 1,5 значения, полученного после 24-го цикла, в зависимости от того, что ниже.

Если один из образцов не выдержал испытание, испытание повторяют на втором комплекте клеммных колодок. Все клеммные колодки должны выдержать повторное испытание.

После испытания осмотр не должен выявить таких изменений, нарушающих дальнейшую эксплуатацию, как трещины, деформации и т.п.

После этого проводят испытание на вытягивание по 8.3.3.3.

8.5 Проверка тепловых характеристик

Тепловые характеристики проверяют воздействием игольчатого пламени.

Испытания проводят по ГОСТ 27484 последовательно на каждой из трех клеммных колодок в области одного выводного зажима.

Испытательное помещение должно быть без сквозняков, размерами, обеспечивающими обновление воздуха в зоне испытаний.

Перед испытанием образцы клеммных колодок выдерживают 24 ч при температуре окружающей среды от 15 °С до 35 °С и относительной влажности воздуха от 45 % до 75 %.

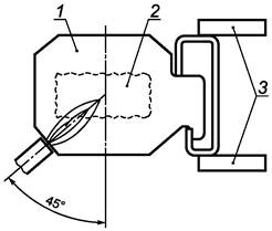
После выдержки в указанных условиях клеммные колодки устанавливают на подходящее основание и фиксируют соответствующими элементами так, чтобы одна из изоляционных стенок была параллельна расположенной ниже панели (см. рисунок 3).

1 - клеммная колодка; 2 - боковая изоляционная стенка; 3 - монтажное основание; 4 - фиксирующие части; 5 - папиросная бумага; 6 - сосновая доска

Рисунок 3 - Установка для испытаний по 8.5

Проводники не подсоединяют.

Нижерасположенную панель, изготовленную из 10 мм сосновой доски, покрывают слоем папиросной бумаги (плотностью от 12 до 30 г/м2 в соответствии с 6.86 ИСО 4046 [1]), расстояние от панели до клеммной колодки должно быть (200 ± 5) мм.

Испытательное пламя, соответствующее рисунку 2 ГОСТ 27484, направляют под углом 45° к боковой изоляционной стенке.

Конец пламени должен иметь контакт с изоляционной стенкой в области выводного зажима (см. рисунок 4).

1 - клеммная колодка; 2 - часть колодки в области выводного зажима; 3 - фиксирующие части

Рисунок 4 - Место воздействия игольчатого пламени (вид с нижней стороны клеммной колодки)

Пламя должно воздействовать в течение 10 с. Если толщина стенки менее 1 мм и/или ее площадь менее 100 мм2, пламя должно воздействовать в течение 5 с.

После этого пламя отводят, в случае воспламенения измеряют продолжительность горения корпуса клеммной колодки.

Продолжительность горения составляет интервал времени от момента отвода пламени горелки до момента затухания пламени на клеммной колодке.

Клеммную колодку считают выдержавшей испытания, если время горения корпуса составляет не более 30 с.

Папиросная бумага не должна загораться от падающих горящих частиц, отделяющихся от клеммной колодки.

8.6 Проверка характеристик электромагнитной совместимости (ЭМС)

Применяют 8.4 ГОСТ Р 50030.1 со следующими уточнениями.

8.6.1 Помехоустойчивость

Клеммные колодки, рассматриваемые настоящим стандартом, не содержат электронных компонентов, и испытания на помехоустойчивость не проводят.

8.6.2 Помехоэмиссия

Клеммные колодки, рассматриваемые настоящим стандартом, не содержат генерирующих электронных компонентов, и испытания на помехоэмиссию не проводят.

Приложение А
(справочное)

Воздушные зазоры и расстояния утечки

А.1 Общие положения

А.1.1 На задание значений воздушных зазоров и расстояний утечки влияет множество факторов, таких как атмосферные условия, тип используемой изоляции, взаимоположение изоляционных частей и проводников, состояние системы, в которой предполагается устанавливать клеммные колодки. В связи с этим окончательный выбор значений осуществляет изготовитель.

А.1.2 Рекомендуется, чтобы на поверхности изоляционных частей конструкцией были предусмотрены ребра, расположенные таким образом, чтобы прерывать целостность образующихся токоведущих отложений.

А.1.3 Токоведущие части, имеющие только лакокрасочные покрытия ил и защищенные оксидными пленками или другими аналогичными покрытиями, не допускается считать изолированными относительно воздушных зазоров или расстояний утечки.

А.1.4 Воздушные зазоры и расстояния утечки должны быть постоянными при следующих условиях:

a) как без наружных электрических соединений, так и в случае, когда проводники, изолированные или оголенные, тип и размер которых указаны для данной клеммной колодки, присоединены к колодке согласно инструкции изготовителя, при ее наличии;

b) с учетом возможных тепловых деформаций, деформаций от ударов, вибраций, деформаций от износа, коротких замыканий, которым клеммная колодка может быть подвергнута в процессе эксплуатации.

А.2 Определение воздушных зазоров и расстояний утечки

При определении воздушных зазоров и расстояний утечки рекомендуется соблюдать следующее:

А.2.1 При определении расстояния утечки канавки шириной и глубиной 2 мм следует измерять по контуру. Канавками меньших размеров, а также канавками, заполненными загрязнениями, следует пренебречь. Расстояния измеряют только по прямой.

А.2.2 При определении расстояния утечки ребрами высотой менее 2 мм следует пренебречь. Ребра высотой 2 мм и более измеряют:

- по контуру, если они составляют неотъемлемую часть детали из изоляционного материала (например, отлитое или приклеенное ребро);

- по более короткому из двух путей - вдоль стыка или по профилю ребра, если оно не составляет неотъемлемую часть детали из изоляционного материала.

А.2.3 Применение вышеуказанных рекомендаций проиллюстрировано на примерах 1 - 11 приложения G ГОСТ Р 50030.1.

Приложение В
(справочное)

Вопросы, требующие согласования между изготовителем и пользователем

Примечание - Для целей настоящего приложения термин «согласование» имеет широкое значение, термин «пользователь» включает в себя испытательную лабораторию.

Применяют требования приложения J ГОСТ Р 50030.1, относящиеся к подразделам, пунктам и подпунктам настоящего стандарта, со следующими дополнениями:

Таблица В.1

Подраздел, пункт, подпункт настоящего стандарта

Вопрос, требующий согласования

8.2

Условия испытаний:

- специальная подготовка концов проводников, если необходимо;

- тип проводника (жесткий или гибкий)

8.3.3.1

Минимальное присоединяемое сечение для проверки падения напряжения

8.3.2

8.3.3

8.4.5

8.4.6

Момент затяжки для испытания проводников без повреждений, если есть различия с выбираемым по таблице 4 ГОСТ Р 50030.1, с учетом таблицы С.1 (приложение С) для резьбовых зажимов с диаметром резьбы не более 2,8 мм

8.3.3.5

Специальные испытания

8.4.7

Температура при проведении испытаний, если отличается от +40 °С

Примечание - Все перечисленное выше, где применимо, устанавливается изготовителем.

Приложение С
(обязательное)

Крутящие моменты затяжки винтов при испытаниях
механических характеристик резьбовых зажимов

Таблица С.1 - Крутящие моменты затяжки винтов при испытаниях механических характеристик резьбовых зажимов

Диаметр резьбы, мм

Крутящий момент, Н×м

Стандартная резьба

Диаметр резьбы испытуемого зажима

Ia

IIb

IIIc

1,6

≤ 1,6

0,05

0,1

0,1

2,0

Св. 1,6 до 2 включ.

0,1

0,2

0,2

2,5

Св. 2 до 2,8 включ.

0,2

0,4

0,4

а Колонку I применяют для винтов без головок, когда затяжку проводят инструментом, входящим в отверстие в винте, а также для других винтов, у которых затяжка не может быть проведена отверткой, лезвие которой больше диаметра резьбы.

b Колонку II применяют для винтов и гаек, затягиваемых отверткой.

с Колонку III применяют для винтов и гаек, затягиваемых инструментом, иным чем отвертка.

Приложение ДА
(обязательное)

Дополнительные требования национальных стандартов Российской Федерации
на электротехнические изделия,
учитывающие потребности экономики Российской Федерации

Применяют приложение R ГОСТ Р 50030.1 со следующими изменениями:

R.4 Выводы клеммных колодок могут допускать присоединение алюминиевых проводов и кабелей только при условии, что изготовитель указывает об этом в технических условиях и информационной документации на клеммные колодки конкретных серий и типов.

При этом выводы клеммных колодок должны соответствовать ГОСТ 24753, контактные участки выводов должны иметь защитные покрытия по ГОСТ 9.005, а выводные зажимы - средства стабилизации контактного нажатия.

R.10 Правила приемки клеммных колодок должны быть установлены в технических условиях на клеммные колодки конкретных серий и типов.

R.11 Изготовитель должен гарантировать соответствие клеммных колодок требованиям настоящего стандарта, а также технических условий на клеммные колодки конкретных серий и типов при условии соблюдения правил эксплуатации, транспортирования и хранения, устанавливаемых техническими условиями на клеммные колодки конкретных серий и типов.

Гарантийный срок эксплуатации клеммных колодок - не менее двух лет со дня ввода в эксплуатацию - должен быть установлен в технических условиях на клеммные колодки конкретных серий и типов.

Библиография

[1]

ISO 4046:1978

Paper, board, pulp and related terms-Vocabulary

(ИСО 4046:1978)

(Бумага, картон, целлюлозам относящиеся к ним термины. Словарь)

Ключевые слова: вспомогательное оборудование, клеммные колодки