Меню
Навигация
Novatika
Бесплатное обучение
Первая линия

Аппаратура распределения и управления низковольтная. Часть 5.5. Аппараты и элементы коммутации для цепей управления. Электрические устройства срочного останова с функцией механического защелкивания

Стандарт устанавливает требования к электрическим и механическим частям конструкции устройств срочного останова с функцией механического защелкивания и методы их испытаний. Стандарт распространяется на электрические устройства и коммутационные элементы цепей управления, которые используются, чтобы инициировать сигнал срочного останова. Такие устройства могут устанавливаться либо в индивидуальную оболочку, либо согласно инструкции изготовителя. Стандарт не распространяется на: - устройства срочного останова неэлектрических цепей управления; - устройства срочного останова без функции механического защелкивания. Устройство срочного останова может также выполнять функцию аварийного отключения.

Обозначение: ГОСТ Р 50030.5.5-2011
Название рус.: Аппаратура распределения и управления низковольтная. Часть 5.5. Аппараты и элементы коммутации для цепей управления. Электрические устройства срочного останова с функцией механического защелкивания
Статус: отменен
Заменяет собой: ГОСТ Р 50030.5.5-2000 «Аппаратура распределения и управления низковольтная. Часть 5-5. Аппараты и элементы коммутации для цепей управления. Электрические устройства срочного останова с функцией механического защелкивания»
Дата актуализации текста: 05.05.2017
Дата добавления в базу: 01.09.2013
Дата введения в действие: 01.01.2014
Утвержден: 06.12.2011 Федеральное агентство по техническому регулированию и метрологии (696-ст)
Опубликован: Стандартинформ (2012 г. )
Ссылки для скачивания:

ФЕДЕРАЛЬНОЕ АГЕНТСТВО
ПО ТЕХНИЧЕСКОМУ РЕГУЛИРОВАНИЮ И МЕТРОЛОГИИ

НАЦИОНАЛЬНЫЙ
СТАНДАРТ
РОССИЙСКОЙ
ФЕДЕРАЦИИ

ГОСТ Р
50030.5.5-
2011

(МЭК 60947-5-5:
2005)

Аппаратура распределения и управления
низковольтная

Часть 5.5

АППАРАТЫ И ЭЛЕМЕНТЫ КОММУТАЦИИ
ДЛЯ ЦЕПЕЙ УПРАВЛЕНИЯ

Электрические устройства срочного останова
с функцией механического защелкивания

IEC 60947-5-5:2005
Low-voltage switchgear and controlgear - Part 5-5:
Control circuit devices and switching elements - Electrical emergency stop devices
with mechanical latching function
(MOD)

Москва

Стандартинформ

2012

Предисловие

Цели и принципы стандартизации в Российской Федерации установлены Федеральным законом от 27 декабря 2002 г. № 184-ФЗ «О техническом регулировании», а правила применения национальных стандартов Российской Федерации - ГОСТ Р 1.0-2004 «Стандартизация в Российской Федерации. Основные положения»

Сведения о стандарте

1 ПОДГОТОВЛЕН Обществом с ограниченной ответственностью «ВНИИэлектроаппарат» на основе собственного аутентичного перевода на русский язык международного стандарта, указанного в пункте 4

2 ВНЕСЕН Техническим комитетом по стандартизации ТК 331 «Низковольтная коммутационная аппаратура и комплектные устройства распределения, защиты, управления и сигнализации»

3 УТВЕРЖДЕН И ВВЕДЕН В ДЕЙСТВИЕ Приказом Федерального агентства по техническому регулированию и метрологии от 6 декабря 2011 г. № 696-ст

4 Настоящий стандарт является модифицированным по отношению к международному стандарту МЭК 60947-5-5:2005 «Аппаратура распределения и управления низковольтная. Часть 5-5. Аппараты и элементы коммутации для цепей управления. Электрические устройства срочного останова с функцией механического защелкивания» (IEC 60947-5-5:2005 «Low-voltage switchgear and controlgear - Part 5-5: Control circuit devices and switching elements - Electrical emergency stop devices with mechanical latching function»).

При этом разделы 1 - 7 полностью идентичны, а приложение ДА дополняет их с учетом потребностей национальной экономики Российской Федерации и/или особенностей российской национальной стандартизации.

Приложение ДБ содержит сведения о соответствии ссылочных национальных и межгосударственных стандартов международным стандартам, использованным в качестве ссылочных в примененном международном стандарте

5 ВЗАМЕН ГОСТ Р 50030.5.5-2000 (МЭК 60947-5-5-97)

Информация об изменениях к настоящему стандарту публикуется в ежегодно издаваемом информационном указателе «Национальные стандарты», а текст изменений и поправок - в ежемесячно издаваемых информационных указателях «Национальные стандарты». В случае пересмотра (замены) или отмены настоящего стандарта соответствующее уведомление будет опубликовано в ежемесячно издаваемом информационном указателе «Национальные стандарты». Соответствующая информация, уведомление и тексты размещаются также в информационной системе общего пользования - на официальном сайте Федерального агентства по техническому регулированию и метрологии в сети Интернет

СОДЕРЖАНИЕ

1 Область применения. 3

2 Нормативные ссылки. 4

3 Термины и определения. 4

4 Маркировка и информация об изделии. 5

4.1 Общие положения. 5

4.2 Индикация на кнопках. 6

4.3 Дополнительные требования к шнурковым выключателям.. 6

4.4 Дополнительные требования к окраске органов управления. 6

5 Требования к электрическим характеристикам.. 6

6 Требования к механическим характеристикам.. 6

6.1 Общие требования. 6

6.2 Защелкивание. 7

6.3 Дополнительные требования к устройству срочного останова кнопочного типа. 7

6.4 Дополнительные требования к шнурковым выключателям.. 7

6.5 Дополнительные требования к педальным выключателям.. 7

7 Испытание механической конструкции. 8

7.1 Общие положения. 8

7.2 Общий осмотр конструкции. 8

7.3 Испытания на оперирование. 8

7.4 Методики кондиционирования. 9

7.5 Испытание на удар. 9

7.6 Испытания на вибрацию.. 9

7.7 Испытание на размыкание и защелкивание, возврат в начальное положение и на удар. 10

7.8 Смешанные испытания. 11

Приложение ДА (обязательное) Дополнительные требования, учитывающие потребности экономики и требования национальных стандартов Российской Федерации на электротехнические изделия. 11

Приложение ДБ (справочное) Сведения о соответствии ссылочных национальных и межгосударственных стандартов международным стандартам, использованным в качестве ссылочных в примененном международном стандарте. 12

Библиография. 12

Введение

Настоящий стандарт представляет собой аутентичный текст международного стандарта МЭК 60947-5-5:2005 «Аппаратура коммутационная и механизмы управления низковольтные комплектные. Часть 5-5. Устройства и коммутационные элементы цепей управления. Электрические устройства аварийной остановки с механической функцией фиксации».

Настоящий стандарт следует применять совместно с ГОСТ Р 50030.1 и ГОСТ Р 50030.5.1.

Настоящий стандарт распространяется на электрические устройства срочного останова с функцией механического защелкивания; в нем сформулированы требования к электрическим и механическим характеристикам в дополнение к имеющимся в следующих национальных стандартах:

- ГОСТ Р МЭК 60204-1, в котором приведены дополнительные требования к функции срочного останова, выполняемой электрооборудованием станков;

- ГОСТ Р 50030.5.1, определяющем электрические характеристики электромеханических устройств для цепей управления.

В настоящем стандарте раздел «Нормативные ссылки» изложен в соответствии с ГОСТ Р 1.5-2004 и выделен курсивом. В тексте соответствующие ссылки выделены курсивом.

Сведения о ссылочных международных стандартах, не введенных в качестве национальных или при отсутствии соответствующих национальных стандартов, приведены в разделе «Библиография».

Настоящий стандарт имеет отличия от действующего ГОСТ Р 50030.5.5, связанные с принятыми изменениями и новым изданием МЭК 60947-5-5:2005:

- для удобства пользования стандартом в раздел 3 введен алфавитный перечень, уточнены и добавлены дополнительно определения;

- в связи со значительными изменениями раздела 7 настоящего стандарта уточнен ряд требований к механическим характеристикам, указанным в разделе 6.

Настоящий стандарт может быть использован при оценке соответствия низковольтных комплектных устройств распределения и управления требованиям технических регламентов.

НАЦИОНАЛЬНЫЙ СТАНДАРТ РОССИЙСКОЙ ФЕДЕРАЦИИ

Аппаратура распределения и управления низковольтная

Часть 5.5

АППАРАТЫ И ЭЛЕМЕНТЫ КОММУТАЦИИ ДЛЯ ЦЕПЕЙ УПРАВЛЕНИЯ

Электрические устройства срочного останова с функцией
механического защелкивания

Low-voltage switchgear and controlgear. Part 5-5. Control circuit devices and switching elements.
Electrical emergency stop devices with mechanical latching function

Дата введения - 2013-01-01

1 Область применения

Настоящий стандарт устанавливает требования к электрическим и механическим частям конструкции устройств срочного останова с функцией механического защелкивания и методы их испытаний.

Настоящий стандарт распространяется на электрические устройства и коммутационные элементы цепей управления, которые используются, чтобы инициировать сигнал срочного останова. Такие устройства могут устанавливаться либо в индивидуальную оболочку, либо согласно инструкции изготовителя.

Стандарт не распространяется на:

- устройства срочного останова неэлектрических цепей управления;

- устройства срочного останова без функции механического защелкивания.

Устройство срочного останова может также выполнять функцию аварийного отключения.

2 Нормативные ссылки

В настоящем стандарте использованы нормативные ссылки на следующие стандарты:

ГОСТ Р 50030.1-2007 (МЭК 60947-1:2004) Аппаратура распределения и управления низковольтная. Часть 1. Общие требования

ГОСТ Р 50030.5.1-2005 (МЭК 60947-5-1:2003) Аппаратура распределения и управления низковольтная. Часть 5. Аппараты и коммутационные элементы цепей управления. Глава 1. Электромеханические аппараты для цепей управления

ГОСТ Р МЭК 60073-2000 Интерфейс человекомашинный. Маркировка и обозначения органов управления и контрольных устройств. Правила кодирования информации

ГОСТ Р МЭК 60204-1-2007 Безопасность машин. Электрооборудование машин и механизмов. Часть 1. Общие требования

ГОСТ 11478-88 (МЭК 68-2-1-90, МЭК 68-2-2-90, МЭК 68-2-27-87) Аппаратура радиоэлектронная бытовая. Нормы и методы испытаний на воздействие внешних механических и климатических факторов

ГОСТ 28207-89 (МЭК 68-2-11-81) Основные методы испытаний на воздействие внешних факторов. Часть 2. Испытания. Испытание Ка: Соляной туман

ГОСТ 28216-89 (МЭК 68-2-30-87) Основные методы испытаний на воздействие внешних факторов. Часть 2. Испытания. Испытание Db и руководство: влажное тепло, циклическое (12 + 12-часовой цикл)

ГОСТ 28312-89 (МЭК417-73) Аппаратура радиоэлектронная профессиональная. Условные графические обозначения

Примечание - При пользовании настоящим стандартом целесообразно проверить действие ссылочных стандартов в информационной системе общего пользования - на официальном сайте Федерального агентства по техническому регулированию и метрологии в сети Интернет или по ежегодно издаваемому информационному указателю «Национальные стандарты», который опубликован по состоянию на 1 января текущего года, и по соответствующим ежемесячно издаваемым информационным указателям, опубликованным в текущем году. Если ссылочный стандарт заменен (изменен), то при пользовании настоящим стандартом следует руководствоваться заменяющим (измененным) стандартом. Если ссылочный стандарт отменен без замены, то положение, в котором дана ссылка на него, применяется в части, не затрагивающей эту ссылку.

3 Термины и определения

В дополнение к перечисленным в ГОСТ Р 50030.1 и ГОСТ Р 50030.5.1 в настоящем стандарте используют следующие термины с соответствующими определениями:

3.1 срочный останов (функция или сигнал) [emergency stop (function or signal)]: Функция или сигнал, предназначенные:

- для предотвращения или уменьшения опасности поражения персонала, повреждения оборудования или для обычной работы;

- для разового ручного действия.

[ИСО/МЭК 13850] [1]

 

3.2 устройство срочного останова (emergency stop device): Устройство ручного действия в цепи управления, предназначенное для выполнения срочного останова.

[ИСО/МЭК 13850] [1]

Примечание - Устройство срочного останова может также служить для выполнения вспомогательных функций, например контроля избыточности и/или для сигнализации посредством дополнительных контактных элементов. Такие дополнительные контактные элементы могут быть нормально разомкнуты и/или нормально замкнуты.

3.3 система управления устройством срочного останова [actuating system (of an emergency stop device)]: Механические части, передающие усилие управления контакт-деталям.

[МЭК 60050 (441-15-21)] [2]

 

3.4 орган управления устройством срочного останова [actuator (of an emergency stop device)]: Часть системы управления, к которой прикладывается внешнее воздействующее усилие управления.

[МЭК 60050 (441-15-22)] [2]

Примечание - Примерами органа управления могут быть кнопки, провода, шнуры, рейки, педали.

3.5 положение покоя (rest position): Положение устройства срочного останова или его части, из состояния которого оно не приводится в действие.

Примечание - В положении покоя машина или оборудование может работать.

3.6 действующее положение (actuated position): Положение устройства срочного останова или его части, в котором оно действует.

Примечание - В действующем положении устройства срочного останова машина или оборудование остается в положении покоя.

3.7 защелкивание (устройства срочного останова) [latching (of an emergency stop device)]: Функция или устройство, зацепляющее и удерживающее систему управления в действующем положении до освобождения специальным действием руки.

3.8 возврат в начальное положение (устройства срочного останова) [resetting (of an emergency stop device)]: Ручное действие, возвращающее систему управления устройством срочного останова из действующего положения в положение покоя.

Примечание - Примерами возврата в начальное положение являются вращение ключа, вращение или оттягивание органа управления или нажатие специальной взводной кнопки.

3.9 прямое (естественное) движение размыкания (контактного элемента) [direct opening action (positive opening action) (of a contact element)]: Непосредственное размыкание контактов за счет движения органа управления, осуществляемое с помощью неупругих элементов (например, без пружины.

[ГОСТ Р 50030.5.1 (пункт К.2.2 приложения К)]

3.10 шнурковый выключатель (выключатель с тяговым тросом (проводом)) (trip wire switch): Устройство срочного останова, органом управления которого является шнур, трос или аналогичное средство.

4 Маркировка и информация об изделии

4.1 Общие положения

При необходимости должна быть предусмотрена информация о монтаже, эксплуатации, обслуживании и/или периодических испытаниях устройства срочного останова.

Проверку требований раздела 4 выполняют в соответствии с 7.2.1.

Примечания

1 В некоторых случаях необходимо предусмотреть дополнительную информацию, например:

- на табличках;

- маркировочными элементами, прикрепленными к проводникам или шнурам, чтобы сделать их заметнее;

- графическими символами согласно ГОСТ 28312, а также МЭК 61310-1 (таблица 6) [3].

2 См. также ГОСТ Р МЭК 60204-1 (подпункт 9.2.5.4).

4.2 Индикация на кнопках

4.2.1 Кнопки, применяемые в качестве органов управления устройств срочного останова, должны быть красного цвета. Если у органа управления имеется задний план, он, по возможности, должен быть окрашен в желтый цвет.

4.2.2 Направление освобождения защелки должно быть четко обозначено, если возврат в начальное положение достигается вращением кнопки.

Примечание - См. также ГОСТ Р МЭК 60073 и ИСО 3864 [4].

4.3 Дополнительные требования к шнурковым выключателям

Информация, предусмотренная изготовителем, должна содержать:

- максимальную длину троса или шнура;

- правильное натяжение троса или шнура;

- расстояние между опорами;

- рекомендации по применению только прямого натяжения троса или шнура;

- если необходимо, сведения по обслуживанию блоков и петель и меры, гарантирующие правильное положение троса или шнура.

4.4 Дополнительные требования к окраске органов управления

Кнопка возврата в начальное положение, где она, например, используется со шнурковым выключателем, должна быть голубого цвета.

Для шнуркового выключателя:

- зеленый цвет должен указывать положения покоя;

- желтый цвет должен указывать действующее положение.

5 Требования к электрическим характеристикам

5.1 В соответствии с ГОСТ Р 50030.5.1 категории применения должны быть АС-15 и/или DC-13, и/или DC-14.

5.2 Согласно ГОСТ Р 50030.5.1 (приложение К) все нормально замкнутые контактные элементы устройства срочного останова должны приводиться в действие непосредственно от органа управления.

Испытания следует проводить в соответствии с ГОСТ Р 50030.5.1 (приложение К).

5.3 Степень защиты устройства срочного останова должна указываться изготовителем в соответствии с ГОСТ Р 50030.1 (приложение С).

5.4 Испытания на соответствие требованиям к электрическим характеристикам проводят по ГОСТ Р 50030.5.1.

Примечание - ГОСТ Р 50030.5.1 (пункт 7.2.7) касается только выключателей для цепей управления, пригодных для разъединения.

6 Требования к механическим характеристикам

6.1 Общие требования

6.1.1 Должны быть предусмотрены средства, позволяющие надежно устанавливать устройство срочного останова в положение, указанное для монтажа при эксплуатации.

Испытание по 7.2.1.

6.1.2 Устройство срочного останова должно соответствовать требованиям по 7.3 - 7.6 и, если применимо, по 7.7.5.

6.1.3 Должна быть предусмотрена возможность управлять устройством срочного останова и приводить его в начальное положение во всех условиях нормальной эксплуатации.

Испытания по 7.2 - 7.4.

6.1.4 Вибрация и удары не должны вызывать размыкания контактов в замкнутом положении и замыкания контактов в разомкнутом положении, а также срабатывания механизма защелки.

Испытания по 7.5 и 7.6.

6.2 Защелкивание

6.2.1 Согласно ИСО 13850 [1] (пункт 4.4.4) [соответствует ЕС 418 (4.1.11)], если сигнал срочного останова подается во время действия устройства срочного останова, функция срочного останова должна обеспечиваться защелкиванием системы управления. Сигнал срочного останова следует подавать до тех пор, пока устройство не перешло в положение защелкивания. Не должно быть возможности защелкнуть систему без подачи сигнала срочного останова.

В случае повреждения в устройстве срочного останова (включая средства защелкивания) подача сигнала срочного останова должна предшествовать функции защелкивания.

Испытания по 7.2, 7.7.2 и 7.7.3.

6.2.2 Защелкивание должно надежно обеспечиваться, когда устройство срочного останова используют в условиях, предписанных в 7.4 или изготовителем, - выбирают более жесткие.

Испытания по 7.3 - 7.7.

6.3 Дополнительные требования к устройству срочного останова кнопочного типа

6.3.1 Приведение защелки в начальное положение должно осуществляться поворотом ключа, вращением кнопки в заданном направлении либо вытягивающим движением.

Испытания по 7.2.1 и 7.2.2.1.

6.3.2 Устройство срочного останова должно иметь такую конструкцию, чтобы снятие органа управления осуществлялось только изнутри оболочки или снаружи оболочки только с применением специального инструмента.

Проверку проводят осмотром.

6.4 Дополнительные требования к шнурковым выключателям

6.4.1 Конструкция устройства срочного останова должна быть такой, чтобы:

- установку троса или шнура и последующую регулировку можно было провести, не нарушая функционирования устройства;

- установка устройства срочного останова могла отвечать требованиям ИСО/МЭК 13850 (пункты 4.5.1 и 4.5.2) [1].

Испытания по 7.2 и 7.3.

6.4.2 Если орган управления установлен по инструкции:

- перпендикулярное тяговое усилие, приложенное к тросу или шнуру, необходимое для подачи сигнала срочного останова (размыкание контактов), должно быть не более 200 Н;

- трос или шнур должен выдерживать тянущее усилие в 10 раз большее, чем перпендикулярно приложенное тяговое усилие, необходимое для подачи сигнала срочного останова;

- отклонение троса или шнура от перпендикулярной оси, необходимое для подачи сигнала срочного останова, не должно превышать 400 мм;

- при обрыве или отцеплении троса или шнура должен подаваться сигнал срочного останова.

Тяговое усилие должно прикладываться в точке на середине длины троса или шнура.

Испытание по 7.8.1.

6.4.3 Следует учитывать факторы, влияющие на изменение длины троса (например, температура, старение и т.д.).

Испытание по 7.2.1.

6.5 Дополнительные требования к педальным выключателям

Педаль (ножной выключатель) срочного останова не должна иметь крышки.

Испытание по 7.2.1.

7 Испытание механической конструкции

7.1 Общие положения

Согласно ГОСТ Р 50030.1 (пункты 8.1.1 и 8.1.2) следует провести типовые испытания на соответствие требованиям разделов 4 - 6.

Устройство срочного останова может иметь комбинации главных и вспомогательных контактов. Испытания, указанные в 7.5 и 7.6, предназначены для проверки отсутствия повреждений контактов в результате механических ударов.

Для некоторых испытаний, например основанных на внешнем осмотре или изучении информации, сопровождающей устройство срочного останова, требуется только один образец.

Для испытаний, указанных в 7.3.3 и 7.4 - 7.7, должны отбираться три одинаковых образца устройства срочного останова, и каждый образец следует последовательно подвергать циклу испытаний в том порядке, как указано в настоящем разделе.

Когда на основе одной и той же базовой конструкции существует более одного типа устройств срочного останова, то испытанию могут быть подвергнуты менее трех одинаковых образцов при условии, что испытывают более трех изделий одной и той же серии. Такое соответствие должно быть полностью документировано.

7.2 Общий осмотр конструкции

7.2.1 Соответствие требованиям 4.1, 6.1.1, 6.4.1 и, если применимо, 6.3, 6.4.3 и 6.5 проверяют осмотром механической конструкции устройства срочного останова.

7.2.2 Устройство срочного останова кнопочного типа

7.2.2.1 Соответствие требованию 6.3.1 проверяют защелкиванием и установкой в начальное положение органа управления вручную.

7.2.2.2 Соответствие требованию 6.3.2 проверяют осмотром крепежных деталей и вытягиванием и вращением кнопки и других частей вручную.

7.3 Испытания на оперирование

7.3.1 Общие положения

Целью испытаний на оперирование является проверка прочности частей защелки (пружин, шариков, штырей и т.д.) в нормальных условиях эксплуатации.

Соответствие требованиям 6.1.2, 6.2.2 и 6.3 проверяют испытаниями.

Испытания на оперирование, указанные в данном пункте, можно провести совместно с испытаниями электрических характеристик (см. раздел 5).

7.3.2 Прочность органа управления кнопочного типа

Кнопочный орган управления должен выдерживать:

- усилие, указанное в таблице 1, приложенное вдоль трех взаимно перпендикулярных осей; а также

- крутящий момент, указанный в таблице 1, приложенный в двух направлениях вращения, в каждом из положений защелкивания и освобождения, если действие возврата в начальное положение требует вращения кнопки.

Таблица 1 - Прочность органа управления кнопочного типа

Диаметр монтажного отверстия, мм

Усилие, Н

Крутящий момент, Нм

16

80

1,6

22

110

2,2

30

150

3,0

7.3.3 Испытание на износостойкость

Три образца (см. 7.1) подвергают следующему испытанию.

Орган управления устройства срочного останова перемещают по его полной траектории, возможно более точно имитируя оперирование рукой.

Испытание должно состоять из 6050 циклов, причем защелкивание и возврат органа управления в начальное положение должны происходить в каждом цикле. Перемещение и приложение управляющих усилий должны быть последовательными на протяжении всего испытания. Следует вести наблюдение за этими параметрами для обеспечения последовательности.

Испытание на износостойкость считают положительным, если каждое устройство срочного останова выдержит 6050 циклов без отказов.

7.4 Методики кондиционирования

Целью данных методик является выдержка устройств срочного останова в различных условиях окружающего воздуха для проверки функционирования после такого воздействия.

Три образца устройств срочного останова, последовательно испытанных согласно 7.3.3, должны быть подвергнуты следующим воздействиям:

- 96 ч при температуре 70 °С в сухом воздухе (см. ГОСТ 11478 (испытание Ва) и МЭК 60721-3-3 [5], класс ЗК7);

- 96 ч при смене влажного и теплого воздуха (см. ГОСТ 28216 и МЭК 60721-3-3 [5], класс ЗК7) при температуре 25 °С/55 °С и относительной влажности 97 %/93 % соответственно;

- 96 ч при температуре минус 40 °С (см. ГОСТ 11478 (испытание Аа) и МЭК 60721-3-3 [5], класс ЗК7);

- 96 ч при температуре 35 °С в 5 %-ном растворе хлористого натрия (см. ГОСТ 28207 и МЭК 60721-3-3 [5], класс ЗС3).

После выдержки в указанных условиях окружающего воздуха и после того, как устройства достигнут комнатной температуры, следует провести цикл испытаний по 7.5 - 7.7.

7.5 Испытание на удар

7.5.1 Три образца устройств срочного останова, предварительно выдержанных в условиях 7.4, следует испытать каждое в одном из трех взаимно перпендикулярных направлений.

7.5.2 Каждое устройство срочного останова испытывают в положении покоя, оно должно выдержать удар 15g в двух направлениях по соответствующим осям (см. ГОСТ 11478: 11 мс, 15g).

Во время испытания замкнутые контакты не должны разомкнуться, разомкнутые контакты, при их наличии, не должны замкнуться и механизм защелки не должен защелкнуться.

Измерительное устройство должно обнаружить любое размыкание или замыкание контактов, длящееся свыше 0,2 мс.

7.5.3 Процедуру повторяют в действующем положении (орган управления защелкнут).

Во время испытания разомкнутые контакты не должны замкнуться, замкнутые контакты, при их наличии, не должны разомкнуться, и механизм защелки не должен освободиться.

7.6 Испытания на вибрацию

7.6.1 Три образца, которые выдержали испытания по 7.5, следует испытать по одному для каждого из трех взаимно перпендикулярных направлений.

7.6.2 Каждое устройство срочного останова испытывают в положении покоя по следующим параметрам (см. ГОСТ 11478):

- логарифмическое изменение частоты в цикле качания - по затуханию амплитуды в диапазоне частот 10 Гц - 500 Гц;

- длительность 2 ч; число циклов качания 10; скорость 1 октава/мин;

- амплитуда перемещения 0,35 мм (0,7 мм между пиками);

- амплитуда ускорения 50 м/с2;

- частота перехода от 58 до 62 Гц.

Во время испытания замкнутые контакты не должны разомкнуться, разомкнутые контакты, при их наличии, не должны замкнуться, и механизм защелки не должен защелкнуться.

Измерительное устройство должно обнаружить любое размыкание или замыкание контактов, длящееся свыше 0,2 мс.

7.6.3 Процедуру повторяют в действующем положении (орган управления защелкнут).

Во время испытания разомкнутые контакты не должны замкнуться, замкнутые контакты, при их наличии, не должны разомкнуться, и механизм защелки не должен освободиться.

7.7 Испытание на размыкание и защелкивание, возврат в начальное положение и на удар

7.7.1 Общие положения

Для испытания используют три образца устройства срочного останова, которые выдержали испытания по 7.6.

Каждый образец испытывают на соответствии требованиям 6.2.1 по 7.7.2 - 7.7.4. Образец испытывают также по 7.7.5, если применимо.

7.7.2 Испытание на размыкание

Орган управления устройства срочного останова должен медленно перемещаться в точку, где происходит защелкивание.

Нормально замкнутые контакты должны разомкнуться. Наличие размыкания проверяют испытанием импульсным напряжением 2500 В [описание см. ГОСТ Р 50030.5.1 (К.8.3.4.4.1 приложения К)].

7.7.3 Испытание на защелкивание

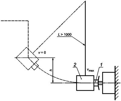
Для имитации обычного приведения в действие выключателя кнопочного типа рукой устройство срочного останова с органом управления размещают напротив бойка, как показано на рисунке 1, и испытывают.

1 - деталь из резины с твердостью по Шору 45, диаметром 20 мм и длиной 18,5 мм; 2 - боек массой 1,6 кг

Рекомендуемый материал штанги - алюминиевая трубка длиной 1500 мм, диаметром 20 мм и толщиной 1 мм

Примечание - Масса бойка 1,6 кг дана без учета массы алюминиевой трубки.

Рисунок 1 - Испытательный боек

Взаимосвязь диаметра монтажного отверстия устройства срочного останова и высоты падения бойка h приведена в таблице 2.

Таблица 2 - Взаимосвязь диаметра монтажного отверстия устройства срочного останова и высоты падения бойка

Диаметр монтажного отверстия, мм

Высота падения бойка h, мм

16

60, если диаметр органа управления < 30 мм

75, если диаметр органа управления ³ 30 мм

22

75

30

Перед каждым ударом орган управления должен быть освобожден.

Боек должен освобождаться для свободного падения из стационарного состояния.

Для гарантии стационарного состояния бойка перед освобождением рекомендуется использовать удерживающий механизм магнитного или другого типа.

Испытание проводят трижды.

После каждого удара система управления должна остаться защелкнутой.

Испытания защелок другого типа - в стадии рассмотрения.

7.7.4 Испытание возврата в начальное положение

a) если возврат в начальное положение осуществляется вытягиванием, тяговое усилие должно быть менее 50 Н;

b) если орган управления возвращается в начальное положение путем вращения, крутящий момент должен быть менее 1 Нм;

c) испытания возврата в начальное положение другими методами - в стадии рассмотрения.

7.7.5 Испытание на ударостойкость органов управления кнопочного типа

Для проверки соответствия 6.1.2 и 6.1.3 (если применимо) испытанию подвергают три образца устройства срочного останова тремя ударами бойка, представленного на рисунке 1, по органу управления при высоте падения бойка h = (310 ± 2) мм.

Перед каждым ударом орган управления должен быть освобожден.

После каждого удара система управления должна защелкиваться, а размыкающие контакты - разомкнуться.

После трех ударов орган управления не должен быть поврежден.

После третьего удара размыкающий контактный элемент должен соответствовать требованиям ГОСТ Р 50030.5.1 (К.8.3.6 приложения К).

7.8 Смешанные испытания

7.8.1 Отцепление троса или шнура

Для проверки соответствия 6.4.2, если применимо, один образец устройства срочного останова монтируют с тросом или шнуром по инструкции изготовителя.

Трос отцепляют.

Главные контакты должны разомкнуться, а система управления - защелкнуться в действующем положении.

7.8.2 Соответствие международным стандартам

Специальные испытания - в стадии рассмотрения.

Приложение ДА
(обязательное)

Дополнительные требования, учитывающие потребности экономики
и требования национальных стандартов Российской Федерации
на электротехнические изделия

(Эти требования являются дополнительными относительно требований международного стандарта МЭК 60947-5-5:2005 и приведены для учета основополагающих стандартов, действующих в Российской Федерации и устанавливающих требования в части внешних воздействующих факторов, порядок постановки продукции на производство, а также другие требования.)

Дополнительные требования, учитывающие потребности экономики и требования национальных стандартов Российской Федерации на электротехнические изделия, - по ГОСТ Р 50030.1 (приложение R).

Приложение ДБ
(справочное)

Сведения о соответствии ссылочных национальных и межгосударственных стандартов
международным стандартам, использованным в качестве ссылочных в примененном
международном стандарте

Таблица ДБ.1

Обозначение ссылочного национального, межгосударственного стандарта

Степень соответствия

Обозначение и наименование ссылочного международного стандарта

ГОСТ Р 50030.1-2007

(МЭК 60947-1:2004)

MOD

МЭК 60947-1:2004 «Низковольтная аппаратура распределения и управления - Часть 1: Общие требования»

ГОСТ Р 50030.5.1-2005

(МЭК 60947-5-1:2003)

MOD

МЭК 60947-5-1:2003 «Низковольтная аппаратура распределения и управления. Часть 5-1. Аппараты и элементы коммутации для цепей управления. Электромеханические аппараты для цепей управления»

ГОСТ Р МЭК 60073-2000

NEQ

МЭК 60073:2002 «Основные принципы и принципы безопасности человекомашинного интерфейса; маркировка и идентификация. Принципы кодирования индикаторов и органов управления»

ГОСТ Р МЭК 60204-1-2007

IDT

МЭК 60204-1:1997 «Безопасность машинного оборудования. Электрооборудование промышленных установок. Часть 1. Общие требования. Изменение 1 (1999)»

ГОСТ 11478-88

(МЭК 68-2-1-90)

NEQ

МЭК 60068-2-1:1990 «Воздействующие факторы окружающей среды. Часть 2. Испытания. Испытание А: холод. Изменение 1 (1993). Изменение 2 (1994)»

ГОСТ 11478-88

(МЭК 68-2-2-74)

NEQ

МЭК 60068-2-2:1974 «Воздействующие факторы окружающей среды. Часть 2. Испытания. Испытание В: сухое тепло. Изменение 1 (1993). Изменение 2 (1994)»

ГОСТ 11478-88

(МЭК 68-2-27-87)

NEQ

МЭК 60068-2-27:1987 «Воздействующие факторы окружающей среды. Часть 2. Испытания. Испытание Еа и руководство: механический удар»

ГОСТ 28207-89

(МЭК 68-2-11-81)

NEQ

МЭК 60068-2-11:1981 «Воздействующие факторы окружающей среды. Часть 2. Испытания. Испытание Ка: соляной туман»

ГОСТ 28216-89

(МЭК 68-2-30-87)

NEQ

МЭК 60068-2-30:1987 «Воздействующие факторы окружающей среды. Часть 2. Испытания. Испытание Db: влажное тепло, циклическое (12 + 12-часовой цикл). Изменение 1 (1985)»

ГОСТ 28312-89

(МЭК 417-73)

NEQ

МЭК 60417-2-73 «Графические символы для применения в оборудовании. Часть 2. Образцы символов»

Примечание - В настоящей таблице использованы следующие условные обозначения степени соответствия стандартов:

- IDT - идентичные стандарты;

- MOD - модифицированные стандарты;

- NEQ - неэквивалентные стандарты.

Библиография

[1]

ИСО/МЭК 13850:1996

Безопасность машинного оборудования. Аварийный останов. Принципы конструирования

(ISO 13850:1996, Safety of machinery - Emergency stop - Principles for design)

[2]

МЭК 60050 (441): 1984

Международный электротехнический словарь (МЭС). Раздел 441. Аппаратура распределения и управления, плавкие предохранители. Изменение 1 (2000)

(IEC 60050(441):1984, International Electrotechnical Vocabulary (IEV) - Chapter 441: Switchgear, controlgear, fuses Amendment 1 (2000))

[3]

МЭК 61310-1:1995

Безопасность машинного оборудования. Индикация, маркировка и приведение в действие. Часть 1. Требования к оптическим, звуковым и осязательным сигналам

(IEC 61310-1:1995 Safety of machinery - Indication, marking and actuation - Part 1: Requirements for visual, auditory and tactile signals)

[4]

ИСО 3864:1984

Цвета и знаки безопасности (ISO 3864:1984 Safety colours and safety signs)

[5]

МЭК 60721-3-3:1994

Классификация внешних воздействующих факторов. Часть 3. Классификация групп параметров условий окружающей среды и уровней их жесткости. Раздел 3. Стационарные установки, расположенные в местах, защищенных от воздействий окружающей среды. Изменение 1 (1995), изменение 2 (1996)

(IEC 60721-3-3:1994, Classification of environmental conditions - Part 3: Classification of groups of environmental parameters and their severities - Section 3: Stationary use at weather protected location Amendment 1 (1995) Amendment 2 (1996))

 

Ключевые слова: срочный останов, сигнал срочного останова, функция механического защелкивания