Меню
Навигация
Бесплатное обучение
Novatika
Первая линия

Устройства одновременной работы передатчиков низких и средних частот на общую антенну (общий фидер). Основные параметры. Общие технические требования. Методы измерений

Стандарт распространяется на устройства одновременной работы вещательных передатчиков с амплитудной модуляцией диапазонов низких частот и средних частот на общую антенну. Стандарт не распространяется на устройства одновременной работы, работающие с потерями мощности в балластных нагрузках (мостовые устройства).

Обозначение: ГОСТ Р 51663-2000
Название рус.: Устройства одновременной работы передатчиков низких и средних частот на общую антенну (общий фидер). Основные параметры. Общие технические требования. Методы измерений
Статус: действует
Дата актуализации текста: 05.05.2017
Дата добавления в базу: 01.09.2013
Дата введения в действие: 01.07.2001
Утвержден: 16.11.2000 Госстандарт России (Russian Federation Gosstandart 298-ст)
Опубликован: ИПК Издательство стандартов (2001 г. )
Ссылки для скачивания:

ГОСТ Р 51663-2000

ГОСУДАРСТВЕННЫЙ СТАНДАРТ РОССИЙСКОЙ ФЕДЕРАЦИИ

 

УСТРОЙСТВА ОДНОВРЕМЕННОЙ РАБОТЫ
ПЕРЕДАТЧИКОВ НИЗКИХ
И СРЕДНИХ ЧАСТОТ
НА ОБЩУЮ АНТЕННУ (ОБЩИЙ ФИДЕР)

Основные параметры.
Общие технические требования.
Методы измерений

 

 

ГОССТАНДАРТ РОССИИ
Москва

 

Предисловие

1 РАЗРАБОТАН Самарским отраслевым научно-исследовательским институтом Радио (СОНИИР)

ВНЕСЕН Министерством Российской Федерации по связи и информатизации

2 ПРИНЯТ И ВВЕДЕН В ДЕЙСТВИЕ Постановлением Госстандарта России от 16 ноября 2000 г. № 298-ст

3 ВВЕДЕН ВПЕРВЫЕ

 

СОДЕРЖАНИЕ

1 Область применения. 2

2 Нормативные ссылки. 2

3 Определения и сокращения. 2

4 Основные параметры.. 3

5 Общие технические требования. 3

5.1 Общие положения. 3

5.2 Требования надежности. 4

5.3 Требования к конструкции. 4

5.4 Требования к безопасности эксплуатации. 4

5.5 Требования стойкости к климатическим и механическим воздействиям.. 4

6 Методы измерений. 4

6.1 Общие положения. 4

6.2 Измерительная аппаратура. 5

6.3 Проведение измерений. 5

Приложение А. Основные технические характеристики устройств обхода УОР. 8

Приложение Б. Присоединительные размеры входов и выходов УОР. 9

Приложение в. Основные технические характеристики СИ для измерения параметров УОР. 10

Приложение г. Библиография. 11

ГОСТ Р 51663-2000

ГОСУДАРСТВЕННЫЙ СТАНДАРТ РОССИЙСКОЙ ФЕДЕРАЦИИ

УСТРОЙСТВА ОДНОВРЕМЕННОЙ РАБОТЫ
ПЕРЕДАТЧИКОВ НИЗКИХ И СРЕДНИХ ЧАСТОТ
НА ОБЩУЮ АНТЕННУ (ОБЩИЙ ФИДЕР)

Основные параметры. Общие технические требования. Методы измерений

Diplexers for low frequency and medium frequency transmitters.

Basic parameters. General technical requirements. Methods of measurements

Дата введения 2001-07-01

1 Область применения

Настоящий стандарт распространяется на устройства одновременной работы (УОР) вещательных передатчиков с амплитудной модуляцией диапазонов низких частот (НЧ) и средних частот (СЧ) на общую антенну (общий фидер).

УОР обеспечивает независимую совместную работу нескольких передатчиков с разными рабочими частотами на общую антенну (общий фидер).

Стандарт не распространяется на УОР, работающие с потерями мощности в балластных нагрузках (мостовые устройства).

2 Нормативные ссылки

В настоящем стандарте использованы ссылки на следующие стандарты:

ГОСТ 12.1.006-84 Система стандартов безопасности труда. Электромагнитные поля радиочастот. Допустимые уровни на рабочих местах и требования к проведению контроля

ГОСТ 12.1.030-81 Система стандартов безопасности труда. Электробезопасность. Защитное заземление, зануление

ГОСТ 12.2.007.0-75 Система стандартов безопасности труда. Изделия электротехнические

ГОСТ 12.3.019-80 Система стандартов безопасности труда. Испытания и измерения электрические. Общие требования безопасности

ГОСТ 27.410-87 Надежность в технике. Методы контроля показателей надежности и планы контрольных испытаний на надежность

ГОСТ 11326.79-79 Кабели радиочастотные марок РК75-17-17, РК75-17-17-БГ, РК75-17-17-Б, РК75-17-17-Ба, РК75-17-17-К. Технические условия

ГОСТ 11326.82-79 Кабель радиочастотный марки РК 75-44-17. Технические условия

ГОСТ 15150-69 Машины, приборы и другие технические изделия. Исполнения для различных климатических районов. Категории, условия эксплуатации, хранения и транспортирования в части воздействия климатических факторов внешней среды

ГОСТ 24375-80 Радиосвязь. Термины и определения

ГОСТ Р 50829-95 Безопасность радиостанций, радиоэлектронной аппаратуры с использованием приемопередающей аппаратуры и их составных частей. Общие и требования и методы испытаний

3 Определения и сокращения

3.1 В настоящем стандарте применяют следующие термины с соответствующими определениями:

3.1.1 устройство одновременной работы передатчиков (УОР): Устройство, предназначенное для обеспечения совместной работы нескольких передатчиков с разными рабочими частотами на общую нагрузку (антенну, фидер) без взаимного влияния.

3.1.2 диапазон рабочих частот: Диапазон частот, ограниченный верхней и нижней частотами, в пределах которого электрические параметры устройства по каждому входу удовлетворяют требованиям настоящего стандарта и техническим условиям на изделие конкретного типа.

3.1.3 коэффициент бегущей волны (КБВ): Отношение амплитуды напряжения в узле к амплитуде напряжения в ближайшей к нему пучности на фидере, подключенном к соответствующему входу УОР, при согласованных нагрузках на остальных входах и выходе.

3.1.4 развязка: Отношение напряжения на входе устройства, к которому подключен передатчик (измерительный генератор), к напряжению на входе, к которому передатчик не подключен, при согласованных нагрузках на остальных входах (при их наличии) и выходе.

3.1.5 устройство обхода: Электрическая цепь, состоящая из высокочастотных переключателей и фидера, служащая для непосредственного соединения одного из передатчиков с антенным фидером в обход УОР.

Остальные термины - по ГОСТ 24375.

3.2 В настоящем стандарте используют следующие сокращения:

СИ - средство измерений;

ТУ - технические условия;

ЭМП - электромагнитное поле.

4 Основные параметры

4.1 Номинальные значения мощности, подводимой к каждому входу УОР, должны соответствовать ряду:

1; 5; (7,5); 10; (20); 25; 30; 50; (75); 100; 150; 250; (300); 500; (600); 1000; (1200) кВт.

В технически обоснованных случаях допускается использовать значения, указанные в скобках.

4.2 УОР должны обеспечивать подключение к ним несимметричных фидеров с номинальными волновыми сопротивлениями:

75 Ом                    - для передатчиков мощностью до 30 кВт включ.;

150 Ом                      »            »                    »            св. 30 до 250 кВт;

50 или 60 Ом           »            »                    »            св. 250 кВт.

В технически обоснованных случаях допускается изготовление и применение УОР с волновым сопротивлением 250 Ом.

4.3 Диапазон рабочих частот (рабочие частоты) для каждого входа УОР указывают в технических условиях (ТУ) на изделие конкретного типа в соответствии с диапазоном рабочих частот (рабочими частотами) передатчиков.

4.4 КБВ на каждом входе УОР при согласованных нагрузках на остальных входах и выходе должен быть не менее:

0,8 - для УОР, работающих в диапазоне частот;

0,9 - для УОР, работающих на фиксированных частотах.

4.5 Развязка между любыми двумя входами при согласованных нагрузках на остальных входах и выходе должна быть не менее 30 дБ.

Примечание - Рекомендуется устанавливать увеличенные нормы на развязку для УОР с входной мощностью свыше 5 кВт, определяемые по формуле

В = 30 + 10lg (Р/5),                                                                                                              (1)

где В - развязка, дБ;

Р - входная мощность устройства, кВт.

4.6 Коэффициент полезного действия (КПД) УОР при работе на согласованную нагрузку должен быть не менее 0,9.

4.7 УОР должны выдерживать указанную в 4.1 входную мощность по каждому входу при значении КБВ в выходном фидере не менее 0,8.

5 Общие технические требования

5.1 Общие положения

5.1.1 УОР должны соответствовать требованиям настоящего стандарта и ТУ на изделие конкретного типа.

5.1.2 УОР рекомендуется оснащать устройствами обхода для обеспечения возможности непосредственной работы одного из передатчиков на антенну (антенный фидер). Требования к устройствам обхода приведены в приложении А.

5.2 Требования надежности

5.2.1 Средняя наработка на отказ УОР должна быть не менее 10000 ч.

5.2.2 Срок службы УОР, если это не оговорено особыми условиями, должен быть не менее 20 лет.

5.3 Требования к конструкции

5.3.1 Конструкция УОР должна обеспечивать механическую прочность и выполнение норм на электрические параметры, установленные настоящим стандартом и ТУ на изделие конкретного типа.

5.3.2 Конструкция УОР должна обеспечивать безопасность проведения технического обслуживания, профилактических и ремонтных работ.

5.3.3 Конструкция корпуса УОР должна предусматривать возможность его заземления.

5.3.4 Масса, габаритные и установочные размеры УОР должны быть указаны в ТУ на изделие конкретного типа. Рекомендуемые присоединительные размеры входов и выхода УОР для подключения фидеров приведены в приложении Б.

5.4 Требования к безопасности эксплуатации

5.4.1 УОР в отношении электробезопасности должны соответствовать требованиям ГОСТ 12.2.007.0, ГОСТ 12.1.030, ГОСТ Р 50829 и Правилам [1].

5.4.2 В эксплуатационной документации на УОР должны содержаться указания о безопасном выполнении работ, в том числе указания по обеспечению безопасности от воздействия высокочастотных полей.

5.4.3 Напряженность электромагнитного поля (ЭМП), создаваемая УОР на рабочих местах обслуживающего персонала в помещениях, при работе на согласованную экранированную нагрузку должна соответствовать требованиям ГОСТ 12.1.006 и СанПиН 2.2.4/2/1.8.055 [2] и быть не более:

- по электрической составляющей - 44 В/м;

- по магнитной составляющей - 3,6 А/м.

5.5 Требования стойкости к климатическим и механическим воздействиям

5.5.1 Параметры УОР, предназначенных для эксплуатации в отапливаемых помещениях, должны быть не хуже приведенных в настоящем стандарте при следующих климатических воздействиях:

- снижении атмосферного давления до 79,5 кПа (на высоте 2000 м над уровнем моря);

- изменении температуры воздуха в помещении от 5 до 45 °С;

- повышении влажности воздуха до 80 % при 20 °С.

5.5.2 Требования стойкости УОР, устанавливаемого на антенном поле (в виде открытой проволочной конструкции), к климатическим воздействиям должны соответствовать категории 1 исполнения УХЛ по ГОСТ 15150.

5.5.3 Требования стойкости УОР, устанавливаемого на антенном поле, к механическим воздействиям, соответствующим ветровым и гололедным районам по СНиП 2.01.07 [3], устанавливают в ТУ на изделие конкретного типа.

6 Методы измерений

6.1 Общие положения

6.1.1 Параметры УОР следует измерять в нормальных климатических условиях, если иные условия не оговорены в ТУ на изделие конкретного типа.

Нормальными климатическими условиями считают следующие:

- температура окружающего воздуха - от 288 до 308 К (от 15 до 35 °С);

- относительная влажность - от 45 до 80 %;

- атмосферное давление - от 84 до 106,7 кПа (от 630 до 800 мм рт. ст.).

6.1.2 Параметры УОР при воздействии дестабилизирующих факторов следует измерять теми же методами, что и в нормальных климатических условиях.

6.1.3 Допускается проведение прямых измерений, при которых непосредственно определяют значение параметра, и косвенных измерений, результаты которых получают после прямых измерений ряда величин, связанных с искомым значением параметра известной зависимостью.

6.1.4 При измерениях допускаются колебания напряжения питающей электросети в пределах ±5 % и частоты в пределах ±1 Гц.

6.1.5 Измерения должны проводиться с соблюдением требований безопасности, установленных ГОСТ 12.3.019.

6.2 Измерительная аппаратура

Параметры УОР следует измерять с помощью СИ, основные характеристики которых приведены в приложении В.

6.3 Проведение измерений

6.3.1 КБВ на каждом входе УОР определяют путем измерения его входного сопротивления с помощью измерителя полных сопротивлений. Выход и остальные входы УОР должны быть подключены к согласованным нагрузкам. Коэффициент бегущей волны K рассчитывают по формулам:

                                                                                        (2)

                                                                                          (3)

где R, X - активная и реактивная части измеренного входного сопротивления, Ом;

W - волновое сопротивление фидеров устройства, Ом.

Измерения проводят на рабочих частотах УОР, а для устройств, работающих в диапазоне частот, - на средней и крайних частотах рабочего диапазона каждого из входов УОР.

6.3.2 Развязку между входами УОР определяют по схеме, приведенной на рисунке 1. При наличии у УОР более двух входов свободные входы при измерениях нагружают на согласованные нагрузки - активные сопротивления, равные волновому сопротивлению фидеров. Выходное сопротивление измерительного генератора и входное сопротивление селективного микровольтметра согласуют с входами УОР с помощью коаксиальных согласованных переходов.

1 - генератор сигналов ВЧ; 2 - селективный микровольтметр; 3, 4 - согласованные коаксиальные переходы; 6 - УОР; 5, 7 - согласованные экранированные нагрузки; 8 - милливольтметр ВЧ

Рисунок 1 - Схема определения развязки между входами УОР

Напряжение генератора должно быть не менее 1 В. При отсутствии в генераторе встроенного измерителя напряжения его напряжение измеряют внешним милливольтметром.

Измерения проводят на рабочих частотах УОР, а для устройств, работающих в диапазоне частот, - на средней и крайних частотах рабочего диапазона каждого из входов.

Развязку В, дБ, вычисляют по формуле

B = 20lg (U1/U2),                                                                                        (4)

где U1 - напряжение на входе, соединенном с генератором, мВ;

U2 - напряжение на входе, соединенном с микровольтметром, мВ.

Измерения и вычисления выполняют для всех пар входов. Наименьшее из всех вычисленных значений В принимают за фактическое значение развязки между любыми двумя входами УОР.

1 - генератор сигналов ВЧ; 2 - измеритель полных сопротивлений; 3 - согласованный коаксиальный переход; 4, 5, 8 - согласованные нагрузки; 6 - милливольтметр ВЧ; 7 - УОР

Рисунок 2 - Схема определения КПД

6.3.3 кпд устройства одновременной работы определяют по схеме, приведенной на рисунке 2. К одному из входов УОР подключают генератор сигналов ВЧ, а к выходу и остальным входам - согласованные нагрузки.

На генераторе устанавливают рабочую частоту данного входа УОР (или последовательно нижнюю, среднюю и верхнюю частоты рабочего диапазона данного входа), напряжение входного сигнала - не менее 1 В.

Милливольтметром измеряют напряжение Uвх на входе УОР, соединенном с генератором, и напряжение Uвых на выходе УОР.

Отключают генератор от первого входа, подключают к нему измеритель полных сопротивлений и, согласно 6.3.1, измеряют активную R и реактивную X составляющие комплексного сопротивления этого входа.

Коэффициент полезного действия η вычисляют по формулам:

                                                                                                  (5)

                                                                                           (6)

                                                                                                  (7)

где rн - сопротивление согласованной нагрузки на выходе УОР, Ом.

Аналогичные измерения и вычисления повторяют для всех остальных входов УОР. Наименьшее из всех вычисленных значений η принимают за КПД устройства одновременной работы при работе на согласованную нагрузку.

6.3.4 Напряженность ЭМП, создаваемого УОР на рабочих местах обслуживающего персонала, определяют по схеме, приведенной на рисунке 3.

К одному из входов УОР через согласованный коаксиальный переход подключают генератор сигналов ВЧ, к остальным входам и выходу - согласованные экранированные нагрузки. На генераторе устанавливают частоту, соответствующую рабочей частоте данного входа УОР (для устройства, работающего в диапазоне частот - нижнюю частоту рабочего диапазона по данному входу), напряжение выходного сигнала - не менее 1 В.

Антенну измерителя напряженности ЭМП устанавливают таким образом, чтобы она принимала горизонтальную составляющую электрического поля, параллельную одной из сторон корпуса (экрана) УОР на расстоянии 0,5 м от его поверхности и на высоте 0,5 м от пола (опорной поверхности, на которой установлено испытуемое изделие).

1 - генератор сигналов ВЧ; 2 - согласованный коаксиальный переход; 3, 4, 8 - экранированные согласованные нагрузки; 5 - УОР; 6 - измерительная антенна; 7 - измеритель напряженности ЭМП; 9 - милливольтметр ВЧ

Рисунок 3 - Схема определения напряженности ЭМП

Перемещают антенну измерителя напряженности ЭМП вокруг корпуса УОР и, не меняя ее ориентации, расстояния от корпуса УОР и высоты над полом, находят максимальное значение составляющей электрического поля Еxi. В этой же точке, ориентируя измерительную антенну для приема горизонтальной составляющей электрического поля, перпендикулярной Еxi, находят Eyi, затем, ориентируя измерительную антенну для приема вертикальной составляющей электрического поля, находят Еzi.

Суммарную напряженность электрического поля в i-й точке рассчитывают по формуле

                                                                                      (8)

Устанавливают измерительную антенну для приема горизонтальной составляющей электрического поля Еу. Перемещая антенну вокруг корпуса УОР так же, как и ранее, находят максимальное значение Eyj. В этой же самой j-й точке, ориентируя антенну соответствующим образом, измеряют Exj и Еzj. По формуле (8) вычисляют суммарную напряженность электрического поля в j-й точке Eген j.

Устанавливают измерительную антенну для приема вертикальной составляющей электрического поля Еz. Перемещая антенну вокруг корпуса УОР так же, как и ранее, находят максимальное значение Еzk. В этой же k-й точке, ориентируя антенну соответствующим образом, измеряют Еxk и Eyk. По формуле (8) находят суммарную напряженность электрического поля в k-й точке Еген k.

Аналогичные измерения выполняют на высоте над уровнем пола 1,0 и 1,7 м и из полученных девяти значений Еген i, Eген j, Еген k выбирают наибольшее Еген.

Таким же образом определяют максимально возможное значение напряженности магнитного поля Hген, обусловленного генератором ВЧ сигналов.

Такие же измерения проводят на остальных рабочих частотах УОР (для УОР, работающих в диапазоне частот, - на средней и крайних частотах рабочего диапазона каждого из входов) и выбирают максимальные значения.

При наличии внешних радиопомех допускается изменение частоты измерения в пределах ±2 % от первоначального значения частоты измерения.

Напряженности электрического Е, В/м, и магнитного Н, А/м, полей, создаваемых УОР при работе на согласованную нагрузку при номинальных значениях входной мощности, определяют по формулам:

Е = Еген                                                                                       (9)

Н = Нген                                                                                (10)

где Еген и Hген - максимальные измеренные значения напряженности электрического и магнитного полей при работе генератора, В/м и А/м, соответственно;

Рсумм - суммарная номинальная входная мощность УОР, Вт;

Рген - мощность генератора, Вт;

Рген = U2/W,                                                                                                (11)

где U - напряжение генератора, измеренное милливольтметром ВЧ на входе УОР, В;

W - волновое сопротивление фидеров, подключаемых к УОР, Ом.

6.3.5 Способность УОР выдерживать номинальную входную мощность по каждому входу при заданном значении КБВ в выходном фидере проверяют по методике, которая должна быть указана в ТУ на изделие конкретного типа.

6.3.6 Соответствие УОР общим требованиям техники безопасности проверяют по ГОСТ 12.2.007.0 и ГОСТ Р 50829.

6.3.7 Параметры надежности УОР проверяют по методам, приведенным в ГОСТ 27.410.

6.3.8 Стойкость УОР к климатическим и механическим воздействиям проводят по методам, которые должны быть указаны в ТУ на изделие конкретного типа.

ПРИЛОЖЕНИЕ А

(рекомендуемое)

Основные технические характеристики устройств обхода УОР

А.1 Электрический тракт устройства обхода должен иметь параметры не хуже приведенных в настоящем стандарте для УОР.

А.2 Устройство обхода должно быть рассчитано на наибольшую выходную мощность подключаемых у УОР передатчиков.

А.3 Электропитание устройств обхода должно осуществляться от сети однофазного или трехфазного переменного тока частотой (50 ± 2) Гц напряжением 220/380 В плюс 10 %, минус 15 %.

А.4 Устройства обхода должны иметь возможность осуществления дистанционного или автоматического управления.

А.5 Время обхода при автоматическом или дистанционном управлении при входной максимальной мощности (на один вход) УОР должно соответствовать значениям, указанным в таблице А.1.

Таблица А.1 - Максимально допустимые значения времени коммутации при дистанционном управлении УОР

Входная мощность, кВт

Время коммутации, с, не более

До 5

5

От 5 до 30

7

Св. 30 до 100

20

Св. 100 до 250

30

Св. 250

60

А.6 При кратковременном пропадании (до 60 с) электропитания должно сохраняться состояние устройства обхода, заданное до пропадания электропитания.

ПРИЛОЖЕНИЕ Б

(рекомендуемое)

Присоединительные размеры входов и выходов УОР

Б.1 При входной (выходной суммарной) мощности до 1 кВт включ. рекомендуются присоединительные размеры, соответствующие вилке СР-75-201 ВРО.364.029 ТУ [4] (под коаксиальный кабель РК 75-17-17, ГОСТ 11326.79) для входов и выходов УОР с волновым сопротивлением 75 Ом.

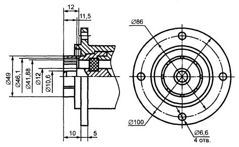
Б.2 При входной (выходной суммарной) мощности до 5 кВт включ. рекомендуются присоединительные размеры, соответствующие изображенным на рисунке Б.1 (под коаксиальный кабель РК75-44, ГОСТ 11326.82) для входов и выходов с волновым сопротивлением 75 Ом.

Рисунок Б.1 - Присоединительные размеры входов (выхода) УОР с волновым сопротивлением 75 Ом и входной (выходной суммарной) мощностью до 5 кВт

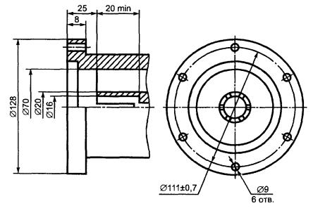
Б.3 При входной (выходной суммарной) мощности до 30 кВт включ. рекомендуются присоединительные размеры, соответствующие изображенным на рисунке Б.2 для входов и выходов с волновым сопротивлением 75 Ом.

Рисунок Б.2 - Присоединительные размеры входов (выхода) УОР с волновым сопротивлением 75 Ом и входной (выходной суммарной) мощностью до 30 кВт

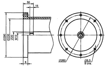
Б.4 При входной (выходной суммарной) мощности до 150 кВт включ. рекомендуются присоединительные размеры, соответствующие изображенным на рисунке Б.3 для выходов с волновым сопротивлением 150 Ом.

Рисунок Б.3 - Присоединительные размеры входов (выхода) УОР с волновым сопротивлением 150 Ом и входной (выходной суммарной) мощностью до 150 кВт

ПРИЛОЖЕНИЕ В

(рекомендуемое)

Основные технические характеристики СИ для измерения параметров УОР

Таблица В.1

Наименование прибора

Основные параметры прибора

Значение параметра

Измеритель полных сопротивлений

Диапазон частот, МГц

0,1 - 0,5

 

Пределы измерения:

 

 

- модуля, Ом

1 - 1 · 104

 

- фазы, градус

0 - 30

 

Погрешность измерения, не более:

 

 

- модуля, %

±5

 

- фазы, градус

6

Измеритель полных сопротивлений

Диапазон частот, МГц

0,5 - 110

 

Пределы измерения, Ом:

 

 

- по активной составляющей

1 - 1 · 104

 

- по реактивной составляющей

1 - 1 · 104

 

Погрешность измерения, %, не более

±4

Генератор сигналов ВЧ

Диапазон частот, МГц

0,1 - 30

 

Выходное напряжение, В

0,001 - 2

 

Выходное сопротивление, Ом

50; 75

 

Погрешность установки частоты, %, не более

±1

 

Уровень побочных излучений, дБ, не более

-80

Селективный микровольтметр (измерительный приемник)

Диапазон частот, МГц

0,1 - 30

Пределы измерения напряжения, В

2 · 10-7 - 1

 

Ширина полосы пропускания на уровне 3 дБ, кГц

8

 

Входное сопротивление, Ом

50; 75

 

Погрешность измерения напряжения, дБ, не более

2,0

Измеритель напряженности ЭМП

Диапазон частот, МГц

0,1 - 30

 

Пределы измерения напряженности:

 

 

- электрического поля, В/м

1 · 10-4 - 0,1

 

- магнитного поля, А/м

2 · 10-4 - 0,1

 

Ширина полосы пропускания на уровне 3 дБ, кГц

8

 

Входное сопротивление, Ом

50; 75

 

Погрешность измерения, дБ, не более

2,0

Милливольтметр ВЧ

Диапазон частот, МГц

0,001 - 100

 

Диапазон измерения напряжения, В

0,003 - 300

 

Пределы основной погрешности, %, не более

±2,5

 

Входное сопротивление, МОм, не менее

20

ПРИЛОЖЕНИЕ Г

(справочное)

Библиография

[1] ПОТ Р О-45-002-94 Правила по охране труда на радиопредприятиях Минсвязи России, 1995 г.

[2] СанПиН 2.2.4/2/1.8.055-96 Санитарные правила и нормы. Электромагнитные излучения радиочастотного диапазона (ЭМИ РЧ)

[3] СНиП 2.01.07-85 Строительные нормы и правила. Нагрузки и воздействия

[4] ВРО.364.029 ТУ Соединители радиочастотные коаксиальные

 

Ключевые слова: устройства одновременной работы передатчиков низких и средних частот, основные параметры, общие технические требования, методы измерений