Меню
Навигация
Novatika
Бесплатное обучение
Первая линия

Котлы отопительные. Часть 4. Котлы отопительные с дутьевыми горелками. Специальные требования к котлам с дутьевыми горелками для жидкого топлива теплопроизводительностью до 70 кВт и рабочим давлением до 0,3 МПа. Термины, специальные требования, методы исп

Стандарт распространяется на отопительные котлы, снабженные дутьевыми горелками для жидкого топлива, номинальной теплопроизводительностью до 70 кВт, применяемые как при разрежении в камере сгорания (котлы с уравновешенной тягой), так и при давлении (котлы под наддувом) в соответствии с указаниями изготовителя котла, и устанавливает термины, требования к материалам и их испытаниям, а также требования к маркировке отопительных котлов. Требования стандарта распространяются на отопительные котлы, которые испытывают на аттестованных стендах в соответствии с ГОСТ Р 54820-2011 и приложением В. Котлы предназначены для установок центрального отопления, теплоносителем в которых является вода температурой не выше 95 град. С при нормальных условиях эксплуатации. Для котлов, снабженных встроенным или прикрепленным водоподогревателем (емкостным или проточным), требования стандарта распространяются только на детали водоподогревателя, которые являются составной частью отопительного контура. Стандарт не распространяется на газовые котлы с атмосферными горелками, котлы на твердом топливе, конденсационные котлы на жидком топливе или газе, котлы с испарительными горелками и низкотемпературные котлы.

Обозначение: ГОСТ Р 51382-2011
Название рус.: Котлы отопительные. Часть 4. Котлы отопительные с дутьевыми горелками. Специальные требования к котлам с дутьевыми горелками для жидкого топлива теплопроизводительностью до 70 кВт и рабочим давлением до 0,3 МПа. Термины, специальные требования, методы испытаний и маркировка
Статус: действует
Заменяет собой: ГОСТ Р 51382-99 «Котлы отопительные. Часть 4. Котлы отопительные с дутьевыми горелками. Специальные требования к котлам с дутьевыми горелками для жидкого топлива теплопроизводительностью до 70 кВт и рабочим давлением до 3 бар. Термины, специальные требования, методы испытаний и маркировка»
Дата актуализации текста: 05.05.2017
Дата добавления в базу: 01.09.2013
Дата введения в действие: 01.07.2012
Утвержден: 28.09.2011 Федеральное агентство по техническому регулированию и метрологии (391-ст)
Опубликован: Стандартинформ (2012 г. )
Ссылки для скачивания:

ФЕДЕРАЛЬНОЕ АГЕНТСТВО
ПО ТЕХНИЧЕСКОМУ РЕГУЛИРОВАНИЮ И МЕТРОЛОГИИ

НАЦИОНАЛЬНЫЙ
стандарт
РОССИЙСКОЙ
ФЕДЕРАЦИИ

ГОСТ Р
51382
-
2011
(ЕН 303-4:1999)

Котлы отопительные

Часть 4

КОТЛЫ ОТОПИТЕЛЬНЫЕ С ДУТЬЕВЫМИ ГОРЕЛКАМИ

Специальные требования к котлам
с дутьевыми горелками для жидкого топлива
теплопроизводительностью до 70 кВт
и рабочим давлением до 0,3 МПа

Термины, специальные требования,
методы испытаний и маркировка

EN 303-4:1999
Heating boilers - Part 4: Heating boilers with forced draught burners -
Special requirements for boilers with forced draught oil burners with output
up to 70 kW and maximum operating pressure of 3 bar -
Terminology, special requirements, test methods and marking
(MOD)

Москва

Стандартинформ

2012

Предисловие

Цели и принципы стандартизации в Российской Федерации установлены Федеральным законом от 27 декабря 2002 г. № 184-ФЗ «О техническом регулировании», а правила применения национальных стандартов Российской Федерации - ГОСТ Р 1.0-2004 «Стандартизация в Российской Федерации. Основные положения»

Сведения о стандарте

1 ПОДГОТОВЛЕН Федеральным государственным унитарным предприятием «Всероссийский научно-исследовательский институт стандартизации и сертификации в машиностроении» (ФГУП «ВНИИНМАШ»)

2 ВНЕСЕН Техническим комитетом по стандартизации ТК 345 «Аппаратура бытовая, работающая на жидком, твердом и газообразном видах топлива»

3 УТВЕРЖДЕН И ВВЕДЕН В ДЕЙСТВИЕ Приказом Федерального агентства по техническому регулированию и метрологии от 28 сентября 2011 г. № 391-ст

4 Настоящий стандарт является модифицированным по отношению к европейскому региональному стандарту ЕН 303-4:1999 «Котлы отопительные. Часть 4. Котлы отопительные с дутьевыми горелками. Специальные требования к котлам с дутьевыми горелками для жидкого топлива теплопроизводительностью до 70 кВт и рабочим давлением до 3 бар. Термины, специальные требования, методы испытаний и маркировка» (EN 303-4:1999 «Heating boilers - Part 4: Heating boilers with forced draught burners - Special requirements for boilers with forced draught oil burners with output up to 70 kW and maximum operating pressure of 3 bar - Terminology, special requirements, test methods and marking») путем изменения отдельных фраз (слов, значений показателей, ссылок), которые выделены в тексте курсивом.

Наименование настоящего стандарта изменено относительно наименования указанного европейского регионального стандарта для приведения в соответствие с ГОСТ Р 1.5 (пункт 3.5).

Дополнительные требования к котлам отопительным с дутьевыми горелками приведены в дополнительном приложении ДА.

При применении настоящего стандарта рекомендуется использовать вместо ссылочных международных стандартов соответствующие им национальные стандарты Российской Федерации, сведения о которых приведены в дополнительном приложении ДБ

5 ВЗАМЕН ГОСТ Р 51382-99

Информация об изменениях к настоящему стандарту публикуется в ежегодно издаваемом информационном указателе «Национальные стандарты», а текст изменений и поправок - в ежемесячно издаваемых информационных указателях «Национальные стандарты». В случае пересмотра (замены) или отмены настоящего стандарта соответствующее уведомление будет опубликовано в ежемесячно издаваемом информационном указателе «Национальные стандарты». Соответствующая информация, уведомление и тексты размещаются также в информационной системе общего пользования - на официальном сайте Федерального агентства по техническому регулированию и метрологии в сети Интернет

Содержание

1 Область применения. 3

2 Нормативные ссылки. 4

3 Термины и определения. 5

4 Технические требования. 7

5 Методы испытаний. 17

6 Маркировка. 19

7 Техническая документация и ее предоставление. 19

Приложение А (обязательное) Специальные требования к котлам с дутьевыми горелками для жидкого топлива. 20

Приложение В (обязательное) Испытание котлов отопительных с дутьевыми горелками для жидкого топлива. 21

Приложение ДА (справочное) Дополнительные требования к котлам отопительным с дутьевыми горелками. Специальные требования к котлам с дутьевыми горелками для жидкого топлива теплопроизводительностью до 70 кВт и рабочим давлением до 0,3 МПа. 23

Приложение ДБ (справочное) Сведения о соответствии ссылочных национальных и межгосударственных стандартов международным стандартам, использованным в качестве ссылочных в примененном международном стандарте. 24

 

ГОСТ Р 51382-2011
(EH 303-4:1999)

НАЦИОНАЛЬНЫЙ СТАНДАРТ РОССИЙСКОЙ ФЕДЕРАЦИИ

Котлы отопительные

Часть 4

КОТЛЫ ОТОПИТЕЛЬНЫЕ С ДУТЬЕВЫМИ ГОРЕЛКАМИ

Специальные требования к котлам с дутьевыми горелками для жидкого топлива
теплопроизводительностью до 70 кВт и рабочим давлением до 0,3 МПа

Термины, специальные требования, методы испытаний и маркировка

Heating boilers. Part 4. Heating boilers with forced draught burners.
Special requirements for boilers with forced draught oil burners with output up to 70 kW and maximum
operating pressure of 0,3 MPa. Terminology, special requirements, test methods and marking

Дата введения -2012-07-01

1 Область применения

Настоящий стандарт распространяется на отопительные котлы, снабженные дутьевыми горелками для жидкого топлива, номинальной теплопроизводительностью до 70 кВт, применяемые как при разрежении в камере сгорания (котлы с уравновешенной тягой), так и при давлении (котлы под наддувом) в соответствии с указаниями изготовителя котла, и устанавливает термины, требования к материалам и их испытаниям, а также требования к маркировке отопительных котлов.

Котлы применяют для открытых систем (с открытым расширительным баком) с рабочим давлением не более 0,1 МПа (класс давления 1) и открытых и закрытых систем с рабочим давлением до 0,3 МПа (класс давления 2).

В соответствии с указаниями изготовителя котлы эксплуатируют с обычными газоходами или сниженными дымовыми трубами.

Изготовитель снабжает котлы как комплектные установки соответствующими горелками по ГОСТ 27824, работающими на легком жидком топливе (керосин, печное бытовое, дизельное). Со сниженными дымовыми трубами может использоваться только керосин (см. приложение В).

Требования настоящего стандарта распространяются на отопительные котлы, которые испытывают на аттестованных стендах в соответствии с ГОСТ Р 54820 и приложением В.

Котлы предназначены для установок центрального отопления, теплоносителем в которых является вода температурой не выше 95 °С при нормальных условиях эксплуатации. Для котлов, снабженных встроенным или прикрепленным водоподогревателем (емкостным или проточным), требования настоящего стандарта распространяются только на детали водоподогревателя, которые являются составной частью отопительного контура.

Настоящий стандарт не распространяется на газовые котлы с атмосферными горелками, котлы на твердом топливе, конденсационные котлы на жидком топливе или газе, котлы с испарительными горелками и низкотемпературные котлы.

Примечание - Низкотемпературные котлы представляют собой котлы, работающие на переменной температуре воды до 40 °С, или котлы, которые не могут эксплуатироваться при температурах выше 55 °С.

2 Нормативные ссылки

В настоящем стандарте использованы нормативные ссылки на следующие стандарты:

ГОСТ Р ИСО 857-1-2009 Сварка и родственные процессы. Словарь. Часть 1. Процессы сварки металлов. Термины и определения

ГОСТ Р ИСО 4063-2010 Сварка и родственные процессы. Перечень и условные обозначения процессов

ГОСТ Р 53526-2009 (ИСО 14732:1998) Персонал, выполняющий сварку. Аттестационные испытания операторов сварки плавлением и наладчиков контактной сварки для полностью механизированной и автоматической сварки металлических материалов

ГОСТ Р 53690-2009 (ИСО 9606-1:1994) Аттестационные испытания сварщиков. Сварка плавлением. Часть 1. Стали

ГОСТ Р 53994.2.9-2010 (МЭК 60730-2-9:2008) Автоматические электрические управляющие устройства бытового и аналогичного назначения. Часть 2.9. Частные требования к термочувствительным управляющим устройствам

ГОСТ Р 54441-2011 (ЕН 303-2:1999) Котлы отопительные. Часть 2. Отопительные котлы с горелкой с принудительной подачей воздуха. Специальные требования к отопительным котлам с распылительной горелкой на жидком топливе

ГОСТ Р 54820-2011 (ЕН 304:1992) Котлы отопительные. Правила испытаний отопительных котлов с дутьевыми горелками на жидком топливе

ГОСТ Р МЭК 60730-1-2002 Автоматические электрические управляющие устройства бытового и аналогичного назначения. Общие требования и методы испытаний

ГОСТ 2.312-72 Единая система конструкторской документации. Условные изображения и обозначения швов сварных соединений

ГОСТ 380-2005 Сталь углеродистая обыкновенного качества. Марки

ГОСТ 1050-88 Прокат сортовой, калиброванный, со специальной отделкой поверхности из углеродистой качественной конструкционной стали. Общие технические условия

ГОСТ 1412-85 Чугун с пластинчатым графитом для отливок. Марки

ГОСТ 1577-93 Прокат толстолистовой и широкополосный из конструкционной качественной стали. Технические условия

ГОСТ 5264-80 Ручная дуговая сварка. Соединения сварные. Основные типы, конструктивные элементы и размеры

ГОСТ 5520-79 Прокат листовой из углеродистой, низколегированной и легированной стали для котлов и сосудов, работающих под давлением. Технические условия

ГОСТ 5632-72 Стали высоколегированные и сплавы коррозионно-стойкие, жаростойкие и жаропрочные. Марки

ГОСТ 6211-81 Основные нормы взаимозаменяемости. Резьба трубная коническая

ГОСТ 6357-81 Основные нормы взаимозаменяемости. Резьба трубная цилиндрическая

ГОСТ 7293-85 Чугун с шаровидным графитом для отливок. Марки

ГОСТ 7350-77 Сталь толстолистовая коррозионно-стойкая, жаростойкая и жаропрочная

ГОСТ 7769-82 Чугун легированный для отливок со специальными свойствами. Марки

ГОСТ 8713-79 Сварка под флюсом. Соединения сварные. Основные типы, конструктивные элементы и размеры

ГОСТ 9012-59 Металлы. Метод измерения твердости по Бринеллю

ГОСТ 12815-80 Фланцы арматуры, соединительных частей и трубопроводов на Ру от 0,1 до 20,0 МПа (от 1 до 200 кгс/см2). Типы. Присоединительные размеры и размеры уплотнительных поверхностей

ГОСТ 12816-80 Фланцы арматуры, соединительных частей и трубопроводов на Р от 0,1 до 20,0МПа (от 1 до 200 кгс/см2). Общие технические требования

ГОСТ 12817-80 Фланцы литые из серого чугуна на Р от 0,1 до 1,6 МПа (от 1 до 16 кгс/см2). Конструкция и размеры

ГОСТ 12818-80 Фланцы литые из ковкого чугуна на Ру от 1,6 до 4,0 МПа (от 16 до 40 кгс/см2). Конструкция и размеры

ГОСТ 12819-80 Фланцы литые стальные на Ру от 1,6 до 20,0 МПа (от 16 до 200 кгс/см2). Конструкция и размеры

ГОСТ 12820-80 Фланцы стальные плоские приварные на Р от 0,1 до 2,5 МПа (от 1 до 25 кгс/см2). Конструкция и размеры

ГОСТ 12821-80 Фланцы стальные плоские приварные встык на Р от 0,1 до 20,0 МПа (от 1 до 200 кгс/см2). Конструкция и размеры

ГОСТ 12969-67 Таблички для машин и приборов. Технические требования

ГОСТ 14254-96 (МЭК 529-89) Степени защиты, обеспечиваемой оболочками (код IP)

ГОСТ 14771-76 Дуговая сварка в защитном газе. Соединения сварные. Основные типы, конструктивные элементы и размеры

ГОСТ 15164-78 Электрошлаковая сварка. Соединения сварные. Основные типы, конструктивные элементы и размеры

ГОСТ 15763-2005 Соединения трубопроводов резьбовые и фланцевые на PN(Py) до 63 МПа (до « 630 кгс/см2). Общие технические условия

ГОСТ 16037-80 Сварные соединения стальных трубопроводов. Основные типы, конструктивные элементы и размеры

ГОСТ 16093-2004 (ИСО 965-1:1998, ИСО 965-3:1998) Основные нормы взаимозаменяемости. Резьба метрическая. Допуски. Посадки с зазором

ГОСТ 19281-89 Прокат из стали повышенной прочности. Общие технические условия

ГОСТ 20072-74 Сталь теплоустойчивая. Технические условия

ГОСТ 22761-77 Металлы и сплавы. Метод измерения твердости по Бринеллю переносными твердомерами статического действия

ГОСТ 23358-87 Соединения трубопроводов резьбовые. Прокладки уплотнительные. Конструкция

ГОСТ 24705-2004 (ИСО 724:1993) Основные нормы взаимозаменяемости. Резьба метрическая. Основные размеры

ГОСТ 27208-87 Отливки из чугуна. Методы механических испытаний

ГОСТ 27570.0-87 (МЭК 335-1-76) Безопасность бытовых и аналогичных электрических приборов. Общие требования и методы испытаний

ГОСТ 27824-2000 Горелки промышленные на жидком топливе. Общие технические требования

СТ СЭВ 1372-78 Техника безопасности. Котлы паровые и водогрейные. Требования к листам из легированной и нелегированной стали

Примечание - При пользовании настоящим стандартом целесообразно проверять действие ссылочных стандартов в информационной системе общего пользования - на официальном сайте Федерального агентства по техническому регулированию и метрологии в сети Интернет или по ежегодно издаваемому информационному указателю «Национальные стандарты», который опубликован по состоянию на 1 января текущего года, и по соответствующим ежемесячно издаваемым информационным указателям, опубликованным в текущем году. Если ссылочный стандарт отменен без замены, то положение, в котором дана ссылка на него, применяется в части, не затрагивающей эту ссылку.

3 Термины и определения

В настоящем стандарте применены следующие термины и определения:

3.1 рабочее давление: Максимально допустимое давление, при котором котел подлежит эксплуатации, не превышающее пробное и типовое испытательные давления.

3.2 пробное давление: Давление, воздействию которого подвергают все котлы и их детали на стадии производства на предприятии-изготовителе или при наладке.

3.3 типовое испытательное давление: Давление, которому подвергают опытные образцы отопительных котлов и соответствующие детали перед пуском в серийное производство на предприятии-изготовителе.

3.4 номинальная температура: Максимально допустимая температура, при которой котел может функционировать в нормальных условиях эксплуатации при максимальной установке регулятора температуры воды.

3.5 теплопроизводительность Q: Количество теплоты, переданное теплоносителю (воде) за единицу времени.

3.6 номинальная теплопроизводительность QN: Наибольшая теплопроизводительность, которую котел должен обеспечивать в длительной эксплуатации при номинальных значениях параметров с учетом допускаемых отклонений и представляющая собой максимально полезное количество теплоты, переданное теплоносителю за час.

3.7 диапазон теплопроизводительности: Представляет собой область, расположенную ниже номинальной теплопроизводительности, установленной изготовителем, в которой данный котел соответствует требованиям настоящего стандарта и в которой он может быть использован.

3.8 теплопотребление QB: Количество теплоты, выделяющееся в топке котла при сгорании топлива за единицу времени, основанное на его низшей теплоте сгорания Нi.

3.9 КПД котла hk: Отношение теплопроизводительности Q к теплопотреблению QB : hk = Q/QB.

3.10 требуемое разрежение за котлом: Перепад давления между статическим давлением воздуха на месте монтажа установки и статическим давлением уходящих газов, измеренным в сечении патрубка уходящих газов, которое необходимо для надлежащей работы котла при номинальной теплопроизводительности.

3.11 аэродинамическое сопротивление газового тракта: Перепад давлений между камерой сгорания и выходом из котла.

3.12 плотность газового тракта: Плотность элементов котла, по которым проходят продукты сгорания.

3.13 температура уходящих газов tA: Температура продуктов сгорания на выходе из котла.

3.14 потери теплоты с уходящими газами: Количество теплоты за единицу времени, которое на выходе из котла остается неиспользованным.

3.15 газовоздушный тракт: Узел, включающий камеру сгорания, теплообменник, сети подачи воздуха и продуктов сгорания до выхода из газохода.

3.16 потери в горячем резерве qB: Количество теплоты, которое необходимо для поддержания воды в котле при заданной температуре, когда не используется тепловая мощность. Представляются как доля теплопотребления.

3.17 гидравлическое сопротивление: Потери давления в котле, измеренные как разность давлений в подводящем и отводящем патрубках при объемном расходе, соответствующем номинальной теплопроизводительности.

3.18 регулирующий термостат: Устройство, обеспечивающее автоматическое поддержание заранее установленной температуры воды в пределах заданного диапазона.

3.19 ограничитель безопасной температуры: Автоматическое устройство, которое вызывает отключение котла с целью предотвращения выхода температуры воды за заранее установленное предельное значение.

3.20 устройство отключения при перегреве: Устройство, которое вызывает безусловное отключение котла до повреждения или до того, как его безопасность окажется под вопросом.

3.21 газоплотные котлы для помещений: Котлы, в которых газовый тракт является существенно герметичным по отношению к помещению, где они установлены.

4 Технические требования

4.1 Требования к конструкции

4.1.1 Общие требования

Котлы должны быть огнестойкими и безопасными в эксплуатации. Они должны быть изготовлены из несгораемых материалов и соответствовать следующим требованиям:

- выдерживать напряжения, возникающие при нормальной эксплуатации;

- горелка и котел не должны перегреваться до опасных значений;

- опасное скопление горючих газов (топливо, смешанное с воздухом) в камере сгорания и в газоходах должно быть исключено;

- газы в опасных количествах не должны просачиваться из котла. Горючие материалы допустимы для:

- вспомогательных деталей, например крышек горелки, если эти детали монтируются вне котла;

- внутренних компонентов органов управления и оборудования безопасности;

- рукояток управления;

- электрического оборудования;

- теплоизоляции (см. 4.1.5.8), допустимы только материалы, не содержащие асбест.

Детали крышек, устройств контроля, управления и безопасности, а также электрических принадлежностей должны быть расположены таким образом, чтобы температура на их поверхности при установившихся условиях не превышала значений, заданных изготовителем или приведенных в соответствующих нормативных документах.

Материалы деталей, подверженных воздействию давления, должны соответствовать техническим требованиям, приведенным в настоящем стандарте, а также быть пригодными для установленного назначения и обработки. Кроме того, должны быть гарантированы механические и физические свойства наряду с химическим составом материалов.

4.1.2 Производственная документация

4.1.2.1 Чертежи

На чертежах котлов или в соответствующей документации должны быть приведены:

- заданные материалы;

- процесс сварки, тип соединения (обычно достаточно условного обозначения для типа соединения) и присадочный металл;

- номинальная температура, °С;

- рабочее давление, МПа (кгс/см2);

- пробное давление, МПа (кгс/см2);

- номинальная теплопроизводительность или диапазон теплопроизводительности для котла каждого размера, кВт.

4.1.2.2 Производственный контроль

Производственный контроль проводится на всех этапах изготовления котла.

4.1.3 Отопительные котлы из стали и цветных материалов

4.1.3.1 Проведение сварочных работ

Изготовители котлов, которые проводят сварочные работы, должны соблюдать требования ГОСТ Р 53690 и ГОСТ Р 53526, при этом:

- к проведению указанных работ могут допускаться только те сварщики, которые обладают достаточной квалификацией в области сварки материалов, подлежащих обработке;

- в наличии должно быть оборудование для получения сварных швов, не содержащих дефекты;

- контроль за проведением сварочных работ осуществляет персонал, обладающий достаточной квалификацией в данной области (по крайней мере один контролер должен обладать подобной квалификацией).

4.1.3.2 Сварные соединения и присадочные металлы

Используемые материалы должны быть пригодны для сварки. Марки стали, пригодные для сварки, не требующие дополнительной термической обработки после сварки, приведены в таблице 1.

Таблица 1 - Марки стали

Марка стали

Предельная температура t, °С

Нормативные документы

на прокат листовой

на прокат калиброванный

Ст3пс, Ст3сп, Ст4пс, Ст4сп, Ст3Гпс, Ст3Гпс, Ст3пс, Ст3сп

200

ГОСТ 380

ГОСТ 380

20

300

ГОСТ 1577

ГОСТ 1050

15К, 16К, 18К, 20К

450

ГОСТ 5520

ГОСТ 5520

22К

350

 

 

17 ГС

350

ГОСТ 19281

ГОСТ 5520

ГОСТ 19281

17Г1С

350

 

 

14ХГС

350

ГОСТ 19281

ГОСТ 19281

16ГС, 09Г2С, 10Г2С1

450

ГОСТ 19281

ГОСТ 5520

ГОСТ 19281

12ХМ

540

ГОСТ 5520

ГОСТ 5520

10Х2М

570

ГОСТ 5520

ГОСТ 5520

12Х1МФ

570

ГОСТ 5520

ГОСТ 5520

ГОСТ 20072

08Х18Н10Т, 12Х18Н9Т, 12Х18Н10Т

600

ГОСТ 7350

ГОСТ 5632

На сварных соединениях не должно быть трещин или неправильного соединения, а также дефектов по всему поперечному сечению стыковых швов. Односторонние угловые швы должны быть в основном свободны от напряжений изгиба. Дымогарные трубы, вставленные распорки и аналогичные детали не требуют сварки с противоположной стороны. Соединения с двусторонними угловыми швами допускаются в том случае, если они достаточно охлаждаются. В зонах высоких тепловых нагрузок следует избегать применения выступающих в газоход деталей.

Следует избегать угловых, торцевых швов и аналогичных сварных соединений, которые подвержены воздействию высоких напряжений изгиба в ходе производства и эксплуатации.

Для сварных продольных анкерных связей или анкерных труб сечение углового шва должно не менее чем в 1,25 раза превышать площадь поперечного сечения соответствующего элемента.

Требования коварным соединениям приведены в таблице 2. Присадочные металлы должны быть совместимы с используемым материалом.

Таблица 2 - Сварные соединения и сварочные процессы

Наименование сварного шва

Толщина материала t, мм

Номер сварочного процесса по ГОСТ Р 4063

Примечания

1.1 Стыковой без скоса

£ 6 (8)

135;

12;

131;

111

Допустимо до t = 8 мм при использовании электродов глубокого проплавления или сварке с обеих сторон

кромок

а)

b)

a) односторонний

b) двусторонний

1.2 Стыковой без скоса кромок

≥ 6
до 12

12

Зазор между свариваемыми кромками от 2 до 4 мм с фиксацией кромок и подкладкой

1.3 Стыковой двусторонний без скоса кромок

> 8
до 12

135;

12;

111

Зазор между свариваемыми кромками от 2 до 4 мм.

При ручной сварке должны применяться электроды глубокого проплавления

1.4 Стыковой со скосом кромок

До 12

111

Предварительная разделка кромок 60°

1.5 Стыковой со скосом кромок

До 12

135;

12

Предварительная разделка кромок от 30° до 50° в зависимости от толщины материала

1.6 Двусторонний стыковой с двумя симметричными скосами кромок

> 12

135;

12

Предварительная разделка кромок от 30° до 50° в зависимости от толщины материала

1.7 Стыковой с отбортовкой кромок

£ 6

135;

141;

131;

111

Допустимо только в исключительных случаях для ввариваемых деталей.

Кроме того, швы должны быть в основном свободны от напряжений изгиба.

Непригодно для поверхностей нагрева

s = 0,8 t

1.8 Нахлесточный односторонний

£ 6

135;

12

Швы этого типа должны быть в основном свободны от напряжений изгиба.

Непригодно для поверхностей нагрева

s = t

1.9 Нахлесточный двусторонний

£ 6

135;

12;

111

Непригодно для поверхностей нагрева

s = t

2 Тавровый без скоса кромок

£ 6

135;

12;

111

Швы этого типа должны быть в основном свободны от напряжений изгиба

a = t

2.1 Тавровый двусторонний без скоса кромок

£ 12

135;

12;

111

a = t

> 12

132;

12;

111

а = 2/3t

2.2 Тавровый двусторонний с двумя симметричными скосами одной кромки

£ 12

135;

12;

111

a = t

> 12

135;

12;

111

a = 2l3 t

2.3 Тавровый односторонний со скосом одной кромки

£ 12

135;

12;

111

Для 111 b = 60°

> 12

135;

12

Для 135, 12

b = 45° - 50°

2.4 Угловой односторонний со скосом одной кромки

£ 12

135;

12;

111

Для 111 b = 60°.

Для 135, 12

b = 45° - 50°

2.5

£ 12

135;

111

Края труб не должны выступать за пределы шва, если он подвержен тепловому излучению

2.6

£ 6

135;

111

Приварка трубы, находящейся в зоне высоких тепловых нагрузок

a = t

2.7

 

135;

111

Приварка трубы, находящейся в зоне высоких тепловых нагрузок

Для 111 b = 60°.

Для 135 b = 45° - 50°

Примечание - 12 - сварка дуговая под флюсом;

111 - сварка ручная дуговая плавящимся электродом (сварка дуговая плавящимся покрытым электродом);

131 - сварка дуговая сплошной проволокой в инертном газе;

135 - сварка дуговая сплошной проволокой в активном газе;

141 - сварка дуговая вольфрамовым электродом в инертном газе с присадочным сплошным материалом (проволокой или стержнем).

Термины, используемые в таблице 2, соответствуют ГОСТ 2.312. Ссылочные номера сварочных процессов соответствуют ГОСТ Р ИСО 857-1 и ГОСТ Р 4063. Виды сварочных швов по ГОСТ 5264, ГОСТ 8713, ГОСТ 14771 и ГОСТ 15164.

4.1.3.3 Детали из стали, подверженные воздействию давления

Следует применять стали, приведенные в таблице 1.

Технические условия на материалы должны быть удостоверены сертификатом изготовителя, которые должны быть получены изготовителем котлов. Это требование не распространяется на малогабаритные детали, например муфты диаметром до 50 мм, болты и гайки.

4.1.3.4 Минимальная толщина стенки

Минимальные толщины стенки, приведенные в таблице 3, заданы с учетом свойств материалов.

Таблица 3 - Минимальная толщина стенки

Минимальные толщины, мм

топочных поверхностей нагрева и

плоских стенок конвективных

поверхностей нагрева

стенок, контактирующих только с водой,

и жестких (например, гофрированных)

конвективных поверхностей нагрева

вне камеры сгорания

круглых труб, используемых в конвективной части теплообменника

Углеродистые и аналогичные им стали

4

3

2,9

Медь и медные сплавы, защищенные от коррозии стали и нержавеющая сталь

2

2

1

Для котлов, состоящих из отдельных геометрически идентичных деталей (секций), минимальную толщину стенки для всего типоразмерного ряда следует выбирать по котлу с наименьшей номинальной теплопроизводительностью.

Допуск на толщину стенки из углеродистой стали должен соответствовать соответствующим нормативным документам.

В таблице 3 приведены минимальные толщины стенок листового материала, труб и поковок. Меньшие толщины стенки допускаются только при получении подтверждения эквивалентных характеристик.

4.1.4 Котлы из литых материалов

Изготовитель должен располагать персоналом и оборудованием, способным проводить необходимые испытания материалов. При изготовлении котлов и других чугунных элементов, работающих под давлением, для определения механических свойств образцов изделий из чугуна проводят:

1) испытание на растяжение согласно ГОСТ 27208, подтверждение норм, приведенных в ГОСТ 1412, ГОСТ 7293, ГОСТ 7769;

2) химический анализ (С, Si, Mn, Р, S);

3) испытание на твердость по Бринеллю согласно ГОСТ 9012 или ГОСТ 22761;

4) испытание на удар по Изоду (для модифицированного чугуна).

Результаты испытаний заносят в регистрационный журнал, в котором подпись ставит лицо, ответственное за их проведение, или составляют протокол испытаний. Протоколы испытаний и регистрационные журналы хранятся изготовителем не менее пяти лет и должны быть доступны для ознакомления.

Исправление деталей, работающих под давлением, с помощью сварки не допускается.

4.1.4.1 Детали из чугуна, работающие под давлением

Минимальные требования к механическим свойствам чугуна, используемого в деталях, работающих под давлением, как минимум, должны соответствовать значениям, приведенным в таблице 4.

Таблица 4 - Минимальные требования к чугуну

Наименование показателя

Норма для чугуна

с пластинчатым графитом (см. ГОСТ 1412)

со сферическим графитом (с отжигом феррита)

Прочность на растяжение, МПа (кгс/мм2), не менее

150

400

Твердость по Бринеллю, НВ

160-220

-

Удар по Изоду, Дж/мм2, не менее

-

23

4.1.4.2 Литые детали из цветных металлов, работающие под давлением

Минимальные требования к механическим свойствам цветных металлов, используемых в деталях, работающих под давлением, как минимум, должны соответствовать значениям, приведенным в таблице 5.

Таблица 5 - Минимальные требования к цветным металлам

Металл

Толщина стенки, мм, не более

Прочность на растяжение, МПа (кгс/мм2)

Температура стенки, °С, не более

SF-Си

5

200

250

CuNi30Fe

10

100

350

4.1.4.3 Минимальная толщина стенки

Толщина стенки, заданная конструкторской документацией, должна быть не менее приведенной в таблице 6. Фактическая минимальная толщина стенки секций котлов должна быть не менее 0,8 значения в рабочих чертежах. Меньшие толщины стенки допускаются только при наличии подтверждения эквивалентных характеристик.

Таблица 6 - Минимальная толщина стенки литых секций котлов

Номинальная теплопроизводительность QN, кВт

Толщина стенки, мм, не менее

для чугуна с пластинчатым графитом, алюминиевых сплавов

для чугуна со сферическим графитом, ковкого чугуна и медных сплавов

До 30 включ.

3,5

3,0

Св. 30 до 70 включ.

4,0

3,5

Для котлов, состоящих из отдельных геометрически идентичных деталей (секций), минимальную толщину стенки для всего типоразмерного ряда выбирают по котлу с наименьшей номинальной теплопроизводительностью.

4.1.5 Дополнительные требования

4.1.5.1 Вентилирование водяного объема и газоходов

Конструкция котла и его деталей должна обеспечивать хорошее удаление воздуха из водяного объема, а также отсутствие шума, обусловленного кипением, при нормальной эксплуатации согласно инструкциям изготовителя.

Конструкция камеры сгорания и газоходов должна исключать возможность образования в них застойных и плохо вентилируемых зон.

4.1.5.2 Чистка поверхностей нагрева

Поверхности нагрева со стороны газов должны быть доступными для осмотра и чистки с помощью химических реагентов и щеток благодаря наличию достаточного количества соответствующих очистных отверстий. Если для чистки и эксплуатации котла необходимы специальные инструменты (например, специальные щетки), они должны входить в комплект поставки.

4.1.5.3 Плотность водяного тракта

Не допускаются сквозные отверстия в водяной объем для размещения резьбовых и других разъемных соединений для крепления сменных частей котла, за исключением отверстий для размещения средств измерений, датчиков системы автоматики безопасности и регулирования.

4.1.5.4 Сменные части

Сменные и запасные части (например, вставки, фигурный огнеупорный кирпич, турбулизаторы и т. д.) должны быть сконструированы, изготовлены или маркированы таким образом, чтобы они правильно монтировались в соответствии с инструкциями изготовителя.

4.1.5.5 Соединение по воде

Соединения должны соответствовать ГОСТ 15763, муфты - ГОСТ 6211, ГОСТ 6357, ГОСТ 16093, ГОСТ 24705, фланцевые соединения - ГОСТ 12815 - ГОСТ 12821. Расположение соединений должно обеспечивать легкий доступ и правильное функционирование каждого соединения. Около соединения должно быть предусмотрено достаточное пространство, которое позволяло бы монтировать соединяемые трубы.

Не рекомендуется применять резьбовые соединения наружным диаметром более 50 мм. Применение резьбовых соединений наружным диаметром более 80 мм не допускается. При использовании фланцевых соединений ответные фланцы с прокладками должны входить в комплект поставки котла.

Каждый котел должен иметь не менее одного соединения для наполнения и опорожнения; оно может быть единым. Размер соединения должен быть не менее G 1/2 для номинальной теплопроизводительности до 70 кВт.

Допускается устанавливать эти соединения вне котла, если обеспечивается удовлетворительное его наполнение и опорожнение.

4.1.5.6 Присоединение средств измерения, контроля и безопасности

Каждый котел должен иметь соединения для оборудования, указанного в таблице 7. Если контрольное оборудование поставляется с котлом, эти требования не являются обязательными. В таком случае контрольное оборудование не подлежит замене на другое.

Таблица 7 - Минимальные номинальные размеры присоединений средств измерений, контроля и безопасности

Средства измерений, контроля и безопасности

Минимальный размер

Гильзы для измерения температуры*

Ограничитель безопасной температуры*

Термометр

Переключатель давления, манометр

Отсечное устройство низкого уровня воды, предохранительный клапан

G 1/2

* Обязательное наличие в котле.

Соединения должны быть расположены таким образом, чтобы измеряемая температура определялась с возможно большей точностью.

4.1.5.7 Присоединительные размеры горелки

Размеры горелки должны соответствовать технической документации на горелку.

4.1.5.8 Теплоизоляция

Свойства теплоизоляции (в любом месте) не должны существенно изменяться вследствие воздействия теплоты и старения; теплоизоляция должна выдерживать обычные для данного котла термические и механические нагрузки. При нормальных условиях теплоизоляция не должна выделять каких-либо вредных веществ и должна изготовляться из негорючего материала.

Легковоспламеняющаяся изоляция, например полиуретановая пена, допускается на водоохлаждаемых поверхностях при следующих условиях:

если она выдерживает температуру 120 °С и снабжена покрытием из негорючего материала, который является жестким и имеет минимальную толщину 0,5 мм;

управляющий термостат и ограничитель безопасной температуры имеют максимальную температуру настройки 85 °С и 100 °С соответственно;

исключено использование котла без воды (например, имеется встроенное отсечное устройство низкого уровня воды);

отсутствует опасность воспламенения электрического оборудования.

Расстояние от поверхностей неохлаждаемых элементов газоходов до легковоспламеняемых материалов должно быть более 100 мм.

4.1.5.9 Температура поверхности

Средняя температура поверхностей крышек котла со стороны оператора не должна превышать окружающую температуру более чем на 100 °С.

Температура поверхности органов управления и всех частей, к которым может прикоснуться оператор при эксплуатации котла, не должна превышать температуру в помещении более чем на:

35 °С - для металлов и других подобных материалов;

48 °С - для керамических и других подобных материалов;

60 °С - для пластмассы и других подобных материалов.

4.1.5.10 Предельная температура ограждающих поверхностей котла

Температура боковых, передней и верхней стенок котла не должна превышать температуру в помещении более чем на 80 °С.

Это требование не распространяется на части кожуха, находящиеся в пределах 5 см от края смотрового отверстия и в пределах 15 см - от газоходов.

4.1.5.11 Температура пола

Температура поверхности в любой точке внизу котла не должна превышать 80 °С.

При температуре поверхности 50 °С - 80 °С в эксплуатационных документах должны быть даны рекомендации по устройству защиты, устанавливаемой между котлом и полом, если последний изготовлен из горючего материала.

4.1.5.12 Гидравлическое сопротивление котла

Гидравлическое сопротивление котла следует определять для расходов воды, соответствующих перепадам температуры воды на входе и выходе из котла 10 °С и 20 °С при номинальной теплопроизводительности. Для каждого котла эти значения указывают в паскалях.

4.1.5.13 Газоплотность

Котлы с естественной тягой и разрежением в топке

При разрежении в камере сгорания 5Па присосы воздуха не должны превышать 1 % массового расхода продуктов сгорания при номинальной теплопроизводительности.

Котлы под наддувом

При избыточном давлении в камере сгорания, превышающем в 1,2 раза номинальное давление, установленное изготовителем, утечка не должна превышать 2 % массового расхода продуктов сгорания при номинальной теплопроизводительности.

Газоплотные котлы для помещений

Утечки из котла и газоотводящихтруб не должны превышать 5 м3/ч при избыточном давлении 5 Па. Если не представляется возможным провести испытание котла вместе с газоотводящими трубами, последние проходят испытания отдельно, в этом случае утечки не должны превышать 3 м3/ч для котла и 2 м3/ч для труб при давлении 5 Па.

4.1.6 Термостаты и устройства ограничения температуры воды

4.1.6.1 Общая часть

Котлы оснащают термостатом, установленным на фиксированные или регулируемые значения, соответствующие указанным в 4.1.6.2.

Для исключения превышения температуры воды свыше 110 °С в результате отказа управляющего термостата котлы оснащают дополнительными устройствами ограничения температуры.

Котлы, предназначенные для систем центрального отопления с открытыми или герметичными расширительными сосудами (класс давления 2):

a) требуется предельный термостат, соответствующий 4.1.6.3, и устройство выключения при перегреве, соответствующее 4.1.6.4, или

b) ограничитель безопасной температуры, соответствующий 4.1.6.5.

Котлы, предназначенные только для систем центрального отопления с открытым расширительным сосудом (класс давления 1).

Устройства ограничения температуры не требуются, если конструкция котла предусматривает его установку только с открытым расширительным сосудом и отказ управляющего термостата не приводит к созданию опасной ситуации для пользователя или котла. Соответствующая информация должна быть приведена в технических инструкциях.

4.1.6.2 Управляющий термостат

Управляющий термостат должен соответствовать требованиям ГОСТ Р 53994.2.9 для устройств типа 1.

Если управляющий термостат является регулируемым, изготовитель должен указать максимальную температуру в инструкции по эксплуатации. Переключатель температур должен легко устанавливаться в соответствующее положение и указывать, в каком направлении температура воды возрастает или падает. Если для этой цели используют числа, наибольшее число должно соответствовать наибольшей температуре.

При максимальном заданном значении термостат должен производить контролируемое выключение до того, как температура воды превысит 95 °С.

4.1.6.3 Предельный термостат (с автоматическим возвратом)

Предельный термостат должен соответствовать требованиям ГОСТ Р 53994.2.9 для устройств типа 1.

Предельный термостат должен вызывать выключение до того, как температура воды превысит 110 ºС.

Заданная максимальная температура данного устройства не должна быть регулируемой.

Если температура воды падает ниже ее заданного значения, горелка может повторно включаться автоматически.

4.1.6.4 Устройство выключения при перегреве

Устройство выключения при перегреве должно соответствовать требованиям ГОСТ Р 53994.2.9 для устройств типа 2.

Данное устройство должно вызывать безусловное отключение котла до его повреждения и (или) возникновения опасной ситуации для пользователя. Данное устройство не должно быть регулируемым; при нормальной эксплуатации котла должна быть исключена возможность изменения заданной температуры.

Нарушение связи между датчиком и данным устройством должно приводить к выключению котла.

4.1.6.5 Ограничитель безопасной температуры (ручной возврат)

Ограничитель безопасной температуры должен соответствовать требованиям ГОСТ Р 53994.2.9 для устройств типа 2.

Дополнительно к требованиям, приведенным в 4.1.6.2, ограничитель безопасной температуры должен отключать оборудование так, чтобы температура воды не превышала 110 °С.

4.1.7 Принадлежности для котла

Если дополнительные приспособления установлены изготовителем на котле и их техническое обслуживание необходимо для безопасной и правильной его эксплуатации, доступ к ним должен быть легким и свободным, без снятия всего кожуха.

4.1.8 Электробезопасность

Испытание на электрическую безопасность проводят по ГОСТ 27570.0.

4.1.8.1 Общие условия:

тип электрической защиты котла по ГОСТ 14254;

описание электрического оборудования (переключатели, реле и др.).

4.1.8.2 Испытания

Следует проверять визуально, функциональными испытаниями или измерениями:

- защиту от доступа к частям, находящимся под напряжением;

- ток утечки и сопротивление изоляции;

- внутреннюю проводку;

- присоединение питания и гибкие наружные шнуры;

- клеммы соединений для наружных проводников;

- условия заземления;

- пути утечки, зазоры и расстояния по изоляции;

- требования безопасности коммутационных схем;

- невзаимозаменяемость разъемов.

4.1.8.3 Сертификаты

Изготовитель оборудования предоставляет подробный сертификат соответствия по следующим параметрам:

- нагревание;

- эксплуатация при условиях перегрузки устройств с нагревательными элементами;

- подавление радиопомех (только для агрегатов);

- стойкость к воздействию тепла, огня и транспортных нагрузок.

5 Методы испытаний

5.1 Общие требования

Перед началом производства котлы должны быть подвергнуты испытаниям для определения номинальных характеристик и качества горения (требования к характеристикам по ГОСТ Р 54441, методика проведения испытания по ГОСТ Р 54820).

Изготовитель должен удостовериться, что конструкционные материалы и сварные соединения соответствуют требованиям системы производственного контроля на предприятии и что результаты испытаний соответствуют данным требованиям. При проведении испытаний котлов необходимо соблюдать меры безопасности.

Все котлы и их детали проходят испытание под давлением на предприятии-изготовителе, в результате которых устанавливают, что они не имеют течи и остаточной деформации.

5.2 Классификация

В зависимости от максимального рабочего давления воды котлы подразделяют на:

класс 1 - рабочее давление 0,1 МПа, котлы предназначены для монтажа исключительно с открытыми расширительными сосудами и низким гравитационным напором;

класс 2 - рабочее давление 0,3 МПа, котлы предназначены для открытых и закрытых систем.

5.3 Котлы из стали и цветных металлов

5.3.1 Испытания перед постановкой на производство

Типовое пробное давление воды равно 1,5р1 (р1 - рабочее давление).

Длительность испытания не менее 10 мин. Если испытания распространяются на типовой ряд котлов, испытания проводят не менее чем для трех типоразмеров котла (наименьшего, среднего и наибольшего). Утечка или заметная остаточная деформация не допускается.

В протоколе испытания приводят:

- полное описание испытанного котла, включая номер чертежа;

- испытательное давление в паскалях и продолжительность испытания;

- результат испытания;

- место и дату проведения испытания, включая фамилии лиц, проводивших данное испытание. Протокол испытания подписывают, как минимум, лицо, ответственное за его проведение, и один

свидетель.

5.3.2 Испытание в ходе производства

Каждый котел класса давления 1 испытывают пробным давлением 0,15 МПа, каждый котел класса давления 2 - пробным давлением 0,45 МПа.

5.4 Литые котлы из чугуна и цветных металлов

5.4.1 Испытания перед постановкой на производство

5.4.1.1 Разрушающее испытание отдельных секций

Для оценки конструкции и подтверждения ее надежности по три образца передней, средней и задней секции котла каждого типа подвергают разрушающему испытанию перед началом серийного производства котлов с рабочим давлением до 0,3 МПа. Разрушающее давление воды должно быть не менее (1 + 2)10-1 МПа.

В протоколе испытания приводят:

- дату проведения испытания и фамилию испытателя;

- модель, тип и количество секций;

- номер модели отдельных секций или другой способ их идентификации; -дату литья;

- достигнутое давление разрыва, МПа;

- описание характера и расположения разрушения.

5.4.1.2 Гидравлическое испытание котельного блока

Для котлов любого типа, предназначенных для серийного производства, проводят следующие испытания:

- один котельный блок среднего типоразмера подвергают гидравлическому испытанию давлением 2 рвх (не менее 0,6 МПа);

- рассчитывают нагрузку соединений и испытывают их нагрузкой, эквивалентной воздействию внутреннего давления 4 р1.

Утечка не допускается. Результаты оформляют аналогично 5.3.1.

5.4.2 Испытание во время производства

5.4.2.1 Литые секции

Каждую секцию котла подвергают гидравлическому испытанию давлением 2 р1 (не менее 0,6 МПа). Толщину стенки отдельных секций котла тщательно контролируют входе производства в соответствии с системой качества. Предельная толщина стенки в каждой точке измерения равна разности номинальной толщины стенки и установленного допуска.

На поверхности секций и деталей котлов, которые подвергают гидравлическому испытанию, должны быть приведены следующие данные:

- изготовитель и его фирменный знак;

- параметры материала;

- дата литья;

- номер модели;

- знак соответствия (сертификационный знак), если он присвоен.

5.4.2.2 Котельный блок

Каждый котел подвергают гидравлическому испытанию давлением 1,3 р1 (не менее 0,4 МПа) перед монтажом теплоизоляции на заводе-изготовителе; для котлов, которые собирают на месте эксплуатации, изготовитель должен предоставить инструкции по проведению гидравлического испытания. Утечки во время испытания не допускаются.

15 5.5 Испытание на газоплотность

Заданные предельные допустимые утечки определяют относительно массового расхода продуктов сгорания, соответствующего номинальной теплопроизводительности.

Фактическую утечку определяют с использованием воздуха при окружающей температуре на испытательном стенде в соответствии с примером, приведенным на рисунке 1.

Выход газохода подлежит герметизации, дверцы и крышки находятся в закрытом положении. Испытательный стенд соединяют с камерой сгорания испытуемого котла через амбразуру горелки или специальное отверстие.

Полученные значения утечки пересчитывают для нормальных условий (0 °С и 101,3 КПа).

1 - выход газохода; 2 - испытуемый котел; 3 - точки измерения давления (тяги); 4 - вентилятор;
5 - клапан 3 (перепускной); 6 - клапан 2; 7 - расходомер; 8 - клапан 1 (регулирующий); 9 - плита горелки

Рисунок 1 - Стенд для испытания котлов на газоплотность

6 Маркировка

6.1 Маркировочная табличка котла

Каждый котел должен быть снабжен маркировочной табличкой, оформленной на языке страны назначения и прикрепленной на доступном месте.

6.1.1 Информация на маркировочной табличке

На маркировочной табличке должны быть приведены следующие основные данные:

а) наименование и адрес изготовителя и, при наличии, его фирменный знак;

б) торговая марка, наименование, тип, под которыми котел продается;

в) серийный номер и дата изготовления (допускается использовать код);

г) номинальная теплопроизводительность или диапазон теплопроизводительности, кВт;

д) рабочее давление, МПа;

е) номинальная температура теплоносителя, °С.

6.1.2 Требования к маркировочной табличке

Табличка должна быть долговечной, это касается как материала, так и надписи. Надпись должна быть стойкой к истиранию. При нормальных условиях табличка не должна выцветать до такой степени, чтобы информация стала неразборчивой.

Самоклеящиеся таблички не должны открепляться из-за высокой влажности и температуры.

7 Техническая документация и ее предоставление

7.1 Общие требования

Перечисленные в 7.2 и 7.3 документы должны прилагаться к каждому котлу на языке страны назначения.

7.2 Техническое описание и инструкции по монтажу

а) Техническое описание должно содержать следующую необходимую при проектировании установки информацию:

- требуемое разрежение за котлом, Па;

- температуру уходящих газов, °С;

- температуру уходящих газов для всего диапазона теплопроизводительности, °С;

- массовый расход продуктов сгорания, кг/с;

- диаметр патрубка уходящих газов, мм;

- гидравлическое сопротивление, Па;

- максимальное теплопотребление, кВт;

- номинальную теплопроизводительность или диапазон теплопроизводительности, кВт;

- диапазон регулирования температуры, °С;

- вид топлива;

- двухпозиционное (ВКЛ/ВЫКЛ) или плавное регулирование.

б) Инструкции по монтажу должны содержать следующие данные:

- сборка котла и, если необходимо, гидравлическое испытание (см. 5.3.2 или 5.4.2.2);

- если температура внизу котла может превышать 50 °С, приводят информацию о необходимой дополнительной изоляции при установке на пол, изготовленный из горючего материала;

- информацию о монтаже и расположении датчиков контроля, индикации и безопасности;

- ввод в эксплуатацию, включая информацию о теплопотреблении, необходимом для достижения требуемой теплопроизводительности.

В дополнение должны быть помещены ссылки на стандарты и правила, требования которых необходимо выполнять при установке оборудования безопасности.

7.3 Инструкции по эксплуатации

Инструкции по эксплуатации должны содержать следующую информацию:

- рабочий режим котла;

- чистка и интервалы между чистками;

- действия, предпринимаемые в случае возникновения неисправностей и сбоев в работе;

- причины проведения работ по техническому обслуживанию компетентным персоналом и интервалы между подобными работами;

- вид топлива.

Другие печатные материалы (например, буклеты, каталоги и т. д.) не должны содержать данных, которые противоречили бы инструкциям по эксплуатации.

Приложение А
(обязательное)

Специальные требования к котлам с дутьевыми горелками для жидкого топлива

При использовании котла должны соблюдаться требования ГОСТ Р 54441, за исключением случаев, когда котел используют со сниженной трубой или изготовитель оговаривает использование керосина, тогда вступают в силу следующие отличия от требований ГОСТ Р 54441:

- по разделу 1 ГОСТ Р 54441:

Используется керосин вязкостью от 1,3 до 2,9 мм2/с при температуре 2 °С и плотностью от 0,77 до 0,82 г/см3 при температуре 15 °С;

-по 3.2 ГОСТ Р 54441:

Если коэффициент избытка воздуха, выбранный изготовителем, отличен от приведенного на рисунке 2 в ГОСТ Р 54441, он должен находиться в пределах допуска +10 %, и это значение используют для определения КПД и эмиссии;

-по 3.5 ГОСТ Р 54441:

Если котел используется со сниженной трубой, содержание несгоревших углеводородов в уходящих газах не должно превышать 5 ррт, исключая первые 10 с горения.

Приложение В
(обязательное)

Испытание котлов отопительных с дутьевыми горелками для жидкого топлива

В.1 Требования к испытанию

Должны соблюдаться требования ГОСТ Р 54820, за исключением случаев, когда котел используют со сниженной трубой или изготовитель оговаривает использование керосина, тогда вступают в силу следующие отличия от требований ГОСТ Р 54820:

- по 4.1 ГОСТ Р 54820:

Испытание проводят с использованием коммерчески доступного керосина, выбранного изготовителем, вязкостью от 1,3 до 2,9 мм2/с при температуре 20 °С и плотностью от 0,77 до 0,82 г/см3 при температуре 15 ºС;

- по 4.1.2 ГОСТ Р 54820:

Если низшая теплота сгорания не определяется калориметрически и отсутствует полный анализ, она с достаточной точностью может быть принята как

Hi= 43,3 МДж/кг,

где принято топливо следующего состава: С = 0,85 кг/кг (углерод), Н = 0,141 кг/кг (водород), S = 0,0004 кг/кг (сера);

- по 5.4.2.2 ГОСТ Р 54820:

Когда котел используется со сниженной трубой, разрежение за котлом должно поддерживаться в пределах значений, установленных изготовителем;

Топливо - печное бытовое (дизельное);

Испытание проводят с использованием коммерчески доступного печного бытового топлива в качестве выбранного изготовителем. Вязкость топлива должна быть (5,5 ± 0,5) мм2/с при температуре 20 °С и плотность - от 0,83 до 0,86 г/см3 при температуре 15 °С;

- по 4.1.2 ГОСТ Р 54820:

Если низшая теплота сгорания не определяется калориметрически и отсутствует полный анализ, она с достаточной точностью может быть принята как

Нi = 42,689 МДж/кг,

где принято топливо следующего состава: С = 0,86 кг/кг (углерод), Н = 0,136 кг/кг (водород), S = 0,0003 кг/кг (сера).

B.2 Испытания котлов, оснащенных сниженной трубой

Топливо для проведения испытаний - керосин.

На котлах, предназначенных для работы со сниженной трубой, проводят следующие дополнительные испытания:

В.2.1 Методика испытания

Выходное отверстие котла подлежит ряду ветровых испытаний с целью определения их воздействия на сгорание. Полноту сгорания определяют по измеренному содержанию несгоревших углеводородов в продуктах сгорания.

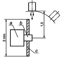
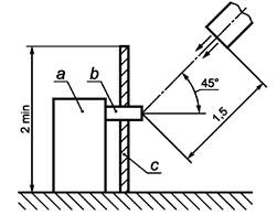
Расположение генератора ветра для испытания выходных отверстий газоходов показано на рисунке В.1.

а) Вид сбоку. Направление ветра
в вертикальной плоскости

b) Вид сверху. Направление ветра
в горизонтальной плоскости

а - котел; b - выход газов; с - испытательная стена

Рисунок В.1 - Расположение генератора ветра для испытания сниженных труб

B.2.2 Измерения

Горизонтальная плоскость

При скорости ветра 48 км/ч измерения проводят с интервалом 15° на дуге 180°. Эта же процедура повторяется при скорости ветра 16 км/ч.

Вертикальная плоскость

Измерения проводят при ветре под углом 45° и при скоростях 48 и 16 км/ч.

В наиболее чувствительном положении в каждом из вышеперечисленных условий, т. е. в том, где измеряется наибольшее ухудшение полноты сгорания, измеряют также следующие характеристики: стабильность пламени, СО2, наличие, количество несгоревших углеводородов, сажевое число и температуру уходящих газов.

Регистрируют температуру поверхности доступных частей газохода или ограждения дымохода, когда последние располагаются на высоте менее 2 м от основания котла.

B.2.3 Аппаратура

Требуется измерительное оборудование для определения следующих параметров:

a) сажевое число;

b) химический состав продуктов сгорания (СO2, СО);

c) температура уходящих газов, °С;

d) давление/тяга в газоходе, Па;

e) содержание несгоревших углеводородов;

f) скорость ветра, км/ч;

g) расход топлива, дм3/ч;

h) температура поверхности, °С.

Кроме того, необходимо следующее оборудование:

- генератор ветра и поворотная плита.

Систему из двигателя и вентилятора соответствующих габаритов и воздуховода используют как генератор ветра, способный создавать равномерный профиль давления на площади поверхности испытания, превышающей размер испытуемого оконечного устройства газохода.

В тех случаях, когда входное отверстие для воздуха и выходное отверстие для уходящих газов являются концентрическими или смежными, т. е. их центры отстоят не более чем на 500 мм, профиль равномерного давления должен охватывать оба отверстия.

B.2.4 Подготовка аппаратуры

Равномерность профиля давления проверяют направлением ветра, движущегося со скоростью 21 км/ч в горизонтальном направлении, под прямыми углами на испытуемую стенку, расположенную на расстоянии 1,5 м от выхода генератора. Измеряют чувствительным манометром разность давлений в центральной точке испытания и ряде других точек. Эта разность не должна превышать ±2,5 Па на площади, предназначенной для ограждающего устройства. При других результатах поток воздуха в генераторе следует отрегулировать таким образом, чтобы давление находилось в пределах установленного допуска.

После того, как будет получено равномерное давление, ограждающее устройство устанавливают в стене в соответствии с рекомендациями изготовителя.

Затем включают котел и генератор ветра, измерения начинают не ранее чем через 30 с после включения генератора.

B.2.5 Испытания

Установив заданное устройство на поворотной плите, при скорости ветра 48 км/ч в горизонтальной плоскости поворачивают это устройство и измеряют сажевое число через интервалы 15° по дуге 180°.

Уменьшают скорость ветра до 16 км/ч и повторяют измерения.

Создают скорость ветра 48 км/ч в вертикальной плоскости под утлом 45° согласно рисунку В.1.

Повторяют измерения при скорости ветра 16 км/ч.

Когда наихудшее положение ветра определено по сажевому числу, фиксируют рабочие параметры данного устройства относительно стабильности пламени, содержание СО2, СО, сажевого числа и количества, наличия несгоревших углеводородов.

B.2.6 Требования к полноте сгорания

Не должны быть превышены следующие максимальные значения:

a) наибольшее содержание СО 0,2 %;

b) сажевое число 2;

c) несгоревшие углеводороды при наиболее тяжелых условиях не более 5 ррm (кроме первых 10 с горения).

B.2.7 Испытание защитного ограждения

Оконечное ограждение должно выдерживать нагрузку 15,0 кг ± 25 г на диске диаметром 100+1 мм, помещенным посередине между фиксирующими точками на 1 мин. Видимая остаточная деформация не должна наблюдаться.

Ни одно отверстие в оконечном защитном кожухе не должно пропускать сферу диаметром больше 16 мм.

Размеры оконечного защитного кожуха, установленного в соответствии с инструкциями изготовителя, должны быть такими, чтобы расстояние между любой частью этого кожуха и оконечного устройства, за исключением стенной плиты, превышало 50 мм. Подобное ограждение не должно иметь острых кромок, способных привести к травме.

Приложение ДА
(справочное)

Дополнительные требования к котлам отопительным с дутьевыми горелками.
Специальные требования к котлам с дутьевыми горелками для жидкого топлива
теплопроизводительностью до 70 кВт и рабочим давлением до 0,3 МПа

Данные требования являются дополнительными относительно требований европейского регионального стандарта ЕН 303-4:1999.

ДА.1 Требования к материалам

ДА.1.1 Требования к стали толстолистовой коррозионностойкой, жаростойкой и жаропрочной - по ГОСТ 7350.

ДА.1.2 Требования к стали теплоустойчивой - по ГОСТ 20072.

ДА.1.3 Требования к чугуну - по ГОСТ 7293 и ГОСТ 7769.

ДА.1.4 Требования к листам из легированной и нелегированной стали - по СТ СЭВ 1372.

ДА.2 Требования коварным соединениям

ДА.2.1 Требования к ручной дуговой сварке - по ГОСТ 5264.

ДА.2.2 Требования к сварке под флюсом - по ГОСТ 8713.

ДА.2.3 Требование к электрошлаковой сварке - по ГОСТ 15164.

ДА.2.4 Требование к сварке стальных трубопроводов - по ГОСТ 16037.

ДА.2.5 Требование к дуговой сварке в защитном газе - по ГОСТ 14771.

ДА.3 Требования к соединениям трубопроводов

ДА.3.1 Требования к фланцам -по ГОСТ 12815, ГОСТ 12816, ГОСТ 12818, ГОСТ 12820, ГОСТ 12821.

ДА.3.2 Требования к соединению трубопроводов - по ГОСТ 15763.

ДА.3.3 Требования к прокладкам уплотнительным для соединения трубопроводов - по ГОСТ 23358.

ДА.3.4 Требования к резьбе трубной конической - по ГОСТ 6211.

ДА.3.5 Требования к резьбе трубной цилиндрической - по ГОСТ 6357.

ДА.4 Требования к маркировке

ДА.4.1 Требования к табличке для котлов - по ГОСТ 12969.

Приложение ДБ
(справочное)

Сведения о соответствии ссылочных национальных и межгосударственных стандартов
международным стандартам, использованным в качестве ссылочных
в примененном международном стандарте

Таблица ДБ.1

Обозначение ссылочного
национального,
межгосударственного стандарта

Степень соответствия

Обозначение и наименование ссылочного международного стандарта

ГОСТ 2.312-72

NEQ

ИСО 2553-93 «Сварные и паяные соединения. Условные обозначения на чертежах»

ГОСТ 380-2005

NEQ

ЕН 10021:2007 «Изделия из стали. Общетехнические условия на поставку черных металлов»

ГОСТ 1050-88

NEQ

ЕН 10029:1996 «Спецификация для допусков и размеров, формы и массы горячекатаного стального листа толщиной 3 мм и более»

ГОСТ 1412-85

NEQ

ИСО 185-88 «Серый чугун. Классификация»

ГОСТ 1577-93

NEQ

ЕН 10025:2004 «Горячекатаный прокат из нелегированных конструкционных сталей. Технические условия поставки»

ГОСТ 5520-79

NEQ

ЕН 10028-2:2007 «Листовой стальной прокат для сосудов под давлением. Часть 2. Нелегированные и легированные стали с улучшенными температурными свойствами»

ГОСТ 5632-72

NEQ

ЕН 10088-2:2005 «Стали нержавеющие. Часть 2. Технические условия поставки тонко- и толстолистового материала и полос общего назначения»

ГОСТ 9012-59

NEQ

ЕН 10003-1:1999 «Металлические материалы. Испытания на твердость по Бринеллю. Часть 1. Метод испытания»

ГОСТ 12817-80

NEQ

ИСО 7005-2-88 «Металлические фланцы. Часть 1. Стальные фланцы»

ГОСТ 12819-80

NEQ

ИСО 7005-1-92 «Металлические фланцы. Часть 1. Чугунные фланцы»

ГОСТ 14254-96 (МЭК 529-89)

MOD

МЭК 529-89 «Степени защиты, обеспечиваемые оболочками (код IP)»

ГОСТ 16093-2004

NEQ

ИСО 228-1-94 «Трубная резьба с герметичными соединениями не на резьбе. Часть 1. Размеры, допуски и обозначения»

ГОСТ 19281-89

NEQ

ЕН 10028-2:2007 «Листовой стальной прокат для сосудов под давлением. Часть 2. Нелегированные и легированные стали с улучшенными температурными свойствами»

ГОСТ 22761-77

NEQ

ЕН 10003-1:1999 «Металлические материалы. Испытания на твердость по Бринеллю. Часть 1. Метод испытания»

ГОСТ 24705-81

NEQ

ИСО 7-1:1994 «Трубная резьба с герметичными соединениями на резьбе. Часть 1. Размеры, допуски и обозначения»

ГОСТ 27208-87

NEQ

ИСО 185:2005 «Чугун серый литой. Классификация»

ГОСТ 27570.0-87 (МЭК 335-1-76)

MOD

МЭК 335-1-76 «Безопасность бытовых и аналогичных им электрических приборов. Общие требования и методы испытаний»

ГОСТ 27824-2000

NEQ

ЕН 267:2009 «Автоматические горелки мазутные с принудительной подачей жидкого топлива»

ГОСТ Р ИСО 4063-2010

IDT

ИСО 4063:2009 «Сварка и родственные процессы. Перечень и условные обозначения процессов»

ГОСТ Р 54441-2011

MOD

ЕН 303-2:1999 «Отопительные котлы. Часть 2: Отопительные котлы с дутьевыми горелками. Специальные требования к котлам с распылительными горелками»

ГОСТ Р 54820-2011

MOD

ЕН 304:1992 «Отопительные котлы. Правила испытания отопительных котлов с горелками с механическим распыливанием жидкого топлива»

ГОСТ Р ИСО 857-1-2009

IDT

ИСО 857-1-98 «Сварка, высокотемпературная и низкотемпературная пайка. Словарь»

ГОСТ Р 53994.2.9-2010 (МЭК 60730-2-9:2008)

MOD

МЭК 60730-2-9:2008 «Автоматические электрические управляющие устройства бытового и аналогичного назначения. Часть 2.9. Частные требования к термочувствительным управляющим устройствам»

ГОСТ Р МЭК60730-1-2002

MOD

МЭК 60730-1-99 «Автоматические электрические устройства бытового и аналогичного назначения. Часть 1. Специальные требования к термочуствительным элементам»

Примечание - В настоящей таблице использованы следующие условные обозначения степени соответствия стандартов:

- IDT - идентичные стандарты;

- MOD - модифицированные стандарты;

- NEQ - неэквивалентные стандарты.

 

Ключевые слова: центральное отопление, котлы, определения, технические условия, технические условия на оборудование, материалы, стали, чугун, медь, управление производственным процессом, химический состав, механические свойства, сварные швы, сварка, размеры, оценка технических характеристик, испытания, маркировка, технические сообщения