Меню
Навигация
Novatika
Бесплатное обучение
Первая линия

Подшипники качения. Методы измерения вибрации. Часть 2. Радиальные и радиально-упорные шариковые подшипники

Стандарт определяет методы измерения вибрации радиальных и радиально-упорных шариковых однорядных и двухрядных подшипников с углом до 45 град. в установленных условиях измерения. Стандарт распространяется на радиальные и радиально-упорные шариковые подшипники с цилиндрическим отверстием и цилиндрической наружной поверхностью, за исключением подшипников с канавками для ввода шариков и шариковых трехконтактных и четырехконтактных подшипников.

Обозначение: ГОСТ Р 52545.2-2012
Название рус.: Подшипники качения. Методы измерения вибрации. Часть 2. Радиальные и радиально-упорные шариковые подшипники
Статус: действует
Дата актуализации текста: 05.05.2017
Дата добавления в базу: 01.09.2013
Дата введения в действие: 01.07.2013
Утвержден: 17.04.2012 Федеральное агентство по техническому регулированию и метрологии (36-ст)
Опубликован: Стандартинформ (2013 г. )
Ссылки для скачивания:

ФЕДЕРАЛЬНОЕ АГЕНТСТВО
ПО ТЕХНИЧЕСКОМУ РЕГУЛИРОВАНИЮ И МЕТРОЛОГИИ

НАЦИОНАЛЬНЫЙ
СТАНДАРТ
РОССИЙСКОЙ
ФЕДЕРАЦИИ

ГОСТ Р
52545.2-
2012

(ИСО 15242-2:2004)

ПОДШИПНИКИ КАЧЕНИЯ

Методы измерения вибрации

Часть 2

Радиальные и радиально-упорные
шариковые подшипники

ISO 15242-2:2004
Rolling bearings - Measuring methods for vibration -
Part 2: Radial ball bearings with cylindrical bore and outside surface
(MOD)

Москва

Стандартинформ

2013

Предисловие

Цели и принципы стандартизации в Российской Федерации установлены Федеральным законом от 27 декабря 2002 г. № 184-ФЗ «О техническом регулировании», а правила применения национальных стандартов Российской Федерации - ГОСТ Р 1.0-2004 «Стандартизация в Российской Федерации. Основные положения»

Сведения о стандарте

1 ПОДГОТОВЛЕН Обществом с ограниченной ответственностью «Инжиниринговый центр ЕПК» (ООО «ИЦ ЕПК») на основе собственного аутентичного перевода на русский язык международного стандарта, указанного в пункте 4

2 ВНЕСЕН Техническим комитетом по стандартизации ТК 307 «Подшипники качения»

3 УТВЕРЖДЕН И ВВЕДЕН В ДЕЙСТВИЕ Приказом Федерального агентства по техническому регулированию и метрологии от 17 апреля 2012 г. № 36-ст

4 Настоящий стандарт является модифицированным по отношению к международному стандарту ИСО 15242-2:2004 «Подшипники качения. Методы измерения вибрации. Часть 2. Радиальные и радиально-упорные шариковые подшипники с цилиндрическим отверстием и цилиндрической наружной поверхностью» (ISO 15242-2:2004 «Rolling bearings - Measuring methods for vibration - Part 2: Radial ball bearings with cylindrical bore and outside surface») путем внесения технических отклонений, объяснение которых приведено во введении к настоящему стандарту.

Изменения и/или технические поправки к указанному международному стандарту, принятые после его официальной публикации, внесены в текст настоящего стандарта и выделены двойной вертикальной линией, расположенной на полях напротив соответствующего текста, а обозначение и год принятия изменения (технической поправки) приведены в скобках после соответствующего текста.

Наименование настоящего стандарта изменено относительно наименования примененного международного стандарта для приведения в соответствие с требованиями ГОСТ Р 1.5-2004 (подпункт 3.5)

5 ВВЕДЕН ВПЕРВЫЕ

Информация об изменениях к настоящему стандарту публикуется в ежегодно издаваемом информационном указателе «Национальные стандарты», а текст изменений и поправок - в ежемесячно издаваемых информационных указателях «Национальные стандарты». В случае пересмотра (замены) или отмены настоящего стандарта соответствующее уведомление будет опубликовано в ежемесячно издаваемом информационном указателе «Национальные стандарты». Соответствующая информация, уведомление и тексты размещаются также в информационной системе общего пользования - на официальном сайте Федерального агентства по техническому регулированию и метрологии в сети Интернет

СОДЕРЖАНИЕ

1 Область применения. 3

2 Нормативные ссылки. 4

3 Термины и определения. 4

4 Режим измерения. 4

4.1 Частота вращения. 4

4.2 Осевая нагрузка. 4

5 Методы измерения. 5

5.1 Измеряемые параметры вибрации. 5

5.2 Частотная область. 5

5.3 Измерение импульсов. 6

5.4 Последовательность проведения измерений. 6

6 Условия измерений. 6

6.1 Состояние подшипника. 6

6.2 Условия окружающей среды при измерении. 7

6.3 Требования к устройству измерения. 7

6.4 Требования к оператору. 9

Приложение А (обязательное) Измерение соосности внешней осевой нагрузки. 10

Приложение ДА (обязательное) Приведение параметров соосности внешней осевой нагрузки к осевому положению измеряемого подшипника. 10

Приложение ДБ (справочное) Сведения о соответствии ссылочных национальных и межгосударственных стандартов международным стандартам, использованным в качестве ссылочных в примененном международном стандарте. 11

Введение

Настоящий стандарт является модифицированным по отношению к международному стандарту ИСО 15242-2.

Дополнительные положения, учитывающие потребности национальной экономики и особенности национальной стандартизации, приведены в 5.1.2, 5.1.3 и 6.5 и заключены в рамку из тонких линий. Информация с объяснением причин включения этих положений приведена в примечаниях к указанным структурным единицам.

С учетом требований национальной экономики по достижению большей достоверности и точности измерений был принят частотный диапазон измерения вибрации, более распространенный в национальной и международной практике, а также были введены требования по измерению октавных и третьоктавных спектров. В сноске таблицы 2 в связи с этим изменен нижний предел частотного диапазона с 50 на 20 Гц, что выделено в тексте полужирным курсивом. 5.2.2 дополнен положениями по измерению октавных и третьоктавных спектров, которые выделены полужирным курсивом.

В 6.1.3.1 изменены требования к тонкости фильтрации масла. Абсолютная тонкость фильтрации 0,8 мкм изменена на номинальную тонкость фильтрации 6 мкм, что выделено полужирным курсивом. Значение абсолютной тонкости фильтрации 0,8 мкм, приведенное в примененном международном стандарте, является ошибочным.

Изменен 6.2, содержащий требования к окружающей среде, который выделен вертикальной полужирной линией, расположенной на полях текста. Вместо ссылки на три международных стандарта ИСО приведены конкретные допуски для параметров атмосферы.

Добавлено дополнительное приложение ДА, в котором подробно изложен метод определения радиальных биений узла осевого нагружения по отношению к оси вращения шпинделя и приведения параметров соосности к позиции измеряемого подшипника, поскольку в примененном международном стандарте это изложено недостаточно полно.

Структура и нумерация структурных элементов не изменена, добавлена нумерация абзацев внутри структурных элементов.

Настоящий стандарт является второй частью стандарта под общим заголовком «Подшипники качения. Методы измерения вибрации», состоящего из следующих частей:

- Часть 1. Основные положения;

- Часть 2. Радиальные и радиально-упорные шариковые подшипники;

- Часть 3. Роликовые конические и радиальные сферические подшипники;

- Часть 4. Радиальные роликовые цилиндрические подшипники.

Все указанные части являются модифицированными по отношению к соответствующим частям международного стандарта ИСО 15242.

НАЦИОНАЛЬНЫЙ СТАНДАРТ РОССИЙСКОЙ ФЕДЕРАЦИИ

ПОДШИПНИКИ КАЧЕНИЯ

Методы измерения вибрации

Часть 2

Радиальные и радиально-упорные шариковые подшипники

Rolling bearings. Measuring methods for vibration. Part 2. Radial and angular ball bearings

Дата введения - 2013-07-01

1 Область применения

Настоящий стандарт определяет методы измерения вибрации радиальных и радиально-упорных шариковых однорядных и двухрядных подшипников с углом контакта до 45° в установленных условиях измерения.

Настоящий стандарт распространяется на радиальные и радиально-упорные шариковые подшипники с цилиндрическим отверстием и цилиндрической наружной поверхностью, за исключением подшипников с канавками для ввода шариков и шариковых трехконтактных и четырехконтактных подшипников.

2 Нормативные ссылки

В настоящем стандарте использованы нормативные ссылки на следующие стандарты:

ГОСТ Р 52545.1-2006 (ИСО 15242-1:2004) Подшипники качения. Методы измерения вибрации. Часть 1. Основные положения

ГОСТ 12090-80 Частоты для акустических измерений. Предпочтительные ряды

ГОСТ 17479.4-87 Масла индустриальные. Классификация и обозначение

ГОСТ 24346-80 Вибрация. Термины и определения

ГОСТ 24347-80 Вибрация. Обозначения и единицы величин

ГОСТ 24955-81 Подшипники качения. Термины и определения

ГОСТ 25347-82 Основные нормы взаимозаменяемости. Единая система допусков и посадок. Поля допусков и рекомендуемые посадки

Примечание - При пользовании настоящим стандартом целесообразно проверить действие ссылочных стандартов в информационной системе общего пользования - на официальном сайте Федерального агентства по техническому регулированию и метрологии в сети Интернет или по ежегодно издаваемому информационному указателю «Национальные стандарты», который опубликован по состоянию на 1 января текущего года, и по соответствующим ежемесячно издаваемым информационным указателям, опубликованным в текущем году. Если ссылочный стандарт заменен (изменен), то при пользовании настоящим стандартом следует руководствоваться заменяющим (измененным) стандартом. Если ссылочный стандарт отменен без замены, то положение, в котором дана ссылка на него, применяется в части, не затрагивающей эту ссылку.

3 Термины и определения

В настоящем стандарте применены термины по ГОСТ Р 52545.1, ГОСТ 24346, ГОСТ 24347, ГОСТ 24955 и ГОСТ 25347.

4 Режим измерения

4.1 Частота вращения

4.1.1 Частота вращения, если не указано иного, должна быть 30 с-1 (1800 об/мин) при допустимых отклонениях от минус 2 % до плюс 1 %.

4.1.2 Допускается применение других частот вращения и допусков по согласованию между изготовителем и потребителем. Например, для подшипников малого размерного диапазона, чтобы получить адекватный сигнал, допускается использовать более высокие частоты вращения [от 40 до 60 с-1 (от 2400 до 3600 об/мин)]. Для подшипников большого размерного диапазона во избежание возможного разрушения шарика или дорожки качения допускается использовать более низкие частоты вращения [от 10 до 20 с-1 (от 600 до 1200 об/мин)].

4.2 Осевая нагрузка

4.2.1 Нагрузка подшипника должна иметь осевое направление. Значения нагрузок указаны в таблице 1.

Таблица 1 - Значения осевых нагрузок

Наружный диаметр подшипника, мм

Осевая нагрузка, Н

Радиальный шариковый и радиальный шариковый сферический однорядный и двухрядный подшипники

Радиально-упорный шариковый однорядный и двухрядный подшипники с углом контакта

св. 10° до 23° включ.

св. 23° до 45° включ.

Мин.

Макс.

Мин.

Макс.

Мин.

Макс.

Св. 10    до    25     включ.

18

22

27

33

36

44

   »   25      »     50          »

63

77

90

110

126

154

   »   50      »     100        »

135

165

203

247

270

330

   »   100   »     140        »

360

440

540

660

720

880

   »   140   »     170        »

585

715

878

1072

1170

1430

   »   170   »     200        »

810

990

1215

1485

1620

1980

4.2.2 Допускается применение других значений осевых нагрузок и допусков по согласованию между изготовителем и потребителем. Например, в зависимости от конструкции подшипника и используемой смазки допускается использовать более высокую нагрузку для предотвращения проскальзывания между шариком и дорожкой качения или более низкую нагрузку для предотвращения возможного разрушения шарика и дорожки качения.

5 Методы измерения

5.1 Измеряемые параметры вибрации

5.1.1 Измеряемым параметром вибрации, если не указано иного, является среднеквадратическое значение виброскорости.

5.1.2 Иными измеряемыми параметрами вибрации могут быть среднеквадратические значения виброускорения.

5.1.3 Параметры вибрации допускается измерять и выражать в логарифмических уровнях величин (децибелах), обязательно указывая исходное значение величины.

Примечание - Приведенные выше дополнительные по отношению к ИСО 15242-2:2004 требования добавлены в связи с тем, что в Российской Федерации широко распространены измерения вибрации машин и механизмов, в частности подшипников качения, по виброускорению, а также измерение виброскорости и виброускорения в логарифмических уровнях величин.

5.2 Частотная область

5.2.1 Параметры вибрации измеряют в одной или более полосах частот с граничными частотами, если не оговорено иного, указанными в таблице 2.

Таблица 2 - Диапазоны частот

Частота вращения, с-1 (об/мин)

Полоса частот

низких (L)a)

средних (М)а)

высоких (Н)а)

Граничная частота, Гц

нижняя

верхняя

нижняя

верхняя

нижняя

верхняя

От 29,4 (1764) до 30,3 (1818)

50

300

300

1800

1800

10000

а) Для частоты вращения, отличной от номинальной 1800 об/мин, полосы частот должны быть скорректированы пропорционально частоте вращения. На практике частоты ниже 20 или выше 10000 Гц не должны применяться, за исключением тех случаев, когда это согласовано между изготовителем и потребителем.

Примечание - По согласованию между изготовителем и потребителем могут быть использованы другие диапазоны частот.

5.2.2 Как альтернативный или дополнительный вариант применяют октавный, третьоктавный или узкополосный спектральный анализ вибрации. Среднегеометрические частоты октавных и третьоктавных фильтров выбирают в соответствии с ГОСТ 12090*.

______________

* Добавленные выделенные полужирным курсивом слова и фраза уточняют понятие спектрального анализа и дают ссылку на стандарт, устанавливающий ряд среднегеометрических частот.

5.3 Измерение импульсов

Измерение значений импульсов или всплесков во временной области сигнала скорости, возникающих обычно из-за дефектов поверхности и/или загрязнения измеряемого подшипника, может рассматриваться как дополнительный вариант по согласованию между изготовителем и потребителем. Существуют различные методы оценки в зависимости от типа подшипника и вида его применения.

5.4 Последовательность проведения измерений

5.4.1 Все подшипники, за исключением радиально-упорных шариковых однорядных подшипников, измеряют под воздействием осевой нагрузки, приложенной сначала с одной стороны наружного кольца, и затем повторно с нагрузкой, приложенной с другой стороны наружного кольца. Радиально-упорные шариковые однорядные подшипники измеряют под воздействием нагрузки только в одном направлении, воспринимающем осевую нагрузку.

5.4.2 Для увеличения точности результатов измерений целесообразно выполнить многократные измерения при различных угловых положениях наружного кольца по отношению к датчику.

5.4.3 При приемке подшипника наибольшее из полученных при разных положениях значений должно быть в установленных или взаимно одобренных изготовителем и потребителем пределах для каждого оцениваемого параметра вибрации.

5.4.4 Продолжительность измерения в соответствии с ГОСТ Р 52545.1, подраздел 6.5.

6 Условия измерений

6.1 Состояние подшипника

6.1.1 Предварительное смазывание

6.1.1.1 Подшипники с заложенным смазочным материалом (пластичным, жидким или твердым), включая типы подшипников с защитными шайбами и уплотнениями, измеряют в состоянии поставки.

Примечание - Некоторые пластичные смазки, масла или твердые смазочные материалы увеличивают либо уменьшают вибрацию подшипника по сравнению с базовыми условиями, изложенными в 6.1.1.2 и 6.1.1.3.

6.1.1.2 Базовые условия проведения измерений (изложенные в 6.1.2 и 6.1.3), как правило, применяют к подшипникам без предварительно заложенного смазочного материала. Но их можно применять и для подшипников с заложенным смазочным материалом в случае разногласий, касающихся оценки источника неприемлемых уровней вибрации.

6.1.2 Чистота подшипника

Поскольку загрязнение влияет на вибрацию подшипника, подшипник должен быть полностью очищен с применением мер предосторожности так, чтобы не внести загрязнения и не создать дополнительных источников вибрации.

Примечание - Некоторые консерванты могут соответствовать требованиям смазочного материала при проведении измерений вибрации (см. 6.1.3). В таком случае нет необходимости удалять эти консерванты.

6.1.3 Смазывание подшипника

6.1.3.1 Перед измерением подшипник необходимо смазать отфильтрованным маслом (номинальная тонкость фильтрации* фильтрующего элемента 6 мкм) с номинальной вязкостью в диапазоне от 10 до 100 мм2/с. Классификация и обозначение масел приведены в ГОСТ 17479.4.

______________

* Определение к данному термину установлено в ГОСТ 26070-83.

Примечание - Другие значения вязкости смазочного материала могут быть согласованы между изготовителем и потребителем в целях соответствия виду применения.

6.1.3.2 Процедура смазывания должна включать в себя обкатку (приработку) в целях достижения равномерного распределения смазочного материала в подшипнике.

6.2 Условия окружающей среды при измерении

Подшипники следует измерять в окружающей среде, не оказывающей влияние на вибрацию подшипника.

Условия измерений:

температура окружающего воздуха............................ от 17 °С до 27 °С;

относительная влажность............................................. до 70 %;

атмосферное давление.................................................. от 84 до 106 кПа.

Примечание - Данное положение заменяет ссылки на международные стандарты.

6.3 Требования к устройству измерения

6.3.1 Жесткость узла шпинделя с оправкой

6.3.1.1 Конструкцией шпинделя с оправкой, применяемого для крепления и приведения во вращение внутреннего кольца подшипника, должно быть предусмотрено, чтобы кроме передачи вращательного движения он представлял собой практически жесткую базовую систему для оси внутреннего кольца.

6.3.1.2 Передача вибрации между узлом шпинделя с оправкой и внутренним кольцом подшипника в применяемом диапазоне частот должна быть незначительной по сравнению с вибрацией подшипника. В случае разногласий точные значения должны быть согласованы между изготовителем и потребителем.

6.3.2 Механизм нагружения

Конструкцией системы нагружения, применяемой для приложения нагрузок к наружному кольцу подшипника, должна быть обеспечена возможность свободного вибрирования кольца в радиальных, осевых, угловых и изгибных формах колебаний в зависимости от типа подшипника.

6.3.3 Значение и направление прилагаемой внешней нагрузки

6.3.3.1 Постоянную внешнюю осевую нагрузку следует прикладывать к наружному кольцу. Значение нагрузки указано в 4.2.

6.3.3.2 Искажение формы колец подшипника, вызываемое контактом с элементами механического узла, должно быть незначительным по сравнению с геометрической точностью измеряемого подшипника.

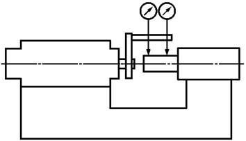
6.3.3.3 Положение и направление прилагаемой внешней нагрузки должны совпадать с осью вращения шпинделя в пределах, указанных на рисунке 1 и в таблице 3. Измерения параметров отклонения от соосности - в соответствии с приложением А.

______________

а Линия действия внешней нагрузки.

b Ось вращения внутреннего кольца подшипника.

Н - радиальное отклонение линии действия нагрузки от оси подшипника;

β - угловое отклонение линии действия нагрузки от оси подшипника

Рисунок 1 - Отклонение линии действия нагрузки от оси подшипника

Таблица 3 - Значения отклонений линии действия нагрузки от оси подшипника

Наружный диаметр подшипника, мм

Радиальное отклонение линии действия нагрузки от оси подшипника Н, мм

Угловое отклонение линии действия нагрузки от оси подшипника β

Не более

Св.  10      до     25       включ.

0,2

30'

   »    25       »      50             »

0,4

   »    50       »      100          »

0,8

   »    100     »      140          »

1,6

   »    140     »      170          »

2,0

   »    170     »      200          »

2,5

6.3.4 Положение датчика и направление измерения

6.3.4.1 Датчик должен быть расположен на наружной поверхности наружного кольца подшипника.

Положение датчика вдоль оси подшипника по умолчанию должно быть в плоскости, соответствующей середине контактов нагруженной дорожки качения наружного кольца с шариками, как это показано на рисунке 2.

Рисунок 2 - Положение датчика по умолчанию

6.3.4.2 Альтернативное положение датчика вдоль оси подшипника - это середина между торцами наружного кольца подшипника, как показано на рисунке 3. Изменение положения датчика на альтернативное может стать причиной изменения сигнала вибрации.

Рисунок 3 - Альтернативное положение датчика

6.3.4.3 Максимальное допустимое отклонение положения датчика вдоль оси подшипника, мм:

±0,5................ для наружного диаметра до 70 мм включ.;

±1,0.................. »           »                 »        св. 70 мм.

6.3.4.4 Направление оси чувствительности датчика должно быть перпендикулярно оси вращения. Угловое отклонение от радиальной оси, показанное на рисунке 4, не должно превышать 5° в любом направлении.

______________

а В любом направлении.

Рисунок 4 - Отклонение от радиальной оси

(ИСО 15242-2:2004/Попр.1:2010)

6.3.5 Оправка

Цилиндрическая поверхность оправки, на которой монтируют внутреннее кольцо подшипника, должна иметь наружный диаметр с полем допуска f5 в соответствии с ГОСТ 25347. Это обеспечит скользящую посадку в отверстии подшипника.

6.4 Требования к оператору

Квалифицированный оператор должен гарантировать проведение измерений вибрации в соответствии с настоящим стандартом.

6.5 Точность измерений

Повторяемость и правильность результатов измерений в соответствии с ГОСТ Р 52545.1, подраздел 8.3.

Примечание - Приведенное выше дополнительное по отношению к ИСО 15242-2:2004 положение введено в соответствии с требованиями ГОСТ 1.5-2001 для стандартов на методы контроля и измерения.

Приложение А
(обязательное)

Измерение соосности внешней осевой нагрузки

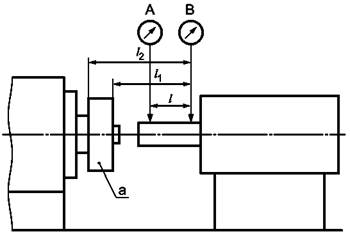
А.1 Смещение устройства для нагружения следует измерять двумя измерительными головками, смонтированными на планке, прикрепленной к валу шпинделя, и расположенными на некотором осевом расстоянии между ними, как указано на рисунке А.1. Вал шпинделя следует медленно вращать, а измерительными головками измерять радиальное биение нагружающего поршня.

А.2 Радиальное биение, измеренное двумя измерительными головками, должно быть приведено к осевому положению измеряемого подшипника*, с тем чтобы сравнить с предельными значениями, которые даны в таблице 3.

______________

* Подробно способ приведения параметров соосности к позиции измеряемого подшипника изложен в дополнительном приложении ДА.

Рисунок А.1 - Измерение соосности внешней осевой нагрузки

Приложение ДА
(обязательное)

Приведение параметров соосности внешней осевой нагрузки
к осевому положению измеряемого подшипника

ДА.1 На рисунке ДА.1 показана позиция подшипника и обозначены основные расстояния вдоль оси.

______________

а Подшипник.

А - левая измерительная головка; В - правая измерительная головка

Рисунок ДА.1

Обозначения, используемые в настоящем приложении:

Amax - максимальное показание левой измерительной головки, мм;

Amin - минимальное показание левой измерительной головки, мм;

а - амплитуда биения в позиции левой измерительной головки, мм;

Bmax - максимальное показание правой измерительной головки, мм;

Bmin - минимальное показание правой измерительной головки, мм;

b - амплитуда биения в позиции правой измерительной головки, мм;

l - расстояние вдоль оси между головками, мм;

l1 - расстояние вдоль оси между правой головкой и ближним торцом подшипника, мм;

l2 - расстояние вдоль оси между правой головкой и дальним торцом подшипника, мм;

φ - разность фаз между биениями в позиции левой и правой измерительных головок, градус.

ДА.2 Амплитуды биений в позициях головок вычисляют по формулам (ДА.1) и (ДА.2):

                                                (ДА.1)

                                               (ДА.2)

ДА.3 Разность фаз между биениями в позиции левой и правой измерительных головок φ определяют как угол между угловыми позициями вала, в которых показания головок достигают максимума.

ДА.4 Угловое отклонение линии действия нагрузки от оси подшипника β (см. рисунок 1) вычисляют по формуле (ДА.3):

                                     (ДА.3)

ДА.5 Радиальное отклонение линии действия нагрузки от оси подшипника Н (см. рисунок 1) вычисляют по формуле (ДА.4) в позиции переднего и заднего торца соответственно при двух значениях λ - при λ = λ1 = l1/l и при λ = λ2 = l2/l:

                            (ДА.4)

Наибольшее из двух вычисленных значений принимают в качестве радиального отклонения линии действия нагрузки в позиции измеряемого подшипника.

ДА.6 Допускается при менять другие методы измерения соосности, например с помощью лазерного центровщика.

Приложение ДБ
(справочное)

Сведения о соответствии ссылочных национальных и межгосударственных стандартов
международным стандартам, использованным в качестве ссылочных
в примененном международном стандарте

Таблица ДБ.1

Обозначение ссылочного национального, межгосударственного стандарта

Степень соответствия

Обозначение и наименование ссылочного международного стандарта

ГОСТ 17479.4-87

NEQ

ИСО 3448:1992 «Материалы смазочные жидкие индустриальные. Классификация вязкости по ISO»

ГОСТ 24346-80

NEQ

ИСО 2041:1990 «Вибрация и удар. Словарь»

ГОСТ 24347-80

NEQ

ИСО 2041:1990 «Вибрация и удар. Словарь»

ГОСТ 24955-81

NEQ

ИСО 5593:1997 «Подшипники качения. Словарь»

ГОСТ 25347-82

NEQ

ИСО 286-2:1988 «Допуски и посадки по системе ISO. Часть 2. Таблицы классов стандартных допусков и предельных отклонений на размеры отверстий и валов»

ГОСТ Р 52545.1-2006 (ИСО 15242-1:2004)

MOD

ИСО 15242-1:2004 «Подшипники качения. Методы измерения вибрации. Часть 1. Основные положения»

Примечание - В настоящей таблице использованы следующие условные обозначения степени соответствия стандартов:

- MOD - модифицированные стандарты;

- NEQ - неэквивалентные стандарты.

 

Ключевые слова: подшипники качения, методы измерения вибрации, шариковые подшипники, радиальные подшипники, радиально-упорные подшипники