Меню
Навигация
Novatika
Бесплатное обучение
Первая линия

Безопасность бытовых и аналогичных электрических приборов. Часть 2.96. Частные требования для гибких листовых нагревательных элементов для обогрева жилых помещений

Стандарт устанавливает требования безопасности гибких листовых нагревательных элементов, предназначенных для установки в здании с целью обогрева жилых помещений, в которых они расположены, номинальным напряжением не более 250 В для однофазных приборов и 480 В для других приборов.

Обозначение: ГОСТ Р 52161.2.96-2006
Название рус.: Безопасность бытовых и аналогичных электрических приборов. Часть 2.96. Частные требования для гибких листовых нагревательных элементов для обогрева жилых помещений
Статус: отменен
Дата актуализации текста: 05.05.2017
Дата добавления в базу: 01.09.2013
Дата введения в действие: 01.01.2014
Утвержден: 08.11.2006 Федеральное агентство по техническому регулированию и метрологии (244-ст)
Опубликован: Стандартинформ (2007 г. )
Ссылки для скачивания:

ФЕДЕРАЛЬНОЕ АГЕНТСТВО
ПО ТЕХНИЧЕСКОМУ РЕГУЛИРОВАНИЮ И МЕТРОЛОГИИ

НАЦИОНАЛЬНЫЙ
СТАНДАРТ
РОССИЙСКОЙ
 ФЕДЕРАЦИИ

ГОСТ Р
52161.2.96-2006

(МЭК 60335-2-96:2005)

 

БЕЗОПАСНОСТЬ БЫТОВЫХ И АНАЛОГИЧНЫХ
ЭЛЕКТРИЧЕСКИХ ПРИБОРОВ

Часть 2.96

Частные требования для гибких листовых
нагревательных элементов
для обогрева жилых помещений

IEC 60335-2-96:2005
Household and similar electrical appliances - Safety -
Part 2-96: Particular requirements for flexible sheet
heating elements for room heating

(MOD)

 

 

Предисловие

Цели и принципы стандартизации в Российской Федерации установлены Федеральным законом от 27 декабря 2002 г. № 184-ФЗ «О техническом регулировании», а правила применения национальных стандартов Российской Федерации - ГОСТ Р 1.0-2004 «Стандартизация в Российской Федерации. Основные положения»

Сведения о стандарте

1. ПОДГОТОВЛЕН ООО «ТЕСТБЭТ» на основе собственного аутентичного перевода стандарта, указанного в пункте 4

2. ВНЕСЕН Техническим комитетом по стандартизации ТК 19 «Электрические приборы бытового назначения»

3. УТВЕРЖДЕН И ВВЕДЕН В ДЕЙСТВИЕ Приказом Федерального агентства по техническому регулированию и метрологии от 8 ноября 2006 г. № 244-ст

4. Настоящий стандарт является модифицированным по отношению к международному стандарту МЭК 60335-2-96:2005 «Бытовые и аналогичные электрические приборы. Безопасность. Часть 2-96. Частные требования для гибких листовых нагревательных элементов для обогрева жилых помещений», издание 1.1, (IEC 60335-2-96:2005 «Household and similar electrical appliances - Safety - Part 2-96: Particular requirements for flexible sheet heating elements for room heating») путем внесения дополнительных требований, объяснение которых приведено во введении к настоящему стандарту.

Наименование настоящего стандарта изменено относительно наименования указанного международного стандарта для приведения в соответствие с ГОСТ Р 1.5-2004 (подраздел 3.5)

5. ВВЕДЕН ВПЕРВЫЕ

 

СОДЕРЖАНИЕ

1. Область применения. 2

2. Нормативные ссылки. 3

3. Термины и определения. 3

4. Общие требования. 3

5. Общие условия испытаний. 3

6. Классификация. 4

7. Маркировка и инструкции. 4

8. Защита от доступа к токоведущим частям.. 7

9. Пуск электромеханических приборов. 7

10. Потребляемая мощность и ток. 7

11. Нагрев. 7

12. Свободен. 9

13. Ток утечки и электрическая прочность при рабочей температуре. 9

14. Динамические перегрузки по напряжению.. 9

15. Влагостойкость. 9

16. Ток утечки и электрическая прочность. 9

17. Защита от перегрузки трансформаторов и соединенных с ними цепей. 10

18. Износостойкость. 10

19. Ненормальная работа. 11

20. Устойчивость и механические опасности. 11

21. Механическая прочность. 11

22. Конструкция. 12

23. Внутренняя проводка. 13

24. Комплектующие изделия. 13

25. Подсоединение к источнику питания и внешние гибкие шнуры.. 13

26. Зажимы для внешних проводов. 14

27. Заземление. 14

28. Винты и соединения. 14

29. Воздушные зазоры, пути утечки и непрерывная изоляция. 14

30. Теплостойкость и огнестойкость. 14

31. Стойкость к коррозии. 14

32. Радиация, токсичность и подобные опасности. 14

Приложение АА Краткое изложение частных требований по установке нагревательных блоков. 17

Приложение 2 Измерение токов прикосновения. 18

Приложение 3 Сведения о соответствии ссылочных международных стандартов национальным стандартам Российской Федерации, использованным в настоящем стандарте в качестве нормативных ссылок. 18

Библиография. 19

Информация об изменениях к настоящему стандарту публикуется в ежегодно издаваемом информационном указателе «Национальные стандарты», а текст изменений и поправок - в ежемесячно издаваемых информационных указателях «Национальные стандарты». В случае пересмотра (замены) или отмены настоящего стандарта соответствующее уведомление будет опубликовано в ежемесячно издаваемом информационном указателе «Национальные стандарты». Соответствующая информация, уведомление и тексты размещаются также в информационной системе общего пользования - на официальном сайте Федерального агентства по техническому регулированию и метрологии в сети Интернет

Введение

Настоящий стандарт относится к группе стандартов, регламентирующих требования безопасности бытовых и аналогичных электрических приборов, состоящей из Части 1 (ГОСТ Р 52161.1) - общие требования безопасности приборов, а также Частей, устанавливающих частные требования к конкретным видам приборов.

Настоящий стандарт содержит нормы, правила и методы испытаний, которые дополняют, изменяют или исключают соответствующие разделы и (или) пункты ГОСТ Р 52161.1.

Стандарт применяют совместно с ГОСТ Р 52161.1.

Методы испытаний выделены курсивом.

Термины, применяемые в настоящем стандарте, выделены полужирным шрифтом.

Номера пунктов настоящего стандарта, которые дополняют разделы ГОСТ Р 52161.1, начинаются с цифры 101, а дополнительное приложение обозначено буквами АА.

В настоящем стандарте раздел «Нормативные ссылки» изложен в соответствии с ГОСТ Р 1.5-2004 и выделен сплошной вертикальной линией, расположенной слева от приведенного текста. В тексте стандарта соответствующие ссылки выделены подчеркиванием сплошной горизонтальной линией.

Сведения о соответствии ссылочных международных стандартов национальным стандартам Российской Федерации, использованным в настоящем стандарте в качестве нормативных ссылок, приведены в приложении 3.

Дополнительные положения, учитывающие потребности национальной экономики Российской Федерации, приведены в приложении 2.

ГОСТ Р 52161.2.96-2006

(МЭК 60335-2-96:2005)

НАЦИОНАЛЬНЫЙ СТАНДАРТ РОССИЙСКОЙ ФЕДЕРАЦИИ

БЕЗОПАСНОСТЬ БЫТОВЫХ И АНАЛОГИЧНЫХ ЭЛЕКТРИЧЕСКИХ ПРИБОРОВ

Часть 2.96

Частные требования для гибких листовых нагревательных элементов
для обогрева жилых помещений

Safety of household and similar electrical appliances.
Part 2.96. Particular requirements for flexible sheet heating elements for room heating

Дата введения - 2008 - 01 - 01

1. Область применения

Этот раздел Части 1 заменен следующим.

Настоящий стандарт устанавливает требования безопасности гибких листовых нагревательных элементов, предназначенных для установки в здании с целью обогрева жилых помещений, в которых они расположены, номинальным напряжением не более 250 В для однофазных приборов и 480 В для других приборов.

Гибкие листовые нагревательные элементы преобразуют в нагревательные блоки, которые устанавливают в здании в соответствии с инструкциями, после чего обеспечивается требуемый уровень защиты от источников опасности.

Примечания

101. Следует обратить внимание на следующее:

- во многих странах применяют разные требования к проводке;

- для нагревательных блоков, предназначенных для использования в транспортных средствах, на борту кораблей, самолетов, могут быть необходимы дополнительные требования;

- во многих странах устанавливаются дополнительные требования национальными пожарными органами, национальными органами по строительным регламентам, национальными органами здравоохранения, национальными органами охраны труда и другими аналогичными органами.

102. Настоящий стандарт не распространяется:

- на нагревательные блоки, предназначенные исключительно для промышленного применения;

- нагревательные блоки, предназначенные для использования в помещениях, в которых преобладают особые условия, такие как коррозионная или взрывоопасная среда (пыль, пар или газ);

- одеяла, подушки и аналогичные гибкие нагревательные приборы (ГОСТ 27570.01);

- подогреваемые коврики и обогреватели для ног;

- нагревательные приборы, предназначенные для использования под ковром;

- гибкие нагревательные элементы, встраиваемые в другие приборы.

2. Нормативные ссылки

Этот раздел Части 1 применяют, за исключением следующего.

Дополнение

ГОСТ Р 12.4.026-2001 Система стандартов безопасности труда. Цвета сигнальные, знаки безопасности и разметка сигнальная. Назначение и правила применения. Общие технические требования и характеристики. Методы испытаний

ГОСТ Р МЭК 245-4-2002 Кабели с резиновой изоляцией на номинальное напряжение до 450/750 В включительно. Шнуры и гибкие кабели

ГОСТ Р 50571.11-96 Электроустановки зданий. Часть 7. Требования к специальным электроустановкам. Раздел 701. Ванные и душевые помещения

ГОСТ Р 51322.1-99 (МЭК 60884-1-94) Соединители электрические штепсельные бытового и аналогичного назначения. Часть 1. Общие требования и методы испытаний

ГОСТ Р 52161.1-2004 (МЭК 60335-1:2001) Безопасность бытовых и аналогичных электрических приборов. Часть 1. Общие требования

ГОСТ 7399-97 Провода и шнуры на номинальное напряжение до 450/750 В. Технические условия

ГОСТ 14254-96 Степени защиты, обеспечиваемые оболочками (Код IP)

ГОСТ 27570.01-92 Безопасность электрически нагреваемых одеял, подушек и аналогичных гибких нагревательных приборов для бытового использования. Требования и методы испытаний

Примечание - При пользовании настоящим стандартом целесообразно проверить действие ссылочных стандартов в информационной системе общего пользования - на официальном сайте Федерального агентства по техническому регулированию и метрологии в сети Интернет или по ежегодно издаваемому указателю «Национальные стандарты», который опубликован по состоянию на 1 января текущего года, и по соответствующим ежемесячно издаваемым информационным указателям, опубликованным в текущем году. Если ссылочный стандарт заменен (изменен), то при пользовании настоящим стандартом следует руководствоваться замененным (измененным) стандартом. Если ссылочный стандарт отменен без замены, то положение, в котором дана ссылка на него, применяется в части, не затрагивающей эту ссылку.

3. Термины и определения

Этот раздел Части 1 применяют, за исключением следующего.

3.1.9. Замена

нормальная работа (normal operation): Работа нагревательного блока после установки в здании в соответствии с инструкциями.

Гибкие листовые нагревательные элементы, ток которых может изменяться в зависимости от длины нагревательного элемента, и которые могут подавать питание на другие гибкие листовые нагревательные элементы, нагружаются таким образом, чтобы ток, указанный в маркировке нагревательного элемента, протекал через нагревательный блок.

Нагревательные блоки для применения аккумулированного тепла заряжают в течение 75 % номинального периода зарядки.

3.2.7 провода питания (supply leads): Комплект проводов, предназначенных для подсоединения прибора к закрепленной электропроводке.

3.5.4. Дополнение

Нагревательные блоки рассматривают как закрепляемые приборы.

3.101 гибкий листовой нагревательный элемент (flexible sheet heating element): Нагревательный элемент, состоящий из электроизоляционных листов, ламинированных материалом, обладающим электрическим сопротивлением, или из материала основы, на которой закреплены нагревательные провода, имеющие электрическую изоляцию.

Примечание - Данное определение не исключает других методов соединения изоляционных материалов и материалов, обладающих электрическим сопротивлением.

3.102 нагревательный блок (heating unit): Гибкий листовой нагревательный элемент, снабженный средствами подсоединения к источнику питания и изоляцией вокруг токоведущих частей.

Примечание - Нагревательный блок может быть изготовлен частично или полностью заводским способом.

3.103 модульный нагревательный блок (modular heating unit): Устройство заводского изготовления, состоящее из нагревательного блока и других материалов, которые образуют жесткую конструкцию, устанавливаемую на потолке.

3.104 применение аккумулированного тепла (storage heating application):

Использование нагревательных блоков для нагрева материала, аккумулирующего тепло.

Примечание - Выделение тепла происходит естественным способом, при этом отдачу тепла изменяют регулированием энергии на входе.

3.105 номинальный период зарядки (rated charging period): Максимальный непрерывный период зарядки, устанавливаемый для нагревательного блока изготовителем.

3.106 электрод (electrode): Проводящая часть, встраиваемая в гибкий листовой нагревательный элемент с целью подачи питания на нагревающий материал.

4. Общие требования

Этот раздел Части 1 применяют.

5. Общие условия испытаний

Этот раздел Части 1 применяют, за исключением следующего.

5.2. Замена

В общем случае для проведения испытаний требуется восемь образцов.

Испытания по 13.3 и разделам 15 и 16 проводят на одном образце.

Испытания по 18.101 и разделу 30 проводят на втором образце.

Испытание по 21.102 проводят на третьем и четвертом образцах. Один из этих образцов используют также для проведения испытания по 22.101.

Испытание по 22.103 проводят на пятом образце.

Остальные испытания проводят на шестом образце. Оставшиеся два образца требуются для включения в испытательную схему для создания необходимых тепловых условий окружающей среды.

Примечание 101 - Могут быть необходимы дополнительные образцы, если испытания следует повторить.

Девять образцов модульных нагревательных блоков необходимы для проведения испытаний по 11.2.102.

Дополнительные образцы необходимы, если проводят испытания по 18.102.

Дополнительные образцы могут быть необходимы для испытания нагревательных блоков разных размеров.

Испытание по 22.105 проводят на том же образце, который был использован для испытания по 13.2.

Требуются два образца дополнительного слоя материала, размеры которого достаточны для того, чтобы накрыть нагревательный блок, если проводят испытания по 21.104.

5.3. Дополнение

Испытание по 22.105 проводят после испытания по 13.2.

5.101. Нагревательный блок, предназначенный для встраивания в стены на высоте свыше 2,3 м, подвергают испытаниям, которые проводят для блоков, встраиваемых в потолки.

5.6. Дополнение

Терморегуляторы, чувствительные к комнатной или наружной температуре воздуха, замыкают накоротко. Однако терморегулятор не замыкают накоротко, если может быть обеспечена такая установка, при которой он не функционирует в циклическом режиме.

Примечание 101 - В случае использования электронных управляющих устройств может быть необходимо отключение чувствительных элементов вместо замыкания накоротко терморегулятора.

5.10. Дополнение

Однако для гибких листовых нагревательных элементов, которые нарезают на месте, испытание проводят после подсоединения проводов питания и защиты краев в соответствии с инструкциями.

6. Классификация

Этот раздел Части 1 применяют, за исключением следующего.

6.1. Дополнение

Нет необходимости в классификации нагревательных блоков. Однако, если нагревательный блок классифицируют, то применяют соответствующие требования.

6.2. Дополнение

Нагревательные блоки, предназначенные для встраивания в пол из бетона или аналогичного материала, должны иметь степень защиты не ниже IPX7 по ГОСТ 14254.

Другие нагревательные блоки должны иметь степень защиты не ниже IPX1.

7. Маркировка и инструкции

Этот раздел Части 1 применяют, за исключением следующего.

7.1. Изменение

Вместо маркировки номинальной потребляемой мощности или номинального тока необходимо указывать следующее:

- номинальную потребляемую мощность на нагревательных блоках;

- отдельно номинальную потребляемую мощность на гибких листовых нагревательных элементах без соединения между соседними элементами;

- номинальную потребляемую мощность на метр длины на других гибких листовых нагревательных элементах.

На гибких листовых нагревательных элементах должен быть указан их максимальных ток, если:

- ток может изменяться в зависимости от длины нагревательного элемента;

- другие гибкие листовые нагревательные элементы могут быть питаемы через них.

Дополнение

Гибкие листовые нагревательные элементы маркируют с указанием следующего:

- ориентирования, если нагревательные блоки не являются симметричными;

- предполагаемого места установки (потолки, стены или полы);

- режима нагрева (непосредственный нагрев или нагрев с аккумулированием тепла), если они не предназначены для применения обоих режимов.

Если нагревательный блок предназначен для применения только в полах из бетона или аналогичных материалов, то он должен иметь соответствующую маркировку.

Маркировка должна быть повторена, по крайней мере, через каждые 0,5 м нагревательного элемента или на каждой секции, которая может быть отрезана для получения нагревательного блока.

Гибкие листовые нагревательные элементы, которые могут быть нарезаны на месте и которые следует нарезать в установленных местах, должны иметь соответствующую маркировку.

7.6. Дополнение

- непосредственный нагрев потолка;

- непосредственный нагрев пола;

- нагрев пола с аккумулированием тепла;

- установка в бетон.

Эти условные обозначения являются информационными знаками и, за исключением цвета, к ним применимы требования ГОСТ Р 12.4.026.

7.12.1. Дополнение Должны быть приложены инструкции, содержащие следующие данные:

a) пояснения к маркировке и условным обозначениям, если это необходимо;

b) информацию по установке нагревательных блоков в здании, в частности следующие данные:

- меры предосторожности, которые следует соблюдать, чтобы не допустить повреждения при установке (не ронять на нагревательный блок острых предметов и не наступать на него, исключить небрежную заливку бетона),

- размеры и расстояния, которые следует учитывать,

- предупреждение о том, что нагревательные блоки должны быть отделены от других источников тепла, таких как светильники и трубы,

- описание участков нагревательного блока, в которых осуществляется закрепление,

- рекомендации по избежанию воздушных зазоров между нагревательным элементом и брусом для разравнивания бетонных полов,

- рекомендации по избежанию повреждения нагревательного элемента и его выводов в деревянных конструкциях из-за относительного сдвига после установки,

- предупреждение о недопустимости встраивания нагревательных блоков в стены высотой ниже 2,3 м или в потолки под углом 45° относительно вертикали,

- минимальную температуру окружающей среды, при которой могут быть установлены нагревательные блоки,

- минимальный радиус изгиба нагревательного элемента, если это применимо.

В инструкциях, кроме инструкций для модульных нагревательных блоков, также указывают:

- меры предосторожности, позволяющие избежать сгибания нагревательного элемента,

- предупреждение о том, что нагревательный блок не следует устанавливать на неровную поверхность,

- описание предполагаемого места и точный способ установки нагревательного блока (для нагревательных блоков, имеющих несимметричную конструкцию);

c) предупреждение о том, что установка должна быть проведена в соответствии с правилами прокладки электропроводки, а также указывают следующее:

- питание на нагревательные блоки должно подаваться через устройство защитного отключения (УЗО), номинальный рабочий ток защитного отключения которого не должен превышать 30 мА. Допускается, за исключением установки в полах вокруг плавательных бассейнов, подача питания на нагревательные блоки через разделительный трансформатор. Данное указание не требуется для нагревательных блоков класса III и для случаев применения:

• в деревянных полах при условии, что в инструкциях по установке указывается, что должен быть предусмотрен воздушный зазор между нагревательным блоком и полом,

• деревянных потолках,

• полах из бетона или аналогичного материала в сухих условиях (сухие условия - это область за пределами зоны 3 по ГОСТ Р 50571.11), если основная изоляция и дополнительная электрическая изоляция выдерживают испытание на электрическую прочность по 16.3 для усиленной изоляции,

- способ подсоединения нагревательных блоков к источнику питания с указанием площади поперечного сечения проводов, если это применимо,

- способ соединения нагревательных блоков с указанием площади поперечного сечения проводов, если это применимо;

d) максимальный ток, допустимый для протекания через один нагревательный блок, если через него подается питание на другие нагревательные блоки или ток может изменяться в зависимости от его длины;

e) перечень устройств управления, если они не встроены в нагревательный блок.

Примечание 101 - В перечень должны быть включены только те управляющие устройства, которые необходимы для обеспечения соответствия требованиям стандарта;

f) максимальное тепловое сопротивление между нагревательным блоком и помещением;

g) тип покрытий, которые допускается использовать вместе с нагревательными блоками, при этом указывают, что в случае использования материалов помимо рекомендуемых необходимо проконсультироваться по этому вопросу с изготовителем; толщина покрытий для полов должна составлять не менее 5 мм;

h) характеристики термоизоляции, которая должна быть установлена между отдельными нагревательными блоками, смонтированными для обогрева пола и потолка под ним;

i) технические характеристики любых используемых клеящих веществ;

j) указание, что необходимо закрепить этикетку рядом с распределительным щитом, которая должна содержать сведения о месторасположении нагревательных блоков;

k) если нагревательные блоки смонтированы на подвесном потолке или доступны со стороны крыши, то указание, что этикетка с информацией должна быть закреплена в месте доступа к ним на потолке.

Примечание 102 - Краткое изложение частных требований по установке нагревательных блоков при различных случаях применения приведено в приложении АА;

- при установке в деревянные полы указание, что нагревательные блоки, имеющие только основную изоляцию, должны иметь дополнительную электрическую изоляцию или питание на них следует подавать через разделительный трансформатор. Данное указание не требуется, если нагревательные блоки являются приборами класса II.

7.12.101. В инструкциях по применению в полах из бетона или аналогичного материала или под плитками должно быть указано следующее:

a) сетка должна быть установлена над нагревательным блоком, а также:

- защищена от коррозии, но не должна иметь электрическую изоляцию,

- эквивалентна с электрической и механической точек зрения стальной сетке, ячейка которой не должна превышать размеры 50-50 мм, а проволока должна иметь диаметр 1 мм, если сетка покрывает:

• нагревательные блоки класса II,

• нагревательные блоки, установленные с дополнительной электрической изоляцией,

- полностью закрывать один или несколько нагревательных блоков, включая места закрепления,

- заземлена,

- снабжена выводами, обеспечивающими соединение с двумя проводами, у каждого из которых номинальная площадь поперечного сечения равна 2,5 мм2,

- проверена на непрерывность электрической цепи во время установки. Сетка не требуется для следующих блоков:

- нагревательных блоков класса III,

- нагревательных блоков класса II, питание на которые подается через разделительный трансформатор,

- нагревательных блоков класса II, которые устанавливают в сухих условиях (сухие условия - это область за пределами зоны 3 по ГОСТ Р 50571.11), если основная изоляция и дополнительная электрическая изоляция выдерживают испытание на электрическую прочность по 16.3 для усиленной изоляции,

- нагревательных блоков, имеющих металлический экран или оплетку с сопротивлением на единицу длины, эквивалентным сопротивлению медного провода площадью поперечного сечения 0,5 мм2;

b) после установки нагревательных блоков на них следует нанести дополнительный слой материала с целью механической защиты. Если нагревательные блоки установлены на бетоне, аналогичный слой материала должен быть помещен между нагревательным блоком и бетоном.

Соседние слои должны перекрывать друг друга и быть скреплены друг с другом. Слой материала следует располагать выше каждой стены до уровня поверхности разравнивающего бруса. Эти указания не требуются, если:

- экранированные изолированные нагревательные провода покрыты оболочкой в соответствии с 21.103,

- дополнительная электрическая изоляция отвечает требованиям испытания по 21.101;

c) если нагревательные блоки, имеющие только основную изоляцию, кроме тех, на которые подается безопасное сверхнизкое напряжение, имеют также дополнительную электрическую изоляцию, то ее устанавливают непосредственно на нагревательный блок;

d) нагревательные блоки класса II должны быть установлены на расстоянии не менее 30 мм от токопроводящих частей здания, таких как водопроводные трубы.

Примечание - Эти инструкции применяют, если бетон или аналогичный материал наносят на деревянный пол.

7.12.102. В инструкциях по применению в металлических потолках или полах нагревательных блоков, имеющих только основную изоляцию, кроме тех, на которые подается безопасное сверхнизкое напряжение, должно быть указано, что:

a) гибкий листовой нагревательный элемент должен быть полностью закрыт потолком или полом;

b) металлические части потолка или пола должны быть заземлены, а также снабжены выводами, обеспечивающими соединение двух проводников, площадь поперечного сечения каждого из которых составляет 2,5 мм2, и дано пояснение, как осуществляется соединение с заземляющим выводом с целью обеспечения низкого сопротивления. Предупреждение относительно необходимости заземления не требуется, если указано, что между нагревательным блоком и потолком должен быть установлен слой дополнительной электрической изоляции. В случае отсутствия такой инструкции должно быть указано название изготовителя и дана ссылка на изоляцию.

7.12.103. В инструкциях по применению на полах, где нагревательные блоки должны быть закрыты плитками, необходимо указать, что на нагревательные блоки должна быть установлена дополнительная электрическая изоляция, если нагревательные блоки не являются приборами класса II.

7.12.104. В инструкциях для гибких листовых нагревательных элементов, которые могут быть нарезаны в местах применения, должно быть указано, что эта работа может быть выполнена только лицами, уполномоченными изготовителем, и должна быть указана информация относительно того, как:

- разрезать элемент;

- защищать концы элементов;

- подсоединять провода питания и соединительные провода и изолировать соединения.

7.12.105. В инструкциях для нагревательных блоков в случаях применения аккумулированного тепла должен быть указан номинальный период зарядки.

7.14. Изменение

Испытание с использованием бензина не проводят. Дополнение

Если используют условные обозначения предполагаемой установки или режима нагрева, то высота наложенного прямоугольника должна быть не менее 15 мм.

7.15. Изменение

Требования предъявляют только к выключателям и устройствам управления.

7.101. Для каждого способа установки должна быть предусмотрена этикетка, на которой должно быть также достаточно места для указания месторасположения нагревательных блоков. На этикетке должно быть указано следующее:

- наименование, торговая марка и идентификационный знак изготовителя или ответственного продавца;

- модель или тип;

- место установки гибких листовых нагревательных блоков (в потолке / полу), а также следующие предупреждения:

- не следует ограничивать термоэмиссию от нагретого потолка / пола.

Примечание - В этикетке должны быть указаны особые случаи применения;

- не следует использовать материалы помимо рекомендуемых;

- не следует использовать гвозди или винты.

Соответствие требованию проверяют осмотром.

8. Защита от доступа к токоведущим частям

Этот раздел Части 1 применяют.

9. Пуск электромеханических приборов

Этот раздел Части 1 не применяют.

10. Потребляемая мощность и ток

Этот раздел Части 1 применяют, за исключением следующего.

10.1. Дополнение

Примечание 101 - Данное требование применяют также к номинальной потребляемой мощности на метр длины гибких листовых нагревательных элементов.

11. Нагрев

Этот раздел Части 1 применяют, за исключением следующего.

11.1. Дополнение

Испытания проводят в комнате, температура окружающей среды которой равна (20 ± 2) °С.

11.2. Замена

Нагревательные блоки, предназначенные для установки в потолках, располагают в соответствии с 11.2.101.

Модульные нагревательные блоки для подвесных потолков устанавливают в соответствии с 11.2.102.

Нагревательные блоки, предназначенные для установки в полы, располагают в соответствии с 11.2.103.

Отдельные нагревательные блоки, предназначенные для нагрева деревянного пола и потолка под ним, устанавливают в соответствии с 101.2.104.

Если нагревательный блок снабжен терморегулятором, имеющим отдельный чувствительный элемент, то данный элемент располагают по осевой линии одного из соседних нагревательных блоков, но за пределами тепловой изоляции, установленной на пол.

11.2.101. Нагревательные блоки, предназначенные для встраивания в деревянный потолок, помещают в испытательную конструкцию, как приведено на рисунке 101. Поверхность площадью не менее 4 м2, имеющую короткий размер не менее 2 м, покрывают не менее чем тремя нагревательными блоками, при этом испытуемый блок размещают посередине. Нагревательные блоки устанавливают в соответствии с инструкциями, при этом следует обратить внимание на место их расположения под частями деревянных конструкций, таких как поперечные элементы. Верхнюю сторону нагревательных блоков полностью закрывают слоем термоизоляции, тепловое сопротивление которой равно приблизительно 5 м2 · К/Вт. Нижнюю часть нагревательных блоков закрывают худшим из перечисленных в инструкциях материалом.

Испытательную конструкцию подвешивают таким образом, чтобы был обеспечен промежуток приблизительно 0,3 м над ее верхней поверхностью и не менее 1,5 м под ее нижней поверхностью. Испытательная конструкция закрыта деревянными досками, которые выступают приблизительно на 0,2 м за пределы ее нижней поверхности.

Если инструкция по установке допускает использование гипсовых плит в качестве покрытия, то проводят дополнительное испытание, используя данный материал.

Нагревательные блоки, предназначенные для встраивания в металлический потолок, размещают в соответствии с инструкциями.

11.2.102. Девять модульных нагревательных блоков устанавливают в соответствии с инструкциями. Их располагают по матрице 3-3, при этом испытуемый нагреваемый блок расположен в центре, как приведено на рисунке 102. Однако, если размер матрицы менее 1,8 м, то устанавливают дополнительные нагревательные блоки. Верхнюю поверхность блоков, расположенных в ячейках матрицы, полностью закрывают слоем термоизоляции таким образом, чтобы общее тепловое сопротивление над гибкими листовыми нагревательными элементами было равно приблизительно 5 м2 · К/Вт. Изоляция должна быть расположена таким образом, чтобы она полностью контактировала с верхними поверхностями нагревательных блоков.

Испытательную конструкцию подвешивают таким образом, чтобы был обеспечен промежуток приблизительно 0,3 м над ее верхней поверхностью и не менее 1,5 м под ее нижней поверхностью. Испытательная конструкция закрыта деревянными досками, которые выступают приблизительно на 0,2 м за пределы ее нижней поверхности и вверх в направлении потолка комнаты.

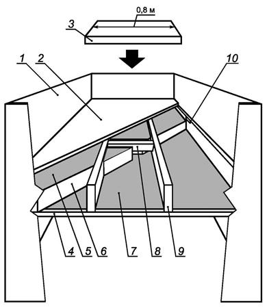
11.2.103. Нагревательные блоки, предназначенные для встраивания в деревянный пол, размещают в испытательной конструкции, как приведено на рисунке 103. Поверхность площадью не менее 4 м2, имеющую короткий размер не менее 2 м, покрывают не менее чем тремя нагревательными блоками, при этом испытуемый блок размещают посередине. Термоизоляцию с тепловым сопротивлением приблизительно 5 м2 · К/Вт устанавливают под нагревательными блоками. Нагревательные блоки устанавливают в соответствии с инструкциями по монтажу, при этом обращают внимание на место их расположения над частями деревянной конструкции, такими как поперечные элементы. На верхнюю сторону конструкции настилают самый плохой пол с точки зрения общего теплового сопротивления в соответствии с инструкциями по монтажу, при этом воздушный зазор выдерживают, как приведено на рисунках 103, 105, 107, если это указано в инструкциях.

В испытательной конструкции должно быть предусмотрено свободное пространство на расстоянии не менее 0,1 м под ее нижней поверхностью и не менее 1,5 м над ее верхней поверхностью. Испытательная конструкция закрыта деревянными досками, которые выступают не менее 1 м над ее верхней поверхностью.

Кусок термоизоляции с тепловым сопротивлением, равным приблизительно 1,25 м2 К/Вт, устанавливают на пол по центру поперек нагревательных блоков, как приведено на рисунках 103 и 107. Длина изоляции должна составлять 0,8 м, а ширина быть равна ширине нагревательного блока.

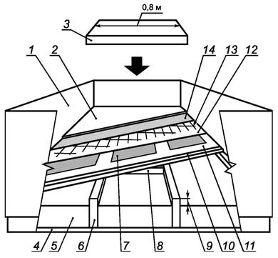
Нагревательные блоки, предназначенные для встраивания в пол из бетона или аналогичного материала, размещают, как приведено на рисунке 104. Нагревательные блоки, предназначенные для установки над полом из бетона или аналогичного материала, размещают, как приведено на рисунке 108. Нагревательные блоки устанавливают в соответствии с инструкциями по монтажу, при этом любую указанную дополнительную электрическую изоляцию располагают над ними. Поверхность площадью не менее 4 м2, имеющую короткий размер не менее 2 м, покрывают не менее чем тремя нагревательными блоками, при этом испытуемый блок размещают посередине. Термоизоляцию с тепловым сопротивлением, равным приблизительно 2,5 м2 · К/Вт, располагают под нагревательными блоками. Для нагревательных блоков, предназначенных для встраивания в бетон или аналогичный материал, термоизоляцию поддерживают с помощью фанеры толщиной приблизительно 20 мм, окрашенной матовой черной краской.

Нагревательные блоки покрывают дополнительным слоем, если это установлено в инструкциях. Затем на них наносят слой бетона толщиной приблизительно 40 мм или толщиной, установленной в инструкциях, в зависимости от того, какое значение больше. Вместо жидкого бетона слой может состоять из бетонных плит толщиной 40 мм, имеющих размеры не менее 500 - 500 мм, при этом зазоры между плитами заполняют сухим песком. Если нагревательный блок предназначен для применения аккумулированного тепла, то толщину слоя бетона увеличивают до 80 мм. Слой бетона не используют для нагревательных блоков, предназначенных для установки сверху бетонного пола. Сетку включают в испытательную конструкцию, если это предусмотрено. Пол покрывают самым плохим материалом из перечисленных в инструкциях по монтажу. Над полом должно оставаться свободное пространство не менее 1,5 м.

Примечание 1 - Вместо самого плохого материала, используемого для пола, можно применять термоизоляцию.

Кусок термоизоляции с тепловым сопротивлением, равным приблизительно 1,25 м2 К/Вт, устанавливают на пол по центру поперек нагревательных блоков, как приведено на рисунках 104 и 108. Длина изоляции должна составлять 0,8 м, а ширина быть равна ширине нагревательного блока.

Примечания

2. Часть толщины бетона может быть заменена песком при условии сохранения значения теплового сопротивления.

3. Следует принять меры для того, чтобы воздушные зазоры в полу и между бетонными плитами были минимальными.

4. Для того, чтобы измерить максимальное превышение температуры пола, может возникнуть необходимость повторить испытание в условиях, при которых материал, покрывающий пол, имеет минимальную толщину, указанную в инструкциях.

Нагревательные блоки, предназначенные для встраивания в металлические полы, размещают в соответствии с инструкциями.

11.2.104. Нагревательные блоки, предназначенные для нагрева деревянного пола и потолка под ним, помещают в испытательную конструкцию, приведенную на рисунке 105, в соответствии с инструкциями. Поверхность площадью не менее 4 м2, имеющую короткий размер не менее 2,0 м, покрывают двумя комплектами, содержащими не менее трех нагревательных блоков, разделенных термоизоляцией. Испытуемые нагревательные блоки размещают посередине один над другим. Изоляция имеет тепловое сопротивление, равное приблизительно 1,45 м2 · К/Вт, если в инструкциях не указано меньшее значение. Другие данные для конструкции должны соответствовать требованиям, установленным в 11.2.101 и 11.2.103 для деревянных конструкций.

11.7. Замена

Нагревательные блоки работают до достижения установившегося состояния.

Нагревательные блоки для применения аккумулированного тепла работают, как указано для условий нормальной работы или до первого срабатывания управляющего зарядкой устройства, если оно происходит первым.

11.8. Дополнение

Превышение температуры поверхностей должно быть не более значений, приведенных в таблице 101.

Таблица 101 - Пределы превышения температуры поверхностей

Вид поверхности

Значение превышения температуры, °С

Поверхность пола длиной 5 см за пределами конца куска термоизоляции

22а)

Деревянные части испытательной конструкции

60

Поверхность нагревательного элемента и дополнительной электрической изоляцииb)

-

а) Для случаев применения аккумулированного тепла превышение температуры может составлять до 4 °С в течение периода, не превышающего 3 ч.

b) Предел превышения температуры не устанавливают. Однако следует определить температуру для того, чтобы можно было провести другие испытания, предусмотренные стандартом.

12. Свободен

13. Ток утечки и электрическая прочность при рабочей температуре

Этот раздел Части 1 применяют, за исключением следующего.

13.1. Дополнение

Нагревательные блоки устанавливают, как указано в 11.2, при этом используют материал, имеющий электрическую изоляцию с самыми плохими характеристиками.

Примечание 101 - Перед испытанием бетон должен быть сухим.

13.2. Дополнение

Значение, установленное для приборов класса 0, применяют к нагревательным блокам, имеющим только основную изоляцию.

Значение, установленное для приборов класса II, применяют к нагревательным блокам, предназначенным для установки на проводящую поверхность, и нагревательным блокам, на которые наносят бетон или аналогичный материал.

Примечание 101 - Если нагревательный блок предназначен для установки на проводящую поверхность или на него наносят бетон или аналогичный материал, то устанавливают любую дополнительную электрическую изоляцию, указанную в инструкциях.

Сетки и экраны изолированных нагревательных проводов отключают от цепи заземления.

На доступные поверхности устанавливают металлическую фольгу. Ее соединяют с металлическим корпусом испытательной конструкции при испытании модульных нагревательных блоков. Металлическая фольга не должна контактировать с краями сетки или экранами изолированных нагревательных проводов.

13.3. Изменение

Испытание проводят непосредственно на нагревательном блоке и дополнительной электрической изоляции. Испытательное напряжение подают после того, как они выдержаны в течение 1 ч при температуре, определенной при испытании по разделу 11.

14. Динамические перегрузки по напряжению

Этот раздел Части 1 применяют.

15. Влагостойкость

Этот раздел Части 1 применяют, за исключением следующего.

15.1. Дополнение

Испытание проводят непосредственно на нагревательном блоке.

15.1.1. Дополнение

Нагревательные блоки со степенью защиты IPX7 по ГОСТ 14254 погружают в воду на 72 ч.

15.1.2. Замена

Нагревательные блоки, кроме нагревательных блоков со степенью защиты IPX7, устанавливают горизонтально на перфорированную опору в соответствии с ГОСТ 14254 с учетом маркировки, определяющей ориентацию. Если ориентация не указана в маркировке, то блоки испытывают в обоих положениях.

15.3. Изменение

Испытание проводят непосредственно на нагревательном блоке и дополнительной электрической изоляции.

16. Ток утечки и электрическая прочность

Этот раздел Части 1 применяют, за исключением следующего.

16.1. Изменение

Испытаниям подвергают непосредственно нагревательный блок и дополнительную электрическую изоляцию.

16.2. Дополнение

Значение, установленное для приборов класса 0, применяют к нагревательным блокам, имеющим только основную изоляцию.

Значение, установленное для приборов класса II, применяют к нагревательным блокам, предназначенным для установки на проводящую поверхность или на поверхность, покрытую бетоном или аналогичным материалом.

Примечание 101 - Если нагревательный блок предназначен для установки на проводящую поверхность или поверхность, покрытую бетоном или аналогичным материалом, то любую электрическую изоляцию, указанную в инструкциях, устанавливают в соответствующее положение.

16.3. Дополнение

Значения, установленные для приборов класса 0, применяют к нагревательным блокам, имеющим только основную изоляцию.

Значения, установленные для приборов класса II, применяют к нагревательным блокам, предназначенным для установки на проводящую поверхность или на поверхность, покрытую бетоном или аналогичным материалом.

Примечание 101 - Если нагревательный блок предназначен для установки на проводящую поверхность или поверхность, покрытую бетоном или аналогичным материалом, то любую электрическую изоляцию, указанную в инструкциях, устанавливают в соответствующее положение.

Для нагревательных блоков только с основной изоляцией, кроме тех, на которые подается безопасное сверхнизкое напряжение, имеющих дополнительную электрическую изоляцию с целью применения в полах из бетона или аналогичного материала, каждая изоляция должна выдержать испытательное напряжение, установленное для усиленной изоляции.

Для нагревательных блоков только с основной изоляцией, кроме тех, на которые подается безопасное сверхнизкое напряжение, имеющих дополнительную электрическую изоляцию для применения в металлических потолках, каждая изоляция должна выдержать испытательное напряжение, установленное для дополнительной изоляции.

У нагревательных блоков только с основной изоляцией, кроме тех, на которые питание подается через разделительный трансформатор, имеющих дополнительную электрическую изоляцию для применения в деревянных полах, эта дополнительная изоляция должна выдержать испытательное напряжение, установленное для дополнительной изоляции.

17. Защита от перегрузки трансформаторов и соединенных с ними цепей

Этот раздел Части 1 применяют.

18. Износостойкость

Этот раздел Части 1 применяют, за исключением следующего.

18.101. Соединения нагревательного элемента и проводов питания, а также внутренних проводов должны быть надежными.

Соответствие требованию проверяют следующим испытанием.

Нагревательный блок помещают в камеру тепла при температуре (20 ± 2) °С, на него подают такое напряжение, чтобы ток равнялся значению, указанному в маркировке на нагревательном элементе, или номинальному току в зависимости от того, что применимо. На каждом соединении измеряют падение напряжения.

Примечания

1. Длина нагревательного блока должна быть как можно короче, но не менее 0,5 м.

2. После установки нагревательного блока в камеру его не двигают.

3. Если соединения осуществляют за счет использования соединителей, подсоединяемых обжимкой, то измерение проводят между проводом питания и соединителем так же, как между соединителем и нагревательным элементом. Точки измерения должны быть расположены как можно ближе к соединениям.

Нагревательный элемент нагревают циклически. Каждый цикл длительностью 1 ч состоит из следующих периодов:

- длительностью 30 мин, в течение которого:

на нагревательный блок подают напряжение, которое применялось при измерении падения напряжения,

• в течение первых 20 мин температуру в камере тепла повышают до 85 °С или до температуры нагревательного элемента, которая была определена при испытании по разделу 11, в зависимости от того, какое значение меньше,

• в течение последних 10 мин температуру в камере тепла поддерживают в пределах (85 ± 5) °С;

- длительностью 20 мин, в течение которого температуру снижают приблизительно до 30 °С;

- стабилизации длительностью 10 мин.

Примечания

4. Температуру в камере тепла измеряют на расстоянии не менее 50 мм от нагревательного блока.

5. Можно применять принудительное охлаждение.

Испытание проводят в течение 400 циклов. Затем температуру в камере тепла снижают до (20 ± 2)°С и снова измеряют падение напряжения на каждом соединении.

Падение напряжения не должно превышать 22,5 мВ или 1,5-кратное первое измеренное значение в зависимости от того, какое значение меньше.

Проведенный после испытания осмотр не должен выявить никаких повреждений, исключающих соответствие требованиям настоящего стандарта.

18.102. Электрические соединения между материалом сопротивления и электродами гибких и истовых нагревательных элементов должны быть надежными.

Соответствие требованию проверяют испытаниями, проводимыми на двух нагревательных блоках, длина каждого из которых должна быть более 1 м.

Один нагревательный блок подвергают испытанию по 18.102.2, затем - по 18.102.5. Другие нагревательные блоки подвергают испытаниям по 18.102.1-18.102.5.

После испытаний падение напряжения на втором нагревательном блоке, определяемое в месте изгиба в процессе испытания по 18.102.2, не должно превышать 1,5-кратное значение падения напряжения, которое было определено на первом нагревательном блоке. Кроме того, среднее значение падения напряжения, определенное в других местах второго нагревательного блока, не должно превышать 1,5-кратное значение среднего падения напряжения на первом нагревательном блоке.

При осмотре не должно быть выявлено никаких разрушений контакта, таких как точечная коррозия под электродами или повреждение рядом с электродами.

18.102.1 Нагревательный блок наматывают на цилиндрическую оправку диаметром, превышающим в два раза минимальный радиус изгиба гибкого листового нагревательного элемента, указанный в инструкциях, и затем разматывают. Эту операцию повторяют, наматывая на оправку нагревательный элемент противоположной поверхностью.

Испытание проводят три раза.

Если в инструкциях установлено, что нагревательный блок должен быть намотан только в одном направлении, то испытание выполняют шесть раз в этом направлении.

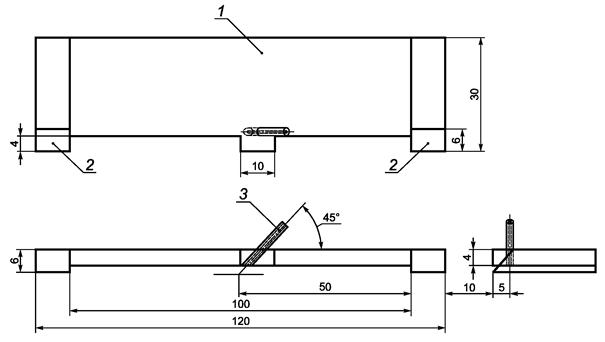
18.102.2. Часть нагревательного блока удерживают между двумя досками толщиной 100 мм, размер которых достаточен для того, чтобы полностью накрыть нагревательный элемент по его ширине. Радиус закругления краев у одной пары досок равен 50 мм.

Комплект, состоящий из нагревательного блока и досок, выдерживают при температуре окружающей среды, равной минус 5 °С, или при меньшей температуре окружающей среды, указанной для установки, в зависимости от того, какое значение меньше. Когда нагревательный элемент достигает этой температуры, его свободный конец изгибают через закругленные края досок на угол 180° и обратно в нормальное положение в обоих направлениях. Данные действия повторяют три раза.

18.102.3. Нагревательный блок помещают в камеру влажности с относительной влажностью (80 ± 5) % и температурой (40 ± 2) °С. На нагревательный блок подают номинальное напряжение, и он работает в течение 1 ч, после чего питание отключают на 1 ч.

Испытание проводят в течение 1000 циклов.

18.102.4. Нагревательный блок подвергают испытанию по 18.101, которое проводят в течение 2000 циклов. Однако падение напряжения не проверяют, и осмотр с целью выявления повреждений не проводят.

18.102.5. Нагревательный блок устанавливают на горизонтальную поверхность и подают на него номинальное напряжение. В материал сопротивления нагревательного элемента вставляют иглу под углом 45° на расстоянии 5 мм от внутреннего края электрода.

Примечания

1. Любой проводящий материал между электродом и материалом сопротивления рассматривают как часть электрода.

2. Для правильного положения иглы можно использовать оправку, аналогичную приведенной на рисунке 106.

Измеряют напряжение (Um) между иглой и питающим проводом электрода.

Примечание 3 - Допускается компенсация падения напряжения в самом электроде.

Падение напряжения (ΔU) на контакте рассчитывают по формуле

где Ur - номинальное напряжение нагревательного блока;

d - расстояние в миллиметрах между внутренними краями электродов. Если проводящая дорожка не перпендикулярна к электродам, то данное расстояние измеряют вдоль центровой линии дорожки.

Падение напряжения определяют в том месте, где прикладывают изгибающее усилие в процессе испытания по 18.102.2. Его также определяют не менее чем в шести других местах и вычисляют среднее значение.

Примечание 4 - Расположение испытательных точек может быть выбрано с помощью теплового оборудования с формированием изображения.

18.103. В процессе эксплуатации сопротивление нагревательного блока не должно значительно снижаться.

Соответствие требованию проверяют следующим испытанием.

Нагревательный блок устанавливают в камеру тепла, температура в которой на 5 °С превышает температуру на поверхности нагревательного элемента, которая была определена при испытании по разделу 11.

Через 2 ч измеряют сопротивление нагревательного блока. Затем сопротивление измеряют через интервалы, не превышающие 72 ч. Нагревательный блок оставляют в камере тепла в течение 3000 ч. В процессе испытания сопротивление нагревательного блока должно снижаться не более чем на 5 % значения, измеренного после начального периода длительностью 2 ч.

19. Ненормальная работа

Этот раздел Части 1 применяют, за исключением следующего.

19.2. Дополнение

Для случаев применения нагревательных блоков в потолках кусок термоизоляции с тепловым сопротивлением, равным приблизительно 0,9 м2 · К/Вт, прикладывают к материалу, покрывающему потолок, располагая его по центру поперек нагревательных блоков. Его длина равна 0,8 м, а ширина равна ширине нагревательного блока.

Для случаев применения нагревательных блоков в полу тепловое сопротивление куска термоизоляции, установленной на пол, увеличивается приблизительно на 1,45 м2 · К/Вт, при этом кусок термоизоляции устанавливают в самом неблагоприятном положении.

Для случаев применения аккумулированного тепла нагревательные блоки заряжают в течение номинального периода зарядки.

19.13. Дополнение

Превышение температуры пола и древесины испытательной конструкции должно быть не более 150 °С.

20. Устойчивость и механические опасности

Этот раздел Части 1 не применяют.

21. Механическая прочность

Этот раздел Части 1 применяют, за исключением следующего.

Дополнение

Удары наносят только по жестким частям нагревательного блока.

Примечание 101 - Нормальная эксплуатация предусматривает транспортировку и установку.

Нагревательные блоки подвергают испытаниям по 21.101.

Нагревательные блоки, предназначенные для установки в полах, подвергают также испытанию по 21.102.

Нагревательные блоки, содержащие изолированные провода, предназначенные для установки в полы, подвергают также испытанию по 21.103.

Дополнительный слой материала, покрывающего нагревательные блоки в полу из бетона или аналогичного материала, а также под плиткой, подвергают испытанию по 21.104.

Эти испытания не применяют к модульным нагревательным блокам.

21.101. Часть нагревательного элемента помещают между двумя досками толщиной 100 мм, размер которых достаточен для того, чтобы полностью накрыть нагревательный элемент по его ширине. Радиус закругления краев у одной пары досок равен 50 мм.

Комплект, состоящий из нагревательного блока и досок, выдерживают при температуре окружающей среды, равной минус 5 °С, или при меньшей температуре, указанной для установки, в зависимости от того, какое значение меньше. Когда нагревательный элемент достигает этой температуры, его свободный конец изгибают через закругленные края досок на угол 180° и обратно в нормальное положение в обоих направлениях. Данные действия повторяют три раза.

Затем нагревательный блок должен выдержать испытание на электрическую прочность по 16.3 и не иметь повреждений, приводящих к нарушению соответствия требованиям данного стандарта.

21.102. Это испытание проводят на двух нагревательных блоках. Нагревательный блок устанавливают на горизонтальную стальную плиту, имеющую гладкую поверхность, а поверхность нагревательного элемента царапают с помощью закаленного стального штыря, конец которого имеет форму конуса с углом 40 °С. Конец штыря скруглен радиусом (0,25 ± 0,02) мм. Штырь нагружают так, чтобы усилие, действующее вдоль его оси, равнялось (10 ± 0,5) Н для случаев применения в полах из бетона и аналогичного материала, (5 ± 0,5) Н - для случаев применения в других полах. Царапины наносят, проводя штырем вдоль поверхности со скоростью приблизительно 20 мм/с. Штырь держат под углом (5 ± 10)° относительно вертикали в направлении движения.

Три царапины, расположенные друг от друга на расстоянии не менее 50 мм, наносят с обеих сторон одного нагревательного элемента. Их наносят параллельно длинной стороне нагревательного блока и на расстоянии не менее 10 мм от одного из краев. Длина царапин приблизительно равна ширине нагревательного блока. Если нагревательный элемент содержит электроды, то одну из царапин наносят вдоль одного из электродов.

Две аналогичные царапины наносят на всю ширину с обеих сторон другого нагревательного элемента.

Затем нагревательный блок должен выдерживать испытание на электрическую прочность по 16.3.

21.103. Часть нагревательного блока, содержащую изолированный нагревательный провод, помещают на жесткую стальную плиту. Если защищенные изолированные провода помещены в оболочку то ее удаляют. Стальной стержень диаметром 6 мм размещают вдоль нагревательного провода таким образом, что контакт осуществляется только в одном месте.

К стержню в течение 30 с прикладывают силу, равную:

- 600 Н - для нагревательных блоков, применяемых в полах из бетона;

- 300 Н - для нагревательных блоков, применяемых в других полах.

Силу прикладывают в пяти разных местах, расположенных на расстоянии не менее 50 мм друг от друга.

Затем нагревательный блок должен выдерживать испытание на электрическую прочность по 16.3. Если изолированный нагревательный провод содержит более одного проводника, то испытание основной изоляции проводят также между проводниками.

Если защищенные изолированные провода заключены в оболочку, то испытание повторяют с установленной оболочкой.

Не должно быть протыкания оболочки.

Примечание - Испытание на электрическую прочность не проводят.

21.104. Образец дополнительного слоя материала помещают на горизонтальную стальную плиту, имеющую гладкую поверхность, и поверхность нагревательного элемента царапают с помощью закаленного стального штыря, конец которого имеет форму конуса с углом 40 °С. Конец штыря скруглен радиусом (0,25 ± 0,02) мм. Штырь нагружают таким образом, чтобы сила, действующая вдоль его оси, соответствовала (10 ± 0,5) Н для случаев применения в полах из бетона и аналогичного материала, (5 ± 0,5) Н - для случаев применения в других полах. Штырь держат под углом от 80° до 85° относительно горизонтали, и царапины наносят, проводя штырем вдоль поверхности со скоростью приблизительно 20 мм/с.

Наносят три царапины, располагая их на расстоянии не менее 50 мм друг от друга. Царапины должны находиться на расстоянии не менее 10 мм от одного из краев. Длина царапин равна приблизительно ширине нагревательного блока.

Аналогичные царапины наносят на втором образце, но под прямыми углами относительно направления царапин на первом образце.

Не должно быть протыкания материала.

22. Конструкция

Этот раздел Части 1 применяют, за исключением следующего.

Дополнение

22.101. Средства подключения к сети должны быть надежно подсоединены к нагревательному элементу.

Соответствие требованию проверяют следующим испытанием, которое проводят на двух нагревательных блоках.

Нагревательный блок помещают на горизонтальную поверхность и удерживают в положении, при котором приблизительно 100 мм длины нагревательного элемента вместе с проводами питания свисают через край поверхности. Свободная длина проводов питания составляет приблизительно 300 мм.

Силу 60 Н прикладывают без рывков к каждому проводу питания в течение 1 мин. Испытание повторяют после паузы 1 мин.

Не должно быть повреждения провода, соединения или нагревательного элемента, исключающего соответствие требованию настоящего стандарта. Нагревательный блок должен выдержать испытание на электрическую прочность по 16.3.

22.102. Изоляция, покрывающая соединения и края нагревательного элемента, не должна влиять на материал нагревательного элемента.

Соответствие требованию проверяют следующим испытанием.

Нагревательный блок помещают в камеру с температурой 80 °С или 45 °С плюс значение превышения температуры, определенное в процессе испытания по разделу 11, в зависимости от того, какое значение больше. Испытание проводят в течение 336 ч.

После охлаждения нагревательного блока приблизительно до комнатной температуры он должен выдержать испытание на электрическую прочность по 16.3.

22.103. Листы электрической изоляции слоев гибких листовых нагревательных элементов должны быть надежно соединены вместе. Однако если нагревательные блоки предназначены для применения в полу из бетона или аналогичного материала, то должны быть соединены только края нагревательного элемента.

Соответствие требованию проверяют следующим испытанием.

Два комплекта из трех образцов изоляции размерами приблизительно 15 - 150 мм вырезают из нового нагревательного элемента. Образцы для каждого комплекта берут с края и с нагревательной поверхности, которая как перпендикулярна к краю, так и параллельна ему. Для применения в полах из бетона или аналогичного материала комплект состоит из одного образца, который вырезают с краев.

Один комплект помещают на 336 ч в камеру тепла, температура в которой соответствует температуре нагревательного элемента, которая была определена при испытании по разделу 11.

Затем слои изоляции отделяют друг от друга с одного конца каждого из образцов и поочередно закрепляют в зажимные устройства машины для испытания на растяжение.

Примечание - Если нет возможности отделить слои, то можно использовать специально подготовленные образцы.

Зажимные устройства разъединяют со скоростью (250 ± 50) мм/мин.

Сила сцепления каждого образца должна составлять не менее 1,5 Н.

Средняя сила сцепления кондиционных образцов должна составлять не менее 80 % среднего значения силы сцепления у некондиционных образцов.

22.104. Соединительные устройства, закрепленные на проводах питания и внутренних проводах, должны иметь конструкцию класса II. Не должно быть возможности разъединить их без помощи инструмента.

Соответствие требованию проверяют осмотром.

22.105. Нагревательные блоки конструкции класса II, предназначенные для установки под полы во влажных местах, не должны подвергать пользователя воздействию чрезмерных емкостных токов.

Примечание - Нагревательные блоки, имеющие только основную изоляцию, но закрытые дополнительной электрической изоляцией, считают конструкцией класса II.

Соответствие требованию проверяют следующим испытанием. Однако данное испытание не проводят, если в инструкциях по монтажу установлено, что требуется воздушный зазор между нагревательным блоком и полом.

Сетка должна быть заземлена и соединена с металлической фольгой, площадь которой составляет приблизительно 200 · 100 мм2, через измерительное устройство, приведенное на рисунке 109. На поверхность пола непосредственно над нагревательным блоком выливают 0,25 л воды, содержащей приблизительно 1 % NaCl (соляной раствор), и выдерживают в течение 2 ч. Металлическую фольгу устанавливают на мокрую поверхность, и на нагревательный блок подают 1,06 номинального напряжения.

Емкостной ток не должен превышать 0,25 мА.

23. Внутренняя проводка

Этот раздел Части 1 применяют.

24. Комплектующие изделия

Этот раздел Части 1 применяют, за исключением следующего.

24.101. Термовыключатели, необходимые для выполнения требований по разделу 19, должны быть с размыкающим механизмом без самовозврата.

Соответствие требованию проверяют осмотром.

24.102. Управляющие устройства и другие комплектующие, необходимые для того, чтобы нагревательный блок соответствовал требованиям стандарта, должны поставляться вместе с гибким листовым нагревательным элементом или достаточно хорошо быть описаны в инструкциях по установке для того, чтобы их можно было приобрести отдельно.

Соответствие требованию проверяют осмотром.

25. Подсоединение к источнику питания и внешние гибкие шнуры

Этот раздел Части 1 применяют, за исключением следующего.

25.3. Замена

Нагревательные блоки, кроме тех, которые могут быть нарезаны на месте, должны включать одно из следующих устройств для постоянного подсоединения к стационарной проводке:

- комплект выводов;

- комплект проводов питания;

- шнур питания.

Нагревательные блоки, которые могут быть нарезаны на месте, следует поставлять вместе с соответствующими устройствами для подсоединения к сети питания. Провода питания должны иметь двойную изоляцию или быть снабжены изоляционными оплетками. Изоляционные оплетки должны быть не менее чем на 300 мм длиннее и иметь толщину, соответствующую толщине оболочки шнура питания (кодовое обозначение 245 ICE 53 по ГОСТ Р МЭК 245-4 или тип ПРС по ГОСТ 7399).

Соответствие требованию проверяют осмотром.

25.5. Изменение

Допускается использовать крепление типа Z.

26. Зажимы для внешних проводов

Этот раздел Части 1 применяют, за исключением следующего.

26.1. Дополнение

Нагревательные блоки не должны иметь винтовых зажимов.

26.5. Изменение

Это требование распространяется на все зажимы, к которым осуществляется подсоединение в процессе установки.

26.11. Дополнение

Это требование применяют также к нагревательным блокам, снабженным проводами питания.

27. Заземление

Этот раздел Части 1 применяют, за исключением следующего.

27.1. Дополнение

Комплектующие устройства, используемые для уменьшения емкостных токов и заземленные, не считают обеспечивающими заземление.

28. Винты и соединения

Этот раздел Части 1 применяют.

29. Воздушные зазоры, пути утечки и непрерывная изоляция

Этот раздел Части 1 применяют, за исключением следующего.

29.1. Изменение

Модульные нагревательные блоки относятся к категории перенапряжения 2. Другие нагревательные блоки относятся к категории перенапряжения 3.

29.3. Изменение

Требования к размерам изоляции гибких листовых нагревательных элементов или дополнительной электрической изоляции не предъявляют.

Для нагревательных блоков класса II должно быть два слоя изоляции на гибких листовых нагревательных элементах, и каждый из этих слоев должен выдержать испытание на электрическую прочность по 16.3 для усиленной изоляции. Однако, если слои неотделимы, то комбинации этих слоев должны выдержать испытание на электрическую прочность по 16.3 для усиленной изоляции.

30. Теплостойкость и огнестойкость

Этот раздел Части 1 применяют, за исключением следующего.

30.1. Дополнение

Испытание не применяют к гибким листовым нагревательным элементам.

Испытания по ГОСТ Р 51322.1 (подразделы 25.1 и 25.4) применяют к гибким частям соединительных устройств.

30.2. Изменение

Требование не предъявляют к нагревательным блокам, предназначенным для применения в полах из бетона или аналогичного материала.

30.2.3.1 Изменение

Этот пункт не применяют к гибким листовым нагревательным элементам.

31. Стойкость к коррозии

Этот раздел Части 1 применяют.

32. Радиация, токсичность и подобные опасности

Этот раздел Части 1 применяют.

1 - каркас из бруса размерами 50 · 200 мм; 2 - поперечный элемент; 3 - термоизоляция; 4 - деревянная доска; 5 - нагревательный блок; 6 - покрытие

Рисунок 101 - Конструкция для испытания нагревательных блоков в деревянных потолках

1 - термоизоляция; 2 - модульный нагревательный блок; 3 - корпус; 4 - деревянная доска; 5 - каркас из бруса размерами 50 · 200 мм

Рисунок 102 - Конструкция для испытания модульных нагревательных блоков

1 - деревянная доска; 2 - пол; 3 - кусок изоляции длиной 0,8 м; 4 - опора для термоизоляции; 5 - термоизоляция; 6 - каркас из бруса размерами 50 · 200 мм; 7 - нагревательный блок; 8 - поперечный элемент; 9 - воздушный зазор

Рисунок 103 - Конструкция для испытания нагревательных блоков в деревянных полах

1 - кусок изоляции длиной 0,8 м; 2 - пол; 3 - бетон; 4 - сетка (если предусмотрена); 5 - дополнительный слой (если предусмотрен); 6 - дополнительная электрическая изоляция (если предусмотрена); 7 - нагревательный блок; 8 - термоизоляция; 9 - фанера

Рисунок 104 - Конструкция для испытания нагревательных блоков под бетоном

1 - деревянная доска; 2 - пол; 3 - кусок изоляции длиной 0,8 м; 4 - покрытие; 5 - нагревательный блок для пола; 6 - термоизоляция; 7 - нагревательный блок для потолка; 8 - поперечный элемент; 9 - каркас из бруса размерами 50 · 200 мм; 10 - воздушный зазор

Рисунок 105 - Конструкция для испытания нагревательных блоков в деревянных полах и потолках при комбинированном использовании

1 - корпус оправки; 2 - исходный край; 3 - направляющее устройство для иглы

Примечание - Корпус оправки изготовлен из изоляционного материала.

Рисунок 106 - Оправка, обеспечивающая направление контактной иглы

1 - деревянная доска; 2 - пол; 3 - кусок изоляции длиной 0,8 м; 4 - опора для термоизоляции; 5 - термоизоляция; 6 - каркас из бруса размерами 50 · 200 мм; 7 - нагревательный блок; 8 - поперечный элемент; 9 - воздушный зазор (если предусмотрен); 10 - фанера; 11 - дополнительный материал (если предусмотрен); 12 - дополнительная электрическая изоляция (если предусмотрена); 13 - сетка; 14 - дополнительный слой (если предусмотрен)

Рисунок 107 - Устройство для испытания нагревательных блоков, расположенных над деревянными полами

1 - кусок изоляции длиной 0,8 м; 2 - пол; 3 - сетка; 4 - дополнительный слой (если предусмотрен); 5 - дополнительная электрическая изоляция (если предусмотрена); 6 - нагревательный блок; 7 - дополнительный слой (если предусмотрен); 8 - термоизоляция; 9 - бетонное основание

Рисунок 108 - Устройство для испытания нагревательных блоков расположенных над бетонными полами

С - схема, приведенная на рисунке приложения 2 настоящего стандарта; 1 - соляной раствор; 2 - металлическая фольга; 3 - покрытие на пол; 4 - сетка; 5 - дополнительный слой (если предусмотрен); 6 - дополнительная электрическая изоляция (если предусмотрена); 7 - нагревательный блок; 8 - термоизоляция; 9 - фанерное основание

Рисунок 109 - Устройство для измерения емкостных токов

Приложения Части 1 применяют, за исключением следующего.

Дополнение

Приложение АА

(справочное)

Краткое изложение частных требований по установке нагревательных блоков

Таблица АА.1

Конструкция нагревательного блока

Применение

Потолок

Пол

Сухое помещение

Другие помещения за исключением зоны 0

Металл

Металл

Под плитками

Бетон или аналогичный материал

Под плитками

Бетон или аналогичный материал

Плавательный бассейн

Под плитками

Бетон или аналогичный материал

Основная изоляция

УЗОа). Потолок с заземлениемd) или разделительный трансформатора). Потолок с заземлением или УЗОа). Дополнительная изоляцияе) или разделительный трансформатора). Дополнительная изоляцияе)

УЗОа). Пол с заземлениемd) или разделительный трансформатора). Пол с заземлениемd) или УЗОа). Дополнительная изоляцияе) или разделительный трансформатора). Дополнительная изоляцияе)

УЗОа). Сеткас). Дополнительная изоляцияf) или разделительный трансформатора). Сеткас). Дополнительная изоляцияf) или основная изоляция 3 кВ. Дополнительная изоляция 3 кВb)

УЗОа). Сеткас) или разделительный трансформатора). Сеткас) или основная изоляция 3 кВ. Дополнительная изоляция 3 кВb)

УЗОа). Сеткас). Дополнительная изоляцияf) или разделительный трансформатора). Сеткас). Дополнительная изоляцияf)

УЗОа). Сеткас) или разделительный трансформатора). Сеткас)

УЗОа). Сеткас). Дополнительная изоляцияf)

УЗОа). Сеткас)

Класс II

УЗОа) или разделительный трансформатора)

УЗОа) или разделительный трансформатора)

УЗОа> или разделительный трансформатора)

УЗОа) или разделительный трансформатора)

УЗОа). Сеткас) или разделительный трансформатора)

УЗОа). Сеткас> или разделительный трансформатора)

УЗОа). Сеткас>

УЗОа). Сеткас>

а) Перечисление с) 7.12.1.

b) Перечисление с) 7.12.1, первый подпункт, третье перечисление.

с) Перечисление а) 7.12.101.

d) Пункт 7.12.102, первое предложение.

е) Перечисление b) 7.12.102, третье предложение.

f) Пункт 7.12.103.

Примечания

1. Зона 0 определена в ГОСТ Р 50571.11.

2. Никакие дополнительные требования, кроме указанных в 7.12.1, не применяют для деревянного пола и деревянного потолка.

Приложение 2

(обязательное)

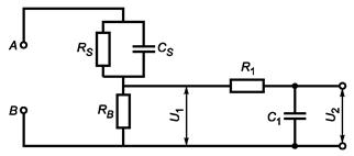
Измерение токов прикосновения

Измерение токов прикосновения - в соответствии с МЭК 60990 [1].

А, В - испытательные зажимы; Rs = 1500 Ом; RB = 500 Ом; R1 = 10000 Ом; Cs = 0,22 мкФ; С1 = 0,022 мкФ

Примечание - Взвешенный ток прикосновения (ощущение / реагирование)  (пиковое значение).

Рисунок - Схема измерения взвешенного тока прикосновения для ощущения и реагирования

Приложение 3

(справочное)

Сведения о соответствии ссылочных международных стандартов национальным стандартам Российской Федерации, использованным в настоящем стандарте в качестве нормативных ссылок

Таблица 3.1

Обозначение ссылочного национального стандарта Российской Федерации

Обозначение и наименование ссылочного международного стандарта и условное обозначение степени его соответствия ссылочному национальному стандарту

ГОСТ Р 12.4.026-2001

ИСО 3864:1989 «Цвета сигнальные и знаки безопасности» (NEQ)

ГОСТ Р МЭК 245-4-97

МЭК 60245-4:1994 «Кабели с резиновой изоляцией на номинальное напряжение до 450/750 В включительно. Шнуры и гибкие кабели» (MOD)

ГОСТ Р 50571.11-96 (МЭК 364-7-701-84)

МЭК 60364-7-701:2006 «Низковольтные электроустановки зданий. Часть 7 - 701. Требования к специальным установкам или особым помещениям. Ванные и душевые помещения» (MOD)

ГОСТ Р 51322.1-99 (МЭК 60884-1-94)

МЭК 60884-1:1995 «Вилки и розетки для бытового и аналогичного применения. Часть 1. Общие требования» (MOD)

ГОСТ Р 52161.1-2004 (МЭК 60335-1:2001)

МЭК 60335-1:2001 «Бытовые и аналогичные электрические приборы. Безопасность. Часть 1. Общие требования» (MOD)

ГОСТ 14254-96 (МЭК 529-89)

МЭК 60529:1989 «Степени защиты, обеспечиваемые оболочками (Код IP)» (NEQ)

ГОСТ 27570.01-92 (МЭК 967-88)

МЭК 60335-2-17:2002 «Бытовые и аналогичные электрические приборы. Безопасность. Часть 2 - 17. Частные требования для одеял, подушек и аналогичных нагревательных приборов» (NEQ)

Примечание - В настоящей таблице использованы следующие условные обозначения степени соответствия стандартов:

- MOD - модифицированные стандарты;

- NEQ - неэквивалентные стандарты.

Библиография

[1] МЭК 60990:1999

Методы измерения тока прикосновения и тока защитного провода

 

 

Ключевые слова: безопасность, гибкие листовые нагревательные элементы, нагревательные блоки, методы испытаний