Стандарт устанавливает минимальные требования по безопасности, предъявляемые к применяемым материалам, изготовлению и испытанию надувных лодок (включая жесткие надувные лодки) с габаритной длиной корпуса менее 8 м и плавучестью не менее 1800 Н. Стандарт применим к следующим типам надувных лодок, предназначенных для эксплуатации при температурах воздуха от минус 15 град. С до плюс 60 град. С: - тип V – надувные лодки, способные выдержать максимальную мощность мотора до 15 кВт включительно; - тип VI – надувные парусные лодки с площадью парусов более 6 кв. м.
| Обозначение: | ГОСТ Р 53447-2009 |
| Название рус.: | Лодки надувные. Часть 2. Лодки с мощностью мотора 4,5 до 15 кВт включительно |
| Статус: | действует |
| Дата актуализации текста: | 05.05.2017 |
| Дата добавления в базу: | 01.09.2013 |
| Дата введения в действие: | 01.07.2010 |
| Утвержден: | 07.12.2009 Федеральное агентство по техническому регулированию и метрологии (564-ст) |
| Опубликован: | Стандартинформ (2010 г. ) |
| Ссылки для скачивания: |
ФЕДЕРАЛЬНОЕ АГЕНТСТВО
ПО ТЕХНИЧЕСКОМУ РЕГУЛИРОВАНИЮ И МЕТРОЛОГИИ
|
|
НАЦИОНАЛЬНЫЙ |
ГОСТ Р (ИСО 6185-2:2001) |
Лодки надувные
Часть 2
ЛОДКИ С МОЩНОСТЬЮ МОТОРА
ОТ 4,5 ДО 15 кВт ВКЛЮЧИТЕЛЬНО
ISO 6185-2:2001
Inflatable boats - Part 2: Boats with a maximum motor power rating
of 4,5 kW to 15 kW inclusive
(MOD)
|
|
Москва Стандартинформ 2010 |
Предисловие
Цели и принципы стандартизации в Российской Федерации установлены Федеральным законом от 27.12.2002 г. № 184-ФЗ «О техническом регулировании», а правила применения национальных стандартов Российской Федерации - ГОСТ Р 1.0-2004 «Стандартизация в Российской Федерации. Основные положения»
Сведения о стандарте
1 ПОДГОТОВЛЕН Научно-исследовательским институтом стандартизации и сертификации «Лот» ФГУП «ЦНИИ им. акад. А.Н. Крылова» на основе аутентичного перевода на русский язык стандарта, указанного в пункте 4
2 ВНЕСЕН Техническим комитетом по стандартизации ТК 5 «Судостроение»
3 УТВЕРЖДЕН И ВВЕДЕН В ДЕЙСТВИЕ Приказом Федерального агентства по техническому регулированию и метрологии от 7 декабря 2009 г. № 564-ст
4 Настоящий стандарт является модифицированным по отношению к международному стандарту ИСО 6185-2:2001 «Лодки надувные. Часть 2. Лодки с мощностью мотора от 4,5 до 15 кВт включительно» («Inflatable boats - Part 2: Boats with a maximum motor power rating of 4,5 kW to 15 kW inclusive», MOD), путем изменения отдельных фраз, которые выделены курсивом
5 ВВЕДЕН ВПЕРВЫЕ
Информация об изменениях к настоящему стандарту публикуется в ежегодно издаваемом информационном указателе «Национальные стандарты», а текст изменений и поправок - в ежемесячно издаваемых информационных указателях «Национальные стандарты». В случае пересмотра (замены) или отмены настоящего стандарта соответствующее уведомление будет опубликовано в ежемесячно издаваемом информационном указателе «Национальные стандарты». Соответствующая информация, уведомление и тексты размещаются также в информационной системе общего пользования - на официальном сайте Федерального агентства по техническому регулированию и метрологии в сети Интернет
СОДЕРЖАНИЕ
Введение
Стандартизируется совокупность надувных лодок, разделенная на три части, как показано на рисунке 1.
В настоящем стандарте стандартизируются технические требования надувных лодок типов \/ и VI. Совокупность исключает применение лодок:
- с одним отсеком плавучести;
- с плавучестью менее 1800 Н;
- изготовленных из неармированных материалов, с плавучестью более 12 кН и мощностью подвесного мотора, превышающей 4,5 кВт;
- с габаритной длиной, превышающей 8 м.
Настоящий стандарт не применяется для водных аттракционов и надувных спасательных плотов. Совокупность надувных лодок делится на три части: Часть 1:
тип I - гребные лодки;
тип II - моторные лодки с максимальной мощностью подвесного мотора 4,5 кВт;
тип III - каноэ и каяки;
тип IV - парусные лодки с максимальной площадью парусов 6 м2.
Часть 2:
тип V - моторные лодки с мощностью подвесного мотора от 4,5 до 15 кВт включительно;
тип VI - парусные лодки с площадью парусов более 6 м2.
Часть 3:
тип VII - моторные лодки с мощностью подвесного мотора не менее 15 кВт;
тип VIII - моторные лодки прибрежного плавания с мощностью подвесного мотора не менее 75 кВт.
Рисунок 1 -Условное деление совокупности надувных лодок на три части
В ИСО 6185-2:2001 имеются ссылки на международные стандарты:
ИСО 1817:1999 Резина вулканизированная. Определение стойкости к воздействию жидкостей
ИСО 7000:2004 Графические символы, используемые на оборудовании. Алфавитный указатель и краткий обзор
ИСО 8665:2006 Суда малые. Морские пропульсивные двигатели и системы. Измерение мощности и проверка заявленной мощности
ИСО 9775:1990 Суда малые. Системы одиночного управления для одиночных подвесных моторов мощностью от 15 до 40 кВт
ИСО 11192:2005 Суда малые. Графические символы
ИСО 11591:2000 Суда малые. Поле зрения с места рулевого
ИСО 12215-1:2000 Суда малые. Корпусные конструкции и размеры поперечных сечений корпуса. Часть 1. Материалы. Термореактивные смолы, армирующее стекловолокно, стандартный слоистый пластик
ИСО 15652:2003 Суда малые. Системы дистанционного рулевого управления для лодок с водометными мини движителями.
Поскольку вышеперечисленные стандарты не приняты Российской Федерацией в качестве национальных стандартов, то они исключены из раздела «Нормативные ссылки».
ГОСТ Р
53447-2009
(ИСО 6185-2:2001)
НАЦИОНАЛЬНЫЙ СТАНДАРТ РОССИЙСКОЙ ФЕДЕРАЦИИ
|
Лодки надувные Часть 2 ЛОДКИ С МОЩНОСТЬЮ МОТОРА ОТ 4,5 ДО 15 кВт ВКЛЮЧИТЕЛЬНО Inflatable boats.
Part 2. |
Дата введения - 2010-07-01
Настоящий стандарт устанавливает минимальные требования по безопасности, предъявляемые к применяемым материалам, изготовлению и испытанию надувных лодок (включая жесткие надувные лодки) с габаритной длиной корпуса менее 8 м и плавучестью не менее 1800 Н.
Настоящий стандарт применим к следующим типам надувных лодок, предназначенных для эксплуатации при температурах воздуха от минус 15 °С до плюс 60 °С:
- тип V - надувные лодки, способные выдержать максимальную мощность мотора до 15 кВт включительно;
- тип VI - надувные парусные лодки с площадью парусов более 6 м2 (см. приложение А).
В настоящем стандарте использована ссылка на следующий стандарт:
ГОСТ 28788-90 Ткани с резиновым и пластмассовым покрытием. Испытание на удар при низкой температуре (ИСО 4646:1989, MOD)
Примечание - При пользовании настоящим стандартом целесообразно проверить действия ссылочных стандартов в информационной системе общего пользования - на официальном сайте Федерального агентства по техническому регулированию и метрологии в сети Интернет или по ежегодно издаваемому информационному указателю «Национальные стандарты», который опубликован по состоянию на 1 января текущего года, и по соответствующим ежемесячно издаваемым информационным указателям, опубликованным в текущем году. Если ссылочный стандарт заменен (изменен), то при пользовании настоящим стандартом следует руководствоваться заменяющим (измененным) стандартом. Если ссылочный стандарт отменен без замены, то положение, в котором дана ссылка на него, применяется в части, не затрагивающей эту ссылку.
В настоящем стандарте применены следующие термины с соответствующими определениями:
3.1 надувная лодка (inflatable boat): Плавучее средство, наполненное воздухом, предназначенное для транспортировки людей и/или грузов по воде, конструкция и форма которого способны выдержать нагрузки, создаваемые в морских условиях.
3.2 жесткая надувная лодка (rigid inflatable boat): Надувная лодка с жесткой нижней частью корпуса и надувными бортами, которые обеспечивают форму и плавучесть лодки при надувании.
3.3 плавучесть лодки (buoyancy of the boat): Объем любой камеры, которая формирует надувной корпус и любой другой камеры, которая постоянно прикреплена к ней.
3.4 плавучесть жесткой надувной лодки (buoyancy of the boat): Плавучесть, включающая при расчетах в дополнении к надувной плавучести постоянную дополнительную плавучесть или плавучесть по крайней мере двух герметичных камер, прикрепленных к жесткому корпусу, объемом, не превышающем 20 % общей плавучести.
3.5 расчет плавучести (calculation of the buoyancy): Определение плавучести посредством измерения объема при номинальном расчетном давлении, рекомендованном изготовителем.
3.6 постоянная дополнительная плавучесть (permanent inherent buoyancy): Плавучесть пенистого материала (пенопласта) с закрытыми ячейками или других материалов materials плотностью меньшей, чем у пресной воды, имеющих минимальную способность к водопоглощению в течение предполагаемого срока службы, которыми заполнены герметичные части емкости или части корпуса.
3.7 постоянная герметичная плавучесть (permanent sealed buoyancy): Плавучесть герметичного отсека(ов), наполненного(ых) воздухом.
3.8 армированные материалы (reinforced materials): Материалы на тканой основе.
3.9 неармированные материалы (unsupported materials): Материалы, не имеющие тканой основы.
3.10 длина кокпита (inboard length): Длина кокпита, включающая в себя область под брызгозащитным тентом, измеренная вдоль осевой линии судна между двумя самыми углубленными точками по носу и корме.
Все материалы должны быть выбраны изготовителем согласно параметрам, установленным для готового изделия (форме, размерениям, максимальной грузоподъемности и т.д.), а также согласно предполагаемым условиям эксплуатации. Эксплуатация в нормальных морских условиях не должна наносить существенный вред используемым материалам, которые, в свою очередь, должны отвечать требованиям, изложенным в 4.2 - 4.4.
Все материалы, используемые при производстве надувных лодок, должны быть устойчивыми против гниения.
4.2.1 Требования
Все материалы должны сохранять эксплуатационные свойства в полном объеме при температуре от минус 15 °С до плюс 60 °С и отвечать требованиям, изложенным ниже.
Неармированные материалы не следует использовать для лодок с плавучестью более 12 кН.
4.2.2 Методика испытаний
4.2.2.1 Выбор образцов
Испытывают опытные образцы, отобранные из предполагаемых для производства лодки материалов. Если лодку в процессе производства вулканизируют, опытные образцы также должны быть вулканизированы.
4.2.2.2 Стойкость к жидкостям
Наружную сторону или поверхность материала испытывают в контакте с окружающей средой с использованием испытательной жидкости № 1:
- 2,2,4-триметилпентан 30% (от объема);
- толуол 50%;
- диизобутилен 15%;
- этанол 5%.
В случаях а) и б), показанных в таблице 1, изменение массы на единицу площади не должно превышать 100 г/м2 после предусмотренного времени контакта с испытательной жидкостью при температуре (40 ± 1)°С.
Таблица 1 - Испытательные жидкости
|
Время контакта |
|
|
а) Испытательная жидкость № 1 |
22 ч ± 15 мин |
|
б) Соленая вода 1) |
336 ч (минимум) |
|
1) Компоненты соленой воды: дистиллированная вода ± 30 г хлорида натрия на литр дистиллированной воды. |
|
4.2.2.3 Стойкость к низкой температуре
Все материалы при температуре ниже минус 5 °С должны удовлетворять требованиям ГОСТ 28788.
4.3.1 Основные положения
Древесина и фанера должны быть пригодны для использования в морской среде. Древесина и фанера должны быть стойкими к атмосферным воздействиям, поэтому они должны быть покрыты краской, лаком или специальным консервантом, подходящим для морской среды.
4.3.2 Фанера
Вся фанера должна иметь внешние и внутренние слои из древесины, а соединяющий состав должен быть термо- и водостойким. Используемая при изготовлении фанеры древесина должна быть соответствующим образом обработана, освобождена от заболони, испорченных фрагментов, паразитов, на ней не должно быть трещин и сучков, ухудшающих эксплуатационные свойства. Допустимо случайное попадание фрагмента с сучком.
Другие породы дерева, например хвойные, допускается использовать для изготовления фанеры при условии, что их древесина защищена от гнили, грибка и морских червей. Соединяющиеся кромки или поверхности, включая крайние участки, должны быть тщательно изолированы.
4.3.3 Конструкционные материалы из дерева
Древесина, используемая в конструкциях, должна быть очищена от заболони, трещин и других дефектов.
Применяемые материалы должны соответствовать цели своего использования и быть совместимы с морской средой.
Все испытания следует проводить при температуре (20 ± 3) °С.
5.2.1 Требования
Материалы и конструкции крепления оснастки должны быть совместимы с корпусом. Любая, прикрепленная к корпусу (см. 5.3.1 и 5.3.2) деталь оснастки, испытывающая нагрузку, при испытании не должна приводить к повреждению и разгерметизации корпуса.
5.2.2 Методика испытаний
Диаметр такелажа, используемого при испытании, - 8 мм.
При испытаниях постепенно нагружают такелаж в любом направлении до его разрыва, но не превышая 2 кН. При достижении 2 кН удерживают груз в течение 1 мин.
Лодка должна быть оборудована устройством для переноски. Устройство должно выдерживать испытание без разрушения в соответствии с 5.3.2.
Диаметр такелажа, используемого при испытании, - 8 мм.
При испытании постепенно, в течение 1 мин, устройство нагружают силой 1 кН в соответствующих направлениях.
Там, где устройства для подъема или переноски выполняют также функцию ремней безопасности или ручек, они должны соответствовать требованиям, изложенным в 6.7.1.
Клапаны (комплект клапанов) должны быть сделаны из коррозионно-стойких материалов, не способных повредить материал лодки.
Требования к системе воздушных клапанов на надувной лодке:
a) клапаны должны быть всегда доступны независимо от того, находится ли лодка на воде или на суше;
b) клапаны не должны причинять неудобства людям;
c) клапаны не должны мешать управлению лодкой;
d) клапаны не должны мешать при погрузке и разгрузке лодки;
e) клапаны не должны находиться на пути подвижных деталей конструкции лодки и препятствовать свободному передвижению пассажиров и груза;
f) на каждый клапан должен быть надет колпачок, способный защитить клапан и закрепленный так, чтобы не быть случайно утерянным;
д) должны быть обеспечены контролируемое снижение давления в камере плавучести и возможность его измерения.
5.4.1 Стравливание воздуха
Стравливание воздуха следует осуществлять вручную посредством воздушного клапана или отдельного устройства, сделанного из коррозионно-стойкого материала, который не способен повредить материал лодки. Конструкция и расположение данных устройств должны отвечать требованиям, изложенным в 5.4.1, перечисления b) - е).
Стравливание воздуха из одного отсека не должно приводить к стравливанию воздуха или газа из любого другого отсека.
5.5.1 Требования
Наличие уключин и весел необязательно. В качестве штатного или дополнительного оборудования они должны отвечать требованиям, изложенным в 5.5.2 - 5.5.5.
В месте крепления весел и уключин не должно быть ничего, что может вызвать износ. Внешние поверхности уключин должны быть гладкими и лишенными острых граней, чтобы избежать повреждений, когда лодка сложена.
5.5.3 Предохранение от расшатывания
Уключины должны быть защищены от непреднамеренного расшатывания. Для двух весел или гребков должно быть предусмотрено место хранения в том случае, когда их не используют.
5.5.4 Прочность уключин
5.5.4.1 Требования
После проведения испытания в соответствии с 5.5.4.2 не должно быть повреждения уключин или связанных с ними изделий.
Диаметр такелажа, используемого при испытании, - 8 мм.
Оборудование для гребли, включая уключину и соответствующие изделия, испытывают силой, равной 500 Н, приложенной в любом горизонтальном направлении, в течение 1 мин.
5.5.5 Использование уключин и весел
В течение гребных испытаний не должно быть никаких разрушений или остаточной деформации любой части конструкции. Также должно быть продемонстрировано, что система уключин достаточно прочна для эффективной гребли.
Свободное движение весел должно быть под углом не менее 60° вперед и на 60° - назад.
5.6.1 Требования
Транец или крепление мотора и их соединение с лодкой должны быть разработаны с учетом того, чтобы выдерживать как нормальную нагрузку, так и максимальную, возникающую:
- при указанной изготовителем максимальной мощности, развиваемой мотором(ами);
- от собственной массы мотора(ов).
5.6.2 Методика испытаний
Проводят визуальное наблюдение во время и после ходовых испытаний, описанных в 7.3.
Если лодка оснащена транцем, то она должна быть оборудована по крайней мере одной пробкой для спуска воды или одной системой откачки.
Жесткая надувная лодка, жесткий корпус которой не заполнен пенопластом или эквивалентным составом, должна быть оборудована сливным устройством, обеспечивающим осушение нижней части корпуса.
5.8.1 Прочность монтажа
5.8.1.1 Требования
После 500 движений пера руля на угол в 60° не должно быть никаких трещин или иных повреждений.
5.8.1.2 Методика испытаний
Каждое движение (цикл) должно быть выполнено за 1 с и должен быть задействован весь рулевой привод. Перо руля должно быть погружено в воду в рабочее положение.
5.8.2 Перо руля
5.8.2.1 Требования
Перо руля должно иметь возможность быть зафиксированным без использования инструмента как в рабочем положении, так и поднятым до уровня днища лодки.
5.8.2.2 Методика испытаний
Результаты испытания проводят посредством визуального наблюдения.
При проверке согласно разделу 7 не должно быть никаких повреждений или отказа системы или связанных с ней устройств.
Крепление страховочного троса мотора должно быть предусмотрено в соответствующем месте.
Все лодки должны иметь буксирное устройство, расположенное в носовой оконечности, для обеспечения буксировки. Методика испытания приведена в 7.3.
При проверке согласно разделу 7 не должно быть никаких повреждений сидений или системы их креплений.
Максимально допустимое число людей на борту п для лодки каждого типа вычисляют по формуле
![]()
где li - длина внутреннего пространства, м.
Значение п, выраженное в массе людей, нив коем случае не должно превышать максимальную грузоподъемность лодки (см. 6.4).
Значение п следует всегда округлять до ближайшего меньшего целого числа, но если первый десятичный разряд больше 5, к максимальной нагрузке можно добавить массу ребенка, если больше 7 - массу взрослого.
Для расчетов за массу ребенка принимают 37,5 кг, за массу взрослого - 75 кг.
Данные, изложенные на информационной планке(ах) [(см. раздел 8, перечисление е)], должны включать по меньшей мере одного взрослого и не более одного ребенка.
Максимальная мощность мотора Рmах, кВт, должна быть определена изготовителем и не должна выходить за пределы расчетов, сделанных по формуле
Pmax = 10 × F(d)-33,
где F(d) - коэффициент размерений, равный l × b, [l - наибольшая длина лодки от носа до края кормы (исключая ручки и другое оборудование), м; b - наибольшая ширина лодки (исключая ручки и другое оборудование), м].
6.3.1 Требования
Лодка, оборудованная изготовителем мотором(ами) максимальной мощности, (см. 6.2), не должна опрокидываться, даже если максимально допустимое число людей на борту, установленное изготовителем (см. 6.1), перейдет на один борт (см. рисунок 2).
6.3.2 Методика испытаний
Испытание проводят с установленным(и) мотором(ами), но без топливного бака и аккумуляторной батареи. Испытательный груз (люди) равномерно размещают в предназначенные для этого места, как показано на рисунке 2.
1 - место для испытательного груза
Рисунок 2 - Типичный пример, показывающий место для испытательного груза
Массу испытательного груза mt, кг, вычисляют по формуле
mt = (п × 75) + 37,5 (для ребенка, в случае необходимости),
где п - максимально допустимое число взрослых на борту, определенное изготовителем (см. 6.1);
75 кг - средняя масса взрослого;
37,5 кг - масса ребенка.
6.4.1 Требования
Максимальная масса груза, который может принять лодка, должна быть определена изготовителем и не должна превышать результат, вычисленный по формуле
т = (0,75 V × 1000) - mb,
где т - максимальная грузоподъемность лодки [общая масса пассажиров, оборудования, мотора(ов) и топлива], кг;
V - объем плавучести, м3;
mb - общая масса лодки в том виде, в котором ее поставляет изготовитель, включая все устанавливаемое стационарно оборудование: корпус, устройства и приспособления, но не учитывая массу подвесного(ых) мотора(ов) и топлива, кг. Масса стационарно установленного(ых) мотора(ов) должна быть учтена.
6.4.2 Методика испытаний
Вычисляют максимальную грузоподъемность и сравнивают с расчетами изготовителя.
Проектное рабочее давление должно быть определено изготовителем для каждого отсека (включая отсеки плавучести, киль, банки, тент и т.д.) полностью надутой лодки. Данные должны быть указаны на соответствующем элементе или в инструкции изготовителя (или в обоих местах) и для отсеков плавучести лодки - на информационной планке (см. раздел 8).
Чтобы пользователь мог определить, достигнуто ли указанное рабочее давление, изготовитель должен обеспечить пользователя соответствующим оборудованием или манометром. В то же время в руководстве должны быть инструкции (см. раздел 9), позволяющие сделать достаточно точные расчеты.
Рабочее давление следует выражать в паскалях.
6.6.1 Требования
Лодка должна оставаться герметичной (см. 6.6.2.5) после любого вида испытания, описанного в 6.6.2.
6.6.2.1 Температура при проведении испытаний
Все испытания следует проводить при температуре (20 ± 3) °С.
6.6.2.2 Испытание циклами заполнения воздухом для лодок, изготовленных из неармированных материалов (прочность шва)
Собранную в соответствии с инструкциями изготовителя лодку наполняют воздухом до расчетного рабочего давления (см. 6.5).
Испытание проводят в три этапа:
a) испытания проводят по очереди по крайней мере с двумя смежными главными отсеками плавучести (см. рисунок 3). Следует осуществить 50 циклов наполнения воздухом до давления, превышающего проектное рабочее давление в 1,2 раза;
b) полностью наполняют лодку воздухом до рабочего давления и оставляют на 12 ч;
c) повторяют испытание по условиям первого этапа, но с 25 циклами наполнения, [см. перечисление а)].
Проверяют герметичность каждого главного отсека плавучести в соответствии с 6.6.2.5.2.
1 - отсек 1; 2 - отсек 2; 3- отсек 1; 4 - отсек 2; 5 - расчетное рабочее давление
Рисунок 3 - Испытание на герметичность отсеков плавучести
Время для циклов наполнения воздуха должно быть:
2 мин -для достижения расчетного рабочего давления;
0,5 мин - для поддержания в расчетном рабочем давлении;
0,5 мин - для стравливания воздуха;
0,5 мин - для поддержания при нулевом давлении.
Смежные отсеки не следует испытывать одновременно.
6.6.2.3 Испытание на термостойкость
Собранную в соответствии с инструкциями изготовителя лодку наполняют воздухом до давления, превышающего в 1,2 раза расчетное рабочее давление. Лодку устанавливают и оставляют на 6 ч в камере температурой 60 °С. По завершении испытательного периода лодку извлекают из камеры с установленной температурой и оставляют остывать при температуре окружающей среды. Проверяют герметичность в соответствии с 6.6.2.5.1 для лодок, изготовленных из армированных материалов, с 6.6.2.5.2 - из неармированных.
6.6.2.4 Испытания избыточным давлением лодок, изготовленных из армированных материалов Наполняют воздухом каждый отсек лодки до давления, в 1,5 раза превышающего расчетное рабочее давление, и оставляют на 30 мин. Если у отсеков есть общие закрытые части (например, внутренние переборки), то отсеки должны быть испытаны отдельно; при этом из смежных отсеков воздух должен быть стравлен. После испытания не должно быть никаких повреждений, и лодка должна пройти испытание на герметичность, как указано в 6.6.2.5.1.
6.6.2.5 Испытания на герметичность
6.6.2.5.1 Лодки, изготовленные из армированных материалов
Поднимают лодку над полом, исключив воздействие на нее сквозняка и солнечных лучей. Лодку (все отсеки) наполняют воздухом до давления, превышающего в 1,2 раза расчетное рабочее давление, и выдерживают 30 мин (см. 6.5), чтобы предварительно растянуть корпус. Затем уменьшают давление до расчетного рабочего давления и выдерживают 30 мин, чтобы стабилизировать условия. При достижении расчетного рабочего давления записывают температуру окружающей среды и атмосферное давление. По истечении 24 ч снижение давления в любом из отсеков не должно превышать 20 %. Записывают температуру окружающей среды и атмосферное давление.
Разница температур между началом испытания и контрольным считыванием не должна превышать 3 °С в любую сторону.
Разница в атмосферном давлении между началом испытания и контрольным измерением не должна превышать 1 % в любую сторону.
При повышении или падении температуры окружающей среды на 1 °С поправку в 0,04 МПа соответственно вычитают или прибавляют к зафиксированному давлению.
6.6.2.5.2 Лодки, изготовленные из неармированных материалов
Лодку на герметичность испытывают косвенным образом по усадке материала.
Каждый отсек испытывают отдельно при смежных отсеках, находящихся без давления.
Отсек лодки наполняют воздухом до значения, превышающего в 1,2 раза расчетное рабочее давление при температуре окружающей среды. При этом наклеивают бумажную полосу длиной 100 мм на наружную поверхность вдоль по окружности воздушного отсека. Разрезают полосу вдоль пополам. По истечении 2 ч две части полосы не должны наползать друг на друга.
Лодки обоих типов должны быть оборудованы леерами безопасности и/или ручками вдоль бортов таким образом, чтобы каждый, находящийся на борту, мог держаться за них, а также в том случае, если лодка опрокинулась. Все ручки должны быть сконструированы так, чтобы за них можно было держаться в течение длительного времени без риска травмироваться.
При испытании согласно 6.7.2 на леерах и ручках не должно быть никаких повреждений.
Ручки и устройства должны соответствовать требованиям, предъявляемым к оснастке корпуса в 5.2. В случаях, когда леера безопасности и ручки используют для подъема или переноски лодки, они должны отвечать требованиям, изложенным в 5.3.
Осмотр и оценка состояния.
На 1 мин прикладывают нагрузку в 1 кН к каждой ручке и лееру безопасности в любом направлении. Для практической оценки в воде - в соответствии с 7.3.2.
6.8.1 Требования
После повреждения самого большого отсека плавучести остаточная плавучесть корпуса должна быть по крайней мере 50 % номинальной грузоподъемности, установленной изготовителем (см. 6.4).
6.8.2 Методика испытаний
Вычисляют или измеряют остаточную плавучесть.
6.9.1 Требования
Лодка, загруженная до максимальной грузоподъемности, должна быть способной двигаться с применением штатных средств при внезапном падении давления в одном из отсеков плавучести. В этом случае лодка может перемещаться с помощью предназначенных для этого средств. Весла могут быть использованы без уключин.
6.9.2 Методика испытаний
В спокойной воде перемещают лодку по меньшей мере 50 м по прямой.
Плавучесть лодки должна создаваться плавучестью отдельных отсеков плавучести (камер). Минимальное число отсеков приведено в таблице 2.
Таблица 2 - Минимальное число отсеков
|
Коэффициент размерений F(d) |
Число отсеков |
|
|
7,5 |
<5 |
2 |
|
5 < F(d) < 8 |
2 |
|
|
>8 |
3 |
|
|
15 |
<5 |
2 |
|
5 < F(d) < 8 |
3 |
|
|
>8 |
3 |
|
|
Примечание - Коэффициент размерений определен в 6.2. |
||
Объем каждого отсека, образованного внутренними разделяющими переборками, (см. приложение В) в среднем должен быть в пределах ± 20 % объема отсека.
Таким образом, объем отсека ![]()
где V- общий объем камеры плавучести (исключая дополнительные камеры), м3;
N - количество отсеков плавучести.
Дополнительные надувные камеры, не прикрепленные стационарно на корпусе (см. 3.3), не следует учитывать при вышеизложенных расчетах.
Лодка должна пройти испытания в соответствии с 5.8 и 6.6.
Лодка должна быть собрана в соответствии с инструкциями изготовителя и наполнена воздухом до рекомендованного рабочего давления.
Испытание должно быть проведено в соответствии с 7.2 - 7.5.
Проводят испытания согласно 7.3 - 7.5 с высотой характерной волны, указанной в таблице 3.
Таблица 3 - Морские условия
|
Высота наблюдаемой характерной волны, мм |
|
|
2 |
300 |
|
3 |
600 |
7.2.1 Требования
Проводят испытание по 7.2.2.
После проведения испытания лодку тщательно осматривают.
Не должно быть структурных повреждений, таких как разрывы, трещины, раздиры, разобщения и т.д., ни на одной части корпуса или компонентах лодки, таких как палуба или банки, включая границы палубы и корпуса, палубы и транца, камеры плавучести и корпуса и т.д.
Максимально нагружают лодку согласно рекомендации изготовителя. Распределение нагрузки должно осуществляться мотором(ами) максимальной мощности (как определяет изготовитель) и пассажирами, сидящими в нормальном положении.
Лодку сбрасывают на воду с высоты 2 м (высота от поверхности воды до самой нижней точки лодки) в трех различных позициях:
- горизонтальной;
- под углом 45° нанос;
- под углом 45° на корму.
7.3.1 Требования
Проводят испытание по 7.3.2, установив мотор(ы) максимальной мощности, как предписано изготовителем.
После проведения испытания лодку тщательно осматривают.
Не должно быть структурных повреждений, таких как разрывы, трещины, разобщения и т.д., ни на одной части корпуса или компонентах лодки, таких как палуба или банки, а также включая границы палубы и корпуса, палубы и транца, камеры плавучести и корпуса и т.д.
Не должно быть никаких признаков износа от трения, которое может привести к структурным разрушениям или неисправности.
Лодка не должна опрокидываться.
Лодка должна оставаться сухой в разумных пределах.
У рулевого всегда должно быть поле обзора.
7.3.2.1 Основные положения
Используют систему дистанционного рулевого управления, если она входит в комплект стандартного оборудования. Если ее применяют как дополнительное оборудование, проводят испытание, используя и румпель, и систему дистанционного управления поочередно.
Используют места для сиденья рулевого и членов экипажа, если они поставлены в качестве стандартного или дополнительного оборудования.
7.3.2.2 Испытание при неполной нагрузке
На борту должен быть только рулевой. Испытание должно занять не менее 45 мин при органах управления мотором, установленных на создание максимального тягового усилия вперед.
Лодку направляют против ветра, затем меняют курс с интервалом 45° до достижения в итоге курса по ветру (см. рисунок 4). Это дает возможность провести испытания лодки по крайней мере на пяти различных курсах: против ветра, под углом 45° в скулу, в борт, 45° в корму, по ветру.
1 - курс против ветра; 2 - 45°
в скулу; 3 - курс при боковом ветре;
4 - 45° по корме; 5 - курс по ветру; 6 - истинный ветер
Рисунок 4 - Ходовые испытания
7.3.2.3 Испытание при полной нагрузке
Повторяют испытание, описанное в 7.3.2.2, но с равномерно и максимально загруженной лодкой, как установлено изготовителем (см. 6.4). Груз должен включать максимально допустимое число людей на борту, указанное изготовителем (см. 6.1).
Все леера должны удовлетворять требованиям, описанным в 6.7.1.
Все сиденья и системы крепления должны удовлетворять требованиям, изложенным в 5.12.
7.4.1 Требования
После испытаний лодку тщательно осматривают; при этом не должно быть никаких повреждений корпуса, палубы, ни на банках, ни в местах стыков, например днища и корпуса.
При проведении испытания лодка не должна наклоняться так, чтобы возникла вероятность погружения в воду мотора или самой лодки или опрокидывания лодки.
7.4.2 Методика испытаний
Принимают на борт максимально допустимое число людей, рекомендованное изготовителем (см. 6.1).
Буксируют лодку, используя буксирное устройство (см. 5.11), со скоростью не менее четырех узлов. Длина буксирного троса должна быть равной трем длинам лодки (±15 %).
Выполняют буксировочные маневры не менее 15 мин.
На веслах проходят не менее 300 м на лодке с неполной нагрузкой (см. 7.3.2.2) и столько же - с максимальной нагрузкой (см. 7.3.2.3).
Проверяют состояние уключин во время и после испытания и измеряют свободное движение весел (в градусах).
7.6.1 Требования
Тщательно осматривают лодку после испытания. Внутри лодки не должно быть никаких следов воды.
7.6.2 Методика испытаний
Максимально нагружают лодку согласно рекомендации изготовителя, предварительно убедившись в отсутствии в ней воды. Распределение нагрузки должно осуществляться мотором(ами) максимальной мощности (определяет изготовитель) и пассажирами, сидящими в нормальном положении.
Лодку оставляют неподвижной в воде в течение 20 мин.
Лодка должна быть оснащена одной или двумя планками с несмываемой или выгравированной надписью, содержащей:
а) обозначение стандарта и тип, которому соответствует лодка;
в) наименование фирмы-изготовителя или импортера и страны происхождения;
c) регистрационный номер, дату изготовления, тип или номер модели. Рекомендуется использовать идентификационный номер корпуса (HIN);
d) максимальную мощность мотора (обозначается символом) в киловаттах;
e) максимальную пассажировместимость (обозначается символом);
f) максимальную грузоподъемность (обозначается символом);
q) рекомендованное рабочее давление (обозначается символом);
h) максимальную площадь паруса, если лодка обеспечена набором парусов (обозначается символом).
Дополнительные данные допускается указывать по выбору изготовителя.
Там, где используют кодовую систему HIN, данные из перечисления с) не следует указывать на информационной планке.
Для данных, указанных в перечислениях d) - h), используют символы, показанные на рисунке 5.
Рисунок 5 - Символы для информационных планок
Инструкция для пользователя должна быть изложена на соответствующем(их) языке(ах) простыми словами, которых будет достаточно, чтобы пользователь правильно собрал, наполнил воздухом и подготовил лодку к использованию, включая данные по расположению и креплению сидений, рулевой системе, аккумуляторной батарее и топливному баку (если предусмотрен).
Предупреждения о возможной опасности должны следовать в тексте инструкции, а не после нее; следует уточнять информацию о наполнении воздухом и последовательности сборки.
Также должна быть инструкция по просушке, хранению и обслуживанию лодки.
Должны быть даны предупреждения относительно потенциальной опасности от испарений вредных жидкостей, таких как электролит аккумуляторной батареи, масло, топливо.
Должно быть дано предупреждение об опасности при неправильном распределении людей или грузов в лодке.
Инструкция также должна предостерегать о возможных естественных опасностях и содержать предупреждение:
«ОСТЕРЕГАЙТЕСЬ БЕРЕГОВЫХ ВЕТРОВ И ТЕЧЕНИЙ»
Предостережение должно содержать информацию об опасности превышения значений, приведенных на информационной(ых) планке(ах) (см. раздел 8).
С каждой лодкой изготовитель должен предоставлять следующее оборудование:
- ремонтное оборудование, предназначенное для ликвидации небольших повреждений (включая инструкцию по его эксплуатации);
- инструкцию по эксплуатации (см. раздел 9).
Там, где насос не поставляют как штатное оборудование, изготовитель должен гарантировать доступность соответствующего насоса.
Надувные парусные лодки (тип VI)
А.1 Применяемые требования
В дополнение к требованиям, изложенным в данном приложении, надувные парусные лодки должны отвечать всем требованиям настоящего стандарта, кроме следующих:
5.9 Система дистанционного управления рулем (если предусмотрена)
5.10 Страховочный трос мотора
5.12 Сиденья и системы крепления (если предусмотрены)
6 Максимальная мощность мотора
7.3 Ходовые испытания
Эти исключения не распространяются на суда типа V.
А.2 Плоскости килей
А.2.1 Конструкция
Шверцы, выдвижные и центральные кили должны подниматься к основанию лодки и иметь возможность быть установленными в рабочую позицию без использования инструментов.
Выдвижные кили должны быть защищены от случайной утери.
А.2.2 Прочность и функционирование килей
При боковой нагрузке 80 Н на каждый квадратный метр паруса килевые приспособления не должны отказывать в работе или деформироваться.
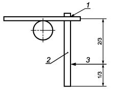
Для шверцев поперечную силу следует прилагать по линии, отстоящей на две трети его длины от поворачивающейся оси (см. рисунок А.1).
Для выдвижных и центральных килей поперечную силу следует прилагать в середине их длины (lх) (см. рисунок А.2).
|
1 - вращающаяся ось, 2 - шверц, 3 - поперечная сила |
1 - выдвижной/центральный киль (шверт) |
|
Рисунок А.1 - Испытание на прочность шверца |
Рисунок А.2 - Испытание на прочность выдвижного/ |
А.2.3 Методика испытаний
Кили следует испытывать в рабочем положении и в обоих направлениях движения. Нагрузку следует прикладывать один раз для каждого направления в течение 10 мин.
А.3 Стационарный и бегущий такелаж
Съемные мачты и рангоут должны быть надежно соединены.
Минимальный диаметр шкотов - 8 мм.
Рулевой должен иметь возможность самостоятельно закреплять кливера и грот-шкоты.
А.4 Ходовые качества при плавании под парусом
А.4.1 Требование
Лодка типа VI должна быть способна пройти под парусом, следуя курсом, как показано в таблице А.1 и на рисунке А.3, без повреждений и неисправностей. Прохождение курсом от А до В подтверждает способность лодки идти под парусом против истинного ветра под углом по меньшей мере 60°, то есть к бую В нужно приблизиться с наветренной стороны не меняя галса.
А.1.1 Методика испытания
Испытание проводят в два этапа [а) и б)] с различными условиями (см. таблицу А.1).
Таблица А.1 - Испытание под парусом
|
Сила ветра |
Направление |
Необходимое число |
Условие загрузки |
|
|
а) |
6 |
Из А в B |
3 |
Один взрослый |
|
б) |
6 |
Из А в B |
3 |
Максимальная загрузка |
Размеры в метрах
1 - истинное направление ветра; 2 - буй В; 3 - буй A
Рисунок А.3 - Испытание под парусом
Общий вид стандартной лодки V типа

1 - информационная планка; 2
- мотор; 3 - страховочный трос мотора; 4 - транец;
5 - камера плавучести, включающая несколько отсеков плавучести; 6 -
воздушный клапан;
7 - подъемное/переносное устройство; 8 - топливный бак; 9
- разделительная перегородка (пример продольного сечения);
10 - уключина; 11 - предохранительные или спасательные леера;
12 - площадь кокпита; 13 - буксирное устройство; 14 -
брызгозащитный щиток;
15 - дистанционное рулевое управление; 16 - ручка; 17 -
весло;
18 - разделительная перегородка (пример поперечного сечения)
Рисунок В.1 -Лодка V типа
Ключевые слова: лодки надувные, требования, испытания