Меню
Навигация
Novatika
Первая линия
Бесплатное обучение

Лампы со встроенными пускорегулирующими аппаратами для общего освещения. Требования безопасности

Стандарт распространяется на трубчатые люминесцентные лампы со встроенными пускорегулирующими аппаратами и другие газоразрядные лампы с встроенными средствами для контроля зажигания и стабильной работы, предназначенные для бытового и аналогичного общего освещения, номинальной мощностью до 60 Вт включительно и номинальным напряжением от 100 до 250 В, и устанавливает требования безопасности и взаимозаменяемости ламп, а также методы испытаний.

Обозначение: ГОСТ Р 53881-2010
Название рус.: Лампы со встроенными пускорегулирующими аппаратами для общего освещения. Требования безопасности
Статус: отменен
Заменяет собой: ГОСТ Р МЭК 60968-99 «Лампы со встроенными пускорегулирующими аппаратами для общего освещения. Требования безопасности»
Дата актуализации текста: 05.05.2017
Дата добавления в базу: 01.09.2013
Дата введения в действие: 01.01.2014
Утвержден: 22.09.2010 Федеральное агентство по техническому регулированию и метрологии (263-ст)
Опубликован: Стандартинформ (2011 г. )
Ссылки для скачивания:

ФЕДЕРАЛЬНОЕ АГЕНТСТВО
ПО ТЕХНИЧЕСКОМУ РЕГУЛИРОВАНИЮ И МЕТРОЛОГИИ

НАЦИОНАЛЬНЫЙ
стандарт
российской
федерации

ГОСТ Р
53881
-2010

(МЭК 60968:1988)

ЛАМПЫ СО ВСТРОЕННЫМИ
ПУСКОРЕГУЛИРУЮЩИМИ АППАРАТАМИ
ДЛЯ ОБЩЕГО ОСВЕЩЕНИЯ

Требования безопасности

IEC 60968:1988

Self-ballasted lamps for general lighting services - Safety requirements

(MOD)

Москва

Стандартинформ

2011

Предисловие

Цели и принципы стандартизации в Российской Федерации установлены Федеральным законом от 27 декабря 2002 г. № 184-ФЗ «О техническом регулировании», а правила применения национальных стандартов Российской Федерации - ГОСТ Р 1.0-2004 «Стандартизация в Российской Федерации. Основные положения»

Сведения о стандарте

1 ПОДГОТОВЛЕН Государственным унитарным предприятием Республики Мордовия «Научно-исследовательский институт источников света имени А.Н. Лодыгина» (ГУП Республики Мордовия НИИИС им. А.Н. Лодыгина») на основе собственного аутентичного перевода на русский язык стандарта, указанного в пункте 4

2 ВНЕСЕН Техническим комитетом по стандартизации ТК 332 «Светотехнические изделия»

3 УТВЕРЖДЕН И ВВЕДЕН В ДЕЙСТВИЕ Приказом Федерального агентства по техническому регулированию и метрологии от 22 сентября 2010 г. № 263-ст

4 Настоящий стандарт является модифицированным по отношению к международному стандарту МЭК 60968:1988 «Лампы со встроенными пускорегулирующими аппаратами для общего освещения. Требования безопасности» с изменениями № 1:1991 и № 2:1999 (IEC 60968:1988 «Self-ballasted lamps for general lighting services - Safety requirements») путем внесения изменений, объяснение которых приведено во введении к настоящему стандарту

5 ВЗАМЕН ГОСТ Р 60968-99

Информация об изменениях к настоящему стандарту публикуется в ежегодно издаваемом информационном указателе «Национальные стандарты», а текст изменений и поправок - в ежемесячно издаваемых информационных указателях «Национальные стандарты». В случае пересмотра (замены) или отмены настоящего стандарта соответствующее уведомление будет опубликовано в ежемесячно издаваемом информационном указателе «Национальные стандарты». Соответствующая информация, уведомление и тексты размещаются также в информационной системе общего пользования - на официальном сайте Федерального агентства по техническому регулированию и метрологии в сети Интернет

Содержание

1 Область применения. 3

2 Нормативные ссылки. 3

3 Термины и определения. 3

4 Общие требования и методы испытаний. 4

5 Маркировка. 4

6 Взаимозаменяемость. 5

7 Защита от поражения электрическим током.. 5

8 Сопротивление и электрическая прочность изоляции после испытания на влажность. 6

9 Механическая прочность. 7

10 Превышение температуры цоколя. 7

11 Теплостойкость. 7

12 Нагревостойкость. 8

13 Аномальные условия. 9

14 Содержание ртути в лампах. 10

Приложение ДА (обязательное) Калибры для проверки взаимозаменяемости и размеров цоколей. 10

Приложение ДБ (обязательное) Стандартный испытательный палец. 13

Приложение ДВ (обязательное) Калибры для проверки защиты от случайного прикосновения. 14

Приложение ДГ (обязательное) Метод испытания на сопротивление крутящему моменту. 17

Приложение ДД (справочное) Сведения о соответствии ссылочных национальных и межгосударственных стандартов международным стандартам, использованным в качестве ссылочных в примененном международном стандарте. 19

Приложение ДЕ (справочное) Сопоставление структуры настоящего стандарта со структурой примененного в нем международного стандарта. 19

Введение

В настоящий стандарт включены дополнительные по отношению к международному стандарту МЭК 60968:1988 требования, отражающие потребности национальной экономики Российской Федерации, выделенные в тексте стандарта подчеркиванием сплошной горизонтальной линией.

В раздел 5 «Маркировка» для люминесцентных ламп низкого давления дополнительно включено требование по указанию количества ртути и числа циклов включений.

Масса ламп уменьшена с 1 кг до 0,2 кг.

Введены требования к пути утечки для ламп с цоколями B15d и B22d.

Информация из разделов 6 и 8 МЭК 60968:1988 перенесена в приложения ДБ «Стандартный испытательный палец» и ДГ «Метод испытания на сопротивление крутящему моменту» соответственно.

Дополнительно включены:

- приложения ДА «Калибры для проверки взаимозаменяемости и размеров цоколей» и ДВ «Калибры для проверки защиты от случайного прикосновения», заменяющие ссылки на международный стандарт МЭК 60061-3:1969, с изм. № 38:2007, не принятый в качестве национального стандарта;

- приложения ДД «Сведения о соответствии ссылочных национальных и межгосударственных стандартов международным стандартам, использованным в качестве ссылочных в примененном международном стандарте» и ДЕ «Сопоставление структуры настоящего стандарта со структурой примененного в нем международного стандарта».

ГОСТ Р 53881-2010

НАЦИОНАЛЬНЫЙ СТАНДАРТ РОССИЙСКОЙ ФЕДЕРАЦИИ

ЛАМПЫ СО ВСТРОЕННЫМИ ПУСКОРЕГУЛИРУЮЩИМИ
АППАРАТАМИ ДЛЯ ОБЩЕГО ОСВЕЩЕНИЯ

Требования безопасности

Self-ballasted lamps for general lighting services. Safety requirements

Дата введения - 2011-07-01

1 Область применения

Настоящий стандарт распространяется на трубчатые люминесцентные лампы со встроенными пускорегулирующими аппаратами (ПРА) и другие газоразрядные лампы со встроенными средствами для контроля зажигания и стабильной работы (далее - лампы), предназначенные для бытового и аналогичного общего освещения, номинальной мощностью до 60 Вт включительно и номинальным напряжением от 100 до 250 В и устанавливает требования безопасности и взаимозаменяемости ламп, а также методы испытаний.

2 Нормативные ссылки

В настоящем стандарте использованы нормативные ссылки на следующие стандарты:

ГОСТ Р 50470-93 (МЭК 360-87) Стандартный метод измерения превышения температуры на цоколе лампы

ГОСТ Р МЭК 60238-99 Патроны резьбовые для ламп

ГОСТ 15150-69 Машины, приборы и другие технические изделия. Исполнения для различных климатических районов. Категории, условия эксплуатации, хранения и транспортирования в части воздействия климатических факторов внешней среды

ГОСТ 27483-87 (МЭК 695-2-1-80) Испытания на пожароопасность. Методы испытаний. Испытания нагретой проволокой

ГОСТ 28108-89 Цоколи для источников света. Типы, основные и присоединительные размеры, калибры

Примечание - При пользовании настоящим стандартом целесообразно проверить действие ссылочных стандартов в информационной системе общего пользования - на официальном сайте Федерального агентства по техническому регулированию и метрологии в сети Интернет или по ежегодно издаваемому информационному указателю «Национальные стандарты», который опубликован по состоянию на 1 января текущего года, и по соответствующим ежемесячно издаваемым информационным указателям, опубликованным в текущем году. Если ссылочный стандарт заменен (изменен), то при пользовании настоящим стандартом следует руководствоваться заменяющим (измененным) стандартом. Если ссылочный стандарт отменен без замены, то положение, в котором дана ссылка на него, применяется в части, не затрагивающей эту ссылку.

3 Термины и определения

В настоящем стандарте применены следующие термины с соответствующими определениями:

3.1 лампа со встроенным пускорегулирующим аппаратом; ПРА (self-ballasted lamp): Лампа, в комплект которой входят цоколь, источник света и любые дополнительные элементы, необходимые для зажигания и стабильной работы.

3.2 тип (type): Совокупность ламп, имеющих одинаковые световые и электрические параметры независимо от типа цоколя.

3.3 новая лампа (new lamp): Лампа, на которую не подавалось напряжение с момента ее изготовления.

3.4 номинальное напряжение (rated voltage): Напряжение или диапазон напряжений, маркируемый на лампе.

3.5 номинальная мощность (rated wattage): Мощность, маркируемая на лампе.

3.6 номинальная частота (rated frequency): Частота, маркируемая на лампе.

3.7 превышение температуры цоколя; Dts (cap temperature rise): Превышение температуры на поверхности стандартного испытательного патрона, в который помещена лампа, над температурой окружающей среды, измеренное по стандартному методу в соответствии с ГОСТ Р 50470.

3.8 токопроводящая деталь (live part): Деталь, способная вызвать поражение электрическим током при правильном применении ламп.

3.9 испытание типа (type test): Испытание или серия испытаний, проводимых на выборке для испытания типа для проверки соответствия конструкции данного изделия требованиям настоящего стандарта.

3.10 выборка для испытания типа (type test sample): Выборка, состоящая из одной или нескольких ламп, представленная изготовителем или ответственным поставщиком для испытания.

4 Общие требования и методы испытаний

4.1 Лампы должны быть рассчитаны и сконструированы таким образом, чтобы они надежно работали в нормальных условиях эксплуатации и были безопасны для потребителя и окружающей среды.

Соответствие проверяют выполнением всех установленных настоящим стандартом испытаний.

4.2 Все испытания, если не указано иное, проводят при номинальных значениях напряжения и частоты, нормальных климатических условиях по ГОСТ 15150 в отсутствие сквозняков.

Если лампа маркирована диапазоном напряжений, то номинальное напряжение определяют как среднее значение маркированных напряжений.

4.3 Герметично запаянные лампы со встроенными ПРА не подлежат ремонту и вскрытию. В сомнительных случаях, возникающих при осмотре лампы и ее схемы, изготовитель или ответственный поставщик для испытания специально готовит лампы с имитацией дефектов в соответствии с разделом 13.

5 Маркировка

5.1 На лампы должна быть четко и прочно нанесена следующая информация:

1) товарный знак (в виде торговой марки или марки изготовителя или ответственного поставщика);

2) номинальное напряжение или диапазон напряжений «В» или «вольт»;

3) номинальная мощность «Вт» или «ватт»;

4) номинальная частота «Гц».

5.2 Кроме того, изготовитель должен указать на лампе, упаковке или в инструкции по эксплуатации:

1) ток лампы «А»;

2) положение лампы при эксплуатации, если оно ограничено;

3) массу лампы. Если масса значительно превышает массу заменяемой лампы, следует обратить внимание на то, что избыточная масса может ослабить механическую прочность некоторых светильников;

4) специальные условия или ограничения, которые необходимо соблюдать при работе лампы, например в схемах с регулятором силы света, реле времени, световыми датчиками. Если лампы не пригодны для работы в схемах с уменьшением силы света, то должен быть указан символ, приведенный на рисунке 1;

Рисунок 1

5) для люминесцентных ламп низкого давления должны быть указаны количество ртути, мг, содержащееся во внутреннем объеме колбы, и число циклов включения, которое гарантирует изготовитель.

5.3 Соответствие проверяют на новых лампах следующим образом:

1) наличие и четкость маркировки по 5.1 - внешним осмотром;

2) прочность маркировки - легким протиранием вручную в течение 15 с мягкой тканью, смоченной водой, после просушки - мягкой тканью, смоченной спиртом, еще в течение 15 с. После этого маркировка должна оставаться четкой;

3) наличие информации по 5.2 - внешним осмотром.

6 Взаимозаменяемость

6.1 Взаимозаменяемость ламп обеспечивают применением цоколей по ГОСТ 28108.

6.2 Соответствие проверяют калибрами для проверки размеров цоколей, обеспечивающих взаимозаменяемость, согласно таблице 1.

Калибры приведены в приложении ДА.

6.3 Лампы с цоколями B22d, B15d, Е14 и Е27 должны иметь массу не более 0,2 кг, если иное не указано изготовителем или ответственным поставщиком, и создавать изгибающий момент в патроне более 2 Н × м.

Соответствие проверяют измерением.

Таблица 1

Тип цоколя

Размеры цоколя, подлежащие проверке калибрами

Номер рисунка на калибр

B15d, B22d

Amin

63 ГОСТ 28108

Amax, D1max, Nmin

64 ГОСТ 28108

Допустимое отклонение размеров штифтов и их взаимного расположения на цоколе:

 

Установка в патрон

60 ГОСТ 28108

Крепление в патроне

61 ГОСТ 28108

Е14

Наибольшие размеры резьбы

ДА.1 приложения ДА

Наименьший основной диаметр резьбы

ДА.2 приложения ДА

Контактирование

ДА.3 приложения ДА

Е27

Наибольшие размеры резьбы

58 ГОСТ 28108

Наименьший основной диаметр резьбы цоколя

59 ГОСТ 28108

Контактирование

ДА.4 приложения ДА

7 Защита от поражения электрическим током

Лампы со встроенными ПРА должны быть сконструированы так, чтобы без дополнительной защиты на светильнике внутренние металлические или токоведущие металлические детали цоколя были недоступны для прикосновения при вставлении лампы в патрон по ГОСТ Р МЭК 60238.

Соответствие проверяют испытательным пальцем по приложению ДБ с усилием 10 Н.

Соответствие проверяют калибрами ДВ.1 для цоколей Е27 и ДВ.2 (приложение ДВ) для цоколей Е14.

На лампы с цоколями B15d и B22d распространяются те же требования, что и на лампы накаливания общего освещения с этими цоколями.

Наименьший путь утечки для цоколя соответствующего типа - по ГОСТ 28108.

Внешние металлические детали, кроме токоведущих металлических, не должны быть или становиться токопроводящими. Во время испытания любая подвижная токопроводящая деталь должна быть расположена в наиболее труднодоступном без применения инструмента положении.

Соответствие проверяют испытанием сопротивления и электрической прочности изоляции по разделу 8.

8 Сопротивление и электрическая прочность изоляции после испытания на влажность

Сопротивление и электрическая прочность изоляции между токоведущими металлическими и доступными для прикосновения деталями лампы должны быть достаточными.

8.1 Сопротивление изоляции

Лампы выдерживают в течение 48 ч в камере с относительной влажностью воздуха от 91 % до 95 % при температуре от 20 °С до 30 °С, отклонение значения температуры от заданного значения - не более 1 °С.

Измерение сопротивления изоляции проводят в камере влажности по истечении 1 мин после приложения постоянного напряжения около 500 В. Сопротивление изоляции между токоведущими металлическими деталями цоколя и доступными для прикосновения деталями лампы (доступные для прикосновения детали из изоляционного материала покрывают металлической фольгой) должно быть не менее 4 МОм.

Примечание - Сопротивление изоляции штифтовых цоколей между корпусом и контактами - в стадии рассмотрения.

8.2 Электрическая прочность

Сразу после измерения сопротивления изоляции вышеуказанные детали должны выдержать испытание напряжением переменного тока в течение 1 мин:

- для резьбовых цоколей напряжение прикладывают между доступными для прикосновения деталями и деталями резьбовых цоколей (если доступные для прикосновения детали изготовлены из изоляционного материала, то их покрывают металлической фольгой);

- для ламп высокого напряжения (HV) (220-250) В - 4000 В действующего значения;

- для ламп низкого напряжения (BV) (100-120) B - 2U+ 1000 В,

где U - номинальное напряжение.

Во время испытания центральный контакт и корпус цоколя замыкают накоротко.

Первоначально устанавливают не более половины указанного напряжения, затем его значение постепенно поднимают до полного значения.

Во время испытания не должно быть пробоя или разрушений. Измерения проводят в камере влажности.

Примечание - Расстояние между фольгой и токоведущими деталями - в стадии рассмотрения;

- для штифтовых цоколей напряжение прикладывают между корпусом и контактами (в стадии рассмотрения).

9 Механическая прочность

Сопротивление крутящему моменту

Конструкция цоколя должна обеспечивать прочное крепление его к колбе или той части лампы, которую используют для ввинчивания или вывинчивания лампы из патрона, в течение всего срока эксплуатации.

При приложении крутящего момента в соответствии с таблицей 2 при испытании по ДГ.1.1 (приложение ДГ) цоколь и колба лампы должны находиться на одной оси.

Таблица 2

Тип цоколя

Значение крутящего момента, Н × м

Е14, B15d

1,15

B22d, Е27

3

Испытание проводят с помощью испытательных патронов, приведенных на рисунках ДГ.1 и ДГ.2 (приложение ДГ).

Крутящий момент прикладывают плавно с постепенным возрастанием его значения от нуля до указанного значения.

В случае применения цоколей без мастики допускается относительное смещение цоколя от колбы не более 10°.

После испытания на механическую прочность образец должен удовлетворять требованиям раздела 7.

10 Превышение температуры цоколя

Значение превышения температуры цоколя лампы во время разгорания, стабилизации и после нее не должно превышать значений, приведенных в таблице 3. Измерения - по ГОСТ Р 50470.

Таблица 3

Тип цоколя

Среднее значение Dts, К, не более

B22d

125

B15d

120

Е14

120

Е27

120

Измерение проводят при номинальном напряжении. Если лампа маркирована диапазоном напряжений, то измерение проводят при среднем значении маркируемых напряжений при условии, что крайние значения диапазона напряжений не отличаются от среднего значения более чем на 2,5 %. Для ламп с более широким диапазоном напряжений измерения проводят при наибольшем значении из диапазона.

11 Теплостойкость

Внешние части из изоляционного материала, обеспечивающие защиту от поражения электрическим током, и детали из изоляционного материала, поддерживающие токоведущие детали, должны быть теплостойкими.

Соответствие проверяют вдавливанием в эти детали шарика с помощью прибора, приведенного на рисунке 2.

1 - образец; 2 - опора; 3 - сферический радиус R = 2,5 мм

Рисунок 2 - Прибор для испытания давления шариком

Образцы испытывают в камере тепла при температуре, значение которой на (25 ± 5) °С выше значения превышения температуры соответствующей части, полученного при измерении в соответствии с разделом 10, но не менее 125 °С для деталей, поддерживающих токоведущие части, и 80 °С* - для других деталей. Поверхность испытуемой детали устанавливают в горизонтальном положении и в нее вдавливают стальной шарик диаметром 5 мм с силой 20 Н.

До начала испытания испытательный прибор и опору помещают в камеру тепла на такое время, чтобы была достигнута стабильная испытательная температура.

_____________

* В стадии рассмотрения.

До приложения испытательной нагрузки испытуемую деталь помещают на 10 мин в камеру тепла.

Если поверхность при испытании прогибается, то в месте вдавливания шарика она должна иметь опору. Если для этой цели невозможно провести испытание на целом образце, то от него отделяют соответствующую часть. Образец должен быть толщиной не менее 2,5 мм, в противном случае складывают вместе два или более образца.

Через 1 ч шарик удаляют и образец погружают на Юсе холодную воду для охлаждения приблизительно до комнатной температуры. Измеряют диаметр вмятины, который не должен превышать 2 мм.

Примечание - У искривленных поверхностей измеряют кратчайшую ось, если вмятина эллиптической формы.

При сомнении измеряют глубину вмятины r, а диаметр d рассчитывают по формуле

где r - глубина вмятины.

Испытание не проводят на стеклянных деталях или деталях, изготовленных из керамического материала.

12 Нагревостойкость

Детали из изоляционного материала, поддерживающие токоведущие части, и внешние части из изоляционного материала, обеспечивающие защиту от поражения электрическим током, испытывают раскаленной проволокой в соответствии с ГОСТ 27483:

- за испытуемый образец принимают готовую лампу. Если потребуется удалить некоторые детали лампы для проведения испытания, то при этом необходимо обеспечить условия испытания, близкие к условиям эксплуатации;

- образец устанавливают на стенде вертикально и прижимают к концу раскаленной проволоки с силой 1 Н, предпочтительно на расстоянии не менее 15 мм от верхнего края образца. Глубину проникновения раскаленной проволоки в образец ограничивают до 7 мм.

Если такое испытание невозможно провести на образце из-за его малых размеров, то испытание проводят на отдельном образце из такого же материала площадью 30 × 30 мм и толщиной, равной наименьшей толщине образца;

- температура конца раскаленной никель-хромовой проволоки 650 °С. Через 30 с конец проволоки удаляют из образца.

Перед испытанием температура раскаленной проволоки и ток, проходящий через нее, должны быть стабильны в течение 1 мин. Необходимо, чтобы термоизлучение проволоки в это время не влияло на образец. Температуру конца раскаленной проволоки измеряют термоэлектрическим преобразователем с экранированной тонкой проволокой, сконструированным и калиброванным по ГОСТ 27483;

- воспламенение или тление образца должно прекратиться через 30 с после удаления раскаленной проволоки, а горящие или расплавленные капли не должны воспламенять пятислойную папиросную бумагу, расположенную горизонтально под образцом на расстоянии (200 ± 5) мм.

Примечание - Испытание не проводят на стеклянных деталях или деталях, изготовленных из керамического материала.

13 Аномальные условия

Лампы должны быть безопасными при возникновении дефектов, возможных при эксплуатации.

Испытания проводят на отдельной выборке образцов. Испытывают поочередно образцы ламп с приведенными ниже дефектами, а также возможными другими. Лампы испытывают по каждому дефекту отдельно:

a) в стартерной схеме стартер накоротко замкнут;

b) короткое замыкание через конденсатор;

c) лампа не зажигается из-за разрушения одного из контактов;

d) лампа не зажигается, хотя контакт и не разрушен (деактивированная лампа);

e) лампа работает, но один из контактов деактивирован или разрушен (эффект выпрямления);

f) обрыв или замыкание в других частях цепи, когда может быть нарушена безопасность.

Изготовитель или ответственный поставщик должен представить специально подготовленную

лампу с соответствующими дефектами, с возможным ее включением внешним выключателем.

Компоненты, в которых не происходит короткого замыкания, не должны закорачиваться. Аналогичным образом компоненты, в которых не может произойти размыкание цепи, не должны выключаться.

Изготовитель или ответственный поставщик обязан подтвердить, что компоненты отвечают требованиям безопасности соответствующего стандарта.

Испытания по дефектам а), b) или f) проводят после работы образца при комнатной температуре окружающей среды с приложением от 90 % до 110 % номинального напряжения или, в случае диапазона напряжений, от 90 % до 110 % среднего значения этого диапазона до достижения стабильных условий.

Имитацию дефектов с), d) или е) осуществляют до начала испытания при тех же условиях испытаний.

Образец испытывают в течение 8 ч. При испытании не должно быть появления огня, возникновения воспламеняемых газов, а находящиеся под напряжением детали не должны становиться доступными.

Проверку воспламеняемости выделяемых из компонентов газов проводят с помощью высокочастотного искрового генератора.

Проверку возможной доступности для прикосновения токоведущих деталей проводят в соответствии с разделом 7. Сопротивление изоляции по 8.1 проверяют напряжением около 1000 В постоянного тока.

14 Содержание ртути в лампах

Содержание ртути в разрядных лампах низкого давления не должно превышать 5 мг.

Метод определения устанавливают в технических условиях на лампы конкретных типов.

Приложение ДА
(обязательное)

Калибры для проверки взаимозаменяемости и размеров цоколей

(Настоящее приложение заменяет ссылку на международный стандарт МЭК 60061-3:1969 с изменением № 38:2007, не принятый в качестве национального.)

Проходной калибр для цоколей Е14 на готовых лампах показан на рисунке ДА.1.

1 - поверхность X; 2 - деталь резьбы (правая резьба)

Рисунок ДА.1

Рисунок приведен только для иллюстрации основных размеров калибра.

Острая часть кромки резьбы должна быть скруглена радиусом от 0,2 до 0,3 мм.

Назначение - для проверки наибольших размеров резьбы и минимального размера Т цоколей Е14 на готовых лампах.

Проверка - при полностью ввернутом в калибр цоколе на готовой лампе центральный контакт должен совпадать с поверхностью X или выступать над ней. Обозначения, размеры и предельные отклонения размеров калибра приведены в таблице ДА.1.

Таблица ДА.1

Размеры в миллиметрах

Обозначение

Размер

Предельное отклонение

Значение размера после износа

Р

2,822

-

d

13,890

+ 0,03

13,93

D1

12,290

-0,00

12,33

L

9,500

+ 0,10

-0,10

-

О

15,000

± 0,20

r

0,822

-

V

12,500

± 0,10

W

2,000

T

16,000

+ 0,00

-0,03

Непроходной калибр для цоколей Е14 на готовых лампах показан на рисунке ДА.2.

1 - поверхность X

Рисунок ДА.2

Рисунок приведен только для иллюстрации основных размеров калибра.

Назначение - для проверки наименьшего внешнего диаметра (размер d) цоколей Е14 на готовых лампах. Проверка - при помещении калибра на резьбу готовой лампы, расположенной цоколем вверх, центральный контакт не должен выступать над поверхностью X. При этой проверке используют только собственную массу калибра. Обозначения, размеры и предельные отклонения размеров калибра приведены в таблице ДА.2.

Таблица ДА.2

Размеры в миллиметрах

Обозначение

Размер

Предельное отклонение

L

9,50

± 0,10

U

1,00

+ 0,00

-0,10

V

12,00

+ 0,05

-0,00

W

1,50

± 0,10

d

13,60

+ 0,00

-0,01

α

Около 45°

Масса

0,100 кг

± 10%

Калибр для цоколей Е14 на готовых лампах показан на рисунке ДА.3.

Рисунок ДА.3

Рисунок приведен только для иллюстрации основных размеров калибра.

Калибр показан в испытательном положении. В нерабочем состоянии плунжер должен быть выше плоскости V.

Назначение - для проверки размеров цоколей Е14, обеспечивающих контакт в патронах, на готовых лампах.

Проверка - форму лампы относительно крепления в патроне считают правильной, если лампа может быть вставлена в калибр до тех пор, пока плоскость W не достигнет плоскости V или не выступит над ней.

Обозначения, размеры и предельные отклонения размеров калибра приведены в таблице ДА.3.

Таблица ДА.3

Размеры в миллиметрах

Обозначение

Размер

Предельное отклонение

D

13,97

+0,0

-0,02

G

22

Н

7,5

+0,1

-0,1

J

29

+0,0

-0,02

М

20,02

+0,02

-0,0

N

27,15

О

30,65

+0,01

-0,0

Т

16

+0,03

-0,0

Калибр для цоколей Е27 на готовых лампах показан на рисунке ДА.4.

Рисунок ДА.4

Рисунок приведен только для иллюстрации основных размеров калибра.

Калибр показан в испытательном положении. В бездействующем состоянии плунжер должен быть выше плоскости V.

Назначение - для проверки размеров цоколей Е27, обеспечивающих контакт в патронах, на готовых лампах.

Проверка - форму лампы относительно крепления в патроне считают правильной, если лампа может быть вставлена в калибр до тех пор, пока плоскость W не достигнет плоскости V.

Обозначения, размеры и предельные отклонения размеров калибра приведены в таблице ДА.4.

Таблица ДА.4

Размеры в миллиметрах

Обозначение

Размер

Предельное отклонение

D

26,55

+0,00

-0,02

F

27,10

G

34,00

Н

14,00

+0,10

-0,10

J

53,00

+0,00

-0,03

М

25,00

+ 0,02

-0,00

N

28,30

О

37,80

Р

2,00

+0,10

-0,10

Т

21,50

+0,02

-0,00

Приложение ДБ
(обязательное)

Стандартный испытательный палец

Стандартный испытательный палец приведен на рисунке ДБ.1. Допуски, не указанные на рисунке, приведены в таблице ДБ.1.

Рисунок ДБ.1

Таблица ДБ.1

Размеры в миллиметрах

Наименование размера

Допуски

На углы

 

-10°

На линейные размеры:

 

- до 25 включ.

0

 

-0,05

- св. 25

±0,2

Материал пальца: например, закаленная сталь.

Оба соединения пальца могут быть согнуты под углом , но только в одном направлении.

Использование штифта и выемки - один из возможных вариантов по ограничению угла изгиба в 90°. По этой причине размеры и допуски этих деталей на рисунке не приводят. Реальная конструкция должна обеспечивать угол изгиба 90° с допуском от 0° до + 10°.

Приложение ДВ
(обязательное)

Калибры для проверки защиты от случайного прикосновения

(Настоящее приложение заменяет ссылку на международный стандарт МЭК 60061-3:1969 с изменением № 38:2007, не принятый в качестве национального.)

Калибр для проверки защиты от случайного прикосновения для цоколей Е14 показан на рисунке ДВ.1.

1 - поверхность W; 2 - поверхность V

Рисунок ДВ.1

Рисунок приведен только для иллюстрации основных размеров калибра.

Калибр показан в испытательном положении. В нерабочем положении поверхность плунжера W должна быть выше плоскости корпуса калибра V.

Назначение - для проверки защиты от случайного прикосновения.

Проверка - форму лампы относительно защиты от случайного прикосновения считают правильной, если при ввернутом в калибр до упора цоколе лампы плоскость W не будет выступать над плоскостью V.

Этот калибр применяют для ламп со свечеобразными, шаровыми и бытовыми трубчатыми колбами.

Обозначения, размеры и предельные отклонения размеров калибра приведены в таблице ДВ.1.

Таблица ДВ.1

Размеры в миллиметрах

Обозначение

Размер

Предельное отклонение

D

13,97

+0,02

-0,00

F

18,10

+0,05

-0,00

G

19,00

+0,02

-0,00

Н

7,50

±0,10

М

27,50

±0,10

N

28,50

+0,00

-0,02

Р

10,00

±0,10

Q

15,00

+0,00

-0,10

R

Около 12,5

U

8

±0,10

r

< 0,5

r1

2,50

+0,50

-0,00

α

35°

±30'

Калибр для проверки защиты от случайного прикосновения для цоколей Е27 показан на рисунке ДВ.2.

1 - поверхность W; 2 - поверхность V; 3 - для припоя

Рисунок ДВ.2

Рисунок приведен только для иллюстрации основных размеров калибра.

Калибр показан в испытательном положении. В нерабочем положении поверхность W должна быть глубже поверхности V.

Назначение - для проверки защиты от случайного прикосновения.

Проверка - расположение лампы считают правильным, если при ввернутом до упора в калибр цоколе лампы поверхность W не выступает над поверхностью V.

Обозначения, размеры и предельные отклонения размеров калибра приведены в таблице ДВ.2.

Таблица ДВ.2

Размеры в миллиметрах

Обозначение

Размер

Предельное отклонение

D

26,55

+0,00

-0,02

F

27,20

+0,05

-0,00

G

32,00

+0,02

-0,00

L

14,00

+0,10

J

36,00

+0,02

-0,00

К

28,40

+ 0,00

-0,02

M

30,80

N

32,00

О

34,00

+0,00

-0,20

Р

6,00

 

Q

3,00

±0,10

U

10,00

 

r

2,50

+0,50

-0,00

Приложение ДГ
(обязательное)

Метод испытания на сопротивление крутящему моменту

ДГ.1 Сопротивление крутящему моменту (начальные значения)

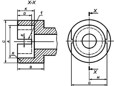
Патрон для испытания на сопротивление крутящему моменту ламп со штифтовыми цоколями приведен на рисунке ДГ.1, ламп с резьбовыми цоколями - на рисунке ДГ.2.

ДГ.1.1 Обозначения размеров патронов для испытания на сопротивление крутящему моменту показаны на рисунке ДГ.1 для цоколей B15d и B22d, на рисунке ДГ.2 - для цоколей Е14 и Е27.

Рисунок ДГ.1

Рисунок приведен только для иллюстрации основных размеров патрона, которые необходимо проверять, если при испытаниях возникают сомнения.

Обозначения, размеры и предельные отклонения размеров патрона приведены в таблице ДГ.1.

Таблица ДГ.1

Размеры в миллиметрах

Обозначение размера

Номинальный размер патрона для цоколя типа

Предельное отклонение

B15d

B22d

А

15,27

22,27

+0,03

В

19,0 min

-

С

21,0 min

28,0 min

D

9,5 min

Е

3,0

+0,17

G

18,3

24,6

±0,3

Н

9,0 min

12,15 min

-

К

12,7

±0,3

R

-1,5

-

Рисунок ДГ.2

Рисунок приведен только для иллюстрации основных размеров патрона, которые необходимо проверять, если при испытаниях возникают сомнения.

Обозначения, размеры и предельные отклонения размеров патрона приведены в таблице ДГ.2.

Таблица ДГ.2

Размеры в миллиметрах

Обозначение размера

Номинальный размер патрона для цоколей

Предельное отклонение

Е14

Е27

К

11,500

11,000

0

-0,3

О

12,000

23,000

±0,1

S

7,000

12,000 min

-

d

13,890

26,450

+0,1

d1

12,290

24,260

-

Р

2,822

3,629

r

0,822

1,025

Примечание - Шероховатость поверхности резьбы Raне менее 0,4 мкм. Более гладкая поверхность вызовет механическую перегрузку цоколя (ДГ.1.2).

ДГ.1.2 Перед каждым применением испытательный патрон для резьбовых цоколей должен быть полностью очищен от смазки.

ДГ.1.3 Цоколь испытуемой лампы должен быть установлен в соответствующий патрон. Допускается механическое крепление цоколя или колбы.

ДГ.1.4 Крутящий момент прикладывают плавно к соответствующей части лампы, значения которого устанавливают по таблице ДГ.2.

Приложение ДД
(справочное)

Сведения о соответствии ссылочных национальных и межгосударственных
стандартов международным стандартам, использованным в качестве
ссылочных в примененном международном стандарте

Таблица ДД.1

Обозначение ссылочного

национального,

межгосударственного

стандарта

Степень соответствия

Обозначение и наименование ссылочного международного стандарта

ГОСТ Р 50470-93

(МЭК 360-87)

MOD

МЭК 60360:1987 «Стандартный метод измерения превышения температуры на цоколе лампы»

ГОСТ Р МЭК 60238-99

IDT

60238:1982 «Патроны резьбовые»

ГОСТ 27483-87

(МЭК 695-2-1-80)

MOD

60695-2-1:1980 «Испытание на пожароопасность. Часть 2. Методы испытания. Испытание нагретой проволокой и руководство»

ГОСТ 28108-89

NEQ

МЭК 60061-1:1969 «Цоколи и патроны ламп, а также калибры для проверки их взаимозаменяемости и безопасности. Часть 1. Цоколи»

МЭК 60061-3:1969 «Цоколи и патроны ламп, а также калибры для проверки их взаимозаменяемости и безопасности. Часть 3. Калибры»

Примечание - В настоящей таблице использованы следующие условные обозначения степени соответствия стандартов:

- IDT - идентичные стандарты;

- MOD - модифицированные стандарты;

- NEQ - неэквивалентные стандарты.

Приложение ДЕ
(справочное)

Сопоставление структуры настоящего стандарта со структурой примененного
в нем международного стандарта

Таблица ДЕ.1

Структура настоящего стандарта

Структура международного стандарта МЭК 60968:1988

Разделы 1

Разделы 1

2

-

3

2

4

3

5

4

6

5

7

6

8

7

9

8

10

9

11

10

12

11

13

12

14

-

Приложения

-

ДА

 

ДБ

 

ДВ

 

ДГ

 

ДД

 

ДЕ

 

 

Ключевые слова: лампы люминесцентные, встроенный ПРА, общее освещение, требования безопасности