Меню
Навигация
Novatika
Бесплатное обучение
Первая линия

Рельсы крановые. Технические условия

Стандарт распространяется на крановые рельсы типов КР70, КР80, КР100, КР120, и КР140, предназначенные для путей грузоподъемных кранов.

Обозначение: ГОСТ Р 53866-2010
Название рус.: Рельсы крановые. Технические условия
Статус: введен впервые
Дата актуализации текста: 05.05.2017
Дата добавления в базу: 01.09.2013
Дата введения в действие: 01.04.2011
Утвержден: 13.09.2010 Федеральное агентство по техническому регулированию и метрологии (243-ст)
Опубликован: Стандартинформ (2011 г. )
Ссылки для скачивания:

ФЕДЕРАЛЬНОЕ АГЕНТСТВО
ПО ТЕХНИЧЕСКОМУ РЕГУЛИРОВАНИЮ И МЕТРОЛОГИИ

НАЦИОНАЛЬНЫЙ
СТАНДАРТ
РОССИЙСКОЙ
ФЕДЕРАЦИИ

ГОСТ Р
53866-2010

РЕЛЬСЫ КРАНОВЫЕ

Технические условия

Москва
Стандартинформ
2011

Предисловие

Цели и принципы стандартизации в Российской Федерации установлены Федеральным законом от 27 декабря 2002 г. № 184-ФЗ «О техническом регулировании», а правила применения национальных стандартов Российской Федерации - ГОСТ Р 1.0-2004 «Стандартизация в Российской Федерации. Основные положения»

Сведения о стандарте

1 РАЗРАБОТАН Открытым акционерным обществом «Уральский институт металлов» (ОАО «УИМ»)

2 ВНЕСЕН Техническим комитетом по стандартизации ТК 367 «Чугун, прокат и металлоизделия»

3 УТВЕРЖДЕН И ВВЕДЕН В ДЕЙСТВИЕ Приказом Федерального агентства по техническому регулированию и метрологии от 13 сентября 2010 г. № 243-ст

4 ВВЕДЕН ВПЕРВЫЕ

Информация об изменениях к настоящему стандарту публикуется в ежегодно издаваемом информационном указателе «Национальные стандарты», а текст изменений и поправок - в ежемесячно издаваемых информационных указателях «Национальные стандарты». В случае пересмотра (замены) или отмены настоящего стандарта соответствующее уведомление будет опубликовано в ежемесячно издаваемом информационном указателе «Национальные стандарты». Соответствующая информация, уведомление и тексты размещаются также в информационной системе общего пользования - на официальном сайте Федерального агентства по техническому регулированию и метрологии в сети Интернет

ГОСТ Р 53866-2010

НАЦИОНАЛЬНЫЙ СТАНДАРТ РОССИЙСКОЙ ФЕДЕРАЦИИ

РЕЛЬСЫ КРАНОВЫЕ

Технические условия

Crane rails. Specifications

Дата введения -2011-04-01

1 Область применения

Настоящий стандарт распространяется на крановые рельсы (далее - рельсы) типов КР70, КР80, КР100, КР120 и КР140, предназначенные для путей грузоподъемных кранов.

2 Нормативные ссылки

В настоящем стандарте использованы нормативные ссылки на следующие стандарты:

ГОСТ Р 8.563-2009 Государственная система обеспечения единства измерений. Методики (методы)измерений

ГОСТ Р 51685-2000 Рельсы железнодорожные. Общие технические условия

ГОСТ 1497-84 (ИСО 6892-84) Металлы. Методы испытаний на растяжение

ГОСТ 7502-98 Рулетки измерительные металлические. Технические условия

ГОСТ 7565-81 (ИСО 377-2-89) Чугун, сталь и сплавы. Метод отбора проб для определения химического состава

ГОСТ 7566-94 Металлопродукция. Приемка, маркировка, транспортирование и хранение

ГОСТ 9012-59 (ИСО 410-82, ИСО 6506-81) Металлы. Метод измерения твердости по Бринеллю

ГОСТ 18895-97 Сталь. Метод фотоэлектрического спектрального анализа

ГОСТ 22536.0-87 Сталь углеродистая и чугун нелегированный. Общие требования к методам анализа

ГОСТ 22536.1-88 Сталь углеродистая и чугун нелегированный. Методы определения общего углерода и графита

ГОСТ 22536.2-87 Сталь углеродистая и чугун нелегированный. Методы определения серы

ГОСТ 22536.3-88 Сталь углеродистая и чугун нелегированный. Методы определения фосфора

ГОСТ 22536.4-88 Сталь углеродистая и чугун нелегированный. Методы определения кремния

ГОСТ 22536.5-87 (ИСО 629-82) Сталь углеродистая и чугун нелегированный. Методы определения марганца

ГОСТ 22536.7-88 Сталь углеродистая и чугун нелегированный. Методы определения хрома

ГОСТ 22536.8-87 Сталь углеродистая и чугун нелегированный. Методы определения меди

ГОСТ 22536.9-88 Сталь углеродистая и чугун нелегированный. Методы определения никеля

Примечание - При пользовании настоящим стандартом целесообразно проверить действие ссылочных стандартов в информационной системе общего пользования - на официальном сайте Федерального агентства по техническому регулированию и метрологии в сети Интернет или по ежегодно издаваемому информационному указателю «Национальные стандарты», который опубликован по состоянию на 1 января текущего года, и по соответствующим ежемесячно издаваемым информационным указателям, опубликованным в текущем году. Если ссылочный стандарт заменен (изменен), то при пользовании настоящим стандартом следует руководствоваться заменяющим (измененным) стандартом. Если ссылочный стандарт отменен без замены, то положение, в котором дана ссылка на него, применяется в части, не затрагивающей эту ссылку.

3 Классификация

3.1 Крановые рельсы подразделяют:

на типы (по ширине головки):

- КР70;

- КР80;

- КР100;

- КР120;

- КР140;

по точности прокатки профиля:

- Б - повышенной;

- В - обычной.

4 Основные параметры и размеры

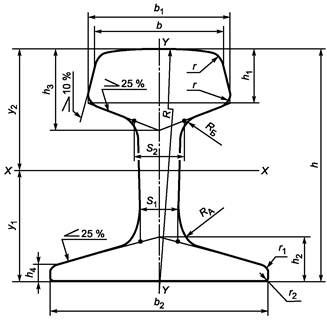
4.1 Форма и основные размеры поперечного сечения рельсов должны соответствовать приведенным на рисунках 1 и 2 и в таблице 1. Допускается изготовление рельсов других размеров и формы по чертежам, согласованным в установленном порядке.

4.2 Площадь поперечного сечения, справочные значения величин для осей и масса 1 м рельса приведены в таблице 2.

Рисунок 1 - Поперечное сечение рельсов типа КР70

Рисунок 2 - Поперечное сечение рельсов типов КР80, КР100, КР120 и КР140

Таблица 1 - Размеры поперечного сечения рельсов

В миллиметрах

Тип рельса

b

b1

b2

S

S1

S2

КР70

70,0

75,6

120,0

-

21,0

23,0

КР80

80,0

87,0

130,0

32,0

-

-

КР100

100,0

108,0

150,0

38,0

-

-

КР120

120,0

129,0

170,0

44,0

-

-

КР140

140,0

150,0

170,0

60,0

-

-

Окончание таблицы 1

В миллиметрах

Тип рельса

h

h

h2

h3

h4

R

ra

RБ

r

r1

r2

КР70

120,0

28,0

24,0

37,45

9,00

400,0

25,0

25,0

6

6

1,5

КР80

130,0

35,0

26,0

-

9,75

400,0

26,0

44,0

8

6

1,5

КР100

150,0

40,0

30,0

-

11,25

450,0

30,0

50,0

8

8

2

КР120

170,0

45,0

35,0

-

13,75

500,0

34,0

56,0

8

8

2

КР140

170,0

50,0

40,0

-

18,75

700,0

40,0

60,0

10

10

3

Примечания

1 На рельсах КР120 и КР140 допускается увеличение радиуса г до 20 мм.

2 Допускается уменьшение размеров h1 и h2 на 2 % при нарезке калибров на валках.

Таблица 2 - Справочные значения величин для осей

Тип рельса

Площадь поперечного сечения, см2

Справочное значение величины для осей Х-Х и Y-Y

Расстояние до центра тяжести, см

Момент инерции, см4

Y1

Y2

Ix

Iy

Ip

КР70

60,47

5,74

6,26

1055,67

272,59

1328,26

КР80

81,84

6,47

6,53

1523,69

468,55

1992,24

КР100

113,44

7,63

7,37

2805,88

919,52

3725,40

КР120

150,69

8,69

8,31

4794,22

1671,96

6466,18

КР140

187,24

8,75

8,25

5528,27

2608,71

8136,98

Окончание таблицы 2

Тип рельса

Справочное значение величины для осей Х-Х и Y-Y

Масса 1 м рельса, кг

Момент сопротивления, см4

W1 = Ix/Y1

W2 = Ix/Y2

W3 = Iy/0,5b2

Wp

КР70

183,91

168,64

45,43

166,03

47,47

КР80

233,37

233,34

72,08

218,71

64,24

КР100

367,86

380,72

122,66

350,92

89,05

КР120

551,69

576,92

196,70

535,59

118,29

КР140

632,07

670,09

306,91

673,89

146,98

Примечание - Площадь поперечного сечения и справочные величины вычислены по номинальным размерам. При расчете массы 1 м рельса плотность стали принята равной 7850 кг/м3.

4.3 Рельсы в соответствии с заказом изготовляют длиной:

- мерной -9,0; 9,5; 10,0; 10,5; 11,0; 11,5и 12,0м;

- немерной - от4,0до 12,0 м.

По согласованию сторон рельсы изготовляют другой длины.

4.4 Предельные отклонения по размерам рельсов не должны превышать установленные в таблице 3.

Размеры, для которых не указаны предельные отклонения, даны для построения калибров и контролируются при изготовлении прокатных валков.

Таблица 3

В миллиметрах

Тип рельса

Предельное отклонение при точности прокатки

по высоте рельса h

по ширине подошвы b2

по ширине головки b

по толщине шейки S

подлине мерного рельса

Б

В

Б

В

КР7

КР80

КР100

± 0,8

± 1,0

± 1,0

- 2,5

± 1,0

- 3,0

± 1,0

- 2,0

± 1,0

- 1,5

± 50

КР120

КР140

± 1,2

± 1,0

- 3,0

± 1,0

- 3,5

± 1,0 -2,5

± 1,2

- 1,7

4.5 Отклонение поперечного сечения рельса от симметричности относительно вертикальной оси не должно превышать 0,6 мм в головке и 2,0 мм в подошве.

4.6 Рельсы изготовляют без болтовых отверстий. По согласованию изготовителя с потребителем рельсы изготовляют с болтовыми отверстиями на одном или обоих концах. Расположение и размеры болтовых отверстий устанавливают по требованию потребителя.

4.7 Общая кривизна рельса не должна превышать, % от длины рельса:

- 0,08 - в горизонтальной плоскости;

- 0,06 - в вертикальной плоскости.

4.8 Местные отклонения рельса от прямолинейности не должны превышать 1,5 мм на базовой длине 1,0 м.

4.9 Отклонение концов рельсов от прямолинейности в горизонтальной и вертикальной плоскостях не должно превышать 2,0 мм на базовой длине 1,0 м.

4.10 Скручивание рельса не должно превышать 1,5 мм.

4.11 Вогнутость подошвы рельсов не допускается. Общая выпуклость подошвы и выпуклость в средней части подошвы, равной ширине головки, не должны превышать значений, указанных в таблице 4.

Таблица 4

В миллиметрах

Тип рельса

Общая выпуклость

Выпуклость в средней части подошвы

не более

КР70

1,25

0,50

КР80

1,50

0,60

КР100

1,75

0,80

КР120

2,00

0,90

КР140

2,50

1,00

4.12 Концы рельсов должны быть ровно обрезаны. Косина торцов не должна превышать 5 мм. На торцах рельсов не допускаются заусенцы размером более 4 мм.

Примеры условных обозначений рельсов:

Рельс крановый типа КР100, повышенной точности прокатки Б, мерной длины 12,0 м, по ГОСТ Р 53866-2010:

Рельс КР100-Б-12,0-ГОСТ Р 53866-2010

Тоже, обычной точности прокатки В, немерной длины, по ГОСТ Р 53866-2010:

Рельс КР100-В-ГОСТ Р 53866-2010

5 Технические требования

5.1 Рельсы изготовляют в соответствии с требованиями настоящего стандарта по технологическому регламенту, утвержденному в установленном порядке.

5.2 Рельсы изготовляют из углеродистой стали марки 63, химический состав которой по ковшевой пробе должен соответствовать указанному в таблице 5.

Таблица 5

Массовая доля элементов, %

Углерод

Марганец

Кремний

Сера

Фосфор

Хром

Никель

Медь

не более

0,53-0,73

0,60-1,00

0,15-0,35

0,035

0,040

0,30

0,30

0,30

Допускается изготовление рельсов из стали марок по ГОСТ Р 51685.

5.3 Предельные отклонения по массовой доле элементов в готовых рельсах от норм, указанных в таблице 5, не должны превышать, %:

углерод

-

+ 0,03

- 0,02

марганец

-

± 0,03;

кремний

-

+ 0,03

- 0,02

Фосфор

-

+ 0,005

сера

-

+ 0,005

Предельные отклонения по массовой доле хрома, никеля и меди в готовых рельсах от норм, указанных в таблице 5, не нормируются.

5.4 Механические свойства рельсов и твердость на их поверхности катания должны соответствовать указанным в таблице 6.

Таблица 6

Временное сопротивление sB,
Н/мм2 (кгс/мм2)

Предел текучести s02,
Н/мм2 (кгс/мм2)

Относительное удлинение d5,
%

Твердость НВ

не менее

730 (74)

370 (38)

6,0

212

5.5 На поверхности рельсов не допускаются трещины, закаты, прокатные плены, рванины и раскатанные загрязнения. Допускается удаление дефектов пологой продольной вырубкой или зачисткой, если глубина их залегания не превышает:

- для рельсов типов КР70 и КР80 - 1,5 мм, а в средней трети ширины подошвы - 0,7 мм;

- для рельсов типов КР100, КР120 и КР140-2,0 мм, а в средней трети ширины подошвы - 1,0 мм.

Поперечная вырубка и заварка дефектов не допускаются.

5.6 На поверхности рельсов допускаются раскатанные пузыри, риски, вмятины и рябизна, если глубина их залегания не превышает половины допусков, установленных в 5.5.

5.7 На торцах рельсов не допускаются следы усадочной раковины, расслоения и трещины.

5.8 Флокены в рельсах не допускаются.

5.9 Маркировка и упаковка

5.9.1 На шейке каждого рельса в горячем состоянии при прокатке рельса наносят выпуклую маркировку, содержащую:

- условное обозначение предприятия-изготовителя;

- тип рельса;

- две последние цифры года изготовления рельсов;

- обозначение направления прокатки стрелкой (острие стрелки указывает на передний по ходу прокатки конец рельса).

5.9.2 На шейке каждого рельса на той же стороне, где нанесены выпуклые маркировочные знаки, в горячем состоянии клеймением наносят номер плавки.

(Поправка).

5.9.3 На торец каждого рельса в холодном состоянии клеймением наносят:

- номер плавки - на подошве;

- приемочное клеймо, подтверждающее приемку продукции службой технического контроля предприятия-изготовителя, - на головке.

5.9.4 Рельсы дополнительно маркируют несмываемой белой краской путем обводки приемочного клейма по контуру торца головки рельса.

5.9.5 По требованию потребителя крановые рельсы упаковывают в пачки с обвязкой по ГОСТ 7565.

6 Правила приемки

6.1 Общие правила приемки рельсов - по ГОСТ 7566.

6.2 Рельсы принимают партиями. Партией считают рельсы одной плавки, одного типа и сопровождаемые документом о качестве, удостоверяющим соответствие рельсов требованиям настоящего стандарта и содержащим:

- наименование или условное обозначение предприятия-изготовителя;

- тип рельса;

- марку стали;

- количество рельсов с указанием их длины и массы;

- дату оформления документа о качестве;

- номер вагона или другого транспортного средства;

- наименование и адрес покупателя;

- номер заказа (договора).

Документ о качестве должен быть подписан службой технического контроля предприятия-изготовителя.

Приемку рельсов проводит служба технического контроля предприятия-изготовителя. Приемку проводят по результатам приемочного контроля, включающего приемо-сдаточные испытания и сплошной контроль.

6.3 Контроль размеров и качества поверхности проводят на каждом рельсе.

6.4 Приемо-сдаточные испытания рельсов проводят для каждой плавки. При контроле качества рельсов отбирают:

- одну ковшевую пробу - для анализа химического состава стали;

- одну пробу от одного рельса или из обрези - для определения механических свойств рельсов испытанием на растяжение и твердости на поверхности катания головки.

При контроле флокенов отбирают одну пробу от одного рельса каждой пятой плавки.

Механические свойства и твердость рельсов обеспечиваются химическим составом стали и технологией изготовления рельсов и при суммарной массовой доле углерода и одной четвертой массовой доли марганца (С + 1/4 Мп) не менее 0,72 % контролю не подлежат. Определение механических свойств и твердости рельсов в этом случае проводят по требованию потребителя.

При получении неудовлетворительных результатов испытаний рельсов хотя бы по одному показателю по нему проводят повторные испытания на удвоенной выборке. Результаты повторных испытаний являются окончательными.

6.5 Определение химического состава стали потребитель при необходимости проводит анализом проб, отобранных от готовых рельсов, с учетом требований по 5.3.

7 Методы испытаний

7.1 Отбор проб для определения химического состава стали проводят по ГОСТ 7565. Определение химического состава стали проводят по ГОСТ 18895, ГОСТ 22536.0 - ГОСТ 22536.5, ГОСТ 22536.7 - ГОСТ 22536.9.

Допускается определение химического состава стали другими методами, аттестованными по ГОСТ Р 8.563.

7.2 Размеры и форму поперечного сечения рельса контролируют на расстоянии 100 - 200 мм от торца. Диаметр болтовых отверстий, размеров, определяющих их расположение, и косину торцов рельсов контролируют средствами допускового контроля - шаблонами. Шаблоны должны быть калиброваны в установленном порядке и соответствовать точности прокатки рельсов определенного типа.

7.3 Длину рельсов измеряют металлической рулеткой по ГОСТ 7502 или другим способом, обеспечивающим требуемую точность измерения.

7.4 Общую кривизну рельсов оценивают визуально в положении «стоя на подошве».

При необходимости общую кривизну рельсов рассчитывают по величине стрелы прогиба, которую измеряют по наибольшему зазору между поверхностью рельса и стальной струной, натянутой между его концами.

7.5 Определение отклонений рельсов от прямолинейности проводят по наибольшему зазору между поверхностью рельса и контрольной линейкой (по хорде или касательной).

7.6 Скручивание рельсов определяют на конце рельса в положении «стоя на подошве» по величине максимального зазора, измеряемого щупом, между поверхностью контрольного стеллажа и основанием подошвы рельса.

7.7 Качество поверхности рельсов проверяют визуально.

7.8 Расслоение на торцах рельсов контролируют пробной вырубкой стружки, раздвоение которой считают признаком расслоения.

7.9 Определение механических свойств рельсов при испытании на растяжение проводят по ГОСТ 1497 на цилиндрических образцах начальным диаметром 6 мм и начальной расчетной длиной 30 мм. Образец вырезают из верхней части головки в зоне выкружки как можно ближе к поверхности.

7.10 Твердость на поверхности катания рельсов определяют по ГОСТ 9012.

7.11 Контроль рельсов на флокены проводят по методике предприятия-изготовителя.

8 Транспортирование и хранение

8.1 Транспортирование и хранение рельсов - по ГОСТ 7566.

Рельсы транспортируют железнодорожным, речным и морским транспортом по правилам перевозки, действующим на соответствующем виде транспорта.

8.2 Погрузку и крепление рельсов проводят в соответствии с [1].

По согласованию изготовителя с потребителем рельсы транспортируют поштучно или плотно увязанными в пачки с обвязкой по ГОСТ 7566.

8.3 При погрузке и транспортировании не допускается повреждение крановых рельсов. Не допускается падение крановых рельсов с высоты более 1 м.

В период хранения крановые рельсы должны быть уложены таким образом, чтобы не возникали деформация и ухудшение их прямолинейности.

9 Указания по эксплуатации

Крановые рельсы эксплуатируют в составе оборудования грузоподъемных кранов в соответствии с правилами безопасности [2].

10 Гарантии изготовителя

Предприятие-изготовитель гарантирует соответствие крановых рельсов требованиям настоящего стандарта при условии выполнения установленных требований по транспортированию и хранению рельсов, монтажу и эксплуатации грузоподъемных кранов.

Гарантийный срок хранения крановых рельсов - без ограничения, гарантийный срок их эксплуатации - 18 месяцев со дня ввода грузоподъемного крана в эксплуатацию.

Библиография

[1]

Технические условия размещения и крепления грузов в вагонах и контейнерах, утвержденные МПС России 27 мая 2003 г. № ЦМ-943

[2]

Правила безопасности ПБ 10-382-00

«Правила устройства и безопасной эксплуатации грузоподъемных кранов» , утвержденные постановлением Госгортехнадзора России от 31.12.99 № 98

 

Ключевые слова: крановые рельсы, типы, размеры, прямолинейность, качество поверхности, качество торцов, химический состав, механические свойства, твердость, приемка, методы контроля, транспортирование, хранение