Стандарт распространяется на канатные дороги, устанавливаемые на детских игровых площадках на которых дети катаются под действием силы тяжести. Стандарт устанавливает требования к безопасности конструкции и методам испытаний канатных дорог всех типов. Стандарт не распространяется на канатные дороги, изготовленные до 1 июля 2012 г.
| Обозначение: | ГОСТ Р 54847-2011 |
| Название рус.: | Оборудование и покрытия детских игровых площадок. Безопасность конструкции и методы испытаний канатных дорог. Общие требования |
| Статус: | действует |
| Дата актуализации текста: | 05.05.2017 |
| Дата добавления в базу: | 01.09.2013 |
| Дата введения в действие: | 01.07.2012 |
| Утвержден: | 13.12.2011 Федеральное агентство по техническому регулированию и метрологии (893-ст) |
| Опубликован: | Стандартинформ (2012 г. ) |
| Ссылки для скачивания: |
|
ФЕДЕРАЛЬНОЕ
АГЕНТСТВО |
||
|
|
НАЦИОНАЛЬНЫЙ |
ГОСТ Р |
Оборудование и покрытия
детских игровых
площадок
БЕЗОПАСНОСТЬ
КОНСТРУКЦИИ И МЕТОДЫ
ИСПЫТАНИЙ КАНАТНЫХ ДОРОГ
Общие требования
EN 1176-4:2008
(NEQ)
|
|
Москва |
Цели и принципы стандартизации в Российской Федерации установлены Федеральным законом от 27 декабря 2002 г. № 184-ФЗ «О техническом регулировании», а правила применения национальных стандартов Российской Федерации - ГОСТ Р 1.0-2004 «Стандартизация в Российской Федерации. Основные положения»
Сведения о стандарте
1. РАЗРАБОТАН Федеральным государственным унитарным предприятием «Всероссийский научно-исследовательский институт стандартизации и сертификации в машиностроении» (ВНИИНМАШ)
2. ВНЕСЕН Техническим комитетом по стандартизации ТК 455 «Оборудование детских игровых площадок»
3. УТВЕРЖДЕН И ВВЕДЕН В ДЕЙСТВИЕ Приказом Федерального агентства по техническому регулированию и метрологии от 13 декабря 2011 г. № 893-ст
4. Настоящий стандарт разработан с учетом основных нормативных положений европейского регионального стандарта ЕН 1176-4:2008 «Оборудование и покрытия детских игровых площадок. Часть 4. Дополнительные требования безопасности и методы испытаний канатных дорог» (EN 1176-4:2008 «Playground equipment and surfacing - Part 4: Additional specific safety requirements and test methods for cableways», NEQ)
5. ВВЕДЕН ВПЕРВЫЕ
Информация об изменениях к настоящему стандарту публикуется в ежегодно издаваемом информационном указателе «Национальные стандарты», а текст изменений и поправок - в ежемесячно издаваемых информационных указателях «Национальные стандарты». В случае пересмотра (замены) или отмены настоящего стандарта соответствующее уведомление будет опубликовано в ежемесячно издаваемом информационном указателе «Национальные стандарты». Соответствующая информация, уведомление и тексты размещаются также в информационной системе общего пользования - на официальном сайте Федерального агентства по техническому регулированию и метрологии в сети Интернет
СОДЕРЖАНИЕ
НАЦИОНАЛЬНЫЙ СТАНДАРТ РОССИЙСКОЙ ФЕДЕРАЦИИ
|
Оборудование и покрытия детских игровых площадок БЕЗОПАСНОСТЬ КОНСТРУКЦИИ И МЕТОДЫ ИСПЫТАНИЙ КАНАТНЫХ ДОРОГ Общие требования Children’s
playgrounds equipment and surfacing. Cableway’s safety of structure and test
methods. |
Дата введения - 2012-07-01
Настоящий стандарт распространяется на канатные дороги, устанавливаемые на детских игровых площадках, на которых дети катаются под действием силы тяжести. Стандарт устанавливает требования к безопасности конструкции и методам испытаний канатных дорог всех типов.
Настоящий стандарт не распространяется на канатные дороги, изготовленные до 1 июля 2012 г.
В настоящем стандарте использованы нормативные ссылки на следующие стандарты:
ГОСТ Р ИСО/МЭК 50-2002 Безопасность детей и стандарты. Общие требования
ГОСТ Р ИСО/МЭК 17025-2006 Общие требования к компетентности испытательных и калибровочных лабораторий
ГОСТ Р 52167-2003 Оборудование детских игровых площадок. Безопасность конструкции и методы испытаний качелей. Общие требования
ГОСТ Р 52169-2003 Оборудование детских игровых площадок. Безопасность конструкции и методы испытаний. Общие требования
Примечание - При пользовании настоящим стандартом целесообразно проверить действие ссылочных стандартов в информационной системе общего пользования - на официальном сайте Федерального агентства по техническому регулированию и метрологии в сети Интернет или по ежегодно издаваемому информационному указателю «Национальные стандарты», который опубликован по состоянию на 1 января текущего года, и по соответствующим ежемесячно издаваемым информационным указателям, опубликованным в текущем году. Если ссылочный стандарт заменен (изменен), то при пользовании настоящим стандартом следует руководствоваться заменяющим (измененным) стандартом. Если ссылочный стандарт отменен без замены, то положение, в котором дана ссылка на него, применяется в части, не затрагивающей эту ссылку.
В настоящем стандарте применяют следующие термины с соответствующими определениями:
3.1 канатная дорога: Оборудование детской игровой площадки, на котором дети катаются вдоль троса под действием силы тяжести.
3.2 канатная дорога с подвесом: Канатная дорога, оборудованная рукояткой для катания в подвешенном состоянии.
3.3 канатная дорога с сиденьем: Канатная дорога, оборудованная сиденьем.
3.4 зона старта: Область, в которой пользователь может взяться за рукоятку или сесть на сиденье и привести оборудование в движение.
3.5 зона катания: Область, в которой пользователь свободно перемещается под действием силы тяжести.
3.6 зона остановки: Область, находящаяся в конце зоны катания в которой происходит остановка оборудования.
3.7 каретка: Движущийся элемент, за счет которого пользователь перемещается вдоль троса под действием силы тяжести.
3.8 подвесной элемент: Часть конструкции между кареткой и сиденьем или рукояткой.
Канатные дороги подразделяют на:
- тип 1 - канатная дорога с сиденьем (см. рисунок 1);
Рисунок 1 - Канатная дорога с сиденьем
- тип 2 - канатная дорога с подвесной рукояткой (см. рисунок 2).
Рисунок 2 - Канатная дорога с подвесной рукояткой
5.1. Конструкция канатных дорог должна соответствовать требованиям безопасности и/или мерам защиты по ГОСТ Р ИСО/МЭК 50, ГОСТ Р 52169 и требованиям настоящего раздела.
5.2. Схема канатной дороги
Элементы конструкции канатной дороги представлены на рисунке 3.
1 - зона старта; 2 - зона катания; 3 -
зона остановки; 4 - сиденье; 5 - рукоятка; 6 - подвесной
элемент;
7 - стопор; 8 - каретка; 9 - устройство крепления троса; 10
- прогиб троса (φ); 11 - трос
Рисунок 3 - Элементы конструкции канатной дороги
5.3. Конструкция и узлы крепления троса
Конструкция и узлы крепления основного троса должны выдерживать расчетные нагрузки (статические и динамические), передаваемые тросом в соответствии с требованиями ГОСТ Р 52169.
5.4. Несущая способность троса
Несущая способность троса должна быть подтверждена расчетами в соответствии с ГОСТ Р 52169, приложение Б.
5.5. Каретка
На тросе размещают только одну каретку.
Конструкция каретки должна предотвращать соскальзывание с троса.
Каретка должна быть оснащена элементами, предотвращающими случайный доступ к ролику.
Каретка и подвесной элемент не должны повреждать трос во время движения.
5.6. Подвесной элемент
На канатных дорогах с сиденьем жесткие подвесные элементы не применяют.
Конструкция гибкого элемента подвеса должна исключать риск удушения.
Если каретка оснащена тяговым устройством, его конструкция должна исключать риск удушения.
5.7. Рукоятка
Конструкция рукоятки должна позволять пользователю быстро выпускать ее в любое время.
Рукоятку изготавливают из жесткого материала.
Рукоятка должна иметь размеры по ГОСТ Р 52169, позволяющие пользователю захватиться.
Конструкция рукоятки должна исключать возможность взбираться на нее.
В целях снижения опасности повреждения глаз площадь проекции торцевой части рукоятки должна быть не менее 15 см2.
5.8. Сиденье
Конструкция сиденья канатной дороги должна позволять пользователю оставить канатную дорогу быстро и в любой момент времени.
Элементы, которые образуют петли или замкнутые кольца, не должны применяться в конструкции сиденья.
5.9. Параллельное расположение канатных дорог
Для канатных дорог, расположенных параллельно, расстояние между канатами должно быть не менее 2000 мм.
5.10. Расстояние до поверхности площадки
Расстояние до поверхности площадки H1 представлено на рисунке 4.
H1 - расстояние до поверхности площадки
Рисунок 4 - Расстояние до поверхности площадки
Для канатной дороги с сиденьем расстояние до поверхности площадки Н1 должно быть не менее 400 мм под нагрузкой 130 кг.
Для канатной дороги с подвесной рукояткой (за исключением канатной дороги с подвесной рукояткой с подвесным элементом жесткого типа) расстояние до поверхности площадки Н1 должно быть:
- не менее 1500 мм в зоне старта без нагрузки;
- не менее 2000 мм в зоне катания под нагрузкой 69,5 кг.
Для канатной дороги с подвесной рукояткой с подвесным элементом жесткого типа в зоне старта (в целях снижения риска повреждения головы) расстояние до поверхности площадки Н1 должно быть не менее 2000 мм под нагрузкой 69,5 кг.
5.11. Высота подвеса троса и высота свободного падения
Высота подвеса троса и высота свободного падения представлены на рисунке 5.
C1 - высота подвеса троса для
канатной дороги с сиденьем; Н1 - расстояние до
поверхности площадки;
С2 - высота подвеса троса для канатной дороги с подвесной
рукояткой; Н2 - высота свободного падения
Рисунок 5 - Высота подвеса троса и высота свободного падения
Для канатных дорог с сиденьем высота С1 должна быть не менее 2100 мм, если измерить как показано на рисунке 5а, размер С1 может быть уменьшен до высоты не менее 1800 мм, если движущиеся части каретки закрыты, не доступны пользователю и отсутствует возможность застревания пальцев.
Для канатных дорог с подвесной рукояткой высота С2 должна быть не менее 300 мм, как показано на рисунке 5б.
Высота свободного падения для всех типов канатных дорог измеряется в ненагруженном состоянии.
В положении сидя высота свободного падения Н2 не должна превышать 2000 мм, как показано на рисунке 5а.
В висячем положении высота свободного падения Н2 не должна превышать 1500 мм, как показано на рисунке 5б.
В висячем положении высоту свободного падения Н2 измеряют от уровня захвата рукоятки ниже минус 1500 мм, а пользователь не должен доставать до троса.
5.12. Зона безопасности и зона приземления
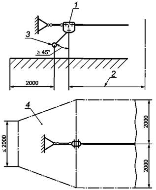
Зона безопасности и зона приземления должны быть свободны от препятствий, которые могут привести к травмам, и должны быть, как показано на рисунках 6 и 7.
Ширина зоны безопасности и зоны приземления должны быть не менее 2000 мм в каждую сторону от канатной дороги и не менее 2000 мм в зоне остановки с учетом раскачивания (до 45° при сжатии упора) рукоятки или сиденья. Ширина зоны приземления может быть уменьшена симметрично в зоне остановки до общей ширины 2000 мм (см. рисунок 6). Демпфирование удара покрытием детской игровой площадки в зоне приземления должно соответствовать минимальному значению критической высоты падения 1000 мм. При высоте падения более 1000 мм демпфирование удара покрытием детской игровой площадки должно быть пропорционально увеличено.
Пример зоны безопасности и зоны приземления приведен на рисунке 8.
Стартовые платформы вместе с пандусами для доступа к ним, изготовленные из различных материалов, включая древесину и металл, не могут иметь свойств демпфирования удара до высоты свободного падения не более 1000 мм.
1 - конечная точка движения каретки; 2 - зона
катания;
3 - максимальное отклонение при раскачивании сиденья или рукоятки;
4 - зона приземления в зоне остановки каретки
Рисунок 6 - Зона приземления в зоне остановки канатной дороги
1 - ось подвесного элемента; 2 - зона безопасности; 3 - зона приземления
Рисунок 7 - Зона безопасности и зона приземления в зоне катания
1 - зона безопасности; 2 - зона приземления; 3 - конечная точка движения
Рисунок 8 - Пример зоны безопасности и зоны приземления канатной дороги
6.1. Требования безопасности в соответствии с разделом 5 проверяют органолептически или инструментальными методами.
6.2. Испытания по оценке качества торможения каретки - в соответствии с приложением А.
6.2.1. Амплитуда раскачивания подвесного элемента при торможении и остановке каретки в зоне финиша не должна превышать 45° согласно рисунку 6.
6.3. Испытания по оценке максимальной скорости движения каретки - в соответствии с приложением Б.
6.3.1. Максимальная скорость движения каретки не должна превышать 7 м · с-1.
6.4. Испытания сиденья как элемента конструкции канатной дороги - по ГОСТ Р 52167, приложение А.
6.4.1. Среднее значение при испытаниях сидений:
- максимального ускорения g' - не более 50g;
- напряжения на поверхности сиденья в момент удара σ' - не более 90 Н/см2.
6.5. Испытания по определению площади проекции торцевой части рукоятки - в соответствии с приложением В.
6.5.1. Торцевая часть рукоятки не должна выступать за пределы калибра.
6.6. По результатам испытаний оформляют отчет в соответствии с ГОСТ Р ИСО/МЭК 17025.
Обозначение и маркировка канатных дорог - по ГОСТ Р 52169.
Оценка плавности торможения каретки
А.1. Сущность метода
Скорость движения каретки при пользовании канатной дорогой и плавность ее торможения в зоне финиша оказывают влияние на интенсивность и величину раскачивания пользователя при остановке каретки в конце трассы, как показано на рисунке 6.
Испытание проводится с целью проверки плавности торможения и определения максимального угла отклонения подвесного элемента при раскачивании пользователя в момент остановки каретки.
При испытании сиденье или рукоятку нагружают испытательной массой и приводят каретку в движение по направлению к зоне финиша. В зоне финиша контролируют плавность торможения каретки и измеряют и регистрируют максимальный угол отклонения подвесного элемента при раскачивании его в момент остановки каретки.
А.2. Аппаратура
А.2.1. Груз массой (130 ± 2,6) кг.
А.2.2. Устройство измерения угла отклонения подвесного элемента.
А.3. Проведение испытаний
Нагружают сиденье или рукоятку массой (130 ± 2,6) кг.
Отклоняют подвесной элемент на угол 30° против направления движения и освобождая его приводят в движение каретку.
В зоне финиша визуально оценивают плавность торможения каретки, регистрируют момент ее остановки и измеряют и записывают максимальный угол отклонения подвесного элемента при раскачивании.
Оценка скорости движения каретки
Б.1. Сущность метода
При испытании сиденье или рукоятку нагружают испытательной массой и приводят каретку в движение по направлению к зоне финиша.
В процессе движения каретки измеряют и регистрируют путь и время движения каретки, по которым вычисляют скорость ее движения.
Б.2. Аппаратура
Б.2.1. Груз массой (130 ± 2,6) кг.
Б.2.2. Рулетка.
Б.2.3. Секундомер.
Б.3. Проведение испытаний
Нагружают сиденье или рукоятку массой (130 ± 2,6) кг.
Отклоняют подвесной элемент на угол 30° против направления движения и освобождая его приводят в движение каретку.
Измеряют и регистрируют путь и время движения каретки.
Вычисляют скорость движения каретки, м/с.
Определение площади проекции торцевой части рукоятки
В.1. Сущность метода
При испытании определяют, выступает или нет торцевая часть рукоятки за пределы калибра.
В.2. Аппаратура
Калибр согласно рисунку В.1
Рисунок В.1 - Калибр
В.3. Проведение испытаний
Прикладывают калибр к торцевой части рукоятки строго по центру и определяют, выступает или нет торцевая часть рукоятки за пределы калибра.
В.3.1. Торцевая часть рукоятки считается допустимой, если она не выступает за пределы калибра согласно рисунку В.2.
Рисунок В.2 - Допустимый вариант торцевой части рукоятки
В.3.2. Торцевая часть рукоятки считается недопустимой, если она выступает за пределы калибра согласно рисунку В.2.

Рисунок В.3 - Недопустимый вариант торцевой части рукоятки
|
Ключевые слова: оборудование, покрытия, детские игровые площадки, канатные дороги, требования безопасности, испытания |