Стандарт распространяется на контейнеры грузовые серии 1 для сыпучих грузов, разгружаемые без давления, предназначенные для перевозки железнодорожным, морским, речным и автомобильным транспортом в прямом и смешанном сообщениях, и устанавливает технические требования к контейнерам и методы их испытаний. Поскольку плотность и характеристики текучести сухих сыпучих грузов различны, контейнеры, отвечающие требованиям стандарта, могут не подходить для перевозки всех упомянутых грузов. Поэтому, если не оговорено особо, требования стандарта являются минимальными. Контейнеры, которые будут использоваться для перевозки опасных грузов, должны отвечать дополнительным национальным и международным требованиям.
| Обозначение: | ГОСТ Р 53520-2009 |
| Название рус.: | Контейнеры грузовые серии 1. Технические требования и методы испытаний. Часть 4. Контейнеры для сыпучих грузов без давления |
| Статус: | действует |
| Дата актуализации текста: | 05.05.2017 |
| Дата добавления в базу: | 01.09.2013 |
| Дата введения в действие: | 01.07.2010 |
| Утвержден: | 14.12.2009 Федеральное агентство по техническому регулированию и метрологии (763-ст) |
| Опубликован: | Стандартинформ (2010 г. ) |
| Ссылки для скачивания: |
| ФЕДЕРАЛЬНОЕ АГЕНТСТВО | ||
|
| НАЦИОНАЛЬНЫЙ | ГОСТ Р |
КОНТЕЙНЕРЫ ГРУЗОВЫЕ СЕРИИ 1
Технические требования и методы испытаний
Часть 4
КОНТЕЙНЕРЫ ДЛЯ СЫПУЧИХ ГРУЗОВ
БЕЗ ДАВЛЕНИЯ
ISO 1496-4:1991
Series 1 freight containers -Specification and testing - Part 4:
Non-pressurized containers for dry bulk
(MOD)
|
| Москва Стандартинформ 2010 |
Предисловие
Цели и принципы стандартизации в Российской Федерации установлены Федеральным законом от 27 декабря
Сведения о стандарте
1ПОДГОТОВЛЕН Закрытым акционерным обществом «Промтрансниипроект» (ЗАО «Промтрансниипроект»)
2ВНЕСЕН Техническим комитетом по стандартизации ТК 246 «Контейнеры»
3УТВЕРЖДЕН И ВВЕДЕН В ДЕЙСТВИЕ Приказом Федерального агентства по техническомурегулированию и метрологии от 14 декабря
4 Настоящий стандарт является модифицированным по отношению к международному стандартуИСО 1496-4:1991 « Контейнеры грузовые серии 1. Технические требования и методы испытаний. Часть 4. Контейнеры для сыпучих грузов без давления», с дополнениями (ISO 1496-4:1991 «Series 1 freight containers - Specification and testing - Part 4: Non-pressurized containers for dry bulk»), путем внесениятехнических отклонений, объяснение которых приведено во введении к настоящему стандарту, и изменения его структуры.
Дополнительные слова, показатели и их значения, включенные в текст стандарта для учетапотребностей национальной экономики Российской Федерации, выделены курсивом.
Сравнение структуры настоящего стандарта со структурой указанного международного стандартаприведено в дополнительном приложении G
5 ВВЕДЕН ВПЕРВЫЕ
Информация об изменениях к настоящему стандарту публикуется в ежегодно издаваемоминформационном указателе «Национальные стандарты», а текст изменений и поправок - в ежемесячно издаваемых информационных указателях «Национальные стандарты». В случае пересмотра(замены) или отмены настоящего стандарта соответствующее уведомление будет опубликованов ежемесячно издаваемом информационном указателе «Национальные стандарты». Соответствующая информация, уведомления и тексты размещаются также в информационной системе общегопользования - на официальном сайте Федерального агентства по техническому регулированию иметрологии в сети Интернет
Содержание
Введение
Настоящий стандарт является модифицированным по отношению к международному стандарту ИСО 1496-4:1991 «Контейнеры грузовые серии 1. Технические требования и методы испытаний. Часть 4. Контейнеры для сыпучих грузов без давления».
По сравнению с примененным международным стандартом ИСО 1496-4:1991 в текст настоящего стандарта внесены следующие изменения:
- в разделе 2 «Нормативные ссылки» исключен стандарт ИСО8323:1985 и даны ссылки на национальные стандарты, гармонизированные с соответствующими международными;
- в разделе 4, пункт 4.2, дополнительно введены контейнеры типов 1ЕЕЕ и 1ЕЕ;
- в разделе 5, пункты 5.8.2, 5.10.1.1,5.10.3,введены контейнеры типов 1ЕЕЕ и 1ЕЕ;
- в разделе 6, пункты 6.2.1, таблица 2, 6.4.2, 6.6.2, 6.19.3, таблица 3, дополнительно введены контейнеры типов 1ЕЕЕ и 1ЕЕ;
- в приложении А дополнительно введены контейнеры типов 1ЕЕЕ и 1ЕЕ;
- в приложении В введены контейнеры типов 1ЕЕЕ, 1ЕЕ;
- в приложении Е введены контейнеры типов 1ЕЕ;
- стандарт дополнен справочным приложением G, содержащим сравнение структуры настоящего стандарта со структурой международного стандарта ИСО 1496-4:1991;
- структурный элемент «Библиография» исключен.
НАЦИОНАЛЬНЫЙ СТАНДАРТ РОССИЙСКОЙ ФЕДЕРАЦИИ
| КОНТЕЙНЕРЫ ГРУЗОВЫЕ СЕРИИ 1 Технические требования и методы испытаний Часть 4 КОНТЕЙНЕРЫ ДЛЯ СЫПУЧИХ ГРУЗОВ БЕЗ ДАВЛЕНИЯ Series 1 freight containers. Specification and testing. |
Дата введения - 2010-07-01
1.1Настоящий стандарт распространяется на контейнеры грузовые серии 1 для сыпучих грузов, разгружаемые без давления, предназначенные для перевозки железнодорожным, морским, речным иавтомобильным транспортом в прямом и смешанном сообщениях (далее - контейнеры), и устанавливает технические требования к контейнерам и методы их испытаний.
1.2Поскольку плотность и характеристики текучести сухих сыпучих грузов различны, контейнеры, отвечающие требованиям настоящего стандарта, могут не подходить для перевозки всех упомянутых грузов. Поэтому, если не оговорено особо, требования настоящего стандарта являютсяминимальными.
Контейнеры, которые будут использоваться для перевозки опасных грузов, должны отвечатьдополнительным национальным и международным требованиям.
1.3 Типы контейнеров, требования к которым установлены настоящим стандартом, приведены втаблице 1.
Таблица 1 - Типы контейнеров
| Типы | Обозначения кода типа* контейнера | |
| ящичного типа | типа хоппер | |
| Для сухих сыпучих слабослеживающихся грузов |
|
|
| закрытые | В0 | В0 |
| воздухонепроницаемые | В1 | В1 |
| резерв | В2 | В2 |
| *В соответствии с ГОСТ Р 52524 . | ||
1.4 Маркировка контейнеров должна соответствовать требованиям ГОСТ Р 52524 .
Примечание - Некоторые типы грузовых контейнеров, соответствующие требованиям ИСО 1496-1, можно использовать для перевозки определенных сухих твердых навалочных грузов без упаковки, соблюдая осторожность и не превышая конструктивных нагрузок в эксплуатационных условиях.
В настоящем стандарте использованы нормативные ссылки на следующие стандарты:
ГОСТ Р 51891-2008 Контейнеры грузовые серии 1. Фитинги. Технические условия(ИСО 1161:1984 Контейнеры грузовые серии 1. Угловые фитинги. Технические условия, MOD)
ГОСТ Р 52202-2004 Контейнеры грузовые. Термины и определения (ИСО 830:1999 Контейнерыгрузовые. Терминология, MOD)
ГОСТ Р 52524-2005 Контейнеры грузовые. Кодирование, идентификация и маркировка(ИСО 6346:1995 Контейнеры грузовые. Кодирование, идентификация и маркировка, MOD)
ГОСТ Р 53350-2009 Контейнеры грузовые серии 1. Классификация, размеры и масса(ИСО 668:1995 Контейнеры грузовые серии 1. Классификация, размеры и масса, MOD)
Примечание - При пользовании настоящим стандартом целесообразно проверить действие ссылочных стандартов в информационной системе общего пользования - на официальном сайте Федеральногоагентства по техническому регулированию и метрологии в сети Интернет или по ежегодно издаваемому информационному указателю «Национальные стандарты», который опубликован по состоянию на 1 января текущего года, ипосоответствующим ежемесячно издаваемым информационным указателям, опубликованным в текущем году. Если ссылочный стандарт заменен (изменен), то при пользовании настоящим стандартом следует руководствоваться заменяющим (измененным) стандартом. Если ссылочный стандарт отменен без замены, то положение, в котором дана ссылка на него, применяется в части, не затрагивающей эту ссылку.
В настоящем стандарте применены термины и определения по ГОСТ Р 52202 :
3.1 контейнер для сухих сыпучих слабослеживающихся грузов: Контейнер для перевозкисухих сыпучих слабослеживающихся грузов, выдерживающий нагрузки, возникающие при его заполнении сухим сыпучим слабослеживающимся грузом, при перемещении и разгрузке, а также оснащенныйпроемами, отверстиями и фитингами, облегчающими его загрузку и разгрузку, в соответствии с требованиями настоящего стандарта.
3.1.1 контейнер ящичного (закрытого) типа: Контейнер для перевозки сухих сыпучих слабослеживающихся грузов с грузовым пространством в форме параллелепипеда и дверным проемом со стороны хотя бы одного торца, который соответственно можно использовать в качестве универсальногоконтейнера общего назначения.
3.1.2 контейнер типа хоппер: Контейнер для сухих сыпучих слабослеживающихся грузов, неимеющий дверного проема, который соответственно нельзя использовать в качестве универсальногоконтейнера общего назначения.
Примечание - В настоящем стандарте контейнеры для сухих сыпучих слабослеживающихся грузов названы «контейнеры».
3.2 сухие сыпучие слабослеживающиеся грузы: Вещества, сильно сцепляющиеся друг с другом, которые сыпятся (текут) или могут сыпаться под действием воздушного потока.
3.3 загрузочные отверстия: Отверстия, предусмотренные в конструкции контейнера, для заполнения его сухими сыпучими слабослеживающимися грузами.
3.4 разгрузочные отверстия: Отверстия, предусмотренные в конструкции контейнера, длявыгрузки из него сухих сыпучих слабослеживающихся грузов.
3.5 поверхность контакта с внешним устройством для аэрации груза: Точка/точки на поверхности контейнера, через которые осуществляется присоединение или отсоединение внешнего устройства для аэрации груза.
3.6 опасные грузы: Вещества, которые классифицируются как опасные Рекомендациями экспертов ООН по перевозке опасных грузов или компетентным органом в соответствии с 3.7.
3.7 соответствующий/компетентный орган: Орган или органы, назначенные правительством вкаждой стране для контроля условий перевозок конкретного груза.
3.8 плотность сухого сыпучего груза: Масса сухого сыпучего груза на единицу его объема, измеренная, когда груз находится в свободном состоянии.
3.9 грузовое пространство: Пространство, ограниченное стенками контейнера при закрытыхпроемах и отверстиях.
4.1 Наружные размеры
Габаритные наружные размеры и допуски грузовых контейнеров, представленных в настоящемстандарте, определены ГОСТ Р 53350 . Ни одна часть конструкции контейнера, включая фитинги и/илисопутствующее оборудование, не должна выступать за установленные наружные размеры контейнераконкретного типа.
Внутренние размеры контейнера должны быть по возможности наибольшими, но в любом случаене превышать размеров закрытых контейнеров ящичного типа - 1ЕЕЕ, 1ЕЕ, 1ААА, 1АА, 1А, 1ВВВ, 1ВВ, 1В, 1СС, 1С и 1D (коды типов В0 - В6), а минимальная их ширина должна составлять
4.3 Масса брутто
Максимальная масса брутто контейнера R должна соответствовать ГОСТ Р 53350 . Испытательные значения R могут превышать приведенные в ГОСТ Р 53350 .
Все контейнеры должны удовлетворять следующим требованиям:
5.1.1Требования к прочности контейнеров определены настоящим стандартом и даны в схематической форме в приложении А (эти требования применяют ко всем контейнерам, если не оговорено другое). Контейнеры рассматриваются как законченные полностью укомплектованные грузовые единицы.
5.1.2Требования к прочности угловых фитингов (5.2) даны в ГОСТ Р 51891 .
5.1.3Контейнер должен выдерживать испытательные нагрузки, указанные в разделе 6.
5.1.4Контейнер должен выдерживать воздействие сил инерции, полученных при динамическихусловиях (то есть динамических нагрузках), но не превышать значений соответствующих испытательных нагрузок. Значения, данные в приложении А, описанные в разделе 6 и полученные при испытаниях, не должны быть превышены.
5.1.5Любое отверстие, люк или дверной проем контейнера, которые в незакрепленном видесоздают аварийную ситуацию, должны быть оснащены соответствующими средствами безопасности, имеющими наружное обозначение, предупреждающее о возможности возникновения аварийной ситуации и соответствующих методах закрепления его в безопасном положении.
Дверные проемы и загрузочные/разгрузочные отверстия контейнера должны быть безопаснозакреплены в открытом или закрытом положении.
5.1.6Съемная крыша или секция крыши должны быть закреплены с помощью соответствующихприспособлений так, чтобы находящийся на земле наблюдатель мог проверить исправность креплениякрыши контейнера, размещенного на железнодорожном или автомобильном транспортном средстве.
5.1.7Требования водонепроницаемости контейнера должны соответствовать 6.14 (испытание № 13).
5.2.1 Общие положения
Все контейнеры должны иметь верхние и нижние угловые фитинги. Требования к их размещениюданы в ГОСТ Р 51891 .
Верхние плоскости верхних угловых фитингов не должны выступать над верхней поверхностьюконтейнера более чем на
5.2.2 Зоны усиления или накладные листы
При использовании накладных листов в местах расположения верхних угловых фитингов накладные листы и их крепление не должны выступать над верхними поверхностями верхних угловых фитингов. Эти листы не должны простираться более чем на
5.3.1 Контейнеры должны опираться на нижние фитинги.
5.3.2 Контейнеры всех типов, кроме контейнеров типов 1D и 1DX, должны также опираться наопорные (контактные) площадки в конструкции основания или плоское днище.
5.3.2.1Эти контейнеры должны быть оборудованы опорными (контактными) площадками на торцевых поперечных элементах (балках), а также необходимым числом опорных (контактных) площадок, расположенных на промежуточных поперечных элементах (балках) конструкции или основания (илиплоского днища), которые в совокупности обладают достаточной прочностью для передачи вертикальной нагрузки на продольный конструктивный элемент транспортного средства (например, полуприцепа-контейнеровоза). Такие продольные элементы следует размещать в пределах двух зон шириной по
5.3.2.2Нижние поверхности опорных (контактных) площадок, в том числе расположенных на торцевых поперечных элементах (балках) контейнера, должны быть расположены в одной плоскости, проходящей на расстоянии 12,5+5-
Кроме нижних фитингов и нижних продольных балок ни одна часть контейнера не должна бытьниже этого уровня. Исключение составляют боковые пластины, расположенные в нижней раме рядом снижними угловыми фитингами.
Такие пластины не должны простираться по длине более чем на
5.3.2.3 Передачу нагрузки между нижними поверхностями нижних боковых балок контейнера итранспортными средствами настоящий стандарт не рассматривает.
Передача нагрузки между боковыми балками контейнера и перегрузочным оборудованием возможна только при перегрузке контейнера в соответствии с 5.10.1 и 5.10.2.
5.3.2.4Контейнеры, в основании которых поперечные элементы (балки) удалены друг от друга неболее чем на
5.3.2.5Требования к контейнерам, в основании которых поперечные элементы (балки) удаленыдруг от друга более чем на
5.3.3В отношении уровня нижней части основания контейнеров типов 1D и 1DX никаких иных требований, помимо указанных в 5.3.4, не установлено.
5.3.4 Для всех контейнеров при действии динамической нагрузки или заменяющей ее эквивалентной статической нагрузки, когда действительная масса контейнера (сумма собственной массы контейнера и массы груза в нем) равна 1,8 R и груз внутри контейнера равномерно распределен по площади пола, ни одна часть основания контейнера не должна прогибаться более чем на
Деформация торцевой конструкции контейнера любого типа, кроме 1D и 1DX, в условиях действиясилы, предусмотренной при испытании на поперечную жесткость и вызывающей смещение верха контейнера относительно его основания, должна быть такой, чтобы сумма абсолютных изменений длиндиагоналей торцевой рамы не превышала
В условиях действия нагрузки, предусмотренной при испытаниях на продольную жесткость контейнера любого типа, кроме 1D и 1DX, продольное смещение верха контейнера относительно основания недолжно превышать
5.6.1 Для всех типов контейнеров, у которых предусмотрены испытания боковых стенок, прогиб боковой стенки по отношению к плоскости, образованной наружными поверхностями четырех угловых фитингов с каждой боковой стороны контейнера, не должен превышать
5.6.2Если в боковых или торцевых стенках контейнера предусмотрены дверные проемы или вентиляционные отверстия, то независимо от этого следует соблюдать все требования, предъявляемые кстенкам при испытаниях № 5 и 6.
5.7.1 Корпус/емкость контейнера типа хоппер должен выдерживать воздействия сил инерции, возникающих при транспортировании. При проектировании конструкции контейнера эти воздействия следует принимать эквивалентными продольной нагрузке, равной 2Rg в продольном направлении, Rg впоперечном и 2Rg в вертикальном (6.1.1,примечание).
Эти нагрузки могут быть рассмотрены в отдельности как воздействие на контейнер, проходящиечерез геометрический центр его корпуса/емкости. Вертикальные нагрузки являются суммарныминагрузками, включающими динамический эффект.
5.7.2 Корпус контейнера типа хоппер должен выдерживать статическое усилие, возникающее призагрузке контейнера до номинального значения массы R. Особое внимание следует уделить перевозкамсухих сыпучих грузов с высоким удельным весом (плотностью).
При проведении испытаний контейнера на внутреннее поперечное сжатие прогиб любой его частипо отношению к поверхности, образованной наружными поверхностями угловых фитингов с каждойбоковой стороны, не должен превышать
5.8.1 Общие положения
Все отверстия, будучи в закрытом положении, не должны допускать утечки груза из контейнера.
5.8.2 Дверной(ые) проем(ы) (для контейнеров ящичного типа)
Контейнеры ящичного типа должны быть оснащены дверным проемом со стороны одного торца, что позволяет использовать их и как контейнеры общего назначения.
Контейнеры ящичного типа типоразмеров 1А, 1В, 1С и 1D должны иметь дверные проемы размерами, соответствующими внутреннему поперечному сечению контейнера, но не менее
Контейнеры ящичного типа типоразмеров 1ЕЕЕ, 1ЕЕ, 1ААА, 1АА, 1ВВВ, 1ВВ и 1СС должны иметьдверные проемы размерами, соответствующими внутреннему поперечному сечению контейнера, но неменее
5.8.3 Загрузочное(ые) отверстие(я)
Контейнеры должны быть оснащены одним или несколькими загрузочными отверстиями. Ихконструкция, количество и размещение должны обеспечивать:
-равномерное распределение сухих сыпучих грузов в контейнере, загружаемых самотеком иликаким-либо другим способом, не вызывающим давления внутри контейнера;
-соответствие возможным дополнительным требованиям компетентных органов.
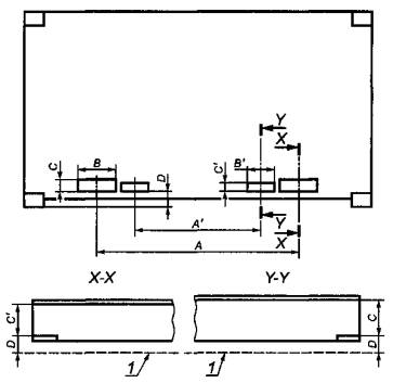
Примечание - Примеры типового размещения загрузочных отверстий для контейнеров ящичного типа1ААА, 1АА, 1А, 1ВВВ, 1ВВ, 1В, 1СС и 1С даны в приложении F.
5.8.4 Разгрузочное(ые) отверстие(я)
Контейнеры должны быть оснащены хотя бы одним разгрузочным отверстием, сконструированным и расположенным таким образом, чтобы было возможно осуществить полную разгрузку контейнерасамотеком, не создавая внутреннего давления/вакуума внутри грузового пространства контейнера.
Отверстие(я) для разгрузки контейнера самотеком с помощью силы тяжести опрокидыванием вцелях осуществления полной разгрузки должно(ы) иметь значительную площадь.
5.8.5 Отверстие(я) для осмотра и техническогообслуживания внутреннего помещения контейнеров типа хоппер
5.8.5.1 Контейнеры типа хоппер должны иметь отверстия, размеры которых позволяли бы персоналу с необходимыми приспособлениями проникнуть внутрь его для проведения полного исследованиявнутреннего пространства контейнера.
При отсутствии таких отверстий контейнер должен быть изъят из эксплуатации компетентнымиорганами. Минимальный диаметр отверстия для обследования контейнера - до
5.8.5.2 При соответствии загрузочного или разгрузочного отверстий требованиям, изложенным в 5.8.5.1, наличие отверстия для осмотра не обязательно.
5.9.1Материалы, из которых изготовлен контейнер, должны быть устойчивыми квредным воздействиям со стороны как перевозимого груза, так и внешней среды, в которой возможна эксплуатация контейнера. Необходимо уделять внимание вопросам колебаний внешних температур, агрессивнойокружающей среды, перевозкам опасных грузов, а также требованиям борьбы с коррозией.
5.9.2Корпус/емкость контейнера типа хоппер должен быть надежно закреплен на каркасе контейнера.
5.9.3Опломбирование контейнера следует проводить в соответствии с требованиями международных таможенных конвенций.
5.9.4Контейнеры с кодами типов В1 следует изготовлять с учетом требований испытания № 18 (воздухонепроницаемость).
5.10.1 Вилочные проемы
5.10.1.1 Вилочные проемы, предназначенные для перегрузки контейнеров типов 1СС, 1С, 1СХ, 1D и 1DX в груженом и порожнем состоянии, следует рассматривать как факультативные приспособления.
Для контейнеров типов 1ЕЕЕ, 1ЕЕ, 1ААА, 1АА, 1А, 1АХ, 1ВВВ, 1ВВ, 1В, 1ВХ вилочные проемы непредусмотрены.
5.10.1.2В основании контейнеров типов 1СС, 1С и 1СХ может быть предусмотрен в соответствии с 5.10.1.1 дополнительный комплект вилочных проемов, предназначенный для перемещения контейнеров типов 1СС, 1С и 1СХ только в порожнем состоянии.
5.10.1.3Размеры и допуски вилочных проемов даны в приложении С. Вилочные проемы должныпроходить насквозь поперек рамы основания контейнера, для того чтобы подъемные приспособленияможно было вводить с обеих противоположных сторон контейнера. Вилочные проемы снизу могут бытьзакрыты по всей ширине контейнера, а со стороны обоих торцов должны быть закрыты обязательно.
5.10.2 Подхватныеустройства или аналогичные приспособления
Устройства, обеспечивающие перегрузку контейнера с помощью подхватных устройств или подобных приспособлений, следует рассматривать как факультативные. Требования к их размерам изложены в приложении D.
5.10.3 Паз (несквозной тоннель) для установкиконтейнера на полуприцепе с передней балкой типа «шея гуся»
Для контейнеров типов 1ЕЕЕ, 1ЕЕ, 1AAA, 1AA, 1А и 1АХ паз (несквозной тоннель) рассматриваюткак факультативное приспособление. Требования к их размерам даны в приложении Е. Все другие элементы рамы основания контейнера описаны в 5.3.
5.10.4 Мостки (при наличии)
Мостки должны выдерживать равномерно распределенную по площади 600×300 мм нагрузку
5.10.5 Лестницы (при наличии)
Лестницы должны выдерживать нагрузку
5.10.6 Поверхность, на которой размещают устройствадля аэрации груза
Фитинги на контейнере могут быть использованы для размещения устройств для аэрации груза.
5.10.7 Санирование (при необходимости)
5.10.7.1 При изготовлении контейнера следует обращать особое внимание на выбор материала, который должен препятствовать порче перевозимого сыпучего груза.
Национальные или международные компетентные органы определяют необходимость санацииконтейнеров в качестве факультативного требования.
5.10.7.2Внутренняя поверхность контейнера должна быть сконструирована и изготовлена такимобразом, чтобы проведение санитарной обработки грузового пространства контейнера (влажной обработки и дезинфекции) не оказывало вредного воздействия на нее.
5.10.7.3На поверхности грузового пространства контейнера не должно быть углублений и пустот, которые являлись бы потенциальными источниками накопления вредных веществ.
Контейнеры, соответствующие требованиям раздела 5, должны выдерживать испытания по 6.2 - 6.19. Контейнеры следует испытывать в таком состоянии, в котором они будут эксплуатироваться.
Испытание № 13 на водонепроницаемость выполняют после проведения основных испытаний№ 1-12,14,15-17,а испытание на воздухонепроницаемость № 18 (при необходимости) выполняютзавершающим.
6.1.1 Грузоподъемность Р обозначает максимально допустимую массу груза, размещаемую в испытуемом контейнере, то есть
P = R - T,
где
R - масса брутто;
Т- масса тары.
Примечание - Р, R и Т в соответствии с определением измеряют в единицах массы. В случае, когда требования к испытаниям основываются на гравитационных силах, вызванных действием масс, эти силы, являющиеся инерционными, определяют как Рg, Rg и Тg и измеряют в ньютонах или единицах, производных от ньютона.
Термин «груз» (нагрузка), когда его употребляют для описания физической сущности явления, обозначает массу.
Термин «нагрузка», например «внутренняя нагрузка», обозначает силу.
6.1.2 Действие испытательных нагрузок, а также возникающих внутри контейнера сил должнобыть равномерно распределенным.
При проведении испытания контейнер типа хоппер загружают сыпучим сухим грузом до достижения соответствующей установленной испытательной нагрузки. Если при этом способе испытания невозможно достичь значения испытательной нагрузки, то к нему прикладывают дополнительную нагрузку. Полученная при этом суммарная нагрузка является эквивалентной результирующей равномернораспределенной нагрузкой.
При количественной оценке путем сравнения нагрузок допускают различия в пределах 20 %.
Примечание - Для других испытательных нагрузок или усилий (например, при испытаниях на продольное и поперечное сжатие) принято, что они достигают значений, соответствующих испытательным нагрузкам.
6.1.3Требования к испытательным нагрузкам и усилиям для всех испытаний являются минимальными.
6.1.4Требования к размерам, на которые делаются ссылки в подпунктах протоколов испытаний, приводимых после каждого испытания, определены:
a) в разделах 4 и 5 настоящего стандарта, содержащих требования к размерам и конструкции контейнеров;
b) ГОСТ Р 53350 ;
c) ГОСТ Р 51891 .
6.2.1 Общие положения
Испытание проводят для проверки способности полностью загруженного контейнера выдерживатьнагрузку, создаваемую верхними загруженными контейнерами с учетом ускорений, вызываемых движением судна, при наличии эксцентриситета между гружеными контейнерами в штабеле.
В таблице 2 указаны силы, которые должны быть приложены в качестве испытательных к каждойпаре или ко всем четырем угловым фитингам, и располагаемая сверху масса, которая дополняет испытательную нагрузку.
Таблица 2 - Силы, действующие при испытании на штабелирование
| Испытательная нагрузка на один контейнер на все четыре угловых фитинга одновременно, кН | Испытательная нагрузка на два угловых фитинга одной торцевой стенки, кН | Масса груза, располагаемая сверху, вызывающая испытательные нагрузки, кг | |
| 1ЕЕЕ, 1ЕЕ | 3767 | 1883 | 213360 |
| 1ААА, 1АА, 1А, 1АХ | 3767 | 1883 | 213360 |
| 1ВВВ, 1ВВ, 1В, 1ВХ | 3767 | 1883 | 213360 |
| 1СС, 1С, 1СХ | 3767 | 1883 | 213360 |
| 1D, 1DX | 896 | 448 | 50800 |
| Примечание - Значение испытательной нагрузки 3767 кН для всех типов контейнеров, кроме 1D и 1DX, определено исходя из условия штабелирования контейнеров в 9 ярусов, при этом все контейнеры, кроме нижнего испытываемого, загружают каждый до действительной массы брутто | |||
6.2.2 Проведение испытания
Контейнер устанавливают на четырех плоских подкладках, расположенных на одном уровне, поодной под каждым нижним угловым фитингом. Геометрические центры подкладок и фитингов, а также ихразмеры должны совпадать.
На контейнер должна воздействовать нагрузка, равномерно распределенная по площади пола. При этом сумма собственной массы контейнера и испытательной нагрузки должна составлять 1,8R.
Контейнер подвергают воздействию вертикальных нагрузок, приложенных либо по всем четыремверхним угловым фитингам одновременно, либо к каждой паре торцевых фитингов, в соответствии сданными таблицы 2.
Эти нагрузки воздействуют через специальные испытательные приспособления, имеющие угловые фитинги в соответствии с ГОСТ Р 51891 или заменяющие их эквивалентные элементы стеми же геометрическими очертаниями (то есть с такими же наружными размерами, конфигурациями отверстий иокруглением кромок), как у нижних поверхностей нижнего углового фитинга по ГОСТ Р 51891 . Конструкция эквивалентных элементов (при их применении) должна обеспечивать такое же воздействие испытательных нагрузок на контейнер, как при использовании угловых фитингов.
Во всех случаях нагрузки следует прилагать так, чтобы угловое смещение плоскостей, к которымприложены силы по отношению к плоскости опоры, было минимальным.
Каждый нижний угловой фитинг или эквивалентный элемент испытательной установки долженбыть смещен в одну и ту же сторону относительно осей отверстий верхних угловых фитингов испытуемого контейнера на
6.2.3 Требования
После завершения испытания не должно быть ни остаточных деформаций, ни других отклонений, которые делали бы контейнер не пригодным кэксплуатации. Должны быть также соблюдены требования к размерам, определяющие пригодность контейнера к перегрузке, креплению и взаимозаменяемости.
6.3.1 Общие положения
Испытание проводят для проверки способности контейнера любого типа, кроме 1D или 1DX, выдерживать нагрузки, возникающие при подъеме за соответствующие четыре верхних угловых фитинга, с вертикальным действием сил подъема, а контейнеров типов 1D и 1DX выдерживать нагрузки, возникающие при подъеме за четыре верхних угловых фитинга при действии сил подъема под углом не более30° к вертикали и 60° к горизонтали (единственный признанный способ вертикального подъема этих контейнеров за соответствующие четыре верхних угловых фитинга).
Испытание предназначено также для проверки прочности пола и рамы основания, то есть способности выдерживать воздействие сил, вызываемых ускорением, получаемым грузом внутри контейнерапри операциях подъема.
6.3.2 Проведение испытания
Контейнер должен иметь такую равномерно распределенную по площади пола нагрузку, чтобысумма собственной массы контейнера и испытательной нагрузки составляла 2R. Контейнер следует плавно поднимать за четыре верхних угловых фитинга таким образом, чтобы не возникало заметныхускорений или замедлений.
Для всех контейнеров, кроме типов 1D и 1DX, силы подъема прилагаются вертикально. Подъемконтейнеров типов 1D и 1DX осуществляют с помощью стропов, каждую ветвь которых располагают подуглом 60° к горизонтальной плоскости (30° к вертикали).
Контейнер должен находиться в поднятом положении в течение 5 мин.
6.3.3 Требования
После завершения испытания контейнера не должно быть ни остаточных деформаций, ни другихотклонений, которые делали бы контейнер не пригодным к эксплуатации. Должны быть также соблюдены требования к размерам, определяющие пригодность контейнера к перегрузке, креплению и взаимозаменяемости.
6.4.1 Общие положения
Испытание проводят для проверки способности контейнера выдерживать нагрузки, возникающиепри подъеме за четыре нижних угловых фитинга с помощью подъемных приспособлений, взаимодействующих с контейнером только через нижние угловые фитинги и прикрепленных к одной балке-траверсе, располагаемой над серединой контейнера в поперечном направлении.
6.4.2 Проведение испытания
Контейнер должен иметь такую равномерно распределенную по площади пола нагрузку, чтобысумма собственной массы контейнера и испытательной нагрузки составляла 2R. Контейнер следует плавно поднимать за четыре нижних угловых фитинга таким образом, чтобы не возникало заметныхускорений или замедлений.
Силы подъема прилагают под углом к горизонтальной плоскости, градус, для контейнеров типов:
1ЕЕЕ, 1ЕЕ - 30;
1AAA, 1АА, 1А, 1АХ - 30;
1ВВВ, 1ВВ, 1В, 1ВХ - 37;
1СС,1С, 1СХ - 45;
1D, 1DX - 60.
В каждом случае плоскость приложения сил подъема не должна быть удалена от наружной поверхности нижнего углового фитинга более чем на
Контейнер должен находиться в поднятом положении в течение 5 мин.
6.4.3 Требования
После завершения испытания не должно быть ни остаточных деформаций, ни других отклонений, которые делали бы контейнер не пригодным к эксплуатации. Должны быть также соблюдены требованияк размерам, определяющие пригодность контейнера к перегрузке, креплению и взаимозаменяемости.
Испытание проводят для проверки способности контейнера выдерживать внешнее продольноесжатие или растяжение под воздействием динамических нагрузок при железнодорожных перевозках, вызываемых ускорением 2g.
6.5.2 Проведение испытания
Контейнер должен иметь такую равномерно распределенную по площади пола нагрузку, чтобысумма собственной массы контейнера и испытательной нагрузки составляла R. Контейнер с одного торца должен быть жестко закреплен с помощью анкерных устройств за нижние отверстия нижних угловыхфитингов в продольном направлении.
Контейнер устанавливают нижними угловыми фитингами на четыре горизонтальные опоры, расположенные на одном уровне: с одного торца - две подвижные опоры, с противоположного торца - двенеподвижные опоры. Контейнер закрепляют на опорах через нижние отверстия нижних угловых фитингов (например, с помощью замков с поворотными головками, вводимыми в нижние отверстия нижнихугловых фитингов).
Силу, равную 2Rg, прилагают горизонтально через нижние отверстия пары нижних угловых фитингов, установленных на подвижных опорах, сначала в направлении закрепленного торца (сжатие), азатем в обратном направлении (растяжение).
6.5.3 Требования
После завершения испытания не должно быть ни остаточных деформаций, ни других отклонений, которые делали бы контейнер не пригодным к эксплуатации. Должны быть также соблюдены требованияк размерам, определяющие пригодность контейнера к перегрузке, креплению и взаимозаменяемости.
6.6.1 Общие положения
Испытание проводят для проверки способности контейнера выдерживать воздействие внутреннихсил от груза, возникающих при железнодорожных перевозках, указанных в 6.5.1.
6.6.2 Проведение испытания
Если одна торцевая стенка сплошная, а другая с дверным проемом, испытанию подвергают обаторца контейнера. При симметричной конструкции контейнера испытывают только один торец. Контейнер, удерживаемый от продольного смещения нижними угловыми фитингами, подвергают воздействиювнутренней нагрузки. Внутреннюю нагрузку распределяют равномерно по испытуемой стенке, обеспечивая ее свободный прогиб.
Установлена величина внутренней нагрузки для контейнеров типов:
1ЕЕЕ, 1ЕЕ, 1ААА, 1АА, 1А, 1АХ, 1ВВВ, 1ВВ, 1В, 1ВХ - 0,4 Рg
1СС, 1С, 1СХ, 1D, 1DX - 0,6 Рg.
6.6.3 Требования
После завершения испытания не должно быть ни остаточных деформаций, ни других отклонений, которые делали бы контейнер не пригодным к эксплуатации. Должны быть также соблюдены требованияк размерам, определяющие пригодность контейнера к перегрузке, креплению и взаимозаменяемости.
6.7.1 Общие положения
Испытание проводят для проверки способности контейнера выдерживать воздействие внутреннихсил от груза, возникающих при перевозках морским транспортом.
6.7.2 Проведение испытания
Испытанию подвергают каждую боковую стенку контейнера. При симметричной конструкции боковых стенок контейнера испытывают только одну из них. Каждую боковую стенку контейнера (включаястенку с дверным проемом) подвергают воздействию внутренней нагрузки, равной 0,6 Рg, равномернораспределенной, приложенной отдельно к каждой стенке и создающей возможность свободного прогиба стенки и ее отдельных элементов. При этом контейнер закрепляют за нижние угловые фитинги, удерживающие от поперечного смещения.
При испытаниях должны соблюдаться требования, изложенные в 5.6.1.
6.7.3 Требования
После завершения испытания не должно быть ни остаточных деформаций, ни других отклонений, которые делали бы контейнер не пригодным к эксплуатации. Должны быть также соблюдены требованияк размерам, определяющие пригодность контейнера к перегрузке, креплению и взаимозаменяемости.
6.8.1 Общие положения
Испытание проводят для проверки способности жесткой крыши контейнера выдерживать воздействие нагрузок, возникающих при нахождении на ней обслуживающего персонала.
6.8.2 Проведение испытания
Нагрузку, равную
6.8.3 Требования
После завершения испытания не должно быть ни остаточных деформаций, ни других отклонений, которые делали бы контейнер не пригодным к эксплуатации. Должны быть также соблюдены требованияк размерам, определяющие пригодность контейнера к перегрузке, креплению и взаимозаменяемости.
6.9.1 Общие положения
Испытание проводят для проверки способности пола контейнера выдерживать воздействие сосредоточенной динамической нагрузки, возникающей при выполнении погрузочно-разгрузочных операцийс использованием вилочных погрузчиков или аналогичных приспособлений внутри контейнера.
6.9.2 Проведение испытания
Испытание пола контейнера проводят с использованием испытательной техники (тележки), оборудованной эластичными массивными шинами, с нагрузкой 36,3 кН на каждое из двух колес тележки (илипогрузчика).
Необходимо, чтобы все точки контакта между каждым колесом и плоской поверхностью пола контейнера находились внутри прямоугольника размерами 185
Номинальная ширина шины колеса должна составлять
6.9.3 Требования
После завершения испытания не должно быть ни остаточных деформаций, ни других отклонений, которые делали бы контейнер не пригодным к эксплуатации. Должны быть также соблюдены требованияк размерам, определяющие пригодность контейнеров к перегрузке, креплению и взаимозаменяемости.
6.10.1 Общие положения
Испытание проводят для проверки способности контейнера любого типа, за исключением контейнеров типов 1D и 1DX, выдерживать воздействие возникающих при движении судна сил, вызывающихпоперечный перекос конструкции контейнера.
6.10.2 Проведение испытания
Порожний контейнер устанавливают на четыре горизонтальные опоры, расположенные на одномуровне, по одной под каждым нижним угловым фитингом, и для предотвращения поперечного и вертикального смещений его жестко закрепляют анкерными устройствами (или иными приспособлениями) через нижние отверстия нижних угловых фитингов.
Закрепление контейнера для предотвращения его поперечного перемещения должно быть предусмотрено только в нижнем угловом фитинге, диагонально противоположном верхнему угловому фитингу, к которому прилагают силы, и находящемуся в плоскости той же торцевой стенки. При раздельномиспытании двух торцевых стенок закрепление для предотвращения вертикальных перемещений осуществляют только в угловых фитингах испытуемой торцевой стенки.
Внешние силы (150 кН каждая) прилагают в поперечном направлении раздельно или одновременно к каждому из верхних угловых фитингов одной боковой стенки контейнера параллельно как плоскостиоснования, так и плоскости торцевых стенок контейнера.
Силы прилагают сначала в направлении к верхним угловым фитингам, а затем - от них.
Если контейнер имеет симметричные торцевые стенки, необходимо испытывать только одну торцевую стенку. Там, где торцевая стенка не полностью симметрична ее собственной вертикальной оси, нагрузка к торцу должна быть приложена поочередно с каждой боковой стороны контейнера.
Допускаемые значения перекоса при полной испытательной нагрузке приведены в 5.4.
6.10.3 Требования
После завершения испытания не должно быть ни остаточных деформаций, ни других отклонений, которые делали бы контейнер не пригодным к эксплуатации. Должны быть также соблюдены требованияк размерам, определяющие пригодность контейнеров к перегрузке, креплению и взаимозаменяемости.
6.11.1 Общие положения
Испытание проводят для проверки способности контейнера любого типа, кроме типов 1D и 1DX, выдерживать воздействие сил, возникающих при движении судна и вызывающих перекос конструкцииконтейнера в продольном направлении.
6.11.2 Проведение испытания
Порожний контейнер устанавливают на четыре горизонтальные расположенные на одном уровнеопоры, по одной под каждым угловым фитингом, и для предотвращения продольного и вертикальногосмещений его закрепляют анкерными устройствами (или иными приспособлениями) через нижниеотверстия нижних угловых фитингов. Продольное закрепление осуществляют только в том нижнем угловом фитинге, который диагонально противоположен в плоскости боковой стенке и тому верхнему угловому фитингу, к которому прилагают силу.
Внешние силы (75 кН каждая) прилагают раздельно или одновременно к каждому из верхних угловых фитингов одной торцевой стенки контейнера параллельно как плоскости основания, так и плоскостибоковых стенок.
Силы прикладывают сначала в направлении верхних угловых фитингов контейнера, а затем вобратном.
Если контейнер имеет симметричные боковые стенки, то испытывают только одну из них. Еслибоковая стенка не полностью симметрична вертикальной оси, испытания проводят с обоих торцов.
Допустимые значения перекосов при полной испытательной нагрузке приведены в 5.5.
6.11.3 Требования
После завершения испытания не должно быть ни остаточных деформаций, ни других отклонений, которые делали бы контейнер не пригодным к эксплуатации. Должны быть также соблюдены требованияк размерам, определяющие пригодность контейнеров к перегрузке, креплению и взаимозаменяемости.
6.12.1 Общие положения
Испытанию следует подвергать контейнеры типов 1СС, 1С, 1СХ, 1D и 1DX, оснащенные вилочными проемами.
6.12.2 Проведение испытания
6.12.2.1 Контейнеры типов 1СС, 1С, 1СХ, 1Dи 1DX, оснащенные одной парой вилочных проемов
Нагрузка равномерно распределена по площади пола контейнера таким образом, чтобы суммасобственной массы контейнера и испытательной нагрузки была равна 1,6R. Контейнер должен опираться на две горизонтальные балки шириной
6.12.2.2 Контейнеры типов 1СС, 1С и 1СХ, оснащенные двумя парами вилочных проемов
Внешнюю пару вилочных проемов испытывают в соответствии с 6.12.2.1. Внутреннюю (дополнительную) пару вилочных проемов испытывают аналогично, но при уменьшенной до 0,625R действительной массе брутто контейнера и установке балок в проемы внутренней пары.
6.12.3 Требования
После завершения испытания не должно быть ни остаточных деформаций, ни других отклонений, которые делали бы контейнер не пригодным к эксплуатации. Должны быть также соблюдены требованияк размерам, определяющие пригодность контейнеров к перегрузке, креплению и взаимозаменяемости.
6.13.1 Общие положения
Испытание необязательное. Его проводят, если указанные устройства предусмотрены у контейнера по желанию заказчика.
Испытание проводят для проверки способности любого контейнера, оснащенного подхватнымиустройствами (площадками), быть поднятым, как это показано в приложении D.
6.13.2 Проведение испытания
Массу испытательного груза равномерно распределяют по полу контейнера, чтобы действительная масса брутто контейнера равнялась 1,25R. Контейнер устанавливают плоскими частями своих опорных площадок, имеющихся в подхватных устройствах [рисунки D.2 и D.3 (приложение D)], на четыреподкладки размерами 32
Контейнер выдерживают в поднятом положении 5 мин.
6.13.3 Требования
После завершения испытаний не должно быть остаточных деформаций или других отклонений, которые делали бы контейнер не пригодным кэксплуатации. Должны быть соблюдены также требования к размерам, определяющие пригодность контейнера к перегрузке, креплению и взаимозаменяемости.
6.14.1 Проведение испытания
Струю воды из наконечника внутренним диаметром
Допустимо проведение испытания с использованием нескольких наконечников при условии, чтокаждый шов или паз подвергают воздействию, не меньшему, чем от струи, выходящей из одного наконечника.
6.14.2 Требования
По окончании испытания контейнер не должен иметь следов проникновения воды внутрь.
6.15.1 Общие положения
Испытание проводят в целях проверки способности контейнера выдерживать воздействие силинерции от содержимого в контейнере груза как на сам контейнер, так и на соединение корпуса/емкости срамой в условиях продольного ускорения в процессе транспортирования и перегрузки, описанного в 5.7.
Примечания
1 Данное испытание не требуется проводить, если динамическое испытание было проведено с достижениемторцевых нагрузок, эквивалентных или превышающих статическую испытательную нагрузку R.
2 Воздействия вертикального ускорения учтены в испытаниях № 2 и 3.
3Данное испытание для контейнеров без продольных соединительных балок между торцевыми рамами допускается не проводить при условии, что оно входит в испытание № 4.
6.15.2 Проведение испытания
Контейнер загружают так, чтобы сумма собственной массы контейнера и испытательной нагрузкисоставляла R.
Контейнер устанавливают на торец так, чтобы продольная ось контейнера располагалась вертикально (допускаемое отклонение - 3°). Контейнер удерживают в таком положении 5 мин с помощью:
a) закрепления одной пары нижних угловых фитингов, расположенных снизу, в целях предотвращения поперечного и вертикального смещения контейнера и закрепления другой опоры угловых фитингов, расположенных сверху, в целях предотвращения поперечного смещения;
b) закрепления четырех обращенных вниз угловых фитингов.
Процедура по перечислению b) может быть использована только для тех типов контейнеров, гдекорпус/емкость контейнера соединен только с нижней частью рамы, или если, по мнению компетентногооргана, контейнер достаточно испытать на прочность соединений корпус/емкость - рама при испытаниях № 4и 10.
Контейнеры с несимметричной конструкцией должны быть испытаны с обоих торцов.
6.15.3 Требования
После завершения испытания не должно быть остаточных деформаций или других отклонений, которые делали бы контейнер не пригодным к эксплуатации. Должны быть соблюдены также требованияк размерам, определяющие пригодность контейнера к перевозке, креплению и взаимозаменяемости.
6.16.1 Общие положения
Испытание проводят в целях проверки способности контейнера выдерживать воздействие силинерции от содержимого в контейнере груза как на сам контейнер, так и на соединение корпуса/емкости срамой в условиях поперечного ускорения в процессе транспортирования и перегрузки, описанного в 5.7.
Примечания
1Воздействие вертикального ускорения учтено в испытаниях № 2 и 3.
2 Данное испытание для контейнеров без продольных соединительных балок между торцевыми рамамидопускается не проводить при условии, что оно входит в испытание № 4.
6.16.2 Проведение испытания
Контейнер загружают так, чтобы сумма собственной массы контейнера и испытательной нагрузкисоставляла R.
Контейнер устанавливают на торец так, чтобы продольная ось располагалась вертикально (допускаемое отклонение - 3°).
Контейнер удерживают в таком положении 5 мин с помощью:
a) закрепления одной пары нижних угловых фитингов, расположенных снизу, в целях предотвращения поперечного и вертикального смещений контейнера и закрепления другой пары угловых фитингов, расположенных сверху, в целях предотвращения поперечного смещения;
b) закрепления четырех обращенных вниз угловых фитингов.
Процедура по перечислению b) может быть использована только для тех типов контейнеров, гдекорпус/емкость контейнера соединен только с нижней частью рамы, или если, по мнению компетентногооргана, контейнер достаточно испытать на прочность соединений корпус/емкость - рама при испытаниях № 4и 9.
Контейнеры несимметричной конструкции должны быть испытаны со стороны обоих торцов.
6.16.3 Требования
После завершения испытания не должно быть остаточных деформаций или других отклонений, которые делали бы контейнер не пригодным к эксплуатации. Должны быть соблюдены также требованияк размерам, определяющие пригодность контейнера к перегрузке, креплению и взаимозаменяемости.
6.17.1 Общие положения
Испытание проводят для всех мостков для проверки способности мостков выдерживать нагрузку, возникающую при нахождении на них персонала.
6.17.2 Проведение испытания
Нагрузка, равная не менее
6.17.3 Требования
После завершения испытания не должно быть остаточных деформаций или других отклонений, которые могут повлечь за собой невозможность их использования.
6.18.1 Общие положения
Испытанию подвергают все лестницы в целях проверки способности выдерживать нагрузки, возникающие в случае нахождения на них людей.
6.18.2 Проведение испытания
Нагрузку
6.18.3 Требования
После завершения испытания на лестницах не должно быть остаточных деформаций или неисправностей, которые могут повлечь за собой невозможность использования лестниц.
6.19.1 Общие положения
Испытание, если необходимо, проводят после завершения всех испытаний контейнера.
6.19.2 Проведение испытания
Контейнер находится в закрытом положении и в обычных эксплуатационных условиях. Воздухподают через специальное устройство. Манометр, не являющийся составной частью системы подачивоздуха, присоединяют к контейнеру, и точность его измерений должна быть отрегулирована в пределах±5 %. Устройство для измерения воздушного потока должно быть отрегулировано с точностьюизмерений ±3 %.
Подаваемый воздух должен повышать внутреннее давление до (250 ± 10) Па [(25 ± 1) мм рт. ст.]. Этот уровень должен быть выдержан в течение всего испытания.
6.19.3 Требования
Скорость утечки воздуха из контейнера при стандартных атмосферных условиях не должна превышать значений, приведенных в таблице 3.
Таблица 3 - Скорость утечки воздуха из контейнера
| Тип контейнера | Скорость утечки воздуха из контейнера, м3/ч |
| 1ЕЕЕ, 1ЕЕ, 1ААА, 1АА, 1А, 1АХ | 30 |
| 1ВВВ, 1ВВ, 1В, 1ВХ | 25 |
| 1СС, 1С, 1СХ | 20 |
| 1D, 1DX | 15 |
Примечания
1 Силы, прилагаемые снаружи, которые показаны на рисунках А.1 - А.29, даны только для одной торцевой или одной боковой стенки. Внутренние нагрузки даны для всего контейнера.
2 Схемы настоящего приложения соответствуют испытаниям, описанным в 6.2 - 6.19.
3Обозначения Р, R и Т - по 6.1.1.
Таблица А.1
| Номер рисунка | Вид с торца | Вид сбоку | ||
| А.1, а | Испытание № 1. Штабелирование
|
| ||
| Неприменимо к контейнерам типов 1D и 1DX | ||||
| А.1, b |
|
Применимо только к контейнерам типов 1ЕЕ и 1ЕЕЕ | ||
| А.1, с |
|
Применимо только к контейнерам типов 1ЕЕ и 1ЕЕЕ | ||
| A.1, d |
|
Применимо только к контейнерам типов 1ЕЕ и 1ЕЕE | ||
| А.1, е | |
| ||
| Применимо только к контейнерам типов 1D и 1DX | ||||
| А.2, а | Растяжение контейнера вертикальными усилиями за угловые фитинги | |||
|
|
| |||
| А.2, b |
|
Применимо только к контейнерам типов 1ЕЕ и 1ЕЕE | ||
| А.3, а | Испытание № 2. Подъем за четыре верхних угловых фитинга | |||
|
|
| |||
| Неприменимо к контейнерам типов 1D и 1DX | ||||
| А.3, b |
|
Применимо только к контейнерам типов 1ЕЕ и 1ЕЕЕ | ||
| А.3, c |
Применимо только к контейнерам типов 1D и 1DX | |||
| А.4, а | Испытание № 3. Подъем за четыре нижних угловых фитинга | |||
|
|
| |||
| А.4, b |
|
Применимо только к контейнерам типов 1ЕЕ и 1ЕЕЕ | ||
| А.5, а | Испытание № 4. Жесткость конструкции (продольная) | |||
|
|
| |||
| А.5, b |
|
Применимо только к контейнерам типов 1ЕЕ и 1ЕЕЕ | ||
| А.6, а |
|
| ||
| А.6, b |
|
Применимо только к контейнерам типов 1ЕЕ и 1ЕЕЕ | ||
| А.7 | Испытание № 5. Прочность торцевых стенок (для контейнеров ящичного типа) | |||
|
|
| |||
| А.8 | Испытание № 6. Прочность боковых стенок (для контейнеров ящичного типа) | |||
|
|
| |||
| А.9 | Испытание № 7. Прочность крыши (при наличии) | |||
|
|
| |||
| Применимо к контейнерам с жесткой крышей | ||||
| А.10 | Испытание № 8. Прочность пола (для контейнеров ящичного типа) | |||
|
|
| |||
| А.11, а | Испытание № 9. Жесткость (поперечная) | |||
|
|
| |||
| А.11, b |
|
При установке контейнера типа 1Е на контейнер типа 1Е нагрузку воспринимают верхние угловые фитинги и нижние угловые фитинги | ||
| А.11. c |
|
При установке контейнера типа 1Е на контейнер типа 1А нагрузку воспринимают верхние промежуточные фитинги и нижние промежуточные фитинги | ||
| A.11, d |
|
При установке контейнера типа 1Е на контейнер типа 1А нагрузку воспринимают верхние угловые фитинги и нижние промежуточные фитинги | ||
| А.11, е |
|
При установке контейнера типа 1А на контейнер типа 1Е нагрузку воспринимают верхние промежуточные фитинги и нижние угловые фитинги | ||
| А.12, а |
|
| ||
| А.12, b |
|
При установке контейнера типа 1Е на контейнер типа 1Е нагрузку воспринимают верхние угловые фитинги и нижние угловые фитинги | ||
| А.12, с |
|
При установке контейнера типа 1Е на контейнер типа 1А нагрузку воспринимают верхние промежуточные фитинги и нижние промежуточные фитинги | ||
| А.12, d |
|
При установке контейнера типа 1Е на контейнер типа 1А нагрузку воспринимают верхние угловые фитинги и нижние промежуточные фитинги | ||
| А.12, е |
|
При установке контейнера типа 1А на контейнер типа 1Е нагрузку воспринимают верхние промежуточные фитинги и нижние угловые фитинги | ||
| А.13 |
|
| Неприменимо к контейнерам типов 1D и 1DX | |
| А.14 |
| |||
| А.15 |
|
| Неприменимо к контейнерам типов 1D и 1DX | |
| А.16 |
| |||
| А.17, а | Испытание № 10. Жесткость (продольная) | |||
| Неприменимо к контейнерам типов 1D и 1DХ |
|
При установке контейнера типа 1Е на контейнер типа 1Е нагрузку воспринимают верхние угловые фитинги и нижние угловые фитинги | ||
| А.17, b |
При установке контейнера типа 1Е на контейнер типа 1А нагрузку воспринимают верхние угловые фитинги и нижние промежуточные фитинги | |||
| А.18, а | Неприменимо к контейнерам типов 1D и 1DХ |
|
При установке контейнера типа 1Е на контейнер типа 1E нагрузку воспринимают верхние угловые фитинги и нижние угловые фитинги | |
| А.18, b |
При установке контейнера типа 1Е на контейнер типа 1А нагрузку воспринимают верхние угловые фитинги и нижние промежуточные фитинги | |||
| А.19 | Крепление Этот тип нагрузок недопустим, за исключением предусмотренного в А.3, с |
| ||
| А.20 | Крепление Неприменимо к контейнерам типов 1D и 1DX |
| ||
| А.21 | Испытание №11. Подъем с использованием вилочных проемов Применимо к контейнерам типов 1СС, 1С или 1D, оснащенным одной парой вилочных проемов, и к контейнерам типов 1СС или 1С с двумя парами вилочных проемов при испытании внешней пары |
| ||
| А.22 | Испытание №11. Подъем с использованием вилочных проемов Применимо к контейнерам типов 1СС и 1С с двумя парами вилочных проемов при испытании внутренней пары |
| ||
| А.23 | Испытание № 12. Подъем за подхватные устройства в основании контейнера |
| ||
| А.24 | Испытание № 14. Продольное крепление (для контейнеров типа хоппер) [6.15.2(a)]
|
| ||
| Рама контейнера типа хоппер закреплена через верхние и нижние фитинги | ||||
| А.25 | Испытание № 14. Продольное крепление (для контейнеров типа хоппер) [6.15.2 (b)]
|
| ||
| А.26 | Испытание № 15. Поперечное крепление (для контейнеров типа хоппер) [6.16.2(а)]
|
| ||
| А.27 | Испытание № 15. Поперечное крепление (для контейнеров типа хоппер) [6.16.2(b)]
|
| ||
| Paма контейнера закреплена только через низлежащие фитинги | ||||
| А.28 | Испытание № 16. Мостки
|
| ||
| Применимо ко всем типам контейнеров (где предусмотрены мостки) | ||||
| А.29 | Испытание № 17. Лестницы 200 кг |
| ||
| Применимо ко всем типам контейнеров (где предусмотрены лестницы) | ||||
Рисунки А.1- А.29
В.1 Предусмотренные конструкцией основания торцевые и поперечные элементы (балки), на которых имеются опорные (контактные) площадки, должны выдерживать и передавать нагрузки на соответствующие продольные элементы конструкций транспортного средства (например, полуприцепа-контейнеровоза).
Эти продольные элементы транспортного средства должны лежать в пределах двух зон шириной по
Рисунок В.1
В.2 Контейнеры, в основании которых нет поперечных элементов (балок), удаленных друг от друга на расстояние
В.2.1 Каждая пара опорных (контактных) площадок, расположенных на торцевых поперечных элементах(балках), должна выдерживать нагрузки не менее 0,5Rg, то есть силы, которые могут возникнуть при установке контейнера на такое транспортное средство, на котором он не опирается на свои нижние угловые фитинги.
Каждую пару промежуточных опорных (контактных) площадок рассчитывают на передачу нагрузки, котораяможет возникнуть при выполнении транспортных операций, не менее 1,5Rg/n [n - число пар промежуточных опорных (контактных) площадок].
В.2.2 Минимальное количество пар опорных (контактных) площадок составляет у контейнеров типов:
1СС, 1С, 1СХ - 4;
1ВВВ, 1ВВ, 1В, 1ВХ - 5;
1ААА, 1АА, 1А, 1АХ - 5;
1ААА, 1АА, 1А, 1АХ - 6;
1ЕЕЕ, 1ЕЕ, оснащенных несквозным тоннелем для установкина полуприцепе с передней балкой типа «шея гуся» - 6.
Опорные (контактные) площадки (при наличии большого числа их пар) должны быть размещены по возможности равномерно по всей длине контейнера.
В.2.3 Расстояние между торцевыми поперечными элементами (балкой) и ближайшей промежуточной паройопорных (контактных) площадок должно быть:
-от 1700 до
-от 1000 до
В.2.4 Каждая опорная (контактная) площадка должна быть размером не менее
Размещение опорных (контактных) площадок по типам контейнеров
| Контейнеры типов 1СС, 1С, 1СХ | |
|
| |
| Рисунок В.2 - Размещение четырех пар опорных площадок (одна пара на каждом торце плюс две промежуточные пары) | Рисунок В.3 - Размещение пяти пар опорных площадок |
Контейнеры типов 1ВВВ, 1ВВ, 1В, 1ВХ

Рисунок В.4- Размещение пятипар опорных (контактных)площадок (пара накаждом торце плюстри промежуточные пары)

Рисунок В.5- Размещение шестипар опорных (контактных)площадок
Контейнеры типов 1ЕЕ, 1АА, 1А или 1АХ (без тоннеля для установки на полуприцепе с передней балкойтипа «шея гуся»)

Рисунок В.6- Размещение пятипар опорных (контактных)площадок (одна парана каждом торцеплюс три промежуточные пары)

Рисунок В.7- Размещение шестипар опорных (контактных)площадок
Контейнеры типов 1ЕЕ, 1ААА, 1АА, 1АХ, имеющие несквозной тоннельдля установки на полуприцепе с передней балкой типа «шея гуся» (рисунок В.10)

Рисунок В.8*- Размещение шестипар опорных (контактных)площадок (одна парана каждый торецплюс четыре промежуточные пары)
Рисунок В.9*- Размещение семипар опорных (контактных)площадок
*См. рисунок В.10.
1 - торец контейнера; 2 - центральная ось
Рисунок В.10
Минимальные требования к опорным площадкам в тоннеле для установки контейнера на полуприцеп с передней балкой типа «шея гуся» показаны на рисунке В.10.
Все опорные площадки тоннеля состоят из двух частей: верхней части А и нижней части В. Эти спаренные части А и В следует рассматривать как единую опорную площадку, состоящую из двух компонентов А и В и имеющуюплощадь не менее 1250 мм2.
Примечание - Там, где тоннель имеет сплошные боковые элементы, опорные площадки, изображенные на рисунке В.10, в пределах расстояния 3150-

1 - плоскость опоры
Рисунок С.1
Таблица С.1
| Тип контейнера | Размеры и допуски, мм | ||||||
| Вилочные проемы для груженых и порожних контейнеров | Вилочные проемы (внутренние) только для порожних контейнеров | ||||||
| А | В | С | D | А' | В' | С' | |
| 1СС, 1С или 1СХ | 2050 | 355 | 115 | 20 | 900 | 305 | 102 |
| 1D или 1DX | 900 | 305 | 102 | 20 | - | - | - |
| Примечание - С - высота проема в свету. | |||||||

1 - ось подъема; 2 - зона подъема
Рисунок D.1
1 - часть стенки (включая головки заклепок и болтов); не должна отстоять более чем на 120-
Рисунок D.2
1 - часть стенки (включая головки заклепок и болтов); не должна выступать более чем на 120-
Рисунок D.3

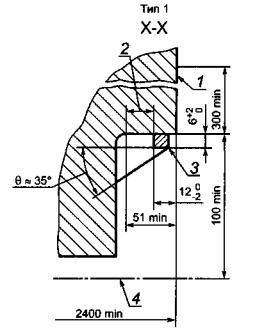
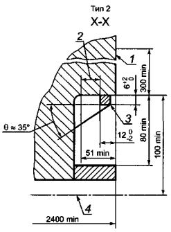
1 - поверхность передней торцевой балки; 2 - уровень нижних поверхностей поперечных элементов
Рисунок Е.1- Размеры тоннеляконтейнера, в которыйможет входить балкатипа «шея гуся»полуприцепа
Таблица Е.1
Размеры в миллиметрах
| Длина | Ширина | Высота | ||||||||
| Lt | D | Wt | Xt | Yt | Yt | Z | Bt | bt | bt | С |
| 3900-4000* | 6+1-2 | 930 | 1029+3-0 | 1070 | 1130 | 25 | 1200-3 | 35 | 70 | 12,5+5-1,5 |
| * Только для контейнеров типа 1ЕЕ. Примечания 1 Размер Bt измеряют в задней части тоннеля на расстоянии примерно 2 Конструкция тоннеля может быть образована сплошными элементами минимальной длины, указанной в настоящей таблице, и внутренними размерами, обведенными сплошной черной линией на рисунке Е.1. | ||||||||||

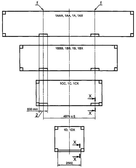
Рисунок F.1 -Расположение отверстий вконтейнерах типов 1ААА,1АА и 1А

Рисунок F.2 - Расположение отверстийв контейнерах типов1ВВВ, 1ВВ, 1В

Рисунок F.3 - Расположение отверстийв контейнерах типов1СС, 1С
Указанное в таблице G.1 изменение структуры национального стандарта относительно структуры приведенного международного стандарта обусловлено приведением в соответствие с требованиями ГОСТ Р 1.5-2004 .
Таблица G.1
| Структура настоящего стандарта | Структура международного стандарта ИСО 1496-4:1991 | ||
| Раздел | Пункт | Раздел | Пункт |
| Приложение G | - | ||
| - | Библиография | ||
| Примечание - Структурные элементы настоящего стандарта и международного стандарта ИСО 1496-4:1991, не указанные в данной таблице, идентичны. | |||
Ключевые слова: контейнеры, грузовые контейнеры, угловые фитинги, промежуточные фитинги, технические требования, требования к размерам, требования к прочности конструкции, маркировка, штабелирование, подъем за четыре верхних угловых фитинга, подъем за четыре нижних угловых фитинга, водонепроницаемость, вилочные проемы, опорные площадки