Меню
Навигация
Novatika
Первая линия
Бесплатное обучение

Техника пожарная. Лестницы навесные спасательные пожарные. Общие технические требования. Методы испытаний

Стандарт устанавливает общие технические требования на лестницы навесные спасательные пожарные (далее — лестницы), предназначенные для спасения людей из зданий при возникновении угрозы от пожара или в других чрезвычайных ситуациях. Стандарт устанавливает классификацию, технические требования и методы испытаний лестниц. Стандарт может применяться при сертификации лестниц. Стандарт не распространяется на спасательные веревочные лини, петлевые лестницы и аналогичное спортивное снаряжение, а также элементы крепления лестниц навесных спасательных в зданиях и сооружениях.

Обозначение: ГОСТ Р 53276-2009
Название рус.: Техника пожарная. Лестницы навесные спасательные пожарные. Общие технические требования. Методы испытаний
Статус: введен впервые
Дата актуализации текста: 05.05.2017
Дата добавления в базу: 01.09.2013
Дата введения в действие: 01.05.2009
Утвержден: 18.02.2009 Федеральное агентство по техническому регулированию и метрологии (47-ст)
Опубликован: Стандартинформ (2009 г. )
Ссылки для скачивания:

ФЕДЕРАЛЬНОЕ АГЕНТСТВО
ПО ТЕХНИЧЕСКОМУ РЕГУЛИРОВАНИЮ И МЕТРОЛОГИИ

НАЦИОНАЛЬНЫЙ
СТАНДАРТ
РОССИЙСКОЙ
ФЕДЕРАЦИИ

ГОСТ Р
53276-2009

Техника пожарная

ЛЕСТНИЦЫ НАВЕСНЫЕ
СПАСАТЕЛЬНЫЕ ПОЖАРНЫЕ

Общие технические требования.
Методы испытаний

Москва

Стандартинформ

2009

Предисловие

Цели и принципы стандартизации в Российской Федерации установлены Федеральным законом от 27 декабря 2002 г. № 184-ФЗ «О техническом регулировании», а правила применения национальных стандартов Российской Федерации - ГОСТ Р 1.0-2004 «Стандартизация в Российской Федерации. Основные положения»

Сведения о стандарте

1 РАЗРАБОТАН ФГУ ВНИИПО МЧС России

2 ВНЕСЕН Техническим комитетом по стандартизации ТК 274 «Пожарная безопасность»

3 УТВЕРЖДЕН И ВВЕДЕН В ДЕЙСТВИЕ Приказом Федерального агентства по техническому регулированию и метрологии от 18 февраля 2009 г. № 47-ст

4 ВВЕДЕН ВПЕРВЫЕ

Информация об изменениях к настоящему стандарту публикуется в ежегодно издаваемом информационном указателе «Национальные стандарты», а текст изменений и поправок - в ежемесячно издаваемых информационных указателях «Национальные стандарты». В случае пересмотра (замены) или отмены настоящего стандарта соответствующее уведомление будет опубликовано в ежемесячно издаваемом информационном указателе «Национальные стандарты». Соответствующая информация, уведомление и тексты размещаются также в информационной системе общего пользования - на официальном сайте Федерального агентства по техническому регулированию и метрологии в сети Интернет

СОДЕРЖАНИЕ

1 Область применения. 2

2 Нормативные ссылки. 2

3 Термины и определения. 2

4 Классификация. 3

5 Технические требования. 3

6 Требования к комплектности. 4

7 Требования к маркировке. 4

8 Правила приемки. 4

9 Методы испытаний. 5

10 Транспортирование и хранение. 10

11 Упаковка. 11

12 Гарантии изготовителя. 11

Приложение А. Шаблон для проверки величины остаточной деформации. 11

Приложение Б. Пластина для проверки величины остаточной деформации. 11

Приложение В. Стержень. 12

Приложение Г. Схема страховки при испытаниях, связанных со спусками по лестнице людей. 12

ГОСТ Р 53276-2009

НАЦИОНАЛЬНЫЙ СТАНДАРТ РОССИЙСКОЙ ФЕДЕРАЦИИ

Техника пожарная

ЛЕСТНИЦЫ НАВЕСНЫЕ СПАСАТЕЛЬНЫЕ ПОЖАРНЫЕ

Общие технические требования. Методы испытаний

Fire equipment. Hanging ladders for rescue from height.
General technical requirements. Test methods

Дата введения - 2010-01-01

с правом досрочного применения

1 Область применения

1.1 Настоящий стандарт устанавливает общие технические требования на лестницы навесные спасательные пожарные (далее - лестницы), предназначенные для спасения людей из зданий при возникновении угрозы от пожара или в других чрезвычайных ситуациях.

1.2 Настоящий стандарт устанавливает классификацию, технические требования и методы испытаний лестниц.

1.3 Настоящий стандарт может применяться при сертификации лестниц.

1.4 Настоящий стандарт не распространяется на спасательные веревочные лини, петлевые лестницы и аналогичное спортивное снаряжение, а также элементы крепления лестниц навесных спасательных в зданиях и сооружениях.

2 Нормативные ссылки

В настоящем стандарте использованы нормативные ссылки на следующие стандарты:

ГОСТ Р 1.0-2004 Стандартизация в Российской Федерации. Основные положения

ГОСТ Р 15.201-2000 Система разработки и постановки продукции на производство. Продукция производственно-технического назначения. Порядок разработки и постановки продукции на производство

ГОСТ Р 15.309-98 Система разработки и постановки продукции на производство. Испытания и приемка выпускаемой продукции. Основные положения

ГОСТ 2.601-2006 Единая система конструкторской документации. Эксплуатационные документы

ГОСТ 9.032-74* Единая система защиты от коррозии и старения. Покрытия лакокрасочные. Группы, технические требования и обозначения

ГОСТ 9.104-79 Единая система защиты от коррозии и старения. Покрытия лакокрасочные. Группы условий эксплуатации

ГОСТ 9.301-86* Единая система защиты от коррозии и старения. Покрытия металлические и неметаллические неорганические. Общие требования

ГОСТ 9.303-84 Единая система защиты от коррозии и старения. Покрытия металлические и неметаллические неорганические. Общие требования к выбору

ГОСТ 27.002-89 Надежность в технике. Основные понятия. Термины и определения

ГОСТ 166-89* Штангенциркули. Технические условия

ГОСТ 380-88* Сталь углеродистая обыкновенного качества. Марки

ГОСТ 427-75* Линейки измерительные металлические. Технические условия

ГОСТ 5072-79 Секундомеры металлические. Технические условия

ГОСТ 5378-88 Угломеры с нониусом. Технические условия

ГОСТ 7502-98 Рулетки измерительные металлические. Технические условия

ГОСТ 7926-75* Резина для низа обуви. Методы испытаний

ГОСТ 14192-96 Маркировка грузов

ГОСТ 15150-69* Машины, приборы и другие технические изделия. Исполнения для различных климатических районов. Категории условия эксплуатации, хранения и транспортирования в части воздействия климатических факторов внешней среды

ГОСТ 17299-78* Спирт этиловый технический. Технические условия

ГОСТ 18300-87 Спирт этиловый ректификованный технический. Технические условия

ГОСТ 18321-73* Статистический контроль качества. Методы случайного отбора выборок штучной продукции

ГОСТ 23852-79* Покрытия лакокрасочные. Общие требования к выбору по декоративным свойствам

ГОСТ 29329-92 Весы для статического взвешивания. Общие технические требования

Примечание - При пользовании настоящим стандартом целесообразно проверить действие ссылочных стандартов в информационной системе общего пользования - на официальном сайте Федерального агентства по техническому регулированию и метрологии в сети Интернет или по ежегодно издаваемому информационному указателю «Национальные стандарты», который опубликован по состоянию на 1 января текущего года, и по соответствующим ежемесячно издаваемым информационным указателям, опубликованным в текущем году. Если ссылочный стандарт заменен (изменен), то при пользовании настоящим стандартом следует руководствоваться заменяющим (измененным) стандартом. Если ссылочный стандарт отменен без замены, то положение, в котором дана ссылка на него, применяется в части, не затрагивающей эту ссылку.

3 Термины и определения

В настоящем стандарте применены следующие термины с соответствующими определениями:

3.1 лестница навесная спасательная пожарная: Вспомогательная лестница, не предусмотренная проектными решениями при строительстве (реконструкции) здания (сооружения), служащая исключительно для экстренной эвакуации людей из зоны различных чрезвычайных ситуаций и находящаяся в режиме ожидания в сложенном состоянии.

3.2 лестница навесная канатная: Лестница, у которой в качестве тетив используется канат стальной или канат из синтетических (натуральных) материалов.

3.3 лестница навесная цепная: Лестница, у которой в качестве тетив используется цепь или другие звенья, жестко соединенные между собой.

3.4 лестница навесная ленточная: Лестница, у которой в качестве тетив используется стальная лента или лента из синтетических (натуральных) материалов.

3.5 лестница навесная выдвижная: Лестница с телескопической конструкцией тетив, в которой секции складываются во внутреннее пространство друг друга.

3.6 лестница навесная переносная: Лестница, переносимая одним человеком, хранящаяся отдельно от места ее крепления в здании или сооружении.

3.7 лестница навесная стационарная: Лестница, закрепленная при монтаже в установленном месте здания или сооружения и хранящаяся в специальном контейнере.

3.8 лестница навесная фасадная: Лестница, закрепленная при монтаже к установленному месту и находящаяся снаружи здания или сооружения.

3.9 ширина лестницы в свету: Минимальное расстояние между внутренними поверхностями тетив лестницы.

3.10 шаг ступенек: Расстояние между верхними кромками двух соседних ступенек лестницы, установленной в рабочем положении.

3.11 статическая нагрузка: Внешнее воздействие, прикладываемое к лестнице или ее составной части, не изменяющее во времени своей величины и направления.

3.12 остаточная деформация: Расстояние между контрольной точкой на испытываемом образце, находящемся в исходном состоянии и этой же точкой на том же образце после снятия нагрузки.

3.13 длина лестницы: Расстояние между верхними кромками нижней крайней ступеньки и верхней крайней ступеньки.

3.14 узел крепления: Конструктивный элемент лестницы, позволяющий крепить ее к различным силовым элементам здания.

3.15 предельно допустимая нагрузка: Максимальная эксплуатационная нагрузка на лестницу или его составную часть.

3.16 работоспособность (работоспособное состояние): Состояние лестницы, при котором значения всех параметров, характеризующих способность выполнять заданные функции, соответствуют требованиям нормативно-технической и конструкторской документации (по ГОСТ 27.002).

3.17 рабочий цикл: Последовательность действий, указанных в руководстве по эксплуатации, включающих в себя приведение лестницы в рабочее состояние, спуск по ней одного человека и возвращение лестницы в состояние режима ожидания.

3.18 режим ожидания: Состояние лестницы, определенное требованиями руководства по эксплуатации, в котором она находится в промежутке времени между установкой ее на объекте и применением по назначению.

4 Классификация

По конструктивному исполнению тетив лестницы навесные спасательные пожарные подразделяют:

- на канатные: канат стальной (Кст) или канат из синтетических материалов (Кси);

- цепные (Ц);

- ленточные (Л);

- выдвижные (В).

По расположению на защищаемом объекте:

- носимые (Н);

- стационарные (С);

- фасадные (Ф).

5 Технические требования

5.1 Лестница не должна иметь острых краев, заусенцев, деталей, способных нанести повреждения телу человека или препятствующих его движению.

5.2 Длина лестницы должна быть не более 15 м.

5.3 Ширина лестницы в свету должна быть не менее 250 мм.

5.4 Шаг ступенек лестницы должен быть не более 350 мм.

5.5 Размеры и конфигурации поперечного сечения ступеньки лестницы должны обеспечивать удобство и безопасность ее использования. При изготовлении ступеньки круглого сечения диаметр должен быть не менее 26 мм.

5.6 В рабочем положении конструкция лестницы должна обеспечивать горизонтальность ступенек.

5.7 Масса переносной навесной лестницы должна быть не более 20 кг.

5.8 Остаточная деформация середины ступеньки после воздействия на нее статической нагрузки 1471,5 Н (150 кгс) не должна превышать 2 % от ширины лестницы в свету.

5.9 Ступенька лестницы должна выдерживать без деформации и пространственных смещений статическую нагрузку, равную 1471,5 Н (150 кгс), приложенную вплотную к одной из тетив.

5.10 Лестница в рабочем положении должна выдерживать без деформации статическую нагрузку не менее 3528 Н (360 кгс).

5.11 Лестница должна быть оборудована упорами, не позволяющими лестнице прикасаться к стене. Длина упоров должна быть от 110 до 220 мм.

5.12 Материалы, применяемые при изготовлении лестниц, должны быть стойкими к наружному и внутреннему коррозионному воздействию. Металлические детали из материалов, не обладающих коррозионной стойкостью, должны иметь защитные и защитно-декоративные покрытия в соответствии с требованиями ГОСТ 9.301 и ГОСТ 9.303. Лакокрасочные покрытия должны быть выполнены в соответствии с требованиями ГОСТ 9.032, ГОСТ 9.104, ГОСТ 23852 и должны сохранять свои защитные и декоративные свойства в течение срока службы, определенного в технической документации на лестницу.

5.13 Лестницы должны быть работоспособными в диапазоне температуры от минус 40 °C до 40 °С.

5.14 Лестница должна оставаться работоспособной после воздействия на нее температурой 600 °C в течение 180 с.

5.15 Лестница должна оставаться работоспособной после воздействия на нее нагретым до температуры 450 °C стержнем в течение 30 с.

5.16 Лестница должна оставаться работоспособной после воздействия на нее открытым пламенем в течение 30 с.

5.17 Назначенный ресурс (Тн) лестницы должен составлять не менее 50 рабочих циклов.

6 Требования к комплектности

Эксплуатационные документы на изделия должны отвечать требованиям ГОСТ 2.601.

В обязательный комплект поставки должны входить:

- лестница в сборе;

- эксплуатационные документы в соответствии с ГОСТ 2.601;

- индивидуальная упаковка.

7 Требования к маркировке

7.1 На лестнице должна быть нанесена отчетливая маркировка, содержащая:

- условное обозначение;

- наименование или товарный знак предприятия-изготовителя;

- серийный номер изделия;

- дату изготовления (год и месяц).

7.2 Условное обозначение лестницы должно иметь следующую структуру:

ЛНСП Х-ХХ-ХХ, ТУ

1     2     3     4      5

1 - наименование;

2 - конструктивное исполнение тетив;

3 - длина лестницы в метрах;

4 - расположение на защищаемом объекте;

5 - обозначение технического документа, в соответствии с которым изготовлена лестница.

Пример условного обозначения:

ЛНСП Кст-15-Н, ТУ 525482-0000-00000000-00. Лестница навесная спасательная пожарная, материал тетив - канат стальной, длина 15 м, носимая, технические условия 525482 (48 5485)-000-00000000-00.

7.3 Маркировка должна сохраняться в течение всего срока эксплуатации.

7.4 Транспортная маркировка должна соответствовать ГОСТ 14192.

7.5 На сумке или контейнере для хранения лестницы могут быть нанесены рисунки (пиктограммы), поясняющие порядок работы с лестницей.

8 Правила приемки

8.1 Объем и виды испытаний

8.1.1 Лестницы должны подвергаться приемо-сдаточным, приемочным, квалификационным, периодическим, типовым и сертификационным испытаниям.

Периодические и приемо-сдаточные испытания проводятся в соответствии с ГОСТ Р 15.309.

Приемочные и квалификационные испытания проводятся в соответствии с ГОСТ Р 15.201.

Типовые испытания проводятся в случае внесения изменений в конструкцию, материалы или технологию изготовления лестниц. Типовые испытания проводятся по специально разработанной программе.

8.1.2 Номера пунктов, в которых изложены технические требования и методы испытаний по показателям назначения приведены в таблице 1.

Для проведения испытаний в объеме, указанном в таблице 1, необходимо не менее 8 образцов.

Таблица 1

Показатель

Разделы, пункты настоящего стандарта

Технические требования

Методы испытаний

Качество обработки поверхностей и безопасность конструкции

5.1

9.2

Длина лестницы

5.2

9.3

Ширина лестницы в свету

5.3

9.4

Шаг ступенек

5.4

9.5

Размер и форма ступеньки

5.5

9.6

Горизонтальность ступенек

5.6

9.7

Масса переносной лестницы

5.7

9.8

Величина остаточной деформации

5.8

9.9

Стойкость ступеньки на срез

5.9

9.10

Прочность лестницы

5.10

9.11

Наличие упоров и их функциональность

5.11

9.12

Устойчивость к воздействию повышенной температуры

5.14

9.13

Устойчивость к воздействию нагретым стержнем

5.15

9.14

Устойчивость к воздействию открытым пламенем

5.16

9.15

Назначенный ресурс

5.17

9.16

Соответствие упаковки требованиям нормативных документов

11

9.17

Соответствие маркировки требованиям нормативных документов

7

9.18

Соответствие требованиям комплектности нормативных документов

6

9.19

8.2 Общие положения

8.2.1 Лестницы испытывают в состоянии, в котором они предлагаются потребителю.

8.2.2 Все испытания должны проводиться в нормальных климатических условиях по ГОСТ 15150, 3.15.

8.2.3 Перед испытаниями образцы выдерживают в нормальных климатических условиях в течение 24 часов, если не оговорено другое требование.

8.2.4 Отбор образцов для испытания проводится по ГОСТ 18321. Количество образцов - в соответствии с объемом испытаний, при условии обеспечения достоверности полученных результатов.

8.2.5 При проведении испытаний допускается использовать другие измерительные средства, по точности не уступающие указанным.

9 Методы испытаний

9.1 Общие требования к проведению испытаний

9.1.1 Нагрузки, прикладываемые к испытываемым изделиям, должны быть статическими.

9.1.2 Приборы и оборудование, применяемые при испытаниях, должны быть проверены, иметь действующие паспорта и обеспечивать необходимую точность измерений.

9.1.3 Осмотр лестницы и проведение необходимых измерений по результатам испытания должны производиться не ранее чем через 60 с после снятия нагрузки.

9.1.4 Перед испытаниями образцы лестниц выдерживают в нормальных климатических условиях в течении 24 часов.

9.2 Проверка качества поверхностей и безопасности конструкции. Проверка качества изготовления

Отбор образцов

Испытания проводят на трех образцах лестниц.

Проведение испытания

Проверка качества изготовления проводится визуально с последующим сличением результатов осмотра с требованиями конструкторской документации.

Оценка результатов

Изделие считается выдержавшим проверку, если на всех трех образцах не обнаружено нарушений: целостности лестницы, антикоррозийного покрытия. Лестницы не имеют острых краев, заусенцев деталей, способных нанести повреждения телу человека или препятствующих его движению.

9.3 Проверка длины лестницы

Отбор образцов

Испытания проводят на трех образцах лестниц.

Оборудование

Рулетка измерительная металлическая по ГОСТ 7502.

Проведение испытания

Длину лестницы, установленной в соответствии с руководством по эксплуатации (РЭ), измеряют с погрешностью не более ± 5 мм между верхними кромками нижней крайней ступеньки и верхней крайней ступеньки.

Оценка результатов

Изделие считают выдержавшим проверку, если длина каждой лестницы соответствует требованиям технической документации, но не более 15 м.

9.4 Проверка ширины лестницы в свету

Отбор образцов

Испытания проводят на одном образце лестницы.

Оборудование

Рулетка измерительная металлическая по ГОСТ 7502.

Проведение испытания

Лестницу устанавливают в соответствии с РЭ.

Ширину лестницы в свету проверяют путем измерения расстояния между тетивами. Замеры необходимо проводить на трех произвольно выбранных ступеньках, с погрешностью не более ± 5 мм.

Оценка результатов

Изделие считают выдержавшим проверку, если ширина лестницы в свету соответствует требованиям технической документации, но не менее 250 мм.

9.5 Проверка величины шага ступенек

Отбор образцов

Испытания проводят на одном образце лестницы.

Оборудование

Линейка измерительная металлическая по ГОСТ 427.

Проведение испытания

Шаг ступенек проверяют путем измерения расстояния между верхними кромками двух соседних ступенек лестниц. Замеры необходимо проводить на двух парах произвольно выбранных ступенек, с погрешностью не более ± 2 мм.

Оценка результатов

Изделие считают выдержавшим проверку, если шаг ступенек лестницы соответствует требованиям технической документации, но не более 350 мм.

9.6 Проверка размера и формы ступеньки

Отбор образцов

Испытания проводят на одном образце лестницы.

Оборудование

Штангенциркуль по ГОСТ 166.

Проведение испытания

Геометрические размеры ступеньки, произвольно выбранной по длине лестницы, измеряют в трех произвольно выбранных сечениях, с погрешностью не более ± 0,1 мм.

Оценка результатов

Изделие считают выдержавшим проверку, если размеры и конфигурация поперечного сечения ступеньки лестницы обеспечивают удобство и безопасность ее использования и линейные размеры соответствуют требованиям технической документации. Диаметр ступеньки круглого сечения должен быть не менее 26 мм.

9.7 Проверка горизонтальности ступенек

Отбор образцов

Испытания проводят на одном образце лестницы.

Оборудование

Угломер с нониусом по ГОСТ 5378.

Проведение испытания

Количество ступенек должно быть не менее двух произвольно выбранных по длине лестницы.

Лестницу устанавливают на полную длину в соответствии с РЭ.

Горизонтальность ступеней определяют угломером, установленным в соответствии с рисунком 1. Величина отклонения от горизонтали во всех измерениях должна быть не более ± 5°.

Оценка результатов

Изделие считают выдержавшим проверку, если конструкция лестницы обеспечивает заданную горизонтальность ступенек.

9.8 Проверка массы

Отбор образцов

Испытания проводят на трех образцах лестниц.

Оборудование

Весы для статического взвешивания по ГОСТ 29329.

Проведение испытания

Лестницу вместе с индивидуальной упаковкой взвешивают с погрешностью не более ± 0,1 кг.

Оценка результатов

Изделие считают выдержавшим проверку, если масса каждой из трех лестниц вместе с индивидуальной упаковкой соответствует требованиям, указанным в технической документации, и не превысила 20 кг.

9.9 Проверка величины остаточной деформации

Отбор образцов

Испытания проводят на одном образце лестницы.

Оборудование:

а) секундомер по ГОСТ 5072;

б) контрольный груз массой (150 ± 2) кг;

в) шаблон - металлический цилиндр (труба), имеющий одинаковую толщину сечения по всей длине в соответствии с рисунком А.1 (приложение А);

г) пластина для проверки величины остаточной деформации в соответствии с рисунком Б.1 (приложение Б).

Проведение испытания

Лестницу устанавливают согласно руководству по эксплуатации на полную длину. На произвольно выбранную ступеньку сверху накладывают шаблон и производят измерение их суммарной толщины с погрешностью не более ± 0,1 мм.

Нагружение производят путем подвески контрольного груза к середине ступени (см. рисунок 2) через пластину в соответствии с рисунком Б.1 (приложение Б). Время воздействия нагрузки должно составлять (120 ± 1) с.

После снятия нагрузки на испытываемую ступеньку сверху накладывают шаблон и измеряют их суммарную толщину в месте приложения нагрузки.

1 - угломер; 2 - испытываемая ступенька

Рисунок 1 - Схема установки угломера

1 - испытываемая ступенька; 2 - груз

Рисунок 2 - Испытание ступеньки лестницы на величину остаточной деформации

Оценка результатов

Изделие считают выдержавшим испытание, если остаточная деформация, равная разнице измерений, проведенных до и после нагружения ступеньки, не превысила 2 % ширины в свету испытываемой лестницы.

После данного испытания лестница подлежит утилизации.

9.10 Проверка стойкости ступеньки на срез

Отбор образцов

Испытания проводят на одном образце лестницы.

Оборудование:

а) секундомер по ГОСТ 5072;

б) контрольный груз массой (150 ± 5) кг;

в) пластина для проверки величины остаточной деформации в соответствии с рисунком Б.1 (приложение Б).

Проведение испытания

Лестницу устанавливают в соответствии с РЭ на полную длину. Измеряют горизонтальность испытываемой ступеньки с погрешностью не более ± 1°.

Производят нагружение ступеньки вплотную к одной из тетив путем подвески контрольного груза (см. рисунок 3) через пластину в соответствии с рисунком Б.1 (приложение Б).

Время воздействия нагрузки должно составлять (120 ± 1) с.

После снятия нагрузки проводят проверку горизонтальности ступеньки.

Оценка результатов

Изделие считается выдержавшим испытание, если не произошло отрыва ступеньки лестницы от тетивы, сохраняется горизонтальность нагружаемой ступеньки.

После данного испытания лестница подлежит утилизации.

1 - испытываемая ступенька; 2 - груз

Рисунок 3 - Испытание ступеньки лестницы на срез

9.11 Проверка прочности лестницы

Отбор образцов

Испытания проводят на одном образце лестницы.

Оборудование:

а) секундомер по ГОСТ 5072;

б) контрольный груз массой (360 ± 5) кг.

Проведение испытания

Лестницу устанавливают в соответствии с РЭ на полную длину. Производят нагружение лестницы путем подвески контрольного груза (см. рисунок 4) к двум нижним ступенькам, вплотную к тетивам. Время воздействия нагрузки должно составлять (120 ± 1) с.

Оценка результатов

Изделие считают выдержавшим испытание, если лестница выдержала нагрузку без разрушения конструктивных элементов. Допускаются незначительные деформации элементов лестницы.

После данного испытания лестница подлежит утилизации.

9.12 Наличие упоров и их функциональность

Отбор образцов

Испытания проводят на трех образцах лестниц.

Оборудование

Линейка измерительная металлическая по ГОСТ 427.

Проведение испытания

Проверка наличия упоров проводится визуально. Длину упоров измеряют с погрешностью не более ± 1,0 мм.

1 - лестница; 2 - ступеньки, к которым крепят груз; 3 - груз

Рисунок 4 - Испытание лестницы на прочность

Оценка результатов

Изделие считается выдержавшим проверку, если лестница имеет упоры, их длина у всех образцов составляет от 110 до 220 мм, а тетивы лестницы, установленной согласно РЭ, не касаются вертикальной поверхности сооружения (здания).

9.13 Проверка устойчивости к воздействию повышенной температуры

Отбор образцов

Испытания проводят на одном образце лестницы.

Оборудование:

а) термокамера, позволяющая поддерживать температуру (600 ± 30) °C в течение не менее 180 с;

б) секундомер по ГОСТ 5072;

в) контрольный груз массой (360 ± 5) кг.

Проведение испытания

Испытание проводится в следующем порядке:

- поместить образец лестницы в печь с температурой (600 ± 30) °C на расстоянии не менее 50 мм от стенок;

- выдержать образец в печи в течение (180 ± 1) с;

- произвести нагружение образца в соответствии с 9.11 после теплового воздействия в течение не более 0,5 часа.

Оценка результатов

Изделие считают выдержавшим испытание, если не обнаружено нарушения целостности лестницы, нарушения антикоррозийного покрытия, лестница выдержала нагрузку без разрушения конструктивных элементов. Допускаются незначительные деформации элементов лестницы.

После данного испытания лестница подлежит утилизации.

9.14 Проверка устойчивости к воздействию нагретым стержнем

Отбор образцов

Испытания проводят на одном образце лестницы.

Оборудование:

а) термокамера, позволяющая поддерживать температуру (450 ± 30) °C в течение не менее 20 мин;

б) секундомер по ГОСТ 5072;

в) шаблон - металлический цилиндр (труба), имеющий одинаковую толщину сечения по всей длине, в соответствии с рисунком А.1 (приложение А);

г) стержень стальной в соответствии с рисунком В.1 (приложение В);

д) контрольные грузы массой (150 ± 5; 360 ± 5) кг.

Проведение испытания

Испытание проводится в следующей последовательности:

- разложить образец лестницы на горизонтальной поверхности;

- прогреть стальной стержень при температуре (450 ± 10) °С в течение не менее 20 минут;

- не позднее чем через 5 с после окончания прогрева наложить стержень посередине одной из тетив перпендикулярно ее продольному направлению;

- не позднее чем через 5 с после окончания прогрева наложить стержень посередине произвольно выбранной ступеньки перпендикулярно ее продольному направлению;

- снять стержень с образца через (30 ± 1) с;

- после воздействия нагретым стержнем на ступеньку, в течение не более 0,5 часа произвести нагружение образца в соответствии с 9.9;

- после воздействия нагретым стержнем на тетиву лестницы, в течение не более 0,5 часа произвести нагружение образца в соответствии с 9.11.

Оценка результатов

Изделие считают выдержавшим испытание, если лестница выдержала нагрузку без разрушения тетив, конструктивных элементов. Допускаются незначительные деформации элементов лестницы. После данного испытания лестница подлежит утилизации.

9.15 Проверка устойчивости к воздействию открытым пламенем

Отбор образцов

Испытания проводят на одном образце лестницы.

Оборудование:

а) секундомер по ГОСТ 5072 с погрешностью измерения не более ± 0,2 с;

б) линейка металлическая с ценой деления 1 мм по ГОСТ 427;

в) стенд для огневых испытаний (см. рисунок 5).

Проверка устойчивости к воздействию открытым пламенем проводится на ступеньке и тетиве лестницы.

1 - испытываемый образец (тетивы, ступеньки); 2 - опоры; 3 - емкость для горючего

Рисунок 5 - Схема испытаний образца ступеньки и тетивы лестницы на воздействие открытого пламени

Проведение испытания

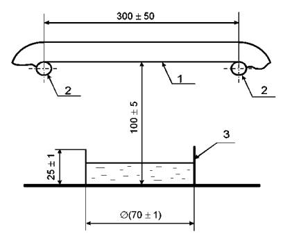
Испытание проводится в следующей последовательности:

- установить образец тетивы на стенд для огневых испытаний в соответствии с рисунком 5;

- наполнить емкость, расположенную по центру стенда, спиртом этиловым (ГОСТ 18300 или ГОСТ 17299) в количестве (10 ± 1) мл при температуре (20 ± 5) °С;

- поджечь спирт этиловый и в течение (30 ± 1) с выдержать образец под воздействием открытого пламени;

- повторить указанные выше действия для ступеньки лестницы.

После прекращения воздействия пламени при помощи секундомера фиксируется время остаточного горения и тления материала тетивы и ступеньки;

- после воздействия открытым пламенем на тетиву, в течение 0,5 часа произвести нагружение образца лестницы в соответствии с 9.11;

- после воздействия открытым пламенем на ступеньку, в течение 0,5 часа произвести нагружение образца в соответствии с 9.9.

Оценка результатов

Изделие считают выдержавшим испытание, если время остаточного горения и тления материала не превышает 5 с, лестница выдержала нагрузку без разрушения тетив. Остаточная деформация ступеньки не превысила 2 % ширины в свету испытываемой лестницы.

После данного испытания лестница подлежит утилизации.

9.16 Проверка назначенного ресурса

Отбор образцов

Испытания проводят на одном образце лестницы.

Проведение испытания

Испытание проводят путем выполнения назначенного в конструкторской документации (КД) количества рабочих циклов для одного изделия.

Продолжительность испытаний должна составлять не менее 50 циклов.

При сохранении работоспособности после 50 циклов применения проводят испытание и оценку изделия по методике, изложенной в 9.11.

Оценка результатов

Изделие считают выдержавшим проверку назначенного ресурса, если в процессе испытания не произошло ни одного отказа.

При испытаниях, связанных со спусками по лестнице людей, в обязательном порядке осуществлять верхнюю страховку испытателей в соответствии с рисунком Г.1 (приложение Г).

После данного испытания лестница подлежит утилизации.

9.17 Проверка соответствия упаковки

Отбор образцов

Испытания проводят на трех образцах лестниц.

Проведение испытания

Проверка упаковки производится визуально сличением образцов с требованиями конструкторской документации.

Оценка результатов

Изделие считают выдержавшим проверку, если не обнаружено несоответствие упаковки требованиям конструкторской документации.

9.18 Проверка соответствия маркировки требованиям нормативных документов

Отбор образцов

Испытания проводят на трех образцах лестниц.

Проведение испытания

Проверка маркировки производится визуально сличением образцов с требованиями настоящего стандарта.

Оценка результатов

Изделие считают выдержавшим проверку, если не обнаружено несоответствие маркировки требованиям настоящего стандарта.

9.19 Проверка соответствия комплектности требованиям нормативных документов

Отбор образцов

Испытания проводят на трех образцах лестниц.

Проведение испытания

Проверка комплектности производится визуально сличением образцов с требованиями стандарта.

Оценка результатов

Изделие считают выдержавшим проверку, если не обнаружено несоответствие комплектации требованиям 6 таблицы 1 настоящего стандарта.

10 Транспортирование и хранение

Условия транспортирования и хранения лестниц должны соответствовать условиям их эксплуатации, установленным в технической документации (ТД).

Транспортирование лестниц должно осуществляться всеми видами транспорта на любое расстояние в соответствии с Правилами перевозки грузов, действующими на конкретном виде транспорта.

Условия хранения лестниц должны соответствовать требованиям, указанным в технической документации на изделие.

11 Упаковка

В условиях потребителя переносная лестница должна храниться в специальной упаковке, позволяющей переносить ее одним человеком и обеспечивающей ее сохранность в течение гарантийного срока.

В условиях потребителя стационарная лестница должна храниться в специальном контейнере, обеспечивающем ее сохранность в течение гарантийного срока.

Транспортная упаковка должна обеспечивать сохранность лестниц при перевозках и складском хранении.

12 Гарантии изготовителя

Срок гарантии с начала эксплуатации лестниц должен быть не менее 12 месяцев.

Приложение А

(обязательное)

Шаблон для проверки величины остаточной деформации

L - ширина лестницы в свету; D - диаметр, не менее 26 мм

Примечание - Неуказанные предельные отклонения размеров: по H14, h14, ± t2/2. Материал марки Ст 3 по ГОСТ 380.

Рисунок А.1 - Шаблон для проверки величины остаточной деформации

Приложение Б

(обязательное)

Пластина для проверки величины остаточной деформации

1 - металлическая пластина; 2 - резиновая прокладка (допускается склейка из листов меньшей толщины)

Примечание - Неуказанные предельные отклонения размеров: по H14. Материал марки Ст 3 по ГОСТ 380. Резина по ГОСТ 7926.

Рисунок Б.1 - Пластина для проверки величины остаточной деформации, стойкости ступеньки на срез, прочности лестницы

Приложение В

(обязательное)

Стержень

Примечание - Материал марки Ст 3 по ГОСТ 380.

Рисунок В.1 - Стержень для проверки устойчивости лестницы к воздействию нагретым предметом

Приложение Г

(обязательное)

Схема страховки при испытаниях, связанных со спусками по лестнице людей

1 - лестница; 2 - здание; 3 - блок; 4 - страховочная веревка; 5 - испытатель; 6 - приспособление для экстренного торможения веревки; 7 - оператор, осуществляющий страховку испытателя; 8 - якорь

Рисунок Г.1 - Схема страховки при испытаниях, связанных со спусками по лестнице людей

Ключевые слова: пожарная техника, лестницы навесные спасательные, методы испытаний