Стандарт устанавливает нормы и методы расчета на прочность цилиндрических обечаек, конических элементов и выпуклых днищ сосудов и аппаратов, применяемых в химической, нефтехимической, нефтеперерабатывающей и смежных отраслях промышленности, работающих в условиях однократных статических нагрузок под внутренним избыточным давлением, вакуумом или наружным давлением, под действием усилий и изгибающих моментов, при нагружении опорными узлами: несущими ушками, опорными лапами, седповыми опорами или опорными стойками.
| Обозначение: | ГОСТ Р 52857.5-2007 |
| Название рус.: | Сосуды и аппараты. Нормы и методы расчета на прочность. Расчет обечаек и днищ от воздействия опорных нагрузок |
| Статус: | действует |
| Дата актуализации текста: | 05.05.2017 |
| Дата добавления в базу: | 01.09.2013 |
| Дата введения в действие: | 01.04.2008 |
| Утвержден: | 27.12.2007 Федеральное агентство по техническому регулированию и метрологии (503-ст) |
| Опубликован: | Стандартинформ (2008 г. ) Стандартинформ (2009 г. ) |
| Ссылки для скачивания: |
|
ФЕДЕРАЛЬНОЕ АГЕНТСТВО |
||
|
|
НАЦИОНАЛЬНЫЙ |
ГОСТ
Р |
Сосуды и аппараты
НОРМЫ И МЕТОДЫ РАСЧЕТА
НА ПРОЧНОСТЬ
Расчет обечаек и днищ от воздействия
опорных нагрузок
|
|
Москва |
Предисловие
Цели и принципы стандартизации в Российской Федерации установлены Федеральным законом от 27 декабря 2002 г. № 184-ФЗ «О техническом регулировании», а правила применения национальных стандартов Российской Федерации - ГОСТ Р 1.0-2004 «Стандартизация в Российской Федерации. Основные положения»
Сведения о стандарте
1. РАЗРАБОТАН Открытым акционерным обществом «Научно-исследовательский и конструкторский институт химического машиностроения» (ОАО НИИХИММАШ); Закрытым акционерным обществом «Петрохим Инжиниринг» (ЗАО Петрохим Инжиниринг); Открытым акционерным обществом «Всероссийский научно-исследовательский и проектно-конструкторский институт нефтяного машиностроения» (ОАО ВНИИНЕФТЕМАШ); Федеральной службой по экологическому, технологическому и атомному надзору (Ростехнадзор)
2. ВНЕСЕН Техническим комитетом по стандартизации ТК 260 «Оборудование химическое и нефтегазоперерабатывающее»
3. УТВЕРЖДЕН И ВВЕДЕН В ДЕЙСТВИЕ Приказом Федерального агентства по техническому регулированию и метрологии от 27 декабря 2007 г. № 503-ст
4. В настоящем стандарте учтены основные нормативные положения следующих международных и европейских стандартов:
Директивы 97/23 ЕС Европейского Парламента и Совета от 29 мая 1997 г. по сближению законодательств государств-членов, касающейся оборудования, работающего под давлением; ЕН 13445-3:2002 «Сосуды, работающие под давлением. Часть 3. Расчет» (EN 13445-3:2002 «Unfired pressure vessel - Part 3: Design»)
5. ВВЕДЕН ВПЕРВЫЕ
Информация об изменениях к настоящему стандарту публикуется в ежегодно издаваемом информационном указателе «Национальные стандарты», а текст изменений и поправок - в ежемесячно издаваемых информационных указателях «Национальные стандарты». В случае пересмотра (замены) или отмены настоящего стандарта соответствующее уведомление будет опубликовано в ежемесячно издаваемом информационном указателе «Национальные стандарты». Соответствующая информация, уведомление и тексты размещаются также в информационной системе общего пользования - на официальном сайте Федерального агентства по техническому регулированию и метрологии в сети Интернет
СОДЕРЖАНИЕ
НАЦИОНАЛЬНЫЙ СТАНДАРТ РОССИЙСКОЙ ФЕДЕРАЦИИ
|
Сосуды и аппараты НОРМЫ И МЕТОДЫ РАСЧЕТА НА ПРОЧНОСТЬ Расчет обечаек и днищ от воздействия опорных нагрузок Vessels and
apparatus. Norms and methods of strength calculation. |
Дата введения - 2008-04-01
Настоящий стандарт устанавливает нормы и методы расчета на прочность цилиндрических обечаек, конических элементов и выпуклых днищ сосудов и аппаратов, применяемых в химической, нефтехимической, нефтеперерабатывающей и смежных отраслях промышленности, работающих в условиях однократных1) статических нагрузок под внутренним избыточным давлением, вакуумом или наружным давлением, под действием усилий и изгибающих моментов, при нагружении опорными узлами: несущими ушками, опорными лапами, седловыми опорами или опорными стойками.
_____________
1) Нормы и методы расчета применяются также при многократных нагрузках при условии, что число циклов и размах нагрузок не превышают значений, при которых по ГОСТ Р 52857.6 необходимо проводить расчет на малоцикловую прочность.
Нормы и методы расчета на прочность применимы при условии, что отклонение от геометрической формы и неточности изготовления рассчитываемых элементов сосудов не превышают допусков, установленных нормативными документами.
Настоящий стандарт не распространяется на расчет самих опорных узлов.
Настоящий стандарт применяется совместно с ГОСТ Р 52857.1.
В настоящем стандарте использованы ссылки на следующие стандарты:
ГОСТ Р 52857.1-2007 Сосуды и аппараты. Нормы и методы расчета на прочность. Общие требования
ГОСТ Р 52857.2-2007 Сосуды и аппараты. Нормы и методы расчета на прочность. Расчет цилиндрических и конических обечаек, выпуклых и плоских днищ и крышек
ГОСТ Р 52857.6-2007 Сосуды и аппараты. Нормы и методы расчета на прочность. Расчет на прочность при малоцикловых нагрузках
Примечание - При пользовании настоящим стандартом целесообразно проверить действие ссылочных стандартов в информационной системе общего пользования - на официальном сайте Федерального агентства по техническому регулированию и метрологии в сети Интернет или по ежегодно издаваемому информационному указателю «Национальные стандарты», который опубликован по состоянию на 1 января текущего года, и по соответствующим ежемесячно издаваемым информационным указателям, опубликованным в текущем году. Если ссылочный стандарт заменен (изменен), то при пользовании настоящим стандартом следует руководствоваться заменяющим (измененным) стандартом. Если ссылочный стандарт отменен без замены, то положение, в котором дана ссылка на него, применяется в части, не затрагивающей эту ссылку.
В настоящем стандарте применены следующие обозначения:
а - длина выступающей цилиндрической части сосуда, включая отбортовку днища, мм;
b - ширина седловой опоры, мм;
b0 - длина основания опорной стойки, мм;
b1 - длина несущего ушка в основании, мм;
b2 - ширина подкладного листа, мм;
b3 - длина подкладного листа, мм;
b4 - ширина основной плиты опорной лапы, мм;
с - сумма прибавок к расчетной толщине стенки, мм;
b1max - максимальная длина ребра опоры, мм;
d1 - диаметр окружности опорных стоек, мм;
d2 - наружный диаметр опорной стойки, мм;
d3 - диаметр подкладного листа, мм;
d4 - диаметр опорной окружности, мм;
de - эффективный диаметр опорной стойки, мм;
D - внутренний диаметр цилиндрической обечайки или выпуклого днища, мм;
Dк - внутренний диаметр конической обечайки в сечении, соответствующем половине линии контакта опорного узла, мм;
Dр - расчетный диаметр, мм;
e - длина свободно выступающей части эквивалентного сосуда, мм;
e1 - расстояние между точкой приложения усилия и обечайкой или подкладным листом, мм;
e2 - расстояние между осью отверстия и средней линией ушка, мм;
e3 - расстояние между точкой приложения усилия и нейтральной осью кольца жесткости, мм;
e4 - расстояние между стенкой сосуда и нейтральной осью кольца жесткости при пластическом изгибе, мм;
f - превышение подкладного листа над гребнем опоры в окружном направлении, мм;
F - расчетное осевое растягивающее или сжимающее усилие (сжимающее усилие со знаком минус), действующее на полную площадь сечения обечайки в направлении оси цилиндрической или конической обечайки (без учета нагрузки, возникающей от внутреннего избыточного или наружного давления), Н;
Fi - расчетное усилие, действующее на i-ю опору, Н;
[F] - допускаемое усилие из условия устойчивости, Н;
[F]1, [F]2, [F]3 - допускаемое усилие на опорный элемент, Н;
g - расстояние между средними линиями ребер, мм;
G - вес сосуда, Н;
h1 - высота опорной лапы, мм;
Н - высота выпуклой части днища по внутренней поверхности без учета цилиндрической отбортовки, мм;
k - скос ребра опоры, мм;
K1 - K23 - коэффициенты;
l - длина линии контакта опоры с днищем, мм;
l1 - длина опорной лапы, мм;
L - длина цилиндрической части сосуда, включая длину цилиндрической отбортовки днища, мм;
Li - расстояние между двумя соседними седловыми опорами, мм;
lе - эффективная несущая длина стенки сосуда, мм;
М - расчетный изгибающий момент, действующий на обечайку в сечении, где расположены опорные узлы, в условиях эксплуатации или испытания (монтажа), Н · мм;
Mi - расчетный изгибающий момент над i-й опорой, Н · мм;
Mi,j - максимальный расчетный изгибающий момент между опорами i и j, Н · мм;
[M] - допускаемый изгибающий момент из условия устойчивости, Н · мм;
[M]1 - допускаемый изгибающий момент для опорной стойки, Н · мм;
n - число опор;
p - расчетное внутреннее избыточное или наружное давление (наружное давление со знаком «минус»), МПа;
[p] - допускаемое внутреннее избыточное или наружное давление, МПа;
q - распределенная нагрузка эквивалентного сосуда, Н/мм;
Qi - максимальное поперечное усилие, действующее в сечении над i-й опорой, Н;
[Q] - допускаемое поперечное усилие, Н;
r - радиус нейтрального волокна кольца жесткости, мм;
rm - радиус средней кривизны днища у опорной окружности, мм;
R - радиус сферической обечайки или сферического сегмента торосферического днища, мм;
s - исполнительная толщина стенки обечайки, мм;
s1 - исполнительная толщина стенки выпуклого днища, мм;
s2 - исполнительная толщина подкладного листа, мм;
t - ширина участка кольца жесткости в месте приварки к стенке обечайки, мм;
W1 - момент упругого сопротивления кольца жесткости при изгибе, мм3;
Wк - момент упругого сопротивления кольца жесткости при кручении, мм3;
x - расстояние между осью эллиптического днища и серединой опорного узла, мм;
a - половина угла раствора при вершине конической обечайки, ...°;
a1 - угол между направлением усилия и вертикалью к стенке обечайки, ...°;
a2 - угол наклона меридиональной касательной у опорной окружности, ...°;
b - угол между осью опорной стойки и вертикалью, ...°;
δ1 - угол охвата седловой опоры, ...°;
δ2 - угол охвата сосуда подкладным листом, ...°;
j - коэффициент прочности сварных швов обечайки, расположенных в области опорного узла;
-
коэффициент, представляющий отношение местных мембранных напряжений к местным
напряжениям изгиба;
-
коэффициент, учитывающий степень нагрузки общими мембранными напряжениями;
-
общие мембранные напряжения, МПа;
- мембранные
напряжения в меридиональном направлении, МПа;
- мембранные
напряжения в окружном направлении, МПа;
[si] - предельное напряжение изгиба, МПа;
[s], [s]к - допускаемые напряжения соответственно для обечайки и кольца жесткости в условиях эксплуатации или испытания (монтажа), МПа.
4.1. Для обечайки, нагруженной опорным узлом, определяют местные допускаемые усилия [F]i. В основу расчета обечаек, нагруженных несущими ушками, опорными лапами или седловыми опорами, положено предельное напряжение изгиба [si], определяемое из условия достижения предельного состояния балки прямоугольного сечения, вырезаемой из обечайки.
Для обечаек, установленных на опорные стойки, используют решение по определению предельной нагрузки F этого узла.
4.2. Предельное напряжение изгиба вычисляют по формуле, которая ограничивает местные напряжения изгиба в зависимости от местных мембранных напряжений и степени нагрузки общими мембранными напряжениями
[si] = K1K2[s], (1)
где 
![]()
[s] - допускаемое напряжение в рабочих условиях и условиях испытания (монтажа), определяемое по ГОСТ Р 52857.1.
для опорных узлов указано в 5.4.4, 6.4.4, 6.4.8,
7.5.2.1.
вычисляют по формуле
При
<
0 принимают
, а знак коэффициента
меняют
на обратный.
Если расстояние между опорным узлом и ближайшим сварным швом
более
, то принимают j = 1. Общие
мембранные напряжения определяют в соответствии с 4.3, 5.4.4, 5.4.5, 6.4.4, 6.4.8, 7.5.2.1.
4.3. Общие мембранные напряжения
4.3.1. Общее меридиональное мембранное напряжение в цилиндрической обечайке вычисляют по формуле
4.3.2. Общее меридиональное мембранное напряжение в конической обечайке вычисляют по формуле
4.3.3. Общее окружное мембранное напряжение в цилиндрической и конической обечайках вычисляют по формуле
4.3.4. Общее мембранное напряжение в сферической обечайке, сферическом сегменте торосферического днища и эллиптическом днище вычисляют по формуле
4.3.5. Диаметр Dp вычисляют по формулам:
- для цилиндрической обечайки:
Dр = D; (7)
- для конической обечайки:
(8)
- для сферической обечайки и сферического сегмента торосферических днищ:
Dp = R; (9)
- для эллиптического днища:
(10)
- для эллиптического днища с
:
(11)
5.1. Основные размеры несущих ушек приведены на рисунках 1 - 4.
Рисунок 1 - Несущее ушко, приваренное в меридиональном направлении к неукрепленной цилиндрической обечайке

Рисунок 2 - Несущее ушко, приваренное в окружном направлении к неукрепленной цилиндрической обечайке
|
|
|
|
а - в окружном направлении |
б - в продольном направлении |
Рисунок 3 - Несущее ушко, приваренное к укрепленной кольцом жесткости цилиндрической обечайке
Рисунок 4 - Примеры применения ушек
5.2. Условия применения расчетных формул
5.2.1. Формулы применяют, когда ![]()
При наличии подкладного листа b3 £ 1,5b1; s2 ³ s.
5.2.2. Нагрузка действует в плоскости несущего ушка.
5.2.3. К торосферическим днищам несущее ушко должно быть приварено в области сферического сегмента, к эллиптическим днищам - в области 0 £ x £ 0,4D.
5.3. Расчет усилия
Усилие F1, действующее на несущее ушко, определяют по специальным методам расчета. Для симметричного сосуда, закрепленного на двух симметрично расположенных несущих ушках, F1 вычисляют по формуле
(12)
5.4. Проверка несущей способности обечайки, не подкрепленной элементами жесткости
5.4.1. Несущая способность обечайки в месте приварки несущего ушка без подкладного листа должна удовлетворять условию
(13)
5.4.2. Несущая способность обечайки в месте приварки несущего ушка с подкладным листом должна удовлетворять условию
(14)
5.4.3. K3 и K4 определяют по графикам, приведенным на рисунках 5 и 6, b0 принимают:

K5 вычисляют по формулам:
(15)
где
;
.
5.4.4. При
определении [si] - предельное напряжение изгиба
по формуле (1), коэффициент K1 вычисляют со
следующими значениями
и
:
- для несущих ушек цилиндрических
и конических обечаек, приваренных в продольном направлении, принимают
;
вычисляют по формуле
(2),
, равное
вычисляют по формуле
(5);
- для окружных
несущих ушек цилиндрических и конических обечаек принимают
;
вычисляют по формуле
(2),
равное
, вычисляют по формуле (3) или (4).
Рисунок 5 - Коэффициент K3
5.4.5.
Для несущих ушек, приваренных к выпуклым днищам, расчет следует проводить
отдельно для несущего ушка, приваренного вдоль обечайки, и для несущего ушка,
приваренного в окружном направлении обечайки, вычисляя в обоих случаях
по формуле (6).
Решающим будет меньшее значение [F]1.
5.4.6. Для условий
монтажа при
предельное напряжение
изгиба принимают:
(16)
Рисунок 6 - Коэффициент K4
5.5. Проверка несущей способности цилиндрической обечайки, подкрепленной кольцом жесткости, расположенным непосредственно под несущим ушком
5.5.1. При расчете r, e3, W1 и Wк учитывают эффективную несущую длину lе обечайки, вычисляемую по формуле
(17)
5.5.2. Несущая способность должна удовлетворять условию
(18)
K6 вычисляют по формулам:
(19)
Если [s]к > [s], то вместо [s]к подставляют [s].
6.1. Основные размеры опорных лап приведены на рисунке 7.
Рисунок 7
6.2. Условия применения расчетных формул
6.2.1. Опорные лапы присоединены к цилиндрическим или коническим обечайкам. Направление действия усилия принимают параллельно оси обечайки.
6.2.2. Расчетные формулы применяют при условиях:
![]()
g ³ 0,2h1,
![]()
![]()
![]()
b2 ³ 0,6b3,
b3 £ 1,5h1,
s2 ³ s.
6.3. Расчет усилия
6.3.1. Усилие, действующее на опорную лапу, вычисляют по формуле
(20)
Если неизвестно точное значение e1,
то принимают
.
6.3.2. При наличии момента M допускается устанавливать аппарат на две опорные лапы при условии, что момент действует в плоскости опор.
6.3.3. При n = 4, обеспечивающих равномерное распределение нагрузки между всеми опорными лапами (точный монтаж, установка прокладок, подливка бетона и т.п.), усилие вычисляют по формуле
(21)
6.4. Проверка несущей способности обечайки
6.4.1. Несущая способность обечайки в месте приварки опорной лапы без подкладного листа должна удовлетворять условию
6.4.2. При
значение [F]1, полученное по формуле (22),
необходимо умножить на
.
6.4.3. K7 вычисляют по формулам:
- для конструкции А и С:
|
K7 = ехр[(-5,964 - 11,395x - 18,984y - 2,413x2 - 7,286xy - 2,042y2 + 0,1322x3 + 0,4833x2у + 0,8469ху2 + 1,428y3) · 10-2], |
(23) |
- для конструкции В:
(24)
- для конструкции D:
|
K7 = ехр[(-29,532 - 45,958x - 91,759z - 1,801x2 - 12,062xz - 18,872z2 + 0,1551x3 + 1,617x2z + 3,736xz2 + 1,425z3) · 10-2], |
(25) |
где
![]()
6.4.4. [si] - вычисляют по формуле (1).
K1 вычисляют при
;
- по формуле (2), где
равное
, - по формуле (5) для конструкций А, В и С и
, равное
, - по формуле (3) или (4) для конструкции D.
6.4.5. Несущая способность обечайки в месте приварки опорной лапы с подкладным листом должна удовлетворять условию
6.4.6. При
значение [F]1, полученное по формуле (26),
необходимо умножить на
.
6.4.7. Коэффициент K8 вычисляют по формуле:
(27)
где
![]()
6.4.8. [si] - вычисляют по формуле (1).
K1 вычисляют при
;
- по формуле (2), где
, равное
, - по формуле (5).
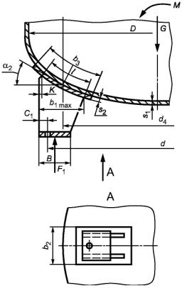
7.1. Основные размеры седловых опор приведены на рисунках 8 и 9.
а - сосуд, опирающийся симметрично на две седловые опоры

б - сосуд, опирающийся симметрично на три или более опоры

c - сосуд, опирающийся несимметрично
Рисунок 8 - Схемы расположения седловых опор для сосудов

а - цилиндрическая обечайка, не подкрепленная элементами жесткости
б - цилиндрическая обечайка, подкрепленная кольцами жесткости
Рисунок 9 - Расчетная схема седловой опоры
7.2. Условия применения расчетных формул
7.2.1. Расчетные формулы применимы при выполнении условий:
60° £ δ1£ 0,05,
![]()
s2 ³ s,
δ2 ³ δ1 + 20°.
Площадь поперечного сечения кольца жесткости ![]()
7.3. Расчетные усилия, расчетная схема
7.3.1. Расчетная схема определения усилий
В качестве основной расчетной схемы для определения опорных усилий, моментов и поперечных усилий принимают балку переменного кольцевого сечения, шарнирно опертую в местах расположения опор и нагруженную в общем случае распределенными и сосредоточенными усилиями в зависимости от конструкции сосуда. Расчетные усилия и моменты определяют методами технической механики. На рисунке 10 представлена одна из возможных расчетных схем для цилиндрического сосуда постоянного сечения с эллиптическими днищами, симметрично опертого на две опоры.
Рисунок 10 - Расчетная схема определения усилий
Нагрузки для приведенной на рисунке 10 балки вычисляют по формулам
(28)
(29)
7.3.2. Опорное усилие Fi в общем случае определяется методами технической механики
Для схемы, приведенной на рисунке 10,
(30)
7.3.3. Изгибающие моменты и поперечные усилия
Изгибающие моменты следует вычислять в сечениях обечайки над опорами Mi и между опорами Mijв сечениях, где они имеют наибольшие значения.
Поперечные усилия следует вычислять в сечениях обечайки над опорами Qi.
В общем случае изгибающие моменты и поперечные усилия определяют методами технической механики.
Для схемы, приведенной на рисунке 10, момент Mi над опорой вычисляют по формуле
(31)
Максимальный момент Mij между опорами i и j для схемы, представленной на рисунке 10, вычисляют по формуле
(32)
Поперечное усилие в сечении оболочки над опорой для схемы, представленной на рисунке 10, вычисляют по формуле
![]()
(33)
7.4. Проверка несущей способности обечайки в сечении между опорами
Несущую способность обечайки в сечении между опорами следует проверять при условии
max{Mij} > max{Mi}. (34)
7.4.1. Сосуды, работающие под внутренним избыточным давлением
Условие прочности:
(35)
где Мij - изгибающий момент по 7.3.3;
K9 - коэффициент, учитывающий частичное заполнение жидкостью, вычисляют по формуле
|
K9 = max{1,6 - 0,20924(x - 1) + 0,028702х(x - 1) + 0,4795 · 10-3y(x - 1) - 0,2391 · 10-6xy(x - 1) - 0,29936 · 10-2(x - 1)х2 - 0,85692 · 10-6(x - 1)y2 + 0,88174 · 10-6x2(x - 1)y - 0,75955 · 10-8y2(x - 1)x + 0,82748 · 10-4(x - 1)x3 + 0,48168 · 10-9(х - 1)у3; 1,0}, |
(36) |
где
![]()
Условие устойчивости:
(37)
7.4.2. Сосуды, работающие под наружным давлением
Условие устойчивости:
(38)
где [M] - допускаемый изгибающий момент; [p] - допускаемое наружное давление. В случае обечайки, укрепленной кольцами жесткости, допускаемое наружное давление определяют в области между двумя соседними кольцами жесткости.
7.5. Проверка несущей способности оболочки, не укрепленной кольцами жесткости в области опорного узла
Несущая способность должна быть проверена в нижних точках (2) и (3) (см. рисунок 9).
7.5.1. Параметры системы, общее меридиональное мембранное напряжение
Параметр, определяемый расстоянием до днища, вычисляют по формуле
(39)
Параметр, определяемый шириной пояса опоры, вычисляют по формуле
(40)
Общее меридиональное мембранное напряжение изгиба, действующее в области опорного узла, вычисляют по формуле
где Mi - изгибающий момент по 7.3.3.
7.5.2. Цилиндрическая обечайка без подкладных листов
Fi £ min{[F]2, [F]3}, (42)
где [F]2 - допускаемое опорное усилие от нагружения в меридиональном направлении, вычисляемое по формуле
(43)
[F]3 - допускаемое опорное усилие от нагружения в окружном направлении, вычисляемое по формуле
(44)
где [si]2, [si]3 - предельные напряжения изгиба, вычисляемые по формуле (1).
Коэффициенты
и
для определения
коэффициента K1
приведены в таблице 1. Для
принимают
соответственно
или
, дающие наименьшее предельное напряжение изгиба.
Таблица 1
|
[sI]2,3 |
|
|
|
|
[si]2 |
|
|
|
|
[si]3 |
|
0 |
|
K10
- коэффициент, учитывающий влияние ширины пояса опоры (
),
K12
- коэффициент, учитывающий влияние угла охвата (
),
K14
- коэффициент, учитывающий влияние угла охвата (
),
K16 - коэффициент, учитывающий влияние расстояния до
днища (
),
K17 - коэффициент, учитывающий влияние ширины пояса
опоры (
).
7.5.2.2. Проверку устойчивости следует проводить по формуле
где p = 0 - для сосудов, работающих под внутренним избыточным давлением;
[p] - допускаемое наружное давление (для обечайки, укрепленной кольцами жесткости, допускаемое наружное давление определяют в области между двумя соседними кольцами жесткости);
Fe - эффективное осевое усилие от местных мембранных напряжений, действующих в области опоры, вычисляемое по формуле
(46)
где
K13
- коэффициент, учитывающий влияние угла охвата (
);
K15 - коэффициент, учитывающий влияние расстояния до
днища (
);
K11
- коэффициент, учитывающий влияние ширины пояса опоры(
);
вычисляют по формуле (41).
При вычислении коэффициентов K12 - K17 значение угла δ1 следует подставлять в радианах.
7.5.3. Цилиндрическая обечайка с подкладными листами
7.5.3.1. Проверка несущей способности
Проверку несущей способности следует проводить по 7.5.2.1. В этом случае:
- подкладной лист рассматривают как седловую опору шириной b2 с углом охвата δ2;
- во всех формулах вместо b следует принимать b2, вместо δ1 следует принимать δ2, толщину подкладного листа не учитывают;
- подкладной лист рассматривают как усиление стенки сосуда, во всех формулах и на графиках вместо (s - с) следует подставлять sef, вычисляемую по формуле
(47)
Устойчивость проверяют по 7.5.2.2.
7.6. Проверка несущей способности обечайки с кольцом жесткости в области опорного узла
7.6.1. Проверка прочности и устойчивости стенки сосуда
7.6.1.1. Сосуды, работающие под внутренним избыточным давлением, проверяют по условию прочности
(48)
где Мi - изгибающий момент по 7.3.3.
Устойчивость следует проверять по формуле (45), принимая р = 0 и Fe = 0.
7.6.1.2. Сосуды, работающие под наружным давлением
Устойчивость проверяют по формуле (45), принимая Fe = 0.
7.6.2. Прочность кольца жесткости должна удовлетворять условию
(49)
где K18 - коэффициент по таблице 2;
Таблица 2
|
|
|
|
|
K18 |
||
|
60° |
14 |
- |
|
90° |
21 |
20 |
|
120° |
33 |
28 |
|
150° |
56 |
50 |
|
180° |
103 |
- |
[Mт], e4 - определяют по таблице 3 (e4 > 0 во всех случаях). При этом параметры se и lе вычисляют по формулам
(50)
(51)
Знак «+» следует принимать для колец, расположенных снаружи сосуда, знак «-» - для колец, расположенных внутри сосуда.
|
Сечение кольца |
e4 |
[Mт] |
|
|
|
|
|
|
|
|
|
|
|
|
В случае применения профиля, не представленного в таблице 3, [Mт] следует вычислять по формуле
[Mт] = Wр[s]к, (52)
где Wp - пластический момент сопротивления площади поперечного сечения профиля, включая площадь lese. Нейтральная ось (для определения е4) разделяет площадь поперечного сечения профиля на две равные части.
8.1. Основные размеры цилиндрических опорных стоек приведены на рисунке 11.
Рисунок 11
8.2. Условия применения расчетных формул
8.2.1. Метод расчета днищ, установленных на наклонных опорных стойках, применяют, если их взаимное перемещение исключено.
8.2.2. Метод расчета применяют только для сосудов и аппаратов, работающих под внутренним избыточным давлением.
8.2.3. Формулы применяют при соблюдении условия d3 £ 1,6d2.
8.2.4. К торосферическим днищам опорные стойки должны быть присоединены в области сферического сегмента, а к эллиптическим днищам - в области 0 < x < 0,4D.
8.3. Расчет усилия
8.3.1. Вертикальное усилие на опорную стойку вычисляют по формуле
(53)
8.3.2. При п = 4, обеспечивающих равномерное распределение нагрузки между всеми опорными стойками (точный монтаж, установка прокладок, подливка бетона и т.п.), усилие вычисляют по формуле
(54)
8.3.3. Действие момента M допускается только в том случае, если опорные стойки связаны между собой жесткой рамой, препятствующей взаимному перемещению стоек.
При этом следует выполнить условие:
(55)
8.4. Проверка несущей способности выпуклого днища
8.4.1. Несущая способность выпуклого днища должна удовлетворять условиям
(56)
(57)
где [F]1 - допускаемое вертикальное усилие, вычисляемое по формуле (58);

[p] - допускаемое внутреннее избыточное давление в серединной области выпуклого днища по ГОСТ Р 52857.2.
8.4.2. Допускаемое вертикальное усилие вычисляют по формуле
8.4.3. rm и a2 определяют по таблице 4.
Таблица 4
|
Эллиптическое днище |
Торосферическое днище типов |
|||
|
Тип |
Н = 0,25D |
А |
В |
С |
|
rm |
|
D |
0,9D |
0,8D |
|
sina2 |
|
|
|
|
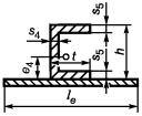
9.1. Основные размеры опорных пластинчатых стоек приведены на рисунке 12.
9.2. Условия применения расчетных формул
9.2.1. Метод расчета применяют только для эллиптических днищ, работающих под внутренним избыточным давлением.
9.2.2. Формулы применяют при соблюдении условий для эллиптических днищ:
![]()
![]()
![]()
b3 ³ 1,2l,
b2 ³ 0,6b3,
s2 ³ s1.
Рисунок 12 - Опорная стойка на эллиптическом днище
9.3. Расчетные усилия
9.3.1. Вертикальное усилие на опорную стойку вычисляют по формуле
(59)
9.3.2. При n = 4, обеспечивающих равномерное распределение нагрузки между всеми опорными стойками (точный монтаж, установка прокладок, подливка бетона и т.п.), усилие вычисляют по формуле
(60)
9.3.3. Меридиональный момент, передаваемый опорой на днище, вычисляют по формуле
(61)
9.3.4. При действии изгибающего момента М необходимо выполнить расчет на прочность фундаментного болта от действия растягивающего усилия:
![]()
(62)
Расчет на прочность фундаментного болта проводить не следует при выполнении условий:
(63)
9.4. Проверка несущей способности эллиптического днища
9.4.1. Несущую способность днища в месте приварки опорной лапы следует проверять по формуле
(64)
где [p] - допускаемое внутреннее избыточное давление в серединной области выпуклого днища по ГОСТ Р 52857.2;
угол a2 определяют по таблице 4.
9.4.2. Допускаемое нормальное усилие для неподкрепленного эллиптического днища вычисляют по формуле
[F]1 = 0,25K20 · [s](s1 - с)2(0,2 + d4/D), (65)
где d4 - диаметр сечения, проходящего через середину линии контакта опоры с днищем, вычисляют по формуле
d4 = d + 2C1 - K - b1max. (66)
9.4.3. Допускаемый меридиональный момент для неподкрепленного эллиптического днища вычисляют по формуле
[M]1 = 0,25K21[s](s1 - с)2D(0,2 + d4/D). (67)
9.4.4. Коэффициенты K20 и K21 определяют по графикам, приведенным на рисунках 13 и 14 соответственно, в зависимости от относительной толщины днища (s1 - с)/D и относительной длины линии контакта опоры с днищем l/D.
Рисунок 13 - Коэффициент K20
Рисунок 14 - Коэффициент K21
9.4.5. Длину линии контакта опоры с днищем вычисляют по формуле
l = (b1max - K)/sina2. (68)
9.4.6. Допускаемое нормальное усилие для подкрепленного подкладным листом эллиптического днища вычисляют по формуле
[F]1 = 0,25K20K22[s](s1 - с)2(0,2 + d4/D). (69)
9.4.7. Допускаемый меридиональный момент для подкрепленного подкладным листом эллиптического днища вычисляют по формуле
[M1] = 0,25K21K23[s](s1 - с)2D(0,2 + d4/D). (70)
9.4.8. Коэффициенты K22 и K23 определяют по графикам, приведенным на рисунках 15 и 16 соответственно.
Рисунок 15 - Коэффициент K22
Рисунок 16 - Коэффициент K23
|
Ключевые слова: сосуды и аппараты, нормы и методы расчета на прочность, опорные нагрузки |