Стандарт устанавливает нормы и методы расчета на прочность цилиндрических обечаек, конических элементов, выпуклых днищ и плоских крышек сосудов и аппаратов, применяемых в химической, нефтехимической, нефтеперерабатывающей и смежных отраслях промышленности, работающих в условиях однократных1) статических нагрузок под внутренним избыточным давлением, вакуумом или наружным давлением, под действием осевых и поперечных усилий и изгибающих моментов. Нормы и методы расчета на прочность применимы, если отклонение от геометрической формы и неточности изготовления рассчитываемых элементов сосудов не превышают допусков, установленных нормативными документами.
| Обозначение: | ГОСТ Р 52857.2-2007 |
| Название рус.: | Сосуды и аппараты. Нормы и методы расчета на прочность. Расчет цилиндрических и конических обечаек, выпуклых и плоских днищ и крышек |
| Статус: | действует |
| Дата актуализации текста: | 05.05.2017 |
| Дата добавления в базу: | 01.09.2013 |
| Дата введения в действие: | 01.04.2008 |
| Утвержден: | 27.12.2007 Федеральное агентство по техническому регулированию и метрологии (503-ст) |
| Опубликован: | Стандартинформ (2008 г. ) Стандартинформ (2009 г. ) |
| Ссылки для скачивания: |
|
ФЕДЕРАЛЬНОЕ
АГЕНТСТВО |
||
|
|
НАЦИОНАЛЬНЫЙ |
ГОСТ Р |
Сосуды и аппараты
НОРМЫ И МЕТОДЫ РАСЧЕТА НА ПРОЧНОСТЬ
Расчет цилиндрических и конических обечаек,
выпуклых и плоских днищ и крышек
|
|
Москва |
Цели и принципы стандартизации в Российской Федерации установлены Федеральным законом от 27 декабря 2002 г. № 184-ФЗ «О техническом регулировании», а правила применения национальных стандартов Российской Федерации - ГОСТ Р 1.0-2004 «Стандартизация в Российской Федерации. Основные положения»
Сведения о стандарте
1. РАЗРАБОТАН Открытым акционерным обществом «Научно-исследовательский и конструкторский институт химического машиностроения» (ОАО НИИХИММАШ); Закрытым акционерным обществом «Петрохим Инжиниринг» (ЗАО Петрохим Инжиниринг); Открытым акционерным обществом «Всероссийский научно-исследовательский и проектно-конструкторский институт нефтяного машиностроения» (ОАО ВНИИНЕФТЕМАШ); Федеральной службой по экологическому, технологическому и атомному надзору (Ростехнадзор)
2. ВНЕСЕН Техническим комитетом по стандартизации ТК 260 «Оборудование химическое и нефтегазоперерабатывающее»
3. УТВЕРЖДЕН И ВВЕДЕН В ДЕЙСТВИЕ Приказом Федерального агентства по техническому регулированию и метрологии от 27 декабря 2007 г. № 503-ст
4. В настоящем стандарте учтены основные нормативные положения следующих международных и европейских стандартов: Директивы 97/23 ЕС Европейского Парламента и Совета от 29 мая 1997 г. по сближению законодательств государств - членов, касающейся оборудования, работающего под давлением; ЕН 13445-3:2002 «Сосуды, работающие под давлением. Часть 3. Расчет» (EN 13445-3:2002 «Unfired pressure vessel - Part 3: Design»)
5. ВВЕДЕН ВПЕРВЫЕ
Информация об изменениях к настоящему стандарту публикуется в ежегодно издаваемом информационном указателе «Национальные стандарты», а текст изменений и поправок - в ежемесячно издаваемых информационных указателях «Национальные стандарты». В случае пересмотра (замены) или отмены настоящего стандарта соответствующее уведомление будет опубликовано в ежемесячно издаваемом информационном указателе «Национальные стандарты». Соответствующая информация, уведомление и тексты размещаются также в информационной системе общего пользования - на официальном сайте Федерального агентства по техническому регулированию и метрологии в сети Интернет
СОДЕРЖАНИЕ
|
5. Расчет цилиндрических обечаек. 6 6. Расчет выпуклых днищ и крышек. 15 |
НАЦИОНАЛЬНЫЙ СТАНДАРТ РОССИЙСКОЙ ФЕДЕРАЦИИ
|
Сосуды и аппараты НОРМЫ И МЕТОДЫ РАСЧЕТА НА ПРОЧНОСТЬ Расчет цилиндрических и конических обечаек, выпуклых и плоских днищ и крышек Vessels and apparatus. Norms and methods of strength
calculation. |
Дата введения - 2008-04-01
Настоящий стандарт устанавливает нормы и методы расчета на прочность цилиндрических обечаек, конических элементов, выпуклых днищ и плоских крышек сосудов и аппаратов, применяемых в химической, нефтехимической, нефтеперерабатывающей и смежных отраслях промышленности, работающих в условиях однократных1) статических нагрузок под внутренним избыточным давлением, вакуумом или наружным давлением, под действием осевых и поперечных усилий и изгибающих моментов. Нормы и методы расчета на прочность применимы, если отклонение от геометрической формы и неточности изготовления рассчитываемых элементов сосудов не превышают допусков, установленных нормативными документами.
____________
1) Нормы и методы расчета применяются также при многократных нагрузках при условии, что количество циклов и размах нагрузок не превышают значений, при которых по ГОСТ Р 52857.6 необходимо проводить расчет на малоцикловую прочность.
Настоящий стандарт применим совместно с ГОСТ Р 52857.1.
В настоящем стандарте использованы нормативные ссылки на следующие стандарты:
ГОСТ Р 52857.1-2007 Сосуды и аппараты. Нормы и методы расчета на прочность. Общие требования
ГОСТ Р 52857.3-2007 Сосуды и аппараты. Нормы и методы расчета на прочность. Укрепление отверстий в обечайках и днищах при внутреннем и внешнем давлениях. Расчет на прочность обечаек и днищ при внешних статических нагрузках на штуцер
ГОСТ Р 52857.6-2007 Сосуды и аппараты. Нормы и методы расчета на прочность. Расчет на прочность при малоцикловых нагрузках
ГОСТ Р 52857.8-2007 Сосуды и аппараты. Нормы и методы расчета на прочность. Сосуды и аппараты с рубашками
Примечание - При пользовании настоящим стандартом целесообразно проверить действие ссылочных стандартов в информационной системе общего пользования - на официальном сайте Федерального агентства по техническому регулированию и метрологии в сети Интернет или по ежегодно издаваемому информационному указателю «Национальные стандарты», который опубликован по состоянию на 1 января текущего года, и по соответствующим ежемесячно издаваемым информационным указателям, опубликованным в текущем году. Если ссылочный стандарт заменен (изменен), то при пользовании настоящим стандартом следует руководствоваться заменяющим (измененным) стандартом. Если ссылочный стандарт отменен без замены, то положение, в котором дана ссылка на него, применяется в части, не затрагивающей эту ссылку.
В настоящем стандарте применены следующие обозначения:
Aк - площадь поперечного сечения кольца жесткости, мм2;
Aр - площадь поперечного сечения ребра жесткости, мм2;
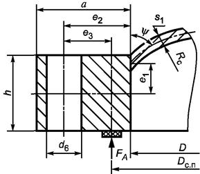
a - ширина кольца жесткости у сферического днища или крышки, мм;
a1р, a2р - расчетные длины переходных частей обечаек, мм;
a1, a2 - фактические длины переходных частей обечаек, мм;
B1, B2, B3, B4, B5, B6, В7 - безразмерные коэффициенты;
b - расстояние между двумя смежными кольцами жесткости, мм;
bi (i = 1, 2, 3, ... n) - длины хорд отверстий в днищах, мм;
c - сумма прибавок к расчетным толщинам стенок, мм;
c1 - прибавка для компенсации коррозии и эрозии, мм;
c2 - прибавка для компенсации минусового допуска, мм;
c3 - технологическая прибавка, мм;
D - внутренний диаметр сосуда или аппарата, мм;
Dc. п - средний диаметр прокладки, мм (см);
DE - эффективный диаметр конической обечайки при внешнем давлении, мм;
DF- эффективный диаметр конической обечайки при осевом сжатии и изгибе, мм;
Dк - расчетный диаметр гладкой конической обечайки, мм;
Dр - расчетный диаметр днища (крышки) и конической обечайки, мм;
D1 - наружный диаметр сосуда или аппарата, а также диаметр меньшего основания конической обечайки, мм;
D2 - наименьший диаметр наружной утоненной части крышки, мм;
D3 - диаметр болтовой окружности, мм;
d - диаметр отверстия в днище или крышке, мм;
dб - диаметр отверстия под болт (шпильку), мм;
dо - наружный диаметр центральной втулки, мм;
di (i = 1, 2, 3, ... n) - диаметр отверстий в днищах, мм;
Е - модуль продольной упругости при расчетной температуре, МПа;
e - расстояние между центром тяжести поперечного сечения кольца жесткости и срединной поверхностью обечайки, мм;
eо - расстояние от центра тяжести поперечного сечения ребра жесткости до его основания, мм;
e1 - расстояние от точки пересечения средней линии стенки сферического сегмента с кольцом до горизонтальной оси, проходящей через центр тяжести кольца, мм;
e2 - расстояние от окружности расположения болтов до внутреннего диаметра кольца, мм;
e3 - расстояние от окружности расположения болтов до линии действия реакции прокладки, мм;
e4 - расстояние от срединной поверхности пластины крышки с ребрами до нейтральной поверхности, мм;
F - расчетное осевое растягивающее или сжимающее усилие (без учета нагрузки, возникающей от внутреннего избыточного или наружного давления), Н;
[F] - допускаемое растягивающее или сжимающее усилие, Н;
[F]E - допускаемое осевое сжимающее усилие из условия устойчивости в пределах упругости, Н;
[F]п - допускаемое осевое сжимающее усилие из условия прочности при j = 1, Н;
[F]E1 - допускаемое осевое сжимающее усилие, определяемое из условия местной устойчивости в пределах упругости, Н;
[F]E2 - допускаемое осевое сжимающее усилие, определяемое из условия общей устойчивости в пределах упругости, Н;
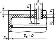
Н - высота выпуклой части днища без учета цилиндрической части, мм;
h3 - расстояние от нижней поверхности крышки (днища) до нижнего торца втулки, мм;
H1 - высота втулки, мм;
h - высота кольца, мм;
h1 - длина цилиндрической части отбортовки днищ, мм;
h2 - высота сечения кольца жесткости, измеряемая от срединной поверхности обечайки, мм;
h3 - расстояние от нижней поверхности крышки (днища) до нижнего торца втулки, мм;
I - эффективный момент инерции расчетного поперечного сечения кольца жесткости, мм4;
Iк - момент инерции поперечного сечения кольца жесткости относительно оси, проходящей через центр тяжести поперечного сечения кольца (относительно оси X - X), мм4;
Iр - расчетный эффективный момент инерции расчетного поперечного сечения кольца жесткости, мм4;
K - коэффициент конструкции плоских днищ и крышек;
K1, K2, K3, K4, K5, K6, K7 - безразмерные коэффициенты;
k - коэффициент жесткости обечайки, подкрепленной кольцами жесткости;
Kо - коэффициент ослабления плоских днищ (крышек) отверстием;
Kр - поправочный коэффициент;
Kэ - коэффициент приведения радиуса кривизны эллиптического днища;
Kс - коэффициент тонкостенности сферических днищ;
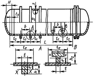
L - расчетная длина цилиндрической обечайки, укрепленной кольцами жесткости, мм;
l - расчетная длина гладкой обечайки, мм;
lЕ - эффективная длина конической обечайки, мм;
le - эффективная длина стенки обечайки, учитываемая при определении эффективного момента инерции, мм;
lпр - приведенная длина, мм;
l1 - расстояние между двумя кольцами жесткости по осям, проходящим через центр тяжести поперечного сечения колец жесткости, мм;
l2 - расстояние между крайними кольцами жесткости и следующими эффективными элементами жесткости, мм;
l3 - длина примыкающего элемента, учитываемая при определении расчетной длины l или L, мм;
M - расчетный изгибающий момент, Н · мм;
[М] - допускаемый изгибающий момент, Н · мм;
n - число радиальных ребер;
[М]E - допускаемый изгибающий момент из условия устойчивости в пределах упругости, Н · мм;
[М]п - допускаемый изгибающий момент из условия прочности при j = 1, Н · мм;
nу - коэффициент запаса устойчивости;
p - расчетное внутреннее избыточное или наружное давление, МПа;
pF - эквивалентное давление при нагружении осевым усилием, МПа;
pм - эквивалентное давление при нагружении изгибающим моментом, МПа;
[p] - допускаемое внутреннее избыточное или наружное давление, МПа;
[p]E - допускаемое наружное давление из условия устойчивости в пределах упругости, МПа;
[p]п - допускаемое наружное давление из условия прочности при j = 1, МПа;
[p]1 - допускаемое внутреннее избыточное давление или наружное, определяемое из условия прочности или устойчивости всей обечайки (с кольцами жесткости), МПа;
[p]1E - допускаемое наружное давление из условия устойчивости всей обечайки (с кольцами жесткости) в пределах упругости, МПа;
[p]1п - допускаемое наружное давление из условия прочности всей обечайки при j = 1, МПа;
[p]2 - допускаемое внутреннее избыточное давление или наружное, определяемое из условия прочности или устойчивости обечайки между двумя соседними кольцами жесткости, МПа;
[Q]E - допускаемое поперечное усилие из условия устойчивости в пределах упругости, Н;
[Q]п - допускаемое поперечное усилие из условия прочности при j = 1, Н;
Q - расчетное поперечное усилие, Н;
Q0 - дополнительное усилие, действующее на центральную часть крышки с ребрами, Н;
[Q] - допускаемое поперечное усилие, Н;
R - радиус кривизны в вершине днища по внутренней поверхности, мм;
Rс - радиус кривизны сферического сегмента по внутренней поверхности, мм;
r - внутренний радиус отбортовки конической обечайки (днища), мм;
Rб - болтовая нагрузка, Н;
Rп - реакция прокладки, Н;
rв - радиус выточки, мм;
r1 - наружный радиус отбортовки торосферического днища, мм;
s - исполнительная толщина стенки обечайки, мм;
sк - исполнительная толщина стенки конической обечайки, мм;
sп - толщина крышки в месте уплотнения, мм;
sp - расчетная толщина стенки обечайки или днища, мм;
sк.p - расчетная толщина стенки конической обечайки, мм;
s1p - расчетная толщина стенки днища (крышки) или переходной части конической обечайки, мм;
s2p - расчетная толщина стенки переходной части обечайки, мм;
sт - исполнительная толщина стенки тороидального перехода конической обечайки, мм;
s' - исполнительная толщина стенки пологого конического днища, мм;
sт.р - расчетная толщина стенки переходной части с тороидальным переходом, мм;
s1э; s2э - эффективные толщины стенок переходной части обечаек, мм;
s1 - исполнительная толщина стенки днища (крышки) или переходной части конической обечайки, мм;
s2 - исполнительная толщина стенки переходной части обечайки, мм;
s3 - толщина крышки вне уплотнения, мм;
s4 - толщина утоненной части днища в месте кольцевой выточки, мм;
s5 - исполнительная толщина выступающей выше днища части обечайки, мм;
t - ширина поперечного сечения кольца жесткости в месте его приварки к обечайке, мм;
tв - толщина втулки, мм;
tj - несущая ширина кольцевого сварного шва, мм;
a; a1; a2 - половина угла раствора при вершине конической обечайки, град;
b1, b2, b3, b4, b5, b6, b7, b8, b, bо, bт, bн, bа - коэффициенты формы;
χ - отношение
допускаемых напряжений
![]()
λ - гибкость элемента;
ψ - угол между касательной к сферическому сегменту в краевой зоне и вертикальной осью, град;
[s] - допускаемое напряжение при расчетной температуре, МПа;
[s]20 - допускаемое напряжение при температуре 20 °C, МПа;
[s]к - допускаемое напряжение для ребра жесткости при расчетной температуре, МПа;
[s]1, [s]2, [s]5 - допускаемое напряжение для частей сосуда (цилиндрических, конических, сферических) при расчетной температуре, МПа;
[s]р - допускаемое напряжение для ребра жесткости, МПа;
[s]в - допускаемое напряжение для втулки, МПа;
Σd1 - максимальная сумма длин хорд отверстий в наиболее ослабленном диаметральном сечении днища или крышки, мм;
j - коэффициенты прочности сварных швов;
jк - коэффициент прочности сварных швов кольца жесткости;
jр - коэффициент прочности продольного сварного шва;
jт - коэффициент прочности кольцевого сварного шва;
j1 - коэффициент снижения допускаемых напряжений при расчете на устойчивость из условия местной устойчивости при осевом сжатии;
j2 - коэффициент снижения допускаемых напряжений при расчете на устойчивость из условия общей устойчивости при осевом сжатии;
j3 - коэффициент снижения допускаемых напряжений при расчете на устойчивость из условия местной устойчивости при изгибе.
4.1. Приведенный в настоящем стандарте расчет применим при выполнении требований ГОСТ Р 52857.1.
4.2. В основу расчетных формул, приведенных в настоящем стандарте, при оценке прочности положен метод предельных нагрузок. При расчете на устойчивость от внешнего давления, при вакууме, а также от других нагрузок, вызывающих сжимающее напряжение, в качестве предельного состояния принято достижение нижних критических напряжений.
4.3. При одновременном действии нескольких нагрузок (давления, осевого сжатия и т.п.) условие прочности (устойчивости) проверяют на основе линейного суммирования повреждений, за исключением случаев, когда имеются более точные решения.
4.4. В настоящем стандарте приведены формулы для определения исполнительных размеров элементов сосудов и аппаратов при проектировочном расчете и определении допускаемых нагрузок при поверочном расчете.
5.1. Расчетные схемы
5.1.1. Расчетные схемы цилиндрических обечаек приведены на рисунках 1 - 4.
а - обечайка с фланцем или с плоским днищем; б - обечайка с жесткими перегородками
Рисунок 1 - Гладкие цилиндрические обечайки

а - обечайка с отбортованными днищами; б - обечайка с неотбортованными днищами
Рисунок 2 - Гладкие обечайки с выпуклыми или коническими днищами

Рисунок 3 - Гладкие обечайки с рубашкой
Рисунок 4 - Цилиндрическая обечайка, подкрепленная кольцами жесткости
Примечание - Рисунки 1 - 4 не определяют конструкцию и приведены только для указания расчетных размеров.
5.2. Условия применения расчетных формул
5.2.1. Расчетные формулы применимы при отношении толщины стенки к диаметру:
для обечаек и
труб при D ³ 200 мм;
для труб при D < 200 мм.
5.2.2. Формулы, приведенные в 5.3.2; 5.3.4 - 5.3.7 и 5.4.2, следует применять при условии, что расчетные температуры не превышают значений, при которых учитывается ползучесть материалов, т.е. при таких температурах, когда допускаемое напряжение определяют только по пределу текучести или временному сопротивлению (пределу прочности). Если нет точных данных, то формулы допускается применять при условии, что расчетная температура стенки обечайки из углеродистой стали не превышает 380 °C, из низколегированной 420 °C, а из аустенитной 525 °C.
5.2.3. Для обечаек, подкрепленных кольцами жесткости, дополнительно к требованиям 5.2.1 и 5.2.2 следует выполнять следующие ограничения:
-
отношение высоты сечения кольца жесткости к диаметру ![]()
- расчетные формулы следует применять при условии равномерного расположения колец жесткости;
- в тех случаях, когда кольца жесткости установлены неравномерно, значения b и l1 необходимо подставлять для того участка, на котором расстояние между двумя соседними кольцами жесткости максимальное;
- если l2 > l1, то в качестве расчетной длины принимают l2.
5.2.4. Расчетные формулы для обечаек, работающих под действием осевого сжимающего усилия, приведенные в 5.3.4, 5.4.3, применимы при следующем условии:
или ![]()
Для
обечаек, у которых
или
при отсутствии более точных
расчетов, допускается пользоваться формулами (15) и (17).
5.3. Гладкие цилиндрические обечайки
5.3.1. Обечайки, нагруженные внутренним избыточным давлением
5.3.1.1. Толщину стенки вычисляют по формуле
s ³ sp + c, (1)
где расчетную толщину стенки вычисляют по формуле
5.3.1.2. Допускаемое внутреннее избыточное давление вычисляют по формуле
(3)
5.3.1.3. При изготовлении обечайки из листов разной толщины, соединенных продольными швами, расчет толщины обечайки проводят для каждого листа с учетом имеющихся в них ослаблений.
5.3.2. Обечайки, нагруженные наружным давлением
5.3.2.1. Толщина стенки
Толщину стенки предварительно вычисляют по формулам (4) и (5) с обязательной последующей проверкой по формуле (7)
s ³ sр+c, (4)
где расчетную толщину стенки вычисляют по формуле
Коэффициент В вычисляют по формуле (6)
5.3.2.2. Допускаемое наружное давление вычисляют по формуле
где допускаемое давление из условия прочности вычисляют по формуле
а допускаемое давление из условия устойчивости в пределах упругости вычисляют по формуле
(9)
где
(10)
При определении расчетной длины обечайки l или L длину примыкающего элемента l3 следует вычислять по формулам
- для выпуклых
днищ;
- для
конических обечаек (днищ) без отбортовки, но не более длины конического
элемента;
- для
конических обечаек (днищ) с отбортовкой, но не более длины
конического элемента.
5.3.3. Обечайки, нагруженные осевым растягивающим усилием
5.3.3.1. Толщину стенки вычисляют по формуле
s ³ sp + c, (11)
где расчетную толщину стенки вычисляют по формуле
(12)
5.3.3.2. Допускаемое осевое растягивающее усилие вычисляют по формуле
[F] = p · (D + s - c) · (s - c) · [s] · jт. (13)
5.3.4. Обечайки, нагруженные осевым сжимающим усилием
5.3.4.1. Допускаемое осевое сжимающее усилие вычисляют по формуле
где допускаемое осевое сжимающее усилие из условия прочности вычисляют по формуле
[F]п = p · (D + s - c) · (s - c) · [s], (15)
а допускаемое осевое сжимающее усилие в пределах упругости из условия устойчивости вычисляют по формуле
Примечание
- В случае если
формула (16) принимает вид [F]E = [F]E1.
В формуле (16) допускаемое осевое сжимающее усилие вычисляют из условия местной устойчивости в пределах упругости по формуле
а допускаемое осевое сжимающее усилие вычисляют из условия общей устойчивости в пределах упругости по формуле
(18)
Гибкость λ вычисляют по формуле
(19)
Приведенную расчетную длину lпр принимают по таблице 1. Для схем, не приведенных в таблице 1, lпр определяют с помощью специальных методов расчета.
Таблица 1 - Приведенная расчетная длина lпр
|
|
lпр |
|
|
|
- |
l |
|
|
- |
2l |
|
|
- |
0,7l |
|
|
- |
0,5l |
|
|
0 |
2,00l |
|
0,2 |
1,73l |
|
|
0,4 |
1,47l |
|
|
0,6 |
1,23l |
|
|
0,8 |
1,06l |
|
|
1,0 |
1,00l |
|
|
|
0 |
2,00l |
|
0,2 |
1,70l |
|
|
0,4 |
1,40l |
|
|
0,6 |
1,11l |
|
|
0,8 |
0,85l |
|
|
1,0 |
0,70l |
5.3.4.2. Для рабочих условий (nу = 2,4) допускаемое сжимающее усилие можно вычислять по формуле
[F] = p · (D + s - с) · (s - с) · [s] min{j1; j2}. (20)
Коэффициенты j1 и j2 следует определять по графикам, приведенным на рисунках 5 и 6.
5.3.5. Обечайки, нагруженные изгибающим моментом
5.3.5.1. Допускаемый изгибающий момент вычисляют по формуле
где допускаемый изгибающий момент из условия прочности вычисляют по формуле
(22)
а допускаемый изгибающий момент из условия устойчивости в пределах упругости вычисляют по формуле
(23,
5.3.5.2. Для рабочих условий (nу = 2,4) допускаемый изгибающий момент можно вычислять по формуле
(24)
Коэффициент j3 следует определять по графику, приведенному на рисунке 7.
5.3.6. Обечайки, нагруженные поперечными усилиями
Допускаемое поперечное усилие вычисляют по формуле
где допускаемое поперечное усилие из условия прочности вычисляют по формуле
[Q]n = 0,25[s] · p · D · (s - с), (26)
а допускаемое поперечное усилие из условия устойчивости в пределах упругости вычисляют по формуле
(27)
5.3.7. Обечайки, работающие под совместным действием наружного давления, осевого сжимающего усилия, изгибающего момента и поперечного усилия
Обечайки, работающие под совместным действием нагрузки, проверяют на устойчивость по формуле
(28)
где [p] - допускаемое наружное давление по формуле (7);
[F] -допускаемое осевое сжимающее усилие по формуле (14);
[М] - допускаемый изгибающий момент по формуле (21);
[Q] - допускаемое поперечное усилие по формуле (25).
Рисунок 5 - определения коэффициента j1
Рисунок 6 - График для определения коэффициента j2
Рисунок 7 - График для определения коэффициента j3
5.4. Цилиндрические обечайки, подкрепленные кольцами жесткости
5.4.1. Обечайки с кольцами жесткости, нагруженные внутренним избыточным давлением
5.4.1.1. Определение размеров колец жесткости при внутреннем давлении
Для заданных расчетного давления p и толщины стенки s коэффициент K4 следует вычислять по формуле
(29)
Если
K4 £ 0, то
укрепление кольцами жесткости не требуется. В диапазоне
расстояние между
двумя кольцами жесткости вычисляют по формуле
(30)
площадь поперечного сечения кольца жесткости вычисляют по формуле
(31)
Если
,
то толщину стенки необходимо увеличивать до такого размера, чтобы выполнялось
следующее условие:
![]()
Примечание - При определении площади поперечного сечения кольца жесткости Aк следует учитывать прибавку c1 для компенсации коррозии.
5.4.1.2. Допускаемое внутреннее избыточное давление вычисляют из условия
[p] = min {[p]1; [p]2}. (32)
Допускаемое внутреннее избыточное давление, определяемое из условий прочности всей обечайки, вычисляют по формуле
Допускаемое внутреннее избыточное давление, определяемое из условий прочности обечайки между двумя соседними кольцами жесткости, вычисляют по формуле
где ![]()
5.4.2. Обечайки с кольцами жесткости, нагруженные наружным давлением
5.4.2.1. Расчетные параметры подкрепленной обечайки
Эффективную длину стенки обечайки, учитываемую при определении эффективного момента инерции, определяют из условия
(35)
Эффективный момент инерции расчетного поперечного сечения кольца жесткости вычисляют по формуле
(36)
коэффициент жесткости обечайки, подкрепленной кольцами жесткости, вычисляют по формуле
(37)
Примечание - При определении момента инерции кольца жесткости следует учитывать прибавку с1 для компенсации коррозии.
5.4.2.2. Допускаемое наружное давление определяют из условия
[p] = min {[p]1; [p]2}. (38)
5.4.2.2.1. Допускаемое наружное давление, определяемое исходя из условий устойчивости всей обечайки, вычисляют по формуле
Допускаемое наружное давление [p]1п должно соответствовать величине [p]1, определенной по формуле (33) при значениях коэффициентов jр = 1,0 и jк = 1,0.
Допускаемое наружное давление [p]1E из условий устойчивости в пределах упругости следует рассчитывать по формуле
(40)
где
(41)
Допускаемое
наружное давление [p]2, определяемое исходя из
условий устойчивости обечайки между кольцами жесткости при значении длины
должно
соответствовать давлению [p] (см. 5.3.2.2). Вместо [p]п,
определенного по формуле (8), допускается принимать [p]2 по
формуле (34)
при значении коэффициента jт = 1,0.
5.4.3. Обечайки с кольцами жесткости, нагруженные осевым растягивающим или сжимающим усилием, изгибающим моментом или поперечным усилием
Допускаемые нагрузки следует рассчитывать по расчетным формулам (13), (14), (21), (25) при l = b. При определении приведенной расчетной длины lпр по таблице 1 вместо l следует принимать общую длину L.
5.4.4. Обечайки с кольцами жесткости, нагруженные совместно действующими нагрузками
Расчет следует проводить аналогично расчету по 5.3.7, при этом допускаемое наружное давление следует определять по 5.4.2.2.
6.1. Расчетные схемы
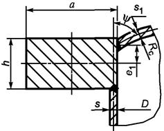
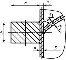
6.1.1. На рисунке 8 приведены расчетные схемы эллиптических, полусферических и торосферических днищ.
а - эллиптическое днище; б - полусферическое днище; в - торосферическое днище
Примечание - Рисунок не определяет конструкцию днищ и приведен только для указания необходимых расчетных размеров.
Рисунок 8 - Выпуклые днища
На рисунках 12 - 17 приведены расчетные схемы сферических днищ и крышек.
6.2. Условия применения расчетных формул
6.2.1. Формулы применимы при выполнении условий:
- для эллиптических днищ
![]()
![]()
- для торосферических днищ
![]()
Для торосферических днищ в зависимости от соотношения параметров R, D1, r1 приняты следующие типы днищ:
- тип А R = D1, r1 ³ 0,095D1;
- тип В R = 0,9D1, r1 ³ 0,170D1;
- тип С R = 0,8D1, r1 ³ 0,150D1
Для сферических неотбортованных днищ и крышек формулы следует применять при (s1 - с)/R £ 0,1 и 0,85D £ R £ D.
Для неотбортованных днищ (см. рисунки 12 - 15), нагруженных внутренним избыточным давлением, расчетные формулы следует применять при дополнительном условии (s1 - c)/R ³ 0,002.
Формулы для неотбортованных днищ и крышек применяют при условии выполнения угловых швов с двусторонним сплошным проваром.
Формулы не учитывают нагружение колец дополнительными нагрузками, например опорными элементами.
6.2.2. Формулы, приведенные в 6.3.2 и 6.4.2, применимы при условии, если расчетные температуры не превышают значений, при которых учитывается ползучесть материалов, т.е. при таких температурах, когда допускаемое напряжение определяют только по пределу текучести или временному сопротивлению (пределу прочности).
Если нет точных данных, то допускается формулы применять при условии, что расчетная температура стенки днища из углеродистой стали не превышает 380 °C, из низколегированной не превышает 420 °C, а из аустенитной не превышает 525 °C.
6.3. Эллиптические и полусферические днища
6.3.1. Эллиптические и полусферические днища, нагруженные внутренним избыточным давлением
6.3.1.1. Толщину стенки вычисляют по формуле
s1 ³ s1p + c, (42)
где
(43)
6.3.1.2. Допускаемое внутреннее избыточное давление вычисляют по формуле
(44)
6.3.1.3. Радиус кривизны в вершине днища равен:
(45)
где R = D - для эллиптических днищ с Н, равным 0,25D;
R = 0,5D - для полусферических днищ с Н, равным 0,5D.
6.3.1.4.
Если длина цилиндрической отбортованной части днища
для эллиптического
днища или
для полусферического днища, то толщина
днища должна быть не меньше толщины обечайки, рассчитанной в соответствии с 5.3.1
при jр = 1.
6.3.1.5. Для днищ, изготовленных из одной заготовки, коэффициент j = 1.
6.3.2. Эллиптические и полусферические днища, нагруженные наружным давлением
6.3.2.1. Толщину стенки предварительно вычисляют по формулам (46), (47) с обязательной последующей проверкой по формуле (48)
s1 ³ s1p + c, (46)
где
Для предварительного расчета Kэ принимают равным 0,9 для эллиптических днищ и 1,0 - для полусферических днищ.
6.3.2.2. Допускаемое наружное давление вычисляют по формуле
где допускаемое давление из условия прочности
(49)
а допускаемое давление из условия устойчивости в пределах упругости
(50)
6.3.2.3. Коэффициент Kэ определяют по графику, приведенному на рисунке 9, или по формуле (51) в зависимости от отношений D/s1 - c и H/D:
где
(52)
Рисунок 9 - График для определения коэффициента Kэ
6.4. Торосферические днища
6.4.1. Торосферические днища, нагруженные внутренним избыточным давлением
6.4.1.1. Толщину стенки в краевой зоне вычисляют по формуле
s1 ³ s1p + c, (53)
где
(54)
Для сварных днищ следует дополнительно проверить толщину стенки в центральной зоне по формуле
s1 ³ s1p + c, (55)
где
(56)
За расчетное значение принимают большее из значений, полученных по формулам (53) и (55).
6.4.1.2. Допускаемое избыточное давление из условия прочности краевой зоны вычисляют по формуле
Для сварных днищ необходимо дополнительно проверить допускаемое избыточное давление из условия прочности центральной зоны по формуле
За допускаемое давление принимается меньшее из давлений, определяемых по формулам (57), (58).
6.4.1.3. Коэффициент b1 определяют по графику, приведенному на рисунке 10, а b2 - по графику, приведенному на рисунке 11, или вычисляют по формулам:
Рисунок 10 - График для определения коэффициента b1
Рисунок 11 - График для определения коэффициента b2
(59)
6.4.1.4. Для днищ, изготовленных из целой заготовки, коэффициент j = 1.
6.4.1.5.
Если длина цилиндрической отбортованной части днища
то толщина цилиндрической
части днища должна быть не меньше толщины обечайки, рассчитанной по формулам (1), (2) при j = 1.
6.4.2. Торосферические днища, нагруженные наружным давлением
6.4.2.1. Торосферические днища, нагруженные наружным давлением, следует рассчитывать по формулам (46), (47) и (48) при Kэ = 1.
Кроме того, наружное давление не должно превышать допускаемое давление, определяемое по формуле (57).
6.5. Сферические неотбортованные днища и крышки
6.5.1. Сферические неотбортованные днища и крышки, нагруженные внутренним избыточным давлением
6.5.1.1. Толщину стенок крышек и днищ определяют методом последовательных приближений. Предварительно толщину стенки вычисляют по формуле
а затем по формуле
Расчет
проводят до тех пор, пока разница между полученным значением
и принятым s1, при
определении коэффициента b по формуле (66) не
будет превышать 5 %.
В качестве расчетной толщины стенки днища или крышки принимают большее из двух значений, определяемых по формулам (60) и (61).
Исполнительная толщина стенки
s1 ³ s1R + c. (62)
6.5.1.2. Допускаемое избыточное давление
[p] = min{[p1]; [p2]}, (63)
где [p1] - допускаемое избыточное давление из условия прочности краевой зоны
(64)
[p2] - допускаемое избыточное давление из условия прочности центральной зоны
(65)
6.5.1.3. b при М £ [М] вычисляют по формуле
6.5.1.3.1. При заданных геометрических размерах днищ тригонометрические функции вычисляют по формулам:

6.5.1.3.2. Отношение допускаемых напряжений вычисляют по формулам:
![]()
6.5.1.3.3. Величины Aк, М, [М] определяют по формулам, приведенным в таблице 2.
Таблица 2
Рисунок 12 - Сферические неотбортованные днища без укрепляющего кольца
Рисунок 13 - Сферическое неотбортованное днище с укрепляющим кольцом
Рисунок 14 - Сферическое неотбортованное днище с кольцом жесткости на обечайке
Рисунок 15 - Сферическая неотбортованная крышка
Предварительно размеры кольца a и h подбирают из условий:
для
моделей по рисункам 13, 14 ![]()
по рисунку 15 М < [М];
по рисунку 13 необходимо, чтобы e1 имело минимальное значение.
При наружном давлении на крышку (см. рисунок 15) в формуле при определении М давление p следует принимать со знаком минус.
Если прокладка лежит на всей привалочной поверхности, в формуле при определении М для крышки (см. рисунок 15) e3 = 0.
6.5.2. Сферические неотбортованные днища и крышки, нагруженные наружным давлением
6.5.2.1. Толщину стенки сферического сегмента днища или крышки предварительно вычисляют по формулам (60) - (62) с последующей проверкой по формулам (67) - (69).
6.5.2.2. Допускаемое наружное давление вычисляют по формуле
где [p]р - допускаемое наружное давление из условия прочности в центральной зоне.
(68)
[p]E - допускаемое наружное давление из условия устойчивости в пределах упругости:
6.5.2.3. Коэффициент Kс определяют по таблице 3 в зависимости от параметра Rc/(s1 - с).
Таблица 3
|
Значение коэффициента Kс при отношении Rc/(s1 - с) |
|||||||||
|
25 |
50 |
75 |
100 |
150 |
200 |
250 |
300 |
350 и более |
|
|
0,33 |
0,19 |
0,17 |
0,15 |
0,13 |
0,12 |
0,12 |
0,11 |
0,11 |
|
|
Крышка (рисунок 15) |
0,46 |
0,30 |
0,25 |
0,22 |
0,19 |
0,17 |
0,16 |
0,13 |
0,12 |
7.1. Область применения расчетных формул
7.1.1. Формулы применимы для расчета плоских круглых днищ и крышек при условии:
![]()
7.1.2.
Допускается проводить расчет при
но значение допускаемого давления,
рассчитанного
по формуле (75)
или (84),
следует умножать на поправочный коэффициент:
(70)
Если
при определении толщины днища по 7.2.1 или 7.3.1 в результате расчета
окажется, что
то необходимо
дополнительно определять допускаемое давление по 7.2.7 или 7.3.8 и
умножать
его на коэффициент Kр.
При Kр[p] < p толщину днища следует увеличивать так, чтобы было выполнено условие:
Kр[p] ³ p.
7.1.3. Формулы для расчета плоских круглых днищ и крышек с радиальными ребрами жесткости применимы при следующих условиях:
n ³ 6;

7.2. Расчет плоских круглых днищ и крышек
s1 ³ s1p + c, (71)
где
(72)
7.2.2. Коэффициент K в зависимости от конструкции днищ и крышек определяют по таблице 4.
Таблица 4
|
Рисунок |
Условия закрепления днищ и крышек |
K |
|
|
1 |
|
а ³ 1,7s |
0,53 |
|
Dр = D |
|||
|
2 |
|
а ³ 0,85s |
0,50 |
|
Dр = D |
|||
|
3 |
|
|
0,45 |
|
|
0,41 |
||
|
Dр = D |
|||
|
4 |
|
|
0,41 |
|
|
0,38 |
||
|
Dр = D |
|||
|
5 |
|
|
0,45 |
|
|
0,41 |
||
|
Dр = D |
|||
|
6 |
|
a > 0,85s |
0,50 |
|
Dр = D |
|||
|
7 |
|
|
0,41 |
|
|
0,38 |
||
|
Dр = D |
|||
|
8 |
|
|
0,41 |
|
|
0,38 |
||
|
9 |
|
max{s; 0,25s1} £ r £ min{s1; 0,1D} |
|
|
h1 ³ r |
|||
|
Dр = D - 2r |
|||
|
10 |
|
|
0,41 |
|
|
0,38 |
||
|
Dр = D |
|||
|
0,25s1£ r £ s1 - s2 |
|||
|
30° £ g £ 90° |
|||
|
11 |
|
Dр = D3 |
0,40 |
|
12 |
|
Dр = Dс.п |
0,41 |
7.2.3. Kо для днищ и крышек, имеющих одно отверстие, вычисляют по формуле
7.2.4. Kо для днищ и крышек, имеющих несколько отверстий, вычисляют по формуле
Коэффициент Kо определяют для наиболее ослабленного сечения. Максимальную сумму для длин хорд отверстий в наиболее ослабленном диаметральном сечении днища или крышки определяют согласно рисунку 19 по формуле Σdi = max{(d1 + d3); (b2 + b3)}.
Основные расчетные размеры отверстий указаны на рисунках 16, 17.
Рисунок 16
Рисунок 17
7.2.5. Kо для днищ и крышек без отверстий принимают равным 1,0.
7.2.6. Во всех случаях присоединения днища к обечайке минимальная толщина плоского круглого днища должна быть не менее толщины обечайки, вычисленной в соответствии с 5.3.
7.2.7. Допускаемое давление на плоское днище или крышку вычисляют по формуле
7.2.8. Толщину s2 для типов соединения 10, 11 и 12 (см. таблицу 4) вычисляют по формулам:
- для типа 10:
-
для типов 11, 12:
(76)
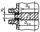
7.3. Расчет плоских круглых крышек с дополнительным краевым моментом
7.3.1. Толщину плоских круглых крышек с дополнительным краевым моментом (рисунок 18) под действием внутреннего давления вычисляют по формулам
s1 ³ s1p + с, (77)
где
(78)
7.3.2. Коэффициент Kб вычисляют по формуле
(79)
или по графику, приведенному на рисунке 19, в зависимости от отношений D3/Dс.п и ψ.
Рисунок 18
Рисунок 19
Значение ψ вычисляют по формуле
(80)
где
-
определяют по ГОСТ Р 52587.4 для рабочих условий и условий монтажа.
7.3.3. Коэффициент Kо вычисляют по формуле (73) или (74), если Σdi £ 0,7Dp; при этом отверстия для болтов в расчет не принимают.
7.3.4. Для крышки, имеющей паз для перегородки (например, камер теплообменника), значение коэффициента Kб для определения толщины в месте паза (см. рисунок 18б) вычисляют с учетом усилия от сжатия прокладки в пазе по формуле
(81)
7.3.5. Толщину плоской круглой крышки с дополнительным краевым моментом в месте уплотнения s2 (рисунок 18а) вычисляют по формуле
где 
В формуле (82) при определении Φ индекс «р» указывает на то, что величина суммарного болтового усилия Fб.р и допускаемого напряжения для материала крышки относится к рабочему состоянию или испытаниям, а индекс «м» - состоянию монтажа.
7.3.6. Коэффициент K7 вычисляют по формуле
или определяют по графику, приведенному на рисунке 20 в зависимости от отношения диаметров.
7.3.7. Толщину края плоской круглой крышки с дополнительным краевым моментом вне зоны уплотнения s3 (см. рисунок 18) вычисляют по формуле (82), при этом в формулах (82) и (83) вместо Dc.п следует принять D2.
Рисунок 20
7.4. Днища и крышки плоские круглые с радиальными ребрами жесткости.
7.4.1. Расчетные схемы днищ приведены на рисунках 21 - 24.
Рисунок 21

Рисунок 22

Рисунок 23
Рисунок 24
7.4.2. Для определения допускаемого избыточного давления предварительно определяют следующие параметры:
- расчетное расстояние от поверхности пластинки до нижнего торца втулки:
(85)
- расчетная высота втулки:
Hp = min{H1;(h + s1 + hp)}; (86)
- относительный радиус втулки:
(87)
- расстояние от срединной поверхности пластины до нейтральной поверхности:
7.4.3. Изгибающий момент для втулки вычисляют по формуле
(89)
7.4.4. Изгибающий момент для пластины вычисляют по формуле
(90)
7.4.5. Изгибающий момент для оребренной пластины вычисляют по формуле
(91)
7.4.6. Обобщенный допускаемый изгибающий момент следует выбирать наименьшим из моментов M1 и M2.
Mо = min{M1; M2}. (92)
7.4.7. Суммарный изгибающий момент вычисляют по формуле
Mс = Mт(1 - ρо) + Mоρо. (93)
Если центральная втулка отсутствует (ρо = 0), а ребра пересекаются в центре или вместо втулки имеется сплошная бобышка, то суммарный изгибающий момент вычисляют по формуле:
(94)
7.4.8. Дополнительное усилие, действующее на центральную часть крышки (днища), должно соответствовать условию:
(95)
7.4.9. Допускаемое избыточное давление, действующее на крышку (днище), вычисляют по формуле
[р] = min{[p1]; [p2]}, (96)
где
(97)
Если направление действия усилия Q0 совпадает с направлением действия давления, то в формуле для определения [p1] перед Q надо поставить знак минус.
(98)
8.1. Расчетные схемы и расчетные параметры
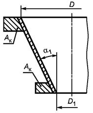
8.1.1. На рисунках 25 - 30 приведены расчетные схемы узлов конических обечаек.
8.1.2. Расчетные параметры
8.1.2.1. Расчетные длины переходных частей вычисляют по формулам:
- для конических и цилиндрических обечаек (см. рисунок 25а, б):

![]()
- для конических и цилиндрических обечаек (см. рисунок 26):

![]()
- для цилиндрической обечайки или штуцера (см. рисунок 25в):
![]()
а - соединение конической и
цилиндрической обечаек,
б - соединение конической и цилиндрической обечаек с укрепляющим
кольцом,
в - соединение конической обечайки с цилиндрической меньшего диаметра
Рисунок 25 - Соединение обечаек без тороидального перехода
Рисунок 26 - Соединение обечаек с тороидальным переходом
Рисунок 27 - Основные размеры конического перехода
Рисунок 28 - Соединение кососимметричных обечаек
Рисунок 29 - Коническая обечайка с кольцами жесткости
а - днище с тороидальным
переходом, б - днище с укрепляющим кольцом,
в - днище без тороидального перехода и укрепляющего кольца
Рисунок 30 - Пологие конические днища
8.1.2.2. Расчетный диаметр гладкой конической обечайки вычисляют по формуле:
- для конической обечайки без тороидального перехода (см. рисунок 25):
Dк = D - 1,4a1sina1;
- для конической обечайки с тороидальным переходом (см. рисунок 26):
Dк = D - 2[r(1 - cosa1) + 0,7a1sina1];
для конических обечаек со ступенчатым изменением толщин стенки для второй и всех последующих частей за расчетный диаметр Dк данной части обечайки принимают внутренний диаметр большего основания.
8.2. Область и условия применения расчетных формул
8.2.1. Расчетные формулы применимы при соотношении между толщиной стенки наружной обечайки и диаметром в пределах
![]()
Выполнение такого условия для пологого конического днища (a1 > 70°) не требуется.
8.2.2. Расчетные формулы, приведенные в 8.3.10, 8.4.2 и 8.5.1, применимы при условии, что расчетные температуры не превышают значений, при которых должна учитываться ползучесть металлов, т.е. при температурах, когда допускаемое напряжение определяется только по пределу текучести или временному сопротивлению (пределу прочности). Если точных данных не имеется, то формулы применимы при условии, что расчетная температура стенки обечайки из углеродистой стали не превышает 380 °C, из низколегированной стали - 480 °C и из аустенитной - 525 °C.
8.2.3. Формулы настоящего стандарта не применимы для расчета на прочность конических переходов в местах крепления рубашки к корпусу.
В этом случае расчет проводят по ГОСТ Р 52857.8.
8.2.4. Формулы не применимы, если расстояние между двумя соседними узлами обечаек менее суммы соответствующих расчетных длин обечаек или если расстояние от узлов до опорных элементов сосуда (за исключением юбочных опор и опорных колец) менее удвоенной расчетной длины обечайки по 8.1.2.1.
8.2.5. Расчетные формулы применимы при условии, что исполнительные длины переходных частей обечаек не менее расчетных длин a1 и a2.
Если это условие не выполнено, нужно провести проверку допускаемого давления, причем вместо s1 и s2 подставляют:
- для соединения обечаек без тороидального перехода

- для соединения обечаек с тороидальным переходом при определении коэффициента b по формуле (114)

sк, s - фактические толщины стенок присоединенных обечаек (см. рисунки 25, 26).
8.2.6. Формулы узлов конических и цилиндрических обечаек без тороидального перехода применимы при условии выполнения углового шва с двусторонним сплошным проваром.
8.2.7. Исполнительную толщину стенки конического элемента в месте соединения двух обечаек s1, s2 или sт всегда принимают не менее толщины sк, определяемой по 8.3.1 или 8.3.2, 8.4.1 или 8.4.2 и 8.8.1, для соответствующих нагрузок.
Исполнительная толщина стенки цилиндрического элемента в месте соединения двух обечаек должна быть не менее минимальной толщины стенки, определяемой по формулам раздела 5.
8.2.8. Расчет укрепления отверстий конических обечаек проводят в соответствии с ГОСТ Р 52857.3.
8.2.9. Расчет толщины стенок переходной части обечаек проводят либо методом последовательных приближений на основании предварительного подбора и последующей проверки для выбранных значений
и ![]()
либо сразу с помощью диаграмм.
Если допускаемые напряжения материалов частей перехода отличаются друг от друга, то расчет по диаграммам проводят при использовании меньшего из них.
За допускаемое давление, осевую силу и изгибающий момент для конической обечайки принимают меньшее значение, полученное из условия прочности или устойчивости гладкой конической обечайки и из условия прочности переходной части.
8.2.10. Расчет применим также для кососимметричных обечаек, соединенных с цилиндрическими обечайками. Расчетные величины a1, D и D1 приведены на рисунке 28.
8.3. Конические обечайки, нагруженные давлением
8.3.1. Гладкие конические обечайки, нагруженные внутренним избыточным давлением
8.3.1.1. Толщину стенки гладкой конической обечайки вычисляют по формуле
где
(100)
8.3.1.2. Допускаемое внутреннее избыточное давление вычисляют по формуле
(101)
8.3.2. Гладкие конические обечайки, нагруженные наружным давлением
8.3.2.1. Расчетные формулы применимы при условии a1 £ 70°.
8.3.2.2. Толщину стенки в первом приближении вычисляют по формулам с введением эффективных размеров с последующей проверкой по формуле (104).
sк = sк.р + c, (102)
где
(103)
При предварительном определении толщины стенки в качестве расчетных lE, DE, B1 принимают величины, определяемые по формулам (107) - (109).
8.3.2.3. Допускаемое наружное давление вычисляют по формуле
где допускаемое давление из условия прочности:
и допускаемое давление из условия устойчивости в пределах упругости:
(106)
Эффективные размеры конической обечайки вычисляют по формулам
(108)
Значение коэффициента B1 вычисляют по формуле:
8.3.3. Соединение обечайки без тороидального перехода (см. рисунок 25а)
8.3.3.1. Расчетные формулы применимы при условиях
a1 £ 70°; (s1 - c) ³ (s2 - c).
Если (s1 - с) £ (s2 - с), то при поверочном расчете следует принимать
s1 - c = s2 - c.
8.3.3.2. Толщину стенки из условия прочности переходной зоны вычисляют по формулам:
(110)
s2 ³ s2p + c. (111)
При определении b1 коэффициент b вычисляют по формуле (114) или определяют по диаграмме (см. рисунок 31).
Расчет
толщины стенки конического элемента перехода проводят с помощью отношения
толщин стенок 
(112)
8.3.3.3. Коэффициент формы вычисляют по формуле
b1 ³ max{0,5; b}, (113)
где b определяют по формуле (114) или по рисункам 31 - 32 при s2 - c = s2p и допускаемом напряжении [s] = min([s]1; [s]2).
Рисунок 31 - Диаграмма для определения коэффициента b при расчете толщин стенок переходов обечаек
8.3.3.4. Допускаемое внутреннее избыточное или наружное давление [p] из условия прочности переходной части вычисляют по формуле
(115)
где коэффициент b1 определяют по 8.3.3.3.
8.3.4. Соединение конической обечайки с укрепляющим кольцом (см. рисунки 25б, 29)
8.3.4.1. Формулы применимы при условиях:
a1 £ 70°
при соединении с цилиндрической обечайкой (см. рисунок 25б):
(s1 - c) > (s2 - c).
Если (s1 - с) < (s2 - с), то при поверочном расчете следует принимать s1 - c = s2 - c.
Расчет применим только при отсутствии изгибающего момента на кольце.
Рисунок 32 - Диаграмма для определения коэффициента b при выполнении поверочного расчета
8.3.4.2. Площадь поперечного сечения укрепляющего кольца вычисляют по формуле
- при соединении по рисунку 25б.
(116)
где
Коэффициент b определяют либо по формуле (114), либо по диаграмме (см. рисунок 32).
При Aк £ 0 укрепление кольцом жесткости не требуется;
- при соединении по рисунку 29:
(118)
В случаях действия нагрузки от наружного давления или осевой сжимающей силы, или изгибающего момента сварной шов стыкового соединения кольца должен быть проварен непрерывным швом. При определении площади поперечного сечения Aк следует учитывать также сечение стенок обечаек, расположенное между наружными швами кольца и обечаек.
- при соединении по рисунку 25б:
(119)
- при соединении по рисунку 29:
(120)
8.3.4.4. Общий коэффициент формы для переходной части равен:
b2 = max{0,5; b0}, (121)
B2 и B3 вычисляют по формулам:
B3 = 0,25. (123)
8.3.4.5. Проверка прочности сварного шва укрепляющего кольца
(124)
где Σtj - сумма всех эффективных ширин несущих сварных швов между укрепляющим кольцом и обечайкой (см. рисунок 25б).
У прерывистого сварного шва действительная его ширина уменьшается в отношении длин сварного шва и всего периметра обечайки. Расстояние между концами прерывистых сварных швов должно быть не более восьми толщин стенки обечайки и сумма всех длин сварных швов не менее половины длины контура кольца.
8.3.5. Соединение обечаек с тороидальным переходом (см. рисунок 26)
8.3.5.1. Расчетные формулы применимы при условиях:
a1 £ 70°; ![]()
8.3.5.2. Толщину стенки переходной части вычисляют по формуле
sт ³ sт.р + с, (125)
где
(126)
Рисунок 33 - Диаграмма для определения коэффициента bт при расчете толщин стенок - переходов обечаек
b3 определяют по 8.3.5.4.
8.3.5.3. Допускаемое внутреннее избыточное или наружное давление из условия прочности переходной части
(127)
Коэффициент b3 вычисляют по формуле (128), b и bт - по формулам (114) и (129) или определяют по диаграммам, приведенным на рисунках 32, 34.
8.3.5.4. b3 равен:
b3 = max{0,5; b · bт}, (128)
где b вычисляют по формуле (114) или определяют по диаграмме, приведенной на рисунке 32.
Рисунок 34 - Диаграмма для определения коэффициента bт при выполнении поверочного расчета
Коэффициент bт вычисляют по формуле (129) или определяют по диаграмме, приведенной на рисунке 34:
8.3.6. Соединение штуцера или внутреннего цилиндрического корпуса с конической обечайкой (рисунок 25в)
8.3.6.1. Формулы применимы при выполнении условия
a1 £ 70°.
8.3.6.2. Толщину стенки вычисляют по формуле
s2 ³ s2p + c, (130)
где
(131)
Коэффициент b4 определяют по 8.3.6.4.
Расчет толщины стенки конического элемента переходной части проводят с помощью отношения толщин стенок
8.3.6.3. Допускаемое внутреннее избыточное или наружное давление из условия прочности переходной части вычисляют по формуле
(133)
8.3.6.4. Коэффициент формы равен
b4 = max{1,0;bн}, (134)
где
bн = b + 0,75 при
(135)
b вычисляют по формуле (114) с заменой D на D1:
при 
bн можно в обоих случаях определить также по диаграммам, приведенным на рисунках 35 и 36 при D = D1 и s2 - с = s2р.
Рисунок 35 - Диаграмма для определения коэффициента bн при расчете толщин стенок переходов обечаек
8.3.7. Пологое коническое днище с тороидальным переходом (см. рисунок 30а)
8.3.7.1. Формулы применимы для действия внутреннего избыточного давления при выполнении условия a1 > 70°.
8.3.7.2. Толщину стенки принимают
s' ³ min{max{sк; sт}; s'р + с}; (137)
где sк определяют по 8.3.1 при Dк = D и sт no 8.3.5.
Рисунок 36 - Диаграмма для определения коэффициента bн при выполнении поверочного расчета
8.3.7.3. Допускаемое внутреннее избыточное давление принимают как большее из значения
и меньшего из значений [p], определяемых по 8.3.1 при sк = s' и 8.3.5 при sт = s'.
8.3.8. Пологое коническое днище с укрепляющим кольцом (см. рисунок 30б)
8.3.8.1. Формулы применимы для действия внутреннего избыточного давления при выполнении условий:
a1 > 70°; s' = sк.
8.3.8.2. Толщину стенки конического днища определяют по 8.3.1.1 при Dк = D.
8.3.8.3. Площадь поперечного сечения укрепляющего кольца определяют по 8.3.4.2, в котором при определении b следует принять (s1 - с) = 0.
8.3.8.4. Допускаемое внутреннее избыточное давление определяют для конического днища по 8.3.1.2 при Dк = D и для укрепляющего кольца по 8.3.4.3, в котором при определении b2 следует принять (s1 - c) = 0. Расчет применим при соблюдении требований 8.3.4.5.
8.3.9. Пологое коническое днище без тороидального перехода и без укрепляющего кольца (см. рисунок 30в)
8.3.9.1. Формулы применимы для действия внутреннего избыточного давления при выполнении условия a1 > 70°.
8.3.9.2. Толщину стенки принимают:
s' ³ min{max{sк; s1}; s'p + с}, (140)
s'p вычисляют по формуле (138) при r = 0;
sк вычисляют по 8.3.1 при Dк = D;
s1 вычисляют по 8.3.3.
8.3.9.3. Допускаемое внутреннее избыточное давление принимают как большее из значения [p], определяемого по формуле (139) при r = 0, и меньшее из значений [p], определяемых по 8.3.1 при sк = s' и Dк = Dн по 8.3.3.
8.3.10. Пологое коническое днище, нагруженное наружным давлением
8.3.10.1. Формулы применимы для действия наружного давления при условии:
a1 > 70°.
8.3.10.2. Допускаемое наружное давление вычисляют по формуле (104), допускаемое давление в пределах пластичности по формуле (105) и допускаемое давление в пределах упругости вычисляют по формуле
(141)
где
(142)
(143)
8.4. Конические обечайки, нагруженные осевыми усилиями
8.4.1. Гладкие конические обечайки, нагруженные осевой растягивающей силой
8.4.1.1. Толщину стенки вычисляют по формуле
sк ³ sк.р + c, (144)
где
(145)
8.4.1.2. Допускаемую растягивающую силу вычисляют по формуле
[F] = pD1 · (sк - c) · jт · [s] · cosa1. (146)
8.4.2. Гладкие конические обечайки, нагруженные осевой сжимающей силой
8.4.2.1. Расчетные формулы применимы при условии
a1 £ 70°.
8.4.2.2. Допускаемую осевую сжимающую силу [F] вычисляют по формуле
где допускаемую осевую силу из условия прочности вычисляют по формуле
[F]n = pDF · (sк - c) · [s] · cosa1 (148)
и допускаемую осевую силу из условия устойчивости в пределах упругости вычисляют по формуле
(149)
где
8.4.3. Соединение обечаек без тороидального перехода (см. рисунок 25а)
8.4.3.1. Формулы применимы при выполнении условий 8.3.3.1.
8.4.3.2. Допускаемую осевую растягивающую или сжимающую силу [F] из условия прочности переходной части вычисляют по формуле
где
b5 = max{1,0; (2b + 1,2)}. (152)
b вычисляют по формуле (114) или определяют по диаграмме, приведенной на рисунке 30.
8.4.4. Соединение конической и цилиндрической обечаек с укрепляющим кольцом (см. рисунок 25б).
8.4.4.1. Формулы применимы при выполнении условий 8.3.4.1.
8.4.4.2. Допускаемую осевую растягивающую или сжимающую силу [F] из условия прочности переходной части вычисляют по формуле
где
b6 = max{1,0; 2b0}. (154)
Коэффициент b0 определяют по формуле (122), в которой следует принять B3 = -0,35.
8.4.4.3. Проверку сварного шва укрепляющего кольца выполняют по 8.3.4.5.
8.4.5. Соединение обечаек с тороидальным переходом (см. рисунок 26)
8.4.5.1. Формулы применимы при выполнении условий 8.3.5.1.
8.4.5.2. Допускаемую осевую растягивающую или сжимающую силу [F] из условия прочности переходной части вычисляют по формуле
где
b7 = max{1,0;bт · (2b + 1,2)}. (156)
Коэффициенты b и bт вычисляют по формулам (114) и (129) или определяют по диаграммам, приведенным на рисунках 32 и 33.
8.4.6. Соединение штуцера или внутреннего цилиндрического корпуса с конической обечайкой (см. рисунок 25в)
8.4.6.1. Формулы применимы при выполнении условия 8.3.6.1.
8.4.6.2. Допускаемую осевую растягивающую или сжимающую силу [F] из условия прочности переходной части вычисляют по формуле
где
b8 = max{1,0; (2bн - 1)}. (158)
bн вычисляют по формулам (136) или (135) или определяют по диаграмме, приведенной на рисунке 36.
8.5. Конические обечайки, нагруженные изгибающим моментом
8.5.1. Допускаемый изгибающий момент вычисляют по формулам
- из условия прочности
(159)
где Dр = D1 для конического перехода (рисунок 27);
[F] вычисляют по формуле (146).
- из условия устойчивости
(160)
где
(161)
(162)
и DF вычисляют по формуле (150).
Допускаемые осевые силы [F]п и [F]E вычисляют по 8.4.2.2.
8.5.2. Соединения обечаек
8.5.2.1. Допускаемый изгибающий момент из условия прочности переходной части вычисляют по формуле
где допускаемую осевую силу [F] вычисляют по формулам (151), (153), (155) и (157). При вычислении [F] по формуле (157) в формуле (163) следует принять D1 вместо D.
8.6. Сочетания нагрузок
8.6.1. Условия применения формул
Если коническая обечайка нагружена давлением, осевой силой и изгибающим моментом и сумма эквивалентных давлений от этих нагрузок, вычисляемых по формулам:
(164)
составляет менее 10 % рабочего давления, то коническую обечайку рассчитывают только на действие давления. Такую проверку следует проводить как для гладкой конической обечайки, так и для ее тороидальных переходных частей у большего или меньшего основания, если они есть.
8.6.2. Расчет при совместном действии нагрузок
Если условие 8.6.1 не выполнено для гладкой обечайки или хоть одной из переходных частей, то производят расчет при совместном действии нагрузок по 8.6.2.1 и 8.6.2.2. При проверке прочности или устойчивости для совместного действия нагрузок в формулах (165) и (167) для расчетного наружного давления подставляют минус p, а для осевой сжимающей силы минус F. Изгибающий момент M всегда принимают со знаком плюс.
8.6.2.1. Гладкие конические обечайки
В случае совместного действия нагрузок необходимо проверять условия устойчивости по формуле
Кроме того, должна быть выполнена проверка прочности и устойчивости от отдельных нагрузок
|p| £ [p]; |F| £ [F]; |M| £ [M]. (166)
Допускаемые нагрузки [p], [F], [M] определяют по 8.3.2.3, 8.4.2.2 и 8.5.1. Проверку проводят, если не выполнено условие 8.6.1 хотя бы для одного из расчетных диаметров конической обечайки.
При внутреннем давлении в формуле (165) следует принять p = 0.
8.6.2.2. Переходные части конических обечаек
Кроме проверки условий от отдельных нагрузок по формулам (166), необходимо проверить выполнение условия
где [p], [F], [M] - допускаемые нагрузки для переходной части обечайки. Проверку проводят, если не выполнено условие 8.6.1 при Dр = D.
|
Ключевые слова: сосуды и аппараты, нормы и методы расчета на прочность, цилиндрические, конические обечайки, выпуклые, плоские днища и крышки |