Меню
Навигация
Novatika
Бесплатное обучение
Первая линия

Трансформаторы силовые. Общие технические условия

Стандарт распространяется на силовые трансформаторы общего назначения, в том числе на автотрансформаторы, трансформаторы собственных нужд электростанций и трансформаторы для комплектных трансформаторных подстанций, трехфазные мощностью не менее 5 кВ • А и однофазные мощностью не менее 1 кВ • А классов напряжения до 1150 кВ включительно, предназначенные для нужд экономики страны. Стандарт распространяется на оборудование, разработанное после 1 января 2008 г. Стандарт не распространяется на трансформаторы малой мощности и специальные трансформаторы (преобразовательные, электропечные, тяговые, пусковые, сварочные и др.), а также трансформаторы с числом обмоток более трех. Требования стандарта могут полностью или частично применяться для этих трансформаторов, если на них нет отдельных нормативных документов.

Обозначение: ГОСТ Р 52719-2007
Название рус.: Трансформаторы силовые. Общие технические условия
Статус: действует
Дата актуализации текста: 05.05.2017
Дата добавления в базу: 01.09.2013
Дата введения в действие: 01.01.2008
Утвержден: 09.04.2007 Федеральное агентство по техническому регулированию и метрологии (60-ст)
Опубликован: Стандартинформ (2007 г. )
Ссылки для скачивания:

ФЕДЕРАЛЬНОЕ АГЕНТСТВО
ПО ТЕХНИЧЕСКОМУ РЕГУЛИРОВАНИЮ И МЕТРОЛОГИИ

НАЦИОНАЛЬНЫЙ
СТАНДАРТ
РОССИЙСКОЙ
ФЕДЕРАЦИИ

ГОСТ Р
52719-2007

ТРАНСФОРМАТОРЫ СИЛОВЫЕ

Общие технические условия

 

 

Москва
Стандартинформ
2007

Предисловие

Цели и принципы стандартизации в Российской Федерации установлены Федеральным законом от 27 декабря 2002 г. № 184-ФЗ «О техническом регулировании», а правила применения национальных стандартов Российской Федерации - ГОСТ Р 1.0-2004 «Стандартизация в Российской Федерации. Основные положения»

Сведения о стандарте

1 РАЗРАБОТАН Филиалом ОАО «НТЦ электроэнергетика» - ВНИИЭ, Федеральным государственным унитарным предприятием «Всероссийский электротехнический институт им. В.И. Ленина» (ФГУП ВЭИ)

2 ВНЕСЕН Техническим комитетом по стандартизации ТК 37 «Электрооборудование для передачи, преобразования и распределения электроэнергии»

3 УТВЕРЖДЕН И ВВЕДЕН В ДЕЙСТВИЕ Приказом Федерального агентства по техническому регулированию и метрологии от 9 апреля 2007 г. № 60-ст

4 Настоящий стандарт разработан с учетом основных нормативных положений следующих международных стандартов:

МЭК 60076-1 (в части основных понятий и определений);

МЭК 60076-2, МЭК 60076-3 и МЭК 60076-5 (в части технических требований по нагреву, электрической прочности и стойкости при коротких замыканиях)

5 ВВЕДЕН ВПЕРВЫЕ

Информация об изменениях к настоящему стандарту публикуется в ежегодно издаваемом информационном указателе «Национальные стандарты», а тексты изменений и поправок - в ежемесячно издаваемых информационных указателях «Национальные стандарты». В случае пересмотра (замены) или отмены настоящего стандарта соответствующее уведомление будет опубликовано в ежемесячно издаваемом информационном указателе «Национальные стандарты». Соответствующая информация, уведомление и тексты размещаются также в информационной системе общего пользования - на официальном сайте Федерального агентства по техническому регулированию и метрологии в сети Интернет

СОДЕРЖАНИЕ

1. Область применения. 3

2. Нормативные ссылки. 3

3. Термины и определения. 5

4. Классификация. 5

5. Основные параметры.. 6

6. Технические требования. 8

6.1. Требования по нагреву. 8

6.2. Нагрузочная способность. 9

6.3. Требования к электрической прочности изоляции. 10

6.4. Требования к стойкости при коротких замыканиях и ударных толчках током.. 11

6.5. Требования к составным частям.. 14

6.6. Требования к системам охлаждения. 15

6.7. Требования к надежности. 15

6.8. Комплектность. 15

6.9. Маркировка и упаковка. 16

7. Требования безопасности. 18

8. Требования охраны окружающей среды.. 18

9. Правила приемки. 18

10. Методы контроля. 22

11. Транспортирование и хранение. 22

12. Указания по эксплуатации. 23

13. Гарантии изготовителя. 23

Приложение А. Условное обозначение трансформаторов. 23

Приложение Б. Схемы и группы соединения обмоток трансформаторов. 24

Приложение В. Защитные покрытия. 28

Приложение Г. Составные части трансформаторов. 28

Приложение Д. Системы охлаждения масляных трансформаторов. 34

Приложение Е. Перечень технических данных и характеристик, указываемых в паспорте трансформатора. 36

Приложение Ж. Маркировка выводов и ответвлений силовых трансформаторов. 37

Приложение И. Испытание пробы масла из бака масляного трансформатора и контактора устройства РПН, имеющего гашение дуги в масле. 42

Библиография. 42

 

НАЦИОНАЛЬНЫЙ СТАНДАРТ РОССИЙСКОЙ ФЕДЕРАЦИИ

ТРАНСФОРМАТОРЫ СИЛОВЫЕ

Общие технические условия

Power transformers.
General specifications

Дата введения - 2008-01-01

1. Область применения

Настоящий стандарт распространяется на силовые трансформаторы общего назначения, в том числе на автотрансформаторы, трансформаторы собственных нужд электростанций и трансформаторы для комплектных трансформаторных подстанций (КТП), трехфазные мощностью не менее 5 кВ · А и однофазные мощностью не менее 1 кВ · А классов напряжения до 1150 кВ включительно, предназначенные для нужд экономики страны.

Стандарт распространяется на оборудование, разработанное после 1 января 2008 г.

Стандарт не распространяется на трансформаторы малой мощности и специальные трансформаторы (преобразовательные, электропечные, тяговые, пусковые, сварочные и др.), а также трансформаторы с числом обмоток более трех. Требования настоящего стандарта могут полностью или частично применяться для этих трансформаторов, если на них нет отдельных нормативных документов (далее - НД).

Для тех из указанных силовых трансформаторов, на которые имеются отдельные НД, настоящий стандарт распространяется только в той мере, которая специально оговорена в НД на эти трансформаторы.

Примечание - Число обмоток трехобмоточного трансформатора определяют по числу его основных обмоток, т.е. без учета обмоток регулировочных и компенсационных.

2. Нормативные ссылки

В настоящем стандарте использованы нормативные ссылки на следующие стандарты:

ГОСТ Р 51685-2000 Рельсы железнодорожные. Общие технические условия

ГОСТ Р ИСО 9001-2001 Системы менеджмента качества. Требования

ГОСТ 2.601-2006 Единая система конструкторской документации. Эксплуатационные документы

ГОСТ 9.014-78 Единая система защиты от коррозии и старения. Временная противокоррозионная защита изделий. Общие требования

ГОСТ 12.1.004-91 Система стандартов безопасности труда. Пожарная безопасность. Общие требования

ГОСТ 12.2.007.0-75 Система стандартов безопасности труда. Изделия электротехнические. Общие требования безопасности

ГОСТ 12.2.007.2-75 Система стандартов безопасности труда. Трансформаторы силовые и реакторы электрические. Требования безопасности

ГОСТ 12.2.024-87 Система стандартов безопасности труда. Шум. Трансформаторы силовые масляные. Нормы и методы контроля

ГОСТ 721-77 Системы электроснабжения, сети, источники, преобразователи и приемники электрической энергии. Номинальные напряжения свыше 1000 В

ГОСТ 982-80 Масла трансформаторные. Технические условия

ГОСТ 1516.3-96 Электрооборудование переменного тока на напряжения от 1 до 750 кВ. Требования к электрической прочности изоляции

ГОСТ 3484.1-88 Трансформаторы силовые. Методы электромагнитных испытаний

ГОСТ 3484.2-88 Трансформаторы силовые. Испытания на нагрев

ГОСТ 3484.3-88 Трансформаторы силовые. Методы измерений диэлектрических параметров изоляции

ГОСТ 3484.4-88 Трансформаторы силовые. Испытания баков на механическую прочность

ГОСТ 3484.5-88 Трансформаторы силовые. Испытания баков на герметичность

ГОСТ 7746-2001 Трансформаторы тока. Общие технические условия

ГОСТ 8865-93 Системы электрической изоляции. Оценка нагревостойкости и классификация

ГОСТ 9680-77 Трансформаторы силовые мощностью 0,01 кВ · А и более. Ряд номинальных мощностей

ГОСТ 9920-89 (МЭК 694-80, МЭК 815-86) Электроустановки переменного тока на напряжение от 3 до 750 кВ. Длина пути утечки внешней изоляции

ГОСТ 10434-82 Соединения контактные электрические. Классификация. Общие технические требования

ГОСТ 10693-81 Вводы конденсаторные герметичные на номинальные напряжения 110 кВ и выше. Общие технические условия

ГОСТ 13109-97 Электрическая энергия. Совместимость технических средств электромагнитная. Нормы качества электрической энергии в системах электроснабжения общего назначения

ГОСТ 14192-96 Маркировка грузов

ГОСТ 14209-97 (МЭК 354-91) Руководство по нагрузке силовых масляных трансформаторов

ГОСТ 14254-96 (МЭК 529-89) Степени защиты, обеспечиваемые оболочками (Код IP)

ГОСТ 15150-69 Машины, приборы и другие технические изделия. Исполнения для различных климатических районов. Категории, условия эксплуатации, хранения и транспортирования в части воздействия климатических факторов внешней среды

ГОСТ 15543.1-89 Изделия электротехнические. Общие требования в части стойкости к климатическим внешним воздействующим факторам

ГОСТ 16110-82 Трансформаторы силовые. Термины и определения

ГОСТ 17516.1-90 Изделия электротехнические. Общие требования в части стойкости к механическим внешним воздействующим факторам

ГОСТ 18620-86 Изделия электротехнические. Маркировка

ГОСТ 20243-74 Трансформаторы силовые. Методы испытаний на стойкость при коротком замыкании

ГОСТ 21023-75 Трансформаторы силовые. Методы измерений характеристик частичных разрядов при испытаниях напряжением промышленной частоты

ГОСТ 21128-83 Системы электроснабжения, сети, источники, преобразователи и приемники электрической энергии. Номинальные напряжения до 1000 В

ГОСТ 21130-75 Изделия электротехнические. Зажимы заземляющие и знаки заземления. Конструкция и размеры

ГОСТ 22756-77 Трансформаторы (силовые и напряжения) и реакторы. Методы испытаний электрической прочности изоляции

ГОСТ 23216-78 Изделия электротехнические. Хранение, транспортирование, временная противокоррозионная защита, упаковка. Общие требования и методы испытаний

ГОСТ 23865-79 Вводы конденсаторные герметичные на номинальные напряжения от 110 кВ и выше. Типы и размеры

ГОСТ 24126-80 Устройства регулирования напряжения силовых трансформаторов под нагрузкой. Общие технические условия

ГОСТ 30830-2002 (МЭК 60076-1-93) Трансформаторы силовые. Часть 1. Общие положения

Примечание - При пользовании настоящим стандартом целесообразно проверить действие ссылочных стандартов в информационной системе общего пользования - на официальном сайте Федерального агентства по техническому регулированию и метрологии в сети Интернет или по ежегодно издаваемому информационному указателю «Национальные стандарты», который опубликован по состоянию на 1 января текущего года, и по соответствующим ежемесячно издаваемым информационным указателям, опубликованным в текущем году. Если ссылочный стандарт заменен (изменен), то при пользовании настоящим стандартом следует руководствоваться заменяющим (измененным) стандартом. Если ссылочный стандарт отменен без замены, то положение, в котором дана ссылка на него, применяется в части, не затрагивающей эту ссылку.

3. Термины и определения

3.1. В настоящем стандарте применены термины по ГОСТ 30830.

3.2. В настоящем стандарте принят термин «нормативный документ» - документ, устанавливающий правила, общие принципы или характеристики, касающиеся трансформаторов, и включающий в себя понятия: стандарт, технические условия, техническое задание, техническая спецификация и другие документы на поставку продукции.

4. Классификация

4.1. Силовые трансформаторы классифицируют по следующим признакам:

- по условиям работы - на трансформаторы, предназначенные для работы в нормальных и особых условиях;

- по видам - согласно ГОСТ 16110, характеризующим назначение и основное конструктивное исполнение (однофазные, трехфазные, двухобмоточные, трехобмоточные, регулируемые под нагрузкой (РПН), переключаемые без возбуждения (ПБВ), по виду охлаждения и т.д.);

- по мощности.

Примечание - По виду изолирующей и охлаждающей среды трансформаторы классифицируют на масляные (масло минеральное или синтетическое, включая жидкий негорючий диэлектрик) и сухие, в том числе трансформаторы с твердой изоляцией.

4.2. Условия работы

4.2.1. Нормальные условия работы

Нормальные условия работы должны соответствовать следующим требованиям:

- высота установки над уровнем моря - не более 1000 м; для трансформаторов класса напряжения 1150 кВ - не более 500 м;

- температура окружающего воздуха и охлаждающей среды - климатическое исполнение У по ГОСТ 15150 и ГОСТ 15543.1; среднесуточная температура воздуха - не выше 30 °C; среднегодовая температура воздуха - не выше 20 °C; для трансформаторов с водяным охлаждением температура охлаждающей воды у входа в охладитель - не выше 25 °C;

- отклонение питающего напряжения от номинального, а также форма кривой напряжения, несимметрия фаз, отклонение частоты от номинальной должны соответствовать требованиям ГОСТ 13109;

- степень загрязнения окружающей среды - по ГОСТ 15150 (все типы атмосферы);

- внешние механические воздействия, в том числе для сейсмоопасных районов - по ГОСТ 17516.1; если максимальная амплитуда ускорения воздействия, приложенного к изделию в местах его крепления, не превышает 2,5 м/с2 (уровень вибрационных воздействий по ГОСТ 17516.1 - незначительный 1), то к трансформаторам не должны быть предъявлены специальные конструктивные требования;

- категории размещения масляных трансформаторов и сухих герметичных трансформаторов - от 1 до 4, сухих негерметичных трансформаторов - 3, 4 по ГОСТ 15150.

4.2.2. Особые условия работы

По требованию заказчика трансформаторы могут быть предназначены для особых условий работы, которые необходимо учесть при проектировании трансформатора, например высота установки над уровнем моря, превышающая значение, указанное в 4.2.1; более высокая или низкая температура окружающей среды, в том числе для трансформаторов исполнений ХЛ и УХЛ по ГОСТ 15150; соответствующая тропическому климату влажность; сейсмическая активность; сильные загрязнения; нестандартные формы напряжения и тока нагрузки и смешанная нагрузка; особые условия транспортирования, хранения и установки (ограничение массы или габаритных размеров) и другие согласно ГОСТ 30830 (приложение А).

4.3. Виды систем охлаждения трансформаторов и их условные обозначения должны соответствовать приведенным в таблице 1.

Таблица 1

Вид системы охлаждения трансформаторов

Условное обозначение вида системы охлаждения, принятое в

Российской Федерации

зарубежных странах (МЭК)

Сухие трансформаторы:

 

 

Естественное воздушное при открытом исполнении

С

AN

Естественное воздушное при защищенном исполнении

СЗ

ANAN

Естественное воздушное при герметичном исполнении

СГ

ANAN

Воздушное с принудительной циркуляцией воздуха

СД

ANAF

Масляные трансформаторы с минеральным маслом:

 

 

Естественная циркуляция воздуха и масла

М

ONAN

Принудительная циркуляция воздуха и естественная циркуляция масла

Д

ONAF

Естественная циркуляция воздуха и принудительная циркуляция масла с ненаправленным потоком масла

МЦ

OFAN

Естественная циркуляция воздуха и принудительная циркуляция масла с направленным потоком масла

НМЦ

ODAN

Принудительная циркуляция воздуха и масла с ненаправленным потоком масла

ДЦ

OFAF

Принудительная циркуляция воздуха и масла с направленным потоком масла

НДЦ

ODAF

Принудительная циркуляция воды и масла с ненаправленным потоком масла

Ц

OFWF

Принудительная циркуляция воды и масла с направленным потоком масла

НЦ

ODWF

Примечание - Обозначения систем охлаждения масляных трансформаторов, залитых синтетическим маслом, включая жидкий негорючий диэлектрик (например, LNAF и LFAF), указывают в НД на данные трансформаторы.

4.4. Класс напряжения трансформатора устанавливают по классу напряжения его обмотки ВН.

4.5. Основными парами обмоток трехобмоточных трансформаторов следует принимать обмотки ВН и СН, если в НД на конкретные трансформаторы не указано иное.

4.6. Условное обозначение трансформаторов приведено в приложении А, если в НД на трансформатор не указано иное.

5. Основные параметры

5.1. В НД на конкретные трансформаторы должны быть указаны следующие основные параметры:

- номинальная мощность трансформатора (указывают также мощности основных обмоток трехобмоточных трансформаторов, включая мощность обмотки НН трехобмоточных автотрансформаторов); если предусмотрены разные значения мощности, например, при разных видах охлаждения, то за номинальную мощность принимают наибольшее из них;

- номинальные напряжения основных обмоток на всех ответвлениях;

- условное обозначение схемы и группы соединений обмоток;

- вид переключения ответвлений (РПН, ПБВ), диапазон и число ступеней регулирования напряжения;

- наибольший допустимый ток общей обмотки автотрансформатора;

- потери холостого хода и короткого замыкания на основном ответвлении;

- напряжение короткого замыкания, приведенное к номинальной мощности (для трансформаторов РПН указывают нормированные значения на основном и крайних ответвлениях, для остальных трансформаторов - на основном ответвлении);

- ток холостого хода на основном ответвлении;

- установленная мощность двигателей системы охлаждения;

- полная масса;

- транспортная масса (допускается не указывать, если она отличается от полной массы не более чем на 10 %);

- масса масла;

- габаритные размеры.

Примечания

1. Напряжение короткого замыкания для пар обмоток трехобмоточных трансформаторов приводят к наибольшей из номинальных мощностей трех обмоток, автотрансформаторов - к номинальной проходной мощности пары сторон ВН - СН.

2. Если транспортирование трансформатора производят с частичным или полным сливом масла, то указывают:

- полную массу масла;

- массу масла в баке трансформатора;

- массу масла для долива и технологических нужд (промывка радиаторов и пр.) - 10 % полной массы масла.

3. Если заказчик выдвигает дополнительные (специальные) требования по перегрузкам и исходя из них изготовляют трансформатор, то в перечень основных параметров включают параметры, характеризующие нагрузочную способность.

5.2. В НД на конкретные трансформаторы допускается устанавливать дополнительные параметры кроме указанных в 5.1.

5.3. Предпочтительные номинальные мощности трансформаторов должны соответствовать ГОСТ 9680, номинальные напряжения - ГОСТ 721 и ГОСТ 21128.

5.4. Номинальная частота питающей сети должна быть 50 Гц по ГОСТ 13109.

5.5. Расчетную температуру, к которой следует приводить потери и напряжение короткого замыкания, принимают равной:

115 °C - для трансформаторов с изоляцией классов нагревостойкости F, Н по ГОСТ 8865 и С;

80 °C - для трансформаторов с системой охлаждения НЦ, НДЦ;

75 °C - для остальных трансформаторов.

5.6. Предельные отклонения измеряемых параметров трансформаторов от нормированных не должны превышать значений, указанных в таблице 2.

Таблица 2

Наименование параметра

Предельное отклонение, %

Примечание

1. Коэффициент трансформации

± 1,0

Для трансформаторов с коэффициентом трансформации фазных напряжений три и менее, а также на неосновном ответвлении

± 0,5

Для всех остальных трансформаторов на основном ответвлении

2. Напряжение короткого замыкания (Uк) основного ответвления

± 7,5

Для двухобмоточного трансформатора или для пары обмоток трехобмоточного трансформатора, указанной в НД как основная пара, при Uк ³ 10 %

± 10

Для остальных трансформаторов

3. Потери короткого замыкания на основном ответвлении

10

Для всех двухобмоточных и трехобмоточных трансформаторов и для основной пары обмоток трехобмоточных автотрансформаторов

20

Для неосновных пар обмоток трехобмоточных автотрансформаторов

4. Потери холостого хода

15

Для всех трансформаторов

5. Суммарные потери

10

Для всех трансформаторов

6. Ток холостого хода

30

Для всех трансформаторов

7. Полная масса

10

Для трансформаторов мощностью не более 1,6 MB · A

Примечания

1. При определении суммарных потерь трехобмоточного автотрансформатора потери холостого хода суммируют с потерями короткого замыкания основной пары обмоток.

2. Отсутствие нижнего предельного отклонения для тока холостого хода и потерь означает, что его значение не ограничено.

3. По согласованию между изготовителем и заказчиком предельное отклонение напряжения короткого замыкания для трансформаторов РПН на крайних ответвлениях, а также для неосновных пар обмоток трехобмоточных трансформаторов не должно превышать ± 15 %.

4. По согласованию между изготовителем и заказчиком предельное отклонение коэффициента трансформации на основном ответвлении для трансформаторов мощностью не менее 100 MB · А не должно превышать ± 1,0 %.

5. Предельные отклонения коэффициента трансформации, приведенные в пункте 1 таблицы 2, распространяются на трансформаторы мощностью до 1000 MB · А включительно.

6. Предельные отклонения, приведенные в пункте 2 таблицы 2, не распространяются на напряжение короткого замыкания между частями расщепленной обмотки НН.

7. Предельное отклонение на потери короткого замыкания для трансформаторов мощностью менее 1 MB · А допустимо принимать 15 %, что должно быть оговорено в НД на данные трансформаторы.

8. Предельное отклонение ± 7,5 % на напряжение короткого замыкания вводится на трансформаторы, разработанные после введения в действие настоящего стандарта.

5.7. Схемы и группы соединения обмоток трансформаторов должны соответствовать приведенным в приложении Б.

Примечание - Схемы и группы соединения обмоток однофазных трансформаторов для работы в трехфазной группе указывают в НД на эти трансформаторы.

5.8. В трансформаторах с расщепленной на две части обмоткой НН номинальная мощность каждой из ее частей должна быть, как правило, равна 50 % номинальной мощности трансформатора.

6. Технические требования

6.1. Требования по нагреву

6.1.1. Превышения температуры отдельных элементов масляного трансформатора над температурой охлаждающей среды (воздуха или воды) при испытаниях на нагрев на основном ответвлении должны быть не более значений, указанных в таблице 3.

Для трехобмоточных режимов трехобмоточных масляных трансформаторов расчетные превышения температуры отдельных элементов не должны превышать значений, указанных в таблице 3. В этом случае превышение температуры верхних слоев масла трехобмоточного трансформатора должно быть рассчитано для сочетания нагрузок с наибольшими суммарными потерями, а превышения температуры обмоток, поверхности магнитной системы и элементов металлоконструкций - для сочетания нагрузок, являющихся наиболее жесткими для рассматриваемого элемента трансформатора.

Таблица 3

Элемент трансформатора

Превышение температуры, °C

Обмотки (средние превышения температуры, класс нагревостойкости изоляции А):

 

- при естественной или принудительной циркуляции с ненаправленным потоком масла через обмотку

65

- при принудительной циркуляции с направленным потоком масла через обмотку

70

Масло в верхних слоях (исполнение герметичное или с расширителем)

60

Поверхности магнитной системы и элементов металлоконструкций

75

6.1.2. В отдельных точках магнитной системы и элементов металлоконструкций допускается превышение температуры поверхности, не соприкасающейся с твердой изоляцией, над температурой охлаждающей среды до 85 °C.

6.1.3. Для масляных трансформаторов при болтовом соединении контактов съемных вводов превышение температуры контактов над температурой окружающей среды должно быть не более:

85 °C - для контактов в масле;

65 °C - для контактов в воздухе.

6.1.4. Превышения температуры отдельных элементов сухого трансформатора над температурой охлаждающей среды при испытаниях на нагрев на основном ответвлении не должны превышать значений, указанных в таблице 4.

Таблица 4

Элемент трансформатора

Класс нагревостойкости по ГОСТ 8865

Превышение температуры, °C

Обмотки (средние превышения температуры)

А

60

Е

75

В

80

F

100

Н

125

Поверхности магнитной системы и элементов металлоконструкций

-

Не более значения, допустимого для соприкасающихся изоляционных материалов

Примечание - Допускается применение отдельных изоляционных деталей более низкого класса нагревостойкости, чем класс нагревостойкости обмоток в целом, если испытаниями доказано, что температура наиболее нагретых точек изоляционных деталей пониженных классов нагревостойкости не превышает значений, допустимых для этих классов по ГОСТ 8865.

6.1.5. При установившихся токах короткого замыкания, соответствующих 6.4.1, средняя температура обмоток, определяемая по [1], не должна превышать значений, указанных в таблице 5.

Таблица 5

Вид трансформатора

Материал обмотки

Класс нагревостойкости изоляции обмотки по ГОСТ 8865

Максимальная температура обмотки при коротком замыкании, °C

Масляный

Медь

А

250

Алюминий

А

200

Сухой

Медь

А

180

Е

250

В, F, Н

350

Алюминий

А

180

Е, В, F, Н

200

6.2. Нагрузочная способность

6.2.1. Нагрузочная способность, как способность трансформатора нести нагрузку с учетом условий эксплуатации (предшествующей нагрузки трансформатора и температуры охлаждающей среды), должна быть определена по отношению к номинальному току, причем для обмотки с ответвлениями - к номинальному току ответвления.

6.2.2. Номинальные токи ответвлений, номинальное напряжение которых ниже минус 5 %, должны быть ограничены значением, равным номинальному току ответвления минус 5 %, а при отсутствии такого ответвления - току ответвления с большим ближайшим значением тока (например, при диапазоне ± 8 ´ 1,5 % - номинальному току ответвления минус 4 ´ 1,5 %).

Номинальная мощность отрицательных ответвлений должна быть ограничена до значений, определяемых по току в соответствии с требованиями настоящего пункта.

6.2.3. В трехобмоточных автотрансформаторах нагрузочная способность должна быть определена с учетом 6.2.1 по отношению:

- к номинальному току ВН - для последовательной обмотки;

- к номинальному току обмотки НН - для обмотки НН;

- к наибольшему допустимому току общей обмотки - для общей обмотки.

Примечание - Наибольший допустимый ток общей обмотки, как правило, принимают на 10 % - 30 % больше разности номинальных токов сторон СН и ВН, особенно в автотрансформаторах, к стороне НН которых подключена емкостная нагрузка (конденсаторная батарея, синхронный компенсатор и пр.), если в НД на конкретные автотрансформаторы не указано иное.

6.2.4. Трансформаторы с системой охлаждения вида Д при отключении всех электродвигателей вентиляторов должны допускать нагрузку не менее 50 % номинальной мощности трансформатора.

6.2.5. Вводы и отводы нейтрали обмотки НН должны быть выбраны на продолжительную нагрузку током, равным по отношению к номинальному току обмотки НН 25 % для трансформаторов со схемой соединения обмоток Y/Yн и 75 % для трансформаторов со схемами соединения обмоток Y/Zн и D/Yн.

6.2.6. Вводы и отводы нейтрали обмотки ВН трансформаторов классов напряжения от 6 до 35 кВ со схемой соединения обмоток Yн/D и всех трансформаторов классов напряжения 110 кВ и свыше должны быть выбраны на продолжительную нагрузку током, равным номинальному току обмотки ВН.

Вводы и отводы нейтрали обмотки СН трехобмоточных трансформаторов классов напряжения 110 кВ и свыше должны быть выбраны на продолжительную нагрузку током, равным номинальному току обмотки СН.

6.2.7. Допустимые систематические нагрузки и перегрузки, в том числе с повышенным износом изоляции, с учетом предшествующей нагрузки трансформатора и температуры охлаждающей среды и кратковременные аварийные (чрезвычайные) перегрузки всех элементов трансформатора, включая комплектующие изделия, должны быть установлены:

- по ГОСТ 14209, если иное не указано в НД на конкретные трансформаторы, для масляных трансформаторов мощностью до 100 MB · А включительно;

- в НД конкретных трансформаторов для трансформаторов мощностью свыше 100 MB · А, для сухих трансформаторов и трансформаторов с жидким негорючим диэлектриком.

6.3. Требования к электрической прочности изоляции

6.3.1. Требования к электрической прочности изоляции трансформаторов классов напряжения 1 - 750 кВ - по ГОСТ 1516.3. Требования к электрической прочности изоляции трансформаторов классов напряжения ниже 1 кВ и класса 1150 кВ должны быть указаны в НД на данные трансформаторы.

6.3.2. Для масляных трансформаторов, предназначенных для работы на высоте, превышающей 1000 м (но не более 3500 м) над уровнем моря, внешняя изоляция должна быть рассчитана по ГОСТ 1516.3, для сухих трансформаторов - по НД на данные трансформаторы.

6.3.3. Допустимые продолжительные превышения напряжения

6.3.3.1. Трансформаторы классов напряжения до 35 кВ включительно мощностью свыше 630 кВ · А и все трансформаторы классов напряжения от 110 до 1150 кВ включительно допускают продолжительную работу (при мощности не более номинальной) при превышении напряжения на любом ответвлении любой обмотки на 10 % более номинального напряжения данного ответвления.

6.3.3.2. Допустимые продолжительные превышения напряжения для трансформаторов классов напряжения до 35 кВ включительно мощностью до 630 кВ · А включительно устанавливают в НД.

6.3.3.3. Для автотрансформаторов РПН в нейтрали допускается продолжительное превышение напряжения (при мощности не более номинальной), подводимого к любому ответвлению любой обмотки, более 10 % номинального напряжения данного ответвления при условии обеспечения контроля за возбуждением автотрансформатора в процессе его работы, которое не должно превышать 110 % нормального рабочего возбуждения.

Примечания

1. За нормальное рабочее возбуждение принимают наибольшее из значений возбуждения автотрансформатора, имеющих место при подведении на холостом ходу к каждому из ответвлений номинального напряжения этого ответвления.

2. В случае вынесенного устройства РПН (например, последовательного регулировочного трансформатора) автотрансформатор вместе с этим устройством рассматривают как единое целое.

6.3.3.4. При превышении напряжения в соответствии с 6.3.3.1 - 6.3.3.3 напряжение на любой стороне (обмотке) не должно превышать наибольшее рабочее напряжение, установленное ГОСТ 721.

6.4. Требования к стойкости при коротких замыканиях и ударных толчках током

6.4.1. Требования к стойкости при коротких замыканиях

6.4.1.1. Трансформатор должен выдерживать внешние короткие замыкания в эксплуатации на любом ответвлении обмотки при любых сочетаниях сторон питания, соответствующих режимам работы трансформатора, указанным в НД, и при указанных ниже значениях тока короткого замыкания и его длительности.

6.4.1.2. Наибольший установившийся ток короткого замыкания Iк.отв, кА, в двухобмоточных трансформаторах и двухобмоточных режимах трехобмоточных трансформаторов следует рассчитывать следующим образом:

- для однофазных трансформаторов и автотрансформаторов, включенных между фазой и нейтралью, а также для трехфазных трансформаторов и автотрансформаторов по формуле

                                                       (1)

где Iк.отв - наибольший установившийся линейный ток короткого замыкания ответвления, кА;

Uном.отв - номинальное линейное напряжение ответвления, кВ;

zт.отв - фазное сопротивление короткого замыкания, отнесенное к рассматриваемой обмотке (стороне) и ответвлению, определяемое по формуле (2), Ом;

zс - фазное сопротивление короткого замыкания сети, определяемое по формуле (3), Ом.

6.4.1.3. Наибольший установившийся ток короткого замыкания в трехобмоточных режимах должен быть определен по трехлучевой схеме замещения, каждый луч которой состоит из сопротивления короткого замыкания, вносимого трансформатором, и включенного последовательно с ним сопротивления короткого замыкания соответствующей сети zс.

6.4.1.4. Сопротивление короткого замыкания трансформатора zт.отв, Ом, следует рассчитывать по формуле

                                                       (2)

где Uк.отв - расчетное значение напряжения короткого замыкания ответвления, приведенное к номинальной мощности трансформатора на основном ответвлении, %;

Sном - номинальная мощность трансформатора на основном ответвлении, MB · А.

6.4.1.5. Сопротивление короткого замыкания сети zс, Ом, рассчитывают по формуле

                                                              (3)

где Uс.ном - номинальное линейное напряжение сети, кВ;

Sc - мощность трехфазного короткого замыкания сети, MB · А.

Примечания

1. Для трансформаторов мощностью менее 3,15 MB · А сопротивление короткого замыкания сети, как правило, не учитывают, если оно составляет не более 5 % сопротивления короткого замыкания трансформатора, т.е. в формуле (1) zс = 0.

2. Для трансформаторов собственных нужд электростанций классов напряжения до 35 кВ включительно сопротивление короткого замыкания сети не учитывают.

6.4.1.6. Мощность трехфазного короткого замыкания сети - в соответствии с таблицей 6.

Для трехобмоточных автотрансформаторов мощность короткого замыкания сети на стороне НН, если в НД не указано иное, следует принимать:

600 MB · А - при номинальном напряжении НН до 20 кВ и мощности автотрансформаторов до 63 MB · А включительно независимо от их класса напряжения;

1000 MB · А - при номинальном напряжении НН 20 кВ и свыше автотрансформаторов класса напряжения 220 кВ независимо от их мощности;

2000 MB · А - для обмоток НН трехобмоточных автотрансформаторов классов напряжения 330, 500 и 750 кВ.

Для трехобмоточных автотрансформаторов класса напряжения 1150 кВ мощность короткого замыкания сетей устанавливают в НД на эти трансформаторы.

Таблица 6

Номинальное напряжение сети, кВ

Мощность трехфазного короткого замыкания сети (кроме сети НН автотрансформаторов) Sс, MB · A

для трансформаторов классов напряжения ниже 110 кВ

для трансформаторов классов напряжения 110 кВ и выше, автотрансформаторов классов напряжения до 750 кВ включительно и трансформаторов собственных нужд электростанций

До 10

500

-

Св. 10 » 35 включ.

2500

-

110

-

15000

150

-

20000

220

-

25000

330

-

35000

500

-

50000

750

-

75000

1150

-

80000

Примечание - По согласованию между изготовителем и заказчиком допускается принимать мощности короткого замыкания сети, отличающиеся от указанных в таблице 6.

6.4.1.7. Для трехобмоточных трансформаторов, исключая автотрансформаторы, в любом двух- или трехобмоточном режиме кратность наибольшего установившегося тока короткого замыкания, определяемого в соответствии с 6.4.1.2, по отношению к номинальному току обмотки должна быть ограничена в соответствии с таблицей 7 при условии равенства мощностей всех обмоток. В случае различных мощностей обмоток предельные кратности наибольшего установившегося тока короткого замыкания должны быть установлены в НД на данные трансформаторы.

Таблица 7

Класс напряжения обмотки ВН трансформатора, кВ

Предельная кратность наибольшего установившегося тока короткого замыкания

в ближайшей к стержню магнитной системы обмотке

в средней по расположению на стержне магнитной системы обмотке

в наружной обмотке по расположению на стержне магнитной системы

35

-

12,0

-

110

10,0

14,0

9,5

150

10,0

14,0

9,5

220

10,0

15,0

8,0

6.4.1.8. Наибольший ударный ток короткого замыкания Iуд, кА, следует рассчитывать по формуле

                                                         (4)

где Iк.отв - наибольший установившийся ток короткого замыкания, кА;

 - коэффициент, определяемый по таблице 8.

Таблица 8

Uρ/Ua

1

1,5

2

3

4

5

6

8

10

14 и более

1,51

1,64

1,76

1,95

2,09

2,19

2,28

2,38

2,46

2,55

Примечания

1. Для промежуточных значений (Uρ/Ua) от 1 до 14, не указанных в таблице, допускается определять коэффициент  линейной интерполяцией. Uρ/Ua - реактивная и активная составляющие напряжения короткого замыкания трансформатора, соответственно.

2. По согласованию между изготовителем и заказчиком при отношении Uρ/Ua более 14 допускается принимать ударный коэффициент 1,9 и , равный 2,69.

6.4.1.9. Наибольшую продолжительность короткого замыкания (tк.max) на зажимах трансформаторов следует принимать при коротком замыкании на сторонах с номинальным напряжением 35 кВ и ниже - 4 с, при коротком замыкании на сторонах с номинальным напряжением 110 кВ и свыше - 3 с.

6.4.1.10. Допустимую продолжительность внешнего короткого замыкания tк, с, при протекании установившегося тока короткого замыкания менее наибольшего установившегося следует рассчитывать по формуле

                                                            (5)

где tк.max - допустимая продолжительность короткого замыкания при протекании наибольшего установившегося тока короткого замыкания по 6.4.1.9, с;

Iк.отв - наибольший установившийся ток короткого замыкания, А;

Iк - установившийся ток короткого замыкания менее наибольшего установившегося, А.

Наибольшее допустимое значение продолжительности tк не следует принимать более 15 с независимо от значения Iк.

6.4.2. Требования к стойкости трансформаторов при ударных толчках током

6.4.2.1. Силовые трансформаторы должны выдерживать в эксплуатации ударные толчки током.

Для масляных трансформаторов, кроме трансформаторов собственных нужд электростанций, отношение действующего значения ударного толчка током к номинальному значению тока (кратность) не должно превышать значений, указанных в таблице 9, а для трансформаторов собственных нужд электростанций - в таблице 10.

Для сухих трансформаторов допустимые ударные толчки током должны быть установлены в НД на конкретные трансформаторы.

Таблица 9

Число ударных толчков током в сутки

Кратность, не более, в зависимости от мощности трансформатора

До 25 MB · A

Св. 25 до 100 MB · А включ.

До 3 включ.

4,0

2,0

Св. 3 » 10 »

2,0

1,3

» 10 » 1000 »

1,3

1,1

Примечание - Для трансформаторов мощностью более 100 MB · А число ударных толчков в сутки током свыше номинального значения тока должно быть согласовано между заказчиком и изготовителем.

Таблица 10

Причина толчков нагрузки

Повторяемость, не более

Кратность тока, не более

при расщепленной обмотке НН

при нерасщепленной обмотке НН

для каждой части обмотки НН

для обмотки ВН

для обмотки НН

для обмотки ВН

Пуск отдельных двигателей

Два раза в сутки

5

3

4

4

Самозапуск всех двигателей

Два раза в год

5

5

5

5

6.4.2.2. При числе толчков тока более 100 в сутки или при их продолжительности более 15 с независимо от их числа следует проводить расчетную проверку нагрузочной способности по методике изготовителя.

6.5. Требования к составным частям

6.5.1. Устройства защиты масла

6.5.1.1. Масляные трансформаторы (заполненные минеральным маслом) мощностью 25 кВ · А и более должны быть снабжены расширителем или другой защитой, предохраняющей масло от непосредственного контакта с окружающим воздухом.

6.5.1.2. В заполненных минеральным маслом трансформаторах классов напряжения 110 и 150 кВ мощностью 25 MB · А и более и всех трансформаторах классов напряжения 220 кВ и свыше масло должно быть полностью защищено от контакта с окружающим воздухом посредством пленочной защиты.

6.5.2. Требования к защитным покрытиям приведены в приложении В.

6.5.3. Магнитная система трансформатора и массивные металлические конструктивные элементы должны иметь надежное металлическое соединение с баком.

6.5.4. По требованию заказчика в трансформаторах мощностью более 100 MB · А металлическое соединение магнитной системы с баком должно быть выполнено снаружи бака, причем внутри бака активная часть должна быть полностью изолирована от дна и стенок бака.

6.5.5. Дополнительные требования к составным частям приведены в приложении Г.

6.6. Требования к системам охлаждения

6.6.1. Трансформаторы с принудительной системой охлаждения должны быть снабжены устройствами для автоматического пуска и остановки системы охлаждения, которые должны срабатывать в зависимости от температуры верхних слоев масла и тока нагрузки трансформатора.

6.6.2. Внешние маслопроводы систем охлаждения ДЦ и Ц (поставляемые изготовителем трансформатора) должны быть выполнены из нержавеющей стали или материалов, устойчивых к коррозии.

6.6.3. Шкафы управления системой Д, ДЦ, НДЦ и Ц могут быть навешены на бак трансформатора, если шкаф рассчитан на работу в условиях вибраций, создаваемых трансформатором.

6.6.4. Трансформаторы с принудительной системой охлаждения должны быть снабжены сигнализацией о прекращении циркуляции масла, охлаждающей воды или остановке вентиляторов дутья, а также об автоматическом включении или отключении резервного охладителя или резервного источника питания.

6.6.5. Дополнительные требования к системам охлаждения приведены в приложении Д.

6.7. Требования к надежности

Для силовых трансформаторов должны быть установлены следующие показатели надежности:

- установленная наработка на отказ - не менее 25000 ч;

- полный срок службы - не менее 30 лет.

6.8. Комплектность

6.8.1. В комплект трансформатора должны входить его составные части.

6.8.1.1. Составные части, входящие в комплект трансформатора, должны быть указаны в НД на трансформаторы конкретных видов.

Примечание - В комплект трансформатора входит также масло, заливаемое в трансформатор при перевозке.

6.8.1.2. Масляные трансформаторы, транспортируемые без масла, при заполнении бака сухим воздухом или инертным газом, должны быть укомплектованы следующими изделиями:

- комплектом баллонов со сжатым газом в количестве, достаточном для поддержания давления в баке от 5 до 15 кПа на время транспортирования и последующего хранения;

- устройством для подпитки газом бака, автоматически поддерживающим в нем избыточное давление от 5 до 15 кПа.

6.8.1.3. Трансформаторы с системами охлаждения видов Ц и НЦ, для которых предусматривается применение нормализованной системы охлаждения в соответствии с типовым проектом, комплектуют трубами подсоединения системы охлаждения к трансформатору.

6.8.2. К трансформатору прилагают следующую техническую документацию:

- паспорт трансформатора;

- паспорта комплектующих изделий;

- руководство по эксплуатации трансформатора, включающую документацию по плановому ремонту;

- инструкцию по транспортированию, разгрузке, хранению, монтажу и вводу в эксплуатацию трансформатора;

- чертежи важнейших составных частей в соответствии с НД на трансформаторы конкретных видов. Основные технические данные и характеристики, которые должен содержать паспорт трансформатора, приведены в приложении Е.

6.9. Маркировка и упаковка

6.9.1. Маркировка

6.9.1.1. Маркировка зажимов (вводов) для внешнего присоединения должна быть нанесена способом, обеспечивающим ее долговечность и стойкость к атмосферным воздействиям, в соответствии с ГОСТ 18620.

Примечание - Зажимы (вводы) следует маркировать в соответствии с приложением Ж.

6.9.1.2. Каждый трансформатор должен быть снабжен прикрепленной на видном месте табличкой, на которой указывают следующие данные:

- товарный знак предприятия-изготовителя;

- наименование изделия (трансформатор, автотрансформатор);

- заводской номер;

- условное обозначение типа;

- обозначение НД на трансформатор;

- дату изготовления в соответствии с требованиями НД;

- условное обозначение схемы и группы соединения обмоток;

- номинальную частоту в герцах;

- номинальный режим (в том случае, если режим отличается от продолжительного);

- номинальную мощность в киловольтамперах (указывают также мощности основных обмоток трехобмоточных трансформаторов и мощность обмотки НН трехобмоточных автотрансформаторов);

- номинальные напряжения трансформатора на основном ответвлении в вольтах или киловольтах;

- пределы регулирования напряжения по обмоткам (диапазоны и ступени регулирования РПН и ПБВ);

- номинальные токи обмоток на основном ответвлении в амперах;

- напряжение короткого замыкания на основном ответвлении в процентах (для трехобмоточных трансформаторов указывают напряжение короткого замыкания всех пар обмоток);

- уровень изоляции обмотки и ее нейтрали для обмоток классов напряжения 110 кВ и свыше (указывают испытательные напряжения промышленной частоты и полного грозового импульса для внутренней изоляции);

- класс нагревостойкости изоляции - только для сухих трансформаторов;

- полную массу трансформаторов в килограммах или тоннах;

- массу масла в килограммах или тоннах;

- массу активной части в килограммах или тоннах - для трансформаторов мощностью 1 MB · А и более;

- транспортную массу, если она указана в НД на конкретные трансформаторы;

- массу съемной части бака в транспортном состоянии - для трансформаторов с нижним разъемом.

Примечания

1. Для однофазного трансформатора, предназначенного для соединения в трехфазную группу, номинальные напряжения обмоток, соединяемых в звезду, обозначают в виде дроби, числителем которой является линейное напряжение трехфазной группы, а знаменателем .

2. Для трансформаторов мощностью 1 MB · А и более указывают значение напряжения короткого замыкания, измеренное при приемосдаточных испытаниях. Для трансформаторов мощностью менее 1 MB · А допускается указывать значение напряжения короткого замыкания, измеренное при типовых испытаниях.

6.9.1.3. Кроме обозначения на табличке заводской номер трансформатора должен быть четко обозначен на баке рядом с табличкой.

6.9.1.4. Для трансформаторов ПБВ и РПН первому положению привода должно соответствовать наибольшее значение номинального напряжения ответвления.

6.9.1.5. Маркировка места заземления должна быть выполнена по одному из методов ГОСТ 21130.

6.9.1.6. Транспортная маркировка - по ГОСТ 14192 со следующими дополнениями:

- основные, дополнительные и информационные надписи для упакованных демонтированных и запасных частей должны быть нанесены на тару, а для деталей и сборочных единиц, транспортируемых без упаковки, - на ярлыки или детали и сборочные единицы;

- виды манипуляционных знаков, наносимых на грузовые места, и места их нанесения должны соответствовать ГОСТ 14192 и технической документации на трансформатор.

6.9.1.7. На баке трансформатора должны быть нанесены предупредительные надписи «Домкрат» при наличии мест под установку домкратов.

6.9.1.8. На баках трансформаторов, на активной части которых установлен макет (образец) изоляции, вблизи места установки макета должна быть нанесена надпись «Макет изоляции».

6.9.1.9. Все надписи, указанные в 6.9.1.7 и 6.9.1.8, должны быть выполнены несмываемой краской.

6.9.1.10. На деталях и сборочных единицах, подлежащих демонтажу перед отправкой потребителю, должна быть предусмотрена маркировка для правильного монтажа.

6.9.1.11. На баках распределительных трансформаторов, активная часть которых извлекается вместе с крышкой, должен быть нанесен знак, информирующий об этом.

6.9.2. Упаковка

6.9.2.1. Трансформаторы, заполненные минеральным маслом, а также демонтированные на время транспортирования крупногабаритные составные части перевозят без упаковки. Составные части, внутренняя поверхность которых при эксплуатации трансформатора имеет контакт с маслом, при транспортировании и хранении должны быть защищены от попадания в них влаги и пыли.

Требования к упаковке и транспортированию трансформаторов, заполненных синтетическим маслом, должны быть указаны в НД на данные трансформаторы.

6.9.2.2. Сухие трансформаторы упаковывают в соответствии с НД.

6.9.2.3. Комплектующие съемные составные части (вводы, приборы и т.д.) и крепежные детали должны быть упакованы в соответствии с требованиями ГОСТ 23216. Покупные комплектующие составные части, поступающие на предприятие - изготовитель трансформаторов, упаковывают в соответствии с НД на эти изделия.

6.9.2.4. Категория упаковки демонтированных на время транспортирования составных и запасных частей, за исключением указанных в 6.9.2.1, конструкция и тип ящиков в зависимости от механических и климатических воздействий при транспортировании и хранении должны обеспечивать сохранность указанных частей во время транспортирования и хранения.

6.9.2.5. Консервация неокрашенных и не имеющих защитных покрытий наружных поверхностей трансформатора, подвергающихся коррозии и порче, - по ГОСТ 9.014.

6.9.2.6. Вводы на напряжение более 35 кВ, не демонтируемые на время транспортирования, должны быть защищены от механических повреждений во время транспортирования.

6.9.2.7. В НД на каждый тип трансформатора должны быть указаны масса каждого грузового места (транспортного блока), их габаритные размеры, а также способы транспортирования:

- в упаковке;

- без упаковки.

6.9.2.8. Эксплуатационная НД на трансформатор и его комплектующие изделия, транспортируемые с комплектом трансформатора, должна быть упакована не ниже КУ-2 по ГОСТ 23216.

7. Требования безопасности

7.1. Требования безопасности, в том числе пожарной, должны соответствовать ГОСТ 12.2.007.0, ГОСТ 12.2.007.2, ГОСТ 12.1.004, ГОСТ 14254.

7.2. Заземление баков трансформаторов должно быть выполнено в соответствии с требованиями ГОСТ 12.2.007.0 со следующими дополнениями:

- при применении для заземления резьбового соединения диаметр резьбы должен быть М12 для трансформаторов мощностью 25 кВ · А и более и М8 - для трансформаторов мощностью менее 25 кВ · А;

- поверхность заземляющего контакта должна быть достаточной для присоединения стальной шины сечением не менее 40´4 мм;

- заземляющий контакт должен быть расположен в доступном месте внизу бака на стороне НН, а в трансформаторах с охлаждением вида С - в доступном месте остова.

7.3. Трансформаторы должны быть снабжены прикрепленными к баку лестницей и упорами в соответствии с ГОСТ 12.2.007.2.

Данное требование не распространяется на герметичные трансформаторы для КТП (без расширителя).

Для передвижных трансформаторов допускается лестницу выполнять в виде скоб, приваренных к баку трансформатора.

7.4. Допустимые значения корректированного уровня звуковой мощности для трансформаторов, заполненных минеральным маслом, должны соответствовать ГОСТ 12.2.024, для сухих трансформаторов и трансформаторов, заполненных синтетическим маслом, а также для трансформаторов на напряжение 1150 кВ - по НД на данные трансформаторы.

8. Требования охраны окружающей среды

8.1. При производстве трансформаторов, их испытании, хранении, транспортировании и эксплуатации (применении), а также при утилизации опасной в экологическом отношении продукции должны быть предусмотрены меры для предупреждения вреда окружающей природной среде, здоровью и генетическому фонду человека.

8.2. При утилизации должны быть выполнены следующие требования:

- отработанное трансформаторное масло необходимо слить в технологические емкости и отправить на регенерацию;

- металлические составные части трансформатора (медь и алюминий обмоток и отводов, сталь электротехническая и конструкционная) должны быть сданы на предприятия по переработке цветных и черных металлов;

- фарфоровые изоляторы, электрокартон, резиновые уплотнения должны быть отправлены на полигон твердых бытовых отходов.

9. Правила приемки

9.1. Для контроля соответствия трансформатора требованиям настоящего стандарта установлены следующие правила приемки и категории испытаний: приемосдаточные, типовые и периодические.

9.2. Приемосдаточные испытания

9.2.1. Приемосдаточным испытаниям должен быть подвергнут каждый трансформатор.

9.2.2. Перед приемосдаточными испытаниями необходимо провести внешний осмотр трансформатора и проверку на соответствие рабочим чертежам.

9.2.3. Программа приемосдаточных испытаний должна содержать следующие проверки, испытания и измерения:

- проверку коэффициента трансформации и группы соединения обмоток;

- испытание пробы масла из бака масляного трансформатора и контактора устройства РПН, имеющего гашение дуги в масле по приложению И;

- испытание электрической прочности изоляции для трансформаторов класса напряжения до 750 кВ включительно по ГОСТ 1516.3 в объеме приемосдаточных испытаний, для трансформаторов классов напряжения ниже 1 кВ и 1150 кВ - по НД на данные трансформаторы;

- проверку потерь и тока холостого хода;

- проверку потерь и напряжения короткого замыкания на основных ответвлениях для всех пар обмоток трансформаторов; для трансформаторов мощностью не более 25 кВ · А допускается проводить эту проверку выборочно из партии трансформаторов одного типа, при этом число трансформаторов в партии и правила проверки должны быть определены в НД на трансформаторы конкретных видов;

- испытание бака трансформатора на герметичность - для масляных трансформаторов и сухих герметичных трансформаторов по требованиям, установленным в НД на конкретные виды трансформаторов;

- испытание устройств РПН в сборе с трансформатором в следующем объеме:

проверка последовательности действия контактов, если она не проводилась до установки устройства РПН на трансформатор,

проверка правильности сочленения монтируемых на трансформаторе составных частей устройства РПН,

измерение крутящего момента на валу привода с проверкой работы механической блокировки ручного управления,

проверка правильности работы блокировки электродвигателя привода,

проверка устройства РПН под напряжением путем 4 - 5-кратной прогонки по всему диапазону регулирования;

- измерения следующих параметров для сравнения с результатами измерений их в эксплуатации:

сопротивления обмоток постоянному току,

диэлектрических параметров изоляции (сопротивления изоляции, тангенса угла диэлектрических потерь и емкости для трансформаторов класса напряжения 35 кВ мощностью 10 MB · А и более и для всех трансформаторов классов напряжения 110 кВ и свыше),

потерь холостого хода при малом напряжении для трансформаторов мощностью 10 MB · А и более.

9.3. Типовые испытания

9.3.1. Типовым испытаниям должен быть подвергнут трансформатор единичного производства, образец (образцы) из опытной партии на соответствие требованиям настоящего стандарта.

9.3.2. Программа типовых испытаний должна содержать указанные ниже испытания и проверки.

9.3.2.1. Испытания, проверки и измерения по пункту 9.2; при этом дополнительно следует проводить измерение потерь и напряжения короткого замыкания на крайних ответвлениях.

9.3.2.2. Испытание на нагрев.

9.3.2.3. Испытание электрической прочности изоляции для трансформаторов класса напряжения до 750 кВ включительно по ГОСТ 1516.3 в объеме типовых испытаний, для трансформаторов классов напряжения ниже 1 кВ и 1150 кВ - по НД на данные трансформаторы.

9.3.2.4. Приемка в части стойкости при коротких замыканиях и ударных толчках током (последнее - только для трансформаторов собственных нужд электростанций):

а) в зависимости от мощности трансформатора посредством по крайней мере одного из перечисленных далее способов, который должен быть указан в НД на конкретные трансформаторы или оговорен при заключении контракта на поставку трансформатора:

испытание на стойкость при коротких замыканиях по ГОСТ 20243,

расчетное сравнение с трансформатором аналогичной конструкции (прототипом), выдержавшим испытания на стойкость при коротких замыканиях, при выполнении условий в),

расчет (расчетное обоснование) по методике изготовителя для трансформаторов большой мощности (более 40 MB · А), которые согласно НД не подлежат испытаниям на стойкость при коротких замыканиях, при отсутствии успешно испытанного прототипа;

б) трансформаторы собственных нужд электростанций независимо от мощности должны быть испытаны на стойкость при коротких замыканиях и ударных толчках током, при этом возможна замена испытаний расчетным сопоставлением с испытанным прототипом, но недопустима приемка только на базе расчетного обоснования; испытание и выбор прототипа (в случае замены испытаний сопоставительным расчетом) следует проводить по методике, согласованной между изготовителем и заказчиком;

в) приемка трансформатора способом расчетного сравнения с трансформатором аналогичной конструкции (прототипом), выдержавшим испытания на стойкость при КЗ, допускается при выполнении следующих условий:

трансформатор и прототип должны быть изготовлены на одном и том же предприятии-изготовителе по одному технологическому процессу,

рассматриваемый трансформатор должен иметь выдерживаемую при коротком замыкании мощность (номинальная мощность на единицу значения сопротивления короткого замыкания) в диапазоне от 50 % до 100 % по сравнению с его прототипом, аналогичные конструкции обмоток, магнитной системы, опорной изоляции и прессующих систем;

по результатам сопоставительного расчета по методике изготовителя прототип должен иметь более высокие механические усилия и нагрузки (напряжения, деформации, осевые силы на опоры), меньшие запасы прочности и устойчивости.

9.3.2.5. Испытания бака на механическую прочность:

- при избыточном внутреннем давлении для масляных мощностью до 1 MB · А и сухих герметичных трансформаторов;

- при вакууме - для масляных трансформаторов мощностью 1 MB · А и более;

- на транспортере для трансформаторов, транспортируемых на транспортере сочлененного типа.

9.3.2.6. Акустические испытания.

9.3.2.7. Измерение сопротивления нулевой последовательности - для трехфазных двухобмоточных трансформаторов без боковых ярм, имеющих схему соединения обмоток Ун/Д, в остальных случаях такие измерения проводят по требованию заказчика по согласованной с ним методике.

9.3.2.8. Проверка массы (взвешиванием) для трансформаторов мощностью до 1,6 MB · А включительно.

9.3.3. Допускается не проводить следующие виды типовых испытаний на основе сравнения с трансформатором аналогичной конструкции (прототипом), изготовленным на том же предприятии и успешно выдержавшим соответствующие испытания, если соблюдены условия, перечисленные ниже:

- испытание на нагрев - если рассматриваемый трансформатор имеет мощность, равную или меньшую (но не более чем вдвое), чем его прототип, аналогичные конструкции обмоток и магнитной системы, вид охлаждения, конструкцию охлаждающей системы, а превышения температуры рассматриваемого трансформатора по сопоставительному расчету с учетом результатов испытаний на нагрев прототипа соответствуют нормам, приведенным в 6.2;

- испытание электрической прочности изоляции - в случаях, предусмотренных ГОСТ 1516.3;

- испытания на стойкость при коротком замыкании - если выполнены условия, указанные в перечислении в) 9.3.2.4;

- испытание на механическую прочность бака при вакууме и внутреннем избыточном давлении - если бак рассматриваемого трансформатора по сравнению с баком прототипа имеет для одинаковых баков равные, а для разных баков более низкие расчетные механические напряжения при аналогичной конструкции бака;

- испытания на механическую прочность бака на транспортере и активной части при подъеме и запрессовке обмоток - если при одинаковых баках и активных частях рассматриваемый трансформатор и прототип имеют равные расчетные механические напряжения, а при разных, но конструктивно аналогичных баках и активных частях, отличающихся незначительно какими-либо элементами, - более низкие соответствующие напряжения;

- акустические испытания - если рассматриваемый трансформатор и прототип имеют идентичные магнитные системы, активные части и системы охлаждения, а номинальная частота и индукция в магнитной системе рассматриваемого трансформатора не выше, чем у прототипа.

9.4. Периодические испытания

9.4.1. Периодическим испытаниям следует подвергать трансформаторы серийного производства в объеме типовых испытаний и проверок.

Испытания изоляции должны быть проведены в объеме периодических испытаний по ГОСТ 1516.3.

9.4.2. Периодические испытания следует проводить не реже одного раза в 5 лет для трансформаторов мощностью менее 10 MB · А, одного раза в 8 лет - для трансформаторов мощностью до 100 MB · А и одного раза в 10 лет - для трансформаторов мощностью 100 MB · А и более. Дополнительно должен быть проведен контроль показателей надежности.

9.4.3. Допускается не проводить периодические испытания на нагрев, стойкость при коротком замыкании и стойкость к ударным толчкам нагрузки, на механическую прочность бака на транспортере и активной части, а также акустические испытания и проверку массы (взвешиванием), если документально подтверждено отсутствие рекламаций о выходах из строя трансформаторов в эксплуатации, связанных с дефектами конструкции или изготовления, а также в тех случаях, если производство аттестовано по системе качества в соответствии с ГОСТ Р ИСО 9001.

9.5. Если при испытаниях хотя бы один из параметров трансформатора не будет соответствовать требованиям настоящего стандарта и/или НД на конкретный трансформатор, то после устранения причины возникновения дефектов проводят повторные испытания параметров по пункту несоответствия и другим пунктам, зависимым от вносимого изменения.

Если трансформатор не выдержал испытания на стойкость при коротком замыкании и/или ударных толчках током из-за повреждения только одного элемента, то по согласованию с заказчиком допускается не проводить повторное испытание, если изготовитель гарантирует устранение причины повреждения за счет применения дополнительных мер, проверенных на моделях или на других испытанных трансформаторах аналогичной конструкции.

Если для устранения причин дефектов или оценки результатов испытаний на стойкость при коротком замыкании проводилась разборка магнитной системы, то допускаются предельные отклонения измеряемых параметров потерь и тока холостого хода от нормированных значений 25 % и 60 %, соответственно.

9.6. Допускается проводить различные виды типовых и периодических испытаний на одном или нескольких представительных образцах данного трансформатора одного завода-изготовителя.

Трансформаторы, имеющие отличия в обозначении, но одинаковые конструктивные параметры применительно к конкретному виду испытаний, могут быть рассмотрены как представительные образцы для данного вида испытаний.

9.7. Протоколы типовых и периодических испытаний, а также результаты опыта короткого замыкания по фазам (напряжения, токи) должны быть предъявлены заказчику по его требованию.

10. Методы контроля

10.1. Внешний осмотр трансформатора проводят визуально. Размеры трансформатора следует проверять в процессе его изготовления с помощью измерительного инструмента, обеспечивающего точность измерений в пределах допусков, указанных на рабочих чертежах.

10.2. Виды и методы испытаний и проверок трансформаторов приведены в таблице 11.

Таблица 11

Наименование испытания (проверки)

Метод испытания

1. Проверка коэффициента трансформации

По ГОСТ 3484.1

2. Проверка группы соединения обмоток

То же

3. Измерение сопротивления обмоток постоянному току

»

4. Проверка потерь и напряжения короткого замыкания (опыт короткого замыкания)

»

5. Проверка потерь и тока холостого хода (опыт холостого хода)

»

6. Измерение сопротивления нулевой последовательности

»

7. Измерение гармонического состава тока холостого хода

»

8. Испытания на нагрев

По ГОСТ 3484.2

9. Определение диэлектрических параметров изоляции

По ГОСТ 3484.3

10. Испытание баков на механическую прочность

По ГОСТ 3484.4

11. Испытания баков на герметичность

По ГОСТ 3484.5

12. Испытания электрической прочности изоляции

По ГОСТ 22756 и ГОСТ 21023

13. Испытания на стойкость при коротком замыкании и стойкость при ударных толчках током

По ГОСТ 20243

14. Акустические испытания

По ГОСТ 12.2.024

15. Контроль маркировки

По ГОСТ 18620

16. Испытания трансформаторного масла

По ГОСТ 982, НД на трансформаторные масла и по методике изготовителя

17. Проверка превышений температуры контактов съемных вводов

По методике изготовителя

18. Испытание активной части на механическую прочность

То же

19. Испытание (проверка) на пожарную опасность

По методике, соответствующей ГОСТ 12.1.004

20. Определение массы (взвешиванием)

По методике изготовителя

10.3. Значения показателей надежности трансформаторов определяют расчетом по методике изготовителя с учетом результатов и рекомендаций эксплуатации.

10.4. Массу трансформаторов и их составных частей определяют расчетом, а массу трансформаторов мощностью до 1,6 MB · А включительно - расчетом и взвешиванием.

11. Транспортирование и хранение

11.1. Транспортирование

11.1.1. Требования к транспортированию устанавливают в НД на трансформаторы конкретных видов.

11.1.2. Условия транспортирования трансформаторов:

- в части воздействия климатических факторов - в соответствии с группой условий хранения по ГОСТ 15150;

- в части воздействия механических факторов - Л по ГОСТ 23216.

11.1.3. Трансформаторы перевозят железнодорожным или транспортом другого вида в соответствии с правилами перевозки грузов или НД, действующими на транспорте данного вида.

11.1.4. Баки трансформаторов должны иметь приспособления для крепления на время транспортирования. В случае применения растяжек они не должны касаться и повреждать выступающие части: радиаторы, запорную арматуру и т.д.

11.1.5. Для транспортирования допускается демонтаж отдельных составных частей трансформатора.

11.1.6. Масляные трансформаторы перевозят высушенными и заполненными маслом. По согласованию между заказчиком и изготовителем или в случае, когда это указано в НД на отдельные виды трансформаторов, допускается вместо масла заполнять трансформаторы сухим инертным газом или воздухом.

При перевозке трансформаторов с маслом в конструкторской документации указывают уровень масла (но не ниже уровня прессующих колец), до которого заполняют трансформатор на время транспортирования.

11.1.7. Масляные трансформаторы, транспортируемые без масла, с баком, заполненным сухим воздухом или инертным газом, должны быть уплотнены и испытаны на герметичность избыточным давлением от 25 до 70 кПа.

11.2. Хранение

Требования к хранению устанавливают в НД на конкретные трансформаторы в соответствии с ГОСТ 23216.

12. Указания по эксплуатации

При вводе трансформаторов в эксплуатацию, а также в процессе эксплуатации трансформаторов следует соблюдать требования, установленные в НД на конкретные трансформаторы.

13. Гарантии изготовителя

13.1. Изготовитель гарантирует соответствие трансформаторов требованиям настоящего стандарта при соблюдении условий транспортирования, хранения, монтажа и эксплуатации.

13.2. Гарантийный срок эксплуатации трансформатора - 3 года со дня ввода в эксплуатацию.

Приложение А

(обязательное)

Условное обозначение трансформаторов

А.1. Структурная схема условного обозначения трансформатора

Для автотрансформаторов при классах напряжения стороны СН или НН 110 кВ и свыше после класса напряжения стороны ВН через черту дроби указывают класс напряжения стороны СН или НН.

А.2. Буквенная часть условного обозначения

Буквенная часть должна соответствовать следующему порядку обозначений:

А - автотрансформатор;

О или Т - однофазный или трехфазный трансформатор;

Р - расщепленная обмотка НН;

буквы условного обозначения видов охлаждения - по таблице 1 настоящего стандарта;

З - трансформатор с естественным масляным охлаждением или с охлаждением негорючим жидким диэлектриком с защитой при помощи азотной подушки без расширителя;

Л - трансформатор с литой изоляцией;

Т - трехобмоточный трансформатор (для двухобмоточного трансформатора букву не указывают);

Н - трансформатор РПН;

С - трансформатор собственных нужд электростанций.

А.3. В НД на конкретные трансформаторы могут быть предусмотрены дополнительные буквенные обозначения после букв, перечисленных выше.

А.4. Для трансформаторов с разными классами напряжения обмоток ВН допускается применять одинаковые условные обозначения, если эти трансформаторы различаются лишь номинальными напряжениями. В этом случае указывают наибольший из классов напряжения обмотки ВН.

А.5. Примеры условных обозначений:

- трансформатора трехфазного сухого с естественным воздушным охлаждением при защищенном исполнении, двухобмоточного, мощностью 100 кВ · А, класса напряжения 10 кВ, исполнения У категории 3 по ГОСТ 15150:

ТСЗ-100/10-УЗ;

- трансформатора трехфазного масляного с охлаждением при естественной циркуляции воздуха и масла, двухобмоточного, с регулированием напряжения под нагрузкой, мощностью 2500 кВ · А, класса напряжения 110 кВ, исполнения У категории 1 по ГОСТ 15150, год разработки 2003:

ТМН-2500/110-У1;

- автотрансформатора трехфазного масляного с охлаждением при принудительной циркуляции воздуха и масла с ненаправленным потоком масла, трехобмоточного, с регулированием напряжения под нагрузкой, мощностью 200000 кВ · А, класса напряжения обмотки ВН-330 кВ, класса напряжения обмотки - СН-110 кВ, исполнения У категории 1 по ГОСТ 15150, год разработки 2005:

АТДЦТН-200000/330/110-У1.

Приложение Б

(обязательное)

Схемы и группы соединения обмоток трансформаторов

Б.1. Схемы и группы соединения обмоток трансформаторов должны соответствовать приведенным в таблицах Б.1 - Б.8.

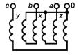
Таблица Б.1 - Схемы и группы соединения обмоток трехфазных двухобмоточных трансформаторов

Схема соединения обмоток

Диаграмма векторов напряжения холостого хода

Условное обозначение

ВН

НН

ВН

НН

Y/Yн-0

Yн/Y-0

Y/D-11

Yн/D-11

Y/Zн-11

D/Yн-11

D/D-0

Таблица Б.2 - Схема и группа соединения обмоток однофазных двухобмоточных трансформаторов

Схема соединения обмоток

Диаграмма векторов напряжения холостого хода

Условное обозначение

ВН

НН

ВН

НН

1/1-0

Таблица Б.3 - Схемы и группы соединения обмоток трехфазных трехобмоточных трансформаторов

Схема соединения обмоток

Диаграмма векторов напряжения холостого хода

Условное обозначение

ВН

СН

НН

ВН

СН

НН

Yн/Yн/D-0-11

Yн/D/D-11-11

Таблица Б.4 - Схема и группа соединения обмоток трехфазных трехобмоточных автотрансформаторов

Схема соединения обмоток

Диаграмма векторов напряжения холостого хода

Условное обозначение

ВН и СН

НН

ВН и СН

НН

Yнaвто/D-0-11

Таблица Б.5 - Схема и группа соединения обмоток однофазных трехобмоточных автотрансформаторов

Схема соединения обмоток

Диаграмма векторов напряжения холостого хода

Условное обозначение

ВН и СН

НН

ВН и СН

НН

1авто/1-0-0

Таблица Б.6 - Схема и группа соединения обмоток трехфазных двухобмоточных автотрансформаторов

Схема соединения обмоток

Диаграмма векторов напряжения холостого хода

Условное обозначение

ВН и НН

ВН и НН

Yнавто

Таблица Б.7 - Схема и группа соединения обмоток однофазных двухобмоточных трансформаторов с расщепленной обмоткой НН

Схема соединения обмоток

Диаграмма векторов напряжения холостого хода

Условное обозначение

ВН

НН

ВН

НН

1/1-1-0-0

Таблица Б.8 - Схемы и группы соединения обмоток трехфазных двухобмоточных трансформаторов с расщепленной обмоткой НН

Схема соединения обмоток

Диаграмма векторов напряжения холостого хода

Условное обозначение

ВН

НН

ВН

НН

Yн/D-D-11-11

D/D-D-0-0

Б.2. Схемы и группы соединения обмоток однофазных трансформаторов для работы в трехфазной группе следует указывать в НД на данные трансформаторы.

Б.3. Указанные в таблицах Б.1 - Б.8 схемы соединения обмоток не относятся к действительному расположению отводов активной части и вводов на крышке бака трансформатора.

Схемы соединения обмоток ВН указаны со стороны отводов обмотки ВН, а схемы соединения обмоток СН и НН - со стороны отводов обмотки НН.

Примечание - В схемах соединения обмоток допустимо вместо обозначений А, В, С и a, b, c использовать обозначения I, II, III и i, ii, iii соответственно, которые применяют в международной практике.

Приложение В

(обязательное)

Защитные покрытия

В.1. Для масляных трансформаторов металлические поверхности элементов активной части, внутренние поверхности бака, расширителя и защитного устройства (выхлопной трубы) должны иметь маслостойкое покрытие, защищающее масло от контакта с ними и не оказывающее вредного влияния на масло.

Допускается не защищать покрытием торцевые поверхности магнитной системы, магнитные экраны, алюминиевые шины, детали переключающих устройств, крепежные детали, а также другие детали и составные части активной части, не оказывающие активного каталитического воздействия на масло.

В.2. Охладители систем охлаждения должны быть очищенными и промытыми трансформаторным маслом.

Трубы маслопроводов систем охлаждения, соединяющие бак трансформатора с охладителями, должны быть коррозионно-стойкими и маслостойкими или иметь коррозионно-стойкое и маслостойкое внутреннее покрытие.

В.3. Для трансформаторов, залитых синтетическим маслом, и масляных трансформаторов с гофрированными баками, залитых минеральным маслом, требования защиты внутренних поверхностей должны быть указаны в НД на данные трансформаторы.

В.4. Наружные поверхности трансформатора из некоррозионно-стойких материалов должны иметь стойкие к атмосферным воздействиям покрытия. Применяемые для этих целей лакокрасочные покрытия должны быть серого, светло-серого или темно-серого цветов.

Для сухих трансформаторов требования к цвету покрытий наружных поверхностей должны быть указаны в НД на данные трансформаторы.

Поверхности резьбовых соединений, деталей сочленения бака с транспортером сочлененного типа, поверхности катания катков, поверхности заземления допускается не защищать покрытиями. В этом случае указанные поверхности подлежат консервации.

В.5. Трансформаторы для КТП мощностью свыше 250 кВ · А должны быть окрашены в один цвет с их шкафами.

Приложение Г

(обязательное)

Составные части трансформаторов

Г.1. Устанавливаемые на трансформаторах вводы должны быть, если в НД на трансформатор не оговорено иное, для класса напряжения 110 кВ с твердой (RIP) изоляцией, для классов напряжения от 150 до 750 кВ герметичные конденсаторные по ГОСТ 10693 и ГОСТ 23865.

Г.2. Зажимы сухих трансформаторов должны быть выполнены в соответствии с требованиями ГОСТ 10434.

Г.3. В двухобмоточных трансформаторах мощностью 32 MB · А и более, трехобмоточных автотрансформаторах мощностью 63 MB · А и более и трансформаторах собственных нужд электростанций мощностью 10 MB · А и более должна быть предусмотрена возможность присоединения экранированных токопроводов вводов НН к баку трансформатора или установкам трансформаторов тока. В трансформаторах собственных нужд электростанций классов напряжения до 35 кВ включительно мощностью 10 MB · А и более дополнительно должна быть предусмотрена возможность присоединения экранированных токопроводов вводов ВН к баку трансформатора или установкам трансформаторов тока.

Указанные границы мощности могут быть уточнены в НД на трансформаторы конкретных видов.

Г.4. По согласованию между изготовителем и потребителем должна быть обеспечена возможность крепления экранированных токопроводов к крышке или верхней части бака трансформатора.

Г.5. В трансформаторах мощностью 25 кВ · А и более классов напряжения до 330 кВ включительно конструкция вводов и трансформаторов должна допускать демонтаж и установку ввода (или его наружного изолятора) без съема крышки или верхней части бака, выемки активной части из бака и слива масла ниже прессующих колец.

Г.6. По требованию заказчика трансформаторы могут быть изготовлены с вводами для степеней загрязнения I, II* и IV по ГОСТ 9920.

Г.7. По согласованию между заказчиком и изготовителем трансформаторы классов напряжения 35 кВ и свыше могут быть изготовлены с кабельными вводами.

Г.8. По согласованию между заказчиком и изготовителем трансформаторы классов напряжения 110 кВ и свыше могут быть изготовлены с вводами для присоединения к элегазовому оборудованию.

Г.9. Расположение вводов масляных трансформаторов и зажимов сухих трансформаторов должно быть указано в НД на трансформаторы конкретных видов.

Г.10. Устройства РПН должны соответствовать требованиям ГОСТ 24126 или НД на устройства РПН.

Г.11. Масляные трансформаторы должны быть снабжены встроенными трансформаторами тока по ГОСТ 7746 в соответствии с требованиями НД на конкретные трансформаторы; по согласованию между изготовителем и заказчиком возможна установка встроенных трансформаторов, не предусмотренных ГОСТ 7746.

Г.12. Все ответвления от трансформаторов тока должны быть выведены в коробку зажимов для возможности присоединения кабелей.

Г.13. Емкость расширителя должна обеспечивать постоянное наличие в нем масла при всех режимах работы трансформатора от отключенного состояния до номинальной нагрузки и при колебаниях температуры окружающего воздуха, указанных в 4.2.1 или 4.2.2, причем при перегрузках, установленных в 6.2, масло не должно выливаться.

На маслоуказателе или расширителе должны быть нанесены контрольные метки для следующих температур масла:

минус 45 °C, минус 15 °C, минус 40 °C - для климатического исполнения У;

минус 60 °C, минус 15 °C, минус 40 °C - для климатических исполнений ХЛ, УХЛ.

Примечание - Для конкретных условий охлаждающей среды, отличающихся от предельных, указанных в 4.2.1 или 4.2.2 (внутренняя установка и др.), емкость расширителя выбирают исходя из предельных значений температуры, нормированных для этих конкретных условий.

Г.14. Масляные трансформаторы мощностью 25 кВ · А и более должны быть снабжены расширителем или другой защитой, предохраняющей масло от непосредственного соприкосновения с окружающим воздухом.

Расширитель должен быть снабжен воздухоосушителем с масляным затвором или другим устройством для защиты масла в расширителе от непосредственного соприкосновения с окружающим воздухом.

Конструкция воздухоосушителя должна обеспечивать возможность наблюдения за состоянием сорбента при эксплуатации трансформатора.

Г.15. Конструкция расширителя должна исключать возможность попадания остатков масла из расширителя в бак.

Г.16. В нижней части расширителя должна быть предусмотрена пробка для слива масла. В трансформаторах с газовым реле между расширителем и баком должно быть установлено запорное устройство с указателем положения.

Г.17. В трансформаторах мощностью до 1 MB · А включительно расширитель должен быть снабжен устройством для заливки масла, а в трансформаторах большей мощности - запорным устройством.

Г.18. Баки масляных трансформаторов должны выдерживать испытания на механическую прочность в соответствии с таблицей Г.1. Испытания трансформаторов мощностью до 6,3 MB · А включительно на напряжение до 35 кВ включительно и с гофрированными баками - по НД на данные трансформаторы.

Таблица Г.1

Номинальная мощность трансформатора, MB · А

Класс напряжения, кВ

Испытание

избыточным давлением, кПа

при вакууме с остаточным давлением, кПа

Более 6,3

До 35 включ.

50+5

50-2,5

2,5 и более

110

150 и более

Не более 5

Г.19. Баки трансформаторов с азотной подушкой без расширителя должны выдерживать испытания на механическую прочность при вакууме по нормам, указанным в таблице Г.1, при избыточном давлении, равном 75+5 кПа.

Г.20. В трансформаторах с массой активной части более 25 т баки должны иметь нижний разъем, если в НД не указано иное.

Г.21. По согласованию между изготовителем и заказчиком баки трансформаторов могут изготовляться неразъемной конструкции (с заваренным разъемом).

Г.22. Масляные трансформаторы и трансформаторы с негорючим жидким диэлектриком, кроме герметичных с гофрированным баком, должны снабжаться маслоуказателем (указателем уровня жидкости).

Г.23. В трансформаторах мощностью 10 MB · А и более маслоуказатель должен быть стрелочного типа и включать в себя датчики минимального и максимального уровней масла.

Г.24. Конструкция маслоуказателя со стеклянной трубкой должна обеспечивать замену трубки без слива масла из расширителя.

Г.25. Масляные трансформаторы мощностью 1 MB · А и более, а также все герметичные масляные трансформаторы, кроме трансформаторов с гофрированными баками, должны иметь манометрический термометр с двумя переставными сигнальными контактами.

Масляные трансформаторы всех видов систем охлаждения, кроме вида М, должны быть снабжены манометрическими термометрами для измерения температуры верхних слоев масла и для автоматического управления системой охлаждения.

Температурная погрешность манометрических термометров не должна превышать ± 5 °C.

Г.26. Сигнальные контакты манометрических термометров должны работать в цепях управления и контроля напряжением 220 В постоянного или переменного тока.

Г.27. Корпус манометрического термометра должен быть укреплен на высоте не более 1,6 м от уровня фундамента.

Г.28. Масляные трансформаторы должны быть снабжены арматурой для заливки, отбора пробы, слива и фильтрации масла и подключения вакуум-насоса в соответствии с требованиями НД на конкретные виды трансформаторов.

Г.29. Герметичные трансформаторы без расширителей должны быть снабжены мановакуумметром. Герметичные трансформаторы с гофрированными баками снабжают мановакуумметром по заказу потребителя.

Г.30. В трансформаторах напряжением 110 кВ и свыше арматура для отбора пробы масла должна находиться в нижней части бака и бака устройства РПН и должна:

- позволять отбирать пробу масла на высоте не более 10 мм от дна бака;

- допускать возможность присоединения резинового шланга и плавного регулирования струи.

Для остальных трансформаторов требования к арматуре для отбора пробы масла - в соответствии с НД на трансформаторы конкретных видов.

Г.31. Трансформатор, у которого радиаторы или охладители демонтируют на время транспортирования, должен иметь запорную арматуру, позволяющую снимать радиаторы или охладители без слива масла из бака.

Г.32. Радиаторы и охладители, демонтируемые на время транспортирования, должны быть снабжены пробками в нижней и верхней частях.

Г.33. Краны и затворы, установленные на трансформаторе, должны иметь метки, указывающие их положение.

Г.34. Запорная арматура должна быть съемной.

Г.35. Запорная арматура трансформаторов с видами систем охлаждения ДЦ, НДЦ, Ц, НЦ должна обеспечивать вакуумирование бака, системы охлаждения и отдельных ее элементов.

Г.36. Масляные трансформаторы мощностью 1,6 MB · А и более с расширителем должны быть снабжены газовым реле. Трансформаторы мощностью от 400 до 1000 кВ · А с расширителем снабжают газовым реле по заказу потребителя.

Реле должно быть приспособлено для визуального контроля выделившегося газа, а также для отбора пробы газа.

Г.37. Устройство РПН должно быть снабжено струйным защитным реле. Расширитель устройства РПН должен быть снабжен элементом, сигнализирующим о низком уровне масла.

Г.38. По заказу потребителя трансформаторы мощностью 400 и 630 кВ · А с расширителем, предназначенные для питания собственных нужд станций и подстанций и устанавливаемые внутри зданий, должны быть снабжены газовым реле.

Г.39. В трансформаторах, имеющих газовое реле, полости, в которых могут скапливаться газы, должны быть соединены с коллектором, отводящим газ в газовое реле.

Г.40. Установка газового реле на трансформаторе должна способствовать исключению ложных срабатываний при работе трансформатора.

Г.41. Трансформаторы, кроме герметичных трансформаторов с гофрированными баками, должны быть снабжены устройствами для защиты бака от повреждения при повышении внутреннего давления в соответствии с требованиями ГОСТ 12.2.007.2.

Для герметичных распределительных трансформаторов мощностью до 2,5 MB · А включительно должна быть предусмотрена возможность установки устройств для сброса давления.

Г.42. Трансформаторы мощностью 1 MB · А и более, герметичные трансформаторы для комплектных трансформаторных подстанций мощностью 160 кВ · А и более с мановакуумметром, а также трансформаторы, снабженные газовым реле, должны быть снабжены коробкой зажимов и проводкой в защитной оболочке, соединяющей приборы сигнализации, защиты, а также встроенные трансформаторы тока с коробкой зажимов.

Г.43. Трансформаторы мощностью 125 MB · А и более (трансформаторы меньшей мощностью - по требованию заказчика) должны быть снабжены устройством для отбора проб газа из газового реле с уровня установки трансформатора.

Г.44. Трансформаторы мощностью 63 MB · А и более должны предусматривать возможность установки тепловых извещателей устройства обнаружения пожара.

Г.45. Трансформаторы с напряжением обмотки НН, равным 0,69 кВ и менее, по заказу потребителя должны быть снабжены пробивным предохранителем.

Г.46. Трансформаторы мощностью 1 MB · А и более классов напряжения 6 кВ и выше должны быть снабжены устройством для перекатки в продольном и поперечном направлениях.

Сухие трансформаторы должны быть выполнены на салазках, предназначенных как для продольного, так и для поперечного передвижений.

Способ передвижения остальных трансформаторов и трансформаторов для КТП должен устанавливаться в НД на эти трансформаторы.

Г.47. Ширина колеи и расстояние между средними линиями катков для трансформаторов массой менее 200 т должны соответствовать указанным на рисунке Г.1 и в таблице Г.2, а для трансформаторов 200 т и более - на рисунках Г.2 - Г.4 и в таблице Г.3.

Таблица Г.2

Наименование параметра

Нормативное значение параметра

Расстояние между средними линиями гладких катков А, мм

500

600

820

1070

1594

-

-

-

Ширина колеи для катков с ребордой Б, мм

-

-

750

1000

524

2000

2500

3000

Примечания

1. Применение конкретного типа катков с ребордой или гладких катков, а также указанных в таблицах Г.2 и Г.3 и на рисунках Г.2 - Г.4 расстояний между катками следует устанавливать в НД на конкретные трансформаторы.

2. Связь между массой трансформаторов и колеей рекомендуемая.

3. Связь между размерами на рисунках Г.2 - Г.4 и посадочными местами кареток на трансформаторе должна соответствовать размерам рельсов по ГОСТ Р 51685.

4. По согласованию между изготовителем и заказчиком допускается применение ширины колеи для поперечной перекатки трансформаторов, а также числа катков, отличающихся от указанных на рисунках Г.2 - Г.4.

Рисунок Г.1 - Трансформаторы массой менее 200 т

Рисунок Г.2 - Трансформаторы массой от 200 до 255 т

Рисунок Г.3 - Трансформаторы массой от 255 до 300 т

Рисунок Г.4 - Трансформаторы массой от 300 до 700 т

Таблица Г.3

Номер рисунка

Ширина поперечной колеи В, мм

Расстояние между осями колеи Г, мм

Г.2

1524

-

2000

-

Г.3

1524

4164

2000

5140

Г.4

1524

3188

2000

4164

Г.48. В трансформаторах полной массой свыше 0,05 т должна быть предусмотрена возможность их передвижения при монтаже.

Трансформаторы полной массой свыше 5 т должны иметь устройство для зачаливания при перекатке.

Составные части трансформатора массой свыше 0,05 т должны иметь приспособления для стропления при подъеме.

Г.49. Трансформаторы полной массой свыше 25 т должны быть снабжены расположенными в нижней части бака устройствами для упора головок домкратов, обеспечивающими установку домкратов, подводимых под трансформатор.

Г.50. Масляные трансформаторы должны иметь крюки или иные устройства для подъема полностью собранного и заполненного маслом трансформатора.

Г.51. Подъем трансформатора полной массой свыше 200 т в полностью собранном виде при монтаже или в эксплуатации должен быть согласован между изготовителем и заказчиком.

Г.52. Масло в баке или расширителе контактора устройства РПН должно быть защищено от непосредственного контакта с окружающим воздухом воздухоосушителем с масляным затвором или другим устройством.

Г.53. Масляные трансформаторы с массой масла свыше 1000 кг должны быть снабжены фильтрами: термосифонными - при видах систем охлаждения М и Д, адсорбционными - при остальных видах систем охлажденияи фильтрами очистки масла от механических примесей - при видах систем охлаждения ДЦ, НДЦ, Ц, НЦ.

Приложение Д

(обязательное)

Системы охлаждения масляных трансформаторов

Д.1. Общие требования

Д.1.1. Система охлаждения должна быть рассчитана на отвод тепла, выделяющегося в трансформаторе в охлаждающую среду, и обеспечивать его тепловой режим в соответствии с требованиями 6.2.1.

Д.1.2. За исключением герметичных трансформаторов с гофрированными баками система охлаждения должна быть навешена на бак либо вынесена.

Д.1.3. Системы охлаждения видов Д, ДЦ, НДЦ, Ц и НЦ должны иметь шкафы автоматического управления.

Шкафы автоматического управления системами охлаждения видов ДЦ, НДЦ, Ц и НЦ должны устанавливаться отдельно от бака трансформатора.

Д.1.4. Системы охлаждения видов ДЦ, НДЦ, Ц и НЦ должны предусматривать резервные охладители.

Д.1.5. Электродвигатели вентиляторов и электронасосы должны иметь автоматические выключатели для защиты оттоков короткого замыкания. При этом электродвигатели систем охлаждения видов ДЦ, НДЦ, Ц и НЦ должны иметь защиту от работы на двух фазах.

Д.1.6. Напряжение питания электродвигателей вентиляторов и электронасосов - 380 В переменного тока, цепей управления - 220 В постоянного или переменного тока.

По заказу потребителя в системе охлаждения вида Д трансформаторов класса напряжения 110 кВ и менее могут быть применены электродвигатели с напряжением питания 220 В переменного тока.

Д.1.7. Системы охлаждения видов НДЦ и НЦ должны быть обеспечены устройствами для присоединения приборов контроля расхода масла.

Д.1.8. Охладители вынесенных систем охлаждения видов Ц и НЦ должны быть установлены в помещениях с температурой воздуха не менее 5 °C.

Д.1.9. В системах охлаждения видов Ц и НЦ должно быть обеспечено превышение гидростатического давления масла над давлением воды (в любой точке охладителя) не менее 10 кПа при минимальном уровне масла в расширителе трансформатора.

Д.1.10. В системах охлаждения видов Ц и НЦ каждый электронасос должен быть снабжен манометром и каждый охладитель - манометрами и термометрами для измерения давления и температуры масла и воды на входных и выходных патрубках охладителя.

Д.2. Требования к функционированию системы охлаждения вида Д

Д.2.1. Автоматическое управление системой охлаждения вида Д должно обеспечивать:

- включение электродвигателей вентиляторов при достижении температуры верхних слоев масла 55 °C или при достижении тока, равного 1,05 номинального, - независимо от температуры верхних слоев масла;

- отключение электродвигателей вентиляторов при снижении температуры верхних слоев масла до 50 °C, если при этом ток нагрузки менее 1,05 номинального.

Д.3. Требования к функционированию систем охлаждения видов ДЦ, НДЦ, Ц, НЦ

Д.3.1. Автоматическое управление систем охлаждения видов ДЦ, НДЦ, Ц и НЦ должно обеспечивать:

- включение электронасосов и электродвигателей вентиляторов (для систем охлаждения видов ДЦ и НДЦ);

- включение электронасосов и электродвигателей вентиляторов (для систем охлаждения видов ДЦ и НДЦ) резервного охладителя взамен любого автоматически аварийно отключенного рабочего;

- включение резервного питания при недопустимом снижении или исчезновении напряжения в основной цепи, а также обратное переключение на основную цепь при восстановлении в ней допустимого напряжения;

- включение и отключение нагревателей шкафа автоматического управления системами охлаждения видов ДЦ и НДЦ.

Д.3.2. Автоматическое управление систем охлаждения видов НДЦ, Ц, НЦ должно обеспечивать следующую работу электронасосов:

- при температуре верхних слоев масла в баке, равной 15 °C и более, должны работать все рабочие электронасосы;

- при температуре верхних слоев масла в баке менее 15 °C должен работать только пусковой электронасос.

Д.3.3. Автоматическое управление систем охлаждения видов ДЦ и НДЦ должно обеспечивать работу электродвигателей вентиляторов и электронасосов для системы охлаждения вида ДЦ и электродвигателей вентиляторов для системы охлаждения вида НДЦ группами:

- первой - в режиме холостого хода или при нагрузке не более 40 % номинального тока;

- первой и второй - при нагрузке трансформатора более 40 % номинального тока;

- первой, второй и третьей - при нагрузке трансформатора более 75 % номинального тока.

При небольшом количестве охладителей число групп может быть сокращено.

Электродвигатели вентиляторов должны работать только при температуре верхних слоев масла в баке более 40 °C - группами в зависимости от нагрузки трансформатора.

Д.3.4. В системах охлаждения видов Ц и НЦ циркуляция воды через маслоохладители должна автоматически осуществляться после включения рабочих электронасосов циркуляции масла и отключаться при снижении температуры верхних слоев масла в баке ниже 15 °C или при снятии напряжения.

Д.3.5. Автоматическое управление систем охлаждения видов ДЦ, НДЦ, Ц и НЦ должно обеспечивать выдачу сигналов для осуществления следующей сигнализации:

- о включении системы охлаждения:

при включении пускового электронасоса,

при включении рабочих электронасосов;

- о неисправности системы охлаждения:

при аварийном отключении пускового электронасоса,

при аварийном отключении любого рабочего электронасоса,

при аварийном отключении резервного электронасоса,

при включении резервного электронасоса,

при неотключении пускового электронасоса при работающих рабочих электронасосах,

при включении резервного источника питания системы охлаждения;

- об отключении системы охлаждения:

при отключении рабочего и резервного источников питания системы охлаждения,

при отключении пускового и всех рабочих электронасосов;

- о включении и отключении нагревателя (для систем охлаждения видов ДЦ и НДЦ).

Д.4. По согласованию между изготовителем и заказчиком могут быть установлены контроль за температурой наиболее нагретой точки обмотки трансформатора и соответствующие алгоритмы управления системой охлаждения.

Д.5. Указания о работе трансформаторов при прекращении функционирования системы охлаждения должны быть изложены в эксплуатационных документах.

Д.6. Вводные аппараты защиты от токов короткого замыкания шкафов автоматического управления системой охлаждения должны быть стойкими к действию токов сквозного короткого замыкания со значением амплитудного тока 16 кА.

Д.7. В системах охлаждения должно быть предусмотрено ручное управление.

Приложение Е

(обязательное)

Перечень технических данных и характеристик, указываемых в паспорте трансформатора

Е.1. Условное обозначение схемы и группы соединения обмоток.

Е.2. Номинальная частота в герцах.

Е.3. Номинальный режим (указывают, если режим отличается от продолжительного).

Е.4. Номинальная мощность в киловольтамперах (указывают также мощности основных обмоток трехобмоточных трансформаторов и мощность обмотки НН трехобмоточных автотрансформаторов).

Е.5. Номинальные напряжения трансформатора и напряжения ответвлений в вольтах или киловольтах.

Примечание - Для однофазного трансформатора, предназначенного для соединения в трехфазную группу, напряжения обмоток, соединяемых в звезду, обозначают в виде дроби, числителем которой является линейное напряжение трехфазной группы, а знаменателем .

Е.6. Номинальные токи обмоток на основном ответвлении в амперах.

Е.7. Напряжение короткого замыкания на основном ответвлении в процентах (для трехобмоточных трансформаторов указывают напряжение короткого замыкания всех пар обмоток).

Примечание - Для трансформаторов мощностью менее 1 MB · А допускается указывать значение напряжения короткого замыкания, измеренное при приемочных испытаниях.

Е.8. Уровень изоляции обмотки и ее нейтрали; при этом указывают испытательные напряжения промышленной частоты и полного грозового импульса для внутренней изоляции.

Е.9. Класс нагревостойкости изоляции - только для сухих трансформаторов.

Е.10. Данные приемосдаточных испытаний, необходимые для ввода трансформатора в эксплуатацию.

Е.11. Мощность трансформатора при отключенном дутье для трансформаторов с охлаждением Д.

Е.12. Наибольший длительно допустимый ток в общей обмотке для автотрансформаторов.

Е.13. Потери холостого хода.

Е.14. Потери короткого замыкания на основном ответвлении во всех парных режимах.

Е.15. Потери и напряжение короткого замыкания на крайних ответвлениях - для трансформаторов РПН.

Е.16. Напряжение короткого замыкания всех пар частей расщепленной обмотки и пар из каждой части расщепленной обмотки и каждой из нерасщепленных обмоток на основном и крайних ответвлениях - для трансформаторов с расщепленными обмотками.

Е.17. Ток холостого хода.

Е.18. Сопротивление обмоток постоянному току.

Примечание - Если сопротивления постоянному току между отдельными парами зажимов обмотки трехфазного трансформатора отличаются друг от друга вследствие конструктивных или технологических особенностей исполнения обмоток, отводов, устройств ПБВ (РПН) более чем на 2 %, то в паспорте должны быть указаны измеренные значения сопротивлений между всеми парами зажимов.

Е.19. Сопротивление и тангенс угла диэлектрических потерь изоляции трансформатора.

Е.20. Значение температуры, при которой измерялись сопротивление обмоток постоянному току, сопротивление и тангенс угла диэлектрических потерь изоляции трансформатора.

Е.21. Указание об облегченной изоляции - для трансформаторов с облегченной изоляцией.

Е.22. Расчетная тепловая постоянная времени трансформатора, а по согласованию между изготовителем и потребителем - максимальная и минимальная расчетные тепловые постоянные времени обмоток трансформатора - для трансформаторов мощностью более 1 MB · А.

Е.23. Сопротивление нулевой последовательности - для трансформаторов, у которых измерение этого сопротивления предусмотрено настоящим стандартом или НД на трансформаторы конкретных видов.

Е.24. Обозначение НД и пробивное напряжение масла, примененного при испытаниях, и масла, которым заполнен бак трансформатора (для трансформаторов классов напряжения 110 кВ и свыше должен быть дополнительно указан тангенс угла диэлектрических потерь масла при температуре 90 °C).

Е.25. Значения измеренных сил прессовки каждого прессующего кольца независимо от мощности и класса напряжения.

Е.26. Другие технические данные по усмотрению изготовителя или по согласованию между изготовителем и потребителем.

Е.27. Паспорт должен быть оформлен в соответствии с требованиями ГОСТ 2.601.

Примечания

1. Для напряжения КЗ (Uк) крайних ответвлений (см. Е.16) допускается указывать вместо измеренных расчетные значения с учетом результатов испытаний, то есть с пересчетом измеренного значения (основного ответвления к крайнему ответвлению пропорционально отношению расчетных значений Uк.

2. Для трансформаторов мощностью до 6,3 MB · А включительно допускается указывать нормированные значения параметров, приведенных в Е.13 - Е.17.

Приложение Ж

(обязательное)

Маркировка выводов и ответвлений силовых трансформаторов

Ж.1. Порядок обозначения

Маркировку выводов и ответвлений силовых трансформаторов следует выполнять, применяя систему обозначений, основанную на чередовании прописных букв латинского алфавита и арабских цифр, но допустимо применять строчные буквы.

Примеры маркировки выводов и ответвлений силовых трансформаторов приведены на рисунках Ж.1 - Ж.8.

а - обмотка фазы с ответвлениями посредине; б - обмотка фазы с грубой и тонкой ступенями регулирования на одном конце обмотки; в - обмотка фазы, состоящая из двух частей, соединяемых последовательно или параллельно; г - обмотка фазы, состоящая из двух частей, соединенных последовательно, каждая из которых посредине ответвления

Рисунок Ж.1 - Маркировка обмоток фазы

а - трансформатор с двумя обмотками без ответвлений; б - трансформатор с тремя обмотками без ответвлений; в - автотрансформатор без ответвлений

Рисунок Ж.2 - Маркировка однофазных трансформаторов

а - обмотка с ответвлениями, помещенная между последовательной и общей обмотками; б - обмотка с ответвлениями, помещенная в конце последовательной обмотки; в - обмотка с ответвлениями, один конец которой подключен к соединению между последовательной и общей обмотками

Рисунок Ж.3 - Маркировка однофазных автотрансформаторов

а - Yн/Yн-0; б - Yн/Yн-0; в - Yн/D-5; г - Yн/D-11

Рисунок Ж.4 - Маркировка трехфазных двухобмоточных трансформаторов

Рисунок Ж.5 - Маркировка трехфазного трехобмоточного трансформатора (Yн/Yн/D-0-5)

Рисунок Ж.6 - Маркировка обмотки низшего напряжения рисунка Ж.5, если она соединена в открытый треугольник

Рисунок Ж.7 - Маркировка трехфазного автотрансформатора (Унавто/D-0)

Рисунок Ж.8 - Маркировка линейного регулировочного трансформатора с возбуждающей обмоткой, соединенной в треугольник

Ж.2. Концы обмоток фазы

Два конца обмоток фазы, подводимые к линейному или нейтральному выводам, следует маркировать соответственно цифрами 1 и 2.

Если обмотки фазы на концах имеют ответвления, предназначенные для присоединения к устройствам ПБВ или РПН, которые ведут к линейному или нейтральному выводам, то эти выводы следует маркировать соответственно цифрами 1 или 2.

При такой системе маркировки выводов и ответвлений на чертежах схем обмоток предполагается одинаковое направление намотки для всех обмоток. Полярность концов 1 и 2 всех обмоток одного стержня также всегда одинаковая.

Ж.3. Линейный и нейтральный выводы

Линейные выводы обмотки трехфазного силового трансформатора следует обозначать буквами U, V, W, которые помещают перед цифрами, приведенными в Ж.2. Если необходимо, допускается помещать эти буквы также перед цифрами, приведенными в Ж.5 и Ж.6.

Нейтраль обмотки, соединенной в звезду или зигзагом, следует обозначать буквой N.

Ж.4. Обозначение обмоток

Различные обмотки трансформатора следует обозначать цифрами, которые помещают перед буквами, приведенными в Ж.3. Обмотку высшего напряжения следует обозначать цифрой 1, а другие обмотки - цифрами 2, 3, 4 ... в нисходящем порядке номинальных напряжений.

Для автотрансформаторов, у которых две обмотки имеют общий конец, этот конец следует маркировать цифрой 2 (см. рисунок Ж.2в).

Примечание - Если несколько обмоток имеют одинаковое номинальное напряжение, то применение соответствующего им цифрового обозначения следует согласовать между изготовителем и потребителем.

Ж.5. Последовательно-параллельное соединение

Если обмотки фазы состоят из нескольких частей, которые могут быть соединены последовательно или параллельно, то концы этих частей следует обозначать цифрами 1, 2, 3, 4 ..., при этом линейные или нейтральные концы обмоток фазы маркируют цифрами 1 и 2 в соответствии с требованиями Ж.2.

Ж.6. Маркировка ответвлений

Ответвления, подводимые к устройствам РПН или ПБВ, следует обозначать группой цифр, расположенных в возрастающем порядке. Значения этих цифр должны быть больше применяемых для обозначения линейного и нейтрального выводов и обозначения концов частей обмоток фазы, соединенных последовательно или параллельно.

Нумерация должна начинаться с ближайшего к концу, промаркированному цифрой 1, ответвления. Маркировка обмоток с переключаемыми ответвлениями должна основываться на таком соединении, которое дает наибольшее эффективное число витков для обмотки, присоединенной к устройству ПБВ или РПН.

Обмотки автотрансформаторов с ответвлениями, расположенными между последовательной и общей обмотками или на конце последовательной обмотки, а также обмотки, один конец которых подключен к соединению между последовательной и общей обмотками (см. рисунок Ж.3в), следует нумеровать как последовательную обмотку.

В более сложных случаях, например, когда два трансформатора помещены в один бак, требуется согласование между изготовителем и потребителем.

Приложение И

(обязательное)

Испытание пробы масла из бака масляного трансформатора и контактора устройства РПН, имеющего гашение дуги в масле

Испытание пробы масла должно быть проведено по следующим показателям:

- определение пробивного напряжения для трансформаторов мощностью 1 MB · А и более и трансформаторов класса напряжения 35 кВ независимо от мощности;

- определение тангенса угла диэлектрических потерь при температуре плюс 90 °C для всех трансформаторов классов напряжения 110 кВ и свыше;

- определение влагосодержания и содержания механических примесей для трансформаторов, в НД которых указанные показатели нормированы.

Примечания

1. Для остальных трансформаторов пробивное напряжение определяют по пробивному напряжению пробы масла, отбираемой не реже одного раза в день из емкости, из которой масло заливают в трансформаторы и параметры масла в которой определяют непосредственно после каждой доливки масла в указанную емкость.

2. Испытание пробы масла из контактора устройства РПН допускается проводить до установки этого устройства на трансформатор.

Библиография

[1] МЭК 60076-5:2006 Силовые трансформаторы. Часть 5. Стойкость при коротком замыкании

 

Ключевые слова: трансформаторы силовые, общие технические условия, область применения, нормативные ссылки, классификация, условия работы, основные параметры, технические требования, требования безопасности, охраны окружающей среды, правила приемки, методы контроля, транспортирование, хранение, условное обозначение, схемы и группы соединения обмоток, защитные покрытия, составные части, системы охлаждения, маркировка выводов и ответвлений