Стандарт устанавливает термины и определения понятий в области стационарных газотурбинных установок, применяемые в стандартах по газотурбинным установкам, технической документации всех видов и контрактах на поставляемое энергетическое промышленное оборудование. Стандарт не распространяется на газотурбинные установки со свободнопоршневыми генераторами газа, установки специального назначения, а также транспортные газотурбинные установки.
| Обозначение: | ГОСТ Р 51852-2001 |
| Название рус.: | Установки газотурбинные. Термины и определения |
| Статус: | действует |
| Дата актуализации текста: | 05.05.2017 |
| Дата добавления в базу: | 01.09.2013 |
| Дата введения в действие: | 01.01.2003 |
| Утвержден: | 25.12.2001 Госстандарт России (Russian Federation Gosstandart 585-ст) |
| Опубликован: | ИПК Издательство стандартов (2002 г. ) |
| Ссылки для скачивания: |
ГОСТ Р 51852-2001
(ИСО 3977-1)
ГОСУДАРСТВЕННЫЙ СТАНДАРТ РОССИЙСКОЙ ФЕДЕРАЦИИ
УСТАНОВКИ ГАЗОТУРБИННЫЕ
Термины и определения
ГОССТАНДАРТ РОССИИ
Москва
Предисловие
1. РАЗРАБОТАН И ВНЕСЕН Техническим комитетом по стандартизации ТК 414 «Газовые турбины».
2. ПРИНЯТ И ВВЕДЕН В ДЕЙСТВИЕ Постановлением Госстандарта России от 25 декабря 2001 г. № 585-ст.
3. Настоящий стандарт представляет собой идентичный текст международного стандарта ИСО 3977-1-97 «Газотурбинные установки. Основные положения и определения» и содержит уточнения и дополнения, отражающие потребности экономики страны.
4. ВВЕДЕН ВПЕРВЫЕ.
СОДЕРЖАНИЕ
|
Алфавитный указатель терминов на русском языке. 5 Алфавитный указатель эквивалентов терминов на английском языке. 6 Приложение А Примеры принципиальных схем газотурбинных установок. 6 |
Введение
Установленные в стандарте термины расположены в систематизированном порядке, отражающем систему понятий по газотурбинным установкам.
Для каждого понятия установлен один стандартизованный термин.
Заключенная в круглые скобки часть термина может быть опущена при использовании термина в документах по стандартизации.
Наличие квадратных скобок в терминологической статье означает, что в нее включены два (три, четыре и т.п.) термина, имеющие общие терминоэлементы.
В алфавитном указателе данные термины приведены отдельно с указанием номера статьи.
В стандарте приведены иноязычные эквиваленты стандартизованных терминов на английском (en) языке.
Стандартизованные термины набраны полужирным шрифтом, их краткие формы, представленные аббревиатурой, - светлым.
Термины, установленные настоящим стандартом, обязательны для применения во всех видах документации и литературы (по данной научно-технической отрасли), входящих в сферу работ по стандартизации и/или использующих результаты этих работ.
ГОСТ Р 51852-2001
(ИСО 3977-1)
ГОСУДАРСТВЕННЫЙ СТАНДАРТ РОССИЙСКОЙ ФЕДЕРАЦИИ
УСТАНОВКИ ГАЗОТУРБИННЫЕ
Термины и определения
Gas turbine plants. Terms and definitions
Дата введения 2003-01-01
Настоящий стандарт устанавливает термины и определения понятий в области стационарных газотурбинных установок, применяемые в стандартах по газотурбинным установкам, технической документации всех видов и контрактах на поставляемое энергетическое промышленное оборудование.
Настоящий стандарт не распространяется на газотурбинные установки со свободнопоршневыми генераторами газа, установки специального назначения, а также транспортные газотурбинные установки.
|
en gas turbine (engine) |
||
|
Примечание - Машина может состоять из одного или нескольких компрессоров, теплового устройства, в котором повышается температура рабочего тела, одной или нескольких газовых турбин, вала отбора мощности, системы управления и необходимого вспомогательного оборудования. Теплообменники в основном контуре рабочего тела, в которых реализуются процессы, влияющие на термодинамический цикл, являются частью газотурбинного двигателя. |
||
|
en gas turbine plant |
||
|
Примечания. 1. Полезной формой энергии может быть - электрическая, механическая и другие. 2. Примеры принципиальных схем газотурбинных установок показаны на рисунках А.1 - А.6. |
||
|
en open cycle gas turbine |
||
|
en closed cycle gas turbine |
||
|
en semiclosed cycle gas turbine |
||
|
6. газотурбинный двигатель простого цикла: Газотурбинный двигатель, термодинамический цикл которого состоит только из следующих друг за другом процессов сжатия, нагрева и расширения рабочего тела. |
en simple cycle gas turbine |
|
|
en regenerative cycle gas turbine |
||
|
Примечание - Теплоту расширившегося в турбине газа используют для подогрева сжатого в компрессоре воздуха. |
||
|
en intercooled cycle gas turbine |
||
|
en reheat cycle gas turbine |
||
|
en gas turbine combined cycle plant |
||
|
en single-shaft gas turbine |
||
|
en multi-shaft gas turbine |
||
|
en bleed gas turbine |
||
|
en gas generator |
||
|
Примечание - Генератор газа состоит из одного или более компрессоров, устройств(а) для повышения температуры рабочего тела, одной или более турбин, приводящих компрессор(ы), системы управления и необходимого вспомогательного оборудования. |
||
|
15. компрессор: Компонент газотурбинного двигателя, повышающий давление рабочего тела. |
en compressor |
|
|
en turbine |
||
|
17. силовая турбина: Турбина на отдельном валу, с которого отбирается выходная мощность. |
en power turbine |
|
|
en combustion chamber primary or reheat |
||
|
en working fluid heater |
||
|
en regenerator/recuperator |
||
|
Примечание - Передача теплоты рабочему телу или воздуху перед его поступлением в камеру сгорания ГТД. |
||
|
en precooler |
||
|
en intercooler |
||
|
en overspeed trip |
||
|
en control system |
||
|
Примечание - Она включает систему управления пуском, системы управления и регулирования подачи топлива и частоты вращения ротора, датчики, устройства контроля подачи электропитания и другие средства управления, необходимые для правильного пуска, устойчивой работы, останова, ограничения режима работы и/или выключения установки при условиях, отличных от заданных. |
||
|
en governing system |
||
|
Примечание - К параметрам относятся частота вращения ротора, температура газов, давление, выходная мощность и другие параметры. |
||
|
en fuel governor valve |
||
|
Примечание - Возможны также устройства другого типа для регулирования подачи топлива в газотурбинный двигатель. |
||
|
en fuel stop valve |
||
|
Примечание - Вместо топливного стопорного клапана может использоваться топливный отсечной клапан, перекрывающий магистраль подачи топлива в ГТД при срабатывании. |
||
|
en dead band |
||
|
Примечание - Зона нечувствительности (применительно к частоте вращения) - это отношение частоты вращения к номинальной частоте вращения в процентах. |
||
|
en governor droop |
||
|
en overtemperature detector |
||
|
en fuel specific energy |
||
|
en heat rate |
||
|
Примечание - Удельный расход теплоты рассчитывают по низшей теплоте сгорания топлива при нормальных условиях. |
|
|
|
en specific fuel consumption |
||
|
en thermal efficiency |
||
|
en reference turbine inlet temperature |
||
|
en self-sustaining speed |
||
|
en idling speed |
||
|
en maximum continuous speed |
||
|
en rated speed |
||
|
en turbine trip speed |
||
|
41. система впрыска пара [воды]: Система, обеспечивающая впрыск пара [воды] в рабочее тело для увеличения мощности ГТД и/или уменьшения содержания оксидов азота (NOx) в отработавших газах. |
en steam and/or water injection system |
|
|
42. удельная масса: Отношение полной сухой массы газотурбинного двигателя к его мощности, кг/кВт. |
en mass-to-power ratio |
|
|
en compressor surge |
||
газогенератор 14
ГТД 1
ГТУ 2
датчик предельной температуры рабочего тела 30
двигатель газотурбинный 1
двигатель газотурбинный замкнутого цикла 4
двигатель газотурбинный многовальный 12
двигатель газотурбинный одновальный 11
двигатель газотурбинный открытого цикла 3
двигатель газотурбинный полузамкнутого цикла 5
двигатель газотурбинный простого цикла 6
двигатель газотурбинный регенеративного цикла 7
двигатель газотурбинный с отбором воздуха 13
двигатель газотурбинный с отбором газа 13
двигатель газотурбинный с циклом промежуточного охлаждения 8
двигатель газотурбинный с циклом промежуточного подогрева 9
зона нечувствительности системы управления 28
камера сгорания (основного подогрева) 18
камера сгорания промежуточного подогрева 18
клапан регулирующий (топливный) 26
клапан стопорный (топливный) 27
компрессор 15
КПД 34
масса удельная 42
охладитель предварительный 21
охладитель промежуточный 22
подогреватель рабочего тела 19
помпаж компрессора 43
расход теплоты удельный 32
расход топлива удельный 33
регенератор 20
режим «самоходности» 36
режим холостого хода 37
рекуператор 20
система впрыска воды 41
система впрыска пара 41
система регулирования 25
система управления 24
статизм регулирования системы управления 29
температура на входе в турбину (условная) 35
теплота сгорания топлива 31
турбина (газовая) 16
турбина силовая 17
установка газотурбинная 2
установка комбинированного цикла 10
устройство защиты от превышения частоты вращения ротора 23
частота вращения вала номинальная 39
частота вращения максимальная продолжительная 38
частота вращения ротора предельно допустимая 40
частота вращения самоходности 36
частота вращения холостого хода 37
bleed gas turbine 13
closed cycle gas turbine 4
combustion chamber primary or reheat 18
compressor 15
compressor surge 43
control system 24
dead band 28
fuel governor valve 26
fuel specific energy 31
fuel stop valve 27
gas generator 14
gas turbine combined cycle plant 10
gas turbine (engine) 1
gas turbine plant 2
governing system 25
governor droop 29
heat rate 32
idling speed 37
intercooled cycle gas turbine 8
Intercooler 22
maximum continuous speed 38
multi-shaft gas turbine 12
open cycle gas turbine 3
overspeed trip 23
overtemperature detector 30
power turbine 17
precooler 21
rated speed 39
reference turbine inlet temperature 35
regenerative cycle gas turbine 7
regenerator/recuperator 20
reheat cycle gas turbine 9
self-sustaining speed 36
semiclosed cycle gas turbine 5
simple cycle gas turbine 6
single-shaft gas turbine 11
specific fuel consumption 33
steam and/or water injection system 41
thermal efficiency 34
turbine 16
turbine trip speed 40
working fluid heater 19
Рисунок А.1 - Схема ГТУ с одновальным ГТД простого цикла.
1 - компрессор; 2 - камера сгорания; 3 - турбина; 4 - нагрузка.

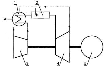
Рисунок А.2 - Схема ГТУ с одновальным ГТД регенеративного цикла.
1 - регенератор или рекуператор; 2- камера сгорания; 3 - компрессор; 4 - турбина; 5- нагрузка.

Рисунок А.3 - Схема ГТУ с многовальным ГТД простого цикла со свободной силовой турбиной.
1 - камера сгорания; 2 - компрессор; 3 - турбина; 4 - силовая турбина; 5 - нагрузка.
Примечание - Пунктиром показана альтернативная двухкаскадная компоновка ГТД.

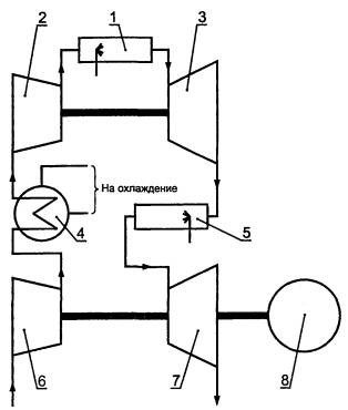
Рисунок А.4 - Схема ГТУ с многовальным ГТД сложного цикла (с промежуточным охлаждением и промежуточным подогревом).
1 - основная камера сгорания; 2 - компрессор высокого давления; 3 - турбина высокого давления; 4 - промежуточный охладитель; 5 - камера сгорания промежуточного подогрева; 6 - компрессор низкого давления; 7 - турбина низкого давления; 8 - нагрузка.
Примечание - Отбор мощности от ГТД осуществляется с вала ротора низкого давления.

Рисунок А.5 - Схема ГТУ с одновальным ГТД с отборами воздуха и горячего газа.
1 - камера сгорания; 2 - компрессор; 3 - турбина; 4 - нагрузка.
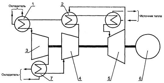
Рисунок А.6 - Схема ГТУ с одновальным ГТД замкнутого цикла.
1 - предварительный охладитель; 2 - подогреватель рабочего тела; 3 - компрессор низкого давления; 4 - компрессор высокого давления; 5 - турбина; 6 - нагрузка; 7 - промежуточный охладитель.
Ключевые слова: газотурбинная установка, газотурбинный двигатель