Стандарт распространяется на асинхронные двигатели мощностью от 0,12 до 400 кВт включительно общего назначения с питанием от сети переменного тока напрядением до 690 В.
| Обозначение: | ГОСТ Р 51689-2000 |
| Название рус.: | Машины электрические вращающиеся. Двигатели асинхронные мощностью от 0,12 до 400 кВт включительно. Общие технические требования |
| Статус: | отменен |
| Дата актуализации текста: | 05.05.2017 |
| Дата добавления в базу: | 01.09.2013 |
| Дата введения в действие: | 01.01.2015 |
| Утвержден: | 22.12.2000 Госстандарт России (Russian Federation Gosstandart 396-ст) |
| Опубликован: | ИПК Издательство стандартов (2001 г. ) |
| Ссылки для скачивания: |
ГОСТ Р 51689-2000
ГОСУДАРСТВЕННЫЙСТАНДАРТ РОССИЙСКОЙ ФЕДЕРАЦИИ
Машины электрическиевращающиеся
ДВИГАТЕЛИ АСИНХРОННЫЕ
МОЩНОСТЬЮОТ 0,12 ДО 400 кВт
ВКЛЮЧИТЕЛЬНО
Общие технические требования
ГОССТАНДАРТ РОССИИ
Москва
Предисловие
1 РАЗРАБОТАН Открытымакционерным обществом «Владимирский электромоторный завод», Открытымакционерным обществом «Ярославский электромашиностроительный завод», Автономнойнекоммерческой организацией по сертификации электротехнической продукции«Центрэлектротест» и Государственным предприятием «Всероссийскийнаучно-исследовательский институт сертификационных испытаний, сроки их проведения и программуиспытаний устанавливают согласно Системе сертификации продукции в установленномпорядке.
7.1 Измерение сопротивленияобмоток при постоянном токе (6.3.2),определение тока и потерь холостого хода (6.3.3), определениетока и потерь короткого замыкания, начального пускового тока и начальногопускового момента (6.3.4)проводят по ГОСТ7217.
7.2 Испытание на нагревание (6.3.5) проводят всоответствии с ГОСТ7217, ГОСТ 11828и МЭК 60034-1 [9].Для двигателей мощностью более 100 кВт допускается проводить испытание нанагревание в нескольких режимах с определением превышения температуры приноминальном режиме экстраполяцией зависимости превышения температуры от потерьв обмотке.
7.3 Определение рабочиххарактеристик, коэффициента мощности, коэффициента полезного действия искольжения (6.3.6)проводят в соответствии с ГОСТ25941, ГОСТ7217 и ГОСТ25941.
7.4 Испытания накратковременную перегрузку по току (6.3.7),испытания при повышенной частоте вращения (6.3.8) проводят всоответствии с ГОСТ 11828и МЭК 60034-1 [9].
7.5 Измерениесопротивления изоляции обмоток (6.3.9)и испытание межвитковой изоляции (6.3.10)проводят по ГОСТ 11828.
7.6 Проверкуэлектрической прочности изоляции (6.3.11) проводятв соответствии с ГОСТ 11828,ГОСТ28173 и МЭК 60034-1 [9].
7.7 Определение кривойвращающего момента (6.3.12)проводят по ГОСТ7217.
7.8 Испытания на устойчивостьк электромагнитным помехам (6.3.13) проводят по ГОСТР 50034. Двигатели, имеющие сервис-фактор 1,15, испытаниям напомехоустойчивость не подвергают.
7.9 Проверка встроеннойтемпературной защиты (6.3.14)включает в себя следующие испытания.
7.9.1 Измерениесопротивления изоляции и испытание электрической прочности изоляции цепитерморезисторов - по ГОСТ 11823.
7.9.2 Проверку работы защиты приперегрузке проводят при испытании двигателя на нагревание. После того какдвигатель достигнет установившейся температуры, устанавливают перегрузку, прикоторой скорость нарастания температуры не превышает ГС за 5 мин. В моментсрабатывания защиты измеряют температуру обмотки статора методом сопротивления.Температура обмотки, в зависимости от класса нагревостойкости изоляциидвигателя, не должна превышать значений, указанных в таблице 2.
7.9.3 Проверку работы защиты прикоротком замыкании проводят на двигателе с заторможенным ротором, включенном наноминальное напряжение с холодного состояния. В момент срабатывания защитыизмеряют температуру обмотки двигателя методом сопротивления. Температураобмотки, в зависимости от класса нагревостойкости изоляции двигателя, не должнапревышать значений, указанных в таблице 2.
Таблица 2 - Температура обмотки при срабатывании защиты
| Режим | Температура обмотки, °С, для класса нагревостойкости изоляции | ||
| В | F | Н | |
| Перегрузка | 145 | 170 | 195 |
| Короткое замыкание | 200 | 225 | 250 |
7.10Измерение уровня шума (6.3.15) проводят в соответствии с ГОСТ11929, ИСО 3745 [11]и МЭК 60034-9 [3].
7.11 Измерение уровня вибрации(6.3.16)проводят в соответствии с ГОСТ20815 и МЭК 60034-14 [4].При приемосдаточных испытаниях вибрацию измеряют в точках, указанных втехнических условиях на двигатели конкретных типов.
7.12 Проверкустепени защиты (6.3.17)проводят в соответствии с ГОСТ17494 и МЭК 60034-5 [5].
7.13 Испытания на стойкость кмеханическим внешним воздействиям (6.3.18)проводят по ГОСТ16962.2. Степень жесткости и конкретные методы испытаний указывают втехнических условиях на двигатели конкретных типов. Двигатели считывают выдержавшимииспытания, если внешним осмотром не обнаружено механических повреждений,сопротивление изоляции двигателя не менее 10 МОм и они работоспособны припроверке на холостом ходу.
7.14 Испытания на воздействиевлажности воздуха (6.3.19) проводятв соответствии с ГОСТ16962.1 по методу 207,1. Двигатели считают выдержавшими испытания, еслисопротивление изоляции между обмотками и относительно корпуса не менее 0,5 МОм,межвитковая изоляция выдерживает повышенное на 30 % напряжение в течение 3 мин.Если при этом ток превышает номинальный более чем на 25 %, то длительностьиспытаний может быть сокращена до 1 мин.
7.15 Испытания на воздействиеверхнего и нижнего значений температур (6.3.20) проводят по ГОСТ16962.1. Для двигателей исполнений УХЛ 1 и УХЛ 2 дополнительно проводятиспытания на воздействие изменения температуры по ГОСТ16962.1 по методу 205.4, при этом испытание на воздействие влажности, атакже верхней и нижней температур не проводят. Испытания на воздействие верхнейи нижней температур допускается проводить вне камеры, после испытания нанагревание по ГОСТ 11828.На двигателях устанавливают нагрузку, соответствующую предельно допустимойтемпературе обмотки статора, и выдерживают их в указанном режиме не менее 2 ч.Двигатели считают выдержавшими испытания, если сопротивление изоляции в концеиспытания не менее 1 МОм, а после 12 ч выдержки при нормальной температуре - неменее 10 МОм, напряжение трогания в конце последнего часа выдержки при нижнемзначении температуры не превышает 0,8 номинального; при внешнем осмотре необнаружены нарушения лакокрасочных покрытий и пластмасс, а также недопустимоевытекание пропиточного лака и смазки.
7.16 Испытания на стойкостьк воздействию агрессивных сред (6.3.21)и оценку результатов испытаний проводят по ГОСТ24683. Конкретные методы испытаний стойкости к воздействию агрессивных средустанавливают в технических условиях на двигатели конкретных типов. При этомиспытания проводят по режимам, соответствующим данному химостойкому исполнениюдвигателя. После испытания двигатели должны выдерживать проверку электрическойпрочности изоляции напряжением, равным половине испытательного напряжения всоответствии с ГОСТ 28723 и МЭК 60034-1 [9].
7.17 Оценку показателейнадежности (6.3.22)при приемочных испытаниях двигателей общепромышленного исполнения проводятпутем сопоставления температуры обмотки статора в номинальном режиме стребованиями ГОСТ28173 и МЭК 60034-1 [9]и определения расчетной долговечности подшипников. При периодических испытанияхпоказатели надежности подтверждают данными, получаемыми с мест эксплуатациидвигателей.
Методы контроля показателей надежностиспециальных двигателей по ГОСТ27.410 указывают в технических условиях на двигатели конкретных типов.
7.18 Испытания на безопасность(6.3.23)проводят в соответствии с настоящим стандартом, ГОСТ12.2.007.0, ГОСТ12.2.007.1 и ГОСТР МЭК 60204.1. Методы испытаний - по 7.5,7.6и 7.12.
Измерение сопротивления между болтомзаземления и любой доступной для прикосновения металлической нетоковедущейчастью двигателя, которая может оказаться под напряжением, проводят методомамперметра и вольтметра. Измерение проводят на переменном токе частоты 50 Гц.
7.19 Методы испытанийупакованных двигателей (6.3.24) - по ГОСТ23216. После испытаний измеряют сопротивление изоляции двигателей и уровеньвибрации, значения которых должны соответствовать указанным в разделах 4 и 5.
8.1 Транспортная тарадвигателей - по ГОСТ23216.
8.2 Условия транспортированиядвигателей внутри страны в части воздействия механических факторов - С по ГОСТ23216, в части воздействия климатических факторов - 5 (ОЖ4) или (ОЖ3) по ГОСТ15150.
Условия хранения двигателей - 2 (С) по ГОСТ15150 на срок сохраняемости в соответствии с 5.1.4.
9.1 Эксплуатация двигателейдолжна соответствовать требованиям инструкции по эксплуатации.
9.2 Двигатели исполнения Nпо ГОСТ28327 и МЭК 60034-12 [2]должны быть рассчитаны на два последовательных пуска (с остановкой междупусками) из холодного состояния или на один пуск из нагретого состояния послеработы при номинальной нагрузке.
Момент сопротивления нагрузки при пускепропорционален квадрату частоты вращения и равен номинальному моменту приноминальной частоте вращения, а значение внешнего момента инерции, I, кг/м2, не должно превышать рассчитанногопо формуле
I = 0,04 · P0,9 · p2,5,
где Р - номинальная мощностьдвигателя, кВт;
р - число пар полюсов.
Повторный пуск двигателя допускается толькопри температуре двигателя перед пуском, не превышающей установившейсятемпературы при номинальной нагрузке.
Примечание - Требования к пуску 10-, 12-полюсныхдвигателей устанавливают в технических условиях на двигатели конкретных типов.
9.3 Двигатели исполнения Н по ГОСТ28327 и МЭК 60034-12 [2]должны допускать два последовательных пуска (с остановкой между пусками) изхолодного состояния или один пуск из нагретого состояния при работе вноминальных условиях. Момент сопротивления нагрузки пред полагается постоянным,равным номинальному моменту и не зависящим от частоты вращения, а значениевнешнего момента инерции не должно превышать 50 % значения, получаемого поформуле согласно 9.2.
10.1 Изготовительгарантирует соответствие двигателей требованиям настоящего стандарта итехническим условиям на двигатели конкретных типов при условии соблюденияпотребителем правил транспортирования, хранения, монтажа и эксплуатации.
10.2 Гарантийный срокэксплуатации - два года со дня начала эксплуатации двигателя при гарантийной наработке10000 ч.
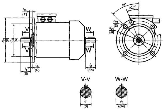
А.1Установочные размеры двигателей исполнения IM1 должны соответствоватьприведенным на рисунке А.1 и в таблице А.1.
Обозначения, приведенныев скобках, соответствуют принятым МЭК.

Рисунок А.1
А.2Установочные размеры двигателей исполнения IM3 должны соответствоватьприведенным на рисунке А.2 и в таблице А.2.
Обозначения,приведенные в скобках, соответствуют принятым МЭК.

Рисунок А.2
Размеры в миллиметрах
| Габарит | Установочный размер | h (Н) | b10 (А) | l10 (В) | l31 (С) | d10 (К) |
| 56 | - | 56 | 90 | 71 | 36 | 5,8 |
| 63 | - | 63 | 100 | 80 | 40 | |
| 71 | - | 71 | 112 | 90 | 45 | 7 |
| 80 | - | 80 | 125 | 100 | 50 | 10 |
| 90 | S | 90 | 140 | 56 | ||
| L | 125 | |||||
| 100 | S | 100 | 160 | 112 | 63 | 12 |
| L | 140 | |||||
| 112 | М | 112 | 190 | 70 | ||
| 132 | S | 132 | 216 | 89 | ||
| M | 178 | |||||
| 160 | S | 160 | 254 | 108 | 15 | |
| M | 210 | |||||
| L | 254 | |||||
| 180 | S | 180 | 279 | 203 | 121 | |
| M | 241 | |||||
| L | 279 | |||||
| 200 | М | 200 | 318 | 267 | 133 | 19 |
| L | 305 | |||||
| 225 | S | 225 | 356 | 286 | 149 | |
| M | 311 | |||||
| 250 | S | 250 | 406 | 168 | 24 | |
| M | 349 | |||||
| 280 | S | 280 | 457 | 368 | 190 | |
| M | 419 | |||||
| 315 | S | 315 | 508 | 406 | 216 | 28 |
| M | 457 | |||||
| 355 | S | 355 | 610 | 500 | 254 | |
| M | 560 | |||||
| *Диаметр круглого отверстия или ширина овального отверстия. | ||||||
Таблица А.2
Размерыв миллиметрах
| Обозначение фланца | d20 (М) | d25 (N) | d24 (Р) | l39 (R) | l20 (Т) | d22 (S) | Число отверстий | ||
| без резьбы FF | с резьбой FT |
| |||||||
| FF54; FT65 | 65 | 50 | 80 | 0 | 2,5 | 5,8 | М5 | 4 |
|
| FF75; FT75 | 75 | 60 | 90 |
| |||||
| FF85; FT85 | 85 | 70 | 105 | 7 | М6 |
| |||
| FF100; FT100 | 100 | 80 | 120 | 3 |
| ||||
| FF15, FT115 | 115 | 95 | 140 | 10 | М8 |
| |||
| FF130; FT130 | 130 | ПО | 160 | 3,5 |
| ||||
| FF165; FT165 | 165 | 130 | 200 | 12 | М10 |
| |||
| FF215; FT215 | 215 | 180 | 250 | 4 | 15 | М12 |
| ||
| FF265; FT265 | 265 | 230 | 300 |
| |||||
| FF300; FT300 | 300 | 250 | 350 | 5 | 19 | М16 |
| ||
| FF350; FT350 | 350 | 300 | 400 |
| |||||
| FF400; FT400 | 400 | 350 | 450 | 8 |
| ||||
| FF500; FT500 | 500 | 450 | 550 |
| |||||
| FF600; FT600 | 600 | 550 | 660 | 6 | 24 | М20 |
| ||
| FF740; FT740 | 740 | 680 | 800 |
| |||||
Примечания1 В обозначении фланца указывают размер d20(М) и буквы: FF - фланец с гладкими крепежными отверстиями; FT - фланец с резьбовыми крепежными отверстиями. 2 Внешний контур крепительных фланцев от FF55 до FF300 может быть некруговым. В этом случае размер d24(P) является диаметром описанной окружности и может отличаться только в сторону отрицательных отклонений. 3 Установочные размеры двигателей исполнения IM20 определяют из таблиц А.1, А.2 как для комбинированного исполнения. 4 Допуски на установочные размеры, указанные в таблицах А.1 и А.2, - по ГОСТ 8592. |
| ||||||||
А.3 Увязка мощностей кустановочным размерам по варианту I для степеней защиты IP44 и IP54должна соответствовать таблице А.3.
Таблица А.3
| Форма исполнения двигателей | Номинальная мощность двигателей, кВт, при числе полюсов 2р | Концы валов цилиндрические d1(D) ×l1(E) мм, при числе полюсов 2р | Концы валов цилиндрические d2(DA) ×l2(EA) мм, при числе полюсов 2р | ||||||||||
| IM1, IM2 | IM2, IM3 | 2 | 4 | 6 | 8 | 10 | 12 | 2 | 4, 6, 8, 10, 12 | 2 | 4, 6, 8 10, 12 | ||
| Габарит | Установочный размер | Обозначение фланца | |||||||||||
| С резьбой | Без резьбы | ||||||||||||
| 56 | - | FT65; FT85 | FF115 | 0,18 0,25 | 0,12 0,18 | - - | - - | - - | - - | 11×23 | 11×23 | ||
| 63 | - | FT75; FT100 | FF130 | 0,37 0,55 | 0,25 0,37 | 0,18 0,25 | - - | - - | - - | 14×30 | 14×30 | ||
| 71 | - | FT85; FT115 | FF165 | 0,75 1,10 | 0,55 0,75 | 0,37 0,55 | - 0,25 | - - | - - | 19×40 | 19×40 | ||
| 80 | - | FT100; FT130 | 1,50 2,20 | 1,10 1,50 | 0,75 1,10 | 0,37 0,55 | - - | - - | 22×50 | 22×50 | |||
| 90 | L | FT115; FT130 | FF215 | 3,00 - | 2,20 - | 1,50 - | 0,75 1,10 | - - | - - | 24×50 | 24×50 | ||
| 100 | S М | FT130; FT165 | 4,00 5,50 | 3,00 4,00 | - 2,20 | - 1,50 | - - | - - | 28×60 | 28×60 | |||
| 112 | М | - | FF265 | 7,50 - | 5,50 - | 3,00 4,00 | 2,20 3,00 | - - | - - | 32×80 | 32×80 | ||
| 132 | S М | - | FF300 | - | 7,5 | 5,5 7,5 | 4,0 5,5 | - - | - - | 38×80 | 38×80 | ||
| 11,0 | |||||||||||||
| 160 | S М | - | 15,0 18,5 | 11,0 15,0 | 7,5 11,0 | - - | - - | 42×110 | 48×110 | 42×110 | |||
| 180 | S М | - | FF350 | 22,0 30,0 |
18,5 | - 15,0 | - - | - - | 48×110 | 55×110 | 48×110 | ||
| 200 | М L | - | FF400 | 37,0 45,0 | 22,0 30,0 | 18,5 22,0 | - - | - - | 55×110 | 60×140 | 55×110 | ||
| 225 | М | - | FF500 | 55,0 | 37,0 | 30,0 | - | - | 65×140 | 55×110 | 60×140 | ||
| 250 | S М | 75,0 90,0 | 45,0 55,0 | 37,0 45,0 | 22,0 30,0 | - - | 65×140 | 75×140 | 65×140 | 70×140 | |||
| 280 | S М | - | FF600 | 110,0 132,0 | 75,0 90,0 | 55,0 75,0 | 37,0 45,0 | - - | 70×140 | 80×170 | 65×140 | ||
| 315 | S М | - | 160,0 200,0 | 110,0 132,0 | 90,0 110,0 | 55,0 75,0 | 45,0 55,0 | 75×140 | 90×170 | 65×140 | |||
| 355 | S М | - | FF740 | 250,0 315,0 | 160,0 200,0 | 132,0 160,0 | 90,0 110,0 | 75,0 90,0 | 85×170 | 100×210 | 85×170 | ||
| Примечание - Размеры шпонок и шпоночных пазов - по МЭК 60072-1 [8]. | |||||||||||||
А.4 Увязка мощностей сустановочными размерами по варианту II для степеней защиты IP44 и IP54должна соответствовать таблице А.4.
ТаблицаА.4
Форма исполнения двигателей | Номинальная мощность двигателей, кВт, при числе полюсов 2p | Концы валов d1(D) ×l1(E) мм, при числе полюсов 2р | Концы валов цилиндрические d1(DA) ×l1(EA) мм, при числе полюсов 2р | |||||||
| IM1, 1М2 | IM2, IM3 | 2 | 4 | 6 | 8 | |||||
| Габарит | Установочный размер | Обозначение фланца | ||||||||
| С резьбой | Без резьбы | 2 | 4, 6, 8 | 2, 4, 6, 8 | ||||||
| 56 | - | - | - | 0,09 0,12 | 0,06 0,09 | - - | - - | 9×20 | 9×20 | |
| 63 | - | FT115 | - | 0,18 0,25 | 0,12 0,18 | - - | - - | 11×23 | 11×23 | |
| 71 | М | FT850 | FF130 | 0,37 0,55 | 0,25 0,37 | 0,18 0,25 | 0,09 0,12 | 14×30 | 14×30 | |
| 80 | М | FT100 | FF165 | 0,75 1,10 | 0,55 0,75 | 0,37 0,55 | 0,18 0,25 | 19×40 | 19×40 | |
| 90 | S L | FT115
| 1,50 2,20 | 1,10 1,50 | 0,75 1,10 | 0,37
0,55 | 24×50 | 24×50 | ||
| 100 | L | FT130 | FF215 | 3,00 | 2,20 3,00 | 1,50 | 0,75 1,10 | 28×60 | 28×60 | |
| 112 | М | 4,00 | 4,00 | 2,20 | 1,50 | |||||
| 132 | S М | - | FF265 | 5,50; 7,50 - | 5,50 7,50 | 3,00 4,00 5,50 | 2,20 3,00 | 38×80 | 38×80 | |
| 160 | М L | - | FF300 | 11,0 15,00 18,50 | 11,00 15,00 | 7,50 11,00 | 4,00; 5,50 7,50 | 42×110 | 42×110 | |
| L80 | М L | - | FF300 | 22,0 - | 18,5 22,0 | - 15,0 | - 11,0 | 48×100 | 42×110 | |
| 200 | L | - | FF350 | 30,0 37,0 | 30,0 | 18,5 22,0 | 15,0 | 55×110 | 48×100 | |
| 225 | S М | - | FF400 | - 45,0 | 37,0 45,0 | - 30,0 | 18,5 22,0 | 55×110 | 60×140 | 55×110 |
| 250 | М | - | FF500 | 55,0 | 55,0 | 37,0 | 30,0 | 60×140 | 65×140 | 60×140 |
| 280 | S М | 75,0 90,0 | 75,0 90,0 | 45,0 55,0 | 47,0 45,0 | 65×140 | 75×140 | 65×140 | ||
| 315 | S М L | - | FF600 | 110,0 132,0 160; 200 | 110,0 132,0 160; 200 | 75,0 90,0 110; 132 | 55,0 75,0 90; 110 | 65×140 | 80×170 | 65×140 |
| 355 | S М L | - | FF740 | - 250; 315 - | - 250; 315 - | 160 200 250 | 132 160 200 | 75×140 | 100×210 | 75×140 |
| Примечание - Размеры шпонок и шпоночных пазов - по МЭК 60072-1 [8]. | ||||||||||
[1] МЭК 60038-1-83 Стандартные напряжения
[2]МЭК 60034-12-80 Машины электрические вращающиеся. Пусковые характеристикиодноскоростных трехфазных асинхронных двигателей с короткозамкнутым роторомнапряжением до 660 В включительно.
[3]МЭК 60034-9-97 Машины электрические вращающиеся.
[4]МЭК 60034-14-96 Машины электрические вращающиеся. Механическая вибрациянекоторых видов машин с высотой оси вращения 56 мм и более. Измерение, оценка идопустимые значения
[5]МЭК 60034-5-91 Машины электрические вращающиеся. Классификация степеней защиты,обеспечиваемых оболочками вращающихся электрических машин.
[6]МЭК 60034-7-92 Машины электрические вращающиеся. Условные обозначения конструктивныхисполнений по способу монтажа
[7]МЭК 60034-6-91 Машины электрические вращающиеся. Методы охлаждения.Обозначения.
[8]МЭК 60072-1-91 Машины электрические вращающиеся. Размеры и ряды выходныхмощностей. Часть 1. Габариты от 56 до 400 и фланцы от 55 до 1080.
[9]МЭК 60034-1-96 Машины электрические вращающиеся. Номинальные данные и рабочиехарактеристики.
[10]МЭК 60034-8-72 Машины электрические вращающиеся. Обозначения выводов инаправления вращения.
[11] ИСО 3745-77 Акустика. Определение уровней звуковой мощностиисточников шума. Точные методы для заглушённых и полузаглушенных камер.
[12]МЭК 60034-11-78 Машины электрические вращающиеся. Встроенная температурнаязащита
* Международные стандарты МЭК и их переводынаходятся во Всероссийском научно-исследовательском институте классификации,терминологии и информации по стандартизации и качеству (ВНИИКИ). Адрес: 103001,Москва, Гранатный пер., 4.
Ключевые слова: машины электрические, двигатели асинхронные, основныепараметры, размеры, технические требования, характеристики, требованиябезопасности, методы контроля, приемка, транспортирование, хранение, гарантияизготовителя