В стандарте установлены требования к монтажу и выбору устройств для ззащиты от импульсных перенапряжений электроустановок зданий с целью ограничения импульсных перенапряжений электроустановок зданий с целью ограничения импульсных перенапряжений атмосферного характера,передающихся силовой распределительной системе, и от коммутационных импульсных перенапряжений,генерируемых оборудованием в пределах электроустановки.
| Обозначение: | ГОСТ Р 50571.26-2002 |
| Название рус.: | Электроустановки зданий. Часть 5. Выбор и монтаж электрооборудования. Раздел 534. Устройство для защиты от импульсивных перенапряжений |
| Статус: | заменен |
| Заменен: | ГОСТ Р 50571.5.53-2013 «Электроустановки низковольтные. Часть 5-53. Выбор и монтаж электрооборудования. Отделение, коммутация и управление» |
| Дата актуализации текста: | 05.05.2017 |
| Дата добавления в базу: | 01.09.2013 |
| Дата введения в действие: | 01.01.2015 |
| Утвержден: | 25.12.2002 Госстандарт России (Russian Federation Gosstandart 518-ст) |
| Опубликован: | ИПК Издательство стандартов (2003 г. ) ИПК Издательство стандартов (2004 г. ) Стандартинформ (2012 г. ) |
| Ссылки для скачивания: |
ГОСТ Р 50571.26-2002
(МЭК 60364-5-534-97)
ГОСУДАРСТВЕННЫЙ СТАНДАРТ РОССИЙСКОЙ ФЕДЕРАЦИИ
ЭЛЕКТРОУСТАНОВКИ ЗДАНИЙ
Часть 5
Выбор и монтаж электрооборудования
Раздел 534
Устройства для защиты
от импульсных перенапряжений
|
|
Москва Стандартинформ 2012 |
1 РАЗРАБОТАН Открытым акционерным обществом «ВНИИ Электроаппарат» ОАО «ВНИИ Электроаппарат» совместно с Всероссийским научно-исследовательским институтом стандартизации и сертификации в машиностроении (ВНИИНМАШ)
ВНЕСЕН Техническим комитетом по стандартизации ТК 337 «Электроустановки зданий»
2 ПРИНЯТ И ВВЕДЕН В ДЕЙСТВИЕ Постановлением Госстандарта России от 25 декабря 2002 г. № 518-ст
3 Настоящий стандарт представляет собой аутентичный текст международного стандарта МЭК 60364-5-534:1997 «Электроустановки зданий. Часть 5. Выбор и монтаж электрооборудования. Раздел 534. Устройства для защиты от импульсных перенапряжений»
4 ВВЕДЕН ВПЕРВЫЕ
СОДЕРЖАНИЕ
Настоящий стандарт является частью комплекса государственных стандартов на электроустановки зданий, разрабатываемых на основе стандартов МЭК 60364 «Электроустановки зданий». Стандарт представляет собой аутентичный текст международного стандарта МЭК 60364-5-534-97. В стандарте сформулированы требования к монтажу и выбору устройств для защиты от импульсных перенапряжений электроустановок зданий, возникающих при возможных ударах молнии и коммутационных перенапряжениях.
Нумерация разделов, пунктов и подпунктов в настоящем стандарте соответствует принятой нумерации в стандарте МЭК 60364-5-534-97.
Требования настоящего стандарта дополняют, изменяют или заменяют требования других частных стандартов комплекса государственных стандартов на электроустановки зданий. Отсутствие ссылки на главу, раздел или пункт частных стандартов означает, что соответствующие требования стандарта распространяются и на данный случай.
ГОСТ Р 50571.26-2002
(МЭК 60364-5-534-97)
ГОСУДАРСТВЕННЫЙ СТАНДАРТ РОССИЙСКОЙ ФЕДЕРАЦИИ
Электроустановки зданий
Часть 5
ВЫБОР И МОНТАЖ ЭЛЕКТРООБОРУДОВАНИЯ
Раздел 534
Устройства для защиты от импульсных перенапряжений
Electrical installations of
buildings. Part 5. Selection and erection of electrical equipment.
Section 534. Devices for protection against surge overvoltages
Дата введения 2004-01-01
Настоящий стандарт содержит меры по ограничению перенапряжений для достижения координации изоляции в соответствии с ГОСТ Р 50571.19 и МЭК 60664-1 [1].
В настоящем стандарте установлены требования к монтажу и выбору устройств для защиты от импульсных перенапряжений (далее - УЗИП) электроустановок зданий с целью ограничения импульсных перенапряжений атмосферного характера, передающихся силовой распределительной системе, и от коммутационных импульсных перенапряжений, генерируемых оборудованием в пределах электроустановки. Применение УЗИП необходимо для защиты электроустановок зданий от прямых ударов молнии в здания либо в непосредственной близости от них.
В настоящем стандарте использованы ссылки на следующие стандарты:
ГОСТ 30331.2-95 (МЭК 364-3-93)/ГОСТ Р 50571.2-94* (МЭК 364-3-93) Электроустановки зданий. Часть 3. Основные характеристики
* На территории Российской Федерации ГОСТ 30331.2-95 утратил силу. С 1 июля 2010 г. действует ГОСТ Р 50571.1-2009.
ГОСТ Р 50571.2-94 в части п. 31, 33 - 35 заменен на ГОСТ Р 50571.1-2009.
ГОСТ 30331.3-95 (МЭК 364-4-41-92)/ГОСТ Р 50571.3-94** (МЭК 364-4-41-92) Электроустановки зданий. Часть 4. Требования по обеспечению безопасности. Защита от поражения электрическим током
** С 1 января 2011 г. действует ГОСТ Р 50571.3-2009.
ГОСТ Р 50571.18-2000*** (МЭК 60364-4-442-93) Электроустановки зданий. Часть 4. Требования по обеспечению безопасности. Глава 44. Защита от перенапряжений. Раздел 442. Защита электроустановок до 1 кВ от перенапряжений, вызванных замыканиями на землю в электроустановках выше 1 кВ
ГОСТ Р 50571.19-2000*** (МЭК 60364-4-443-95) Электроустановки зданий. Часть 4. Требования по обеспечению безопасности. Глава 44. Защита от перенапряжений. Раздел 443. Защита электроустановок от грозовых и коммутационных перенапряжений
*** С 1 июля 2012 г. будет введен в действие ГОСТ Р 50571-4-44-2011.
ГОСТ Р 51992-2002 (МЭК 61643-1-98) Устройства для защиты от импульсных перенапряжений в низковольтных силовых распределительных системах. Часть 1. Требования к работоспособности и методы испытаний
534.2.1 УЗИП, если это обусловлено необходимостью или указано в ГОСТ Р 50571.19, должны устанавливаться на вводе распределительной сети в электроустановку или на вводном распределительном устройстве, расположенном максимально близко к месту ввода распределительной сети.
Примечания
1 В некоторых случаях для обеспечения полной защиты электроустановки могут потребоваться дополнительные УЗИП, не рассматриваемые в настоящем разделе.
2 УЗИП, размещенные в других местах электроустановки, могут также обеспечивать достаточную защиту.
534.2.2 УЗИП, если это обусловлено необходимостью или указано в ГОСТ Р 50571.19, должны устанавливаться (см. также приложения А - С) в случаях:
- если рабочий нулевой проводник заземлен на вводе в электроустановку или вблизи него или если рабочий нулевой проводник отсутствует, - между незаземленными фазными проводниками и либо главным заземляющим зажимом, либо главным заземляющим шинопроводом (выбирают более короткий путь);
- если рабочий нулевой проводник не заземлен на вводе в электроустановку или вблизи него:
a) между каждым фазным проводником и либо главным заземляющим зажимом, либо главным заземляющим шинопроводом и
b) между рабочим нулевым проводником и либо главным заземляющим зажимом, либо главным заземляющим шинопроводом (выбирают более короткий путь, см. рисунок В.2).
Примечания
1 Если фазный проводник заземлен, его считают эквивалентным рабочему нулевому проводнику.
2 В системах заземления типов ТТ и TN данное требование не исключает наличия дополнительной защиты посредством устройств защитного отключения дифференциального тока (далее - УДТ).
534.2.3.1 Максимальное длительное рабочее напряжение Uc УЗИП должно быть не менее максимального фактического длительного напряжения между выводами УЗИП.
В системах ТТ (рисунок В.1) рабочее напряжение Uc должно соответствовать, по крайней мере, 1,5U0.
В системах TN и ТТ (рисунок В.2) рабочее напряжение Uc должно соответствовать 1,1U0.
В системах IT рабочее напряжение Uc должно быть, по крайней мере, равно линейному напряжению.
Примечания
1 U0 - напряжение между фазой и рабочим нулевым проводником низковольтной системы.
2 В системах IT большой протяженности могут потребоваться более высокие значения Uc.
534.2.3.2 УЗИП и включенные с ними последовательно защитные устройства должны надежно выдерживать временные перенапряжения (см. ГОСТ Р 50571.18).
534.2.3.3 УЗИП должны соответствовать ГОСТ Р 51992.
534.2.3.4 Если УЗИП установлено на вводе электроустановки, питаемой от распределительной системы общественного здания, номинальный разрядный ток должен быть не менее 5 кА.
Примечания
1 Для электроустановок во взрывоопасных зонах могут потребоваться более высокие значения разрядного тока.
2 При наличии в электроустановке грозозащитной системы разрядный ток может быть значительно выше 5 кА, что потребует выбора более высокого значения разрядного тока для УЗИП. Дополнительная информация по выбору и применению УЗИП содержится в МЭК 61643-12 [2].
534.2.3.5 Уровень защиты УЗИП следует выбирать согласно 443.3.2 ГОСТ 50571.19.
Примечания
1 Необходимо учитывать уровень стойкости электрооборудования к перенапряжениям.
2 Могут потребоваться дополнительные УЗИП, входящие в состав электрооборудования или расположенные вблизи чувствительного к перенапряжениям электрооборудования.
534.2.3.6 Следует учитывать возможность последовательного включения УЗИП в электроустановке. Изготовители УЗИП в технической документации должны предусмотреть меры для осуществления их взаимной координации.
534.2.4 УЗИП должны устанавливаться согласно инструкциям изготовителя так, чтобы избежать опасности возгорания или взрыва в случае перегрузки УЗИП (см. ГОСТ Р 50571.18).
УЗИП не должны устанавливаться без соответствующих защитных мер в местах, классифицируемых как ВЕ2 или ВЕ3 по ГОСТ 30331.2.
534.2.5 Чтобы избежать ограничений в подаче электропитания к защищенной электроустановке вследствие повреждения УЗИП, в электроустановке должны применяться устройства для защиты от сверхтоков и токов утечки на землю, встроенные или включенные последовательно с УЗИП, если в инструкции изготовителя нет указаний об отсутствии необходимости их применения.
534.2.6 Защита от косвенного прикосновения, как установлено в ГОСТ 30331.3, должна оставаться эффективной в защищаемой электроустановке здания даже в случае повреждения УЗИП.
Примечания
1 В системах TN защита от косвенного прикосновения может выполняться устройством для защиты от сверхтока со стороны питания УЗИП.
2 В системах ТТ защита от косвенного прикосновения может выполняться установкой УЗИП со стороны нагрузки УДТ.
534.2.7 Если УЗИП установлены в соответствии с 534.2.1 и расположены со стороны нагрузки УДТ, то должны применяться УДТ типа S, устойчивые к импульсным токам порядка 3 кА (8/20 мс).
534.2.8 Если в электроустановке предусмотрена система молниезащиты, должны применяться дополнительные требования к УЗИП в соответствии с МЭК 61024-1 [3] и МЭК 61312-1 [4].
534.2.9 Указание, что УЗИП больше не осуществляет функцию защиты от перенапряжения, должно обеспечиваться:
- либо самим УЗИП;
- либо отдельным защитным устройством, как установлено в 534.2.5.
Примечание - Цепи питания электрооборудования, чувствительного к перенапряжениям, нуждаются в дополнительной защите.
534.2.10 Для достижения требуемой защиты от перенапряжения все соединительные проводники УЗИП должны быть как можно короче (предпочтительно не более 0,5 м общей длины).
Примечания
1 Увеличение длины соединительных проводников УЗИП снижает эффективность защиты от перенапряжения. Рекомендуется применение отводящих и обратных проводников V-образной формы.
2 Соединительными считают проводники от сетевого проводника до УЗИП и от УЗИП до главного заземляющего зажима или до защитного проводника. Примеры УЗИП, установленных на вводе распределительной сети в электроустановку, приведены в приложениях А - С.
534.2.11 Заземляющие проводники УЗИП должны быть медными и иметь минимальную площадь поперечного сечения 4 мм2.
Примечание - При наличии в электроустановке системы молниезащиты может потребоваться более высокое поперечное сечение проводников, но не менее 10 мм2.
(справочное)

1 - ввод распределительной
сети; 2 - распределительный щит; 3 - главный заземляющий зажим
(шина);
4 - УЗИП; 5а, 5b - заземление УЗИП; 6 - защищаемое оборудование; F - защитное устройство, указанное
изготовителем (предохранитель, автоматический выключатель, УДП); RA
- заземляющий электрод
(сопротивление); RB - заземляющий электрод
(сопротивление) системы питания
Рисунок А.1 - Установка УЗИП в системах TN
(справочное)
1 - ввод распределительной
сети; 2 - распределительный щит; 3 - главный заземляющий зажим
(шина);
4 - УЗИП; 5а, 5b - заземление УЗИП; 6 - защищаемое оборудование; 7
- УДТ; F - защитное устройство,
указанное изготовителем (предохранитель, автоматический выключатель, УДП); RA
- заземляющий
электрод (сопротивление); RB - заземляющий электрод
(сопротивление) системы питания
Рисунок В.1 - Установка УЗИП в системах ТТ со стороны нагрузки УДТ
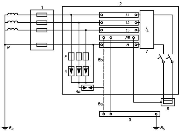
1 - ввод распределительной
сети; 2 - распределительный щит; 3 - главный заземляющий зажим
(шина);
4 - УЗИП; 4а - УЗИП по 534.2.3.2 или
искровой разрядник; 5а, 5b - заземление УЗИП; 6 - защищаемое
оборудование; 7 - УДТ; F - защитное устройство,
указанное изготовителем (предохранитель,
автоматический выключатель, УДП); RA - заземляющий электрод
(сопротивление); RB - заземляющий
электрод (сопротивление) системы питания
Рисунок В.2 - Установка УЗИП в системах IT со стороны питания УДТ
(справочное)

1 - ввод распределительной
сети; 2 - распределительный щит; 3 - главный заземляющий зажим
(шина);
4 - УЗИП; 5а, 5b - заземление УЗИП; 6 - защищаемое оборудование; 7
- УДТ; F - защитное устройство,
указанное изготовителем (предохранитель, автоматический выключатель, УДП); RA
- заземляющий
электрод (сопротивление); RB - заземляющий электрод
(сопротивление) системы питания
Рисунок С.1 - Установка УЗИП в системах ТТ со стороны нагрузки УДТ
(справочное)
|
МЭК 60664-1:1992 Координация изоляции электрооборудования низковольтных систем. Часть 1. Принципы, требования и испытания |
|
|
МЭК 61643-12:2002 Устройства для защиты от перенапряжений в низковольтных распределительных системах. Часть 12. Принципы выбора и применения |
|
|
МЭК 61024-1:1990 Защита оборудования от ударов молнии. Часть 1. Общие принципы |
|
|
МЭК 61312-1:1995 Защита от электромагнитных импульсов при ударе молнии. Часть 1. Общие принципы |
Ключевые слова: устройства для защиты от перенапряжений; перенапряжения; уровень защиты; удары молнии; разрядник