Стандарт распространяется на дисковые колеса из легких сплавов, предназначенные для эксплуатации на легковых и грузовых автомобилях, автобусах, автомобильных прицепах и полуприцепах во всех климатических зонах при температурах окружающего воздуха от минус 60 до плюс 55 град.С при категории размещения 1 по ГОСТ 15150 и устанавливает общие технические условия.
| Обозначение: | ГОСТ Р 50511-93 |
| Название рус.: | Колеса из легких сплавов для пневматических шин. Общие технические условия |
| Статус: | введен впервые |
| Дата актуализации текста: | 05.05.2017 |
| Дата добавления в базу: | 12.02.2016 |
| Дата введения в действие: | 01.01.1994 |
| Утвержден: | 01.03.1993 Госстандарт России (Russian Federation Gosstandart 59) |
| Опубликован: | Издательство стандартов (1993 г. ) |
| Ссылки для скачивания: |
| КОЛЕСА ИЗ ЛЕГКИХ СПЛАВОВ ДЛЯ ПНЕВМАТИЧЕСКИХ ШИН ОБЩИЕ ТЕХНИЧЕСКИЕ УСЛОВИЯLight alloy wheels for pneumatic tyres. Specifications. | ГОСТ Р 50511-93 (ИСО 3006-76, |
Содержание
Настоящий стандартраспространяется на дисковые колеса из легких сплавов, предназначенные дляэксплуатации на легковых и грузовых автомобилях, автобусах, автомобильныхприцепах и полуприцепах во всех климатических. зонах при температурахокружающего воздуха от минус 60 до плюс 55°С при категории размещения 1 по ГОСТ15150 и устанавливает общие технические условия.
Требованиянастоящего стандарта являются обязательными. Обязательные требования к колесамиз легких сплавов, направленные на обеспечение безопасности для жизни издоровья населения и сохранности имущества, изложены в пунктах 2.2, 2.4,2.7,4.3-4.8.
Размеры колес - по нормативнойдокументации, утвержденной в установленном порядке.
2.1. Колеса должны быть изготовлены всоответствии с требованиями настоящего стандарта по конструкторскойдокументации, утвержденной в установленном порядке.
2.2. Колеса должныбыть коррозионностойкими.
2.3. Механическиесвойства материалов колес должны соответствовать требованиям табл. 1.
Таблица 1
| Вид материала | Предел прочности σВ, МПа. не менее | Предел текучести σ0,2, МПа, не менее | Относительное удлинение δ, % не менее | Твердость по Бринеллю НВ |
| Нетермообрабатываемый | 160 | 80 | 5 | 45-60 |
| Термообрабатываемый | 210 | 140 | 5 | 75-95 |
2.4.Ободья колес для бескамерных шин должны быть герметичными.
Внутри заготовок не допускаютсяраковины и другие дефекты, превышающие допускаемые значения, установленные вконструкторской документации.
На поверхностях обода, прилегающих кшине, не допускается пористость на площади более 1 см2. Посогласованию с потребителем допускается устранение этого дефекта поверхностнойупрочняющей обработкой.
2.7. Биения обода научастках, прилегающих к шине, не должны превышать значений, указанных в табл. 2.
Таблица 2
| Тип автотранспортного средства | Биение, мм, не более | |
| Радиальное | Осевое | |
| Легковые автомобили | 0,5 | 0,5 |
| Грузовые, грузопассажирские автомобили, автобусы, прицепы | 1,5 | 1,5 |
2.8. Ресурс колесдолжен быть не менее ресурса автотранспортного средства, для которого онипредназначены.
3.1. Колеса должны быть принятыотделом технического контроля (ОТК) предприятия-изготовителя и должны иметьклейма.
При приемочном контроле проводят:
внешний осмотр на соответствиетребованиям п. 2.6в объеме 100 %;
рентгеноскопический контроль литыхзаготовок по п. 2.5в объеме 100 %;
проверку герметичности литых колес длябескамерных шин на соответствие требованиям п. 2.4по п. 4.7 в объеме100 %; проверку радиальных и осевых биений ободьев по п. 2.7в объеме 0,5 % от партии.
Партией считают количество колес, предъявляемыхпо одному документу.
3.2. Колеса подвергают периодическим иинспекционным испытаниям.
3.3. Периодические испытания проводитпредприятие - изготовитель колес из числа колес принятых ОТК
3.4. При периодических испытанияхпроверяют:
механические свойства материалов колеспо п. 4.1 насоответствие требованиям п. 2.3и герметичность ободьев по п. 4.7 на соответствие требованиям п. 2.4ежеквартально в объеме не менее трех образцов каждого типоразмера;
сопротивление усталости колес приизгибе с вращением по п. 4.3.жесткость бортовых закраин обода по п. 4.5 исопротивление колеса удару под углом 30° по п. 4.6 два раза в год в объеме неменее двух колес каждого типоразмера.
3.5. При инспекционных испытаниях проверяютколеса по пп. 4.3-4.8.
Периодичность проверок - раз в двагода.
3.6. Ресурсные испытания колеспроводят при ресурсных испытаниях АТС по их методикам.
4.1.Определение механических свойств
Механические свойства колесконтролируют на образцах, вырезанных из наиболее нагруженных частей колеса:центральной части, переходной зоны от диска к ободу, обода, обеих бортовыхзакраин и других, указанных в конструкторской документации. Количество образцов- не менее трех от каждой части колеса.
Показатели механических свойствматериалов после нанесения защитно-декоративного покрытия должнысоответствовать, указанным в п. 2.3.
Испытания для контроля механическихсвойств колес проводят в соответствии с ГОСТ 1497 и ГОСТ 11701.
4.2. Контроль размеров ободьев
Размеры профилей ободьев и длины ихокружностей определяют по нормативной документации, утвержденной вустановленном порядке.
4.3.Определение сопротивления усталости колес при изгибе с вращением
При испытаниях колес на стенде принагружении изгибом с вращением моделируют эффект боковых сил, действующихна·диск колеса при движении на повороте.
4.3.1. Испытательный стенд состоит изприводного поворотного устройства, обеспечивающего либо вращение колеса подвоздействием постоянного изгибающего момента в соответствии с черт. 1, либо воздействие вращающегося момента на неподвижноеколесо, в соответствии с черт. 2.

| а - колесо с профилем посадочной полки обода 5° | б - колесо с профилем посадочной полки обода 15° |
1 - вращающеесяоснование стенда (планшайба); 2 - зажим обода; 3 - колесо; 4 - нагрузочный вал;5 - опора вращения; 6 - детали крепления колеса; L - плечо момента; d- вылет обода.
Чертеж 1

| а - колесо с профилем посадочной полки обода 5° | б - колесо с профилем посадочной полки обода 15° |
1 - детали крепления колеса; 2 - колесо; 3 - зажим обода;4 - опорная поверхность; 5 - нагрузочный вал; 6 - опора вращения; L - плечомомента; d - вылет обода
Чертеж 2
Бортовая закраина ободьев колес должнабыть неподвижно закреплена на фланце испытательного стенда.
Поверхность фланца нагрузочного валаиспытательного стенда должна иметь места крепления, соответствующиеприсоединительным размерам на ступице автомобиля.
Колеса для испытаний должны быть без защитно-декоративногопокрытия.
4.3.2. Нагрузочное устройство в сборес валом должно быть закреплено на привалочной поверхности диска колеса гайкамиили болтами (без смазки) с основными присоединительными размерами деталейкрепления колеса, применяемыми на автомобиле.
Момент затяжки деталей креплениядолжен соответствовать заданному изготовителем транспортного средства.
После выполнения минимальногоколичества (104) циклов момент затяжки должен быть не менее 50 %первоначального значения.
Допускается проводить в процессеиспытаний подтягивание гаек или болтов крепления колес.
4.3.3. Для создания изгибающегомомента на диске колеса к нагрузочному валу необходимо прикладывать силуперпендикулярно оси вращения колеса на расстоянии от 0,5 до 1м от привалочной поверхностидиска.
Радиальное и осевое биения колеса,установленного на стенде, должны соответствовать требованиям п. 2.7.
Погрешность измерения нагрузочной системыне должна превышать ± 2,5 % для колес легковых автомобилей и ± 5 % - для колесгрузовых автомобилей.
4.3.4. Исходный изгибающий момент
, Н∙м, рассчитывают по формуле:
![]()
где Fв -максимальная вертикальная статическая нагрузка на колесо, Н;
К - коэффициент перегрузки (дляколес·легковых автомобилей его принимают равным 2, для грузовых - 2,73);
μ - коэффициент сцеплениямежду шиной и дорогой (для шин легковых автомобилей принимают равным 0,9; длягрузовых - 0,7);
R - статический радиус шинынаибольшего размера, рекомендуемой к установке на данное колесо изготовителемтранспортного средства, м;
d - вылет обода, м.
4.3.5. Испытания следует проводить подвум ступеням изгибающего момента, указанным в табл. 3.На каждой ступени должны быть испытаны два колеса.
Таблица 3
| Изгибающий момент при вращении | Минимальное число циклов нагружения | |
| колес легковых автомобилей | колес грузовых автомобилей | |
| МBI = 0,5 МB | 1,8×106 | 5×106 |
| МBII = 0,75 МB | 2,0×105 | 1×105 |
Частота циклическогонагружения должна быть не более 2400 циклов в минуту.
4.3.6. Критерием оценки предельногосостояния колеса при заданном числе циклов нагружения является появление трещини разрывов, обнаруживаемых визуальным осмотром.
4.4.Определение сопротивления усталости при динамической радиальной нагрузке
Испытания колес при динамическойрадиальной нагрузке следует проводить на стенде с беговым барабаном длясравнительной оценки усталостной прочности всех элементов колеса в сборе сшиной и определения наименее прочных элементов колеса. При испытаниях имитируютдвижение колеса по прямой. Испытаниям подвергают два колеса.
4.4.1. Схема нагружения колеса прииспытаниях должна соответствовать указанной на чертеже 3.

1 - барабан приводной; 2 - шина; 3 - колесо; 4 - деталикрепления колеса
Чертеж 3
4.4.2.Испытательный стенд должен быть оборудован устройством, обеспечивающимприложение постоянной радиальной нагрузки при вращении колеса.
Стенд долженсодержать приводной вращающийся барабан с гладкой поверхностью, ширина которойбольше ширины профиля шины под нагрузкой. Диаметр барабана при наружном обеганиидолжен быть не менее 1590 мм, а при внутреннем - не менее 1400 мм.
4.4.3. Деталикрепления колес должны быть затянуты с моментом, значение которого указаноизготовителем транспортного средства, с периодическим контролем усилия затяжкиво время проведения испытаний и восстановлением требуемого значения затяжки.
4.4.4. Дляпроведения испытаний на колесо должна быть установлена шина максимальноготипоразмера, указанного изготовителем транспортного средства для данногоразмера колеса.
Значения внутреннегодавления воздуха в холодных шинах для легковых и грузовых автомобилей передначалом испытаний должны выбираться из табл. 4 в зависимости от давления,рекомендуемого для эксплуатации.
В процессе испытаний снижение давлениявоздуха в шине не допускается.
Таблица4
| Давление при эксплуатации, кПа | Давление перед началом испытаний, кПа |
Для шин легковых автомобилей | |
| До 160 | 280 |
| От 161 до 280 | 450 |
| От 281 до 450 | 550 |
Для шин грузовых автомобилей | |
| От 460 до 580 | 690 |
| От 590 до 720 | 900 |
| От 730 до 830 | 1000 |
| От 830 до 900 | 1200 |
4.4.5.Пройденный путь при испытаниях колес легковых автомобилей должен быть не менее.2000 км при скорости от 70 до 100 км/ч с радиальной нагрузкой 2,5 FВ, где 2,5 - коэффициент перегрузки;
FВ - максимальнаявертикальная статическая нагрузка на колесо транспортного средства, Н.
4.4.6.Пройденный путь при испытаниях колес грузовых автомобилей при движении безразвала и бокового увода с нагрузкой на колесо 2 FВ должен составлять 13000 км при скорости не менее -25 км/ч.
Пройденныйпуть при испытаниях таких же колес при движении с боковым уводом 2° и безразвала с нагрузкой на колесо 1,5 FВдолжен составлять 7000 км при скорости не менее 25 км/ч.
4.4.7.Отклонения давления в шине и нагрузки не должны превышать ± 2,5 % для шинлегковых автомобилей и ± 5 % - для грузовых.
4.4.8.Критерием предельного состояния колес является появление усталостных трещин вэлементах колес, определяемых рентгеновским контролем или проникающей краской.
4.5.Определение жесткости бортовых закраин обода
4.5.1.Испытания проводят на стенде в критических точках окружности бортовых закраинобода (в зоне вентильного отверстия, напротив спиц и между спицами).
4.5.2. Прииспытаниях к соответствующей бортовой закраине обода колеса, закрепленного наплоском основании стенда, прикладывают в критической точке осевую нагрузку спомощью стержня, имеющего сферический наконечник с максимальным радиусом сферы25 мм. При этом скорость деформации должна быть в пре делах 0,2-2 мм/с дляколес легковых автомобилей и 0,2-5 мм/с - для колес грузовых автомобилей.
4.5.3. Энергиюдеформации, которую воспринимает бортовая закраина обода колеса легковогоавтомобиля, определяют на основе диаграммы «сила - путь» и оценивают домомента, при котором сила сжатия после достижения своего максимального значенияснижается до 60 % указанного значения.
Результаты испытаний считаютсяположительными, если в каждой критической точке окружности бортовой закраиныобода достигаются следующие минимальные значения для энергии деформации,указанные в табл. 5.
Таблица5
| Нагрузка на колесо, Н | Энергия деформации. Н∙М | |
| внешней бортовой закраины обода | внутренней бортовой закраины обода | |
| До 3000 | 60 | 40 |
| Свыше 3000 | 100 | 60 |
4.5.4. Внутренняябортовая закраина обода колеса грузового автомобиля должна выдерживать1,5-кратную допускаемую статическую нагрузку на колесо, а внешняя бортоваязакраина - 2-кратную нагрузку.
Для испытаниякаждой критической точки окружности бортовой закраины обода используют новоеколесо.
4.5.5.Результаты испытаний считают положительными, если при приложении указанныхнагрузок отсутствуют трещины. Допускается пластическая деформация.
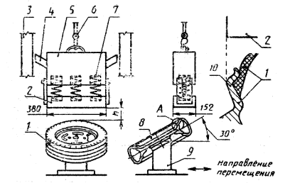
4.6.Определение сопротивления колеса удару под углом 30°*
* Допускается проводить испытания колес легковыхавтомобилей под углом 13° в соответствии с приложением 1.
Испытанияпроводят с целью оценки прочностных характеристик колес при ударе свободнопадающим грузом.
4.6.1.Испытательный стенд (черт. 4) должен обеспечивать воздействие ударной нагрузкикомплекта грузов на бортовую закраину обода колеса в сборе с шиной наименьшегоразмера из ряда рекомендуемых изготовителем транспортного средства для данногоразмера обода.
Груз, долженсостоять из двух масс: основной и дополнительной, взаимодействующих между собойчерез винтовые пружины.

1 - колесо в сборе с шиной; 2 - груз дополнительной массы;3 - рама: 4 - направляющая; 5 - груз основной массы; 6 - механизм быстройразгрузки; 7 - винтовая пружина; 8 - деталь крепления колеса; 9 - опора стенда;10 - внешняя бортовая закраина обода
Минимальныеразмеры контактной плоскости ударного элемента дополнительно массы должны бытьравны 152×380 мм, а максимальные - 300×380 мм.
Техническая характеристика комплекта массгруза и винтовых пружин указана в табл. 6.
Таблица6
| Масса груза, кг | Параметры винтовых пружин | |||
| Основная | Дополнительная | Количество пружин, не менее | Суммарная жесткость пружин, кН/мм (кг/мм) | Предварительное сжатие системы пружин, мм |
| 910±18 | 100±4,5 | 2 | 0,98-1,3 | 6 |
4.6.2. Высотурасположения ударного элемента над верхней точкой пневматической шины (h), мм, рассчитывают по формуле:
![]()
где Кρ - переходный коэффициент, равный0,03 мм/Н (0,3 мм/кгс) для колес легковых автомобилей и 0,04 мм/Н (0,4 мм/кгс)- для колес грузовых автомобилей;
FB - максимальная вертикальная статическаянагрузка на колесо, Н.
Для колеслегковых автомобилей высоту расположения ударного элемента h принимают равной 64 мм, если расчетное значение высоты h ≤64 мм.
Для колесгрузовых автомобилей высоту расположения ударного элемента h принимают равной 127 мм, если расчетное значение·высоты h ≤127 мм.
4.6.3. Во времяиспытаний колесо в сборе с шиной должно быть установлено на опоре стенда подуглом 30° ± 1° к горизонтальной плоскости и жестко закреплено деталямикрепления, применяемыми на автомобиле, с усилием затяжки, предусмотреннымизготовителем транспортного средства.
Давлениевоздуха в шине должно соответствовать значению, предусмотренному изготовителемтранспортного средства.
4.6.4. Присложной конструкции центральной части колеса необходимо провести испытания вкаждой критической точке окружности обода: в зоне вентильного отверстия обода,на спице и между спицами.
Для испытаниякаждой критической точки окружности обода и элементов диска используют новоеколесо.
4.6.5.Критериями разрушения является наличие следующих дефектов:
видимыетрещины; отделение диска от обода;
полное падениевнутреннего давления воздуха в бескамерной шине в течение одной минуты.
Деформациюколеса на ободе в зоне контакта с ударным элементом не считают дефектом.
4.7.Проверка на герметичность
4.7.1.Испытание колес для бескамерных шин следует проводить без лакокрасочногопокрытия в жидкостной ванне при давлении воздуха 0,4 МПа (4,0 кгс/см2)в течение двух минут, при этом не допускается появление пузырьков воздуха черезобод.
4.7.2.Допускается проводить испытание 1,5-кратным давлением воздуха от номинальногозначения в течение 1 мин.
4.8.Испытания на коррозионную стойкость
4.8.1.Испытаниям подвергают колеса в объеме не менее четырех образцов из сплавов намагниевой основе, имеющие лакокрасочное покрытие.
4.8.2.Испытания проводят в камере с солевым туманом, содержащим 3 %-ный растворхлористого натрия при относительной влажности 95-98 % и температуре плюс (37±2)°С.
4.8.3. Передначалом испытаний проводят 5-кратный монтаж колеса в сборе с шиной на ступицуавтотранспортного средства (АТС) с усилием затяжки деталей крепления,установленным изготовителем АТС.
4.8.4. Колеса испытываютв течение 240 ч. в сборе с шиной совместно с контактирующими деталями (ступица,детали крепления колеса, декоративные колпаки, тормозные диски), кромебалансировочных грузиков с прижимными пружинами и металлических вентилей,ввертываемых непосредственно в обод колеса.
4.8.5.Результаты испытаний считают положительными, если коррозия на отдельныхучастках не влияет на снижение прочности колес, что подтверждается испытаниямипо п. 4.3(МВII =0,75Мвmах), а также по п.4.4или п. 4.5.
В случаепоявления после 80 ч значительных коррозионных повреждений (до 20 % поверхностиколеса) испытания прекращают.
5.1. На каждомколесе, на видном месте, кроме поверхности обода, обращенной к шине, должнабыть выполнена литая или четкая, нестирающаяся постоянная маркировка,нанесенная неповреждающим способом, со следующими данными:
товарный знакили наименование предприятия;
дата (год инеделя) изготовления отливки и номер плавки; типоразмер обода колеса, вылетобода;
допускаемаястатическая нагрузка;
клеймоконтролирующего органа;
клейморентгеноконтроля колеса для бескамерных шин;
знаксоответствия по ГОСТ28197.
5.2. Каждоеколесо должно быть упаковано отдельно. Упаковка должна предохранять колеса отмеханических повреждений.
На каждуюупаковку следует наклеивать или вкладывать в нее этикетку, на которой должныбыть нанесены следующие данные:
тип колеса;
типоразмерколеса и вылет обода; присоединительные размеры; предприятие-изготовитель.
Каждаяупаковка должна сопровождаться инструкцией по монтажу.
5.3. Колеса следуеттранспортировать. любым видом транспорта в соответствии с правилами перевозкигрузов. действующими на данном виде транспорта при условии предохранения их отповреждения и атмосферных осадков по группе условий Ж 2 ГОСТ15150.
5.4. Колесаследует хранить в закрытых сухих складских помещениях по условиям С ГОСТ15150.
6.1. Предприятие-изготовитель гарантируеткачество изготовления колес и соответствие их требованиям настоящего стандартапри соблюдении условий применения, транспортирования и хранения.
6.2.Гарантийный срок эксплуатации колес - не менее гарантийного срокаавтотранспортного средства, для которого они предназначаются.
Испытания проводят с целью оценкипрочностных характеристик колес при ударе свободно падающим ударным элементом.
1. Испытательный стенд (черт. 5) должен иметь устройство, создающее ударную нагрузкуна бортовую закраину обода колеса в сборе с шиной. Колесо во время испытанияустанавливают под углом к опорной поверхности стенда.

1 - опорная часть испытательного стенда; 2 –колесо в сборе с шиной
Угол междуосью колеса и вертикальной плоскостью должен составлять·13°±1°. Минимальныеразмеры рабочей поверхности ударного элемента должны быть 125×375 мм.
2. Опорнаячасть испытательного стенда должна соответствовать указанной на черт. 6.

1 - основание; 2 - регулятор угла наклона; 3- опорная стальная плита 200×25 мм; 4 - тарировочный переходник; 5 -опора ступичная; 6 - четыре опоры из резины с размерами: диаметр 51 мм, высотав несжатом состоянии 27 мм; Х - допускаемая величина прогиба при приложениитарировочный нагрузки 7,5 мм ± 10 %; RZ - тарировочная нагрузка
При приложении контрольнойвертикальной статической нагрузки равной 1000 кг через тарировочный переходник,расположенный в середине пролета стоек, вертикальный прогиб опорной плиты поцентру ступичной опоры не должен быть более (7,5±0,75) мм.
3. Колесо всборе с радиальной бескамерной шиной с наименьшей шириной профиля для данногоколеса должно быть надежно закреплено на опоре стенда, имитирующей ступицу,деталями крепления с усилием затяжки, предусмотренным изготовителемтранспортного средства.
Давление воздуха в шине должносоответствовать значению, предусмотренному изготовителем транспортногосредства, а при отсутствии такого значение должно составлять 200 кПа.
4. Высота расположенияударного элемента над верхней точкой бортовой закраины должна быть (230±2) мм.
Ударныйэлемент должен располагаться над шиной, перекрывая бортовую закраину обода на(25±l) мм.
5. При сложнойконструкции центральной части колеса необходимо провести испытания в каждойкритической точке окружности бортовой закраины обода: в зоне вентильногоотверстия колеса, на спице и между спицами.
Для каждого испытанияиспользуют новое колесо.
6. Массуударного элемента (D), кг,рассчитывают по формуле:
![]()
![]()
где FВ - максимальная масса,приходящаяся на колесо, установленная изготовителем транспортного средства, кг.
Примечание. Допустимое отклонениевеличины D - ±2 %.
7. Критериямиразрушения является наличие следующих дефектов: видимые трещины, проходящиечерез радиальное сечение диска колеса;
отделениедиска от обода;
падениевнутреннего давления воздуха в бескамерной шине в течение одной минуты.
Деформацию колеса или появлениетрещины в ободе в зоне контакта с ударным элементом не считают дефектом.
|
| Название лаборатории | Лист 1 Всего листов 5 | |
| Номер и дата контракта _________________________________ Заказчик ______________________________________________
| УТВЕРДИЛ | ||
| СВОДНЫЙ ПРОТОКОЛ ИСПЫТАНИЙ № | |||
| Цель испытания | |||
| Объект испытаний Тип колеса | |||
| Номер чертежа | |||
| Количество и обозначение | |||
| Химический состав сплава | |||
| Данные о механических свойствах материала | |||
|
| |||
| Нормативно-техническая документация | |||
|
| |||
| Дополнительные условия к испытаниям | |||
|
| |||
| Результаты испытаний | |||
|
| |||
|
| |||
| Заключение | |||
|
| |||
|
| |||
|
| |||
| Дата испытания | Испытание провел | ||
|
| Название лаборатории | Протокол № ___________ Лист 2 Всего листов 5 | |
| ИСПЫТАНИЕ НА УСТАЛОСТЬ ПРИ ИЗГИБЕ С ВРАЩЕНИЕМ ТИП КОЛЕСА | |||
| Количество и обозначение | |||
|
| |||
|
| Схема нагружения и величина нагрузки Расчетный изгибающий момент____________________________ Нагрузка Р_____________________________________________ Плечо_________________________________________________ Число циклов нагружения_________________________________
| ||
| Номер колеса | Число циклов | Результат испытания | Примечание |
|
|
|
|
|
|
|
|
|
|
|
|
|
|
|
|
|
|
|
|
|
|
|
|
|
| Заключение | Вид разрушения | ||
| Дата испытания | Испытания провел | ||
|
| Название лаборатории | Протокол № ___________ Лист 3 Всего листов 5 | |||
| ИСПЫТАНИЕ НА УСТАЛОСТЬ ПРИ ДИНАМИЧЕСКОЙ РАДИАЛЬНОЙ НАГРУЗКЕ ТИП КОЛЕСА | |||||
| Количество и обозначение | |||||
|
| |||||
| Схема нагружения и величина нагрузки
Нагрузка Пробег (число оборотов)
| |||||
| Номер колеса | Пробег | Результат испытания |
| Примечание | |
|
|
|
|
|
| |
|
|
|
|
|
| |
|
|
|
|
|
| |
|
|
|
|
|
| |
|
|
|
|
|
| |
| Заключение | Вид разрушения | ||||
| Дата испытания | Испытания провел Начальник лаборатории | ||||
|
| Название лаборатории | Протокол № ___________ Лист 4 Всего листов 5 | ||||
| ИСПЫТАНИЕ НА КОСОЙ УДАР ТИП КОЛЕСА | ||||||
| Количество и обозначение | ||||||
|
| ||||||
| Схема нагружения и величина нагрузки
Тип шины_____________________________________________
| ||||||
| Номер колеса | Высота | Давление в шине | Результат испытания | |||
| до испытания | после испытания | |||||
|
|
|
|
|
| ||
|
|
|
|
|
| ||
|
|
|
|
|
| ||
|
|
|
|
|
| ||
| Заключение | Вид разрушения | |||||
| Дата испытания | Испытания провел Начальник лаборатории | |||||
|
| Название лаборатории | Протокол № ___________ Лист 5 Всего листов 5 | ||
| ИСПЫТАНИЕ НА ВДАВЛИВАНИЕ ТИП КОЛЕСА | ||||
| Количество и обозначение | ||||
|
| ||||
| Схема нагружения и величина нагрузки
| ||||
| Номер колеса | Нагрузка | Результат испытания | Примечание | |
|
|
|
|
| |
|
|
|
|
| |
|
|
|
|
| |
|
|
|
|
| |
| Заключение | Вид разрушения | |||
| Дата испытания | Испытания провел Начальник лаборатории | |||