Стандарт устанавливает состав и правила оформления рабочей документации проводных средств связи для объектов строительства различного назначения и распространяется на проектирование объектов проводной связи.
| Обозначение: | ГОСТ Р 21.1703-2000 |
| Название рус.: | Система проектной документации для строительства. Правила выполнения рабочей документации проводных средств связи |
| Статус: | введен впервые |
| Дата актуализации текста: | 05.05.2017 |
| Дата добавления в базу: | 01.09.2013 |
| Дата введения в действие: | 01.11.2000 |
| Утвержден: | 24.08.2000 Госстрой России (Russian Federation Gosstroy 83) |
| Опубликован: | ГП ЦНС (2001 г. ) |
| Ссылки для скачивания: |
ГОСТ Р 21.1703-2000
ГОСУДАРСТВЕННЫЙ СТАНДАРТ РОССИЙСКОЙ ФЕДЕРАЦИИ
Система проектной документации для строительства
ПРАВИЛА ВЫПОЛНЕНИЯ РАБОЧЕЙ ДОКУМЕНТАЦИИ ПРОВОДНЫХ СРЕДСТВ СВЯЗИ
ГОССТРОЙ РОССИИ
МОСКВА
Предисловие
1 РАЗРАБОТАН Открытым акционерным обществом ГИПРОСВЯЗЬ и Государственным предприятием - Центр методологии нормирования и стандартизации в строительстве (ГП ЦНС) Госстроя России
ВНЕСЕН Управлением научно-технической политики и проектно-изыскательских работ Госстроя России и Научно-техническим управлением Минсвязи России
2 ВВЕДЕН В ДЕЙСТВИЕ в качестве государственного стандарта Российской Федерации постановлением Госстроя России от 24.08.00 № 83
3 ВВЕДЕН ВПЕРВЫЕ
СОДЕРЖАНИЕ
ГОСТ Р 21.1703-2000
ГОСУДАРСТВЕННЫЙ СТАНДАРТ РОССИЙСКОЙ ФЕДЕРАЦИИ
Система проектной документации для строительства
ПРАВИЛА ВЫПОЛНЕНИЯ РАБОЧЕЙ ДОКУМЕНТАЦИИ ПРОВОДНЫХ СРЕДСТВ СВЯЗИ
System of design documents for construction
RULES OF EXECUTING OF WORKING DOCUMENTS FOR WIRE COMMUNICATION SYSTEMS
Дата введения 01-11-2000
Настоящий стандарт устанавливает состав и правила оформления рабочей документации проводных средств связи для объектов строительства различного назначения и распространяется на проектирование объектов проводной связи.
В настоящем стандарте использованы ссылки на следующие стандарты:
ГОСТ 2.301-68 ЕСКД. Форматы
ГОСТ 2.303-68 ЕСКД. Линии
ГОСТ 2.701-84 ЕСКД. Схемы. Виды и типы. Общие требования к выполнению
ГОСТ 21.101-97 СПДС. Основные требования к проектной и рабочей документации
ГОСТ 21.110-95 СПДС. Правила выполнения спецификации оборудования, изделий и материалов
ГОСТ 21.114-95 СПДС. Правила выполнения эскизных чертежей общих видов нетиповых изделий
ГОСТ 21.302-96 СПДС. Условные графические обозначения в документации по инженерно-геологическим изысканиям
ГОСТ 21.406-88 СПДС. Проводные средства связи. Обозначения условные графические на схемах и планах
3.1 Рабочую документацию проводных средств связи выполняют в соответствии с требованиями настоящего стандарта, других стандартов Системы проектной документации для строительства (СПДС) и Единой системы конструкторской документации (ЕСКД).
3.2 В состав рабочей документации проводных средств связи (ПСС), в общем случае, включают:
- рабочие чертежи, предназначенные для производства строительных и монтажных работ (основные комплекты рабочих чертежей ПСС, перечень и марки которых приведены в приложении А);
- спецификацию оборудования, изделий и материалов по ГОСТ 21.110;
- эскизные чертежи общих видов нетиповых изделий и устройств по ГОСТ 21.114;
- сметная документация.
3.3 Состав рабочих чертежей ПСС приведен в приложении Б.
3.4 При малом количестве рабочих чертежей различных марок и выполнении строительно-монтажных работ одной организацией допускается объединять чертежи в один основной комплект с присвоением ему марки, соответствующей преобладающим рабочим чертежам комплекта.
3.5 Для объектов связи, в которых применены принципиально новые технические средства связи или импортное оборудование, состав рабочих чертежей может уточняться по согласованию с заказчиком и строительно-монтажными организациями.
3.6 Условные обозначения и сокращения, применяемые на рабочих чертежах, должны соответствовать ГОСТ 21.406, ГОСТ 21.302, типы линий - ГОСТ 2.303, форматы - ГОСТ 2.301.
3.7 Длину линейных сооружений связи и размеры на изображениях указывают в метрах с точностью до одного знака после запятой, глубину заложения колодцев, труб, кабелей и другие отметки уровней - в метрах с точностью до двух знаков после запятой.
Размеры и привязки в зданиях и сооружениях указывают в миллиметрах, отметки - в метрах с точностью до третьего знака после запятой.
На ситуационных планах трассы линии связи размеры указывают в километрах с точностью до одного знака после запятой.
Общие данные по рабочим чертежам выполняют по ГОСТ 21.101. В общих указаниях в дополнение к сведениям, предусмотренным ГОСТ 21.101, приводят:
- указания об обеспечении безопасности при производстве работ по прокладке кабелей на пересечениях или при параллельной прокладке с другими подземными коммуникациями (трубопроводами высокого давления, электросиловыми кабелями и т.п.);
- указания о необходимости вызова владельцев сооружений, в зоне которых осуществляют производство работ;
- указания о глубине прокладки кабеля;
- сведения о согласованиях с заинтересованными организациями.
Ситуационный план трассы линии передачи
5.1 Ситуационный план трассы линии передачи на загородном участке выполняют на карте в масштабе 1:50 000 или 1:100 000.
На плане показывают:
- кабельную или воздушную линию передачи;
- границы и наименования административных делений территории, по которой проходят линии передачи;
- пересечения с реками, магистральными продуктопроводами, водоводами, силовыми кабелями, магистральными кабельными линиями передачи, железными дорогами, ЛЭП напряжением 35 кВ и выше:
- ЛЭП напряжением 35 кВ и выше - для кабельной линии передачи, ЛЭП 10 кВ и выше - для воздушной линии передачи (при их сближении с линией передачи);
- электрифицированные железные дороги переменного тока (при их сближении с линией передачи);
- тип кабеля.
Пример выполнения ситуационного плана трассы кабельной линии передачи на загородном участке приведен в приложении В.
5.2 Ситуационный план трассы линии передачи на городском участке выполняют на карте в масштабе 1:10000 или 1:5000. На плане показывают:
- существующую и проектируемую кабельную канализацию, ее емкость и номера кабельных колодцев;
- трассу прокладки проектируемого кабеля связи (в канализации и грунте);
- длину участков трассы;
- тип кабеля.
Пример выполнения ситуационного плана трассы кабельной линии передачи на городском участке приведен в приложении Г.
План трассы кабельной линии передачи на загородном участке
5.3 План трассы кабельной линии передачи выполняют на инженерно-топографическом плане в масштабе 1:2000 (при прохождении трассы через сельские населенные пункты- в масштабе 1:1000).
На плане показывают:
- трассу прокладки кабеля связи и троса (для защиты кабеля от ударов молнии) с размерами до постоянных местных ориентиров и указанием пикетажа;
- марки кабеля и троса;
- пикеты;
- наименования землевладельцев и землепользователей и границы их территорий;
- профили переходов через второстепенные автомобильные дороги, овраги, каналы, ручьи, трубопроводы и другие преграды при выполнении работ открытым способом с указанием глубины заложения кабеля;
- необслуживаемые регенерационные (усилительные) пункты (НРП, НУП) с указанием их номеров;
- предупреждающие надписи об осторожности проведения работ на пересечениях кабеля связи с подземными коммуникациями (при необходимости).
5.4 Под планом трассы кабельной линии передачи приводят таблицу основных данных для прокладки кабеля по форме 1.

Пример выполнения плана трассы кабельной линии передачи на загородном участке приведен в приложении Д.
План трассы воздушной линии передачи
5.5 План трассы воздушной линии передачи выполняют на инженерно-топографическом плане в масштабе 1:10 000 (при прохождении трассы через населенные пункты - в масштабах 1:500 - 1:5 000).
На плане показывают:
- трассу воздушной линии передачи с размерами до постоянных местных ориентиров, марки подвешиваемых проводов, кабеля и троса:
- опоры, их высоту и профиль;
- пикеты.
План кабельной канализации на городском участке
5.6 План кабельной канализации или кабелей связи (в грунте) выполняют на инженерно-топографическом плане в масштабе 1:500. В населенных пунктах без подземных коммуникаций допускается применять масштаб 1:1000.
На плане показывают:
- трассу проектируемой кабельной канализации (кабелей), проектируемые наземные и подземные линейно-кабельные сооружения связи с указанием размеров до постоянных местных ориентиров;
- участок, подлежащий шурфованию (при отсутствии сведений о величине заглубления подземных коммуникаций);
- разрез траншеи (выполняют при отсутствии продольного профиля) с указанием глубины заложения кабельной канализации (для нетиповых блоков при прокладке труб или при прокладке бронированных кабелей);
- количество каналов (емкость блока) кабельной канализации;
- номера и типы колодцев (в т.ч. колодцев для размещения НРП);
- расстояния между колодцами.
Продольный профиль кабельной канализации
5.7 Продольный профиль кабельной канализации выполняют при наличии по трассе большого количества подземных коммуникаций в масштабе 1:500 по горизонтали и 1:100 по вертикали.
На продольном профиле изображают блок кабельной канализации, указывают глубину его заложения и пересечение с другими подземными коммуникациями.
Под продольным профилем приводят таблицу по форме 2.

Пример выполнения плана и продольного профиля кабельной канализации приведен в приложении Е.
План и продольный профиль кабельного перехода через транспортные и другие сооружения
5.8 План кабельного перехода выполняют на инженерно-топографической подоснове в масштабе 1:500, продольный профиль - в масштабе 1:100 по горизонтали и по вертикали, или в масштабе 1:200 - при применении устройства горизонтально-направленного бурения (УГНБ).
План и продольный профиль приводят, как правило, на одном листе, при применении УГНБ - на отдельных листах.
5.9 На плане показывают:
- размеры от перехода до указателей километров или пикетов, а при их отсутствии до постоянных местных ориентиров;
- котлованы для горизонтального бурения, точки входа и выхода буровой головки УГНБ, угол бурения;
- количество, длину, диаметр и материал труб;
- марку кабеля.
5.10 Под продольным профилем помещают таблицу по форме 3.

Пример выполнения плана и продольного профиля кабельного перехода через автодорогу приведен в приложении Ж.
План и продольный профиль кабельного перехода через несудоходные водные преграды
5.11 План перехода выполняют на инженерно-топографической подоснове в масштабах 1:500 - 1:2000. Продольный профиль выполняют: по горизонтали - в масштабе топографической съемки, по вертикали - в масштабе 1:100, 1:200.
5.12 На плане показывают:
- размеры от перехода до постоянных местных ориентиров;
- пикеты;
- точки входа и выхода буровой головки (при применении УГНБ);
- марку кабеля.
5.13 На продольном профиле показывают:
- отметки рельефа и дна реки;
- проектные отметки и глубину заложения кабеля, труб (для УГНБ) с указанием их количества, материала и диаметра;
- расстояния между точками перелома продольного профиля;
- точку и угол бурения (для УГНБ);
- обозначение грунтов;
- участки по способу прокладки кабеля.
Под продольным профилем помещают таблицу по форме 3.
Пример выполнения плана и продольного профиля кабельного перехода через несудоходную реку приведен в приложении И.
План и продольный профиль кабельного перехода через судоходные реки и водохранилища
5.14 План перехода выполняют на инженерно-топографической подоснове в масштабах 1:500 - 1:5000. Продольный профиль выполняют: по горизонтали - в масштабе топографической съемки, по вертикали в масштабе 1:100 - 1:200.
5.15 На плане показывают:
- размеры от перехода до указателей километров или пикетов, а при их отсутствии до постоянных местных ориентиров;
- точки входа и выхода буровой головки (при УГНБ);
- место расположения перехода;
- количество створов и кабелей в каждом из них;
- марку кабеля;
- пикеты.
5.16 На продольном профиле показывают:
- отметки рельефа, дна реки, дна подводной траншеи и верха ее засыпки;
- границы работ и уровни горизонта воды;
- точку и угол бурения (при УГНБ).
Под продольным профилем приводят таблицу по форме 3.
План площадки НРП (НУП)
5.17 План трассы кабелей и заземляющего устройства на площадке НРП (НУП) выполняют на инженерно-топографическом плане в масштабе 1:500. На плане показывают:
- НРП (НУП) с размерами до постоянных местных ориентиров;
- трассы кабелей на площадке;
- марки кабелей и длину кабеля для подключения к НРП (НУП) заземляющего устройства;
- элементы заземляющего устройства;
- тип, количество и длину заземлителей;
- блоки термодатчиков автоматической регулировки уровня (при их наличии).
5.18 При установке НРП (НУП) контейнерного типа в колодцах кабельной канализации допускается трассы кабелей и заземляющего устройства показывать на планах кабельной канализации.
Пример выполнения плана трасс кабелей и заземляющего устройства на площадке НРП (НУП) приведен в приложении К.
План расположения кабелей на объектах проводной связи
5.19 План расположения кабелей на объектах проводной связи (в зданиях станций и узлов) - автоматических телефонных станций (АТС), междугородных автоматических станций (МТС), обслуживаемых усилительных пунктах (ОУП) выполняют в масштабах 1:20 или 1:50.
На плане показывают:
- трассы линейных и распределительных кабелей по помещениям здания;
- изолирующие, разветвительные, газонепроницаемые муфты, оконечные кабельные устройства и оборудование для содержания кабелей под избыточным газовым давлением;
- марки кабелей.
5.20 К плану расположения кабелей связи, при необходимости, выполняют:
- схемы распайки линейных кабелей и включения их в оконечные устройства;
- сечения, фрагменты, узлы.
Схема расположения кабелей связи в коллекторе
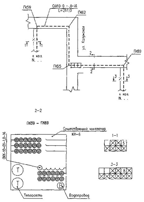
5.21 На схеме расположения кабелей связи в коллекторе показывают:
- трассу кабеля связи;
- марку кабеля и длину участка прокладки;
- пикеты;
- наименование улиц города;
- разрезы блоков кабельной канализации при входе в коллектор с указанием мест прокладки кабелей.
Пример выполнения схемы расположения кабелей связи в коллекторе приведен в приложении Л.
Схема расположения кабелей связи в кабельной канализации
5.22 На схеме расположения кабелей связи в кабельной канализации показывают:
- марки проектируемых кабелей;
- номера кабельных колодцев;
- расстояния между кабельными колодцами;
- число каналов (емкость блока) кабельной канализации;
- номер канала, в котором прокладывают проектируемый кабель;
- тип системы передачи (при необходимости);
- тип и номера оконечных устройств, в которые включают проектируемые кабели;
- наименование улиц города.
Пример выполнения схемы расположения кабелей связи в кабельной канализации приведен в приложении М.
5.23 Для кабелей межузловой и межстанционной связи с цифровыми системами передачи, при необходимости, выполняют схему расположения НРП.
На схеме показывают:
- колодцы для размещения оборудования НРП и их адрес;
- номера существующих колодцев кабельной канализации, около которых предусмотрено их строительство;
- расстояния между НРП;
- номера (индексы) АТС, между которыми организуют системы передачи, тип системы передачи.
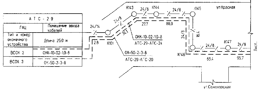
Схема расположения магистральных участков абонентской сети АТС
5.24. На схеме расположения магистральных участков абонентской сети АТС показывают:
- кабели связи от линейной стороны кросса телефонной станции до распределительных шкафов;
- кабели прямого питания от АТС;
- кабели связи между шкафами;
- кросс с обозначением номера АТС, типа, емкости, диаметров жил и номеров вводимых в кросс кабелей;
- защитную полосу и ее номер в кроссе (при необходимости);
- место прокладки кабеля (коллектор, кабельная канализация, фунт);
- емкость кабельной канализации, в которой прокладывают кабель;
- номер занимаемого канала;
- номера кабельных колодцев, а также расстояния между ними;
- распределительные шкафы с боксами и их номера.
Допускается суммирование пролетов кабельной канализации, имеющих одинаковые блоки труб и загрузку, например: 75 + 39 + 115.
Пример выполнения схемы расположения магистральных участков абонентской сети АТС приведен в приложении Н.
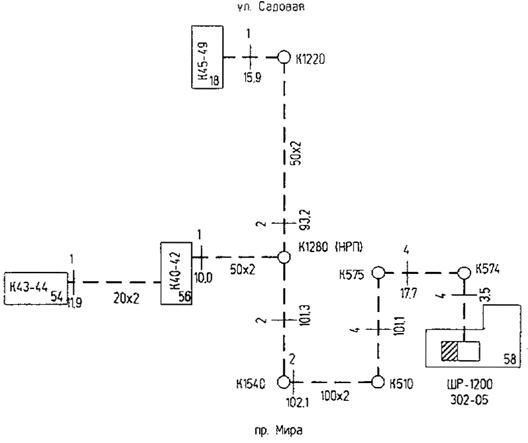
Схема расположения распределительных участков абонентской сети
5.25 Схему расположения распределительных участков абонентской сети выполняют с соблюдением взаимного расположения зданий, улиц, проездов и пропорциональности длины участков.
На схеме показывают:
- распределительный шкаф, его номер и емкость;
- наименования улиц, проездов и номера зданий;
- марки кабелей и место прокладки (коллектор, кабельная канализация, грунт, воздушная линия связи);
- номера распределительных коробок в здании;
- номера кабельных колодцев, расстояние между ними;
- емкость кабельной канализации;
- муфты разветвительные (при необходимости).
Пример выполнения схемы расположения распределительных участков абонентской сети приведен в приложении П.
Схема расположения распределительной сети в зданиях
5.26 Схему расположения распределительной сети в зданиях выполняют отдельно или совмещают со схемой распределительных участков абонентской сети.
На схеме показывают:
- адрес здания;
- места ввода кабелей, емкость вводного блока труб;
- емкость вводимых кабелей;
- распределительные коробки;
- марки и длины распределительных кабелей.
Пример выполнения схемы расположения распределительной сети в здании приведен в приложении Р.
Ситуационная схема электрохимической защиты кабелей связи
5.27 На ситуационной схеме электрохимической защиты кабелей связи показывают:
- коррозионные участки на кабельной линии связи, подлежащие электрохимической защите;
- наименование территории (административное, землепользователей);
- подземные металлические сооружения в зоне защиты;
- существующие и ранее запроектированные электрозащитные устройства на смежных подземных металлических коммуникациях;
- элементы электрохимической защиты кабелей связи;
- пункты измерений.
Схема расположения элементов электрохимической защиты кабелей связи
5.28 Схему расположения элементов электрохимической защиты кабелей связи от коррозии выполняют на инженерно-топографическом плане в масштабе 1:500 или 1:1000.
На схеме показывают:
- трассу защищаемой кабельной линии связи;
- электрозащитные установки с указанием размеров до местных ориентиров;
- трассы дренажных кабелей, линии электроснабжения, а также контактные устройства подключения коммуникаций с указанием размеров до местных ориентиров;
- марки кабелей и тип оборудования.
5.29 Схему и продольный профиль переходов кабелей электрозащиты через сооружения транспорта и водные потоки выполняют в соответствии с 5.8-5.16.
Принципиальная схема электрохимической защиты кабелей связи
5.30 Принципиальную схему электрохимической защиты кабелей связи выполняют по ГОСТ 2.701 с учетом требований настоящего стандарта. Перечень элементов не составляют.
На схеме показывают взаимосвязь электрозащитных установок с элементами электрохимической защиты и защищаемыми коммуникациями.
Допускается принципиальную схему электрохимической защиты совмещать со схемой расположения элементов электрохимической защиты.
Схема организации связи
6.1 На схеме организации связи показывают аппаратуру станционной связи и соединения между ней, а также связь данного объекта проводной линии связи с другими объектами сети связи.
Пример выполнения схемы организации связи в линейно-аппаратном цехе (ЛАЦ) приведен в приложении С.
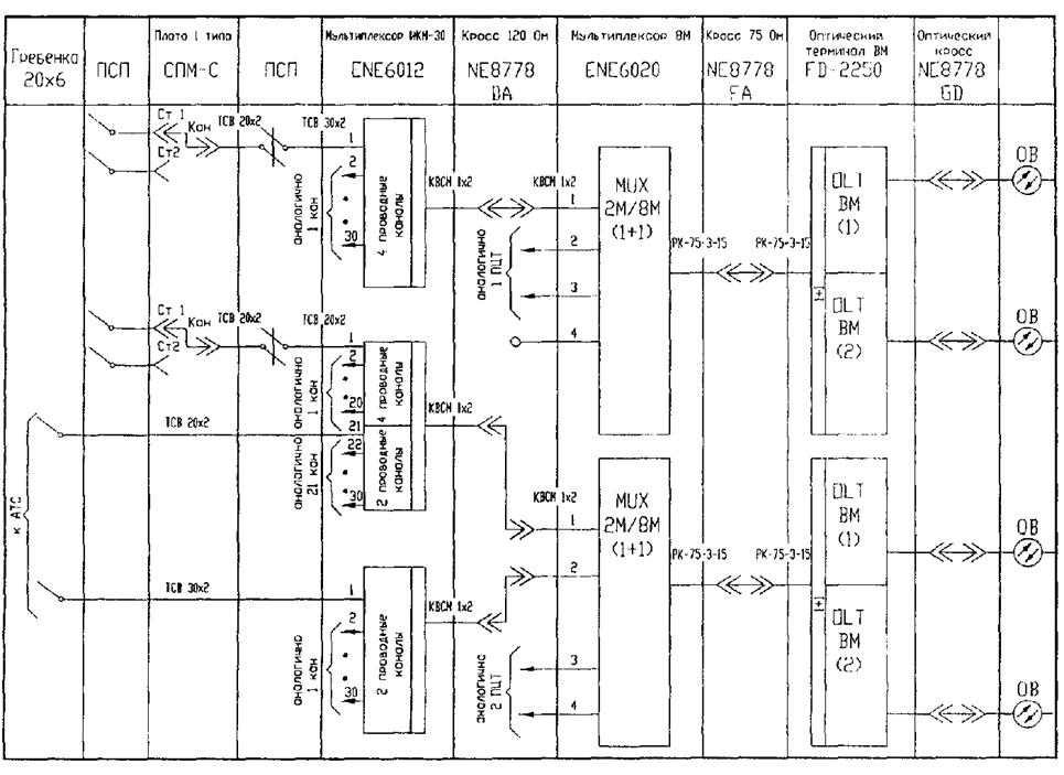
Схема прохождения трактов и каналов систем передачи
6.2 На схеме прохождения трактов и каналов систем передачи объектов связи магистральной и внутризоновых сетей показывают взаимосвязь отдельных видов аппаратуры ЛАЦ данного узла между собой.
Пример выполнения схемы прохождения трактов и каналов систем передачи приведен в приложении Т.
На схеме прохождения трактов городских (местных) телефонных сетей показывают взаимосвязь систем передачи между собой на отдельном участке или на направлении межузловой (межстанционной) связи.
На схеме указывают:
- номера оконечных и промежуточных ЛАЦ;
- тип и номер системы передачи;
- тип и номер вводного оборудования;
- направление дистанционного питания;
- тип и номера линейных кабелей;
- НРП и их адреса.
План расположения оборудования
6.3 План расположения оборудования выполняют, как правило, на поэтажных планах зданий в масштабах 1:100 или 1:200.
Фрагменты планов расположения оборудования отдельных цехов и служб выполняют в масштабах 1:50 или 1:100 (в отдельных случаях применяют масштаб 1:20).
6.4 Оборудование на планах размещения наносят в виде упрощенного контурного изображения в масштабе чертежа.
6.5 Обозначение оборудования указывают внутри контура или на полке линии-выноски.
Допускается присваивать оборудованию цифровое обозначение с расшифровкой его наименования на поле чертежа.
6.6 На плане расположения оборудования указывают:
- размеры от оборудования до строительных конструкций;
- расстояния между координационными осями здания;
- расстояния между оборудованием (рядами оборудования) или между осями рядов оборудования;
- отметку чистого пола (для существующих зданий допускается указывать этаж);
- направление взгляда на лицевую сторону оборудования (стрелкой);
- наименования помещений, в т.ч. смежных (при насыщенном плане указывают в экспликации);
- вводы линейных, станционных и питающих кабелей.
6.7 На плане расположения показывают технологическое оборудование и инженерное оборудование здания, влияющее на условия расположения проектируемого оборудования.
6.8 В случае установки нескольких однотипных стоек или стативов допускается указывать их порядковые номера. При этом обозначение стоек (стативов) приводят над обозначением однотипного оборудования, указываемым по ГОСТ 21.406 (таблица 9).
6.9 При установке оборудования выше отметки пола на полке линии-выноски указывают обозначение оборудования, под полкой - отметку низа оборудования.
Пример выполнения плана расположения оборудования приведен в приложении У.
Таблица и схема кабельных соединений
6.10 В зависимости от вида сооружения связи выполняют таблицу или схему кабельных соединений по ГОСТ 2.701 с учетом следующих дополнений.
В таблице и на схеме приводят сведения, необходимые для прокладки и монтажа кабелей.
Форму таблицы кабельных соединений принимают с учетом сведений, которые необходимо в ней поместить.
В таблице, как правило, указывают:
- порядковый или установленный номер кабеля;
- назначение кабеля;
- направление прокладки кабеля - откуда идет и куда поступает, наименование или обозначение оборудования, а также места подключения (распайки) жил кабеля, обозначение гребенок, плинтов и т.п. (если схемы подключения не составляют);
- марку кабеля;
- количество кусков кабеля и расчетную длину.
К порядковому номеру кабеля, прокладываемого в общем потоке, допускается добавление цифровых или буквенных индексов, обозначающих назначение кабеля и вид работ. При больших потоках кабелей (например, для АТС) порядковый номер им допускается не присваивать
Пример выполнения таблицы кабельных соединений линейной проводки телеграфной станции приведен в приложении Ф.
Структурные и функциональные схемы коммутационных станций и узлов
6.11 На структурной (функциональной) схеме коммутационной станции показывают электрическую взаимосвязь отдельных элементов оборудования станции и их обозначения, точки переключения и коммутации, другие элементы, определяющие принцип построения и монтажа станции данного типа, а также прохождение трактов и каналов внутри узла.
6.12 На структурной (функциональной) схеме узла городской телефонной сети (узел исходящего соединения УИС и узел входящего соединения УВС), кроме указанного в 6.11, приводят точки подключения (номера направлений) к АТС данного узлового района и количество соединительных линий (каналов) к каждой из АТС на проектируемый период.
Пример выполнения структурной схемы приведен в приложении X.
Схема подключения кабелей к аппаратуре
6.13 Схему подключения составляют в дополнение к таблице (схеме) кабельных соединений.
На схеме подключения изображают гребенки, штифты, клеммы, разъемы отдельных видов оборудования, номера, марки подводимых к аппаратуре кабелей и принцип их распайки.
Схему подключения допускается выполнять в виде таблицы. Пример выполнения схемы подключения приведен в приложении Ц.
Схема размещения комплектов на аппаратуре
6.14 Схему размещения комплектов на аппаратуре составляют, когда применен переменный набор блоков на аппаратуре (например, для аппаратуры переключения, коммутаторного оборудования и др.).
Пример выполнения схемы размещения комплектов на аппаратуре приведен в приложении Ш.
Таблица и схема кроссировочных соединений на промежуточных щитах (стойках, кроссах)
6.15 На схеме (таблице) кроссировочных соединений изображают принцип соединений отдельных ступеней коммутационного оборудования телефонных и телеграфных станций между собой через промежуточные щиты или отдельных видов аппаратуры систем передачи между собой через стойки переключений.
Форму таблицы выбирают в зависимости от типа оборудования.
На схеме (таблице) кроссировочных соединений указывают номера гребенок, рамок и штифтов на них (для схемы - гребенок, рамок) и принцип (схему) соединения штифтов между собой.
Для простых кроссировок (полнодоступного включения, прямых) составляют, как правило, таблицы, для сложных кроссировок (неполнодоступного включения, ступенчатых) - схемы или таблицы.
Примеры выполнения схемы и таблицы кроссировочных соединений для АТС, приведены в приложениях Щ и Э.
Схема расположения сети связи в здании
7.1 Схему расположения сети связи выполняют к каждому зданию и каждой сети. При небольшом объеме различных сетей допускается совмещать их на одном листе.
На схеме показывают:
- номера этажей;
- стояки вертикальных проводок;
- распределительные устройства, их номера и количество подключаемых абонентских устройств;
- кабели и провода, их марки, длины и кабельные муфты;
- абонентские устройства по этажам здания, их количество.
План каналов скрытых проводок и абонентских устройств
7.2 Планы каналов скрытых проводок и абонентских устройств выполняют на поэтажных планах зданий.
На плане показывают:
- трассы прокладки труб, диаметры и длины труб и их количество;
- расстояния между координационными осями;
- отметки чистого пола;
- подпольные коробки;
- абонентские устройства с указанием номеров распределительных устройств, к которым их подключают;
- абонентские устройства или розетки, в которые их включают, и размерные привязки выводов труб к ним.
Пример выполнения плана каналов скрытой проводки и абонентских устройств приведен в приложении Ю.
7.3 Планы прокладки кабелей в настенных и плинтусных пластиковых коробах выполняются на поэтажных планах зданий аналогично 7.2.
8.1 Спецификацию оборудования, изделий и материалов (далее - Спецификация) выполняют в соответствии с ГОСТ 21.110с учетом следующих особенностей:
8.2 Состав включаемых в Спецификацию оборудования, изделий и материалов уточняют в зависимости от вида и сооружения связи.
8.3 Спецификацию, как правило, составляют по разделам:
- оборудование, включая запасные изделия и принадлежности (ЗИП);
- измерительная аппаратура;
- мебель, инструмент, инвентарь;
- кабели, провода, шнуры и шины;
- изделия и материалы.
Разделы при необходимости делятся на подразделы, например, в разделе оборудования могут быть следующие подразделы:
- комплекты оборудования, установки (блоки);
- щиты, пульты;
- аппараты и т.д.
8.4 В Спецификацию не включают отдельные виды изделий и материалов массового производства, номенклатуру и количество которых определяют по действующим технологическим нормам. К таким изделиям и материалам могут быть отнесены: патрубки вводные, гайки, шайбы, тройники, угольники, муфты, дюбели, скобы, электроды для сварки, пробки, волокно, пакля, ветошь и т.п.
8.5 В Спецификации принимают следующие единицы измерений:
- оборудование, установки (блоки), аппараты, приборы, мебель, инвентарь и др. изделия - шт.;
- кабели, провода, трубы - м;
- изоляционные материалы - м2;
- щебень, песок - м3;
- др. материалы - кг.
|
Наименование основного комплекта рабочих чертежей |
Марка |
|
1. ПСС линейных сооружений: |
|
|
- магистральной первичной сети |
ЛМ |
|
- внутризоновой первичной сети |
ЛЗ |
|
- городской первичной сети |
ЛГ |
|
- сельской первичной сети |
ЛС |
|
2. ПСС коммутационных цехов телефонных станций: |
|
|
- междугородных |
МС |
|
- городских |
СГ |
|
- сельских |
ССТ |
|
- учрежденческих |
СУ |
|
3. ПСС телеграфных станций и узлов |
СТ |
|
4. ПСС сетей передачи данных |
ПД |
|
5. ПСС линейно-аппаратных цехов станций и узлов |
ЛА |
|
6. ПСС пунктов передачи и приема газет |
ПГ |
|
7. ПСС необслуживаемых регенерационных (усилительных) пунктов |
НП |
|
8. ПСС внутренних сетей предприятий и организаций |
СС |
Таблица Б
|
Наименование рабочего чертежа |
Марка основного комплекта |
Примечание |
|||||||||||||
|
ЛМ |
лз |
лг |
лс |
мс |
сг |
Сст |
СУ |
ст |
пд |
ЛА |
пг |
нп |
СС |
||
|
1 Общие данные по рабочим чертежам |
|
|
|
|
|
|
|
|
|
|
|
|
|
|
|
|
2 Ситуационный план трассы кабельной линии передачи: |
|||||||||||||||
|
- на загородном участке |
|
|
- |
0 |
- |
- |
- |
- |
- |
- |
- |
- |
- |
- |
На каждый участок трассы |
|
- на городском участке |
|
0 |
- |
0 |
- |
- |
- |
- |
- |
- |
- |
- |
- |
- |
На каждый город, поселок |
|
3 План трассы кабельной линии передачи на загородном участке |
|
|
- |
0 |
- |
- |
- |
- |
- |
- |
- |
- |
- |
- |
На каждый участок трассы |
|
4 План трассы воздушной линии передачи |
- |
- |
0 |
0 |
- |
- |
- |
- |
- |
- |
- |
- |
- |
-0 |
То же |
|
5 План кабельной канализации и кабелей связи на городском участке |
|
|
|
0 |
- |
- |
- |
- |
- |
- |
- |
- |
- |
0 |
На каждый город, поселок или участок трассы |
|
6 Продольный профиль кабельной канализации |
0 |
0 |
0 |
0 |
- |
- |
- |
- |
- |
- |
- |
- |
- |
0 |
Допускается выполнять на одном чертеже с планом расположе |
|
7 План и профиль кабельного перехода: |
|||||||||||||||
|
- через сооружения транспорта и другие сооружения |
|
|
0 |
0 |
- |
- |
- |
- |
- |
- |
- |
- |
- |
0 |
На каждый переход |
|
- через несудоходные водные преграды |
|
|
0 |
0 |
- |
- |
- |
- |
- |
- |
- |
- |
- |
- |
На каждый переход |
|
- через судоходные водные преграды |
0 |
0 |
0 |
- |
- |
- |
- |
- |
- |
- |
- |
- |
- |
- |
То же |
|
8 План площадки НРП (НУП) |
|
|
|
0 |
- |
- |
- |
- |
- |
- |
- |
- |
- |
- |
На каждый НРП (НУП) |
|
9 План расположения кабелей связи в зданиях узлов и станций |
|
|
|
0 |
- |
- |
- |
- |
- |
- |
- |
- |
- |
- |
На каждое здание. В типовых проектах планы вводов кабелей отдельно не разрабатывают, а совмещают с планами расположения оборудования или др. чертежами |
|
10 Схема расположения кабелей связи в коллекторе |
|
|
|
0 |
- |
- |
- |
- |
- |
- |
- |
- |
- |
0 |
|
|
11 Схема расположения кабелей связи в кабельной канализации |
|
|
|
0 |
- |
- |
- |
- |
- |
- |
- |
- |
- |
0 |
|
|
12 Схема расположения магистральных участков абонентской сети АТС |
- |
- |
|
|
- |
- |
- |
- |
- |
- |
- |
- |
- |
0 |
|
|
13 Схема расположения распределительных участков абонентской сети |
- |
- |
|
0 |
- |
- |
- |
- |
- |
- |
- |
- |
- |
0 |
На каждый шкафной район |
|
14 Схема расположения распределительной сети в зданиях |
- |
- |
0 |
0 |
- |
- |
- |
- |
- |
- |
- |
- |
- |
0 |
На каждый шкаф. Выполняют в произвольной форме |
|
15 Схема кабельного ввода |
- |
- |
|
|
- |
- |
- |
- |
- |
- |
- |
- |
- |
- |
На каждое здание |
|
16 Ситуационная схема электрохимической защиты на коррозионных участках |
0 |
0 |
0 |
0 |
- |
- |
- |
- |
- |
- |
- |
- |
- |
0 |
На каждый коррозионный участок |
|
17 Схема расположения элементов электрохимической защиты |
0 |
0 |
0 |
0 |
- |
- |
- |
- |
- |
- |
- |
- |
- |
0 |
На каждую электрозащитную установку |
|
18 Принципиальная схема электрохимической защиты |
0 |
0 |
0 |
0 |
- |
- |
- |
- |
- |
- |
- |
- |
- |
0 |
На каждую электрозащитную установку |
|
19 Схема организации связи |
- |
- |
- |
- |
0 |
0 |
0 |
0 |
- |
0 |
|
0 |
0 |
0 |
На каждый пункт, направление |
|
20 Схема прохождения трактов и каналов систем передачи |
- |
- |
- |
0 |
0 |
0 |
0 |
0 |
0 |
0 |
0 |
- |
0 |
||
|
21 План расположения оборудования |
- |
- |
- |
- |
|
|
|
|
|
|
|
|
0 |
|
На каждый пункт |
|
22 Таблица (схема) кабельных соединений линейной проводки |
- |
- |
- |
- |
|
|
|
|
|
|
|
|
0 |
|
То же |
|
23 Таблица (схема) кабельных соединений токораспределительной сети |
- |
- |
- |
- |
|
|
|
|
|
|
|
|
- |
0 |
«» |
|
24 Структурные (функциональные) схемы коммутационных станций и узлов |
- |
- |
- |
- |
|
|
|
|
|
- |
0 |
0 |
- |
0 |
На каждый пункт |
|
25 Схемы подключения кабелей к аппаратуре |
- |
- |
- |
- |
|
|
|
|
|
|
|
|
0 |
|
На каждый вид аппаратуры |
|
26 Схема размещения комплектов на аппаратуре |
- |
- |
- |
- |
|
|
|
|
0 |
|
0 |
0 |
- |
0 |
На оборудование с переменной комплектацией или схемой использования |
|
27 Схема (таблица) кроссировочньгх соединений на промежуточных щитах |
- |
- |
- |
- |
|
|
|
|
0 |
- |
- |
- |
- |
0 |
|
|
28 Схема расположения сети связи в здании |
- |
- |
- |
- |
- |
- |
- |
- |
- |
- |
- |
- |
- |
|
На каждое здание и каждую сеть в здании |
|
29 План расположения каналов скрытых проводок и абонентских устройств |
- |
- |
- |
- |
- |
- |
- |
- |
- |
- |
- |
- |
- |
0 |
На каждый этаж здания |
Примечания:
1 В таблице приняты следующие условные обозначения:
- чертеж,
наличие которого обязательно в составе основного комплекта рабочих чертежей
0 - чертеж, необходимость выполнения которого определяют в зависимости от характера сооружения и местных условий.
2 Рабочие чертежи переходов через судоходные реки и водохранилища, строительство которых осуществляют специализированные подводно-технические (водолазные) организации с применением средств гидромеханизации и водолазного труда, оформляют отдельными основными комплектами рабочих чертежей.
Саратовская область











1 Проложить кабель типа ТППэп с диаметром жил 0,32 мм указанных емкостей.

1 Проложить кабель типа ТППэп с диаметром жил 0,32 мм указанных емкостей.

1 Проложить кабель типа ТППг с диаметром жил 0,32 мм указанных емкостей





Примечание - ОКСN - общеканальная сигнализация N 7
MFC - многочастотная сигнализация "импортный челнок"
DEC - декадная сигнализация
|
Номер рабочего места |
СКУ-01 № 1 |
|
1 |
R-712 |
|
2 |
ОЛТ-020 (КЛТ-220 № 1, 2) |
|
3 |
ОВГ-25 |
|
4 |
УСО-01 |
|
5 |
|
|
6 |
|
|
7 |
|
|
8 |
|
|
9 |
|
|
10 |
|
|
11 |
|
Номер рабочего места |
СКУ-01 № 2 |
|
1 |
ОПМ-14№ 1 |
|
2 |
ОПМ-14 № 2 |
|
3 |
ОПМ-14 № 3 |
|
4 |
ОПМ-14 № 4 |
|
5 |
ОКС-01 № 5(ОИ) (2 Мбит/с) |
|
6 |
ОПМ-14 № 5 |
|
7 |
ОПМ-14 № 6 |
|
8 |
ОПМ-14 № 7 |
|
9 |
ОПМ-14 № 11 |
|
10 |
|
|
11 |

|
Номер стойки, системы, канала |
Номер рамки и группы штифтов |
||
|
ПЩ ЛАЦ на стороне |
ПЩ1 ГИ |
||
|
поля |
приборов |
приборов |
|
|
1/1/1 |
121/1 |
151/1 |
141/1 |
|
1/1/2 |
121/2 |
151/2 |
141/2 |
|
1/1/3 |
121/3 |
151/3 |
141/3 |
|
1/1/4 |
121/4 |
151/4 |
141/4 |
|
1/1/5 |
121/5 |
151/5 |
141/5 |
|
1/1/6 |
121/6 |
151/6 |
141/6 |
|
1/1/7 |
121/7 |
151/7 |
141/7 |
|
1/1/8 |
121/8 |
151/8 |
141/8 |
|
1/1/9 |
121/9 |
151/9 |
141/9 |
|
1/1/10 |
121/10 |
151/10 |
141/10 |
|
1/1/11 |
121/11 |
151/11 |
141/11 |
|
1/1/12 |
121/12 |
151/12 |
141/12 |
|
1/1/13 |
121/13 |
151/13 |
141/13 |
|
1/1/14 |
121/14 |
151/14 |
141/14 |
|
1/1/15 |
121/15 |
151/15 |
141/15 |
|
1/1/16 |
121/16 |
151/16 |
141/16 |
|
1/1/17 |
121/17 |
151/17 |
141/17 |
|
1/1/18 |
121/18 |
151/18 |
141/18 |
|
1/1/19 |
121/19 |
151/19 |
141/19 |
|
1/1/20 |
121/20 |
151/20 |
141/20 |

1 Розетки установить у выводов труб на высоте 0,15 м от ур. пола
2 У изображения телефонных аппаратов указаны номера коробок и боксов, к которым они должны быть подключены
Ключевые слова: проводные средства связи, рабочие чертежи, линейные сооружения, станционные сооружения, проводные средства связи в зданиях, ситуационный план, план, продольный профиль, поперечный профиль.