Стандарт распространяется на листовые и рулонные материалы - картон-прессшпан и многослойную бумагу электротехнического назначения, окрашенные или натурального цвета, прессованные, каландрированные или некаландрированные, непропитанные. Стандарт не распространяется на соломенный картон и на многослойные картон и бумагу, изготовленные путем склеивания адгезивом двух или нескольких слоев материала.
| Обозначение: | ГОСТ МЭК 60641-2-2006 |
| Название рус.: | Прессшпан и многослойная бумага электротехнического назначения. Часть 2. Методы испытаний |
| Статус: | действует |
| Дата актуализации текста: | 05.05.2017 |
| Дата добавления в базу: | 01.09.2013 |
| Дата введения в действие: | 01.01.2008 |
| Утвержден: | 22.09.2006 Межгосударственный Совет по стандартизации, метрологии и сертификации (Inter-Governmental Council on Standardization, Metrology, and Certification 25)18.05.2007 Федеральное агентство по техническому регулированию и метрологии (95-ст) |
| Опубликован: | Стандартинформ (2007 г. ) |
| Ссылки для скачивания: |
| МЕЖГОСУДАРСТВЕННЫЙ СОВЕТ ПО СТАНДАРТИЗАЦИИ, МЕТРОЛОГИИ И СЕРТИФИКАЦИИ INTERSTATE COUNCIL FOR STANDARDIZATION, METROLOGY AND CERTIFICATION | |
| МЕЖГОСУДАРСТВЕННЫЙ | ГОСТ МЭК |
ПРЕССШПАН ИМНОГОСЛОЙНАЯ БУМАГА ЭЛЕКТРОТЕХНИЧЕСКОГО НАЗНАЧЕНИЯ
Часть 2
Методы испытаний
IEC 60641-2:2004
Pressboard and presspaper for electrical purposes -
Part 2: Methods of tests
(IDT)
|
| Москва |
Цели, основные принципы и основнойпорядок проведения работ по межгосударственной стандартизации установлены ГОСТ1.0-92 «Межгосударственная система стандартизации. Основные положения» и ГОСТ1.2-97 «Межгосударственная система стандартизации. Стандартымежгосударственные, правила и рекомендации по межгосударственнойстандартизации. Порядок разработки, принятия, применения, обновления и отмены»
Сведения о стандарте
1 ПОДГОТОВЛЕН ОАО «Волжскийнаучно-исследовательский институт целлюлозно-бумажной промышленности»,Межгосударственным техническим комитетом по стандартизации МТК 158 «Бумага икартон электроизоляционные» на основе русской версии стандарта, указанного впункте 4
2 ВНЕСЕН Федеральным агентствомпо техническому регулированию и метрологии
3 ПРИНЯТ Межгосударственнымсоветом по стандартизации, метрологии и сертификации (протокол № 25 от 22сентября 2006 г.)
Запринятие стандарта проголосовали:
| Краткое наименование страны по MK (ИСО 3166) 004-97 | Код страны по MK (ИСО 3166) 004-97 | Сокращенное наименование национального органа по стандартизации |
| Азербайджан | AZ | Азстандарт |
| Армения | AM | Минторгэкономразвития |
| Беларусь | BY | Госстандарт Республики Беларусь |
| Грузия | GE | Грузстандарт |
| Казахстан | KZ | Госстандарт Республики Казахстан |
| Кыргызстан | KG | Кыргызстандарт |
| Молдова | MD | Молдова-Стандарт |
| Российская Федерация | RU | Федеральное агентство по техническому регулированию и метрологии |
| Таджикистан | TJ | Таджикстандарт |
| Узбекистан | UZ | Узстандарт |
| Украина | UA | Госпотребстандарт Украины |
4 Настоящий стандартидентичен международному стандарту МЭК 60641-2:2004 «Прессшпан и многослойнаябумага электротехнического назначения. Часть 2. Методы испытаний» (IEC 60641-2:2004«Pressboard and presspaper for electrical purposes - Part 2: Methods oftests»).
При применении настоящегостандарта рекомендуется использовать вместо ссылочных международных стандартовсоответствующие им межгосударственные стандарты, сведения о которых приведены вдополнительном приложенииВ
5 Приказом Федеральногоагентства по техническому регулированию и метрологии от 18 мая 2007 г. № 95-стмежгосударственный стандарт ГОСТ МЭК 60641-2-2006 введен в действие в качественационального стандарта Российской Федерации с 1 января 2008 г.
6 ВВЕДЕН ВПЕРВЫЕ
Информация о введении в действие (прекращениидействия) настоящего стандарта публикуется в указателе «Национальныестандарты».
Информацияоб изменениях к настоящему стандарту публикуется в указателе «Национальныестандарты», а текст изменений -в информационных указателях «Национальные стандарты». В случае пересмотраили отмены настоящего стандарта соответствующая информация будет опубликована винформационном указателе «Национальные стандарты»
Содержание
ГОСТ МЭК60641-2-2006
МЕЖГОСУДАРСТВЕННЫЙ СТАНДАРТ
ПРЕССШПАН И МНОГОСЛОЙНАЯ БУМАГА ЭЛЕКТРОТЕХНИЧЕСКОГО НАЗНАЧЕНИЯ
Часть 2
Методы испытаний
Pressboard and presspaper for electricalpurposes. Part 2. Methods of tests
Дата введения - 2008-01-01
Настоящий стандартраспространяется на листовые и рулонные материалы - картон-прессшпан имногослойную бумагу электротехнического назначения (далее - картон), окрашенныеили натурального цвета, прессованные, каландрированные или некаландрированные,непропитанные.
Стандарт не распространяется насоломенный картон и на многослойные картон и бумагу, изготовленные путемсклеивания адгезивом двух или нескольких слоев материала.
В настоящем стандартеиспользованы нормативные ссылки на следующие международные стандарты:
ИСО 287:1985 Бумага и картон.Определение содержания влаги. Метод высушивания в печи
ИСО 534:2005 Бумага и картон.Определение толщины, плотности и удельного объема
ИСО 1974:1990 Бумага.Определение сопротивления раздиранию (метод Эльмендорфа)
ИСО 2144:1997 Бумага, картон ицеллюлоза. Определение зольного остатка при прокаливании при температуре 900°С
МЭК 60243-1:1998 Материалытвердые изоляционные. Методы определения электрической прочности. Часть 1.Испытания на промышленных частотах
МЭК 60243-2:2001 Материалытвердые изоляционные. Методы испытания электрической прочности. Часть 2.Дополнительные требования к испытаниям при постоянном напряжении
МЭК 60243-3:2001 Материалыизоляционные. Методы испытания электрической прочности. Часть 3. Дополнительныетребования к испытаниям импульсной волной 1,2/50 мкс
МЭК 60247:2004 Диэлектрикижидкие. Измерение относительной диэлектрической проницаемости, коэффициентадиэлектрического рассеивания (тангенса d) и удельного сопротивления при постоянномтоке
МЭК 60250:1969 Материалыэлектроизоляционные. Рекомендуемые методы определения диэлектрическойпроницаемости и тангенса угла диэлектрических потерь при промышленных частотах,звуковых и радиочастотах, включая метровый диапазон волн
МЭК 60296:2003 Жидкостиэлектротехнического назначения. Новые изолирующие минеральные масла длятрансформаторов и коммуникационной аппаратуры
Если не указаны иные условия, тонарезанные для испытаний образцы кондиционируют при температуре (23 ± 2) °С иотносительной влажности 50 %, испытания проводят в тех же атмосферных условиях.
Если нет других указаний,предельное отклонение относительной влажности должно быть ±5 %, а время кондиционирования- не менее 16 ч. В случае разногласий образцы кондиционируют до достиженияравновесной влажности после высушивания при 70 °С.
Продолжительностькондиционирования зависит от толщины образца картона:
| номинальная толщина образца картона, мм | £0,5 | > 0,5-1,0 | > 1,0-2,0 | > 2,0-3,0 | >3,0 |
| продолжительность кондиционирования, ч | 48 | 72 | 96 | 120 | 240 |
4.1 Измерительный инструмент
4.1.1Винтовой микрометр с измерительными плоскостями диаметром 6 - 8 мм
Отклонение от плоскостиизмерительных поверхностей не должно превышать 0,001 мм; отклонение отпараллельности - не должно превышать 0,003 мм, шаг резьбы винта - 0,5 мм,градуировка - 50 делений на 0,01 мм, что позволяет проводить отсчет до 0,002мм. Давление, оказываемое на образцы, - 0,1 - 0,2 МПа (10 - 20 Н/см2).
4.1.2Циферблатный микрометр со статической нагрузкой, с двумя притертымиполированными концентрическими круглыми измерительными плоскостями, имеющимиотклонение от плоскости в пределах 0,001 мм и отклонение от параллельности впределах 0,003 мм. Диаметр верхней поверхности должен быть равен 6 - 8 мм.Нижняя поверхность должна быть больше верхней, которая перемещается по оси,перпендикулярной к измерительным поверхностям. Шкала делений индикатора должнаобеспечивать непосредственный отсчет значений толщины до 0,002 мм.
Каркас прибора должен иметьтакую жесткость, чтобы сила в 15 Н, приложенная к корпусу индикаторной головки,не контактирующей ни с грузом, ни с прижимной осью, вызывала отклонение корпусаприбора не более чем на 0,002 мм по шкале индикатора. Давление на образецдолжно быть 0,1 МПа (10 Н/см2).
4.1.3 Установочный калибр,применяемый для проверки инструментов, указанных в 4.1.1 и 4.1.2, должен иметьточность ±0,001 мм номинального значения толщины. Толщина, определяемаяинструментами, не должна отличаться от толщины калибра более чем на 0,005 мм.
4.2 Методика измерения
Измеряют толщину листового ирулонного картона с помощью одного из инструментов, описанных в 4.1.1и 4.1.2,в точках, расположенных на расстоянии не менее 20 мм от краев образца.
Измерение толщины проводятсогласно требованиям ИСО 534 со следующими изменениями:
- для листового картонавыполняют восемь измерений толщины, по два с каждого края листа;
- для рулонного картона проводятпять измерений толщины на метр ширины.
В случае разногласий вырезаютленту шириной 40 мм по всей ширине картона и из этой ленты через равные промежуткина одинаковом расстоянии друг от друга вырезают восемь образцов длиной не менее40 мм каждый. Испытуемые образцы кондиционируют в соответствии с требованиямираздела 3 и измеряют толщину каждого образца в точке около середины образца,применяя инструмент согласно 4.1.2.
За результат испытания принимаютцентральное значение, наименьшее и наибольшее значения регистрируют.
Испытания проводят на трехкондиционированных образцах; на каждом из трех образцов проводят одно определение.
Используют прямоугольные образцыплощадью не менее 100 см2 и определяют массу каждого с точностью до1 мг. Определяют площадь каждого испытуемого образца по двум измерениям длины иширины в точках, удаленных от углов на расстояние не менее 12 мм.
Толщину определяют по восьмиизмерениям, проводимым с помощью одного из инструментов, описанных в 4.1.1и 4.1.2,в точках, находящихся на равном расстоянии не менее 20 мм от краев и вычисляютсреднее значение.
Кажущуюся плотность выражают вграммах на кубический сантиметр (отношение массы к объему).
За результат испытания принимаютцентральное значение, наименьшее и наибольшее значения регистрируют.
Определяют в стандартныхусловиях кондиционирования усилие, необходимое для разрыва образцов размером 15´250 мм, вырезанных из картона в обоихнаправлениях.
Предел прочности s, Н/мм2, вычисляют по формуле
(1)
где F - разрушающее усилие, Н;
w и а - соответственно ширина и толщинаобразца, мм.
6.1Определение на образцах без перегиба
Предел прочности при растяжениии удлинение определяют на разрывной машине.
Проводят по девять определенийна образцах, вырезанных в машинном и поперечном направлениях картона.
За результат испытания принимаютцентральное значение и регистрируют наименьшее и наибольшее значения.
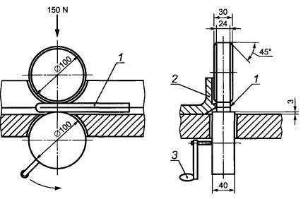
6.2Определение на образцах с перегибом
Образцы сгибают вручную пополампод прямым углом к продольной кромке, как показано на рисунке А.1а (приложение А).Затем их пропускают через валики устройства для перегибания, изображенного нарисунке А.2(приложение А),причем продольная кромка образца должна лежать на направляющей. После этогосложенный образец перегибают вручную, как показано на рисунке А.1b (приложение А),и снова пропускают между валиками устройства для перегибания. Валики должныприжимать образец приблизительно на расстоянии 20 мм от места перегиба. Послеразгибания образец испытывают в соответствии с 6.1.
Сопротивление раздираниюопределяют по методу, описанному в ИСО 1974. Используют специальныйиспытательный прибор.
Отклонения от ИСО 1974:
- в каждом направлениииспытывают девять образцов;
- за результат испытанияпринимают центральное значение и регистрируют наименьшее и наибольшее значения.
Определяют усилие, необходимоедля раздирания прямоугольных образцов с одним надрезом длиной 43 мм.
8.1 Испытательная аппаратура
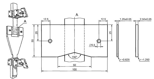
Для определения сопротивлениянадрыву кромки используют приспособление, изображенное на рисунке А.3 (приложение А),присоединяемое к разрывной машине по 6.1. Приспособление состоит изтонкой стальной пластины А, которая плоскостью крепится к скобе. Скоба ипластина должны быть гладкими и прямыми. Скоба закрепляется в нижнем зажимеразрывной машины так, чтобы центральная вертикальная линия скобы совпадала слинией, соединяющей средние точки верхнего и нижнего зажимов. Для определениясопротивления надрыву кромки материалов разных толщин используют стальныепластины разной толщины, входящие в комплект приспособления (1,25 ± 0,05) мм и(2,50 ± 0,05) мм. Пластина имеет V-образныйвырез, стороны которого составляют угол, равный 150° ± 1°. Края вырезазакруглены в поперечном сечении и должны быть гладкими и прямыми.
8.2 Испытуемые образцы
Из испытуемого картона вырезаютпо 9 образцов шириной 15 - 25 мм и длиной не менее 250 мм каждый в машинном ипоперечном направлениях.
Испытуемые образцыкондиционируют в соответствии с разделом 3.
8.3 Методика испытания
Пластину соответствующей толщиныприсоединяют к скобе. Пластину толщиной (1,25 ± 0,05) мм используют дляиспытания картона толщиной до 0,75 мм, для более толстого картона используютпластину толщиной (2,50 ± 0,05) мм.
Тонкий металлический захватскобы закрепляют в нижнем зажиме разрывной машины таким образом, чтобывертикальная центральная линия скобы совпадала с линией, соединяющей средниеточки верхнего и нижнего зажимов разрывной машины, а стороны V-образного выреза были симметричны линии,проходящей через средние точки зажимов.
Примечание - Скобу при необходимостиможно закрепить в верхнем зажиме, при этом может потребоваться балансировкамашины для компенсации массы скобы.
Нижний зажим устанавливают такимобразом, чтобы нижний край верхнего зажима был приблизительно на 90 мм вышепластины с V-образным вырезом.
Испытуемый образец протягиваютчерез скобу под пластиной, соединяют концы и закрепляют их в верхнем зажиме.
При этой операции провисаниеобразца необходимо устранять, не прикладывая к образцу раздирающего усилия.Нагрузку на образец следует по возможности увеличивать плавно, чтобы снизитьизбыточные напряжения в результате инерционных воздействий. Нагрузкуувеличивают так, чтобы разрушение образца началось через 5 - 15 с; значениенагрузки записывают в ньютонах.
8.4 Результаты
Записывают центральное значениедля каждого из двух направлений в ньютонах с указанием толщины используемойпластины, скорости измерения нагрузки, толщины и ширины испытуемых образцов.
9.1 Принцип
Для определения сжимаемостилистового и рулонного картона на стопку испытуемых образцов воздействуют низкимдавлением (начальное давление), затем повышают его до определенного значения(конечное давление).
За сжимаемость картона принимаютпроцентное изменение толщины стопки образцов.
9.2 Испытуемые образцы
Образцы картона в количестве,достаточном для подготовки испытуемых образцов, сушат в вакуумном термостатепри температуре (105 ± 2) °С в течение 4 ч. Затем термостат вакуумируют додавления приблизительно 1 мм рт. ст. (133,3 Па). Полный период сушки долженсоставлять 24 ч.
9.3 Требования киспытательному оборудованию
Площадь испытуемых образцов,находящихся под давлением, должна быть не менее 625 мм2. Высотаобразца (стопки) должна быть не менее 25 и не более 85 мм. Начальное давлениедолжно быть 1 Н/мм2 и время выдержки 5 мин, конечное давление должнобыть 20 Н/мм2 и время выдержки 5 мин. Затем давление снижают до 1Н/мм2 и выдерживают 5 мин.
9.4 Результаты
Вычисления проводят по следующимформулам: сжимаемость С, %
(2)
остаточную деформацию ОД, %
(3)
реверсивную сжимаемость Срев,%
(4)
где h0 - высота стопки образцов, находящихся под начальным давлением, мм;
h 1 - высота стопки образцов под конечным давлением, мм;
h2 - высота стопки образцов после сниженияконечного давления до уровня начального давления, мм.
10.1 Испытуемые образцы
Из испытуемого картона вырезаютпо три образца размером 25´300 мм каждый в машинном и поперечномнаправлениях. Все стороны образца должны находиться на расстоянии не менее 25мм от края картона.
10.2 Испытание на перегиб длякартона толщиной 0,5 мм включительно
Испытуемый образец перегибают на360°, как описано в 6.2.Эту операцию повторяют, чередуя направления, количество раз, указанное встандартах на продукцию. После этого поверхность каждого образца проверяют наналичие трещин или расслоений на каждом перегибе по всей ширине испытуемогообразца.
10.3 Испытание на изгиб
Каждый испытуемый образецмедленно изгибают на 90° на стержень диаметром, указанным в стандартах напродукцию. Это испытание выполняют вручную таким образом, чтобы изгибание образцапроизводилось равномерно и близко к стержню и результаты были бы по возможностивоспроизводимыми.
На каждом образце после изгибапроверяют наличие трещин, расслоений в местах изгибания.
11.1 Испытуемые образцы
Вырезают шесть образцов размером50´300 ммкаждый, из них три - в машинном направлении, три - в поперечном направлении.
11.2 Методика испытания
Кондиционируют образцы всоответствии с разделом 3и измеряют длину и толщину, проводя по одному измерению на каждом образце;толщину измеряют на расстоянии не менее 20 мм от края.
Высушивают испытуемые образцы ввентилируемом термостате при температуре (105 ± 2) °С.
Время сушки зависит от толщиныобразцов:
| номинальная толщина образцов, мм | £ 0,5 | > 0,5 до 1,5 | > 1,5 до 5 | > 5 |
| продолжительность сушки образцов, ч | 6-24 | 24 | 48 | 72 |
После охлаждения до комнатнойтемпературы в термостате длину и толщину измеряют снова.
11.3 Результаты
Вычисляют усадку по длине вмашинном и поперечном направлениях как процентное изменение размеров попервоначальным измерениям и высушенных испытуемых образцов.
За результат принимаютцентральное значение в каждом направлении, два других записывают.
Для усадки по толщине зарезультат принимают центральное значение и записывают наименьшее и наибольшеезначения.
12.1 Расслаивание споследующим визуальным осмотром
12.1.1 Испытуемый образец
Размер испытуемого образцадолжен быть приблизительно 75´75 мм. При вырезании образца необходимо,чтобы все его стороны находились на расстоянии не менее 25 мм от края картона.
12.1.2 Методика испытания
Один угол испытуемого образцарасслаивают соответствующим способом на две части одинаковой толщины и далеевручную до конца.
Проверяют, имеются ли разрывыили раздиры одного или нескольких слоев или имеют ли разделенные части четковыраженную шероховатую или ворсистую поверхность.
12.2 Измерение силы сцепления
12.2.1 Аппаратура
Машина для определения сцепленияслоев или разрывная машина в соответствии с 6.1 предпочтительномаятникового типа с силовым приводом и диапазоном измерения от 0 до 10 Н.Ширина зажимов должна быть 50 мм или больше при условии, что расстояние междузажимами в начале испытания - не более 30 мм.
12.2.2 Испытуемые образцы
Испытывают пять образцовразмером 50´200 мм каждый, кондиционированных всоответствии с разделом 3.Испытуемые образцы по длине должны быть перпендикулярны к машинномунаправлению.
12.2.3 Методика испытания
Расслоение испытуемого образцана поперечные полосы шириной 50 мм проводят вручную по возможности ближе кцентральному слою. Для этой цели можно использовать острый графитовый карандаш.
После расслоения образца по всейширине на 50 мм расслоение продолжают еще на расстояние около 20 мм по длинеобразца. Складывают образовавшиеся от расслоения полосы перпендикулярно кдолевому направлению испытуемого образца, разводя их в разные стороны, ивставляют концы этих полос в зажимы испытательной машины, поддерживая рукойнерасслоенную часть испытуемого образца под прямым углом, и включают машину.
Для сохранения угла 90° междурасслоенной и нерасслоенной частями испытуемого образца во время его натяженияоколо места расслоения необходимо слегка поддерживать пальцами нерасслоеннуючасть образца. При использовании машины маятникового типа без применениязащелки маятник должен свободно качаться.
При скорости работающего отпривода зажима испытательной машины 300 мм/мин расслаивают испытуемый образецмашиной на расстоянии не менее 75 мм по длине.
12.2.4 Результаты
Центральное значение полученныхпяти значений принимают за силу сцепления слоев. Наименьшее и наибольшеезначения записывают.
Влажность картона при поставкеопределяют в соответствии с методом, описанным в ИСО 287.
Метод заключается во взвешиваниииспытуемого образца в исходном состоянии и после сушки.
Вместо высушивания до постоянноймассы может быть принята следующая продолжительность сушки в зависимости оттолщины картона:
| номинальная толщина картона, мм | £ 0,5 | > 0,5 до 1,5 | > 1,5 до 5 | > 5 |
| продолжительность сушки, ч | 6-24 | 24 | 48 | 72 |
Температура сушки должна быть (105± 2) °С.
Масса образца - не менее 50 г.Испытывают 3 образца.
За результат принимаютцентральное значение, наименьшее и наибольшее значения записывают. В случаеразногласий испытание проводят на десяти образцах, взятых из разных участковпартии в соответствии с методом отбора проб, согласованным поставщиком ипотребителем.
Количество золы, оставшейсяпосле сжигания картона, определяют по методу, описанному в ИСО 2144. Массаобразца для испытания должна составлять 5 г. Проводят три определения.
За результат принимаютцентральное значение, исходя из массы картона, высушенного в термостате(вычисляют с учетом времени сушки, указанного в разделе 13), два другихзначения регистрируют.
15.1 Испытательная аппаратура
Ячейка для измеренияпроводимости с известной постоянной ячейки К.
Устройство, измеряющеепроводимость с минимальным значением проводимости 1 мкСм с погрешностью 5 % вдиапазоне 50 - 3000 Гц или измеряющее сопротивление с той же погрешностью.
Конические колбы с широкимгорлом вместимостью 250 см3 с обратным холодильником из кислото- ищелочестойкого стекла.
Для определения используюткартон в состоянии поставки. На каждой из трех вытяжек делают по одномуопределению.
Прежде всего проводятконтрольное определение с водой, которая кипела в используемой колбе в течение(60 ± 5) мин. Если удельная проводимость воды не более 200 мкСм/м, эту колбуможно использовать. Если удельная проводимость превышает это значение, колбу кипятятс новой порцией воды. Если удельная проводимость при повторном испытаниипревышает 200 мкСм/м, используют другую колбу.
Испытание картона проводятследующим образом.
Испытуемый образец массой неменее 5 г разрезают на кусочки 10´10 мм толщиной не более 1 мм. В стекляннуюколбу вместимостью 250 см3 с обратным холодильником отвешивают 5 гкартона, затем добавляют 100 см3 воды, имеющей проводимость не более200 мкСм/м. Воду кипятят на медленном огне в течение (60 ± 5) мин и охлаждают вколбе до комнатной температуры. Необходимо принимать меры, исключающиевозможность поглощения диоксида углерода из воздуха.
Водную вытяжку переливают всосуд для измерений, чтобы сразу измерить удельную проводимость. Сосуд дляизмерений предварительно дважды промывают водной вытяжкой. Удельнуюпроводимость измеряют при температуре (23,0 ± 0,5) СС.
Примечание - Важно, чтобыиспытуемые образцы и пробы, предназначенные для определения удельнойпроводимости, рН и содержания хлоридов в водной вытяжке, при испытаниях,хранении и любом обращении с ними не подвергались загрязнениям из атмосферы(особенно химической лаборатории) или при работе с незащищенными руками.
15.3 Результаты
Удельную проводимость вытяжки Y, мкСм/м, рассчитывают по формуле
Y = K(G1 - G2), (5)
где К - постоянная ячейкидля измерения проводимости, м-1;
G1 -проводимость вытяжки, мкСм;
G2 -контрольная проводимость, мкСм.
За результат принимаютцентральное значение, наименьшее и наибольшее значения записывают.
16.1 Испытательная аппаратура
рН-метр со стеклянным иликаломельным электродами с погрешностью измерений не более 0,05 единицы рН.
Конические колбы с широкимгорлышком вместимостью 250 см3 из кислото- и щелочестойкого стекла.
16.2 Методика определения
На каждой из трех вытяжекпроводят по одному определению. Вытяжку готовят в соответствии с 15.2.
Вытяжку из колбы для измерениярН переливают непосредственно перед использованием, избегая нежелательноговоздействия окружающей атмосферы.
рН-метр калибруют с помощью буферного раствора со значением рН,отличающимся от рН водной вытяжки на ±2. После извлечения электродов избуферного раствора их тщательно промывают несколько раз в дистиллированной водеи один раз в небольшом количестве вытяжки.
Электроды погружают внефильтрованную вытяжку и измеряют значение рН этой вытяжки при температуре (23± 2) °С.
Примечания
1 Если водную вытяжку картона используют и дляопределения проводимости, то соответствующую долю для этого определенияотбирают из водной вытяжки до определения рН. Это делают потому, что хлористыйкалий, диффундирующий из каломельного электрода, может повлиять на результатиспытания.
2См. примечание к 15.2.
16.3 Результаты
За результат принимаютцентральное значение, наименьшее и наибольшее значения записывают.
Цель испытания - определение присутствия диссоциирующих органическихвеществ в электроизоляционных материалах. Их присутствие подтверждаетсяувеличением проводимости органической вытяжки (трихлорэтилена), поэтомусчитают, что этому испытанию особенно необходимо подвергать электроизоляционныематериалы, которые будут работать в хлорированных охлаждающих или пропитывающихсоставах.
Примечание - Меры предосторожностиуказаны в примечании к 15.2.
17.1 Испытательная аппаратура
Ячейка для определенияпроводимости, соответствующая требованиям МЭК 60247.
В качестве измерительногоприбора используют электронный многошкальный мегомметр до 100 В постоянноготока или чувствительный гальванометр с батареей.
В качестве растворителяиспользуют лабораторный трихлорэтилен, который предварительно очищаютперемешиванием с фуллеровой землей (приблизительно с 1 % по массе) или с другимсоответствующим материалом, например кремниевым гелем, и фильтрованием черезспеченный стеклянный фильтр. Допускается использование фильтра с максимальнымдиаметром пор 5 - 15 мкм.
Примечание - Фуллерова земляутрачивает свои свойства при поглощении влаги, поэтому ее просушиваютнагреванием в чистом воздухе при температуре не выше 120 °С.
Перед каждым экстрагированиемпроводят контрольное испытание, и если удельная проводимость растворителяпревышает 5´10-4 мкСм/м, то его дополнительноочищают до тех пор, пока значение удельной проводимости не будет вышеуказанного.
Очищенный трихлорэтилен обладаетустойчивыми свойствами, если его хранить в темноте или в посуде из коричневогостекла, но его удельную проводимость следует проверять перед экстрагированием.
Во время экстрагирования иизмерения растворитель необходимо защищать от яркого света, особенно прямыхсолнечных лучей, и хранить в темноте.
17.2 Методика определения
На каждой из трех вытяжекиспытуемого образца проводят по одному измерению. Вытяжку готовят, обрабатываяиспытуемый материал в соответствии с методом измерения проводимости воднойвытяжки по 15.2, аиспытуемые образцы слегка нагревают в воздухе в течение приблизительно 2 ч притемпературе 80 °С - 100 °С для удаления значительного количества поглощеннойводы.
После сушки испытуемые образцыбыстро помещают в соответствующую колбу и заливают очищенным трихлорэтиленом израсчета 10 см3 растворителя на 1 г картона. Растворитель кипятят вколбе с обратным холодильником на слабом огне в течение приблизительно 1 ч,используя испытательную аппаратуру из стекла.
Затем колбу плотно закрывают иоставляют в темноте на ночь. Потеря объема воды в результате испарения должна бытьменее 10 %.
Если постоянная ячейки Кеще неизвестна, то ее определяют, используя водный раствор с известной удельнойпроводимостью или емкостным методом.
Перед заполнениемтрихлорэтиленовой вытяжкой ячейку тщательно промывают дистиллированной водой (еслипоследний раз использовали водный электролит), высушивают и очищают несколькораз чистым трихлорэтиленом. Ячейку высушивают перед заполнением; жидкость изодной колбы в другую переливают в потоке теплого воздуха для устранениявозможной конденсации влаги, возникающей при охлаждении; дышать на электроды нерекомендуется.
Сопротивление вытяжки измеряютпри температуре 15 °С - 25 °С через 1 мин после подачи напряжения постоянноготока.
Если R - измеренное сопротивление вытяжки,выраженное в мегаомах, а К - постоянная ячейки (м-1), тоудельная проводимость вытяжки, выраженная в микросименсах на метр, будет равна K/R.
17.3 Результаты
За результат испытания принимаютцентральное значение трех измерений, наименьшее и наибольшее значениязаписывают.
18.1 Аппаратура
Ячейки для определенияпроводимости в соответствии с МЭК 60247 и для определения tgd жидкостей в соответствии с МЭК 60250.
Сосуд № 1 для храненияхлорированного диэлектрика в виде высокого стакана вместимостью 400 см3из нейтрального или боросиликатного стекла с крышкой из часового стекла, чтобыустранить попадание пыли и снизить испарение во время испытания. Сосуд долженбыть идеально чистым и крышка не должна загрязнять хлорированный диэлектрик.
Сосуд № 2 для хранения масла изнейтрального или боросиликатного стекла вместимостью 1000 см3, вкотором над маслом поддерживают атмосферу сухого азота.
Термостат с принудительнойвентиляцией, в котором поддерживается температура в пределах (100 ± 1) °С.
Чистые металлические щипцы.
Достаточное количествохлорированного диэлектрика для испытания прессшпана и многослойной бумаги, укоторого tgd при промышленной частоте или удельнаяпроводимость при постоянном напряжении после подачи напряжения на 1 мин иизменении температуры от 100 °С до комнатной температуры будет в пределах,согласованных изготовителем и потребителем.
Минеральное масло,характеристика которого не ниже требований МЭК 60296, с известным кислотнымчислом и tgd при70 °С и частоте 48 - 62 Гц.
18.2 Испытуемые образцы
Достаточное количество картонарежут на кусочки толщиной менее 1 мм с площадью поверхности около 1 см2и высушивают при температуре (105 ± 2) °С в течение 16 ч. Образцы берут чистымиметаллическими щипцами.
18.3 Загрязнениехлорированных диэлектриков
В сосуд № 1 с 250 см3хлорированного диэлектрика помещают образец в количестве 25 см3. Длягарантии чистоты сосуда предварительно проверяют tgd или удельную проводимость хлорированногодиэлектрика после нагревания его в термостате при температуре 100 °С в течение1 ч. Если результат этой проверки удовлетворительный, в хлорированныйдиэлектрик закладывают образец картона. Сосуд, содержащий хлорированнуюжидкость и образец картона, вместе с идентичным сосудом, содержащим толькожидкость и используемым в качестве контрольного, выдерживают при температуре(100 ± 1) °С в течение (168 ± 1) ч.
Затем измеряют tgd или удельную проводимостьжидкости из сосуда с образцом картона и жидкости из контрольного сосуда притемпературе от 100 °С до комнатной.
Разность между полученнымизначениями tgd или удельной проводимости фиксируют.
Предупреждение: Следуетизбегать контакта хлорированного диэлектрика и его паров с кожей. Рекомендуетсясоблюдать правила безопасности, установленные в стране.
18.4 Загрязнениеэлектроизоляционного масла
В сосуд № 2 с 750 см3масла помещают образец картона в количестве 75 см3. Рекомендуетсяпроверить чистоту сосуда, как описано выше, используя одно масло. Над масломподдерживают атмосферу сухого азота. Сосуд, содержащий масло с образцом картона,и идентичный сосуд, содержащий только масло в качестве контрольного образца,выдерживают при температуре (100 ± 1) °С в течение 96 ч.
Далее определяют кислотное числои tgd при температуре 70 °С и частоте 48 - 62 Гцкак у испытуемого масла с образцом картона, так и у контрольного. Разностьмежду двумя полученными значениями фиксируют.
Для испытания берут три образцаразмером приблизительно 75´75 мм каждый, толщиной, равной толщинеисходного картона. Их выдерживают в подвешенном состоянии в течение 24 ч ввакуумной ячейке при температуре (105 ± 2) °С и давлении около 100 Па. Послемедленного снятия вакуума и охлаждения образцов в эксикаторе определяют массукаждого образца с точностью до миллиграмма.
После определения массы температуруувеличивают до (90 ± 2) °С, а давление снижают до 100 Па. Эти температуру идавление поддерживают в течение 1 ч. После этого медленно заливают масло схарактеристиками не ниже требований МЭК 60296, нагретое до температуры 90 °Стак, чтобы давление при этом не превышало 250 Па.
Когда образец погружен полностьюв масло, вакуум снимают и нагрев отключают. Образцы оставляют в масле на 6 ч.После этого их вынимают из масла и промокательной бумагой удаляют его избыток.Чистые образцы взвешивают и определяют массу поглощенного масла. Результатавыражают в виде процента масловпитываемости по отношению к первоначальной массеобразца.
За результат принимаютцентральное значение, два других записывают.
Наибольшую масловпитываемость Сmах, %, определяют по формуле
(6)
где S0 - удельная масса поглощенного масла, г/см3;
W - кажущаяся плотность высушенного картона,г/см3;
F - кажущаяся плотность воздушно-сухогокартона, г/см3.
20.1 Испытательныеприспособления
Электроды: один - в видегладкообработанной литой чугунной или металлической пластинки, второй - в видекомплекта массивных гладких латунных роликов изображены на рисунке А.4(приложение А).
Размер пластинки параллельнонаправлению движения образца должен быть не менее 150 мм, другой размер пластинкидолжен быть не менее ширины испытуемого образца. Поверхности роликов должныбыть гладкими, что достигается станочной обработкой и полировкой. Обработанныеролики имеют следующие размеры: диаметр - 38 мм, длину - 25 мм.
Ролики устанавливают двумя параллельнымирядами над плоским электродом так, чтобы каждый ролик можно было поднять илиопустить на плоский электрод, причем поверхности роликов автоматическивыравниваются по отношению к поверхности плоского электрода.
Ролики и пластинка должны бытьхорошо изолированы друг от друга. Между роликами при их вращении и источникомнапряжения должна обеспечиваться непрерывная электрическая связь. Два рядароликов устанавливают под углом 90° к направлению движения испытуемого образца.
Ролики в каждом ряду устанавливаютна расстоянии 35 мм от центральной линии таким образом, чтобы середина ролиководного ряда была смещена относительно середины роликов противоположного ряда,как показано на рисунке А.4(приложение А).
Давление, создаваемое каждымроликом на поверхность испытуемого образца, должно быть не более 3150 Н и неменее 2450 Н. Для устранения повреждения электродов применяют ограничивающеесопротивление.
20.2 Напряжение
Приложенное напряжение должнообеспечивать напряженность 2 В/мкм, если нет иных указаний в стандартах наконкретный вид картона.
20.3 Испытуемый образец
Испытуемый образец долженперекрывать по ширине внешние края роликов не менее чем на 25 мм, его длинадолжна быть не менее 7,5 м.
20.4 Методика испытания
Поднимают ролики, подкладываютпод них конец испытуемого образца, затем опускают ролики на его поверхность.Электроды соединяют с источником напряжения в соответствии с 20.2. Образецпротягивают между пластинкой и роликами со скоростью 10 - 20 м/мин. Считаютчисло прогоревших в образце дырок; каждую прогоревшую дырку считаюттокопроводящим включением. Для подсчета числа прогоревших дырок можноиспользовать электронный счетчик.
20.5 Расчет и выражениерезультатов
Рассчитывают число проводящихвключений на единицу площади, разделив число прогоревших дырок на площадьиспытанного образца, выраженную в квадратных метрах. Протокол испытаний долженсодержать следующие данные:
- число проводящих включений на1 м2;
- общую площадь испытанногокартона.
21.1 Испытуемый образец
Образец в виде квадрата со стороной,равной приблизительно 100 мм.
21.2 Методика испытания
Образец полностью погружают враствор уксусной кислоты с массовой долей 1 % не менее чем на 5 мин. Послеэтого образец вынимают из раствора и высушивают в атмосфере, не содержащейпыли, на чистой фильтровальной бумаге. Высушенный образец погружают на 5 мин враствор, содержащий 1 см3 уксусной кислоты и 1 гжелезистосинеродистого калия на 1 дм3. Затем образец вымываютдистиллированной водой и высушивают в термостате при температуре приблизительно50 °С.
Образец рассматривают на наличиецветных пятен. Синие пятна указывают на наличие железа, красные пятна - наналичие меди, латуни или бронзы.
Испытание проводят притемпературе 23 °С на воздухе или в масле по МЭК 60243-1.
Для тонких материалов (до 0,5мкм) испытание проводят также на образцах после перегиба.
22.1 Аппаратура
Испытательная аппаратура иэлектроды должны соответствовать требованиям МЭК 60243-1 (поверхностиэлектродов должны быть параллельными и не иметь раковин или других дефектов).
22.2Испытуемые образцы для испытания на воздухе
Испытуемые образцы размером 300´300 мм каждый высушивают в вентилируемомтермостате при температуре (105 ± 2) °С. Продолжительность сушки в зависимостиот толщины картона:
| номинальная толщина картона, мм | £ 0,5 | > 0,5 до 1,5 | > 1,5 до 5 | > 5 |
| продолжительность сушки, ч | 6-24 | 24 | 48 | 72 |
После сушки испытуемые образцыохлаждают в эксикаторе и испытывают в течение 3 мин после удаления изэксикатора.
22.3 Испытуемые образцы дляиспытания в масле
Испытуемые образцы размером 300´300 мм каждый выдерживают в течение 24 ч ввакуумной ячейке при температуре (105 ± 2) °С и давлении меньше 100 Па. Затеммасло, показатели которого не ниже требований МЭК 60296, нагревают дотемпературы 90 °С и медленно переливают в сосуд с образцами таким образом,чтобы давление не превышало 250 Па.
После полного погруженияобразцов в масло давление снимают и оставляют образцы в масле при атмосферномдавлении и при температуре (90 ± 2) °С не менее чем на 24 ч. Затем образцыохлаждают до температуры (23 ± 2) °С в масле и начинают испытание. Образцы недолжны подвергаться действию атмосферных условий между пропиткой и испытанием.
22.4 Испытуемые образцы дляиспытания после перегиба
Испытуемые образцы размером 300´300 мм каждый высушивают в соответствии с 22.2.Параллельно каждому из четырех краев делают по одному перегибу на расстоянииоколо 40 мм от края.
Перегибы делают следующимобразом: сначала испытуемый образец перегибают вручную, для этого рекомендуетсяприспособление, изображенное на рисунке А.5 (приложение А).Испытуемый образец вставляют по возможности глубоко в прорезь приспособления,перегибают на 90° в одну сторону, потом на 90° - в другую сторону, после чеговынимают.
Образцы с перегибом пропускаютчерез валики приспособления для перегибания, изображенного на рисунке А.6 (приложение А),причем перегиб должен лежать на направляющей. После этого сложенный образецперегибают вручную в обратную сторону на 360° и снова пропускают через валикиприспособления для перегибания. Такой двойной перегиб выполняют на всех четырехкраях испытуемых образцов.
Перегибание и последующееиспытание после разгибания выполняют по возможности быстро. В случаенеобходимости трехминутный допуск (22.2) может бытьпревышен, но в любом случае испытание должно быть проведено не более чем за 10мин.
22.5 Количество испытаний
Проводят по девять испытаний навоздухе и в масле. После перегиба проводят по пять испытаний вдоль каждого издвух долевых перегибов и по пять испытаний вдоль каждого из двух поперечныхперегибов, избегая испытаний в четырех точках, где перегибы пересекают другдруга.
22.6 Методика испытания
Напряжение прикладывают всоответствии с МЭК 60243-1. Критерий пробоев приведен в МЭК 60243-1.
22.7 Результаты
Протокол испытаний составляют всоответствии с МЭК 60243-1 со следующими дополнениями.
За результат принимаютцентральное значение для каждого ряда испытаний, выраженное в киловольтах на миллиметр,исходя из измеренной толщины; фиксируют также наименьшее значение.
Результаты испытаний состоят изследующих рядов: девяти испытаний на воздухе, девяти испытаний в масле, десятииспытаний по долевым перегибам и десяти испытаний по поперечным перегибам.
Дополнительные требования кметоду испытания - по МЭК 60243-2.
Дополнительные требования кметоду испытания - по МЭК 60243-3.

Рисунок А.1 – Последовательность перегибов

1 - образец; 2 - упор; 3 - ручка
Рисунок А.2 - Приспособление для перегибания

Рисунок А.3 - Приспособление для надрывакромки

1 - ведущие ролики; 2 - испытуемый материал; 3 - заземленныеиспытательные ролики; 4 - металлическая пластинка под высоким потенциалом
Рисунок А.4 - Схема устройства для определениятокопроводящих включений

1 - испытуемый образец
Рисунок А.5 - Приспособление для перегибания

1 - испытуемый образец; 2 - упор; 3 - ручка
Рисунок А.6 - Приспособление для перегибания
Таблица В.1
| Обозначение ссылочного международного стандарта | Обозначение и наименование соответствующего межгосударственного стандарта |
| ИСО 287:1985 | ГОСТ 13525.19 (ИСО 287-85) Бумага и картон. Определение влажности. Метод высушивания в сушильном шкафу |
| ИСО 534:2005 | ГОСТ 27015-86* Бумага и картон. Методы определения толщины, плотности и удельного объема |
| ИСО 1974:1990 | ГОСТ 13525.3-97 (ИСО 1974-90) Полуфабрикаты волокнистые и бумага. Метод определения сопротивления раздиранию (метод Эльмендорфа) |
| ИСО 2144:1997 | ГОСТ 7629-93* (ИСО 2144-87) Бумага и картон. Метод определения золы |
| МЭК 60243-1:1998 МЭК 60243-2:2001 МЭК 60243-3:2001 | ГОСТ 12268-79* Картон электроизоляционный. Методы определения стойкости к воздействию испытательного напряжения, поверхностных разрядов и сжимаемости под давлением |
| МЭК 60247:2004 | ГОСТ 6581-75 Материалы электроизоляционные жидкие. Методы электрических испытаний |
| МЭК 60250:1969 | ГОСТ 26127-84* Бумага электроизоляционная. Метод определения тангенса угла диэлектрических потерь при частоте 50 Гц |
| МЭК 60296:2003 | ГОСТ 982-80 Масла трансформаторные. Технические условия |
| * До пересмотра указанных межгосударственных стандартов рекомендуется использовать перевод на русский язык данного международного стандарта или гармонизированный с ним национальный (государственный) стандарт страны, на территории которой применяется настоящий стандарт. Информация о наличии перевода данного международного стандарта в национальном фонде стандартов или в ином месте, а также информация о действии на территории страны соответствующего национального (государственного) стандарта может быть приведена в национальных информационных данных, дополняющих настоящий стандарт. | |
Ключевые слова: прессшпан, многослойная бумагаэлектротехнического назначения, методы испытаний