Стандарт распространяется на сильфонные металлические компенсаторы, предназначенные для герметичного соединения относительно перемещающихся элементов механизмов, устройств, трубопроводов, и сильфонные металлические уплотнения, предназначенные для разделения объемов жидкостей и газов, ограниченных относительно перемещающимися конструкциями.
Стандарт не распространяется на сильфонные компенсаторы и уплотнения, предназначенные для бестуннельной подземной прокладки, и на специальные сильфонные компенсаторы и уплотнения, создаваемые по прямым заказам Министерства обороны.
| Обозначение: | ГОСТ 27036-86* |
| Название рус.: | Компенсаторы и уплотнения сильфонные металлические. Общие технические условия |
| Статус: | действующий (Постановлением Госстандарта России от 05.03.2003 № 69-ст восстановлено действие на территории РФ с 01.07.2003 г.) |
| Заменен: | ГОСТ Р 51571-2000 «Компенсаторы и уплотнения сильфонные металлические. Общие технические требования» |
| Дата актуализации текста: | 01.10.2008 |
| Дата добавления в базу: | 01.02.2009 |
| Дата введения в действие: | 01.07.1988 |
| Утвержден: | Госстандарт СССР (20.10.1986) |
| Опубликован: | Издательство стандартов № 1986<br>ИПК Издательство стандартов № 2003 |
ГОСТ 27036-86
МЕЖГОСУДАРСТВЕННЫЙ СТАНДАРТ
КОМПЕНСАТОРЫ И УПЛОТНЕНИЯ
СИЛЬФОННЫЕ МЕТАЛЛИЧЕСКИЕ
ОБЩИЕ ТЕХНИЧЕСКИЕ УСЛОВИЯ
ИПК ИЗДАТЕЛЬСТВО СТАНДАРТОВ
Москва
МЕЖГОСУДАРСТВЕННЫЙ СТАНДАРТ
| КОМПЕНСАТОРЫ И УПЛОТНЕНИЯ Общие технические условия Metal bellows expansion joints and seals. | ГОСТ |
Дата введения 01.07.88;
для изделий Dy 65 - 500, Руболее 1,6 МПа 01.01.91;
для изделий Dy600 - 1400 01.01.93
Настоящий стандарт распространяется на сильфонные металлическиекомпенсаторы (далее - компенсаторы), предназначенные для герметичногосоединения относительно перемещающихся элементов механизмов, устройств,трубопроводов, и сильфонные металлические уплотнения (далее - уплотнения),предназначенные для разделения объемов жидкостей и газов, ограниченныхотносительно перемещающимися конструкциями.
Стандартне распространяется на сильфонные компенсаторы и уплотнения, предназначенныедля бестуннельной подземной прокладки, и на специальные сильфонные компенсаторыи уплотнения, создаваемые по прямым заказам Министерства обороны.
Термины,применяемые в настоящем стандарте, и их определения - по ГОСТ 25756.
Требованияпп. 1.1, 2.5- 2.9, 2.19.1 настоящего стандарта являются рекомендуемыми,другие требования - обязательными.
(Измененная редакция, Изм. №2).
1.1.Компенсаторы и уплотнения относятся к четвертой группе второго классапромышленной продукции - неремонтируемым изделиям.
1.2.Основные параметры и размеры компенсаторов и уплотнений в зависимости от проводимыхи разделяемых сред, а также конструктивного исполнения должны соответствоватьуказанным на черт. 1 - 33 и в табл. 1 - 28.
(Измененная редакция, Изм. №1).
1.3.Условные и рабочие давления - по ГОСТ356, условные проходы - в соответствии с приложением 1.
1.4.Схема условных обозначений сильфонных компенсаторов и уплотнений - всоответствии с приложением 2.
1.5. Уплотнительныеповерхности фланцевых соединений - по ГОСТ1536.
| Тип | Наименование | Исполнение | Условный проход Dу, мм | Условное давление Рy , Мпа (кгс/см2) | Проводимая среда | Температура проводимой среды, К (°С) | Скорость проводимой среды, м/с, не более | Номер чертежа | Номер таблицы |
| К001 | Компенсатор сильфонный сдвиговый | 01 | 125 - 500 | 1,0 (10)... 2,5 (25) | Жидкости | От 73 (-200) до 773 (+500) | 8 | ||
| 02 | Газы | 120 | |||||||
| 03 | 125 - 250 | 2,5 (25)… 6,3 (63) | Жидкости | 8 | |||||
| 04 | Газы | 120 | |||||||
| 05 | 125 - 500 | 1,0 (10)... 2,5 (25) | Жидкости | От 233 (-40) до 773 (+500) | 8 | ||||
| 06 | Газы | 120 | |||||||
| 07 | 200 - 500 | 1,0 (10)... 2,5 (25) | Жидкости | От 243 (-30) до 573 (+300) | 8 | ||||
| 08 | Газы | 120 | |||||||
| 09 | 200 - 500 | 1,0 (10) | Морская вода, щелочи, кислоты | От 223 (-50) до 373 (+100) | 8 | ||||
| 10 | Жидкости | ||||||||
| 11 | Морская вода, щелочи, кислоты | ||||||||
| К010 | Компенсатор сильфонный поворотный | 01 | 65 - 500 | 1,0 (10)... 1,6 (16) | Жидкости | От 73 (-200) до 773 (+500) | 8 | ||
| 02 | Газы | 120 | |||||||
| 03 | 65 - 250 | 0,25 (2,5)… 1,0 (10) | Жидкости | 8 | |||||
| 04 | Газы | 120 | |||||||
| 05 | 65 - 500 | 1,0 (10)... 1,6 (16) | Жидкости | От 233 (-40) до 773 (+500) | 8 | ||||
| 06 | Газы | 120 | |||||||
| 07 | 100 - 500 | 1,0 (10)... 1,6 (16) | Жидкости | От 243 (-30) до 573 (+300) | 8 | ||||
| 08 | Газы | 120 | |||||||
| 09 | 100 - 500 | 1,0 (10)... 1,6 (16) | Морская вода, щелочи, кислоты | От 223 (-50) до 373 (+100) | 8 | ||||
| 10 | Жидкости | ||||||||
| 11 | Морская вода, щелочи, кислоты | ||||||||
| К011 | Компенсатор сильфонный сдвигово-поворотный | 01 | 65 - 500 | 0,25 (2,5)... 0,63 (6,3) | Жидкости | От 73 (-200) до 773 (+500) | 8 | ||
| 02 | Газы | 120 | |||||||
| 03 | 65 - 250 | 1,0 (10)... 1,6 (16) | Жидкости | 8 | |||||
| 04 | Газы | 120 | |||||||
| 05 | 65 - 500 | 0,25 (2,5)... 0,63 (6,3) | Жидкости | От 233 (-40) до 773 (+500) | 8 | ||||
| 06 | Газы | 120 | |||||||
| 07 | 100 - 150 | 0,25 (2,5)... 1,0 (10) | Жидкости | От 243 (-30) до 573 (+300) | 8 | ||||
| 08 | Газы | 120 | |||||||
| 09 | 100 - 150 | 0,63 (6,3)... 1,0 (10) | Морская вода, щелочи, кислоты | От 223 (-50) до 373 (+100) | 8 | ||||
| 10 | Жидкости | ||||||||
| 11 | Морская вода, щелочи, кислоты | ||||||||
| K111 | Компенсатор сильфонный универсальный | 01 | 65 - 500 | 0,25 (2,5)... 1,6 (16) | Жидкости | От 73 (-200) до 773 (+500) | 8 | ||
| 02 | Газы | 120 | |||||||
| 03 | 65 - 250 | 0,25 (2,5)... 1,0 (10) | Жидкости | 8 | |||||
| 04 | Газы | 120 | |||||||
| 05 | 65 - 500 | 0,25 (2,5)… 1,6 (16) | Жидкости | От 233 (-40) до 773 (+500) | 8 | ||||
| 06 | Газы | 120 | |||||||
| 07 | 100 - 500 | 0,25 (2,5)... 1,6 (16) | Жидкости | От 243 (-30) до 573 (+300) | 8 | ||||
| 08 | Газы | 120 | |||||||
| 09 | 65 - 500 | 0,25 (2,5)... 1,6 (16) | Морская вода, щелочи, кислоты | От 223 (-50) до 373 (+100) | 8 | ||||
| 10 | 65 - 500 | 0,25 (2,5)... 1,6 (16) | Жидкости | От 223 (-50) до 373 (+100) | 8 | ||||
| 11 | Морская вода, щелочи, кислоты | ||||||||
| 21 | 100 - 500 | 0,1 (1,0)... 6,3 (63) | Жидкости | От 73 (-200) до 773 (+500) | 8 | ||||
| 22 | Газы | 120 | |||||||
| 23 | 100 - 500 | 0,1 (1,0)... 6,3 (63) | Жидкости | От 233 (-40) до 773 (+500) | 8 | ||||
| 24 | Газы | 120 | |||||||
| 25 | 100 500 | 0,1 (1,0)... 6,3 (63) | Жидкости | От 243 (-30) до 573 (+300) | 8 | ||||
| 26 | Газы | 120 | |||||||
| 27 | 600 - 1000 1200 - 1400 | 0,1 (1,0)... 4,0 (40) | Жидкости | От 233 (-40) до 773 (+500) | 8 | ||||
| 28 | 0,1 (1,0)... 2,5 (25) | Газы | 120 | ||||||
| У111 | Уплотнение сильфонное универсальное | 21 | 100 - 500 | 0,1 (1,0)... 2,5 (25) | Жидкости, газы | От 73 (-200) до 773 (+500) | - | ||
| 600 - 1400 | 0,1 (1,0)... 2,5 (25) | Жидкости, газы | |||||||
| 25 | 100 - 500 | От 243 (-30) до 573 (+300) |
Примечания:
1.Согласование применяемости изделий по ГОСТ 2.124 с условнымпроходом Dy > 150 мм на условное давлениеРу > 1,0 МПа (10 кгс/см2) обязательно.
2. Подтермином «жидкости и газы» следует понимать данное состояние любого вещества,не вызывающего коррозию материала внутренней полости (наружной поверхности)сильфонных компенсаторов и уплотнений. Из проводимых и окружающих сред недолжны выпадать в осадок и накапливаться между стенками гофров твердые частицы,препятствующие их перемещению.
3.Допускается применять компенсаторы исполнений 02, 04, 06, 22, 24 и уплотненияисполнения 21 при температуре 823 К (550 °С) суммарной продолжительностью неболее 100 ч. Температура ограничительных тяг компенсаторов типов К001 и К011 недолжна превышать 623 К (350 °С).
4.Допускается использовать компенсаторы и уплотнения, проводящие среду стемпературой от 273 К (0 °С)до 363 К (90 °С), в морской воде и морском тумане продолжительностью до 10000ч, а исполнений 10, 11 - в течение срока эксплуатации.
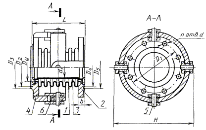
Тип К001
Исполнение01; 05
1 -сильфон; 2 - фланец; 3 - ограничительная стяжка; 4 - кожух
Черт. 1
Исполнение02; 06
1 - сильфон;2 - фланец; 3J -ограничительная стяжка; 4 - направляющий патрубок; 5 - кожух
Черт. 2
Исполнение03
1 -сильфон; 2 - фланец; 3 - ограничительная стяжка; 4 - кожух
Черт. 3
Исполнение04
1 -сильфон; 2 - фланец; 3 - ограничительная стяжка; 4 - направляющийпатрубок; 5 - кожух
Черт. 4
Исполнение07
1 - сильфон;2 - фланец; 3 - ограничительная стяжка; 4 - кожух; 5- уплотнительное кольцо
Черт. 5
Исполнение08
1 -сильфон; 2 - фланец; 3 - ограничительная стяжка; 4 - направляющийпатрубок; 5 - уплотнительное кольцо; 6 - кожух
Черт. 6
Исполнение09; 10; 11
1 - сильфон;2 - фланец; 3 - ограничительная стяжка; 4 - кожух
Черт. 7
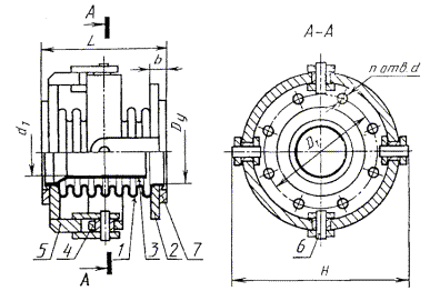
Тип К010
Исполнение 01; 05
1 -сильфон; 2 - фланец; 3 - вилка; 4 - палец; 5 -карданное кольцо
Черт. 8
Исполнение02; 06
1 -сильфон; 2 - фланец; 3 - направляющий патрубок; 4 - вилка;5 - палец; 6 - карданное кольцо
Черт. 9
Исполнение03
1 - сильфон;2 - фланец; 3 - вилка; 4 - палец; 5 - карданноекольцо
Черт. 10
Исполнение04
1 -сильфон; 2 - фланец; 3 - направляющий патрубок; 4 - вилка;5 - палец; 6 - карданное кольцо
Черт. 11
Исполнение07
1 -сильфон; 2 - фланец; 3 - карданное кольцо; 4 - вилка; 5- палец; 6 - уплотнительное кольцо
Черт. 12
Исполнение08
1 -сильфон; 2 - фланец; 3 - направляющий патрубок; 4 - карданноекольцо; 5 - вилка; 6 - палец; 7 - уплотнительное кольцо
Черт. 13
Исполнение09; 10; 11
1 -сильфон; 2 - фланец; 3 - карданное кольцо; 4 - вилка; 5 -палец
Черт. 14
Тип К011
Исполнение 01; 05
1 -сильфон; 2 - фланец; 3 - ограничительная стяжка; 4 - кожух
Черт. 15
Исполнение02; 06
1 -сильфон; 2 - фланец; 3 - ограничительная стяжка; 4 -направляющий патрубок; 5 - кожух
Черт. 16
Исполнение03
1 -сильфон; 2 - фланец; 3 - ограничительная стяжка; 4 - кожух
Черт. 17
Исполнение04
1 - сильфон;2 - фланец; 3 - ограничительная стяжка; 4 - направляющийпатрубок; 5 - кожух
Черт. 18
Исполнение07
1 -сильфон; 2 - фланец; 3 - ограничительная стяжка; 4 - уплотнительноекольцо; 5 - кожух
Черт. 19
Исполнение08
1 -сильфон; 2 - фланец; 3 - ограничительная стяжка; 4 - направляющийпатрубок; 5 - уплотнительное кольцо; 6 - кожух
Черт. 20
Исполнение09; 10; 11
1 -сильфон; 2 - фланец; 3 - ограничительная стяжка; 4 - кожух
Черт. 21
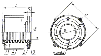
Тип К111
Исполнение 01; 05
1 -сильфон; 2 - фланец; 3 - кожух
Черт. 22
Исполнение02; 06
1 - сильфон;2 - фланец; 3 - направляющий патрубок; 4 - кожух
Черт. 23
Исполнение 03
1 - сильфон; 2 - фланец; 3 - кожух
Черт. 24
Исполнение04
1 -сильфон; 2 - фланец; 3 - направляющий патрубок; 4 - кожух
Черт. 25
Исполнение07
1 - сильфон;2 - фланец; 3 - уплотнительное кольцо; 4 - кожух
Черт. 26
Исполнение08
1 -сильфон; 2 - фланец; 3 - направляющий патрубок; 4 - уплотнительноекольцо; 5 - кожух
Черт. 27
Исполнение09; 10; 11
1 -сильфон; 2 - фланец; 3 - кожух
Исполнение21; 23; 25
1 - сильфон;2 - присоединительный патрубок; 3 - кожух
Черт. 29
Исполнение22; 24; 26
1 -сильфон; 2 - направляющий патрубок; 3 - присоединительныйпатрубок; 4 - кожух
Черт. 30
1 -сильфон; 2 - присоединительный патрубок; 3 - кожух; 4 - направляющийпатрубок
Черт. 31
Тип У111
Исполнение 21; 25
1 -сильфон; 2 - присоединительный патрубок; 3 - кольцо
1 -сильфон; 2 - присоединительный патрубок; 3 - кольцо; 4 -планка
Примечание. Для сильфонных уплотнений типа У111 (черт. 32, 33)размер d2 оговариваетсяпри заказе.
Если призаказе размер d2 неуказан, деталь 3 поставляется не установленной на изделие.
Основные параметры и размерыкомпенсаторов, тип К001, исполнение 01, 02
Размеры в мм
| Условное давление Ру, МПа (кгс/см2) | н | L | D1 | b | d | п | Амплитуда | Исполнение | ||||||||||
| Номин. | Пред. откл. | хода | сдвига | поворота | 01 | 02 | ||||||||||||
| Масса, кг | Обозначение | Код ОКП | d1 | Масса, кг | Обозначение | Код ОКП | ||||||||||||
| 125 | 1,0 (10) | 272 282 | 230 | ± 2 | 183 | 25 | 15 | 10 | - | 7 | - | 16 | 551-01.001 | 36 9574 4001 | 105 | 18 | 551-01.007 | 36 9574 4026 |
| 1,6 (16) | 187 | 17 | 19 | -01 | 4002 | 22 | -01 | 4027 | ||||||||||
| 2,5 (25) | 302 | 270 | 196 | 30 | М20 | 26 | -02 | 4003 | 28 | -02 | 4028 | |||||||
| 150 | 1,0 (10) | 235 | 208 | 25 | 15 | 12 | 19 | 551-01.001-03 | 36 9574 4004 | 130 | 22 | 551-01.007-03 | 36 9574 4029 | |||||
| 1,6 (16) | 312 | 217 | 17 | 24 | -04 | 4005 | 26 | -04 | 4030 | |||||||||
| 2,5 (25) | 332 | 275 | 226 | 35 | М20 | 40 | -05 | 4006 | 43 | -05 | 4031 | |||||||
| 200 | 1,0 (10) | 377 | 240 | 273 | 25 | 17 | 34 | 551-01.001-06 | 36 9574 4007 | 157 | 35 | 551-01.002 | 36 9574 4032 | |||||
| 1,6 (16) | 382 | 304 | 281 | 36 | М20 | 46 | -07 | 4008 | 48 | -01 | 4033 | |||||||
| 2,5 (25) | 422 | 312 | 291 | 40 | М24 | 65 | -08 | 4009 | 66 | -02 | 4034 | |||||||
| 250 | 1,0 (10) | 432 | 278 | 336 | 25 | 22 | 14 | 42 | 551-01.001-09 | 36 9574 4010 | 207 | 44 | 551-01.002-03 | 36 9574 4035 | ||||
| 1,6 (16) | 437 | 314 | 341 | 36 | М24 | 56 | -10 | 4011 | 62 | -04 | 4036 | |||||||
| 2,5 (25) | 502 | 322 | 346 | 40 | 96 | -11 | 4012 | 98 | -05 | 4037 | ||||||||
| 300 | 1,0 (10) | 492 | 297 | ± 3 | 391 | 30 | 22 | 16 | 60 | 551-01.001-12 | 36 9574 4013 | 257 | 62 | 551-01.002-06 | 36 9574 4038 | |||
| 1,6 (16) | 314 | 396 | 36 | М24 | 74 | -13 | 4014 | 76 | -07 | 4039 | ||||||||
| 2,5 (25) | 542 | 332 | 401 | 45 | 18 | 115 | -14 | 4015 | 118 | -08 | 4040 | |||||||
| 350 | 1,0 (10) | 307 | 441 | 30 | 22 | 74 | 551-01.001-15 | 36 9574 4016 | 307 | 77 | 551-01.002-09 | 36 9574 4041 | ||||||
| 1,6 (16) | 582 | 340 | 447 | 40 | М24 | 113 | -16 | 4017 | 117 | -10 | 4042 | |||||||
| 2,5 (25) | 607 | 362 | 460 | 50 | М27 | 20 | 151 | -17 | 4018 | 154 | -11 | 4043 | ||||||
| 400 | 1,0 (10) | 592 | 325 | 496 | 30 | 26 | 18 | 79 | 551-01.001-18 | 36 9574 4019 | 83 | 551-01.002-12 | 36 9574 4044 | |||||
| 1,6 (16) | 637 | 368 | 505 | 40 | М27 | 131 | -19 | 4020 | 357 | 135 | -13 | 4045 | ||||||
| 2,5 (25) | 662 | 390 | 510 | 50 | 20 | 178 | -20 | 4021 | 182 | -14 | 4046 | |||||||
| 450 | 1,0 (10) | 727 | 418 | 551 | 40 | 26 | 177 | 551-01.001-21 | 36 9574 4022 | 427 | 184 | 551-01.002-15 | 36 9574 4047 | |||||
| 1,6 (16) | 737 | 404 | 555 | М27 | 185 | -22 | 4023 | 192 | -16 | 4048 | ||||||||
| 500 | 1,0 (10) | 787 | 456 | 601 | 26 | 20 | 199 | 551-01.001-23 | 36 9574 4024 | 482 | 209 | 551-01.002-17 | 36 9574 4049 | |||||
| 1,6 (16) | 802 | 388 | 610 | М27 | 22 | 208 | -24 | 4025 | 215 | -18 | 4050 | |||||||
Таблица 3
Основные параметры и размерыкомпенсаторов, тип К001, исполнение 03, 04
Размеры в мм
| Условное давление Ру, МПа (кгс/см2) | н | L | D1 | D2 | D3 | D4 | D5 | b | d | п | Амплитуда | Исполнение | ||||||||||
| Номин. | Пред. откл. | хода | сдвига | поворота | 03 | 04 | ||||||||||||||||
| Масса, кг | Обозначение | Код ОКП | d1 | Масса, кг | Обозначение | Код ОКП | ||||||||||||||||
| 125 | 2,5 (25) | 287 | 287 | ± 2 | 196 | 143 | 159 | 143 | 159 | 26 | М20 | 10 | - | 7 | - | 18 | 551-01.003 | 36 9574 4301 | 105 | 21 | 551-01.027 | 36 9574 4313 |
| 4,0 (40) | 302 | 302 | 206 | 155 | 175 | 154 | 176 | 41 | 37 | -01 | 4302 | 40 | -01 | 4314 | ||||||||
| 6,3 (63) | 317 | 317 | 216 | 46 | 26 | 44 | -02 | 4303 | 46 | -02 | 4315 | |||||||||||
| 150 | 2,5 (25) | 342 | 256 | 226 | 169 | 185 | 169 | 185 | 26 | М20 | 12 | 32 | 551-01.003-03 | 36 9574 4304 | 130 | 35 | 551-01.027-03 | 36 9574 4316 | ||||
| 4,0 (40) | 362 | 286 | 236 | 183 | 203 | 182 | 204 | 41 | 26 | 53 | -04 | 4305 | 56 | -04 | 4317 | |||||||
| 6,3 (63) | 382 | 296 | 246 | 46 | 68 | -05 | 4306 | 71 | -05 | 4318 | ||||||||||||
| 200 | 2,5 (25) | 422 | 294 | 291 | 227 | 243 | 227 | 243 | 31 | М24 | 53 | 551-01.003-06 | 36 9574 4307 | 157 | 64 | 551-01.004 | 36 9574 4319 | |||||
| 4,0 (40) | 320 | 296 | 239 | 259 | 238 | 260 | 43 | 14 | 105 | -07 | 4308 | 107 | -01 | 4320 | ||||||||
| 6,3 (63) | 457 | 336 | 320 | 53 | 29 | 130 | -08 | 4309 | 132 | -02 | 4321 | |||||||||||
| 250 | 2,5 (25) | 502 | 314 | 346 | 280 | 300 | 280 | 300 | 36 | М24 | 86 | 551-01.003-09 | 36 9574 4310 | 207 | 88 | 551-01.004-03 | 36 9574 4322 | |||||
| 4,0 (40) | 348 | 360 | 292 | 312 | 291 | 313 | 51 | М27 | 125 | -10 | 4311 | 127 | -04 | 4323 | ||||||||
| 6,3 (63) | 527 | 368 | 375 | 62 | 33 | 155 | -11 | 4312 | 157 | -05 | 4324 | |||||||||||
Таблица 4
Основные параметры и размерыкомпенсаторов, тип К001, исполнение 05, 06
Размеры в мм
| Условное давление Ру, МПа (кгс/см2) | н | L | D1 | b | d | п | Амплитуда | Исполнение | ||||||||||
| Номин. | Пред. откл. | хода | сдвига | поворота | 05 | 06 | ||||||||||||
| Масса, кг | Обозначение | Код ОКП | d1 | Масса, кг | Обозначение | Код ОКП | ||||||||||||
| 125 | 1,0 (10) | 272 | 230 | ± 2 | 183 | 25 | 15 | 10 | - | 7 | - | 16 | 551-01.005 | 36 9574 4401 | 105 | 18 | 551-01.008 | 36 9574 4426 |
| 1,6 (16) | 282 | 187 | 17 | 19 | -01 | 4402 | 22 | -01 | 4427 | |||||||||
| 2,5 (25) | 302 | 270 | 196 | 30 | М20 | 26 | -02 | 4403 | 28 | -02 | 4428 | |||||||
| 150 | 1,0 (10) | 235 | 208 | 25 | 15 | 12 | 19 | 551-01.005-03 | 36 9574 4404 | 130 | 22 | 551-01.008-03 | 36 9574 4429 | |||||
| 1,6 (16) | 312 | 217 | 17 | 24 | -04 | 4405 | 26 | -04 | 4430 | |||||||||
| 2,5 (25) | 332 | 275 | 226 | 35 | М20 | 40 | -05 | 4406 | 43 | -05 | 4431 | |||||||
| 200 | 1,0 (10) | 377 | 240 | 273 | 25 | 17 | 34 | 551-01.005-06 | 36 9574 4407 | 157 | 35 | 551-01.006 | 36 9574 4432 | |||||
| 1,6 (16) | 382 | 304 | 281 | 36 | М20 | 46 | -07 | 4408 | 48 | -01 | 4433 | |||||||
| 2,5 (25) | 422 | 312 | 291 | 40 | М24 | 65 | -08 | 4409 | 66 | -02 | 4434 | |||||||
| 250 | 1,0 (10) | 432 | 278 | 336 | 25 | 22 | 14 | 42 | 551-01.005-09 | 36 9574 4410 | 207 | 44 | 551-01.006-03 | 36 9574 4435 | ||||
| 1,6 (16) | 437 | 314 | 341 | 36 | М24 | 59 | -10 | 4411 | 62 | -04 | 4436 | |||||||
| 2,5 (25) | 502 | 322 | 346 | 40 | 96 | -11 | 4412 | 98 | -05 | 4437 | ||||||||
| 300 | 1,0 (10) | 492 | 297 | ± 3 | 391 | 30 | 22 | 16 | 60 | 551-01.005-12 | 36 9574 4413 | 257 | 62 | 551-01.006-06 | 36 9574 4438 | |||
| 1,6 (16) | 314 | 396 | 36 | М24 | 74 | -13 | 4414 | 76 | -07 | 4439 | ||||||||
| 2,5 (25) | 542 | 332 | 401 | 45 | 18 | 115 | -14 | 4415 | 118 | -08 | 4440 | |||||||
| 350 | 1,0 (10) | 307 | 441 | 30 | 22 | 74 | 551-01.005-15 | 36 9574 4416 | 307 | 77 | 551-01 006-09 | 36 9574 4441 | ||||||
| 1,6 (16) | 582 | 340 | 447 | 40 | М24 | 113 | -16 | 4417 | 117 | -10 | 4442 | |||||||
| 2,5 (25) | 607 | 362 | 460 | 50 | М27 | 20 | 151 | -17 | 4418 | 154 | -11 | 4443 | ||||||
| 400 | 1,0 (10) | 592 | 325 | 496 | 30 | 26 | 18 | 79 | 551-01.005-18 | 36 9574 4419 | 357 | 83 | 551-01.006-12 | 36 9574 4444 | ||||
| 1,6 (16) | 637 | 368 | 505 | 40 | М27 | 131 | -19 | 4420 | 135 | -13 | 4445 | |||||||
| 2,5 (25) | 662 | 390 | 510 | 50 | 20 | 178 | -20 | 4421 | 182 | -14 | 4446 | |||||||
| 450 | 1,0 (10) | 727 | 418 | 551 | 40 | 26 | 177 | 551-01.005-21 | 36 9574 4422 | 427 | 184 | 551-01.006-15 | 36 9574 4447 | |||||
| 1,6 (16) | 737 | 404 | 555 | М27 | 185 | -22 | 4423 | 192 | -16 | 4448 | ||||||||
| 500 | 1,0 (10) | 787 | 456 | 601 | 26 | 199 | 551-01.005-23 | 36 9574 4424 | 482 | 209 | 551-01.006-17 | 36 9574 4449 | ||||||
| 1,6 (16) | 802 | 388 | 610 | М27 | 22 | 208 | -24 | 4425 | 215 | -18 | 4450 | |||||||
Таблица 5
Основные параметры и размерыкомпенсаторов, тип К001, исполнение 07, 08
Размеры в мм
| Условное давление Ру, МПа (кгс/см2) | н | L | D1 | b | d | п | Амплитуда | Исполнение | ||||||||||
| Номин. | Пред. откл. | хода | сдвига | поворота | 07 | 08 | ||||||||||||
| Масса, кг | Обозначение | Код ОКП | d1 | Масса, кг | Обозначение | Код ОКП | ||||||||||||
| 200 | 1,0 (10) | 377 | 270 | ± 2 | 273 | 40 | 17 | 12 | - | 7 | - | 39 | 551-01.009 | 36 9574 4601 | 157 | 40 | 551-01.010 | 36 9574 4620 |
| 1,6 (16) | 382 | 334 | 281 | 51 | М20 | 52 | -01 | 4602 | 53 | -01 | 4621 | |||||||
| 2,5 (25) | 422 | 352 | 291 | 60 | М24 | 74 | -02 | 4603 | 76 | -02 | 4622 | |||||||
| 250 | 1,0 (10) | 432 | 308 | 336 | 40 | 22 | 14 | 49 | 551-01.009-03 | 36 9574 4604 | 207 | 52 | 551-01.010-03 | 36 9574 4623 | ||||
| 1,6 (16) | 437 | 344 | 341 | 51 | М24 | 67 | -04 | 4605 | 69 | -04 | 4624 | |||||||
| 2,5 (25) | 502 | 363 | 346 | 60 | 111 | -05 | 4606 | 113 | -05 | 4625 | ||||||||
| 300 | 1,0 (10) | 492 | 327 | ± 3 | 391 | 45 | 22 | 16 | 66 | 551-01.009-06 | 36 9574 4607 | 257 | 68 | 551-01.010-06 | 36 9574 4626 | |||
| 1,6 (16) | 344 | 396 | 51 | М24 | 80 | -07 | 4608 | 82 | -07 | 4627 | ||||||||
| 2,5 (25) | 542 | 373 | 401 | 65 | 18 | 124 | -08 | 4609 | 124 | -08 | 4628 | |||||||
| 350 | 1,0 (10) | 337 | 441 | 45 | 22 | 81 | 551-01.009-09 | 36 9574 4610 | 307 | 85 | 551-01.010-09 | 36 9574 4629 | ||||||
| 1,6 (16) | 547 | 363 | 447 | 51 | М24 | 93 | -10 | 4611 | 97 | -10 | 4630 | |||||||
| 2,5 (25) | 607 | 402 | 460 | 70 | М27 | 20 | 164 | -11 | 4612 | 168 | -11 | 4631 | ||||||
| 400 | 1,0 (10) | 592 | 356 | 496 | 45 | 26 | 18 | 89 | 551-01.009-12 | 36 9574 4613 | 357 | 93 | 551-01.010-12 | 36 9574 4632 | ||||
| 1,6 (16) | 617 | 390 | 505 | 51 | М27 | 126 | -13 | 4614 | 130 | -13 | 4633 | |||||||
| 2,5 (25) | 667 | 430 | 510 | 70 | 20 | 190 | -14 | 4615 | 195 | -14 | 4634 | |||||||
| 450 | 1,0 (10) | 727 | 438 | 551 | 50 | 26 | 165 | 551-01.009-15 | 36 9574 4616 4617 | 427 | 172 | 551-01.010-15 | 36 9574 4635 | |||||
| 1,6 (16) | 737 | 444 | 555 | 60 | М27 | 197 | -16 | 203 | -16 | 4636 | ||||||||
| 500 | 1,0 (10) | 787 | 486 | 601 | 55 | 26 | 198 | 551-01.009-17 | 36 9574 4618 | 482 | 205 | 551-01.010-17 | 36 9574 4637 | |||||
| 1,6 (16) | 807 | 428 | 610 | 60 | М27 | 22 | 228 | -18 | 4619 | 235 | -18 | 4638 | ||||||
Таблица 6
Основные параметры и размерыкомпенсаторов, тип К001, исполнение 09, 10, 11
Размеры в мм
| Условное давление Ру, МПа (кгс/см2) | н | L | D1 | b | d | п | Амплитуда | Масса, кг | Исполнение | |||||||||
| Номин. | Пред. откл. | хода | сдвига | поворота | 09 | 10 | 11 | |||||||||||
| Обозначение | Код ОКП | Обозначение | Код ОКП | Обозначение | Код ОКП | |||||||||||||
| 200 | 1,0 (10) | 377 | 245 | ± 2 | 273 | 25 | 17 | 12 | - | 7 | - | 37 | 551-01.011 | 36 9574 4523 | 551-01.012 | 36 9574 4530 | 551-01.013 | 36 9574 4537 |
| 250 | 1,0 (10) | 432 | 282 | 336 | 22 | 14 | 47 | 551-01.011-01 | 36 9574 4524 | 551-01.012-01 | 36 9574 4531 | 551-01.013-01 | 36 9574 4538 | |||||
| 300 | 1,0 (10) | 492 | 301 | ± 3 | 391 | 30 | 16 | 61 | 551-01.011-02 | 36 9574 4525 | 551-01.012-02 | 36 9574 4532 | 551-01.013-02 | 36 9574 4539 | ||||
| 350 | 1,0 (10) | 542 | 312 | 441 | 18 | 77 | 551-01.011-03 | 36 9574 4526 | 551-01.012-03 | 36 9574 4533 | 551-01.013-03 | 36 9574 4540 | ||||||
| 400 | 1,0 (10) | 592 | 332 | 496 | 26 | 79 | 551-01.011-04 | 36 9574 4527 | 551-01.012-04 | 36 9574 4534 | 551-01.013-04 | 36 9574 4541 | ||||||
| 450 | 1,0 (10) | 727 | 415 | 551 | 35 | 20 | 171 | 551-01.011-05 | 36 9574 4528 | 551-01.012-05 | 36 9574 4535 | 551-01.013-05 | 36 9574 4542 | |||||
| 500 | 1,0 (10) | 787 | 452 | 601 | 194 | 551-01.011-06 | 36 9574 4529 | 551-01.012-06 | 36 9574 4536 | 551-01.013-06 | 36 9574 4543 | |||||||
Таблица 7
Основные параметры и размерыкомпенсаторов, тип К010, исполнение 01, 02
Размеры в мм
| Условное давление Ру, МПа (кгс/см2) | н | L | D1 | b | d | п | Амплитуда | Исполнение | ||||||||||||
| Номин. | Пред. откл. | хода | сдвига | поворота | 01 | 02 | ||||||||||||||
| Масса, кг | Обозначение | Код ОКП | d1 | Масса, кг | Обозначение | Код ОКП | b | L | ||||||||||||
| 65 | 1,0 (10) | 232 | 213 | ± 2 | 123 | 18 | 15 | 6 | - | - | 10° | 10 | 551-01.014 | 36 9574 7125 | 50 | 16 | 551-01.015 | 36 9574 7149 | 24 | 225 |
| 1,6 (16) | 242 | 225 | 132 | 24 | 17 | 8 | 15 | -01 | 7126 | -01 | 7150 | |||||||||
| 80 | 1,0 (10) | 242 | 200 | 138 | 18 | 15 | 12 | 551-01.014-02 | 36 9574 7127 | 60 | 551-01.015-02 | 36 9574 7151 | 210 | |||||||
| 1,6 (16) | 260 | 215 | 147 | 26 | 17 | 17 | -03 | 7128 | 18 | -03 | 7152 | 26 | 215 | |||||||
| 100 | 1,0 (10) | 265 | 200 | 158 | 18 | 15 | 14 | 551-01.014-04 | 36 9574 7129 | 80 | 22 | 551-01.015-04 | 36 9574 7153 | 24 | 210 | |||||
| 1,6 (16) | 280 | 215 | 167 | 26 | 17 | 10 | 21 | -05 | 7130 | -05 | 7154 | 26 | 215 | |||||||
| 125 | 1,0 (10) | 290 | 220 | 183 | 20 | 15 | 19 | 551-01.014-06 | 36 9574 7131 | 105 | 29 | 551-01.015-06 | 36 9574 7155 | 24 | 228 | |||||
| 1,6 (16) | 303 | 235 | 187 | 28 | 17 | 27 | -07 | 7132 | -07 | 7156 | 28 | 235 | ||||||||
| 150 | 1,0 (10) | 332 | 225 | 208 | 20 | 15 | 12 | 29 | 551-01.014-08 | 36 9574 7133 | 130 | 551-01.015-08 | 36 9574 7157 | 24 | 233 | |||||
| 1,6 (16) | 340 | 240 | 217 | 28 | 17 | 32 | -09 | 7134 | 34 | -09 | 7158 | 28 | 240 | |||||||
| 200 | 1,0 (10) | 410 | 273 | 25 | 44 | 551-01.014-10 | 36 9574 7135 | 157 | 45 | 551-01.020 | 36 9574 7159 | 25 | 240 | |||||||
| 1,6 (16) | 425 | 292 | 281 | 30 | М20 | 59 | -11 | 7136 | 64 | -01 | 7160 | 30 | 292 | |||||||
| 250 | 1,0 (10) | 487 | 278 | 336 | 25 | 22 | 14 | 70 | 551-01.014-12 | 36 9574 7137 | 207 | 72 | 551-01.020-02 | 36 9574 7161 | 25 | 278 | ||||
| 1,6 (16) | 528 | 305 | 341 | 32 | М24 | 76 | -13 | 7138 | 83 | -03 | 7162 | 32 | 305 | |||||||
| 300 | 1,0 (10) | 555 | 297 | ± 3 | 391 | 30 | 22 | 16 | 100 | 551-01.014-14 | 36 9574 7139 | 257 | 102 | 551-01.020-04 | 36 9574 7163 | 30 | 297 | |||
| 1,6 (16) | 583 | 310 | 396 | 40 | М24 | 115 | -15 | 7140 | 117 | -05 | 7164 | 40 | 310 | |||||||
| 350 | 1,0 (10) | 633 | 307 | 441 | 30 | 22 | 18 | 138 | 551-01.014-16 | 36 9574 7141 | 307 | 142 | 551-01.020-06 | 36 9574 7165 | 30 | 307 | ||||
| 1,6 (16) | 660 | 360 | 447 | 50 | М24 | 317 | -17 | 7142 | 320 | -07 | 7166 | 50 | 360 | |||||||
| 400 | 1,0 (10) | 720 | 325 | 496 | 30 | 26 | 194 | 551-01.014-18 | 36 9574 7143 | 357 | 197 | 551-01.020-08 | 36 9574 7167 | 30 | 325 | |||||
| 1,6 (16) | 745 | 388 | 505 | 50 | М27 | 322 | -19 | 7144 | 326 | -09 | 7168 | 50 | 388 | |||||||
| 450 | 1,0 (10) | 805 | 428 | 551 | 45 | 26 | 20 | 288 | 551-01.014-20 | 36 9574 7145 | 427 | 295 | 551-01.020-10 | 36 9574 7169 | 45 | 428 | ||||
| 1,6 (16) | 834 | 455 | 555 | 65 | М27 | 409 | -21 | 7146 | 416 | -11 | 7170 | 65 | 455 | |||||||
| 500 | 1,0 (10) | 865 | 495 | 601 | 60 | 26 | 22 | 442 | 551-01.014-22 | 36 9574 7147 | 482 | 451 | 551-01.020-12 | 36 9574 7171 | 60 | 495 | ||||
| 1,6 (16) | 965 | 468 | 610 | 80 | М27 | 563 | -23 | 7148 | 573 | -13 | 7172 | 80 | 468 | |||||||
Таблица 8
Основные параметры и размерыкомпенсаторов, тип К010, исполнение 03, 04
Размеры в мм
| Условное давление Ру, МПа (кгс/см2) | н | L | D1 | D2 | D3 | D4 | D5 | b | d | п | Амплитуда | Исполнение | ||||||||||
| Номин. | Пред. откл. | хода | сдвига | поворота | 03 | 04 | ||||||||||||||||
| Масса, кг | Обозначение | Код ОКП | d1 | Масса, кг | Обозначение | Код ОКП | ||||||||||||||||
| 65 | 0,25 (2,5) | 247 | 225 | ± 2 | 137 | 94 | 110 | 94 | 110 | 24 | 17 | 8 | - | - | 10° | 15 | 551-01.016 | 36 9574 7173 | 50 | 17 | 551-01.017-01 | 36 9574 7301 |
| 0,63 (6,3) | -01 | 7174 | -01 | 7302 | ||||||||||||||||||
| 1,0 (10) | 16 | -02 | 7175 | -02 | 7303 | |||||||||||||||||
| 80 | 0,25 (2,5) | 265 | 210 | 152 | 105 | 121 | 105 | 121 | 17 | 551-01.016-03 | 36 9574 7176 | 60 | 18 | 551-01.017-03 | 36 9574 7304 | |||||||
| 0,63 (6,3) | -04 | 7177 | -04 | 7305 | ||||||||||||||||||
| 1,0 (10) | -05 | 7178 | -05 | 7306 | ||||||||||||||||||
| 100 | 1,0 (10) | 158 | 118 | 134 | 118 | 134 | 15 | 19 | 551-01.016-06 | 36 9574 7179 | 80 | 21 | 551-01.017-06 | 36 9574 7307 | ||||||||
| 125 | 1,0 (10) | 290 | 232 | 183 | 143 | 159 | 143 | 159 | 26 | 10 | 22 | 551-01.016-07 | 36 9574 7180 | 105 | 23 | 551-01.017-07 | 36 9574 7308 | |||||
| 150 | 1,0 (10) | 332 | 237 | 208 | 169 | 185 | 169 | 185 | 12 | 27 | 551-01.016-08 | 36 9574 7181 | 130 | 29 | 551-01.017-08 | 36 9574 7309 | ||||||
| 200 | 1,0 (10) | 410 | 242 | 273 | 227 | 243 | 227 | 243 | 17 | 43 | 551-01.016-09 | 36 9574 7182 | 157 | 44 | 551-01.028 | 36 9574 7310 | ||||||
| 250 | 1,0 (10) | 488 | 280 | 336 | 280 | 300 | 280 | 300 | 22 | 14 | 72 | 551-01.016-10 | 36 9574 7183 | 207 | 74 | 551-01.028-01 | 36 9574 7311 | |||||
Таблица 9
Основные параметры и размерыкомпенсаторов, тип К010, исполнение 05, 06
Размеры в мм
| Условное давление Ру, МПа (кгс/см2) | н | L | D1 | b | d | п | Амплитуда | Исполнение | ||||||||||||
| Номин. | Пред. откл. | хода | сдвига | поворота | 05 | 06 | ||||||||||||||
| Масса, кг | Обозначение | Код ОКП | d1 | Масса, кг | Обозначение | Код ОКП | b | L | ||||||||||||
| 65 | 1,0 (10) | 232 | 213 | ± 2 | 123 | 18 | 15 | 6 | - | - | 10° | 10 | 551-01.018 | 36 9574 7401 | 50 | 16 | 551-01.019 | 36 9574 7425 | 24 | 225 |
| 1,6 (16) | 242 | 225 | 132 | 24 | 17 | 8 | 15 | -01 | 7402 | -01 | 7426 | |||||||||
| 80 | 1,0 (10) | 242 | 200 | 138 | 18 | 15 | 12 | 551-01.018-02 | 36 9574 7403 | 60 | 18 | 551-01.019-02 | 36 9574 7427 | 210 | ||||||
| 1,6 (16) | 260 | 215 | 147 | 26 | 17 | 10 | 17 | -03 | 7404 | -03 | 7428 | 26 | 215 | |||||||
| 100 | 1,0 (10) | 265 | 200 | 158 | 18 | 15 | 14 | 551-01.018-04 | 36 9574 7405 | 80 | 22 | 551-01.019-04 | 36 9574 7429 | 24 | 210 | |||||
| 1,6 (16) | 280 | 215 | 167 | 26 | 17 | 21 | -05 | 7406 | -05 | 7430 | 26 | 215 | ||||||||
| 125 | 1,0 (10) | 290 | 220 | 183 | 20 | 15 | 19 | 551-01.018-06 | 36 9574 7407 | 105 | 29 | 551-01.019-06 | 36 9574 7431 | 24 | 228 | |||||
| 1,6 (16) | 303 | 235 | 187 | 28 | 17 | 27 | -07 | 7408 | -07 | 7432 | 28 | 235 | ||||||||
| 150 | 1,0 (10) | 332 | 225 | 208 | 20 | 15 | 12 | 29 | 551-01.018-08 | 36 9574 7409 | 130 | 551-01.019-08 | 36 9574 7433 | 24 | 233 | |||||
| 1,6 (16) | 340 | 240 | 217 | 28 | 17 | 32 | -09 | 7410 | -09 | 7434 | 28 | 240 | ||||||||
| 200 | 1,0 (10) | 410 | 273 | 25 | 44 | 551-01.018-10 | 3695747411 | 157 | 45 | 551-01.021 | 36 9574 7435 | 25 | 240 | |||||||
| 1,6 (16) | 425 | 292 | 281 | 30 | М20 | 59 | -11 | 7412 | 64 | -01 | 7436 | 30 | 292 | |||||||
| 250 | 1,0 (10) | 487 | 278 | 336 | 25 | 22 | 14 | 70 | 551-01.018-12 | 3695747413 | 72 | 551-01.021-02 | 36 9574 7437 | 25 | 278 | |||||
| 1,6 (16) | 528 | 305 | 341 | 32 | М24 | 76 | -13 | 7414 | 207 | 83 | -03 | 7438 | 32 | 305 | ||||||
| 300 | 1,0 (10) | 555 | 297 | ± 3 | 391 | 30 | 22 | 16 | 100 | 551-01.018-14 | 36 9574 7415 | 257 | 103 | 551-01.021-04 | 36 9574 7439 | 30 | 297 | |||
| 1,6 (16) | 583 | 310 | 396 | 40 | М24 | 115 | -15 | 7416 | 117 | -05 | 7440 | 40 | 310 | |||||||
| 350 | 1,0 (10) | 633 | 307 | 441 | 30 | 22 | 18 | 138 | 551-01.018-16 | 36 9574 7417 | 307 | 142 | 551-01.021-06 | 36 9574 7441 | 30 | 307 | ||||
| 1,6 (16) | 660 | 360 | 447 | 50 | М24 | 317 | -17 | 7418 | 320 | -07 | 7442 | 50 | 360 | |||||||
| 400 | 1,0 (10) | 720 | 325 | 496 | 30 | 26 | 194 | 551-01.018-18 | 36 9574 7419 | 357 | 197 | 551-01.021-08 | 36 9574 7443 | 30 | 325 | |||||
| 1,6 (16) | 745 | 388 | 505 | 50 | М27 | 322 | -19 | 7420 | 326 | -09 | 7444 | 50 | 388 | |||||||
| 450 | 1,0 (10) | 805 | 428 | 551 | 45 | 26 | 20 | 288 | 551-01.018-20 | 36 9574 7421 | 427 | 295 | 551-01.021-10 | 36 9574 7445 | 45 | 428 | ||||
| 1,6 (16) | 834 | 455 | 555 | 65 | М27 | 409 | -21 | 7422 | 416 | -11 | 7446 | 65 | 455 | |||||||
| 500 | 1,0 (10) | 865 | 495 | 601 | 60 | 26 | 22 | 442 | 551-01.018-22 | 36 9574 7423 | 482 | 451 | 551-01.021-12 | 36 9574 7447 | 60 | 495 | ||||
| 1,6 (16) | 965 | 468 | 610 | 80 | М27 | 563 | -23 | 7424 | 573 | -13 | 7448 | 80 | 468 | |||||||
Таблица 10
Основные параметры и размерыкомпенсаторов, тип К010, исполнение 07, 08
Размеры в мм
| Условное давление Ру, МПа (кгс/см2) | н | L | D1 | b | d | п | Амплитуда | Исполнение | ||||||||||
| Но-мин. | Пред. откл. | хода | сдвига | поворота | 07 | 08 | ||||||||||||
| Масса, кг | Обозначение | Код ОКП | d1 | Масса, кг | Обозначение | Код ОКП | ||||||||||||
| 100 | 1,0 (10) | 265 | 240 | ± 2 | 158 | 38 | 15 | 8 | - | - | 10° | 16 | 551-01.022 | 36 9574 7601 | 80 | 24 | 551-01.023 | 36 9574 7621 |
| 1,6 (16) | 280 | 255 | 167 | 46 | 17 | 10 | 23 | -01 | 7602 | 29 | -01 | 7622 | ||||||
| 125 | 1,0 (10) | 290 | 260 | 183 | 40 | 15 | 21 | 551-01.022-02 | 36 9574 7603 | 105 | 31 | 551-01.023-02 | 36 9574 7623 | |||||
| 1,6 (16) | 303 | 275 | 187 | 48 | 17 | 29 | -03 | 7604 | 37 | -03 | 7624 | |||||||
| 150 | 1,0 (10) | 332 | 265 | 208 | 40 | 15 | 12 | 31 | 551-01.022-04 | 36 9574 7605 | 130 | 36 | 551-01.023-04 | 36 9574 7625 | ||||
| 1,6 (16) | 340 | 280 | 217 | 48 | 17 | 34 | -05 | 7606 | 43 | -05 | 7626 | |||||||
| 200 | 1,0 (10) | 410 | 270 | 273 | 40 | 48 | 551-01.022-06 | 36 9574 7607 | 157 | 48 | 551-01.029 | 36 9574 7627 | ||||||
| 1,6 (16) | 428 | 322 | 281 | 45 | М20 | 63 | -07 | 7608 | 66 | -01 | 7628 | |||||||
| 250 | 1,0 (10) | 488 | 308 | 336 | 40 | 22 | 14 | 76 | 551-01.022-08 | 36 9574 7609 | 207 | 77 | 551-01.029-02 | 36 9574 7629 | ||||
| 1,6 (16) | 528 | 335 | 341 | 47 | М24 | 82 | -09 | 7610 | 86 | -03 | 7630 | |||||||
| 300 | 1,0 (10) | 555 | 327 | ± 3 | 391 | 45 | 22 | 16 | 107 | 551-01.022-10 | 36 9574 7611 | 257 | 110 | 551-01.029-04 | 36 9574 7631 | |||
| 1,6 (16) | 583 | 352 | 396 | 55 | М24 | 230 | -11 | 7612 | 124 | -05 | 7632 | |||||||
| 350 | 1,0 (10) | 633 | 337 | 441 | 45 | 22 | 18 | 142 | 551-01.022-12 | 36 9574 7613 | 307 | 149 | 551-01.029-06 | 36 9574 7633 | ||||
| 1,6 (16) | 660 | 390 | 447 | 65 | М24 | 325 | -13 | 7614 | 329 | -07 | 7634 | |||||||
| 400 | 1,0 (10) | 720 | 355 | 496 | 45 | 26 | 202 | 551-01.022-14 | 36 9574 7615 | 357 | 206 | 551-01.029-08 | 36 9574 7635 | |||||
| 1,6 (16) | 745 | 418 | 505 | 65 | М27 | 332 | -15 | 7616 | 336 | -09 | 7636 | |||||||
| 450 | 1,0 (10) | 805 | 458 | 551 | 60 | 26 | 20 | 296 | 551-01.022-16 | 36 9574 7617 | 427 | 301 | 551-01.029-10 | 36 9574 7637 | ||||
| 1,6 (16) | 834 | 485 | 555 | 80 | М27 | 419 | -17 | 7618 | 426 | -11 | 7638 | |||||||
| 500 | 1,0 (10) | 865 | 525 | 601 | 75 | 26 | 432 | 551-01.022-18 | 36 9574 7619 | 482 | 460 | 551-01.029-12 | 36 9574 7639 | |||||
| 1,6 (16) | 965 | 498 | 610 | 95 | М27 | 22 | 575 | -19 | 7620 | 585 | -13 | 7640 | ||||||
Основные параметры и размерыкомпенсаторов, тип К010, исполнение 09, 10, 11
Размеры в мм
| Условное давление Ру, МПа (кгс/см2) | н | L | D1 | b | d | п | Амплитуда | Масса, кг | Исполнение | |||||||||
| Номин. | Пред. откл. | хода | сдвига | поворота | 09 | 10 | 11 | |||||||||||
| Обозначение | Код ОКП | Обозначение | Код ОКП | Обозначение | Код ОКП | |||||||||||||
| 100 | 1,0 (10) | 265 | 200 | ± 2 | 158 | 18 | 15 | 8 | - | - | 10° | 14 | 551-01.024 | 36 9574 7510 | 551-01.025 | 36 9574 7523 | 551-01.026 | 36 9574 7536 |
| 1,6 (16) | 280 | 215 | 167 | 26 | 17 | 10 | 21 | -01 | 7511 | -01 | 7524 | -01 | 7537 | |||||
| 125 | 1,0 (10) | 290 | 220 | 183 | 20 | 15 | 19 | 551-01.024-02 | 36 9574 7512 | 551-01.025-02 | 36 9574 7525 | 551-01.026-02 | 36 9574 7538 | |||||
| 1,6 (16) | 303 | 235 | 187 | 28 | 17 | 27 | -03 | 7513 | -03 | 7526 | -03 | 7539 | ||||||
| 150 | 1,0 (10) | 332 | 225 | 208 | 20 | 15 | 12 | 29 | 551-01.024-04 | 36 9574 7514 | 551-01.025-04 | 36 9574 7527 | 551-01.026-04 | 36 9574 7540 | ||||
| 1,6 (16) | 340 | 240 | 217 | 28 | 17 | 32 | -05 | 7515 | -05 | 7528 | -05 | 7541 | ||||||
| 200 | 1,0 (10) | 410 | 273 | 25 | 49 | 551-01.024-06 | 36 9574 7516 | 551-01.025-06 | 36 9574 7529 | 551-01.026-06 | 36 9574 7542 | |||||||
| 250 | 1,0 (10) | 488 | 278 | 336 | 22 | 14 | 76 | 551-01.024-07 | 36 9574 7517 | 551-01.025-07 | 36 9574 7530 | 551-01.026-07 | 36 9574 7543 | |||||
| 300 | 1,0 (10) | 555 | 297 | ± 3 | 391 | 30 | 16 | 106 | 551-01.024-08 | 36 9574 7518 | 551-01.025-08 | 36 9574 7531 | 551-01.026-08 | 36 9574 7544 | ||||
| 350 | 1,0 (10) | 633 | 307 | 441 | 18 | 151 | 551-01.024-09 | 36 9574 7519 | 551-01.025-09 | 36 9574 7532 | 551-01.026-09 | 36 9574 7545 | ||||||
| 400 | 1,0 (10) | 720 | 325 | 496 | 26 | 194 | 551-01.024-10 | 36 9574 7520 | 551-01.025-10 | 36 9574 7533 | 551-01.026-10 | 36 9574 7546 | ||||||
| 450 | 1,0 (10) | 805 | 428 | 551 | 45 | 20 | 310 | 551-01.024-11 | 36 9574 7521 | 551-01.025-11 | 36 9574 7534 | 551-01.026-11 | 36 9574 7547 | |||||
| 500 | 1,0 (10) | 865 | 495 | 601 | 60 | 423 | 551-01.024-12 | 36 9574 7522 | 551-01.025-12 | 36 9574 7535 | 551-01.026-12 | 36 9574 7548 | ||||||
Основные параметры и размерыкомпенсаторов, тип К011, исполнение 01, 02
Размеры в мм
| Условное давление Ру, МПа (кгс/см2) | н | L | D1 | b | d | п | Амплитуда | Исполнение | ||||||||||
| Номин. | Пред. откл. | хода | сдвига | поворота | 01 | 02 | ||||||||||||
| Масса, кг | Обозначение | Код ОКП | d1 | Масса, кг | Обозначение | Код ОКП | ||||||||||||
| 65 | 0,25 (2,5) | 212 | 250 | ± 2 | 123 | 22 | 15 | 6 | - | 10 | 10° | 9 | 551-01.031 | 36 9574 3111 | 50 | 10 | 551-01.037 | 36 9574 3132 |
| 0,63 (6,3) | -01 | 3112 | -01 | 3133 | ||||||||||||||
| 80 | 0,25 (2,5) | 227 | 207 | 138 | 8 | 7 | 10 | 551-01.031-02 | 36 9574 3113 | 60 | 11 | 551-01.037-02 | 36 9574 3134 | |||||
| 0,63 (6,3) | -03 | 3114 | -03 | 3135 | ||||||||||||||
| 100 | 0,25 (2,5) | 247 | 158 | 11 | 551-01.031-04 | 36 9574 3115 | 80 | 13 | 551-01.037-04 | 36 9574 3136 | ||||||||
| 0,63 (6,3) | -05 | 3116 | -05 | 3137 | ||||||||||||||
| 125 | 0,25 (2,5) | 282 | 230 | 183 | 25 | 10 | 16 | 551-01.031-06 | 36 9574 3117 | 105 | 18 | 551-01.037-06 | 36 9574 3138 | |||||
| 0,63 (6,3) | 17 | -07 | 3118 | 19 | -07 | 3139 | ||||||||||||
| 150 | 0,25 (2,5) | 312 | 235 | 208 | 12 | 20 | 551-01.031-08 | 36 9574 3119 | 130 | 22 | 551-01.037-08 | 36 9574 3140 | ||||||
| 0,63 (6,3) | -09 | 3120 | 23 | -09 | 3141 | |||||||||||||
| 200 | 0,25 (2,5) | 372 | 240 | 264 | 28 | 551-01.031-10 | 36 9574 3121 | 157 | 29 | 551-01.032 | 36 9574 3142 | |||||||
| 0,63 (6,3) | 30 | -11 | 3122 | 32 | -01 | 3143 | ||||||||||||
| 250 | 0,25 (2,5) | 432 | 278 | 327 | 17 | 14 | 47 | 551-01.031-12 | 36 9574 3123 | 207 | 49 | 551-01.032-02 | 36 9574 3144 | |||||
| 0,63 (6,3) | 50 | -13 | 3124 | 52 | -03 | 3145 | ||||||||||||
| 300 | 0,25 (2,5) | 492 | 297 | ± 3 | 386 | 30 | 22 | 52 | 551-01.031-14 | 36 9574 3125 | 257 | 55 | 551-01.032-04 | 36 9574 3146 | ||||
| 0,63 (6,3) | 56 | -15 | 3126 | 59 | -05 | 3147 | ||||||||||||
| 350 | 0,25 (2,5) | 537 | 307 | 436 | 16 | 58 | 551-01.031-16 | 36 9574 3127 | 307 | 61 | 551-01.032-06 | 36 9574 3148 | ||||||
| 0,63 (6,3) | 65 | -17 | 3128 | 68 | -07 | 3149 | ||||||||||||
| 400 | 0,63 (6,3) | 587 | 326 | 486 | 72 | 551-01.031-18 | 36 9574 3129 | 357 | 76 | 551-01.032-08 | 36 9574 3150 | |||||||
| 450 | 0,63 (6,3) | 737 | 408 | 536 | 35 | 18 | 147 | 551-01.031-19 | 36 9574 3130 | 426 | 154 | 551-01.032-09 | 36 9574 3151 | |||||
| 500 | 0,63 (6,3) | 797 | 450 | 591 | 37 | 20 | 164 | 551-01.031-20 | 36 9574 3131 | 480 | 174 | 551-01.032-10 | 36 9574 3152 | |||||
Таблица 13
Основные параметры и размерыкомпенсаторов, тип К011, исполнение 03, 04
Размеры в мм
| Условное давление Ру, МПа (кгс/см2) | н | L | D1 | D2 | D3 | D4 | D5 | b | d | п | Амплитуда | Исполнение | ||||||||||
| Номин. | Пред. откл. | хода | сдвига | поворота | 03 | 04 | ||||||||||||||||
| Масса, кг | Обозначение | Код ОКП | d1 | Масса, кг | Обозначение | Код ОКП | ||||||||||||||||
| 65 | 1,0 (10) | 232 | 225 | ± 2 | 137 | 94 | 110 | 94 | 110 | 24 | 17 | 8 | - | 10 | 10° | 13 | 551-01.033 | 36 9574 3301 | 50 | 14 | 551-01.043 | 36 9574 3310 |
| 1,6 (16) | -01 | 3302 | -01 | 3311 | ||||||||||||||||||
| 80 | 1,0 (10) | 242 | 210 | 152 | 105 | 121 | 105 | 121 | 7 | 551-01.033-02 | 36 9574 3303 | 60 | 551-01.043-02 | 36 9574 3312 | ||||||||
| 1,6 (16) | 14 | -03 | 3304 | 15 | -03 | 3313 | ||||||||||||||||
| 100 | 1,0 (10) | 252 | 158 | 118 | 134 | 118 | 134 | 15 | 551-01.033-04 | 36 9574 3305 | 80 | 551-01.043-04 | 36 9574 3314 | |||||||||
| 125 | 1,0 (10) | 282 | 230 | 183 | 143 | 159 | 143 | 159 | 26 | 10 | 18 | 551-01.033-05 | 36 9574 3306 | 105 | 20 | 551-01.043-05 | 36 9574 3315 | |||||
| 150 | 1,0 (10) | 312 | 235 | 208 | 169 | 185 | 169 | 185 | 12 | 21 | 551-01 033-06 | 36 9574 3307 | 130 | 24 | 551-01.043-06 | 36 9574 3316 | ||||||
| 200 | 1,0 (10) | 395 | 246 | 273 | 227 | 243 | 227 | 243 | 17 | 40 | 551-01.033-07 | 36 9574 3308 | 157 | 41 | 551-01.034 | 36 9574 3317 | ||||||
| 250 | 1,0 (10) | 457 | 283 | 336 | 280 | 300 | 280 | 300 | 22 | 14 | 52 | 551-01.033-08 | 36 9574 3309 | 207 | 54 | 551-01.034-01 | 36 9574 3318 | |||||
Таблица 14
Основные параметры и размерыкомпенсаторов, тип К011, исполнение 05, 06
Размеры в мм
| Условное давление Ру, МПа (кгс/см2) | н | L | D1 | b | d | п | Амплитуда | Исполнение | ||||||||||
| Номин. | Пред. откл. | хода | сдвига | поворота | 05 | 06 | ||||||||||||
| Масса, кг | Обозначение | Код ОКП | d1 | Масса, кг | Обозначение | Код ОКП | ||||||||||||
| 65 | 0,25 (2,5) | 212 | 250 | ± 2 | 123 | 22 | 15 | 6 | - | 10 | 10° | 9 | 551-01.035 | 36 9574 3401 | 50 | 10 | 551-01.038 | 36 9574 3422 |
| 0,63 (6,3) | -01 | 3402 | -01 | 3423 | ||||||||||||||
| 80 | 0,25 (2,5) | 227 | 207 | 138 | 8 | 7 | 10 | 551-01.035-02 | 36 9574 3403 | 60 | 11 | 551-01.038-02 | 36 9574 3424 | |||||
| 0,63 (6,3) | -03 | 3404 | -03 | 3425 | ||||||||||||||
| 100 | 0,25 (2,5) | 247 | 158 | 11 | 551-01.035-04 | 36 9574 3405 | 80 | 13 | 551-01.038-04 | 36 9574 3426 | ||||||||
| 0,63 (6,3) | -05 | 3406 | -05 | 3427 | ||||||||||||||
| 125 | 0,25 (2,5) | 282 | 230 | 183 | 25 | 10 | 16 | 551-01.035-06 | 36 9574 3407 | 105 | 18 | 551-01.038-06 | 36 9574 3428 | |||||
| 0,63 (6,3) | 17 | -07 | 3408 | 19 | -07 | 3429 | ||||||||||||
| 150 | 0,25 (2,5) | 312 | 235 | 208 | 12 | 20 | 551-01.035-08 | 36 9574 3409 | 130 | 22 | 551-01.038-08 | 36 9574 3430 | ||||||
| 0,63 (6,3) | -09 | 3410 | 23 | -09 | 3431 | |||||||||||||
| 200 | 0,25 (2,5) | 372 | 240 | 264 | 28 | 551-01.035-10 | 36 9574 3411 | 157 | 29 | 551-01.036 | 36 9574 3432 | |||||||
| 0,63 (6,3) | 30 | -11 | 3412 | 32 | -01 | 3433 | ||||||||||||
| 250 | 0,25 (2,5) | 432 | 278 | 327 | 17 | 14 | 47 | 551-01.035-12 | 36 9574 3413 | 207 | 49 | 551-01.036-02 | 36 9574 3434 | |||||
| 0,63 (6,3) | 50 | -13 | 3414 | 52 | -03 | 3435 | ||||||||||||
| 300 | 0,25 (2,5) | 492 | 297 | ± 3 | 386 | 30 | 22 | 52 | 551-01.035-14 | 36 9574 3415 | 257 | 55 | 551-01.036-04 | 36 9574 3436 | ||||
| 0,63 (6,3) | 56 | -15 | 3416 | 59 | -05 | 3437 | ||||||||||||
| 350 | 0,25 (2,5) | 537 | 307 | 436 | 16 | 58 | 551-01.035-16 | 36 9574 3417 | 307 | 61 | 551-01.036-06 | 36 9574 3438 | ||||||
| 0,63 (6,3) | 65 | -17 | 3418 | 68 | -07 | 3439 | ||||||||||||
| 400 | 0,63 (6,3) | 587 | 326 | 486 | 72 | 551-01.035-18 | 36 9574 3419 | 357 | 76 | 551-01.036-08 | 36 9574 3440 | |||||||
| 450 | 0,63 (6,3) | 737 | 408 | 536 | 35 | 18 | 147 | 551-01.035-19 | 36 9574 3420 | 426 | 154 | 551-01.036-09 | 36 9574 3441 | |||||
| 500 | 0,63 (6,3) | 797 | 450 | 591 | 37 | 20 | 164 | 551-01.035-20 | 36 9574 3421 | 480 | 174 | 551-01.036-10 | 36 9574 3442 | |||||
Таблица 15
Основные параметры и размерыкомпенсаторов, тип К011, исполнение 07, 08
Размеры в мм
| Условное давление Ру, МПа (кгс/см2) | н | L | D1 | b | d | п | Амплитуда | Исполнение | ||||||||||
| Номин. | Пред. откл. | хода | сдвига | поворота | 07 | 08 | ||||||||||||
| Масса, кг | Обозначение | Код ОКП | d1 | Масса, кг | Обозначение | Код ОКП | ||||||||||||
| 100 | 0,25 (2,5) | 247 | 240 | ± 2 | 158 | 38 | 15 | 8 | - | 7 | 10° | 12 | 551-01.039 | 36 9574 3601 | 247 | 14 | 551-01.040 | 36 9574 3610 |
| 0,63 (6,3) | -01 | 3602 | -01 | 3611 | ||||||||||||||
| 1,0 (10) | 13 | -02 | 3603 | 15 | -02 | 3612 | ||||||||||||
| 125 | 0,25 (2,5) | 282 | 260 | 183 | 40 | 10 | 17 | 551-01.039-03 | 36 9574 3604 | 282 | 19 | 551-01.040-03 | 36 9574 3613 | |||||
| 0,63 (6,3) | -04 | 3605 | 20 | -04 | 3614 | |||||||||||||
| 1,0 (10) | 18 | -05 | 3606 | -05 | 3615 | |||||||||||||
| 150 | 0,25 (2,5) | 312 | 265 | 208 | 12 | 20 | 551-01.039-06 | 36 9574 3607 | 312 | 23 | 551-01.040-06 | 36 9574 3616 | ||||||
| 0,63 (6,3) | -07 | 3608 | -07 | 3617 | ||||||||||||||
| 1,0 (10) | 21 | -08 | 3609 | 24 | -08 | 3618 | ||||||||||||
Основные параметры и размерыкомпенсаторов, тип К011, исполнение 09, 10, 11
Размеры в мм
| Условное давление Ру, МПа (кгс/см2) | н | L | D1 | b | d | п | Амплитуда | Масса, кг | Исполнение | |||||||||
| Ном ин. | Пред. откл. | хода | сдвига | поворота | 09 | 10 | 11 | |||||||||||
| Обозначение | Код ОКП | Обозначение | Код ОКП | Обозначение | Код ОКП | |||||||||||||
| 100 | 0,63 (6,3) | 247 | 202 | ± 2 | 158 | 18 | 15 | 8 | - | 7 | 10° | 11 | 551-01.041 | 36 9574 3501 | 551-01.044 | 36 9574 3507 | 551-01.042 | 36 9574 3513 |
| 1,0 (10) | -01 | 3502 | -01 | 3508 | -01 | 3514 | ||||||||||||
| 125 | 0,63 (6,3) | 282 | 228 | 183 | 20 | 10 | 15 | 551-01.041-02 | 36 9574 3503 | 551-01.044-02 | 36 9574 3509 | 551-01.042-02 | 36 9574 3515 | |||||
| 1,0 (10) | 16 | -03 | 3504 | -03 | 3510 | -03 | 3516 | |||||||||||
| 150 | 0,63 (6,3) | 312 | 223 | 208 | 12 | 18 | 551-01.041-04 | 36 9574 3505 | 551-01.044-04 | 36 9574 3511 | 551-01.042-04 | 36 9574 3517 | ||||||
| 1,0 (10) | 19 | -05 | 3506 | -05 | 3512 | -05 | 3518 | |||||||||||
Таблица 17
Основные параметры и размерыкомпенсаторов, тин K111, исполнение 01
Размеры в мм
| Условное давление Ру, МПа (кгс/см2) | н | L | D1 | b | d | п | Амплитуда | Масса, кг | Обозначение | Код ОКП | ||||
| Номин. | Пред. откл. | хода | сдвига | поворота | ||||||||||
| 65 | 0,25 (2,5) | 187 | 213 | ± 2 | 123 | 18 | 15 | 6 | 15 | 10 | 10° | 5 | 551-01.051 | 36 9574 1001 |
| 0,63 (6,3) | 6 | -01 | 1002 | |||||||||||
| 1,0 (10) | -02 | 1003 | ||||||||||||
| 1,6 (16) | 202 | 225 | 132 | 24 | 17 | 8 | 8 | -03 | 1004 | |||||
| 80 | 0,25 (2,5) | 200 | 138 | 18 | 15 | 7 | 5 | 551-01.051-04 | 36 9574 1005 | |||||
| 0,63 (6,3) | -05 | 1006 | ||||||||||||
| 1,0 (10) | 6 | -06 | 1007 | |||||||||||
| 1,6 (16) | 217 | 215 | 147 | 26 | 17 | 9 | -07 | 1008 | ||||||
| 100 | 0,25 (2,5) | 222 | 200 | 158 | 18 | 15 | 7 | 551-01.051-08 | 36 9574 1009 | |||||
| 0,63 (6,3) | -09 | 1010 | ||||||||||||
| 1,0 (10) | 9 | -10 | 1011 | |||||||||||
| 1,6 (16) | 237 | 215 | 167 | 26 | 17 | 10 | 13 | -11 | 1012 | |||||
| 125 | 0,25 (2,5) | 247 | 220 | 183 | 20 | 15 | 9 | 551-01.051-12 | 36 9574 1013 | |||||
| 0,63 (6,3) | 10 | -13 | 1014 | |||||||||||
| 1,0 (10) | 21 | -14 | 1015 | |||||||||||
| 1,6 (16) | 257 | 235 | 187 | 28 | 17 | -15 | 1016 | |||||||
| 150 | 0,25 (2,5) | 272 | 225 | 208 | 20 | 15 | 12 | 20 | 11 | 551-01 051-16 | 36 9574 1017 | |||
| 0,63 (6,3) | 12 | -17 | 1018 | |||||||||||
| 1,0 (10) | -18 | 1019 | ||||||||||||
| 1,6 (16) | 287 | 240 | 217 | 28 | 17 | 16 | -19 | 1020 | ||||||
| 200 | 0,25 (2,5) | 327 | 264 | 25 | 15 | 20 | 551-01.051-20 | 36 9574 1021 | ||||||
| 0,63 (6,3) | 22 | -21 | 1022 | |||||||||||
| 1,0 (10) | 342 | 273 | 17 | 25 | -22 | 1023 | ||||||||
| 250 | 0,25 (2,5) | 397 | 280 | 327 | 14 | 28 | 551-01.051-23 | 36 9574 1024 | ||||||
| 0,63 (6,3) | 30 | -24 | 1025 | |||||||||||
| 1,0 (10) | 412 | 336 | 22 | 36 | -25 | 1026 | ||||||||
| 300 | 0,25 (2,5) | 462 | 295 | ± 3 | 386 | 30 | 30 | 41 | 551-01.051-26 | 36 9574 1027 | ||||
| 0,63 (6,3) | 44 | -27 | 1028 | |||||||||||
| 1,0 (10) | 467 | 391 | 16 | 49 | -28 | 1029 | ||||||||
| 350 | 0,25 (2,5) | 512 | 305 | 436 | 48 | 551-01.051-29 | 36 9574 1030 | |||||||
| 0,63 (6,3) | 54 | -30 | 1031 | |||||||||||
| 1,0 (10) | 517 | 441 | 18 | 60 | -31 | 1032 | ||||||||
| 400 | 0,25 (2,5) | 562 | 325 | 486 | 16 | 54 | 551-01.051-32 | 36 9574 1033 | ||||||
| 0,63 (6,3) | 61 | -33 | 1034 | |||||||||||
| 1,0 (10) | 577 | 496 | 26 | 18 | 74 | -34 | 1035 | |||||||
| 450 | 0,25 (2,5) | 612 | 400 | 536 | 22 | 66 | 551-01.051-35 | 36 9574 1036 | ||||||
| 0,63 (6,3) | 79 | -36 | 1037 | |||||||||||
| 1,0 (10) | 632 | 551 | 26 | 20 | 91 | -37 | 1038 | |||||||
| 500 | 0,25 (2,5) | 667 | 440 | 591 | 32 | 22 | 79 | 551-01.051-38 | 36 9574 1039 | |||||
| 0,63 (6,3) | 91 | -39 | 1040 | |||||||||||
| 1,0 (10) | 682 | 601 | 26 | 103 | -40 | 1041 | ||||||||
Таблица 18
Основные параметры и размерыкомпенсаторов, тип K111, исполнение 02
Размеры в мм
| Условное давление Ру, МПа (кгс/см2) | н | L | D1 | b | d | п | Амплитуда | Масса, кг | d1 | Обозначение | Код ОКП | ||||
| Номин. | Пред. откл. | хода | сдвига | поворота | |||||||||||
| 65 | 0,25 (2,5) | 187 | 225 | ± 2 | 123 | 24 | 15 | 6 | 15 | 10 | 10° | 9 | 50 | 551-01.057 | 36 9574 1042 |
| 0,63 (6,3) | -01 | 1043 | |||||||||||||
| 1,0 (10) | -02 | 1044 | |||||||||||||
| 1,6 (16) | 202 | 132 | 17 | 8 | 10 | -03 | 1045 | ||||||||
| 80 | 0,25 (2,5) | 215 | 138 | 26 | 15 | 7 | 60 | 551-01.057-04 | 36 9574 1046 | ||||||
| 0,63 (6,3) | -05 | 1047 | |||||||||||||
| 1,0 (10) | 11 | -06 | 1048 | ||||||||||||
| 1,6 (16) | 217 | 147 | 17 | -07 | 1049 | ||||||||||
| 100 | 0,25 (2,5) | 222 | 158 | 15 | 13 | 80 | 551-01.057-08 | 36 9574 1050 | |||||||
| 0,63 (6,3) | 14 | -09 | 1051 | ||||||||||||
| 1,0 (10) | -10 | 1052 | |||||||||||||
| 1,6 (16) | 237 | 167 | 17 | 10 | 15 | -11 | 1053 | ||||||||
| 125 | 0,25 (2,5) | 247 | 235 | 183 | 28 | 15 | 21 | 105 | 551-01.057-12 | 36 9574 1054 | |||||
| 0,63 (6,3) | 22 | -13 | 1055 | ||||||||||||
| 1,0 (10) | -14 | 1056 | |||||||||||||
| 1,6 (16) | 257 | 187 | 17 | 23 | -15 | 1057 | |||||||||
| 150 | 0,25 (2,5) | 272 | 240 | 208 | 15 | 12 | 20 | 17 | 130 | 551-01.057-16 | 36 9574 1058 | ||||
| 0,63 (6,3) | -17 | 1059 | |||||||||||||
| 1,0 (10) | 18 | -18 | 1060 | ||||||||||||
| 1,6 (16) | 287 | 217 | 17 | 19 | -19 | 1061 | |||||||||
| 200 | 0,25 (2,5) | 327 | 264 | 25 | 15 | 21 | 160 | 551-01.052 | 36 9574 1062 | ||||||
| 0,63 (6,3) | 23 | -01 | 1063 | ||||||||||||
| 1,0 (10) | 342 | 273 | 17 | 26 | -02 | 1064 | |||||||||
| 250 | 0,25 (2,5) | 397 | 280 | 327 | 14 | 30 | 207 | 551-01.052-03 | 36 9574 1065 | ||||||
| 0,63 (6,3) | 32 | -04 | 1066 | ||||||||||||
| 1,0 (10) | 412 | 336 | 22 | 38 | -05 | 1067 | |||||||||
| 300 | 0,25 (2,5) | 462 | 295 | ± 3 | 386 | 30 | 30 | 43 | 257 | 551-01.052-06 | 36 9574 1068 | ||||
| 0,63 (6,3) | 47 | -07 | 1069 | ||||||||||||
| 1,0 (10) | 467 | 391 | 16 | 51 | -08 | 1070 | |||||||||
| 350 | 0,25(2,5) | 512 | 305 | 436 | 307 | 551-01.052-09 | 36 9574 1071 | ||||||||
| 0,63 (6,3) | 57 | -10 | 1072 | ||||||||||||
| 1,0 (10) | 517 | 441 | 63 | -11 | 1073 | ||||||||||
| 400 | 0,25 (2,5) | 562 | 325 | 486 | 58 | 357 | 551-01.052-12 | 36 9574 1074 | |||||||
| 0,63 (6,3) | 65 | -13 | 1075 | ||||||||||||
| 1,0 (10) | 577 | 496 | 26 | 18 | 78 | -14 | 1076 | ||||||||
| 450 | 0,25(2,5) | 612 | 400 | 536 | 22 | 73 | 424 | 551-01.052-15 | 36 9574 1077 | ||||||
| 0,63 (6,3) | 86 | -16 | 1078 | ||||||||||||
| 1,0 (10) | 632 | 551 | 26 | 20 | 98 | -17 | 1079 | ||||||||
| 500 | 0,25 (2,5) | 667 | 440 | 591 | 32 | 22 | 89 | 479 | 551-01.052-18 | 36 9574 1080 | |||||
| 0,63 (6,3) | 101 | -19 | 1081 | ||||||||||||
| 1,0 (10) | 682 | 601 | 26 | 113 | -20 | 1082 | |||||||||
Таблица 19
Основные параметры и размерыкомпенсаторов, тип K111, исполнение 03, 04
Размеры в мм
| Условное давление Ру, МПа (кгс/см2) | н | L | D1 | D2 | D3 | D4 | D5 | b | d | п | Амплитуда | Исполнение |
| ||||||||||
| Номин. | Пред. откл. | ||||||||||||||||||||||
| хода | сдвига | поворота | 03 | 04 |
| ||||||||||||||||||
| Масса, кг | Обозначение | Код ОКП | d1 | Масса, кг | Обозначение | Код ОКП |
| ||||||||||||||||
| 65 | 0,25 (2,5) | 207 | 225 | ± 2 | 137 | 94 | 110 | 94 | 110 | 24 | 17 | 8 | 15 | 10 | 10° | 9 | 551-01.053 | 36 9574 1301 | 50 | 10 | 551-01.064 | 36 9574 1312 |
|
| 0,63 (6,3) | -01 | 1302 1303 | 11 | -01 | 1313 | ||||||||||||||||||
| 1,0 (10) | -02 | -02 | 1314 | ||||||||||||||||||||
| 80 | 0,25 (2,5) | 222 | 210 | 152 | 105 | 121 | 105 | 121 | 7 | 551-01.053-03 | 369574 1304 | 60 | 551-01.064-03 | 36 9574 1315 |
| ||||||||
| 0,63 (6,3) | 10 | -04 | 1305 1306 | -04 | 1316 | ||||||||||||||||||
| 1,0 (10) | -05 | -05 | 1317 | ||||||||||||||||||||
| 100 | 1,0 (10) | 158 | 118 | 134 | 118 | 134 | 15 | 551-01.053-06 | 36 9574 1307 | 80 | 12 | 551-01.064-06 | 36 9574 1318 |
| |||||||||
| 125 | 1,0 (10) | 247 | 230 | 183 | 143 | 159 | 143 | 159 | 26 | 10 | 13 | 551-01.053-07 | 36 9574 1308 | 105 | 15 | 551-01.064-07 | 36 9574 1319 |
| |||||
| 150 | 1,0 (10) | 272 | 235 | 208 | 169 | 185 | 169 | 185 | 12 | 20 | 551-01.053-08 | 36 9574 1309 | 130 | 16 | 551-01.064-08 | 36 9574 1320 |
| ||||||
| 200 | 1,0 (10) | 342 | 240 | 273 | 227 | 243 | 227 | 243 | 17 | 26 | 551-01.053-09 | 36 9574 1310 | 157 | 27 | 551-01.054 | 36 9574 1321 |
| ||||||
| 250 | 1,0 (10) | 412 | 280 | 336 | 280 | 300 | 280 | 300 | 22 | 14 | 39 | 551-01.053-10 | 36 9574 1311 | 207 | 41 | 551-01.054-01 | 36 9574 1322 |
| |||||
Таблица 20
Основные параметры и размерыкомпенсаторов, тип K111, исполнение 05
Размеры в мм
| Условное давление Ру, МПа (кгс/см2) | н | L | D1 | b | d | п | Амплитуда | Масса, кг | Обозначение | Код ОКП | ||||
| Номин. | Пред. откл. | хода | сдвига | поворота | ||||||||||
| 65 | 0,25 (2,5) | 187 | 213 | ± 2 | 123 | 18 | 15 | 6 | 15 | 10 | 10° | 5 | 551-01.055 | 36 9574 1401 |
| 0,63 (6,3) | -01 | 1402 | ||||||||||||
| 1,0 (10) | 6 | -02 | 1403 | |||||||||||
| 1,6 (16) | 202 | 225 | 132 | 24 | 17 | 8 | 7 | 8 | -03 | 1404 | ||||
| 80 | 0,25 (2,5) | 200 | 138 | 18 | 15 | 5 | 551-01.055-04 | 36 9574 1405 | ||||||
| 0,63 (6,3) | 6 | -05 | 1406 | |||||||||||
| 1,0 (10) | -06 | 1407 | ||||||||||||
| 1,6 (16) | 217 | 215 | 147 | 26 | 17 | 9 | -07 | 1408 | ||||||
| 100 | 0,25 (2,5) | 222 | 200 | 158 | 18 | 15 | 7 | 551-01.055-08 | 36 9574 1409 | |||||
| 0,63 (6,3) | -09 | 1410 | ||||||||||||
| 1,0 (10) | 8 | -10 | 1411 | |||||||||||
| 1,6 (16) | 237 | 215 | 167 | 26 | 17 | 10 | 13 | -11 | 1412 | |||||
| 125 | 0,25 (2,5) | 247 | 220 | 183 | 20 | 15 | 9 | 551-01.055-12 | 36 9574 1413 | |||||
| 0,63 (6,3) | 10 | -13 | 1414 | |||||||||||
| 1,0 (10) | -14 | 1415 | ||||||||||||
| 1,6 (16) | 257 | 235 | 187 | 28 | 17 | 21 | -15 | 1416 | ||||||
| 150 | 0,25 (2,5) | 272 | 225 | 208 | 20 | 15 | 12 | 20 | 11 | 551-01.055-16 | 36 9574 1417 | |||
| 0,63 (6,3) | 12 | -17 | 1418 | |||||||||||
| 1,0 (10) | -18 | 1419 | ||||||||||||
| 1,6 (16) | 287 | 240 | 217 | 28 | 17 | 16 | -19 | 1420 | ||||||
| 200 | 0,25 (2,5) | 327 | 264 | 25 | 15 | 20 | 551-01.055-20 | 369574 1421 | ||||||
| 0,63 (6,3) | 22 | -21 | 1422 | |||||||||||
| 1,0 (10) | 342 | 273 | 17 | 25 | -22 | 1423 | ||||||||
| 250 | 0,25 (2,5) | 397 | 280 | 327 | 14 | 28 | 551-01.055-23 | 36 9574 1424 | ||||||
| 0,63 (6,3) | 30 | -24 | 1425 | |||||||||||
| 1,0 (10) | 412 | 336 | 22 | 36 | -25 | 1426 | ||||||||
| 300 | 0,25 (2,5) | 462 | 295 | ± 3 | 386 | 30 | 30 | 41 | 551-01.055-26 | 36 9574 1427 | ||||
| 0,63 (6,3) | 44 | -27 | 1498 | |||||||||||
| 1,0 (10) | 467 | 391 | 16 | 49 | -28 | 1429 | ||||||||
| 350 | 0,25 (2,5) | 512 | 305 | 436 | 48 | 551-01.055-29 | 36 9574 1430 | |||||||
| 0,63 (6,3) | 54 | -30 | 1431 | |||||||||||
| 1,0 (10) | 517 | 441 | 18 | 60 | -31 | 1432 | ||||||||
| 400 | 0,25 (2,5) | 562 | 325 | 486 | 16 | 54 | 551-01.055-32 | 36 9574 1433 | ||||||
| 0,63 (6,3) | 61 | -33 | 1434 | |||||||||||
| 1,0 (10) | 577 | 496 | 26 | 18 | 74 | -34 | 1435 | |||||||
| 450 | 0,25 (2,5) | 612 | 400 | 536 | 22 | 66 | 551-01.055-35 | 36 9574 1436 | ||||||
| 0,63 (6,3) | 79 | -36 | 1437 | |||||||||||
| 1,0 (10) | 632 | 551 | 26 | 20 | 91 | -37 | 1438 | |||||||
| 500 | 0,25 (2,5) | 667 | 440 | 591 | 32 | 22 | 79 | 551-01.055-38 | 36 9574 1439 | |||||
| 0,63 (6,3) | 91 | -39 | 1440 | |||||||||||
| 1,0 (10) | 682 | 601 | 26 | 103 | -40 | 1441 | ||||||||
Таблица 21
Основные параметры и размерыкомпенсаторов, тип K111, исполнение 06
Размеры в мм
| Условное давление Ру, МПа (кгс/см2) | н | L | D1 | b | d | п | Амплитуда | Масса, кг | d1 | Обозначение | Код ОКП | ||||
| Номин. | Пред откл. | хода | сдвига | поворота | |||||||||||
| 65 | 0,25 (2,5) | 187 | 225 | ± 2 | 123 | 24 | 15 | 6 | 15 | 10 | 10° | 9 | 50 | 551-01.058 | 36 9574 1442 |
| 0,63 (6,3) | -01 | 1443 | |||||||||||||
| 1,0 (10) | -02 | 1444 | |||||||||||||
| 1,6 (16) | 202 | 132 | 17 | 8 | 10 | -03 | 1445 | ||||||||
| 80 | 0,25 (2,5) | 215 | 138 | 26 | 15 | 7 | 60 | 551-01.058-04 | 36 9574 1446 | ||||||
| 0,63 (6,3) | -05 | 1447 | |||||||||||||
| 1,0 (10) | 11 | -06 | 1448 | ||||||||||||
| 1,6 (16) | 217 | 147 | 17 | -07 | 1449 | ||||||||||
| 100 | 0,25 (2,5) | 222 | 158 | 15 | 13 | 80 | 551-01.058-08 | 36 9574 1450 | |||||||
| 0,63 (6,3) | -09 | 1451 | |||||||||||||
| 1,0 (10) | 14 | -10 | 1452 | ||||||||||||
| 1,6 (16) | 237 | 167 | 17 | 10 | 15 | -11 | 1453 | ||||||||
| 125 | 0,25 (2,5) | 247 | 235 | 183 | 28 | 15 | 10 | 21 | 105 | 551-01.058-12 | 36 9574 1454 | ||||
| 0,63 (6,3) | 22 | -13 | 1455 | ||||||||||||
| 1,0 (10) | -14 | 1456 | |||||||||||||
| 1,6 (16) | 257 | 187 | 17 | -15 | 1457 | ||||||||||
| 150 | 0,25 (2,5) | 272 | 240 | 208 | 15 | 12 | 20 | 17 | 130 | 551-01.058-16 | 36 9574 1458 | ||||
| 0,63 (6,3) | -17 | 1459 | |||||||||||||
| 1,0 (10) | 18 | -18 | 1460 | ||||||||||||
| 1,6 (16) | 287 | 217 | 17 | 19 | -19 | 1461 | |||||||||
| 200 | 0,25 (2,5) | 327 | 264 | 25 | 15 | 21 | 160 | 551-01.056 | 36 9574 1462 | ||||||
| 0,63 (6,3) | 23 | -01 | 1463 | ||||||||||||
| 1,0 (10) | 342 | 273 | 17 | 26 | -02 | 1464 | |||||||||
| 250 | 0,25 (2,5) | 397 | 280 | 327 | 14 | 30 | 207 | 551-01.056-03 | 36 9574 1465 | ||||||
| 0,63 (6,3) | 32 | -04 | 1466 | ||||||||||||
| 1,0 (10) | 412 | 336 | 22 | 38 | -05 | 1467 | |||||||||
| 300 | 0,25 (2,5) | 462 | 295 | ± 3 | 386 | 30 | 30 | 43 | 257 | 551-01.056-06 | 36 9574 1468 | ||||
| 0,63 (6,3) | 16 | 47 | -07 | 1469 | |||||||||||
| 1,0 (10) | 467 | 391 | 51 | -08 | 1470 | ||||||||||
| 350 | 0,25 (2,5) | 512 | 305 | 436 | 307 | 551-01 056-09 | 36 9574 1471 | ||||||||
| 0,63 (6,3) | 57 | -10 | 1472 | ||||||||||||
| 1,0 (10) | 517 | 441 | 18 | 63 | -11 | 1473 | |||||||||
| 400 | 0,25 (2,5) | 562 | 325 | 486 | 16 | 58 | 357 | 551-01.056-12 | 36 9574 1474 | ||||||
| 0,63 (6,3) | 65 | -13 | 1475 | ||||||||||||
| 1,0 (10) | 577 | 496 | 26 | 18 | 78 | -14 | 1476 | ||||||||
| 450 | 0,25 (2,5) | 612 | 400 | 536 | 22 | 73 | 424 | 551-01.056-15 | 36 9574 1477 | ||||||
| 0,63 (6,3) | 86 | -16 | 1478 | ||||||||||||
| 1,0 (10) | 632 | 551 | 26 | 20 | 98 | -17 | 1479 | ||||||||
| 500 | 0,25 (2,5) | 667 | 435 | 591 | 32 | 22 | 89 | 479 | 551-01.056-18 | 36 9574 1480 | |||||
| 0,63 (6,3) | 101 | -19 | 1481 | ||||||||||||
| 1,0 (10) | 682 | 440 | 601 | 26 | 113 | -20 | 1482 | ||||||||
Таблица 22
Основные параметры и размерыкомпенсаторов, тип K111, исполнение 07, 08
Размеры в мм
| Условное давление Ру, МПа (кгс/см2) | н | L | D1 | b | d | п | Амплитуда | Исполнение | ||||||||||
| Номин. | Пред. откл. | хода | сдвига | поворота | 07 | 08 | ||||||||||||
| Масса, кг | Обозначение | Код ОКП | d1 | Масса, кг | Обозначение | Код ОКП | ||||||||||||
| 100 | 0,25 (2,5) | 222 | 240 | ± 2 | 158 | 38 | 15 | 8 | 15 | 7 | 10° | 9 | 551-01.059 | 36 9574 1601 | 85 | 10 | 551-01.065 | 36 9574 1634 |
| 0,63 (6,3) | -01 | 1602 | 11 | -01 | 1635 | |||||||||||||
| 1,0 (10) | 10 | -02 | 1603 | 16 | -02 | 1636 | ||||||||||||
| 1,6 (16) | 237 | 255 | 167 | 46 | 17 | 10 | 15 | -03 | 1604 | -03 | 1637 | |||||||
| 125 | 0,25 (2,5) | 247 | 260 | 183 | 40 | 15 | 12 | 551-01.059-04 | 36 9574 1605 | 108 | 14 | 551-01.065-04 | 36 9574 1638 | |||||
| 0,63 (6,3) | -05 | 1606 | -05 | 1639 | ||||||||||||||
| 1,0 (10) | 13 | -06 | 1607 | 15 | -06 | 1640 | ||||||||||||
| 1,6 (16) | 257 | 275 | 187 | 48 | 17 | 18 | -07 | 1608 | 20 | -07 | 1641 | |||||||
| 150 | 0,25 (2,5) | 272 | 265 | 208 | 40 | 15 | 12 | 20 | 14 | 551-01.059-08 | 36 9574 1609 | 133 | 16 | 551-01.065-08 | 36 9574 1642 | |||
| 0,63 (6,3) | -09 | 1610 | 17 | -09 | 1643 | |||||||||||||
| 1,0 (10) | 15 | -10 | 1611 | 18 | -10 | 1644 | ||||||||||||
| 1,6 (16) | 287 | 280 | 217 | 48 | 17 | 21 | -11 | 1612 | 24 | -11 | 1645 | |||||||
| 200 | 0,25 (2,5) | 327 | 270 | 264 | 40 | 15 | 23 | 551-01.059-12 | 36 9574 1613 | 157 | 551-01.060 | 36 9574 1646 | ||||||
| 0,63 (6,3) | 24 | -13 | 1614 | 26 | -01 | 1647 | ||||||||||||
| 1,0 (10) | 342 | 273 | 17 | 29 | -14 | 1615 | 30 | -02 | 1648 | |||||||||
| 250 | 0,25 (2,5) | 397 | 308 | 327 | 14 | 34 | 551-01.059-15 | 36 9574 1616 | 207 | 36 | 551-01.060-03 | 36 9574 1649 | ||||||
| 0,63 (6,3) | 37 | -16 | 1617 | 39 | -04 | 1650 | ||||||||||||
| 1,0 (10) | 412 | 336 | 22 | 42 | -17 | 1618 | 44 | -05 | 1651 | |||||||||
| 300 | 0,25 (2,5) | 462 | 327 | ± 3 | 386 | 45 | 30 | 49 | 551-01.059-18 | 36 9574 1619 | 257 | 51 | 551-01.060-06 | 36 9574 1652 | ||||
| 0,63 (6,3) | 53 | -19 | 1620 | 56 | -07 | 1653 | ||||||||||||
| 1,0 (10) | 467 | 391 | 16 | 58 | -20 | 1621 | 60 | -08 | 1654 | |||||||||
| 350 | 0,25 (2,5) | 512 | 337 | 436 | 56 | 551-01.059-21 | 36 9574 1622 | 307 | 551-01.060-09 | 36 9574 1655 | ||||||||
| 0,63 (6,3) | 63 | -22 | 1623 | 69 | -10 | 1656 | ||||||||||||
| 1,0 (10) | 517 | 441 | 18 | 69 | -23 | 1624 | 73 | -11 | 1657 | |||||||||
| 400 | 0,25 (2,5) | 562 | 355 | 486 | 16 | 63 | 551-01.059-24 | 36 9574 1625 | 357 | 67 | 551-01.060-12 | 36 9574 1658 | ||||||
| 0,63 (6,3) | 70 | -25 | 1626 | 74 | -13 | 1659 | ||||||||||||
| 1,0 (10) | 577 | 496 | 26 | 18 | 80 | -26 | 1627 | 85 | -14 | 1660 | ||||||||
| 450 | 0,25 (2,5) | 612 | 428 | 536 | 22 | 76 | 551-01.059-27 | 36 9574 1628 | 407 | 82 | 551-01.060-15 | 36 9574 1661 | ||||||
| 0,63 (6,3) | 86 | -28 | 1629 | 92 | -16 | 1662 | ||||||||||||
| 1,0 (10) | 632 | 551 | 26 | 20 | 100 | -29 | 1630 | 106 | -17 | 1663 | ||||||||
| 500 | 0,25 (2,5) | 667 | 470 | 591 | 47 | 22 | 89 | 551-01.059-30 | 36 9574 1631 | 457 | 96 | 551-01.060-18 | 36 9574 1664 | |||||
| 0,63 (6,3) | 101 | -31 | 1632 | 108 | -19 | 1665 | ||||||||||||
| 1,0 (10) | 682 | 601 | 26 | 116 | -32 | 1633 | 124 | -20 | 1666 | |||||||||
Основные параметры и размерыкомпенсаторов, тип K111, исполнение 09, 10, 11
Размеры в мм
| Условное давление Ру, МПа (кгс/см2) | н | L | D1 | b | d | п | Амплитуда | Масса, кг | Исполнение | |||||||||
| Номин. | Пред. откл. | хода | сдвига | поворота | 09 | 10 | 11 | |||||||||||
| Обозначение | Код ОКП | Обозначение | Код ОКП | Обозначение | Код ОКП | |||||||||||||
| 100 | 0,63 (6,3) | 222 | 202 | ± 2 | 158 | 18 | 15 | 8 | 15 | 7 | 10° | 8 | 551-01.061 | 36 9574 1501 | 551-01.062 | 36 9574 1531 | 551-01.063 | 36 9574 1561 |
| 1,0 (10) | -01 | 1502 | -01 | 1532 | -01 | 1562 | ||||||||||||
| 1,6 (16) | 237 | 220 | 167 | 26 | 17 | 10 | 13 | -02 | 1503 | -02 | 1533 | -02 | 1563 | |||||
| 125 | 0,63 (6,3) | 247 | 223 | 183 | 20 | 15 | 10 | 551-01.061-03 | 36 9574 1504 | 551-01.062-03 | 36 9574 1534 | 551-01.063-03 | 36 9574 1564 | |||||
| 1,0 (10) | 11 | -04 | 1505 | -04 | 1535 | -04 | 1565 | |||||||||||
| 1,6 (16) | 257 | 240 | 187 | 28 | 17 | 15 | -05 | 1506 | -05 | 1536 | -05 | 1566 | ||||||
| 150 | 0,63 (6,3) | 272 | 228 | 208 | 20 | 15 | 12 | 20 | 12 | 551-01.061-06 | 36 9574 1507 | 551-01.062-06 | 36 9574 1537 | 551-01.063-06 | 36 9574 1567 | |||
| 1,0 (10) | 13 | -07 | 1508 | -07 | 1538 | -07 | 1568 | |||||||||||
| 1,6 (16) | 287 | 245 | 217 | 28 | 17 | 18 | -08 | 1509 | -08 | 1539 | -08 | 1569 | ||||||
| 200 | 0,25 (2,5) | 327 | 264 | 25 | 15 | 19 | 551-01.061-09 | 36 9574 1510 | 551-01.062-09 | 36 9574 1540 | 551-01.063-09 | 36 9574 1570 | ||||||
| 0,63 (6,3) | 22 | -10 | 1511 | -10 | 1541 | -10 | 1571 | |||||||||||
| 1,0 (10) | 342 | 273 | 17 | 27 | -11 | 1512 | -11 | 1542 | -11 | 1572 | ||||||||
| 250 | 0,25 (2,5) | 397 | 282 | 327 | 14 | 28 | 551-01.061-12 | 36 9574 1513 | 551-01.062-12 | 36 9574 1543 | 551-01.063-12 | 36 9574 1573 | ||||||
| 0,63 (6,3) | 33 | -13 | 1514 | -13 | 1544 | -13 | 1574 | |||||||||||
| 1,0 (10) | 412 | 336 | 22 | 39 | -14 | 1515 | -14 | 1545 | -14 | 1575 | ||||||||
| 300 | 0,25 (2,5) | 462 | 302 | ± 3 | 386 | 30 | 30 | 42 | 551-01.061-15 | 36 9574 1516 | 551-01.062-15 | 36 9574 1546 | 551-01.063-15 | 36 9574 1576 | ||||
| 0,63 (6,3) | 48 | -16 | 1517 | -16 | 1547 | -16 | 1577 | |||||||||||
| 1,0 (10) | 467 | 391 | 16 | 53 | -17 | 1518 | -17 | 1548 | -17 | 1578 | ||||||||
| 350 | 0,25 (2,5) | 512 | 312 | 436 | 49 | 551-01.061-18 | 36 9574 1519 | 551-01.062-18 | 36 9574 1549 | 551-01.063-18 | 36 9574 1579 | |||||||
| 0,63 (6,3) | 58 | -19 | 1520 | -19 | 1550 | -19 | 1580 | |||||||||||
| 1,0 (10) | 517 | 441 | 18 | 65 | -20 | 1521 | -20 | 1551 | -20 | 1581 | ||||||||
| 400 | 0,25 (2,5) | 562 | 330 | 486 | 16 | 55 | 551-01.061-21 | 36 9574 1522 | 551-01.062-21 | 36 9574 1552 | 551-01.063-21 | 36 9574 1582 | ||||||
| 0,63 (6,3) | 63 | -22 | 1523 | -22 | 1553 | -22 | 1583 | |||||||||||
| 1,0 (10) | 577 | 496 | 26 | 18 | 71 | -23 | 1524 | -23 | 1554 | -23 | 1584 | |||||||
| 450 | 0,25 (2,5) | 612 | 403 | 536 | 22 | 68 | 551-01.061-24 | 36 9574 1525 | 551-01.062-24 | 36 9574 1555 | 551-01.063-24 | 36 9574 1585 | ||||||
| 0,63 (6,3) | 85 | -25 | 1526 | -25 | 1556 | -25 | 1586 | |||||||||||
| 1,0 (10) | 632 | 551 | 26 | 20 | 102 | -26 | 1527 | -26 | 1557 | -26 | 1587 | |||||||
| 500 | 0,25 (2,5) | 667 | 445 | 591 | 32 | 22 | 96 | 551-01.061-27 | 36 9574 1528 | 551-01.062-27 | 36 9574 1558 | 551-01.063-27 | 36 9574 1588 | |||||
| 0,63 (6,3) | 100 | -28 | 1529 | -28 | 1559 | -28 | 1589 | |||||||||||
| 1,0 (10) | 682 | 601 | 26 | 115 | -29 | 1530 | -29 | 1560 | -29 | 1590 | ||||||||
Таблица 24
Основные параметры и размерыкомпенсаторов, тип K111, исполнение 21, 22
Размеры в мм
| Условное давление Ру, МПа (кгс/см2) | н | L | D1 | D2 | Амплитуда | Исполнение | ||||||||||
| Номин. | Пред. откл. | хода | сдвига | поворота | 21 | 22 | ||||||||||
| Масса, кг | Обозначение | Код ОКП | d1 | Масса, кг | Обозначение | Код ОКП | ||||||||||
| 100 | 0,25 (2,5) | 222 | 213 | ± 2 | 149 | 129 | 15 | 7 | 10° | 4 | 551-01.071 | 36 9574 8101 | 80 | 5 | 551-01.066 | 36 9574 8201 |
| 0,63 (6,3) | -01 | 8102 | -01 | 8202 | ||||||||||||
| 1,0 (10) | -02 | 8103 | 6 | -02 | 8203 | |||||||||||
| 1,6 (16) | 5 | -03 | 8104 | -03 | 8204 | |||||||||||
| 2,5 (25) | 260 | -04 | 8105 | -04 | 8205 | |||||||||||
| 4,0 (40) | -05 | 8106 | 5 | -05 | 8206 | |||||||||||
| 6,3 (63) | -06 | 8107 | 6 | -06 | 8207 | |||||||||||
| 125 | 0,25 (2,5) | 247 | 236 | 171 | 151 | 6 | 551-01.071-07 | 36 9574 8108 | 105 | 7 | 551-01.066-07 | 36 9574 8208 | ||||
| 0,63 (6,3) | 7 | -08 | 8109 | -08 | 8209 | |||||||||||
| 1,0 (10) | -09 | 8110 | 8 | -09 | 8210 | |||||||||||
| 1,6 (16) | 8 | -10 | 8111 | -10 | 8211 | |||||||||||
| 2,5 (25) | 266 | 6 | -11 | 8112 | 9 | -11 | 8212 | |||||||||
| 4,0 (40) | -12 | 8113 | -12 | 8213 | ||||||||||||
| 6,3 (63) | 7 | -13 | 8114 | 8 | -13 | 8214 | ||||||||||
| 150 | 0,25 (2,5) | 272 | 240 | 197 | 177 | 551-01.071-14 | 36 9574 8115 | 130 | 9 | 551-01.066-14 | 36 9574 8215 | |||||
| 0,63 (6,3) | 9 | -15 | 8116 | -15 | 8216 | |||||||||||
| 1,0 (10) | -16 | 8117 | 10 | -16 | 8217 | |||||||||||
| 1,6 (16) | 10 | -17 | 8118 | 11 | -17 | 8218 | ||||||||||
| 2,5 (25) | 260 | 11 | -18 | 8119 | -18 | 8219 | ||||||||||
| 4,0 (40) | -19 | 8120 | -19 | 8220 | ||||||||||||
| 6,3 (63) | 12 | -20 | 8121 | 12 | -20 | 8221 | ||||||||||
| 200 | 0,1 (1,0) | 342 | 247 | 261 | 241 | 20 | 12 | 551-01.071-21 | 36 9574 8122 | 157 | 13 | 551-01.072 | 36 9574 8222 | |||
| 0,25 (2,5) | 13 | -22 | 8123 | 14 | -01 | 8223 | ||||||||||
| 0,63 (6,3) | 15 | -23 | 8124 | 16 | -02 | 8224 | ||||||||||
| 1,0 (10) | 16 | -24 | 8125 | 17 | -03 | 8225 | ||||||||||
| 1,6 (16) | 288 | 10 | 18 | -25 | 8126 | 19 | -04 | 8226 | ||||||||
| 2,5 (25) | 19 | -26 | 8127 | 20 | -05 | 8227 | ||||||||||
| 4,0 (40) | 290 | 20 | -27 | 8128 | 21 | -06 | 8228 | |||||||||
| 6,3 (63) | -28 | 8129 | -07 | 8229 | ||||||||||||
| 250 | 0,1 (1,0) | 397 | 292 | 312 | 292 | 20 | 16 | 551-01.071-29 | 36 9574 8130 | 207 | 18 | 551-01.072-08 | 36 9574 8230 | |||
| 0,25 (2,5) | 18 | -30 | 8131 | 20 | -09 | 8231 | ||||||||||
| 0,63 (6,3) | 20 | -31 | 8132 | 22 | -10 | 8232 | ||||||||||
| 1,0 (10) | 23 | -32 | 8133 | 25 | -11 | 8233 | ||||||||||
| 1,6 (16) | 306 | 10 | 26 | -33 | 8134 | 28 | -12 | 8234 | ||||||||
| 2,5 (25) | 27 | -34 | 8135 | 29 | -13 | 8235 | ||||||||||
| 4,0 (40) | 308 | 29 | -35 | 8136 | 31 | -14 | 8236 | |||||||||
| 6,3 (63) | -36 | 8137 | -15 | 8237 | ||||||||||||
| 300 | 0,1 (1,0) | 462 | 300 | ± 3 | 363 | 343 | 30 | 24 | 551-01.071-37 | 36 9574 8138 | 257 | 27 | 551-01.072-16 | 36 9574 8238 | ||
| 0,25 (2,5) | 25 | -38 | 8139 | 28 | -17 | 8239 | ||||||||||
| 0,63 (6,3) | 29 | -39 | 8140 | 31 | -18 | 8240 | ||||||||||
| 1,0 (10) | 32 | -40 | 8141 | 34 | -19 | 8241 | ||||||||||
| 1,6 (16) | 306 | 10 | -41 | 8142 | 35 | -20 | 8242 | |||||||||
| 2,5 (25) | -42 | 8143 | -21 | 8243 | ||||||||||||
| 4,0 (40) | 308 | 38 | -43 | 8144 | 40 | -22 | 8244 | |||||||||
| 6,3 (63) | -44 | 8145 | -23 | 8245 | ||||||||||||
| 350 | 0,1 (1,0) | 512 | 310 | 413 | 393 | 30 | 23 | 551-01.071-45 | 36 9574 8146 | 307 | 26 | 551-01.072-24 | 36 9574 8246 | |||
| 0,25 (2,5) | 25 | -46 | 8147 | 28 | -25 | 8247 | ||||||||||
| 0,63 (6,3) | 32 | -47 | 8148 | 35 | -26 | 8248 | ||||||||||
| 1,0 (10) | 36 | -48 | 8149 | 39 | -27 | 8249 | ||||||||||
| 1,6 (16) | 325 | 10 | 38 | -49 | 8150 | 41 | -28 | 8250 | ||||||||
| 2,5 (25) | 41 | -50 | 8151 | 44 | -29 | 8251 | ||||||||||
| 4,0 (40) | 327 | 45 | -51 | 8152 | 48 | -30 | 8252 | |||||||||
| 6,3 (63) | 46 | -52 | 8153 | 49 | -31 | 8253 | ||||||||||
| 400 | 0,1 (1,0) | 562 | 330 | 466 | 446 | 30 | 27 | 551-01.071-53 | 36 9574 8154 | 357 | 31 | 551-01.072-32 | 36 9574 8254 | |||
| 0,25 (2,5) | 29 | -54 | 8155 | 33 | -33 | 8255 | ||||||||||
| 0,63 (6,3) | 37 | -55 | 8156 | 41 | -34 | 8256 | ||||||||||
| 1,0 (10) | 42 | -56 | 8157 | 46 | -35 | 8257 | ||||||||||
| 1,6 (16) | 352 | 10 | 48 | -57 | 8158 | 52 | -36 | 8258 | ||||||||
| 2,5 (25) | 51 | -58 | 8159 | 55 | -37 | 8259 | ||||||||||
| 4,0 (40) | 354 | 57 | -59 | 8160 | 61 | -38 | 8260 | |||||||||
| 6,3 (63) | 59 | -60 | 8161 | 63 | -39 | 8261 | ||||||||||
| 450 | 0,1 (1,0) | 632 | 402 | 530 | 510 | 30 | 41 | 551-01.071-61 | 36 9574 8162 | 407 | 48 | 551-01.072-40 | 36 9574 8262 | |||
| 0,25 (2,5) | 45 | -62 | 8163 | 52 | -41 | 8263 | ||||||||||
| 0,63 (6,3) | 58 | -63 | 8164 | 65 | -42 | 8264 | ||||||||||
| 1,0 (10) | 62 | -64 | 8165 | 69 | -43 | 8265 | ||||||||||
| 1,6 (16) | 388 | 10 | 64 | -65 | 8166 | 70 | -44 | 8266 | ||||||||
| 2,5 (25) | 74 | -66 | 8167 | 81 | -45 | 8267 | ||||||||||
| 4,0 (40) | 390 | 78 | -67 | 8168 | 85 | -46 | 8268 | |||||||||
| 6,3 (63) | 83 | -68 | 8169 | 90 | -47 | 8269 | ||||||||||
| 500 | 0,1 (1,0) | 682 | 440 | 585 | 565 | 30 | 47 | 551-01.071-69 | 36 9574 8170 | 457 | 57 | 551-01.072-48 | 36 9574 8270 | |||
| 0,25 (2,5) | 52 | -70 | 8171 | 62 | -49 | 8271 | ||||||||||
| 0,63 (6,3) | 64 | -71 | 8172 | 74 | -50 | 8272 | ||||||||||
| 1,0 (10) | 72 | -72 | 8173 | 82 | -51 | 8273 | ||||||||||
| 1,6 (16) | 372 | 10 | 70 | -73 | 8174 | 80 | -52 | 8274 | ||||||||
| 2,5 (25) | 83 | -74 | 8175 | 90 | -53 | 8275 | ||||||||||
| 4,0 (40) | 374 | 85 | -75 | 8176 | 92 | -54 | 8276 | |||||||||
| 6,3 (63) | 84 | -76 | 8177 | 91 | -55 | 8277 | ||||||||||
Основные параметры и размерыкомпенсаторов, тип K111, исполнение 23, 24, 27, 28
Размеры в мм
| Условное давление Ру, МПа (кгс/см2) | н | L | D1 | D2 | Амплитуда | Исполнение | ||||||||||
| Номин. | Пред. откл. | хода | сдвига | поворота | 23 | 24 | ||||||||||
| Масса, кг | Обозначение | Код ОКП | d1 | Масса, кг | Обозначение | Код ОКП | ||||||||||
| 100 | 0,25 (2,5) | 222 | 213 | ± 2 | 149 | 129 | 15 | 7 | 10° | 4 | 551-01.073 | 36 9574 8301 | 85 | 5 | 551-01.067 | 36 9574 8501 |
| 0,63 (6,3) | -01 | 8302 | -01 | 8502 | ||||||||||||
| 1,0 (10) | -02 | 8303 | 6 | -02 | 8503 | |||||||||||
| 1,6 (16) | 5 | -03 | 8304 | -03 | 8504 | |||||||||||
| 2,5 (25) | 260 | 10 | -04 | 8305 | -04 | 8505 | ||||||||||
| 4,0 (40) | -05 | 8306 | 5 | -05 | 8506 | |||||||||||
| 6,3 (63) | -06 | 8307 | 6 | -06 | 8507 | |||||||||||
| 125 | 0,25 (2,5) | 247 | 236 | 171 | 151 | 15 | 6 | 551-01.073-07 | 36 9574 8308 | 105 | 7 | 551-01.067-07 | 36 9574 8508 | |||
| 0,63 (6,3) | 7 | -08 | 8309 | -08 | 8509 | |||||||||||
| 1,0 (10) | -09 | 8310 | 8 | -09 | 8510 | |||||||||||
| 1,6 (16) | 8 | -10 | 8311 | -10 | 8511 | |||||||||||
| 2,5 (25) | 266 | 10 | 6 | -11 | 8312 | 9 | -11 | 8512 | ||||||||
| 4,0 (40) | -12 | 8313 | -12 | 8513 | ||||||||||||
| 6,3 (63) | 7 | -13 | 8314 | 10 | -13 | 8514 | ||||||||||
| 150 | 0,25 (2,5) | 279 | 240 | 197 | 177 | 20 | 8 | 551-01.073-14 | 36 9574 8315 | 133 | 8 | 551-01.067-14 | 36 9574 8515 | |||
| 0,63 (6,3) | 9 | -15 | 8316 | 9 | -15 | 8516 | ||||||||||
| 1,0 (10) | -16 | 8317 | -16 | 8517 | ||||||||||||
| 1,6 (16) | 10 | -17 | 8318 | 10 | -17 | 8518 | ||||||||||
| 2,5 (25) | 260 | 10 | 11 | -18 | 8319 | 11 | -18 | 8519 | ||||||||
| 4,0 (40) | -19 | 8320 | -19 | 8520 | ||||||||||||
| 6,3 (63) | 12 | -20 | 8321 | 12 | -20 | 8521 | ||||||||||
| 200 | 0,1 (1,0) | 342 | 247 | 261 | 241 | 20 | 12 | 551-01.073-21 | 36 9574 8322 | 157 | 13 | 551-01.074 | 36 9574 8522 | |||
| 0,25 (2,5) | 13 | -22 | 8323 | 14 | -01 | 8523 | ||||||||||
| 0,63 (6,3) | 15 | -23 | 8324 | 16 | -02 | 8524 | ||||||||||
| 1,0 (10) | 16 | -24 | 8325 | 17 | -03 | 8525 | ||||||||||
| 1,6 (16) | 288 | 10 | 18 | -25 | 8326 | 19 | -04 | 8526 | ||||||||
| 2,5 (25) | 19 | -26 | 8327 | 20 | -05 | 8527 | ||||||||||
| 4,0 (40) | 290 | 20 | -27 | 8328 | 21 | -06 | 8528 | |||||||||
| 6,3 (63) | -28 | 8329 | -07 | 8529 | ||||||||||||
| 250 | 0,1 (1,0) | 397 | 292 | 312 | 292 | 20 | 16 | 551-01.073-29 | 36 9574 8330 | 207 | 18 | 551-01.074-08 | 36 9574 8530 | |||
| 0,25 (2,5) | 18 | -30 | 8331 | 20 | -09 | 8531 | ||||||||||
| 0,63 (6,3) | 20 | -31 | 8332 | 22 | -10 | 8532 | ||||||||||
| 1,0 (10) | 23 | -32 | 8333 | 25 | -11 | 8533 | ||||||||||
| 1,6 (16) | 306 | 10 | 26 | -33 | 8334 | 28 | -12 | 8534 | ||||||||
| 2,5 (25) | 27 | -34 | 8335 | 29 | -13 | 8535 | ||||||||||
| 4,0 (40) | 308 | 29 | -35 | 8336 | 31 | -14 | 8536 | |||||||||
| 6,3 (63) | -36 | 8337 | -15 | 8537 | ||||||||||||
| 300 | 0,1 (1,0) | 462 | 300 | ± 3 | 363 | 343 | 25 | 24 | 551-01.073-37 | 36 9574 8338 | 257 | 27 | 551-01.074-16 | 36 9574 8538 | ||
| 0,25 (2,5) | 25 | -38 | 8339 | 28 | -17 | 8539 | ||||||||||
| 0,63 (6,3) | 29 | -39 | 8340 | 31 | -18 | 8540 | ||||||||||
| 1,0 (10) | 32 | -40 | 8341 | 34 | -19 | 8541 | ||||||||||
| 1,6 (16) | 306 | 10 | -41 | 8342 | 35 | -20 | 8542 | |||||||||
| 2,5 (25) | -42 | 8343 | -21 | 8543 | ||||||||||||
| 4,0 (40) | 308 | 38 | -43 | 8344 | 40 | -22 | 8544 | |||||||||
| 6,3 (63) | -44 | 8345 | -23 | 8545 | ||||||||||||
| 350 | 0,1 (1,0) | 512 | 310 | 413 | 393 | 25 | 23 | 551-01.073-45 | 36 9574 8346 | 307 | 26 | 551-01.074-24 | 36 9574 8546 | |||
| 0,25 (2,5) | 25 | -46 | 8347 | 28 | -25 | 8547 | ||||||||||
| 0,63 (6,3) | 32 | -47 | 8348 | 35 | -26 | 8548 | ||||||||||
| 1,0 (10) | 36 | -48 | 8349 | 39 | -27 | 8549 | ||||||||||
| 1,6 (16) | 325 | 10 | 38 | -49 | 8350 | 41 | -28 | 8550 | ||||||||
| 2,5 (25) | 41 | -50 | 8351 | 44 | -29 | 8551 | ||||||||||
| 4,0 (40) | 327 | 45 | -51 | 8352 | 48 | -30 | 8552 | |||||||||
| 6,3 (63) | 46 | -52 | 8353 | 49 | -31 | 8553 | ||||||||||
| 400 | 0,1 (1,0) | 562 | 330 | 466 | 446 | 30 | 27 | 551-01.073-53 | 36 9574 8354 | 357 | 31 | 551-01.074-32 | 36 9574 8554 | |||
| 0,25 (2,5) | 29 | -54 | 8355 | 33 | -33 | 8555 | ||||||||||
| 0,63 (6,3) | 37 | -55 | 8356 | 41 | -34 | 8556 | ||||||||||
| 1,0 (10) | 42 | -56 | 8357 | 46 | -35 | 8557 | ||||||||||
| 1,6 (16) | 352 | 10 | 48 | -57 | 8358 | 52 | -36 | 8558 | ||||||||
| 2,5 (25) | 51 | -58 | 8359 | 55 | -37 | 8559 | ||||||||||
| 4,0 (40) | 354 | 57 | -59 | 8360 | 61 | -38 | 8560 | |||||||||
| 6,3 (63) | 59 | -60 | 8361 | 63 | -39 | 8561 | ||||||||||
| 450 | 0,1 (1,0) | 632 | 402 | 530 | 510 | 30 | 41 | 551-01.073-61 | 36 9574 8362 | 407 | 48 | 551-01.074-40 | 36 9574 8562 | |||
| 0,25 (2,5) | 45 | -62 | 8363 | 52 | -41 | 8563 | ||||||||||
| 0,63 (6,3) | 58 | -63 | 8364 | 65 | -42 | 8564 | ||||||||||
| 1,0 (10) | 62 | -64 | 8365 | 69 | -43 | 8565 | ||||||||||
| 1,6 (16) | 388 | 10 | 64 | -65 | 8366 | 70 | -44 | 8566 | ||||||||
| 2,5 (25) | 74 | -66 | 8367 | 81 | -45 | 8567 | ||||||||||
| 4,0 (40) | 390 | 78 | -67 | 8368 | 85 | -46 | 8568 | |||||||||
| 6,3 (63) | 83 | -68 | 8369 | 90 | -47 | 8569 | ||||||||||
| 500 | 0,1 (1,0) | 682 | 440 | 585 | 565 | 30 | 47 | 551-01.073-69 | 36 9574 8370 | 457 | 57 | 551-01.074-48 | 36 9574 8570 | |||
| 0,25 (2,5) | 52 | -70 | 8371 | 62 | -49 | 8571 | ||||||||||
| 0,63 (6,3) | 64 | -71 | 8372 | 74 | -50 | 8572 | ||||||||||
| 1,0 (10) | 372 | 10 | 72 | -72 | 8373 | 82 | -51 | 8573 | ||||||||
| 1,6 (16) | 70 | -73 | 8374 | 80 | -52 | 8574 | ||||||||||
| 2,5 (25) | 374 | 83 | -74 | 8375 | 90 | -53 | 8575 | |||||||||
| 4,0 (40) | 85 | -75 | 8376 | 92 | -54 | 8576 | ||||||||||
| 6,3 (63) | 84 | -76 | 8377 | 91 | -55 | 8577 | ||||||||||
Продолжениетабл. 25
Размеры в мм
| Условный проход Dу | Условное давление Ру, МПа (кгс/см2) | н | L | D1 | Амплитуда | Исполнение | |||||||||
| Номин. | Пред. откл. | хода | сдвига | поворота | 27 | 28 | |||||||||
| Масса, кг | Обозначение | Код ОКП | d1 | Масса, кг | Обозначение | Код ОКП | |||||||||
| 600 | 0,1 (1,0) | 765 | 365 | ± 5 | 629 | 35 | 6 | 9° | 41 | 551-01.069 | 36 9574 8401 | 576 | 48 | 551-01.070 | 36 9574 8601 |
| 0,25 (2,5) | 46 | -01 | 8402 | 52 | -01 | 8602 | |||||||||
| 0,63 (6,3) | 64 | -02 | 8403 | 71 | -02 | 8603 | |||||||||
| 1,0 (10) | 450 | 10 | 72 | -03 | 8404 | 81 | -03 | 8604 | |||||||
| 1,6 (16) | 637 | 105 | -04 | 8405 | -04 | 8605 | |||||||||
| 2,5 (25) | -05 | 8406 | 141 | -05 | 8606 | ||||||||||
| 4,0 (40) | 465 | 647 | 112 | -06 | 8407 | 121 | -06 | 8607 | |||||||
| 700 | 0,1 (1,0) | 873 | 415 | 733 | 35 | 51 | 551-01.069-07 | 36 9574 8408 | 681 | 61 | 551-01.070-07 | 36 9574 8608 | |||
| 0,25 (2,5) | 57 | -08 | 8409 | 67 | -08 | 8609 | |||||||||
| 0,63 (6,3) | 87 | -09 | 8410 | 97 | -09 | 8610 | |||||||||
| 1,0 (10) | 455 | 10 | 88 | -10 | 8411 | 98 | -10 | 8611 | |||||||
| 1,6 (16) | 741 | 96 | -11 | 8412 | 106 | -11 | 8612 | ||||||||
| 2,5 (25) | 120 | -12 | 8413 | 131 | -12 | 8613 | |||||||||
| 4,0 (40) | 460 | 751 | 137 | -13 | 8414 | 148 | -13 | 8614 | |||||||
| 800 | 0,1 (1,0) | 980 | 450 | 833 | 35 | 62 | 551-01.069-14 | 36 9574 8415 | 776 | 74 | 551-01.070-14 | 36 9574 8615 | |||
| 0,25 (2,5) | 69 | -15 | 8416 | 81 | -15 | 8616 | |||||||||
| 0,63 (6,3) | 97 | -16 | 8417 | 109 | -16 | 8617 | |||||||||
| 1,0 (10) | 455 | 10 | 103 | -17 | 8418 | 115 | -17 | 8618 | |||||||
| 1,6 (16) | 115 | -18 | 8419 | 127 | -18 | 8619 | |||||||||
| 2,5 (25) | 841 | 141 | -19 | 8420 | 153 | -19 | 8620 | ||||||||
| 4,0 (40) | 465 | 851 | 166 | -20 | 8421 | 178 | -20 | 8621 | |||||||
| 900 | 0,1 (1,0) | 1090 | 450 | 933 | 40 | 8° | 70 | 551-01.069-21 | 36 9574 8422 | 876 | 84 | 551-01.070-21 | 36 9574 8622 | ||
| 0,25 (2,5) | 77 | -22 | 8423 | 91 | -22 | 8623 | |||||||||
| 0,63 (6,3) | 120 | -23 | 8424 | 133 | -23 | 8624 | |||||||||
| 1,0 (10) | 455 | 10 | 5 | 6° | 118 | -24 | 8425 | 132 | -24 | 8625 | |||||
| 1,6 (16) | 124 | -25 | 8426 | 138 | -25 | 8626 | |||||||||
| 2,5 (25) | 941 | 162 | -26 | 8427 | 176 | -26 | 8627 | ||||||||
| 4,0 (40) | 465 | 951 | 189 | -27 | 8428 | 203 | -27 | 8628 | |||||||
| 1000 | 0,1 (1,0) | 1204 | 440 | 1041 | 40 | 87 | 551-01.069-28 | 36 9574 8429 | 981 | 103 | 551-01.070-28 | 36 9574 8629 | |||
| 0,25 (2,5) | 98 | -29 | 8430 | 116 | -29 | 8630 | |||||||||
| 0,63 (6,3) | 134 | -30 | 8431 | 152 | -30 | 8631 | |||||||||
| 1,0 (10) | 470 | 10 | 144 | -31 | 8432 | 132 | -31 | 8632 | |||||||
| 1,6 (16) | 163 | -32 | 8433 | 181 | -32 | 8633 | |||||||||
| 2,5 (25) | 485 | 1055 | 204 | -33 | 8434 | 223 | -33 | 8634 | |||||||
| 4,0 (40) | 490 | 1065 | 252 | -34 | 8435 | 170 | -34 | 8635 | |||||||
| 1200 | 0,1 (1,0) | 1417 | 455 | 1243 | 40 | 109 | 551-01.069-35 | 36 9574 8436 | 1181 | 128 | 551-01.070-35 | 36 9574 8636 | |||
| 0,25 (2,5) | 121 | -36 | 8437 | 140 | -36 | 8637 | |||||||||
| 0,63 (6,3) | 165 | -37 | 8438 | 184 | -37 | 8638 | |||||||||
| 1,0 (10) | 470 | 10 | 190 | -38 | 8439 | 210 | -38 | 8639 | |||||||
| 1,6 (16) | 202 | -39 | 8440 | 223 | -39 | 8640 | |||||||||
| 2,5 (25) | 455 | 1257 | 158 | -40 | 8441 | 224 | -40 | 8641 | |||||||
| 1400 | 0,1 (1,0) | 1637 | 460 | 1451 | 40 | 4° | 143 | 551-01.069-42 | 36 9574 8443 | 1386 | 166 | 551-01.070-42 | 36 9574 8643 | ||
| 0,25 (2,5) | 163 | -43 | 8444 | 186 | -43 | 8644 | |||||||||
| 0,63 (6,3) | 202 | -44 | 8445 | 226 | -44 | 8645 | |||||||||
| 1,0 (10) | 435 | 10 | 228 | -45 | 8446 | 250 | -45 | 8646 | |||||||
| 1,6 (16) | 241 | -46 | 8447 | 263 | -46 | 8647 | |||||||||
| 2,5 (25) | 455 | 1467 | 320 | -47 | 8448 | 342 | -47 | 8648 | |||||||
Таблица 26
Основные параметры и размерыкомпенсаторов, тип K111, исполнение 25, 26
Размеры в мм
| Условное давление Ру, МПа (кгс/см2) | н | L | D1 | D2 | Амплитуда | Исполнение | ||||||||||
| Номин. | Пред. откл. | хода | сдвига | поворота | 25 | 26 | ||||||||||
| Масса, кг | Обозначение | Код ОКП | d1 | Масса, кг | Обозначение | Код ОКП | ||||||||||
| 100 | 0,25 (2,5) | 222 | 213 | ± 2 | 149 | 129 | 15 | 7 | 10° | 4 | 551-01.075 | 36 9574 8701 | 80 | 5 | 551-01.068 | 36 9574 8801 |
| 0,63 (6,3) | -01 | 8702 | -01 | 8802 | ||||||||||||
| 1,0 (10) | -02 | 8703 | 6 | -02 | 8803 | |||||||||||
| 1,6 (16) | 5 | -03 | 8704 | -03 | 8804 | |||||||||||
| 2,5 (25) | 260 | 10 | -04 | 8705 | -04 | 8805 | ||||||||||
| 4,0 (40) | -05 | 8706 | 5 | -05 | 8806 | |||||||||||
| 6,3 (63) | -06 | 8707 | 6 | -06 | 8807 | |||||||||||
| 125 | 0,25 (2,5) | 247 | 236 | 171 | 151 | 15 | 6 | 551-01.075-07 | 36 9574 8708 | 105 | 7 | 551-01.068-07 | 36 9574 8808 | |||
| 0,63 (6,3) | 7 | -08 | 8709 | -08 | 8809 | |||||||||||
| 1,0 (10) | -09 | 8710 | 8 | -09 | 8810 | |||||||||||
| 1,6 (16) | 8 | -10 | 8711 | -10 | 8811 | |||||||||||
| 2,5 (25) | 266 | 10 | 6 | -11 | 8712 | 9 | -11 | 8812 | ||||||||
| 4,0 (40) | -12 | 8713 | -12 | 8813 | ||||||||||||
| 6,3 (63) | 7 | -13 | 8714 | 10 | -13 | 8814 | ||||||||||
| 150 | 0,25 (2,5) | 272 | 240 | 197 | 177 | 20 | 8 | 551-01.075-14 | 36 9574 8715 | 130 | 8 | 551-01.068-14 | 36 9574 8815 | |||
| 0,63 (6,3) | 9 | -15 | 8716 | 9 | -15 | 8816 | ||||||||||
| 1,0 (10) | -16 | 8717 | -16 | 8817 | ||||||||||||
| 1,6 (16) | 10 | -17 | 8718 | 10 | -17 | 8818 | ||||||||||
| 2,5 (25) | 260 | 10 | 11 | -18 | 8719 | 11 | -18 | 8819 | ||||||||
| 4,0 (40) | -19 | 8720 | -19 | 8820 | ||||||||||||
| 6,3 (63) | 12 | -20 | 8721 | 12 | -20 | 8821 | ||||||||||
| 200 | 0,1 (1,0) | 342 | 247 | 261 | 241 | 20 | 551-01.075-21 | 36 9574 8722 | 160 | 13 | 551-01.076 | 36 9574 8822 | ||||
| 0,25 (2,5) | 13 | -22 | 8723 | 14 | -01 | 8823 | ||||||||||
| 0,63 (6,3) | 15 | -23 | 8724 | 16 | -02 | 8824 | ||||||||||
| 1,0 (10) | 16 | -24 | 8725 | 17 | -03 | 8825 | ||||||||||
| 1,6 (16) | 288 | 10 | 18 | -25 | 8726 | 19 | -04 | 8826 | ||||||||
| 2,5 (25) | 19 | -26 | 8727 | 20 | -05 | 8827 | ||||||||||
| 4,0 (40) | 290 | 20 | -27 | 8728 | 21 | -06 | 8S28 | |||||||||
| 6,3 (63) | -28 | 8729 | -07 | 8829 | ||||||||||||
| 250 | 0,1 (1,0) | 397 | 292 | 312 | 292 | 20 | 16 | 551-01.075-29 | 36 9574 8730 | 210 | 18 | 551-01.076-08 | 36 9574 8830 | |||
| 0,25 (2,5) | 18 | -30 | 8731 | 20 | -09 | 8831 | ||||||||||
| 0,63 (6,3) | 20 | -31 | 8732 | 22 | -10 | 8832 | ||||||||||
| 1,0 (10) | 23 | -32 | 8733 | 25 | -11 | 8833 | ||||||||||
| 1,6 (16) | 306 | 10 | 26 | -33 | 8734 | 28 | -12 | 8834 | ||||||||
| 2,5 (25) | 27 | -34 | 8735 | 29 | -13 | 8835 | ||||||||||
| 4,0 (40) | 308 | 29 | -35 | 8736 | 31 | -14 | 8836 | |||||||||
| 6,3 (63) | -36 | 8737 | -15 | 8837 | ||||||||||||
| 300 | 0,1 (1,0) | 462 | 300 | ± 3 | 363 | 343 | 20 | 24 | 551-01.075-37 | 36 9574 8738 | 260 | 27 | 551-01.076-16 | 36 9574 8838 | ||
| 0,25 (2,5) | 25 | -38 | 8739 | 28 | -17 | 8839 | ||||||||||
| 0,63 (6,3) | 29 | -39 | 8740 | 31 | -18 | 8840 | ||||||||||
| 1,0 (10) | 32 | -40 | 8741 | 34 | -19 | 8841 | ||||||||||
| 1,6 (16) | 306 | 10 | -41 | 8742 | 35 | -20 | 8842 | |||||||||
| 2,5 (25) | -42 | 8743 | -21 | 8843 | ||||||||||||
| 4,0 (40) | 308 | 38 | -43 | 8744 | 40 | -22 | 8844 | |||||||||
| 6,3 (63) | -44 | 8745 | -23 | 8845 | ||||||||||||
| 350 | 0,1 (1,0) | 512 | 310 | 413 | 393 | 30 | 23 | 551-01.075-45 | 36 9574 8746 | 307 | 26 | 551-01.076-24 | 36 9574 8846 | |||
| 0,25 (2,5) | 25 | -46 | 8747 | 28 | -25 | 8847 | ||||||||||
| 0,63 (6,3) | 32 | -47 | 8748 | 35 | -26 | 8848 | ||||||||||
| 1,0 (10) | 36 | -48 | 8749 | 39 | -27 | 8849 | ||||||||||
| 1,6 (16) | 325 | 10 | 38 | -49 | 8750 | 41 | -28 | 8850 | ||||||||
| 2,5 (25) | 41 | -50 | 8751 | 44 | -29 | 8851 | ||||||||||
| 4,0 (40) | 327 | 45 | -51 | 8752 | 48 | -30 | 8852 | |||||||||
| 6,3 (63) | 46 | -52 | 8753 | 49 | -31 | 8853 | ||||||||||
| 400 | 0,1 (1,0) | 562 | 330 | 466 | 446 | 30 | 27 | 551-01.075-53 | 36 9574 8754 | 357 | 31 | 551-01.076-32 | 36 9574 8854 | |||
| 0,25 (2,5) | 29 | -54 | 8755 | 33 | -33 | 8855 | ||||||||||
| 0,63 (6,3) | 37 | -55 | 8756 | 41 | -34 | 8856 | ||||||||||
| 1 0 (10) | 42 | -56 | 8757 | 46 | -35 | 8857 | ||||||||||
| 1,6 (16) | 352 | 10 | 48 | -57 | 8758 | 52 | -36 | 8858 | ||||||||
| 2,5 (25) | 51 | -58 | 8759 | 55 | -37 | 8859 | ||||||||||
| 4,0 (40) | 354 | 57 | -59 | 8760 | 61 | -38 | 8860 | |||||||||
| 6,3 (63) | 59 | -60 | 8761 | 63 | -39 | 8861 | ||||||||||
| 450 | 0,1 (1,0) | 632 | 402 | 530 | 510 | 30 | 41 | 551-01.075-61 | 36 9574 8762 | 407 | 48 | 551-01.076-40 | 36 9574 8862 | |||
| 0,25 (2,5) | 45 | -62 | 8763 | 52 | -41 | 8863 | ||||||||||
| 0,63 (6,3) | 58 | -63 | 8764 | 65 | -42 | 8864 | ||||||||||
| 1,0 (10) | 62 | -64 | 8765 | 69 | -43 | 8865 | ||||||||||
| 1,6 (16) | 388 | 10 | 64 | -65 | 8766 | 70 | -44 | 8866 | ||||||||
| 2,5 (25) | 74 | -66 | 8767 | 81 | -45 | 8867 | ||||||||||
| 4,0 (40) | 390 | 78 | -67 | 8768 | 85 | -46 | 8868 | |||||||||
| 6,3 (63) | 83 | -68 | 8769 | 90 | -47 | 8869 | ||||||||||
| 500 | 0,1 (1,0) | 682 | 440 | 585 | 565 | 30 | 47 | 551-01.075-69 | 36 9574 8770 | 457 | 57 | 551-01.076-48 | 36 9574 8870 | |||
| 0,25 (2,5) | 52 | -70 | 8771 | 62 | -49 | 8871 | ||||||||||
| 0,63 (6,3) | 64 | -71 | 8772 | 74 | -50 | 8872 | ||||||||||
| 1,0 (10) | 372 | 10 | 72 | -72 | 8773 | 82 | -51 | 8873 | ||||||||
| 1,6 (16) | 70 | -73 | 8774 | 80 | -52 | 8874 | ||||||||||
| 2,5 (25) | 83 | -74 | 8775 | 90 | -53 | 8875 | ||||||||||
| 4,0 (40) | 374 | 85 | -75 | 8776 | 92 | -54 | 8876 | |||||||||
| 6,3 (63) | 84 | -76 | 8777 | 91 | -55 | 8877 | ||||||||||
Таблица 27
Основные параметры и размерыуплотнений, тип У111, исполнение 21, 25
Размеры в мм
| Условное давление Ру, МПа (кгс/см2) | D | L | D1 | D2 | Амплитуда | Масса, кг | Исполнение | |||||||
| Номин. | Пред. откл. | хода | сдвига | поворота | 21 | 25 | ||||||||
| Обозначение | Код ОКП | Обозначение | Код ОКП | |||||||||||
| 100 | 0,25 (2,5) | 138 | 220 | ± 2 | 149 | 118 | 15 | 7 | 10° | 4 | 551-01.079 | 36 9574 9001 | 551-01.081 | 36 9574 9501 |
| 0,63 (6,3) | 5 | -01 | 9002 | -01 | 9502 | |||||||||
| 1 0 (10) | -02 | 9003 | -02 | 9503 | ||||||||||
| 1,6 (16) | 6 | -03 | 9004 | -03 | 9504 | |||||||||
| 2,5 (25) | 268 | 10 | 5 | -04 | 9005 | -04 | 9505 | |||||||
| 125 | 0,25 (2,5) | 163 | 245 | 171 | 140 | 15 | 6 | 551-01.079-05 | 36 9574 9006 | 551-01.081-05 | 36 9574 9506 | |||
| 0,63 (6,3) | 7 | -06 | 9007 | -06 | 9507 | |||||||||
| 1,0 (10) | -07 | 9008 | -07 | 9508 | ||||||||||
| 1,6 (16) | 8 | -08 | 9009 | -08 | 9509 | |||||||||
| 2,5 (25) | 275 | 10 | 9 | -09 | 9010 | -09 | 9510 | |||||||
| 150 | 0,25 (2,5) | 195 | 250 | 197 | 166 | 20 | 7 | 551-01.079-10 | 36 9574 9011 | 551-01.081-10 | 36 9574 9511 | |||
| 0,63 (6,3) | 8 | -11 | 9012 | -11 | 9512 | |||||||||
| 1,0 (10) | 9 | -12 | 9013 | -12 | 9513 | |||||||||
| 1,6 (16) | -13 | 9014 | -13 | 9514 | ||||||||||
| 2,5 (25) | 268 | 10 | 10 | -14 | 9015 | -14 | 9515 | |||||||
| 200 | 0,1 (1,0) | 253 | 257 | 261 | 217 | 20 | 12 | 551-01.079-15 | 36 9574 9016 | 551-01.081-15 | 36 9574 9516 | |||
| 0,25 (2,5) | 13 | -16 | 9017 | -16 | 9517 | |||||||||
| 0,63 (6,3) | 15 | -17 | 9018 | -17 | 9518 | |||||||||
| 1,0 (10) | 17 | -18 | 9019 | -18 | 9519 | |||||||||
| 1,6 (16) | 298 | 10 | 18 | -19 | 9020 | -19 | 9520 | |||||||
| 2,5 (25) | 19 | -20 | 9021 | -20 | 9521 | |||||||||
| 250 | 0,1 (1,0) | 311 | 302 | 312 | 268 | 20 | 17 | 551-01.079-21 | 36 9574 9022 | 551-01.081-21 | 36 9574 9522 | |||
| 0,25 (2,5) | 18 | -22 | 9023 | -22 | 9523 | |||||||||
| 0,63 (6,3) | 21 | -23 | 9024 | -23 | 9524 | |||||||||
| 1,0 (10) | 24 | -24 | 9025 | -24 | 9525 | |||||||||
| 1,6 (16) | 315 | 10 | 27 | -25 | 9026 | -25 | 9526 | |||||||
| 2,5 (25) | 318 | 28 | -26 | 9027 | -26 | 9527 | ||||||||
| 300 | 0,1 (1,0) | 365 | 310 | ± 3 | 363 | 319 | 25 | 21 | 551-01.079-27 | 36 9574 9028 | 551-01.081-27 | 36 9574 9528 | ||
| 0,25 (2,5) | 23 | -28 | 9029 | -28 | 9529 | |||||||||
| 0,63 (6,3) | 26 | -29 | 9030 | -29 | 9530 | |||||||||
| 1,0 (10) | 29 | -30 | 9031 | -30 | 9531 | |||||||||
| 1,6 (16) | 315 | 10 | 33 | -31 | 9032 | -31 | 9532 | |||||||
| 2,5 (25) | 318 | 34 | -32 | 9033 | -32 | 9533 | ||||||||
| 350 | 0,1 (1,0) | 416 | 320 | 413 | 369 | 25 | 25 | 551-01.079-33 | 36 9574 9034 | 551-01.081-33 | 36 9574 9534 | |||
| 0,25 (2,5) | 27 | -34 | 9035 | -34 | 9535 | |||||||||
| 0,63 (6,3) | 34 | -35 | 9036 | -35 | 9536 | |||||||||
| 1,0 (10) | 38 | -36 | 9037 | -36 | 9537 | |||||||||
| 1,6 (16) | 335 | 10 | 39 | -37 | 9038 | -37 | 9538 | |||||||
| 2,5 (25) | 42 | -38 | 9039 | -38 | 9539 | |||||||||
| 400 | 0,1 (1,0) | 471 | 340 | 466 | 422 | 30 | 29 | 551-01.079-39 | 36 9574 9040 | 551-01.081-39 | 36 9574 9540 | |||
| 0,25 (2,5) | 31 | -40 | 9041 | -40 | 9541 | |||||||||
| 0,63 (6,3) | 39 | -41 | 9042 | -41 | 9542 | |||||||||
| 1,0 (10) | 44 | -42 | 9043 | -42 | 9543 | |||||||||
| 1,6 (16) | 362 | 10 | 50 | -43 | 9044 | -43 | 9544 | |||||||
| 2,5 (25) | 52 | -44 | 9045 | -44 | 9545 | |||||||||
| 450 | 0,1 (1,0) | 550 | 412 | 530 | 486 | 30 | 43 | 551-01.079-45 | 36 9574 9046 | 551-01.081-45 | 36 9574 9546 | |||
| 0,25 (2,5) | 47 | -46 | 9047 | -46 | 9547 | |||||||||
| 0,63 (6,3) | 60 | -47 | 9048 | -47 | 9548 | |||||||||
| 1,0 (10) | 64 | -48 | 9049 | -48 | 9549 | |||||||||
| 1,6 (16) | 398 | 10 | 66 | -49 | 9050 | -49 | 9550 | |||||||
| 2,5 (25) | 76 | -50 | 9051 | -50 | 9551 | |||||||||
| 500 | 0,1 (1,0) | 610 | 450 | 585 | 541 | 30 | 50 | 551-01.079-51 | 36 9574 9052 | 551-01.081-51 | 36 9574 9552 | |||
| 0,25 (2,5) | 54 | -52 | 9053 | -52 | 9553 | |||||||||
| 0,63 (6,3) | 66 | -53 | 9054 | -53 | 9554 | |||||||||
| 1,0 (10) | 74 | -54 | 9055 | -54 | 9555 | |||||||||
| 1,6 (16) | 382 | 10 |
| -55 | 9056 | -55 | 9556 | |||||||
| 2,5 (25) | 87 | -56 | 9057 | -56 | 9557 | |||||||||
Основные параметры и размерыуплотнений, тип У111, исполнение 21
Размеры в мм
| Условное давление Ру, МПа (кгс/см2) | Н | L | D1 | Амплитуда | Масса, кг | Обозначение | Код ОКП | ||||
| Номин. | Пред. откл. | хода | сдвига | поворота | |||||||
| 600 | 0,1 (1,0) | 768 | 375 | ± 5 | 629 | 25 | 6 | 9° | 42 | 551-01.077 | 36 9574 9058 |
| 0,25 (2,5) | 47 | -01 | 9059 | ||||||||
| 0,63 (6,3) | 66 | -02 | 9060 | ||||||||
| 1,0 (10) | 460 | 10 | 77 | -03 | 9061 | ||||||
| 1,6 (16) | 81 | -04 | 9062 | ||||||||
| 2,5 (25) | 770 | 637 | 111 | -05 | 9063 | ||||||
| 700 | 0,1 (1,0) | 876 | 427 | 733 | 35 | 8° | 53 | 551-01.077-06 | 36 9574 9064 | ||
| 0,25 (2,5) | 58 | -07 | 9065 | ||||||||
| 0,63 (6,3) | 82 | -08 | 9066 | ||||||||
| 1,0 (10) | 467 | 10 | 95 | -09 | 9067 | ||||||
| 1,6 (16) | 103 | -10 | 9068 | ||||||||
| 2,5 (25) | 880 | 741 | 126 | -11 | 9069 | ||||||
| 800 | 0,1 (1,0) | 986 | 462 | 833 | 35 | 62 | 551-01.077-12 | 36 9574 9070 | |||
| 0,25 (2,5) | 69 | -13 | 9071 | ||||||||
| 0,63 (6,3) | 97 | -14 | 9072 | ||||||||
| 1,0 (10) | 467 | 10 | 112 | -15 | 9073 | ||||||
| 1,6 (16) | 124 | -16 | 9074 | ||||||||
| 2,5 (25) | 984 | 841 | 150 | -17 | 9075 | ||||||
| 900 | 0,1 (1,0) | 1096 | 465 | 933 | 40 | 73 | 551-01.077-18 | 36 9574 9076 | |||
| 0,25 (2,5) | 81 | -19 | 9077 | ||||||||
| 0,63 (6,3) | 122 | -20 | 9078 | ||||||||
| 1,0 (10) | 470 | 10 | 131 | -21 | 9079 | ||||||
| 1,6 (16) | 137 | -22 | 9080 | ||||||||
| 2,5 (25) | 1094 | 941 | 175 | -23 | 9081 | ||||||
| 1000 | 0,1 (1,0) | 1208 | 455 | 1041 | 40 | 6° | 94 | 551-01.077-24 | 36 9574 9082 | ||
| 0,25 (2,5) | 103 | -25 | 9083 | ||||||||
| 0,63 (6,3) | 139 | -26 | 9084 | ||||||||
| 1,0 (10) | 485 | 10 | 156 | -27 | 9085 | ||||||
| 1,6 (16) | 176 | -28 | 9086 | ||||||||
| 2,5 (25) | 500 | 1055 | 221 | -29 | 9087 | ||||||
| 1200 | 0,1 (1,0) | 1422 | 470 | 1243 | 40 | 5 | 124 | 551-01.077-30 | 36 9574 9088 | ||
| 0,25 (2,5) | 135 | -31 | 9089 | ||||||||
| 0,63 (6,3) | 180 | -32 | 9090 | ||||||||
| 1,0 (10) | 490 | 10 | 215 | -33 | 9091 | ||||||
| 1,6 (16) | 227 | -34 | 9092 | ||||||||
| 2,5 (25) | 475 | 1257 | 290 | -35 | 9093 | ||||||
| 1400 | 0,1 (1,0) | 1640 | 480 | 1451 | 40 | 4° | 158 | 551-01.077-36 | 36 9574 9094 | ||
| 0,25 (2,5) | 177 | -37 | 9095 | ||||||||
| 0,63 (6,3) | 217 | -38 | 9096 | ||||||||
| 1,0 (10) | 455 | 10 | 258 | -39 | 9097 | ||||||
| 1,6 (16) | 271 | -40 | 9098 | ||||||||
| 2,5 (25) | 475 | 1467 | 363 | -41 | 9099 | ||||||
Примечание. Амплитуды в табл. 2 - 28приведены для условий эксплуатации при температуре 293 К (20 °С). Изменениеамплитуд в зависимости от температуры определяется по приложению 3. Рабочее давление проводимойсреды - по ГОСТ356.
Пример условного обозначения компенсатора сильфонногометаллического сдвигового, типа К001, исполнения 09, на условное давление 1,0МПа (10 кгс/см2) с условным проходом 400 мм:
КомпенсаторК001.09-10-400 ГОСТ 27036-86
Пример условного обозначения уплотнения сильфонногометаллического универсального, типа У111, исполнения 21, на условное давление0,1 МПа (1,0 кгс/см2) с условным проходом 200 мм:
Уплотнение У111.21-1,0-200 ГОСТ 27036- 86
2.1.Компенсаторы и уплотнения должны быть изготовлены в соответствии с требованияминастоящего стандарта по рабочим чертежам, утвержденным в установленном порядке.
2.2.Детали компенсаторов и уплотнений должны быть изготовлены из материалов, указанныхв табл. 29.
Наповерхностях сильфонов, присоединительных поверхностях арматуры сильфонныхкомпенсаторов и уплотнений, кожухах не должно быть коррозии, забоин и вмятин.
| Наименование детали | Материал | Номер таблицы |
| Сильфон | Сталь 08X18Н10Т по ГОСТ 5632 | |
| Сталь 08Х18Н10Т по ГОСТ 5632; 08кп по ГОСТ 1050 | ||
| Сталь 08Х18Н10Т по ГОСТ 5632 | ||
| Сплав ВТ1-00 по ГОСТ 19807 | ||
| Фланец | Сталь 12МХ по ГОСТ 20072 | |
| Сталь 08Х18Н10Т по ГОСТ 5632 | ||
| Сталь 20 по ГОСТ 1050 | ||
| Присоединительный патрубок | Сталь 08X18Н10Т по ГОСТ 5632 | |
| Сталь 20 по ГОСТ 1050 | ||
| Сталь 12МХ по ГОСТ 20072 | ||
| Направляющий патрубок | Сталь 08Х18Н10Т по ГОСТ 5632 | |
| Карданное кольцо | Сталь 40Х по ГОСТ 4543 | |
| Сталь 08Х18Н10Т по ГОСТ 5632 | ||
| Ограничительная стяжка | Стальной канат по ГОСТ 3068 | |
| Вилка | Сталь 08Х18Н10Т по ГОСТ 5632 | |
| Сталь 12МХ по ГОСТ 20072 | ||
| Кожух | Сталь 3 по ГОСТ 380 | |
| Уплотнительное кольцо | Сталь 08Х18Н10Т по ГОСТ 5632 |
Примечания:
1.Сталь марки 08Х18Н10Т не должна быть склонна к межкристаллитной коррозии по ГОСТ6032 при провоцирующем нагреве.
2.Содержание ферритной фазы, определенной в ковшовой пробе, для стали марки08Х18Н10Т, используемой при изготовлении сильфонов, должно быть от 1,0 до 0,5 %(от 0,5 до 2,0 баллов).
3.Сплав ВТ1-00 не должен содержать примеси водорода более 0,006 и азота более0,04 %.
4. Изсплава ВТ1-00 по ГОСТ 19807выполняется внутренняя поверхность сильфонов для компенсаторов исполнения 09,наружная - для исполнения 10, внутренняя и наружная - для исполнения 11.
5. Взамен стали марки 08Х18Н10Т по ГОСТ5632 допускается применять стали марок 05Х18Н10Т, 03Х18Н10Т, 03Х18Н10ТВИ и08Х18Н10ТВ, поставляемые по отраслевой нормативно-технической документации, присоблюдении требований пп. 1 и 2 данных примечаний.
Шероховатостьповерхностей должна соответствовать требованиям рабочих чертежей, техническихусловий на материалы и комплектующие изделия.
(Измененная редакция, Изм. №1).
2.3. Всематериалы и комплектующие изделия, применяемые для изготовления компенсаторов иуплотнений, должны иметь документ предприятия-изготовителя, удостоверяющийсоответствие их требованиям стандартов технических условий.
2.4.Компенсаторы и уплотнения в процессе эксплуатации должны быть прочными иобеспечивать любые статические перемещения, предусмотренные настоящимстандартом при значениях амплитуд, приведенных в табл. 2 - 28, ипараметров, указанных в табл. 1.
Примечание. По согласованию с разработчиком,в порядке, установленном ГОСТ 2.124, допускаютсяизменения амплитуд с соответствующим изменением наработки, а также сочетанийперемещений изделий типов К011, К111 и У111 в соответствии с приложением 3.
2.5.Жесткость компенсаторов и уплотнений должна соответствовать значениям,указанным в табл. 30. Верхнее предельноеотклонение - 20 %, нижнее предельное отклонение не регламентируется.
Примечание. Верхнее значениепредельного отклонения при измерении жесткости до 11.01.94 нерегламентировалось.
(Измененная редакция, Изм. №1, 2).
| Условный проход Dу | Условное давление Ру, МПа (кгс/см2) | Жесткость | Коэффициент местного сопротивления | |||
| осевая Сl, кН/м (кгс/см) | угловая Сg, Н×м/град (кгм/град) | сдвиговая Сd, кН/м (кгс/см) | Жидкости | Газы | ||
| 65 | 0,25 (2,5) | 25 (25) | 0,5 (0,05) | 6 (6) | 0,5 | 0,65 |
| 0,63 (6,3) | 40 (40) | 0,7 (0,07) | 8 (8) | |||
| 1,0 (10) | 50 (50) | 1,0 (0,1) | 10 (10) | |||
| 1,6 (16) | 60 (60) | 1,2 (0,12) | 13 (13) | |||
| 85 | 0,25 (2,5) | 30 (30) | 0,7 (0,07) | 4 (4) | 0,3 | 0,5 |
| 0,63 (6,3) | 40 (40) | 1,0 (0,1) | 7 (7) | |||
| 1,0 (10) | 55 (55) | 1,4 (0,14) | 9 (9) | |||
| 1,6 (16) | 70 (70) | 1,7 (0,17) | 12 (12) | |||
| 100 | 0,25 (2,5) | 40 (40) | 1,7 (0,17) | 35 (35) | 0,2 | 0,45 |
| 0,63 (6,3) | 50 (50) | 2,2 (0,22) | 50 (50) | |||
| 1,0 (10) | 70 (70) | 2,7 (0,27) | 60 (60) | |||
| 1,6 (16) | 80 (80) | 3,4 (0,34) | 70 (70) | |||
| 2,5 (25) | 70 (70) | 2,6 (0,26) | 32 (32) | |||
| 4,0 (40) | 80 (80) | 2,9 (0,29) | 38 (38) | |||
| 6,3 (63) | 80 (80) | 2,9 (0,29) | 38 (38) | |||
| 125 | 0,25 (2,5) | 40 (40) | 2,2 (0,22) | 40 (40) | 0,19 | 0,43 |
| 0,63 (6,3) | 50 (50) | 2,9 (0,29) | 60 (60) | |||
| 1,0 (10) | 60 (60) | 3,6 (0,36) | 70 (70) | |||
| 1,6 (16) | 70 (70) | 4,3 (0,43) | 90 (90) | |||
| 2,5 (25) | 68 (68) | 3,9 (0,39) | 61 (61) | |||
| 4,0 (40) | 84 (84) | 4,8 (0,48) | 74 (74) | |||
| 6,3 (63) | 84 (84) | 4,8 (0,48) | 74 (74) | |||
| 150 | 0,25 (2,5) | 30 (30) | 3,0 (0,3) | 60 (60) | 0,13 | 0,42 |
| 0,63 (6,3) | 40 (40) | 4,0 (0,4) | 80 (80) | |||
| 1,0 (10) | 60 (60) | 5,0 (0,5) | 100 (100) | |||
| 1,6 (16) | 70 (70) | 6,0 (0,6) | 120 (120) | |||
| 2,5 (25) | 66 (66) | 5,5 (0,55) | 100 (100) | |||
| 4,0 (40) | 80 (80) | 6,5 (0,65) | 115 (115) | |||
| 6,3 (63) | 80 (80) | 6,5 (0,65) | 115 (115) | |||
| 200 | 0,1 (1,0) | 30 (30) | 4,0 (0,4) | 95 (95) | 0,07 | 0,38 |
| 0,25 (2,5) | 40 (40) | 6,0 (0,6) | 130 (130) | |||
| 0,63 (6,3) | 65 (65) | 8,0 (0,8) | 190 (190) | |||
| 1,0 (10) | 70 (70) | 11 (1,1) | 250 (250) | |||
| 1,6 (16) | 60 (60) | 9,0 (0,9) | 130 (130) | |||
| 2,5 (25) | 75 (75) | 10 (1,0) | 155 (155) | |||
| 4,0 (40) | 85 (85) | 12 (1,2) | 180 (180) | |||
| 6,3 (63) | 85 (85) | 12 (1,2) | 180 (180) | |||
| 250 | 0,1 (1,0) | 25 (25) | 6,0 (0,6) | 90 (90) | 0,06 | 0,35 |
| 0,25 (2,5) | 35 (35) | 8,0 (0,8) | 120 (120) | |||
| 0,63 (6,3) | 55 (55) | 12 (1,2) | 200 (200) | |||
| 1,0 (10) | 70 (70) | 15 (1,5) | 260 (260) | |||
| 1,6 (16) | 60 (60) | 13 (1,3) | 200 (200) | |||
| 2,5 (25) | 70 (70) | 15 (1,5) | 230 (230) | |||
| 4,0 (40) | 90 (90) | 19 (1,9) | 290 (290) | |||
| 6,3 (63) | 100 (100) | 21 (2,1) | 320 (320) | |||
| 300 | 0,1 (1,0) | 25 (25) | 8,0 (0,8) | 120 (120) | 0,05 | 0,33 |
| 0,25 (2,5) | 35 (35) | 10 (1,0) | 160 (160) | |||
| 0,63 (6,3) | 60 (60) | 16 (1,6) | 250 (250) | |||
| 1,0 (10) | 70 (70) | 19 (1,9) | 320 (320) | |||
| 1,6 (16) | 70 (70) | 20 (2,0) | 330 (330) | |||
| 2,5 (25) | 80 (80) | 24 (2,4) | 385 (385) | |||
| 4,0 (40) | 100 (100) | 30 (3,0) | 475 (475) | |||
| 6,3 (63) | 110 (110) | 33 (3,3) | 535 (535) | |||
| 350 | 0,1 (1,0) | 35 (35) | 15 (1,5) | 200 (200) | 0,04 | 0,31 |
| 0,25 (2,5) | 50 (50) | 20 (2,0) | 270 (270) | |||
| 0,63 (6,3) | 80 (80) | 35(3,5) | 430 (430) | |||
| 1,0 (10) | 100 (100) | 45 (4,5) | 530 (530) | |||
| 1,6 (16) | 80 (80) | 30 (3,0) | 435 (435) | |||
| 2,5 (25) | 100 (100) | 40 (4,0) | 560 (560) | |||
| 4,0 (40) | 120 (120) | 45 (4,5) | 630 (630) | |||
| 6,3 (63) | 130 (130) | 50 (5,0) | 700 (700) | |||
| 400 | 0,1 (1,0) | 40 (40) | 20 (2,0) | 250 (250) | 0,035 | 0,30 |
| 0,25 (2,5) | 70 (70) | 30 (3,0) | 420 (420) | |||
| 0,63 (6,3) | 90 (90) | 50 (5,0) | 580 (580) | |||
| 1,0 (10) | 110 (110) | 70 (7,0) | 660 (660) | |||
| 1,6 (16) | 80 (80) | 35 (3,5) | 410 (410) | |||
| 2,5 (25) | 90 (90) | 40 (4,0) | 480 (480) | |||
| 4,0 (40) | 105 (105) | 50 (5,0) | 580 (580) | |||
| 6,3 (63) | 115 (115) | 55 (5,5) | 645 (645) | |||
| 450 | 0,1 (1,0) | 45 (45) | 25 (2,5) | 215 (215) | 0,03 | 0,28 |
| 0,25 (2,5) | 55 (55) | 35 (3,5) | 265 (265) | |||
| 0,63 (6,3) | 85 (85) | 50 (5,0) | 400 (400) | |||
| 1,0 (10) | 90 (90) | 60 (6,0) | 490 (490) | |||
| 1,6 (16) | 100 (100) | 62 (6,2) | 550 (550) | |||
| 2,5 (25) | 115 (115) | 71 (7,1) | 630 (630) | |||
| 4,0 (40) | 140 (140) | 86 (8,6) | 760 (760) | |||
| 6,3 (63) | 150 (150) | 94 (9,4) | 830 (830) | |||
| 500 | 0,1 (1,0) | 40 (40) | 30 (3,0) | 200 (200) | 0,03 | 0,26 |
| 0,25 (2,5) | 50 (50) | 40 (4,0) | 250 (250) | |||
| 0,63 (6,3) | 80 (80) | 50 (5,0) | 370 (370) | |||
| 1,0 (10) | 100 (100) | 70 (7,0) | 450 (450) | |||
| 1,6 (16) | 125 (125) | 95 (9,5) | 910 (910) | |||
| 2,5 (25) | 145 (145) | 109 (10,9) | 1040 (1040) | |||
| 4,0 (40) | 175 (175) | 130 (13,0) | 1250 (1250) | |||
| 6,3 (63) | 190 (190) | 144 (14,4) | 1380 (1380) | |||
| 600 | 0,1 (1,0) | 100 (100) | 100 (10,0) | 1380 (1380) | 0,026 | 0,03 |
| 0,25 (2,5) | 110 (110) | 110 (11,0) | 1575 (1575) | |||
| 0,63 (6,3) | 170 (170) | 170 (17,0) | 2430 (2430) | |||
| 1,0 (10) | 240 (240) | 237 (23,7) | 1830 (1830) | |||
| 1,6 (16) | 280 (280) | 277 (27,7) | 2140 (2140) | |||
| 2,5 (25) | 360 (360) | 356 (35,6) | 2750 (2750) | |||
| 4,0 (40) | 425 (425) | 420 (42,0) | 3240 (3240) | |||
| 700 | 0,1 (1,0) | 110 (110) | 150 (15,0) | 1220 (1220) | 0,02 | 0,026 |
| 0,25 (2,5) | 120 (120) | 170 (17,0) | 1890 (1890) | |||
| 0,63 (6,3) | 190 (190) | 260 (26,0) | 2140 (2140) | |||
| 1,0 (10) | 260 (260) | 353 (35,3) | 2280 (2280) | |||
| 1,6 (16) | 300 (300) | 410 (41,0) | 2660 (2660) | |||
| 2,5 (25) | 350 (350) | 480 (48,0) | 3100 (3100) | |||
| 4,0 (40) | 450 (450) | 620 (62,0) | 4000 (4000) | |||
| 800 | 0,1 (1,0) | 120 (120) | 220 (22,0) | 1130 (1130) | 0,018 | 0,02 |
| 0,25 (2,5) | 140 (140) | 260 (26,0) | 1310 (1310) | |||
| 0,63 (6,3) | 210 (210) | 390 (39,0) | 2000 (2000) | |||
| 1,0 (10) | 290 (290) | 540 (54,0) | 2715 (2715) | |||
| 1,6 (16) | 335 (335) | 627 (62,7) | 3150 (3150) | |||
| 2,5 (25) | 430 (430) | 803 (80,3) | 4035 (4035) | |||
| 4,0 (40) | 510 (510) | 948 (94,8) | 4770 (4770) | |||
| 900 | 0,1 (1,0) | 130 (130) | 350 (35,0) | 1260 (1260) | 0,015 | 0,015 |
| 0,25 (2,5) | 150 (150) | 400 (40,0) | 1470 (1470) | |||
| 0,63 (6,3) | 250 (250) | 660 (66,0) | 2410 (2410) | |||
| 1,0 (10) | 365 (365) | 717 (71,7) | 3200 (3200) | |||
| 1,6 (16) | 378 (378) | 819 (81,9) | 3680 (3680) | |||
| 2,5 (25) | 504 (504) | 1225 (122,5) | 4940 (4940) | |||
| 4,0 (40) | 615 (615) | 1329 (132,9) | 5408 (5408) | |||
| 1000 | 0,1 (1,0) | 140 (140) | 480 (48,0) | 1390 (1390) | 0,014 | 0,015 |
| 0,25 (2,5) | 160 (160) | 540 (54,0) | 1630 (1630) | |||
| 0,63 (6,3) | 290 (290) | 930 (93,0) | 2820 (2820) | |||
| 1,0 (10) | 370 (370) | 847 (84,7) | 3700 (3700) | |||
| 1,6 (16) | 400 (400) | 1000 (100,0) | 4100 (4100) | |||
| 2,5 (25) | 590 (590) | 1400 (140,0) | 5800 (5800) | |||
| 4,0 (40) | 675 (675) | 1740 (174,0) | 6100 (6100) | |||
| 1200 | 0,1 (1,0) | 150 (150) | 610 (61,0) | 1520 (1520) | 0,013 | 0,014 |
| 0,25 (2,5) | 170 (170) | 750 (75,0) | 1790 (1790) | |||
| 0,63 (6,3) | 330 (330) | 1060 (106,0) | 3230 (3230) | |||
| 1,0 (10) | 389 (389) | 929 (92,9) | 4200 (4200) | |||
| 1,6 (16) | 402 (402) | 1034 (103,4) | 4600 (4600) | |||
| 2,5 (25) | 425 (425) | 1544 (154,4) | 6700 (6700) | |||
| 4,0 (40) | 556 (556) | 1851 (185,1) | 7000 (7000) | |||
| 1400 | 0,1 (1,0) | 160 (160) | 740 (74,0) | 3650 (3650) | 0,011 | 0,012 |
| 0,25 (2,5) | 180 (180) | 880 (88,0) | 1950 (1950) | |||
| 0,63 (6,3) | 370 (370) | 1290 (129,0) | 3640 (3640) | |||
| 1,0 (10) | 405 (405) | 996 (99,6) | 4700 (4700) | |||
| 1,6 (16) | 450 (450) | 1065 (106,5) | 5200 (5200) | |||
| 2,5 (25) | 470 (470) | 1209 (120,9) | 7600 (7600) | |||
2.6. Компенсаторы иуплотнения должны соответствовать требованиям по вибропрочности в диапазонечастот от 5 до 60 Гц при ускорении не более 19,6 м/с2 (2 g).
2.7.Компенсаторы и уплотнения должны обеспечивать снижение общего уровня вибрации неменее чем на 15 дБ в диапазоне частот от 5 до 10000 Гц, для изделий типа К010не менее чем на 10 дБ.
2.8.Компенсаторы и уплотнения должны выдерживать динамические нагрузки до 981 м/с2(100 g) в продольноми поперечном направлениях при количестве ударов не более пяти в каждомнаправлении и длительности импульса 5 - 10 мс.
2.9.Компенсаторы и уплотнения должны сохранять свои технические характеристикипосле дегазации и дезактивации.
2.10.Полный назначенный срок службы компенсаторов и уплотнений - не менее 20 лет,для компенсаторов и уплотнений исполнений 07, 08, 25, 26 - не менее 15 лет.
Полныйназначенный ресурс - 60000 ч.
2.11.Срок сохраняемости компенсаторов и уплотнений до ввода в эксплуатацию - неменее 10 лет.
2.12.Вероятность безотказной работы компенсаторов и уплотнений на любом изперемещений (ход, сдвиг, поворот) для наработки 5000 циклов - не менее 0,95 приамплитудах и параметрах, указанных в табл. 1- 28.
(Измененная редакция, Изм. №1).
2.13.Компенсаторы и уплотнения должны быть герметичны. Уровень герметичностиустанавливается в конструкторской документации в зависимости от условийэксплуатации.
Пороговаячувствительность систем контроля герметичности для условного давления изделийдолжна соответствовать:
более 5×10-2до 5, л×мкм рт. ст./с Ру£ 1,0(10,0);
более 5×10-3до 5×10-2,л×мкм рт.ст./с Ру> 1,0 (10,0);
более 5×10-5до 5×10-3,л×мкм рт.ст./с Ру > 4,0 (40,0).
2.14. Видклиматического исполнения компенсаторов и уплотнений - ОМ51У по ГОСТ15150.
2.15.Масса компенсаторов и уплотнений должна соответствовать значениям, указанным втабл. 2 - 28.Допустимое отклонение массы компенсаторов и уплотнений от указанных значений отминус 5 до плюс 5 %. Масса тары с компенсаторами или уплотнениями не должнапревышать 700 кг.
(Измененная редакция, Изм. №1).
2.16.Выполнение особых условий заказчика согласовывается с изготовителем иоговаривается при заказе.
2.17. Комплектность
2.17.1. Вкомплект поставки входят компенсатор или уплотнение и документы, удостоверяющиекачество продукции.
2.18. Маркировка
2.18.1. Маркировка компенсаторов и уплотнений должна содержать товарныйзнак или наименование предприятия-изготовителя, условноеобозначение, заводской номер и дату изготовления изделия. Маркировку наносят нацилиндрическую поверхность присоединительной арматуры шрифтом 5-Пр3 по ГОСТ26.020 ударным способом.
2.18.2. Маркировка транспортной тары должна соответствоватьтребованиям ГОСТ 14192. Натаре должны быть нанесены основные и вспомогательные надписи и манипуляционныезнаки: «Осторожно», «Верх, не кантовать», «Открывать здесь».
2.19. Упаковка
2.19.1. Внутренняя полость компенсаторов или уплотнений должнабыть очищена от посторонних предметов, изделия законсервированы в соответствиис требованиями ГОСТ9.014 и упакованы в ящики по ГОСТ2991.
Вариантзащиты - ВЗ-8.
Вариантупаковки - ВУ-4.
Тараизготовляется по документации предприятия-изготовителя.
Примечание. По согласованию с потребителем допускаются другиеварианты тары, упаковки и защиты, обеспечивающие сохраняемость продукции впределах гарантийного срока хранения.
2.19.2. В каждую тару во влагонепроницаемый пакетвкладывают документы, удостоверяющие качество продукции, и упаковочный лист.
2.16 -2.19.2. (Введеныдополнительно, Изм. № 1).
3.1. Приизготовлении компенсаторов и уплотнений должны соблюдаться требования ГОСТ 12.3.025,ГОСТ 12.3.003,ГОСТ12.2.003, а также «Правил устройства и безопасной эксплуатации сосудов,работающих под давлением», утвержденных Госгортехнадзором СССР.
3.2. Примонтаже и эксплуатации компенсаторов и уплотнений должны соблюдаться нормы итребования безопасности, действующие на объектах применения указанных изделий.
Разд. 4. (Исключен, Изм. № 1).
5.1. Дляпроверки соответствия компенсаторов и уплотнений требованиям настоящегостандарта устанавливают следующие виды испытаний:
приемосдаточные;
квалификационные;
периодические;
типовые.
5.2. Приемкапродукции осуществляется техническим контролем предприятия-изготовителя впорядке, действующем в отрасли-изготовителе, а в случаях, оговоренных призаказе, совместно с представителем заказчика или органа государственногонадзора.
5.3.Квалификационные, периодические и типовые испытания проводятсяпредприятием-изготовителем при участии предприятия-разработчика, представителязаказчика (основного потребителя), а при необходимости, и представителягосударственного надзора. Испытания проводят на типовых представителях групподнородной продукции.
(Измененная редакция, Изм. №1).
5.4.Квалификационным, периодическим и типовым испытаниям предшествуютприемосдаточные.
5.5.Объем приемосдаточных, квалификационных и периодических испытаний,последовательность проверок и количество подвергаемых испытаниям образцовдолжны соответствовать указанным в табл. 31.
(Измененная редакция, Изм. №1).
5.6. Подпартией следует понимать группу компенсаторов или уплотнений одного типоразмера,одновременно запущенных в производство, изготовленных по одномутехнологическому процессу и одновременно предъявляемых к испытаниям. Объемпартии компенсаторов или уплотнений диаметром до 500 мм должен быть не более100 шт., диаметром более 500 мм - не более 50 шт.
5.7.Приемосдаточным испытаниям подвергают каждую партию компенсаторов и уплотненийна соответствие требованиям, установленным настоящим стандартом.
5.8. Еслив процессе приемосдаточных испытаний компенсаторов или уплотнений будет обнаруженонесоответствие изделия хотя бы одному требованию настоящего стандарта или входе испытаний произойдет отказ, то компенсаторы или уплотнения считают невыдержавшими испытания и бракуют.
| Проверяемый параметр | Номер пункта стандарта | Объем выборки от партии продукции при испытаниях | ||
| Технические требования | Методы испытаний | приемосдаточных, % | периодических и квалификационных | |
| 1. Основные размеры и маркировка | 100 |
| ||
| 2. Внешний вид | 100 |
| ||
| 3. Прочность | 100 |
| ||
| 4. Термостойкость | 100 |
| ||
| 5. Жесткость | - | 2 шт. | ||
| 6. Вибропрочность | - | 2 шт. | ||
| 7. Способность снижать общий уровень вибрации | - | 2 шт. | ||
| 8. Ударостойкость | - | 2 шт. | ||
| 9. Вероятность безотказной работы | - | 5 %, но не менее 2 шт. | ||
| 10. Герметичность | 100 | 100 % | ||
| 11. Масса | - | 2 шт. | ||
Примечание. Знак «-» обозначает, что испытания не проводятся.
Подотказом понимается потеря герметичности изделия или разрушение элементовкомпенсатора или уплотнения.
5.9.Квалификационным испытаниям подвергают компенсаторы и уплотнения, изготовлениекоторых впервые осваивается на данном предприятии.
5.10.Если в процессе квалификационных испытаний компенсаторов или уплотнений будетобнаружено несоответствие изделий требованиям настоящего стандарта, то выпускпродукции не допускается.
5.11.Периодическим испытаниям подвергают компенсаторы и уплотнения один раз в тригода, а также в случае возобновления их выпуска после трехгодичного перерыва.
5.10,5.11. (Измененнаяредакция, Изм. № 1).
5.12.Если в процессе периодических испытаний партии компенсаторов или уплотнений будетобнаружено несоответствие изделий требованиям настоящего стандарта, то партиявозвращается для анализа причин несоответствия и устранения дефектов. Выпускпродукции и отгрузку потребителю приостанавливают. После устранения дефектов наповторные испытания от партии отбирают удвоенное количество образцов.
Если приповторных испытаниях хотя бы один компенсатор или уплотнение не будетудовлетворять требованиям настоящего стандарта, то партию изделий бракуют, приемкуи выпуск продукции данного типоразмера прекращают до обеспечения необходимойстабильности качества.
5.13. Приположительных результатах повторных периодических испытаний вся партиякомпенсаторов и уплотнений считается годной, за исключением изделий,забракованных при первых испытаниях.
5.14.Квалификационные и периодические испытания проводят по программе, составленнойразработчиком и согласованной с представителем заказчика (основногопотребителя), а при необходимости, и с представителем государственного надзора.
5.15.Типовым испытаниям подвергают компенсаторы и уплотнения в случае измененийконструкции, технологии изготовления или применяемых материалов, влекущих засобой изменение основных параметров (характеристик) продукции.
5.16.Типовые испытания проводят по программе, составленной разработчиком исогласованной с представителем заказчика (основного потребителя),предприятием-изготовителем и с представителем органа государственного надзора.Программа должна содержать объем контроля и методику проверки характеристик ипараметров, на которые могли повлиять введенные изменения, а также количествопроверяемых образцов и их типоразмеры.
5.17. Приположительных результатах типовых испытаний компенсаторы и уплотнения допускаютк изготовлению по измененной документации и предъявляют на приемосдаточныеиспытания в установленном порядке.
Приотрицательных результатах типовых испытаний изменения не вносят.
5.18.Изделия, подвергнутые типовым, квалификационным или периодическим испытаниям,использованию по назначению не подлежат.
6.1.Испытания проводят в закрытом помещении при температуре окружающей среды(293±10) К [(20±10) °С].
6.2.Испытательное оборудование, контрольно-измерительные приборы и технологическоеоснащение должны обеспечивать получение необходимых режимов испытаний, а такжедостижение параметров и характеристик, указанных в настоящем стандарте.
6.3.Испытательное оборудование должно иметь документы, подтверждающие егосостояние, а контрольно-измерительные приборы - документы, подтверждающие ихповерку.
6.4.Контрольные жидкости и газы должны соответствовать требованиям соответствующихстандартов (технических условий).
6.5.Чистота внутренней полости компенсаторов и уплотнений проверяется визуально,если особые требования не оговорены при заказе.
6.6. Размерыкомпенсаторов и уплотнений проверяют измерительным инструментом второго классас точностью, обусловленной заданными предельными отклонениями. Маркировкупроверяют визуально.
6.7.Внешний вид компенсаторов и уплотнений проверяют осмотром на отсутствиенедопустимых повреждений. Поверхности сильфонов и присоединительные поверхностифланцев проверяют сравнением с контрольным образцом. Контрольный образец насоответствующий тип изделия предприятие-изготовитель должно согласовать спредприятием-разработчиком продукции.
6.8.Испытания компенсаторов и уплотнений на прочность производят гидравлическимдавлением Рпр = 1,5Ру. Проверкапроизводится согласно ГОСТ22161 питьевой водой по ГОСТ2874*.
* На территории Российской Федерации действует ГОСТР 51232-98 (здесь и далее).
Прииспытании компенсаторы и уплотнения должны быть предохранены от растяжения.
6.9.Термические испытания компенсаторов и уплотнений проводят путем контрольногопрогрева изделий, предназначенных для применения на средах с температурой более423 К (150 °С). Прогрев осуществляют в предварительно нагретой печи дотемпературы (548±25) К [(275±25) °С] с выдержкой изделия при этой температуре втечение 1 ч. Вспучивание или разрывы на сильфоне и сварных швах не допускаются.
6.10.Жесткость компенсаторов и уплотнений (осевую и сдвиговую) проверяют приложениемизмеряемой силы к одной из присоединительных поверхностей изделия, а угловуюжесткость - измеряемым моментом силы. Усилие измеряют динамометром 2-го классаточности при атмосферном давлении внутри изделия и перемещениях, указанных втабл. 2 - 28.
(Измененная редакция, Изм. №1).
6.11.Вибропрочность компенсаторов и уплотнений проверяют при атмосферном давлении попрограммам квалификационных, периодических и типовых испытаний, разработанным всоответствии с нормативно-технической документацией.
Компенсаторыи уплотнения считают выдержавшими испытания на вибропрочность, если послевоздействия на них вибрации не произошло видимого разрушения и они не потерялиспособности осуществлять свои функции.
6.12.Способность компенсаторов и уплотнений снижать общий уровень вибрации проверяютв соответствии с программой и методикой испытаний, действующей вотрасли-изготовителе.
6.13.Вероятность безотказной работы проверяют назначенной наработкой на стендах, обеспечивающихмаксимальные амплитуды симметричных циклов и давление (табл. 1 - 28). Проверкапроизводится методом однократной выборки с доверительной вероятностью 0,9, причисле отказов, равном нулю.
Методотбора единиц продукции в выборку, а также порядок оценки показателейбезотказности должны устанавливаться программами-методиками испытаний с учетомтребований ГОСТ18321.
(Измененная редакция, Изм. №1).
6.14.Ударостойкость компенсаторов и уплотнений проверяют при атмосферном давлении попрограммам квалификационных, периодических и типовых испытаний, разработанным всоответствии с нормативно-технической документацией.
Изделиясчитают выдержавшими испытания на ударостойкость, если после воздействия на нихдинамических нагрузок не произошло видимого разрушения и они не потерялигерметичность.
6.15.Проверка герметичности осуществляется водой по ГОСТ2874, воздухом по ГОСТ 17433,азотом по ГОСТ 9293 илигелиевым течеискателем типа ПТИ-7А (ПТИ-10) по усмотрениюпредприятия-изготовителя, исходя из требований, установленных пп. 2.13 и 3.1.
Прииспытании изделий внутренним избыточным давлением компенсаторы и уплотнениядолжны быть предохранены от растяжения. Падение давления и протечкиконтрольного газа или жидкости не допускаются.
6.16.Проверка массы выполняется путем взвешивания на весах по ГОСТ29329.
7.1, 7.2.(Исключены,Изм. № 1).
7.3. Компенсаторыили уплотнения должны быть раскреплены в таре таким образом, чтобы исключаласьвозможность перемещения их при транспортировании.
7.4 - 7.6. (Исключены, Изм. № 1).
7.7.Компенсаторы или уплотнения, упакованные в тару в соответствии с пп. 2.15, 2.18.2,2.19.1, 2.19.2, 7.3,могут транспортироваться всеми видами транспорта в соответствии с общимитребованиями и нормами, действующими на данном виде транспорта.
(Измененная редакция, Изм. №1).
7.8.Условия транспортирования продукции - по условиям хранения 9 (ОЖ1), типатмосферы IV по ГОСТ15150; воздействие механических факторов по ГОСТ 23170(Ж); условия хранения 2 (С) по ГОСТ15150.
8.1. Впериод хранения, транспортирования к месту монтажа и в период монтажа должныбыть приняты меры, исключающие повреждение компенсаторов или уплотнений.
8.2.Хранить распакованные и расконсервированные компенсаторы или уплотнения наоткрытых площадках запрещается.
8.3.Монтаж компенсаторов и уплотнений, а также защита от коррозии в период монтажаи эксплуатации, должны производиться по монтажным чертежам трубопроводов,систем, механизмов в соответствии с требованиями нормативно-техническойдокументации на монтаж и эксплуатацию.
8.4. Навесь период монтажа компенсаторы и уплотнения следует защищать от механическихповреждений и воздействий агрессивных сред.
8.5.Допустимые монтажные деформации компенсаторов (уплотнений) должны быть впределах норм на смещение и параллельность присоединительных поверхностей соединениятрубопроводов и систем, установленных государственными или отраслевымистандартами.
8.6. Приприменении сильфонных компенсаторов и уплотнений не допускается нагружение ихкрутящим моментом, силами или изгибающими моментами от массы труб, арматуры, механизмов,устройств и т.д.
8.7.Нанесение тепловой изоляции на изделия типов К001 и К011 для исполнений 01 - 06должно быть согласовано с разработчиком продукции.
8.8.Расстояние между компенсатором или уплотнением и окружающими конструкциямидолжно быть не менее 50 мм. Допускается уменьшение указанного расстояния до 10мм по документации разработчика объекта применения.
(Измененная редакция, Изм. №1).
8.9.Схемы компенсации и разделения объемов, в которых используются компенсаторы илиуплотнения, должны быть согласованы в соответствии с ГОСТ 2.124.
8.10. Приустановке компенсаторов или уплотнений рекомендуется нагружать их величиной допустимогохода по направлению, противоположному рабочему перемещению.
9.1.Изготовитель гарантирует соответствие компенсаторов и уплотнений требованиямнастоящего стандарта при соблюдении потребителем условий транспортирования, храненияи эксплуатации.
9.1.1.Гарантийный срок хранения - 5 лет со дня изготовления.
9.1.2.Гарантийный срок эксплуатации - 5 лет со дня ввода в эксплуатацию.
9.1.3.Гарантийная наработка компенсаторов и уплотнений - 2500 циклов, при нагрузках,указанных в табл. 1 - 28, для изделий исполнений 07, 08, 25, 26 - 2000 цикловсо дня ввода в эксплуатацию.
Обязательное
мм
| 65 | 200 | 450 | 900 | 1800 | 2800 |
| 80 | 250 | 500 | 1000 | 2000 | 3000 |
| 100 | 300 | 600 | 1200 | 2200 | 3400 |
| 125 | 350 | 700 | 1400 | 2400 | 3800 |
| 150 | 400 | 800 | 1600 | 2600 | 4000 |
Обязательное

Справочное
График зависимости наработкии отношения амплитуд

N - наработка, цикл; Кс - коэффициент,учитывающий изменение амплитуд симметричного цикла
1. Приизменении наработки, приведенной в стандарте, до значения N¢ изменяются амплитуды перемещений в зависимости откоэффициента Кс, определяемого по графику.
2. Приизменении амплитуд, приведенных в стандарте, до значений
;
;
изменяется наработкав зависимости от коэффициента Кс
;
;
.
1, 2. (Измененная редакция, Изм. №1).
3.Амплитуды
;
;
, назначенные для одновременного осевого перемещения, сдвигаи поворота, не должны нарушать условие:
,
где
;
;
- амплитуды,приведенные в табл. 12 - 28настоящего стандарта.
4. Выбор амплитуддля применения осуществляется с учетом влияния температуры
;
;
,
где Kt- коэффициент, учитывающийвлияние температуры.
Таблица значений Kt
| Температурный коэффициент | Температура, °С | |||||||||||||
| -200 | -50 | -40 | -30 | 20 | 100 | 150 | 200 | 250 | 300 | 350 | 400 | 450 | 500 | |
| Kt1 | 1,00 | 1,00 | 1,00 | 1,00 | 1,00 | 1,00 | 0,95 | 0,90 | 0,87 | 0,85 | 0,82 | 0,80 | 0,77 | 0,75 |
| Kt2 |
|
| 1,00 | 1,00 | 1,00 | 1,00 | 0,90 | 0,80 | 0,75 | 0,70 |
|
|
|
|
| Kt3 |
| 1,00 | 1,00 | 1,00 | 1,00 | 1,00 |
|
|
|
|
|
|
|
|
Kt1 - дляизделий исполнений 01 - 06; 21 - 24;
Kt2 - дляизделий исполнений 07; 08; 25; 26;
Kt3 - дляизделий исполнений 09 - 11.
Пример 1
Требуетсяопределить амплитуды симметричного цикла изделия типа K111, исполнения 21, Dy = 450 мм, Ру= 6,3 МПа, компенсирующего одновременно осевые перемещения, сдвиг иповорот при температуре 773 К (500 °С).
1)
;
;
- амплитуды симметричногоцикла по табл. 24 стандарта.
2)
;
;
- амплитудысимметричного цикла для одновременной компенсации осевого перемещения, сдвига иповорота
.
3)искомые амплитуды с учетом коэффициента Kt
;
;
.
Пример 2
Требуетсяувеличить наработку сильфонного компенсатора типа К001, исполнения 01, Dy = 300 мм, Ру = 2,5 МПа с5000 циклов до 10000 циклов за счет уменьшения амплитуды симметричного сдвигапри температуре 293 К (20 °С).
1)
- по табл. 2настоящего стандарта равна 7 мм.
2) Кс- по графику зависимости для наработки 10000 циклов равен 0,78
.
3) Kt - потаблице настоящего приложения для 293 К (20 °С) равен 1,0
.
Приизменении амплитуд числовое значение допустимой наработки определяетсяаналогичным способом.
ИНФОРМАЦИОННЫЕ ДАННЫЕ
1. РАЗРАБОТЧИК
Г.И. Федоров (руководитель темы)
2. УТВЕРЖДЕН И ВВЕДЕН ВДЕЙСТВИЕ Постановлением Государственного комитета СССР по стандартам от20.10.86 № 3130
3. ВВЕДЕН ВПЕРВЫЕ
4. ССЫЛОЧНЫЕ НОРМАТИВНО-ТЕХНИЧЕСКИЕ ДОКУМЕНТЫ
| Обозначение НТД, на который дана ссылка | Номер пункта |
| ГОСТ 2.124-85 | |
| ГОСТ 9.014-78 | |
| ГОСТ 12.2.003-91 | |
| ГОСТ 12.3.003-86 | |
| ГОСТ 12.3.025-80 | |
| ГОСТ 26.020-80 | |
| ГОСТ 356-80 | |
| ГОСТ 380-94 | |
| ГОСТ 1050-88 | |
| ГОСТ 1536-76 | |
| ГОСТ 2874-82 | |
| ГОСТ 2991-85 | |
| ГОСТ 3068-88 | |
| ГОСТ 4543-71 | |
| ГОСТ 5632-72 | |
| ГОСТ 6032-89 | |
| ГОСТ 9293-74 | |
| ГОСТ 14192-96 | |
| ГОСТ 15150-69 | |
| ГОСТ 17433-80 | |
| ГОСТ 18321-73 | |
| ГОСТ 19807-91 | |
| ГОСТ 20072-74 | |
| ГОСТ 22161-76 | |
| ГОСТ 23170-78 | |
| ГОСТ 25756-83 | |
| ГОСТ 29329-92 |
5. Ограничение срока действия снято Постановлением Госстандартаот 21.04.92 № 424
6. ИЗДАНИЕ (ноябрь 2003 г.) сИзменениями № 1, 2, утвержденными в октябре 1989 г., апреле 1992 г. (ИУС 1-90,7-92)
СОДЕРЖАНИЕ