Меню по разделу
+
Требования настоящего стандарта являются обязательными.
Настоящий стандарт распространяется на стружколомы к пластинам по ГОСТ 25403-82.
| Обозначение: | ГОСТ 25418-82* |
| Название рус.: | Стружколомы сменные многогранные твердосплавные круглой формы. Конструкция и размеры |
| Статус: | действующий |
| Заменяет собой: | ГОСТ 2209-69 (в части формы 42) |
| Дата актуализации текста: | 01.10.2008 |
| Дата добавления в базу: | 01.02.2009 |
| Дата введения в действие: | 01.07.1983 |
| Утвержден: | Госстандарт СССР (18.08.1982) |
| Опубликован: | Стандартинформ № 2006 |
МЕЖГОСУДАРСТВЕННЫЙ СТАНДАРТ
| СТРУЖКОЛОМЫ СМЕННЫЕ МНОГОГРАННЫЕ Конструкция и размеры Round throw-away (indexable) carbide chip breakers. Design and dimensions | ГОСТ Взамен |
Постановлением Государственного комитета СССР постандартам от 18 августа 1982 г. № 3272 дата введения установлена
01.07.83
Издание 2006 г. с Изменением № 1,утвержденным в декабре 1990 г. (ИУС 4-91).
Требования настоящего стандартаявляются обязательными.
(Введен дополнительно, Изм. №1).
1. Настоящий стандартраспространяется на стружколомы к пластинам по ГОСТ25403-82.
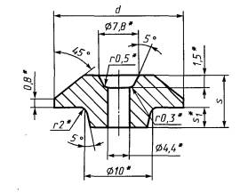
2. Конструкция и размерыстружколомов должны соответствовать указанным на чертеже и в таблице.

*Размерыдля пресс-форм.
мм
| Обозначение стружколомов | d | s | s1 |
| 42030 | 18 | 8,0 | 3,5 |
| 42050 | 20 | 8,5 | |
| 42070 | 21 | 7,5 | |
| 42090 | 22 | ||
| 42110 | 23 | ||
| 42130 | 24 | 4,0 | |
| 42150 | 25 |
3. Условноеобозначение стружколомов при заказе из твердого сплава марки ВК8, с размерами: d = 18 мм, s = 8,0 мм, s1 = 3,5 мм:
19 6525 0036 42030
То же, в техническойдокументации:
Стружколом 42030 ВК8 ГОСТ 25418
4. Ориентировочная массастружколомов указана в приложении.
5. Технические требования - по ГОСТ19086-80.
2-5. (Измененная редакция,Изм. № 1).
6. Применяемые марки твердого сплава указаны в приложении.
(Введен дополнительно, Изм. №1).
ПРИЛОЖЕНИЕ 1
Справочное
Ориентировочная масса стружколомов
| Обозначение стружколомов | Ориентировочная масса стружколомов в г из твердого сплава марки ВК8 |
| 42030 | 13,5 |
| 42050 | 17,6 |
| 42070 | 17,6 |
| 42090 | 19,4 |
| 42110 | 21,2 |
| 42130 | 23,8 |
| 42150 | 25,8 |
ПРИЛОЖЕНИЕ 1. (Измененная редакция, Изм. № 1).
ПРИЛОЖЕНИЕ 2
Рекомендуемое
Применяемые марки твердого сплава
| Цифровое обозначение стружколомов | Основное применение |
| 42030 | № 4 |
| 42050 | |
| 42070 | |
| 42090 | |
| 42110 | |
| 42130 | |
| 42150 |
№ 4 - ВК8.
ПРИЛОЖЕНИЕ 2. (Введено дополнительно, Изм. № 1).

