Настоящий стандарт распространяется на регулируемые кронштейны, применяемые для крепления стеклянных трубопроводов.
Требования настоящего стандарта являются обязательными.
| Обозначение: | ГОСТ 24199-80* |
| Название рус.: | Кронштейны регулируемые. Конструкция |
| Статус: | действующий |
| Заменяет собой: | ГОСТ 15931-74 |
| Дата актуализации текста: | 01.10.2008 |
| Дата добавления в базу: | 01.02.2009 |
| Дата введения в действие: | 01.07.1981 |
| Разработан: | Минмонтажспецстрой СССР |
| Утвержден: | Госстандарт СССР (22.05.1980) |
| Опубликован: | Издательство стандартов № 1988 |

ГОСУДАРСТВЕННЫЙ СТАНДАРТ СОЮЗА ССР
СОЕДИНИТЕЛЬНЫЕ
И КРЕПЕЖНЫЕ ДЕТАЛИ
СТЕКЛЯННЫХТРУБОПРОВОДОВ
КРОНШТЕЙНЫ РЕГУЛИРУЕМЫЕ
Конструкция
ГОСТ 24199-80
ГОСУДАРСТВЕННЫЙ КОМИТЕТ СССРПО СТАНДАРТАМ
Москва
ГОСУДАРСТВЕННЫЙСТАНДАРТ СОЮЗА ССР
| Конструкция Regulated brackets. | ГОСТ |
Дата введения 01.07.81
(Измененная редакция, Изм. № 2).
1. Настоящий стандарт распространяется на регулируемые кронштейны,применяемые для крепления стеклянных трубопроводов.
Требования настоящего стандарта являются обязательными.
(Измененная редакция, Изм. № 2).
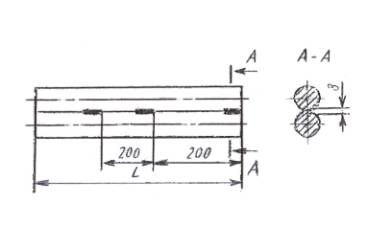
2. Конструкция и основные размеры регулируемых кронштейнов должнысоответствовать указанным на черт. 1 и в табл. 1.
Исполнение 1
Исполнение 2
1 -стержень; 2 - ползунок; 3 - скоба; 4 - хомут; 5 -хомут с хвостовиком; 6 - прокладка по ГОСТ 24192-80 ; 7 - болт М6´30.36.016по ГОСТ7798-70 ; 8- гайка M6.4.0.16по ГОСТ5915-70 ; 9- шайба 6.36.01 по ГОСТ 11371-78 ; 10 - болт М8´16.36.016по ГОСТ7798-70 ; 11- болт M6´25.36.016по ГОСТ7798-70
Таблица 1
Размеры в мм
| Условный проход Dу | Наружный диаметр трубы Dн | Исполнение 1 | Исполнение 2 | |||||||
| Аmin | Аmax | Масса, кг, не более | Аmin | Аmax | Масса, кг, не более | |||||
| L = 350 | L = 500 | L = 350 | L = 500 | |||||||
| С буртами | 15 | - | 48 | 92 | - | 1,04 | 44 | 96 | - | 1,08 |
| 25 | - | 55 | 98 | - | 1,06 | 51 | 102 | - | 1,10 | |
| 32 | - | 58 | 103 | - | 1,09 | 54 | 107 | - | 1,13 | |
| 40 | - | 64 | 108 | - | 1,11 | 60 | 112 | - | 1,15 | |
| 50 | - | 70 | 113 | - | 1,14 | 66 | 117 | - | 1,18 | |
| С гладкими концами | 40 | 45 | 62 | 119 | 0,91 | 1,18 | 59 | 122 | 0,95 | 1,22 |
| 50 | 67 | 75 | 131 | 0,96 | 1,23 | 72 | 134 | 1,00 | 1,27 | |
| 80 | 93 | 89 | 146 | 1,26 | 1,53 | 86 | 149 | 1,34 | 1,61 | |
| 100 | 122 | 104 | 161 | 1,34 | 1,61 | 101 | 164 | 1,48 | 1,75 | |
Пример условного обозначения кронштейна исполнения 1 для трубы с буртами Dу = 15 мм:
Кронштейн 15-1 ГОСТ 24199-80
То же, исполнения 2:
Кронштейн 15-2 ГОСТ 24199-80
То же, исполнения 1, длятрубы с гладкими концами Dу = 40 мм, длиной L = 350 мм:
Кронштейн 45-350-1 ГОСТ24199-80
То же, исполнения 2:
Кронштейн 45-350-2 ГОСТ24199-80
(Измененная редакция, Изм. № 2).
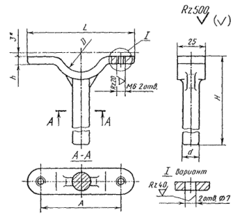
3. Конструкция и основные размеры стержня должны соответствоватьуказанным на черт. 2 и в табл. 2.

Таблица 2
| l, мм | Масса, кг, не более |
| 350 | 0,63 |
| 500 | 0,89 |
(Измененная редакция, Изм. № 2).
Пример условного обозначения стержня длиной l = 350 мм из стали марки Ст3кп:
Стержень 350 ГОСТ 24199-80
То же, из стали марки Ст3сп:
Стержень 350-С ГОСТ 24199-80
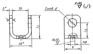
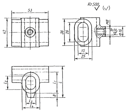
4. Конструкция и основные размеры ползунка и скобы должнысоответствовать указанным на черт. 3 и в табл. 3.
Ползунок
Скоба
* Размер для справок.
Таблица 3
Размеры в мм
| Условный проход Dу | Наружный диаметр трубы Dн | L | L1 | L2 | L3 | L4 | L5 | L6 | d | b | Масса, кг, не более | ||
| ползунка | скобы | ||||||||||||
| С буртами | 15 | - | 45 | 28 | 18 | 15 | 25 | 40 | 26 | 16 | 30 | 0,07 | 0,11 |
| 25 | - | ||||||||||||
| 32 | - | ||||||||||||
| 40 | - | ||||||||||||
| 50 | - | ||||||||||||
| С гладкими концами | 40 | 45 | |||||||||||
| 50 | 67 | ||||||||||||
| 80 | 93 | 58 | 41 | 31 | 28 | 38 | 5 | 35 | 30 | 45 | 0,10 | 0,18 | |
| 100 | 122 | ||||||||||||
Примерусловного обозначения ползунка для трубы с буртами Dу = 15 мм:
Ползунок 15 ГОСТ 24199-80
То же, скобы Dу = 15 мм:
Скоба 15 ГОСТ 24199-80
То же, для трубы с гладкимиконцами Dy = 40 мм и Dн = 45 мм:
Ползунок 40-45 ГОСТ 24199-80
То же, скобы Dy = 40 мм и Dн = 45 мм:
Скоба 40-45 ГОСТ 24199-80
(Измененная редакция, Изм. № 2).
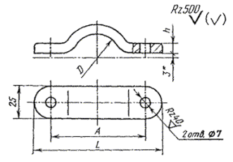
5. Конструкция и основные размеры хомута и хомута с хвостовиком должнысоответствовать указанным на черт. 4 и в табл. 4.
Хомут с хвостовиком
Хомут
* Размеры для справок.
Таблица 4
Размеры в мм
| Условный диаметр трубы Dу | Наружный диаметр трубы Dн | D | h | L | А | H | d | Масса, кг, не более | ||
| хомута | хомута с хвостовиком | |||||||||
| С буртами | 15 | - | 28 | 5 | 80 | 60 | 116 | 12 | 0,020 | 0,050 |
| 25 | - | 40 | 90 | 70 | 122 | 0,025 | 0,055 | |||
| 32 | - | 47 | 6 | 100 | 80 | 126,5 | 0,035 | 0,065 | ||
| 40 | - | 57 | 110 | 90 | 131,5 | 0,040 | 0,070 | |||
| 50 | - | 67 | 7 | 120 | 100 | 137,5 | 0,050 | 0,080 | ||
| С гладкими концами | 40 | 45 | 53 | 110 | 85 | 140,0 | 0,060 | 0,100 | ||
| 50 | 67 | 75 | 8 | 135 | 110 | 152,0 | 0,080 | 0,110 | ||
| 80 | 93 | 100 | 10 | 175 | 150 | 167,0 | 25 | 0,150 | 0,290 | |
| 100 | 122 | 130 | 205 | 180 | 182,0 | 0,180 | 0,320 | |||
Пример условного обозначения хомута для труб с буртами Dу = 15 мм:
Хомут 15 ГОСТ 24199-80
То же, хомута схвостовиком:
Хомут с хвостовиком 15 ГОСТ24199-80
То же, для труб с гладкимиконцами Dy = 40 мм и Dн = 45 мм:
Хомут 40-45 ГОСТ 24199-80
То же, хомута схвостовиком:
Хомут с хвостовиком 40-45ГОСТ 24199-80
(Измененная редакция, Изм. № 2).
6. Детали кронштейнов должны быть изготовлены:
стержень и скоба - из сталимарки Ст3кп или Ст3сп по ГОСТ 380-88;
ползунок, хомут с хвостовикоми хомут - из алюминиевого сплава марки АК7 по ГОСТ 2685-75.
(Измененная редакция, Изм. № 2).
7. Технические требования - по ГОСТ 24201-80 .
8. Коды ОКП приведены вприложении.
(Введендополнительно, Изм. № 2 ).
Справочное
| Код ОКП и контрольное число | |
| 45-350-1 | 48 3475 4001 05 |
| 45-350-2 | 48 3475 4002 04 |
| 45-500-1 | 48 34,75 4003 03 |
| 45-500-2 | 48 3475 4004 02 |
| 67-350-1 | 48 3475 4005 01 |
| 67-350-2 | 48 3475 4006 00 |
| 67-500-1 | 48 3475 4007 02 |
| 67-500-2 | 48 3475 4008 09 |
| 93-350-1 | 48 3475 4009 08 |
| 93-350-2 | 48 3475 4011 03 |
| 93-500-1 | 48 3475 4012 02 |
| 93-500-2 | 48 3475 4013 01 |
| 122-350-1 | 48 3475 4014 00 |
| 122-350-2 | 48 3475 4015 10 |
| 122-500-1 | 48 3475 4016 09 |
| 122-500-2 | 48 3475 4017 08 |
| 169-350-1 | 48 3475 4018 07 |
| 169-350-2 | 48 3475 4019 06 |
| 169-500-1 | 48 3475 4021 01 |
| 169-500-2 | 48 3475 4022 00 |
| 15-1 | 48 3475 4024 09 |
| 15-2 | 48 3475 4025 08 |
| 25-1 | 48 3475 4026 07 |
| 25-2 | 48 3475 4027 06 |
| 32-1 | 48 3475 4028 05 |
| 32-2 | 48 3475 4029 04 |
| 40-1 | 48 3475 4031 04 |
| 40-2 | 48 3475 4032 09 |
| 50-1 | 48 3475 4033 08 |
| 50-2 | 48 3475 4034 07 |
(Введенодополнительно, Изм. № 1).
(Измененная редакция, Изм. № 2).
ИНФОРМАЦИОННЫЕ ДАННЫЕ
1. РАЗРАБОТАН И ВНЕСЕН Министерством монтажных испециальных строительных работ СССР
М.Г. Скакунов, д-р техн. наук; Н.Н.Куликов; Р.И. Шарунова
2. УТВЕРЖДЕН И ВВЕДЕН В ДЕЙСТВИЕПостановлением Государственного комитета СССР по стандартам от 22.05.80 № 2306
3. ВЗАМЕН ГОСТ 15931-74
4. Срок проверки - I квартал 1990 г.; периодичность проверки - 5лет.
5. ССЫЛОЧНЫЕ НОРМАТИВНО-ТЕХНИЧЕСКИЕ ДОКУМЕНТЫ
| Номер пункта | |
| ГОСТ 5915-70 | |
| ГОСТ 7798-70 | |
| ГОСТ 24192-80 | |
| ГОСТ 2685-75 | |
| ГОСТ 24201-80 |
6. ПЕРЕИЗДАНИЕ (май 1988 г.) с Изменением №1, утвержденным в январе 1988 г. (ИУС 4-88).
Снято ограничение срокадействия Постановлением Госстандарта СССР от 28.01.88 № 156