Меню по разделу
+
| Обозначение: | ГОСТ 22355-77* |
| Название рус.: | Шайбы класса точности С к высокопрочным болтам. Конструкция и размеры |
| Статус: | не действующий Прекращено применение на территории РФ. Действует ГОСТ Р 52646-2006 (ИУС 9-2007) |
| Дата актуализации текста: | 01.10.2008 |
| Дата добавления в базу: | 01.02.2009 |
| Дата введения в действие: | 01.01.1979 |
| Дата окончания срока действия: | 01.01.2008 |
| Утвержден: | Госстандарт СССР (07.02.1977) |
| Опубликован: | Издательство стандартов № 1985 |

ГОСУДАРСТВЕННЫЙ СТАНДАРТ СОЮЗА ССР
ШАЙБЫ КЛАССА ТОЧНОСТИ С КВЫСОКОПРОЧНЫМ БОЛТАМ
Конструкция и размеры
ГОСТ 22355-77
ГОСУДАРСТВЕННЫЙ КОМИТЕТ СССР ПО СТАНДАРТАМ
Москва
ГОСУДАРСТВЕННЫЙ СТАНДАРТ СОЮЗА ССР
ШАЙБЫ КЛАССА ТОЧНОСТИ С ГОСТ
К ВЫСОКОПРОЧНЫМ БОЛТАМ 22355-77*
Конструкция и размеры
Product grade C washes for hightstrength bolts.
Construction and dimensions
Постановлением Государственного комитета стандартов Совета МинистровСССР от 7 февраля 1977 г. № 309 срок введения установлен
с 01.01.79
Несоблюдениестандарта преследуется по закону
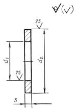
1. Конструкция и размеры шайб должны соответствовать указанным на чертеже ив таблице.

мм
| Номинальный диаметр резьбы болта | d1 | d2 | s |
| 16 | 18 | 37 |
|
| (18) | 20 | 39 | 4 |
| 20 | 22 | 44 |
|
| (22) | 24 | 50 | 5; 6* |
| 24 | 26 | 56 |
|
| (27) | 30 | 66 |
|
| 30 | 33 | 66 | 6 |
| 36 | 39 | 78 |
|
| 42 | 45 | 90 | 8 |
| 48 | 52 | 100 |
|
---------------
* Толщина шайб, применяемых вмостостроении.
Примечание. Размеры,заключенные в скобки, применять не рекомендуется.
Пример условного обозначения шайбы дляболта диаметром резьбы 20 мм:
Шайба 20 ГОСТ22355-77
(Измененная редакция, Изм. № 1).
2. Технические требования - по ГОСТ 22356-77
2а. Предельныеотклонения размеров и допуски формы и расположения поверхностей - по ГОСТ18123-82.
2б.Шероховатость и допускаемые дефекты поверхности шайб - по ГОСТ 18123-82.
2а, 2б. (Введены дополнительно, Изм. № 1).
3. Теоретическая масса шайб приведена в справочном приложении.
ПРИЛОЖЕНИЕ
Справочное
Теоретическая массашайб
| Номинальный диаметр резьбы болта, мм | Теоретическая масса 1000 шт. шайб, кг» | Номинальный диаметр резьбы болта, мм | Теоретическая масса 1000 шт. шайб, кг» |
| 16 | 25,8 | (27) | 127,8 |
| (18) | 27,6 | 30 | 120,7 |
| 20 | 35,8 | 36 | 168,7 |
| (22) | 59,3 | 42 | 299,5 |
| 24 | 75,8 | 48 | 359,7 |
(Измененная редакция, Изм. № 1).

