Настоящий стандарт распространяется на рельсы двухголовые, тавровые и типа Р5, предназначенные для наземных и подвесных путей.
Установленные настоящим стандартом показатели технического уровня предусмотрены для первой категории качества.
| Обозначение: | ГОСТ 19240-73* |
| Название рус.: | Рельсы для наземных и подвесных путей. Сортамент |
| Статус: | действующий *Переиздание (январь 1991 г.) с Изменением №1, утвержденным в декабре 1984 г. (ИУС 4-85) |
| Заменяет собой: | ГОСТ 5157-53 (в части рельсов двухголовых, тавровых и типа Р5 для наземных и подвесных путей) |
| Дата актуализации текста: | 01.10.2008 |
| Дата добавления в базу: | 01.02.2009 |
| Дата введения в действие: | 01.01.1975 |
| Утвержден: | Госстандарт СССР (29.11.1973) |
| Опубликован: | Издательство стандартов № 1991 |

ГОСУДАРСТВЕННЫЙ СТАНДАРТ СОЮЗА ССР
РЕЛЬСЫ ДЛЯ НАЗЕМНЫХ
И ПОДВЕСНЫХ ПУТЕЙ
СОРТАМЕНТ
ГОСТ 19240-73*
ГОСУДАРСТВЕННЫЙ КОМИТЕТ СССР
ПО УПРАВЛЕНИЮ КАЧЕСТВОМ ПРОДУКЦИИ И СТАНДАРТАМ
Москва
ГОСУДАРСТВЕННЫЙ СТАНДАРТСОЮЗА ССР
| РЕЛЬСЫ ДЛЯ НАЗЕМНЫХ И ПОДВЕСНЫХ ПУТЕЙ Сортамент Rails for ground and suspended tracks Dimensions | ГОСТ 19240-73* Взамен ГОСТ 5157-53 в частиРельсовых двухголовых, тавровых и типа Р5 для наземных и подземных путей |
Постановлением Государственного комитета стандартов Совета Министров СССРот 29 ноября 1973г. № 2610 срок введения установлен
с 01.01.75
Постановлением Госстандарта СССР от 28.03.89 № 768
срок действия продлён до01.07.95
*Переиздание (январь 1991г.) с Изменением №1, утвержденным в декабре 1984 г. (ИУС 4-85)
1. Настоящий стандарт распространяется на рельсыдвухголовые, тавровые и типа Р5, предназначенные для наземных и подвесныхпутей.
Установленные настоящим стандартом показателитехнического уровня предусмотрены для первой категории качества.
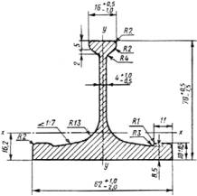
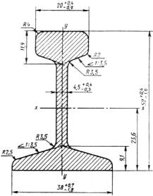
2. Размеры поперечного сечения и предельныеотклонения размеров рельсов должны соответствовать указанным на черт. 1-3.
Расчетные величины рельсов указаны в приложении.
1, 2 (Измененная редакция, Изм.№ 1).
3. Несимметричность поперечного сечения головки иподошвы рельсов относительно вертикальной оси шейки не должна превышатьполусуммы отклонений размеров соответствующих элементов профиля.
4. Размеры, па которые не указаны предельные отклонения,даны для построения калибров и на готовом прокате не определяются.
5. Двухголовые и тавровые рельсы изготовляют:
мерной длины;
кратной мерной длины;
немерной длины.
Длина рельсов устанавливается по требованиюпотребителя, но не должна быть более 8 м для двухголовых рельсов и не более 7 мдля тавровых рельсов.
6. Рельсы типа Р5 поставляются длиной 6 м.
Допускается изготовление рельсов немерной длины от1,5 до 4,6 м не более 5% массы партии и от 4,6 до 8,0 м не более 20 % массыпартии.
7. Рельсы изготовляются без фрезеровки торцов.
4-7 (Измененная редакция, Изм. № 1).
8. Предельные отклонения по длине рельсов мерной икратной мерной длины не должны превышать:
+40 мм-для рельсов длиной до 4 м включительно;
+60 мм-для рельсов длиной свыше 4 до 6 м включительно;
+80 мм-для рельсов длиной свыше 6 м.
9. Кривизна рельсов в горизонтальной и вертикальнойплоскостях не должна превышать 0,40% длины.
10. Определение размеров поперечного сеченияпроводят на расстоянии не менее 500 мм от торца профиля. Измерение толщинышейки проводят у торца рельса.
11. Скручивание рельсов вокруг продольной оси недопускается.
12. Марки стали, из которой изготовляются рельсы, итехнические требования по ГОСТ535-88 и другим действующим стандартам, оговоренным в заказе.
Рельс двухголовый

Рельс тавровый

Черт. 2
Рельс типа Р5

Справочное
Расчетныевеличины рельсов
|
| Расчетные величины рельсов | ||
| Наименования параметров | двухголовых | тавровых | типа Р5 |
| Площадь поперечного сечения, см2 | 29,10 | 11,92 | 5,91 |
| Момент инерции относительно горизонтальной оси, см4 | 913,86 | 50,38 | 22,16 |
| Момент инерции относительно вертикальной оси, см4 | 23,03 | 44,95 | 2,87 |
| Момент сопротивления относительно горизонтальной оси, см3 | 114,23 | - | - |
| Момент сопротивления относительно горизонтальной оси (верх), см3 | - | 9,37 | 7,76 |
| Момент сопротивления относительно горизонтальной оси (низ), см3 | - | 30,98 | 9,45 |
| Момент сопротивления относительно вертикальной оси, см3 | 11,52 | 10,96 | 1,51 |
| Расстояние центра тяжести до подошвы, см | - | 1,63 | 2,34 |
| Масса 1 м, кг | 22,84 | 9,36 | 4,64 |
Примечание.Площадь поперечного сечения и масса 1 м рельса вычислены по номинальным размерам,при этом плотность стали принята равной 7,85 г/см3.