Меню
Навигация
Первая линия
Novatika

ГОСТ 15634.4-70* «Провода обмоточные. Метод испытания изоляции напряжением»

Настоящий стандарт распространяется на обмоточные провода круглого и прямоугольного сечения со всеми видами изоляции и устанавливает методы испытаний изоляции напряжением.

Обозначение: ГОСТ 15634.4-70*
Название рус.: Провода обмоточные. Метод испытания изоляции напряжением
Статус: действующий (Введен впервые)
Дата актуализации текста: 01.10.2008
Дата добавления в базу: 01.02.2009
Дата введения в действие: 01.01.1973
Разработан: Министерство электротехнической промышленности
Утвержден: Госстандарт СССР (16.03.1970)
Опубликован: ИПК Издательство стандартов № 1999

ГОСТ 15634.4-70

МЕЖГОСУДАРСТВЕННЫЙ СТАНДАРТ

ПРОВОДА ОБМОТОЧНЫЕ

МЕТОДЫ ИСПЫТАНИЯ ИЗОЛЯЦИИ НАПРЯЖЕНИЕМ

ИПК ИЗДАТЕЛЬСТВО СТАНДАРТОВ

Москва

ИНФОРМАЦИОННЫЕДАННЫЕ

1. РАЗРАБОТАН И ВНЕСЕН Министерством электротехнической промышленностиСССР

РАЗРАБОТЧИКИ

И.Б. Пешков, профессор(руководитель темы); А. А. Гнедин, канд. техн. наук; С. С. Аршинов;Л. П. Карпова

2. УТВЕРЖДЕН И ВВЕДЕН В ДЕЙСТВИЕПостановлением Комитета стандартов, мер и измерительных приборов при СоветеМинистров СССР от 16.03.70 № 354

3. Стандарт полностью соответствуетмеждународному стандарту МЭК 851-5-85

4. ВВЕДЕН ВПЕРВЫЕ

5. ССЫЛОЧНЫЕ НОРМАТИВНО-ТЕХНИЧЕСКИЕ ДОКУМЕНТЫ

Обозначение НТД, на который дана ссылка

Номер пункта

ГОСТ 3722-81

2.3

ГОСТ 15634.3-70

2.3, 3.1.4.1

6. Ограничение срока действия снятоПостановлением Госстандарта от 26.06.91 № 1001

7. ПЕРЕИЗДАНИЕ(февраль 1999 г.) с Изменениями № 2, 3, 4, утвержденными в марте 1976 г., мае1985 г., июне 1990 г. (ИУС 3-76, 8-85, 10-90)

(Поправка.ИУС 1-2005 г.).

МЕЖГОСУДАРСТВЕННЫЙСТАНДАРТ

ПРОВОДА ОБМОТОЧНЫЕ

Методы испытания изоляции напряжением

Magnet wire.
Methods of the breakdown voltage test

ГОСТ
15634.4-70

Дата введения 01.01.73

Настоящий стандарт распространяется наобмоточные провода круглого и прямоугольного сечения со всеми видами изоляции иустанавливает методы испытаний изоляции напряжением.

(Измененная редакция, Изм. № 4).

1. ОТБОР ОБРАЗЦОВ

1.1. Испытанию должны быть подвергнутыпровода, не имеющие механических повреждений и хранившиеся в условиях,указанных в стандарте или технических условиях на обмоточные провода.

1.2. Образец провода круглогосечения с медной проволокой диаметром 0,05 - 0,30 мм или с проволокой из сплавасопротивления диаметром 0,05 - 1,0 мм должен быть отобран путем сматывания безрастяжения и изгибов с испытуемой катушки на металлические валики.

(Измененная редакция, Изм. № 2, 3).

1.3. Образец провода круглогосечения с алюминиевой или медной проволокой диаметром 0,315 мм и более илиобразец провода прямоугольного сечения должен быть без растяжения и изгибовсмотан с катушки, барабана или бухты.

Длина образца провода круглого сечения должнабыть не менее 500 мм, а при испытании образца на стержне - подсчитана поформуле

l = 2 (6pdст + 150),

где l - длина образца,мм;

d - диаметр стержня, мм.

Длина образца провода прямоугольного сечениядолжна быть не менее 500 мм при испытании его в виде двух прямых отрезков,параллельно уложенных, и не менее 600 мм при испытании образца в изогнутомсостоянии.

(Измененная редакция, Изм. № 3).

1.4. Испытание должно бытьпроведено на одном образце, отобранном от испытуемой катушки, барабана илибухты, если в стандарте или технических условиях на провода не указано большеечисло образцов.

Примечание. С 01.07.93 испытаниепроводят на пяти образцах, отобранных от испытуемой катушки, барабана илибухты.

(Измененная редакция, Изм. № 4).

2. АППАРАТУРА

2.1. Для испытания проводовкруглого сечения с медной проволокой диаметром 0,05 - 0,30 мм или с проволокойиз сплава сопротивления диаметром 0,05 - 1,0 мм должна быть применена следующаяаппаратура:

- установка переменного тока частоты 50 или60 Гц на напряжение св. 1000 В, состоящая из трансформатора мощностью не более0,5 кВ А, регулирующего устройства и измерительных приборов. Форма кривойнапряжения должна быть практически синусоидальной с коэффициентом амплитуды  ± 5 %. Устройство индикациипробоя должно срабатывать, если в цепи высокого напряжения проходит ток, равный5 мА или более. Приведенная погрешность установки, определенная при температуреокружающей среды (20 ± 5) °С, не должна быть более ± 2,5 %;

- установка для испытания, в которую входят два полированныхметаллических свободно вращающихся на осях валика диаметром 30 мм, расстояниемежду центрами валиков 55 мм;

- установка для испытания должнасоответствовать технической документации, утвержденной в установленном порядке.Схема установки указана на черт. 1.

1 - катушка с проводом; 2 - испытуемыйпровод; 3 - металлические валики; 4 - зажимы; 5 - груз

Черт. 1

Установка содержит набор грузов, обеспечивающихсоответствующее натяжение провода на металлических валиках.

(Измененная редакция, Изм. № 3, 4).

2.2. Для испытания проводовкруглого сечения с медной проволокой диаметром 0,315 мм и более сэмалево-волокнистой (за исключением эмалево-стекловолокнистой) изоляцией должнабыть применена следующая аппаратура:

- установка переменного тока частоты 50 Гц нанапряжение св. 1000 В, состоящая из трансформатора мощностью не менее 1,0 кВ×А, регулирующего устройства и измерительныхприборов. Форма кривой напряжения должна быть практически синусоидальной.Пробивное напряжение должно быть измерено с погрешностью не более ± 2,5 %;

- устройство для скручивания проводов,соответствующее технической документации, утвержденной в установленном порядке.

Схема устройства указана на черт. 2.

Устройство содержит набор грузов,обеспечивающий соответствующее натяжение проводов при их скручивании.

2.3. Для испытания проводов состекловолокнистой, эмалево-стекловолокнистой, дельтаасбестовой ипленочно-волокнистой изоляцией должна быть применена следующая аппаратура:

- установка переменного тока, соответствующаятребованиям п. 2.2.

1 - скользящий зажим; 2 - вращающийсязажим; 3 - образец провода; 4 - груз; 5 - электродвигатель

Черт. 2

В установку входит электрод, состоящий изметаллических шариков (диаметр 2 и 3 мм, степень точности 60 - 100, группа Н поГОСТ3722).

Примечание. Диаметр шариков 3 мм до 1января 1988 г., с 1 января 1988 г. диаметр шариков 2 мм;

- устройства для навивания образцов настержень и для изгиба образцов с углом обхвата стержня 180°, соответствующеетребованиям ГОСТ15634.3.

В устройства входит дополнительный комплект цилиндрических стержней из изоляционногоматериала с предельным отклонением по диаметру ± 10 % отвеличин, установленных в стандарте или технических условиях на обмоточныепровода. Поверхность стержней должна быть гладкой;

- термостат с перемешиванием воздуха иавтоматическим регулированием температуры с погрешностью, указанной в табл. 1, стокопроводящими выводами для присоединения образцов, находящихся в термостате,к установке напряжением св. 1000 В.

Таблица 1

°С

Температура в термостате

Предельное отклонение

До 150

± 2,5

Св. 150 до 200

± 3,5

» 200 » 300

± 6,0

» 300 » 400

± 10,0

2.2, 2.3. (Измененнаяредакция, Изм. № 3).

3. ПРОВЕДЕНИЕ ИСПЫТАНИЙ

3.1. Испытание проводов в исходном состоянии

3.1.1.Испытание должно быть проведено при температуре окружающего воздуха (25 ± 10) °Си относительной влажности не более 75 %, если в стандарте или техническихусловиях на обмоточные провода не предусмотрены другие температура и влажность.

Допускается испытание образцов притемпературе, отличающейся от (25 ± 10) °С, и относительной влажности окружающеговоздуха более 75 %, если результаты испытаний удовлетворяют требованиямстандарта или технических условий на обмоточные провода. При получении в этомслучае неудовлетворительных результатов новые образцы, отобранные от тех жекатушек, барабанов или бухт провода, должны быть выдержаны не менее 6 ч доначала испытания при температуре (25 ± 10) °С, относительной влажности окружающеговоздуха не более 75 % и испытаны в этих условиях.

3.1.2. Проводкруглого сечения с медной проволокой диаметром 0,05 - 0,30 мм или с проволокойиз сплава сопротивления диаметром 0,05 - 1,0 мм, сматываемой с катушки, должендважды обвивать металлическиевалики в виде восьмерки. Конец провода должен быть очищен от изоляции иприсоединен к зажиму.

На участке провода между металлическимиваликами и зажимом должна быть приложена нагрузка, создаваемая грузом массой 1кг, приходящимся на 1 мм2 площади поперечного сечения проволоки.

Предельное отклонение от значений массы недолжно быть более 20 %.

Напряжение должно быть приложено междузажимом и металлическими валиками и плавно поднято до пробоя изоляции. Скоростьподъема напряжения должна быть приблизительно 100 В/с, если пробой изоляциинаступает менее чем через 5 с, скоростьподъема напряжения должна быть уменьшена.

Значение напряжения в начале испытания(непосредственно после включения) допускается не более 10 % от нормируемогозначения пробивного напряжения.

(Измененная редакция, Изм. № 3).

3.1.3.Образец провода круглого сечения с медной проволокой диаметром 0,315 мм и болеес эмалево-волокнистой (за исключением эмалево-стекловолокнистой) изоляциейдолжен быть сложен пополам и скручен на длине 125 мм.

Значение натяжения испытуемого провода прискручивании должно соответствовать нагрузке, создаваемой грузом массой 1 кг, приходящимсяна 1 мм2 площади поперечного сечения проволоки.

Предельное отклонение от значений массыдолжно быть не более 20 %.

Число скруток в зависимости от диаметрапроволоки должно соответствовать указанному в табл. 2.

Таблица 2

Номинальный диаметр проволоки, мм

Число скруток на длине 125 мм

0,315 - 0,53

10

0,55 - 0,80

9

0,83 - 1,32

7

1,40 - 2,12

4

2,24 - 2,50

3

Образцы должны быть скручены в том же направлении,в каком наложена волокнистая изоляция.

Петля на конце скрученного образца должнабыть разрезана в двух местах (черт. 3), с противоположной стороныобразца на обоих концах должна быть удалена изоляция.

Черт. 3

Напряжение должно быть приложено кнеизолированным концам скрученного образца и плавно поднято до пробоя изоляции.Скорость подъема напряжения должна быть приблизительно 100 В/с, если пробойизоляции наступает при напряжении равном или более 2500 В, скорость подъеманапряжения должна быть приблизительно 500 В/с. Значение напряжения в началеиспытания (непосредственно после включения) допускается не более 10 % отнормируемого значения пробивного напряжения.

(Измененная редакция, Изм. № 3, 4).

3.1.4. Дляпроводов со стекловолокнистой, эмалево-стекловолокнистой, дельтаасбестовой ипленочно-волокнистой изоляцией устанавливают два нижеприведенных видаиспытаний.

В стандарте или технических условиях,устанавливающих технические требования на обмоточные провода, должен бытьуказан вид испытания.

3.1.4.1. Образцы провода для испытанийподготавливают в соответствии с требованиями ГОСТ15634.3 .

Образец провода в виде винтовой спирали илиизогнутом состоянии должен быть снят со стержня и помещен в ванну сметаллическими шариками таким образом, чтобы слой дроби, окружавшей его,составлял не менее 5 мм; концы образца длиной 75 - 100 мм должны быть выведеныиз ванны; с одного конца образца на длине 15 - 20 мм должна быть удаленаизоляция.

Образец провода прямоугольного сечения,изогнутый по меньшей стороне, помещают в ванну с металлическими шарикамисначала одной изогнутой частью и проводят испытания, а затем испытания повторяют,помещая в ванну вторую изогнутую часть образца.

Для удобства проведения испытаний образныйобразец провода может быть разрезан на две части и каждая часть испытанаотдельно.

Напряжение должно быть приложено кнеизолированному концу образца и к металлическим шарикам и плавно поднятого допробоя изоляции. Скорость подъема напряжения должна быть приблизительно 100В/с; если пробой изоляции наступает менее чем через 5 с,скорость подъема напряжения должна быть уменьшена.

Значение напряжения в начале испытания(непосредственно после включения) допускается не более 10 % от нормируемогозначения пробивного напряжения.

3.1.4.2.Образец провода должен быть разрезан на два равных отрезка; с одного концакаждого отрезка на длине 15 - 20 мм должна быть удалена изоляция.

Отрезки провода круглого сечения с проволокойдиаметром до 2,50 мм должны быть навиты на стержень из изоляционного материаладвумя один над другим плотно прилегающим друг к другу рядами; каждый ряд долженсостоять из шести витков, плотно прилегающих друг к другу; витки каждого рядадолжны быть навиты в одном направлении; концы отрезков (при необходимости)должны быть закреплены на стержне, чтобы избежать смещение витков.

Навивание отрезков должно быть проведено поднатяжением, создаваемым для алюминиевой проволоки грузом массой 0,5 кг и длямедной проволоки - 1 кг, приходящимся на 1 мм2 площади поперечногосечения проволоки.

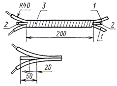
Отрезки провода круглого сечения с проволокойдиаметром 2,50 мм и более и прямоугольного сечения должны быть параллельнорасположены и плотно прижаты друг к другу (прямоугольного сечения - плашмя (потолщине) и на длине 200 мм скреплены обмоткой из изоляционной ленты или другимспособом, обеспечивающим плотное прилегание друг к другу испытуемых отрезковпровода.

Концы отрезков должны быть разведены впротивоположные стороны и в местах отгиба отделены друг от друга изоляционнойпрокладкой толщиной не более 0,2 мм (черт. 4).

1 - отрезки провода; 2 - изоляционнаяпрокладка; 3 - обмотка изоляционной ленты

Черт. 4

Напряжение должно быть приложено кнеизолированным концам отрезков провода, навитых на стержень или параллельноуложенных, и плавно поднято до пробоя изоляции. Скорость подъема напряжениядолжна быть приблизительно 100 В/с; если пробой изоляции наступает менее чемчерез 5 с, скорость подъема напряжения должнабыть уменьшена; если пробой изоляции наступает при напряжении равном или более2500 В, скорость подъема напряжения должна быть приблизительно 500 В/с.

Величина напряжения в начале испытания(непосредственно после включения) допускается не более 10 % от нормируемойвеличины пробивного напряжения.

3.1.4.1, 3.1.4.2. (Измененная редакция,Изм. № 3, 4).

3.2. Испытание проводов при воздействии повышеннойтемпературы

3.2.1.Образец в виде двух отрезков, навитых на стержень или параллельно уложенных всоответствии с требованием п. 3.1.4.2, должен быть помещен в термостат с установившейсятемпературой так, чтобы он не касался стенок термостата; неизолированные концыотрезков должны быть присоединены к токопроводящим выводам термостата.

3.2.2.Температура и время выдержки образца в термостате до приложения к немунапряжения должны соответствовать требованиям, указанным в стандарте илитехнических условиях на обмоточные провода.

Время пребывания в термостате должно бытьотсчитано с момента установления в нем требуемой температуры после помещенияобразца.

В течение всего периода пребывания образца втермостате он должен находиться под непрерывным воздействием требуемойтемпературы.

3.2.3.Напряжение должно быть приложено к выводам термостата и плавно поднято допробоя изоляции образца провода. Скорость подъема напряжения должна бытьприблизительно 100 В/с; если пробой изоляции наступает менее чем через 5 с,скорость подъема напряжения должна быть уменьшена; если пробой изоляциинаступает при напряжении равном или более 2500 В, скорость подъема напряжениядолжна быть приблизительно 500 В/с.

Значение напряжения в начале испытания(непосредственно после включения) допускается не более 10 % от нормируемогозначения пробивного напряжения.

3.3. Испытание проводов после воздействиятемпературы

3.3.1.Образцы проводов для испытаний, подготовленные аналогично пп. 3.1.4.1 и 3.1.4.2, помещают в термостат с установившейсятемпературой.

Температура и время выдержки в термостатедолжны соответствовать указанным в стандартах или технических условиях наобмоточные провода.

Образцы не должны касаться стенок термостата.После изъятия из термостата образцы охлаждают в течение 30 мин до температуры ивлажности окружающего воздуха и подвергают испытанию напряжением.

3.3, 3.3.1. (Введеныдополнительно, Изм. № 2).

СОДЕРЖАНИЕ