Меню по разделу
+
| Обозначение: | ГОСТ 12478-67* |
| Название рус.: | Серьги двухпазовые. Конструкция |
| Статус: | действующий |
| Заменяет собой: | МН 5426-64 |
| Дата актуализации текста: | 01.10.2008 |
| Дата добавления в базу: | 01.02.2009 |
| Дата введения в действие: | 01.07.1967 |
| Разработан: | Министерство станкостроительной и инструментальной промышленности СССР Министерство тяжелого , энергетического и транспортного машиностроения СССР |
| Утвержден: | Госстандарт СССР (03.01.1967) |
| Опубликован: | ИПК Издательство стандартов № 2000 |
МЕЖГОСУДАРСТВЕННЫЙ СТАНДАРТ
| СЕРЬГИ ДВУХПАЗОВЫЕ Конструкция Two-slot shackles. Design | ГОСТ 12478-67 |
Дата введения 01.07.67
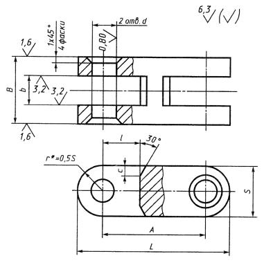
1. Конструкция и размеры двухпазовых серег должнысоответствовать чертежу и таблице.

* Размер для справок.
Размеры, мм
| Обозначения серег | Применяемость | А | b Н11 | d* Н7 или Н11 | b b11 | S | l | с | L | Масса, кг |
| 7018-0551 |
| 32 | 10 | 8 | 20 | 16 | 12 | 2,5 | 48 | 0,057 |
| 7018-0552 |
| 40 | 56 | 0,077 | ||||||
| 7018-0553 |
| 50 | 66 | 0,102 | ||||||
| 7018-0554 |
| 40 | 12 | 10 | 25 | 20 | 16 | 3,0 | 60 | 0,112 |
| 7018-0555 |
| 50 | 70 | 0,151 | ||||||
| 7018-0556 |
| 60 | 80 | 0,190 | ||||||
| 7018-0557 |
| 16 | 12 | 32 | 25 | 20 | 4,0 | 85 | 0,283 | |
| 7018-0558 |
| 80 | 105 | 0,409 | ||||||
| 7018-0559 |
| 100 | 125 | 0,534 | ||||||
| 7018-0560 |
| 80 | 20 | 16 | 40 | 32 | 25 | 5,0 | 112 | 0,613 |
| 7018-0561 |
| 100 | 132 | 0,814 | ||||||
| 7018-0562 |
| 125 | 157 | 1,065 | ||||||
| 7018-0563 |
| 100 | 25 | 20 | 50 | 40 | 30 | 6,0 | 140 | 1,218 |
| 7018-0564 |
| 125 | 165 | 1,611 | ||||||
| 7018-0565 |
| 160 | 200 | 2,160 |
* Вслучае применения штифтов типа 1 по ГОСТ 3128 -поле допуска отверстия d - К7. Соответственно вусловном обозначении указывать поле допуска К7.
Пример условногообозначения двухпазовой серьги размерами А = 32 мм, b = 10 мм, с полем допуска диаметра d - Н7:
Серьга 7018-0551 Н7 ГОСТ 12478-67
(Измененная редакция, Изм. № 1, 2).
2. Материал - сталь марки 45по ГОСТ1050. Допускается замена на стали других марок с механическими свойствамине ниже, чем у стали марки 45.
3. Твердость - 36,5 ... 41,5 HRCэ.
4. Неуказанные предельныеотклонения размеров: h14, ± ![]()
(Измененная редакция, Изм. № 2).
5. (Исключен,Изм. № 1).
6. Покрытие - Хим. Окс. прм(обозначение покрытия - по ГОСТ9.306).
7. Маркировать партию деталейодного типоразмера на таре или упаковке с указанием условного обозначения.
6, 7. (Измененная редакция, Изм. № 2).
8. Пример применениядвухпазовых серег указан в приложении.
(Введен дополнительно, Изм.№ 2).

ИНФОРМАЦИОННЫЕ ДАННЫЕ
1. РАЗРАБОТАН И ВНЕСЕН Министерством тяжелого,энергетического и транспортного машиностроения СССР
Министерством станкостроительной и инструментальнойпромышленности СССР
РАЗРАБОТЧИКИ
В.В.Андреев; В.Н. Дзегиленок, канд. техн.наук; В.А. Петрова; К.И.Сокольский; А.З. Старосельский(руководитель темы); А.В. Хренова; Т.А.Шестакова
2. УТВЕРЖДЕН И ВВЕДЕН В ДЕЙСТВИЕ ПостановлениемКомитета стандартов, мер и измерительных приборов при Совете Министров СССР от03.01.67 № 45
3. ВЗАМЕН МН 5426-64
4. ССЫЛОЧНЫЕ НОРМАТИВНО-ТЕХНИЧЕСКИЕ ДОКУМЕНТЫ
| Обозначение НТД, на который дана ссылка | Номер пункта |
| ГОСТ 9.306-85 ГОСТ 1050-88 ГОСТ 3128-70 | 6 2 1 |
5. Постановлением Госстандарта СССР от 17.03.88 № 569снято ограничение срока действия
6. ПЕРЕИЗДАНИЕ (ноябрь 1999 г.) с Изменениями № 1 и 2,утвержденными в июне 1980 г., марте 1988 г. (ИУС 9-80, 6-88)

