Меню по разделу
+
| Обозначение: | ГОСТ 12476-67* |
| Название рус.: | Рычаги вильчатые. Конструкция |
| Статус: | действующий |
| Дата актуализации текста: | 01.10.2008 |
| Дата добавления в базу: | 01.02.2009 |
| Дата введения в действие: | 01.07.1967 |
| Разработан: | Министерство тяжелого , энергетического и транспортного машиностроения СССР |
| Утвержден: | Госстандарт СССР (03.01.1967) |
| Опубликован: | ИПК Издательство стандартов № 2000 |
МЕЖГОСУДАРСТВЕННЫЙ СТАНДАРТ
РЫЧАГИ ВИЛЬЧАТЫЕ
Конструкция
ИПК ИЗДАТЕЛЬСТВО СТАНДАРТОВ
Москва
МЕЖГОСУДАРСТВЕННЫЙ СТАНДАРТ
| РЫЧАГИ ВИЛЬЧАТЫЕ Конструкция Fork levers. Design | ГОСТ 12476-67 |
Дата введения 01.07.67
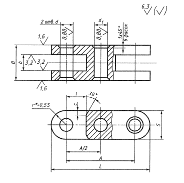
1. Конструкция и размеры вильчатых рычагов должнысоответствовать чертежу и таблице.

*Размер для справок.
Размеры, мм
| Обозначения рычагов | Применяемость | А | b Н11 | d* Н7 или Н11 | d1 Е8 или Н11 | B d11 | S | l | с | L | Масса, кг |
| 7018-0511 |
| 40 | 10 | 8 | 8 | 20 | 16 | 12 | 2,5 | 56 | 0,069 |
| 7018-0512 |
| 50 | 66 | 0,094 | |||||||
| 7018-0513 |
| 12 | 10 | 10 | 25 | 20 | 16 | 3,0 | 70 | 0,135 | |
| 7018-0514 |
| 60 | 80 | 0,174 | |||||||
| 7018-0515 |
| 16 | 12 | 12 | 32 | 25 | 20 | 4,0 | 85 | 0,254 | |
| 7018-0516 |
| 80 | 105 | 0,380 | |||||||
| 7018-0517 |
| 100 | 125 | 0,515 | |||||||
| 7018-0518 |
| 80 | 20 | 16 | 16 | 40 | 32 | 25 | 5,0 | 112 | 0,550 |
| 7018-0519 |
| 100 | 132 | 0,751 | |||||||
| 7018-0520 |
| 125 | 157 | 1,002 | |||||||
| 7018-0521 |
| 100 | 25 | 20 | 20 | 50 | 40 | 30 | 6,0 | 140 | 1,095 |
| 7018-0522 |
| 125 | 165 | 1,487 | |||||||
| 7018-0523 |
| 160 | 200 | 2,036 |
* В случае применения штифтов типа 1 поГОСТ 3128 - поле допуска отверстия d-K7. Соответственно в условномобозначении указывать поле допуска К7.
Пример условногообозначения вильчатого рычага размерами А-40мм, 6=10 мм, с полем допускадиаметров d и d1 - Н11:
То же, с полями допусков диаметра d - H7, d1 - E8:
(Измененная редакция, Изм. № 1, 2).
2. Материал - сталь марки 45по ГОСТ1050. Допускается замена на стали других марок с механическими свойствамине ниже, чем у стали марки 45.
3. Твердость - 36,5...41,5 HRCэ.
4. Неуказанные предельныеотклонения размеров: ![]()
3, 4. (Измененная редакция, Изм. № 2).
5. (Исключен,Изм. № 1).
6. Покрытие - Хим. Окс. прм(обозначение покрытия - по ГОСТ9.306).
7. Маркировать партию деталейодного типоразмера на таре или упаковке с указанием условного обозначения.
6, 7. (Измененная редакция, Изм. № 2).
8. Пример применениявильчатого рычага указан в приложении.
(Введен дополнительно, Изм.№ 2).

ИНФОРМАЦИОННЫЕДАННЫЕ
1. РАЗРАБОТАН И ВНЕСЕН Министерством тяжелого,энергетического и транспортного машиностроения СССР
Министерством станкостроительной и инструментальнойпромышленности СССР
РАЗРАБОТЧИКИ
В.В.Андреев; В.Н. Дзегиленок, канд. техн.наук; В.А. Петрова; К.И. Сокольский;А.З. Старосельский (руководитель темы);А.В. Хренова; Т.А. Шестакова
2. УТВЕРЖДЕН И ВВЕДЕН В ДЕЙСТВИЕ ПостановлениемКомитета стандартов, мер и измерительных приборов при Совете Министров СССР от03.01.67 № 52
3. ССЫЛОЧНЫЕ НОРМАТИВНО-ТЕХНИЧЕСКИЕ ДОКУМЕНТЫ
| Обозначение НТД, на который дана ссылка | Номер пункта |
| ГОСТ 9.306-85 ГОСТ 1050-88 ГОСТ 3128-70 | 6 2 1 |
4. Постановлением Госстандарта СССР от 17.03.88 № 568снято ограничение срока действия
5. ПЕРЕИЗДАНИЕ (октябрь 1999г.) с Изменениями № 1, 2, утвержденнымив июне 1980г., марте 1988г. (ИУС 9-80, 6-88)

